ICS 13.100
CCS C 78
团体标准
T/CAWS 0015 — 2023
企业危险部位分级管理规范
Specifications for the hierarchical management of hazardous positions in enterpris
2023-12-25发布
2023-12-25实施
中国安全生产协会 发布
T/CAWS 0015—2023
目次
前言.........................................................................................................................................................................Ⅱ
引言.........................................................................................................................................................................Ⅲ
1 范围.................................................................................. 1
2 规范性引用文件........................................................................ 1
3 术语和定义............................................................................ 1
4 危险部位的辨识、评价、分级........................................................... 1
5 危险部位申报、审定及备案............................................................. 2
6 危险部位的复评及变更................................................................. 2
7 危险部位管理......................................................................... 3
7.1 职责划分........................................................................... 3
7.2 危险部位标志....................................................................... 3
7.3 制度管理........................................................................... 3
7.4 人员管理........................................................................... 4
7.5 危险部位检查....................................................................... 4
7.6 问题及隐患整改..................................................................... 5
7.7 视频监控系统....................................................................... 5
7.8 危险部位变更....................................................................... 5
8 危险部位应急救援..................................................................... 5
9 信息、资料及档案..................................................................... 5
附 录A(规范性)危险部位种类.......................................................... 6
附 录B(资料性)K.J 格莱姆打分法..................................................... 7
附 录C(资料性)火灾爆炸指数法........................................................ 9
附 录D(资料性)危险部位审定登记表................................................... 16
附 录E(资料性)危险部位标识牌模板................................................... 17
附 录F(资料性)重大危险源安全包保公示牌模板........................................... 18
I
T/CAWS 0015—2023
前
言
本文件按照GB/T 1.1-2020《标准化工作导则 第1部分:标准化文件的结构和起草规则》的规定 起草。
请注意本文件的某些内容可能涉及专利。本文件的发布机构不承担识别专利的责任。
本文件由中国安全生产协会提出并归口。
本文件起草单位:北京航星机器制造有限公司、陕西北元化工集团股份有限公司、万华化学集 团股份有限公司、河南油田工程科技股份有限公司。
本文件主要起草人:牛东农,陈霰,张曦,王启鹏,李源,马彪,周文胜,张海涛,王自立, 王智阳,王伟,何平,王永坤、雷华伟、于伟鹏。
II
T/CAWS 0015—2023
引言
为认真贯彻落实习近平总书记关于安全生产的重要论述和《中共中央国务院关于推进安全生产领 域改革发展的意见》,进一步推动企业安全管理持续提升、良性发展,激发企业做好安全管理工作的 内生动力,充分发挥协会服务生产经营单位、促进安全生产管理的重要作用,中国安全生产协会制定 本标准文件。
企业危险部位分级管理规范,是推进企业安全隐患排查系统提升的重要载体。各企业应高度重视 危险部位分级管理,积极学习和运用规范提出的评价标准和管理方法,明确隐患排查管理重点,强化 存在重大安全风险的生产区域、岗位的重点管控,不断提升企业安全管理水平,遏制重特大事故的发 生。
III
1 范围
T/CAWS 0015—2023
企业危险部位分级管理规范
本文件规定了生产制造类单位危险部位的辨识、评价、分级,申报、审定及备案,复评及变更,职 责、安全标志、检查,应急救援,信息、资料及档案管理。
本文件适用于生产制造类单位危险部位的安全管理。
2 规范性引用文件
下列文件中的内容通过文中的规范性引用而构成本文件必不可少的条款。其中,注日期的引用文 件,仅该日期对应的版本适用于本文件;不注日期的引用文件,其最新版本(包括所有的修改单)适 用于本文件。
GB 2893 安全色
GB 2894 安全标志及其使用导则
GB 13690 化学品分类和危险性公示 通则
GB 18218 危险化学品重大危险源辨识
GB/T 23694 风险管理 术语
GB/T 29639 生产经营单位生产安全事故应急预案编制导则
WJ 30059 军工燃烧爆炸品工程设计安全规范
3 术语和定义
GB 18218和GB/T 23694界定的以及下列术语和定义适用于本文件。
3.1
危险部位 dangerous positions
在生产经营活动中存在化学品、辐射、特种设备、电气等危险源,且事故危险等级达到一定程度 的单元或部位。
4 危险部位的辨识、评价、分级
4.1 涉及危险化学品的还应按GB 18218的规定进行重大危险源辨识并确定级别。
4.2 危险部位的辨识和评价应按照定性和定量分析相结合的方式进行,当二者结果不一致时,以定量 评价结果为确定依据。
4.3 应根据危险部位的特点,选择适用的评价方法对危险部位进行评价。单位主要危险部位参见附录 A。
4.4 危险部位的危险等级分为Ⅰ级、Ⅱ级和Ⅲ级,Ⅰ级最高。
4.5 危险部位评价方法如下:
1
T/CAWS 0015—2023
a) 不涉及危险化学品的危险设备、设施和场所,可采用K.J.格莱姆打分法等计算和评价危险部位 等级,计算方法参见附录B。
b) 涉及危险化学品的,应先进行重大危险源辨识。
c) 未构成重大危险源的危险化学品:连续生产线适用火灾爆炸指数法时,宜采用火灾爆炸指数法 计算和评价危险部位等级,计算方法参见附录C;生产方式和存量不适用火灾爆炸指数法时,采用K.J. 格莱姆打分法计算和评价危险部位等级。
4.6 危险部位等级划分标准如下:
a) Ⅰ级危险部位——符合以下任一条件的危险部位,应定为Ⅰ级危险部位:
1) 按照GB 18218进行辨识,构成重大危险源;
2) 采用火灾爆炸指数法计算,R≥120;
3) 采用K.J.格莱姆打分法计算,D≥160(D为含校正系数K的值)。
b) Ⅱ级危险部位——符合以下任一条件的危险部位,应定为Ⅱ级危险部位:
1) 采用火灾爆炸指数法计算,120>R≥90;
2) 采用K.J.格莱姆打分法计算,160>D≥70(D为含校正系数K的值)。
c) Ⅲ级危险部位——符合以下任一条件的危险部位,应定为Ⅲ级危险部位:
1) 采用火灾爆炸指数法计算,90>R≥60;
2) 采用K.J.格莱姆打分法计算,70>D≥20(D为含校正系数K的值)。
d) 符合附录A的可直接判定其级别,单位安全管理部门也可参照附录A制定本单位的直接判定目录。
5 危险部位申报、审定及备案
5.1 单位作业部门按照单元作业活动进行危险部位辨识和评价,并填写《危险部位审定登记表》向单 位安全生产管理机构申报,《危险部位审定登记表》见附录D。
5.2 单位安全生产主管领导组织相关专业安全专家对危险部位进行审核,审核后报单位主要负责人审 定。
5.3 危险部位审定后,具有上级管理单位的,单位安全生产管理机构应将Ⅰ级、Ⅱ级、Ⅲ级危险部位 向单位上级单位备案,无上级管理单位的自行留存《危险部位审定登记表》。同时应按照地方负有安 全生产监督管理职责的部门备案相关要求执行备案,属于重大危险源的Ⅰ级危险部位按照国家相关要 求备案。
5.4 单位安全生产管理机构应于每年四季度将单位重大危险源和Ⅰ级、Ⅱ级、Ⅲ级危险部位数量统计 后报送单位主要负责人和单位上级安全主管部门。
6 危险部位的复评及变更
6.1 危险部位每3年复评1次,属于重大危险源的Ⅰ级危险部位应委托具有安全评价资质单位进行安 全评估,其他危险部位复评工作由单位主要负责人组织。
6.2 危险部位下列情况之一发生较大变化时,应及时进行危险部位变更。
a)工艺平面布局;
b)工艺变更、设备设施调整;
2
T/CAWS 0015—2023
c)定岗、定员、定量等情况;
d)主要危险因素;
e)政策法规及标准修订。
6.3 危险部位变更包括撤销和等级变更,撤销或等级变更均应由危险部位原申报单位负责,并严格按 第5章的要求执行。
7 危险部位管理
7.1 职责划分
7.1.1 单位主要负责人对本单位危险部位管理工作负全责。
7.1.2 单位安全主管领导负责人对本单位危险部位审核、检查和组织安全隐患整改工作。
7.1.3 单位安全生产管理机构对危险部位负监督、检查和协调管理职责。
7.1.4 单位相关职能部门负责职责权限内的危险部位检查、维护和管理工作。
7.1.5 单位车间或部门对所属危险部位负直接管理责任。
7.1.6 单位危险部位作业场所安全生产负责人对危险部位作业过程安全风险管控负直接责任。
7.2 危险部位标志
7.2.1 根据各级危险部位特性,应按照GB 2894的要求设置各类标志:
——禁止标志;
——警告标志;
——指令标志;
——提示标志;
——说明标志。
7.2.2 危险部位标志应包括以下内容:
——危险部位级别;
——危险性类别,危险性类别按照GB 13690要求标示;
——安全责任人;
——危险部位编号;
——易燃、易爆危险部位建筑危险等级;
——易燃、易爆、有毒危险部位定员、定量。
7.2.3 各单位应在醒目位置悬挂安全标志和危险部位标识牌。安全标志应符合GB2893、GB2894的规 定,危险部位标识牌模板参见附录E。
7.2.4 当危险部位发生变更或相关责任人发生变化时,应及时更新安全标志和危险部位标识牌。
7.2.5 为重大危险源的Ⅰ级危险部位,应悬挂重大危险源包保公示牌。悬挂重大危险源包保公示牌模 板参见附录F。
7.3 制度管理
7.3.1 各单位应结合危险部位特点和涉及的相关部门,制定分级、分类、分责的安全生产管理制度。 具体包括但不限于以下制度:
a)危险部位日常管理制度;
3
T/CAWS 0015—2023
b)检查制度;
c)应急救援制度;
d)交接班登记制度;
e)信息反馈制度等。
7.3.2 危险部位应制定安全操作规程,并严格按安全操作规程进行作业。
7.3.3 危险部位应指定现场安全负责人,明确岗位安全职责。
7.3.4 危险部位发生变更时,应根据需要及时修订危险部位管理制度。
7.4 人员管理
7.4.1 各单位应对从事危险部位作业的人员进行安全教育及专业技能培训,并经考试合格。
7.4.2 特种作业人员、特种设备作业人员及火化工品作业人员的管理应按国家法规、行业标准和单位 有关文件等要求进行。
7.4.3 危险部位作业人员应掌握相应的安全防护措施和应急措施。
7.4.4 有毒、有害岗位的从业人员应按规定体检,严禁安排有职业禁忌证的人员上岗作业。
7.4.5 各单位应为危险部位从业人员提供符合国家标准或行业标准的劳动防护用品,从业人员要正确 佩戴和使用劳动防护用品。
7.5 危险部位检查
7.5.1 各单位应在危险源辨识的基础上,落实“安全风险分级管控”要求,按照公司、车间、班组等 各级各类人员的职责,分级、分类制定危险部位安全检查表。
7.5.2 各级人员须定期进行危险部位检查,如实填写检查记录。
7.5.3 Ⅰ级危险部位检查要求
a)单位主要负责人每半年应至少检查1次;
b)单位安全生产主管领导每季度应至少检查1次;
c)危险部位所在车间,单位安全生产管理机构和相关职能部门领导每月应至少检查1次;
d)班组长每周应至少检查1次;
e)作业人员应每个作业日检查。
7.5.4 Ⅱ级危险部位检查要求
a)单位主要负责人每年应至少检查1次;
b)单位安全生产主管领导每季度应至少检查1次;
c)危险部位所在车间,单位安全生产主管部门和相关职能部门领导每月应至少检查1次;
d)班组长每周应至少检查1次;
e)作业人员应每个作业日检查。
7.5.5 Ⅲ级危险部位检查要求
a)危险部位所在车间,单位安全生产管理机构和相关职能部门领导每月应至少检查1次;
b)班组长每周应至少检查1次; c)作业人员应每个作业日检查。
7.5.6 安全检查表应满足以下要求。
a)当天(或当班)安全检查表应存放在危险部位现场,以便于检查人员现场记录检查情况;
4
T/CAWS 0015—2023
b)Ⅰ级危险部位安全检查表的保留时间不少于3年,Ⅱ级、Ⅲ级危险部位的保留时间不少于2年。
7.6 问题及隐患整改
7.6.1 对于检查中发现的问题,责任单位要定措施、定责任人、定资金、定时限、定预案,及时组织 整改。
7.6.2 对于短期内难以整改的问题和隐患,应采取切实可行的防范措施,并逐级上报。
7.6.3 对严重危及安全生产的重大问题和隐患,应立即停产整顿。
7.7 视频监控系统的设置
涉及危险化学品的危险部位,现场应设置视频监控系统。其它危险部位,可根据危险特性和危险 等级按需设置。
7.8 危险部位变更
危险部位发生6.2所列的较大变化,发生危险部位变更(包括撤销和等级变更)和管理负责任人、 技术负责人变更时,应及时将相关信息反馈单位安全生产管理机构。
8 危险部位应急救援
8.1 所有危险部位应按照GB∕T 29639制定应急预案,配备齐全的救援器材和消防设施,明确各职能 部门和相关人员的应急救援职责及分工。
8.2 各单位应有针对性地开展应急预案培训,危险部位作业人员应掌握该危险部位的危险性质、日常 维护和操作技能、应急处置措施等相关知识。
8.3 各单位每年至少应组织一次综合应急预案或专项应急预案演练,每半年至少组织一次现场处置方 案演练,各级各类人员应掌握应急救援程序和相关知识。
8.4 演练结束后,演练组织单位要对演练情况进行评估,并根据演练情况对预案进行完善。
9 信息、资料及档案
9.1 各单位应建立危险部位档案管理、信息积累和反馈制度,对危险部位信息实施动态管理。
9.2 危险部位档案应包括:
a)危险部位审定登记表或评价报告;
b)危险部位管理制度;
c)危险部位操作规程;
d)教育和培训记录;
e)隐患排查及整改记录;
f)事故应急预案;
g)未遂事故等。
9.3 危险部位档案保存年限应按相关管理要求执行。
5
T/CAWS 0015—2023
附录A
(资料性) 危险部位种类
A.1 单位危险部位按照危害程度分为Ⅰ、Ⅱ、Ⅲ级危险部位。
A.2 Ⅰ级危险部位一般包括:
a) 构成重大危险源的厂房、库房:
b) WJ 30059中明确的A、B、C级火炸药厂房、库房;
c) 整体燃烧、爆炸场所;
d) 液化气充装站、加油站;
e) 大型油库;
f) 天燃气锅炉、蒸汽锅炉房;
g) 储存或使用介质为易燃易爆、有毒物质的压力容器;
h) 危险化学品库房(剧毒品库房);
i) 超高压容器(p≥100 MPa)。
A.3 Ⅱ级危险部位一般包括:
a) 有毒有害气体、粉尘严重场所;
b) 局部燃烧、爆炸场所;
c) 中型油库(汽油、煤油一种或两种总量为1t~20t);
d) 气瓶库;
e) 喷漆厂房;
f) 各类金属熔炉;
g) 大中型热水锅炉;
h) 高压容器(10MPa≤p<100MPa)。
A.4 Ⅲ级危险部位一般包括:
a) 大型冲、剪、压设备作业场所;
b) 木工机械作业场所;
c) 大型设备起重作业场所;
d) 高处作业场所;;
e) 配电室(有人值守)。
6
T/CAWS 0015—2023
危险等级的计算见公式(B.1)。
附录B
(资料性)
K.J. 格莱姆打分法
D=L×E×C×K…………………………………(B.1)
式中:
D ——危险性等级
L ——事故或危险事件发生的可能性;
E ——暴露于危险环境的频率;
C ——事故可能造成的后果;
K ——危险因素校正系数。
L、E、C、K的常用数值分别见表B.1~表B.4。
表 B.1 可能性(L)的数值
|
L |
发生事故的可能性 |
|
10 |
完全会被预料到 |
|
6 |
相当可能发生 |
|
3 |
不经常,但可能发生 |
|
1 |
完全意外,极少可能发生 |
|
0.5 |
可以想象,但高度不可能发生 |
|
0.2 |
极不可能发生 |
|
0.1 |
实际上不可能发生 |
表 B.2 频率(E)的数值
|
E |
暴露于危险环境情况 |
|
10 |
连续暴露于潜在危险环境 |
|
6 |
每日在工作时间内暴露 |
|
3 |
每周一次偶然暴露 |
|
2 |
每月暴露一次 |
|
1 |
每年几次暴露于潜在危险环境 |
|
0.5 |
非常罕见的暴露 |
表 B.3 后果(C)的数值
|
C |
事故后果严重性情况 |
|
100 |
大灾难,多人死亡 |
|
40 |
灾难,数人死亡 |
|
15 |
非常严重,一人死亡 |
|
7 |
严重,严重伤害 |
|
3 |
重大,致残 |
7
T/CAWS 0015—2023
|
1 |
引人注目,需要救护 |
表 B.4 校正系数(K)的数值
|
作业类别 |
K | |
|
易燃易爆场所 |
试验 |
1.5 |
|
生产 |
1.3 | |
|
贮存 |
1 | |
|
机械加工 |
手动 |
1.5 |
|
半自动 |
1.3 | |
|
全自动 |
1 | |
|
气体介质压力管道和压力 容器 |
超高压 |
1.8 |
|
高压 |
1.5 | |
|
中压 |
1.3 | |
|
中压以下 |
1 | |
|
含登高作业 |
30m以上 |
1.8 |
|
15~30m |
1.5 | |
|
5~15m |
1.3 | |
|
2~5m |
1 | |
|
起重作业 |
50吨及以上 |
1.5 |
|
10~50吨 |
1.3 | |
|
10吨以下 |
1 | |
8
T/CAWS 0015—2023
附 录C
(资料性) 火灾爆炸指数法
C.1 危险性指数R
危险性指数计算见公式(C.1)。
R=F & E × C
=F3 × MF × C
mm n n n
=mf ×∑ Fli ×∑F2i ×∏ Cli ×∏C2i×∏C3i...............(C・1)
i=1 i=1 i=1 i=1 i=1
式中:
R ——危险性指数;
F&E——火灾爆炸指数;
C ——安全设施修正系数;
F3 ——单元工艺危险系数;
MF ——危险物质系数;
F1i ——第i类危险物质的一般工艺危险系数;
F2i ——第i类危险物质的特殊工艺危险系数;
C1i ——第i类危险物质的工艺控制安全补偿系数;
C2i ——第i类危险物质的物质隔离安全补偿系数;
C3i ——第i类危险物质的防火设施安全补偿系数。
C.2 一般工艺危险系数
一般工艺危险系数(F1i)取值范围为:
a) 基本系数:1.00;
b) 放热反应:0.30~1.25;
c) 吸热反应:0.20~0.40;
d) 物料的处理和输送:0.25~1.05;
e) 封闭式或室内工艺单元:0.25~0.90;
f) 通道:0.20~0.35;
g) 排放和泄漏控制:0.25~0.50。
C.3 特殊工艺危险系数
特殊工艺危险系数(F2i)取值范围为:
a) 基本系数:1.00;
b) 毒性物质:0.20~0.80;
c) 负压(<6.67×104Pa):0.50;
d) 接近易燃范围的操作,惰性化、未惰性化:
——罐装易燃液体:0.50;
——过程失常或吹扫故障:0.30;
——一直在燃烧范围内:0.80;
9
T/CAWS 0015—2023
e) 粉尘爆炸:0.25~2.0;
f) 压力:0.15 kPa~1.50kPa;
g) 低温:0.20~0.30;
h) 易燃及不稳定物质量(单位:kg),物质燃烧热HC(单位:j·㎏-1):
——工艺过程中的可燃性液体、气体及化学活泼性物质:0.16~3.00;
——储存过程中的可燃性液体和气体:0.10~1.60;
——储存过程中的可燃性固体及工艺过程中的可燃性粉尘:0.10~4.00。
i) 腐蚀与磨损:0.10~0.75;
j) 泄漏(接头和填料处):0.10~1.5;
k) 使用明火设备:0.10~1.00;
l) 热油、热交换系统:0.15~1.15;
m) 转动设备:0.5。
C.4 工艺控制安全补偿系数
工艺控制安全补偿系数(C1i)取值范围为:
a) 应急电源:0.98;
b) 冷却装置:0.97~0.99;
c) 抑爆装置:0.84~0.98;
d) 紧急切断装置:0.96~0.99;
e) 计算机控制:0.93~0.99;
f) 惰性气体保护:0.94~0.96;
g) 操作规程/程序:0.91~0.99;
h) 化学活泼性物质检查:0.91~0.98;
i) 其他工艺危险分析:0.91~0.98。
C.5 物质隔离安全补偿系数
物质隔离安全补偿系数(C2i)取值范围为:
a) 远距离控制阀:0.96~0.98;
b) 卸料/排空装置:0.96~0.98;
c) 排放系统:0.91~0.97;
d) 连锁装置:0.98。
C.6 防火设施安全补偿系数
防火设施安全补偿系数(C3i)取值范围为:
a) 泄漏检测装置:0.94~0.98;
b) 钢质结构:0.95~0.98;
10
T/CAWS 0015—2023
c) 地下储罐:0.84~0.91;
d) 消防水供水系统:0.94~0.97;
e) 特殊灭火系统:0.91;
f) 洒水灭火系统:0.74~0.97;
g) 水幕:0.97~0.98;
h) 泡沫灭火装置:0.92~0.97;
i) 手提式灭火器/水枪:0.93~0.98;
j) 电缆防护:0.94~0.98。
C.7 危险物质系数
危险物质系数(MF)取值见表C.1。
表 C.1 危险物质系数的取值
|
化合物 |
MF值 |
|
乙醛 |
24 |
|
乙酸 |
14 |
|
乙酸酐 |
14 |
|
丙酮 |
16 |
|
丙酮合氰化氢 |
24 |
|
乙腈 |
16 |
|
乙酰氯 |
24 |
|
乙炔 |
29 |
|
乙酰基乙醇氨 |
14 |
|
过氧乙酰 |
40 |
|
乙酰水杨酸 |
16 |
|
乙酰基柠檬酸三丁酯 |
4 |
|
丙烯醛 |
19 |
|
丙烯酰胺 |
24 |
|
丙烯酸 |
24 |
|
丙烯腈 |
24 |
|
烯丙醇 |
16 |
|
化合物 |
MF值 |
|
氯化铝 |
24 |
|
氨 |
4 |
|
硝酸铵 |
29 |
|
乙酸戊酯 |
16 |
|
硝酸戊酯 |
24 |
|
苯胺 |
14 |
|
氯化钡 |
24 |
|
硬脂酸钡 |
4 |
|
苯甲醛 |
24 |
|
苯 |
16 |
|
苯甲酸 |
14 |
|
乙酸类酯 |
4 |
|
苄醇 |
4 |
|
苄基氯 |
14 |
|
过氧化苯甲酰 |
40 |
|
双酚 A |
14 |
|
溴 |
1 |
11
表 C.1(续)
|
化合物 |
MF值 |
化合物 |
MF值 |
|
烯丙胺 |
16 |
溴苯 |
10 |
|
烯丙基溴 |
16 |
邻一溴甲苯 |
10 |
|
烯丙基氯 |
16 |
1,3-丁二烯 |
24 |
|
烯丙醚 |
24 |
丁烷 |
21 |
|
1-丁醇 |
16 |
三氯硝基甲烷 |
29 |
|
1-丁烯 |
21 |
2-氯丙烷 |
21 |
|
乙酸丁酯 |
16 |
氯苯乙烯 |
24 |
|
丙烯酸丁酯 |
24 |
氧杂萘邻酮 |
24 |
|
(正)丁胺 |
16 |
异丙基苯 |
16 |
|
溴丁烷 |
16 |
异丙基氧化氢 |
40 |
|
氯丁烷 |
16 |
氨基氰 |
29 |
|
氧化丁烯 |
24 |
环丁烷 |
21 |
|
丁基醚 |
16 |
环已烷 |
16 |
|
特丁基过氧化氢 |
40 |
环已醇 |
10 |
|
硝酸丁酯 |
29 |
环丙烷 |
21 |
|
过氧化乙酸特丁酯 |
40 |
二氯苯 |
10 |
|
过氧化苯甲酸特丁酯 |
40 |
1,2-二氯乙烯 |
24 |
|
过氧化特丁酯 |
29 |
1,3-二氯丙烯 |
16 |
|
碳化钙 |
24 |
2,3-二氯丙烯 |
16 |
|
硬酯酸钙 |
4 |
3,5-二氯水杨酸 |
24 |
|
二硫化碳 |
21 |
二氯苯乙烯 |
24 |
|
一氧化碳 |
21 |
过氧化二枯基 |
29 |
|
氯气 |
1 |
二聚环戊二烯 |
16 |
|
1-氯-1-硝基乙烷 |
40 |
柴油 |
10 |
|
邻-氯酚 |
10 |
二乙醇胺 |
4 |
|
二乙胺 |
16 |
乙烷 |
21 |
|
间-二乙基苯 |
10 |
乙醇胺 |
10 |
|
碳酸二乙酯 |
16 |
乙酸乙酯 |
16 |
|
二甘醇 |
4 |
丙烯酸乙酯 |
24 |
|
二乙醚 |
21 |
乙醇 |
16 |
|
二乙基过氧化物 |
40 |
乙胺 |
21 |
|
二异丁烯 |
16 |
乙苯 |
16 |
|
二异丙基苯 |
10 |
苯甲酸乙酯 |
4 |
|
二甲胺 |
21 |
溴乙烷 |
4 |
|
2,2-二甲基-1-丙醇 |
16 |
乙基丁基胺 |
16 |
|
1,2-二硝基苯 |
40 |
乙基丁基碳酸脂 |
14 |
|
2,4-二硝基酚 |
40 |
丁酸乙酯 |
16 |
|
1,4-二恶烷 |
16 |
氯乙烷 |
21 |
|
二氧戊环 |
24 |
氯甲酸乙酯 |
16 |
12
表 C.1(续)
T/CAWS 0015—2023
|
化合物 |
MF值 |
化合物 |
MF值 |
|
二苯醚 |
4 |
乙烯 |
24 |
|
二丙二醇 |
4 |
碳酸乙酯 |
14 |
|
二特丁基过氧化物 |
40 |
乙二胺 |
10 |
|
二乙烯基乙炔 |
29 |
1,2-二氯乙烷 |
16 |
|
二乙烯基苯 |
24 |
乙二醇 |
4 |
|
二乙烯基醚 |
24 |
乙二醇二甲醚 |
10 |
|
表氯醇 |
24 |
2 一羟基乙酸酯 |
4 |
|
氮丙啶 |
29 |
丙苯 |
16 |
|
环氧乙烷 |
29 |
1-氯丙烷 |
16 |
|
乙醚 |
21 |
丙烯 |
21 |
|
甲酸乙酯 |
16 |
二氯丙烯 |
16 |
|
2-乙基乙醛 |
14 |
丙二醇 |
4 |
|
1,1-二氯乙烷 |
16 |
氧化丙烯 |
24 |
|
乙硫醇 |
21 |
n-丙醚 |
16 |
|
硝酸乙酯 |
40 |
n-硝酸丙酯 |
29 |
|
氯酸钾 |
14 |
吡啶 |
16 |
|
硝酸钾 |
29 |
钠 |
24 |
|
高氯酸钾 |
14 |
氯酸钠 |
24 |
|
过氧化钾 |
24 |
重铬酸钠 |
14 |
|
丙醛 |
16 |
氢化钠 |
24 |
|
丙烷 |
21 |
保险粉 |
24 |
|
1,3-二氨胺基丙烷 |
16 |
高氯酸钠 |
14 |
|
炔丙醇 |
29 |
过氧化钾 |
14 |
|
炔丙基溴 |
40 |
硬脂酸 |
4 |
|
丙腈 |
16 |
苯乙烯 |
24 |
|
乙酸丙酯 |
16 |
硫 |
4 |
|
丙醇 |
16 |
氯化硫 |
14 |
|
正丙胺 |
16 |
二氧化硫 |
1 |
|
四氧化苯 |
4 |
氯甲烷 |
21 |
|
甲苯 |
16 |
氯乙酸甲酯 |
14 |
|
三丁胺 |
20 |
甲基环乙烷 |
16 |
|
三氯苯 |
29 |
甲基环戊二烯 |
14 |
|
1,1,1-三氯乙烷 |
4 |
二氯甲烷 |
4 |
|
三氯乙烯 |
10 |
甲醚 |
21 |
|
1,2,3-三氯丙烷 |
10 |
甲基乙基甲酮 |
16 |
|
三乙醇胺 |
14 |
甲酸甲酯 |
21 |
|
三乙基铝 |
29 |
甲肼 |
24 |
|
三乙胺 |
16 |
甲基乙丁基甲酮 |
16 |
|
三甘醇 |
4 |
甲硫醇 |
21 |
13
|
三异丁基铝 |
29 |
甲基丙烯酸甲酯 |
24 |
14
表 C.1(续)
T/CAWS 0015—2023
|
化合物 |
MF值 |
化合物 |
MF值 |
|
三异丙基苯 |
4 |
2-甲基丙烯醛 |
24 |
|
三甲基铝 |
29 |
甲基乙烯基甲酮 |
24 |
|
丙烯酸甲酯 |
24 |
矿物油 |
4 |
|
甲醇 |
16 |
重质灯油 |
10 |
|
甲胺 |
21 |
一氨基乙醇 |
10 |
|
甲基戊基甲酮 |
10 |
氯苯 |
16 |
|
硼酸甲酯 |
16 |
石脑油 |
16 |
|
碳酸二甲酯 |
16 |
萘 |
10 |
|
甲基纤维素(袋装) |
4 |
硝基苯 |
14 |
|
甲基纤维素粉 |
16 |
乙基丙基醚 |
16 |
|
硝基联苯 |
4 |
对-乙基甲苯 |
10 |
|
氯化硝基苯 |
29 |
氟 |
40 |
|
硝基乙烷 |
29 |
氟化苯 |
16 |
|
硝化甘油 |
40 |
甲醛(无水气体) |
21 |
|
硝基甲烷 |
40 |
甲醛(液体 37%~56%) |
10 |
|
1-硝基丙烷 |
24 |
甲酸 |
10 |
|
对-硝基甲苯 |
14 |
燃料油 |
10 |
|
(正)辛烷 |
16 |
呋喃 |
21 |
|
叔辛基硫醇 |
10 |
汽油 |
16 |
|
油酸 |
4 |
甘油 |
4 |
|
氧己环 |
16 |
乙醇腈 |
14 |
|
戊烷 |
21 |
(正)庚烷 |
16 |
|
过乙酸 |
40 |
六氯丁二烯 |
14 |
|
高氯酸 |
29 |
六氯二苯醚 |
14 |
|
原油 |
16 |
已醛 |
16 |
|
酚 |
4 |
乙烷 |
16 |
|
甲基吡啶 |
14 |
无水肼 |
29 |
|
聚乙烯 |
10 |
氯苯 |
16 |
|
聚苯乙烯泡沫 |
16 |
氢 |
21 |
|
聚苯乙烯板 |
10 |
氰化氢 |
24 |
|
钾 |
24 |
过氧化氢(40%~60%) |
14 |
|
羟胺 |
29 |
硫化氢 |
21 |
|
2-羟乙基丙烯酸酯 |
24 |
润滑油 |
4 |
|
羟丙基丙烯酸酯 |
24 |
甲基丙烯酸 |
24 |
|
异丁烷 |
21 |
甲烷 |
21 |
|
异丁醇 |
16 |
乙酸甲酯 |
16 |
|
异丁胺 |
16 |
丙炔 |
40 |
|
异丁基氯 |
16 |
三甲胺 |
21 |
|
异戊烷 |
21 |
三丙胺 |
10 |
15
表 C.1(续)
|
化合物 |
MF值 |
化合物 |
MF值 |
|
异戊间二烯 |
24 |
乙烯基乙酸酯 |
24 |
|
异丙醇 |
16 |
乙烯基乙炔 |
29 |
|
异丙基乙炔 |
24 |
乙烯基烯丙醚 |
24 |
|
乙酸异丙酯 |
16 |
乙烯基丁基醚 |
24 |
|
异丙胺 |
21 |
氯乙烯 |
24 |
|
乙丙基氯 |
21 |
乙烯基环乙烯 |
24 |
|
异丙醚 |
16 |
乙烯基·乙基醚 |
24 |
|
煤油 |
10 |
1,1-二氯乙烯 |
24 |
|
喷气发动机燃料 A&A-1 |
10 |
乙烯基·甲苯 |
24 |
|
喷气发动机燃料B |
16 |
对二甲苯 |
16 |
|
溴十二烷 |
4 |
氯酸锌 |
14 |
|
十二硫醇 |
4 |
硬脂酸锌 |
4 |
|
十二烷基过氧化氢 |
40 |
氯仿 |
1 |
|
二氧化氯 |
40 |
氯甲基乙醚 |
14 |
|
氯乙酰氯 |
14 |
16
T/CAWS 0015—2023
附 录D
(资料性) 危险部位审定登记表
危险部位审定登记表格式见表D.1。
表D.1 危险部位审定登记表
|
单位 |
填报日期 |
填报人 | |||
|
危险部位名称 |
所在部门 |
地理位置 | |||
|
审定或变更等级 |
定员 |
定量 | |||
|
危险性质: | |||||
|
危险等级计算: | |||||
|
单位安全主管部门意见: (盖章) 年月日 | |||||
|
单位安全主管领导意见: (盖章) 年月日 | |||||
|
单位主要负责人意见: (盖章) 年月日 | |||||
17
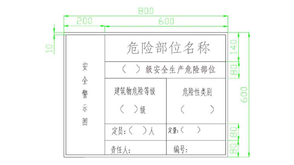
危险部位标识牌模板见图 E.1。
附 录E
(资料性) 危险部位标识牌模板
注 1:标牌底色为兰色,文字为白色,外围制作宽10mm的白边。
注 2:危险部位名称:字体为黑体,字高70mm。
注 3:( )级危险部位:字体为宋体,字高40mm。
注 4:建筑物危险等级:字体为宋体,字高40mm。
注 5:危险性类别:字体为宋体,字高40mm。
注 6:定员、定量、责任人及编号:字体为宋体,字高40mm。
注 7:安全警示图(标识)根据实际情况均布。
图E.1危险部位标识牌模板
18
T/CAWS 0015—2023
附录F
(资料性)
重大危险源安全包保公示牌模板
重大危险源安全包保公示牌模板见图 F.1。
|
重大危险源安全包保公示牌 编号: | |||
|
(危险化学品名称) |
主要负责人 |
(姓名)(手机号码) (在企业的职务) | |
|
技术负责人 |
(姓名)(手机号码) (在企业的职务) | ||
|
(重大危险源级别) (最大数量/吨) | |||
|
操作负责人 |
(姓名)(手机号码) (在企业的职务) | ||
|
监督举报电话 |
(企业电话),(企业邮箱),12350 | ||
|
主要 负责人 职责 |
1.(包保责任原文) 2. 3. 4. 5. 6. 7. | ||
|
技术 负责人 职责 |
1. 2. 3. 4. 5. 6. | ||
|
操作 负责人 职责 |
1. 2. 3. 4. | ||
图F.1 重大危险源安全包保公示牌模板
19