安全生产事关经济社会发展大局、社会的长治久安,事关人民福祉、家庭幸福稳定,习近平总书记多次强调,发展决不能以牺牲 人的生命为代价,这必须作为一条不可逾越的红线。建筑施工作为四大高危行业之一,长期以来都是事故多发行业,资源消耗较大行 业,也是被重点关注、重点检查的行业。而模板工程是钢筋混凝土结构工程施工中一项量大面广的施工内容,模板支撑系统坍塌事故 多发生在混凝土浇筑阶段,由于混凝土浇筑过程中会有相当数量的施工人员在浇筑面上作业,模板支撑结构倒塌事故发生前也没有明 显预兆,突发性强,且支架变形倒塌迅速,作业人员往往无法及时逃生,所以一旦发生模板支撑系统坍塌,往往都是群死群伤,社会 影响相当恶劣的事故。
模板支撑结构作为一种临时性支撑结构,它的受力和工作状况受诸多可变因素的影响。以往高支模体系坍塌事故表明,支撑架体 及其基础是否可靠稳固是关键,发生事故的主要原因是材料质量、方案设计、隐患问题排查不到位或未及时排除。为贯彻“隐患就是 事故”思想,有效落实安全责任、预防安全事故发生,广东省住房和城乡建设厅特委托广东省建筑安全协会组织专家编写了《建筑施 工安全生产隐患识别图集》(现浇混凝土模板工程)。
本图集依据法律法规、规范标准的最新要求,共分为编制说明、编制依据、资料安全隐患、工程实体安全隐患等4部分。其中: 资料安全隐患主要是分为专项施工方案、技术管理资料等2个方面,工程实体安全隐患分为材料及构配件、模板支架立杆与基础、支 架构造、模板系统、混搭和支架超堆载、铝合金模板早拆钢管体系等6个方面,精心选录了 73张有代表性的安全隐患照片,直观展示 了模板工程常见隐患和问题,分析了可能导致的后果,并提出整改措施及规范要求,让广大建筑施工专业技术人员和一线作业人员能 准确、便捷、快速辨识模板工程中的隐患问题,并及时整改。本图集具有较强的科学性、指导性和实用性,可作为全省建筑施工隐患 排查治理的重要参考,也可作为相关人员的培训教材和安全监督管理人员参考手册。
2.1《危险性较大的分部分项工程安全管理规定》(住建部[2018) 37号令)
2.2《危险性较大的分部分项工程专项施工方案编制指南》(建办质〔2021)48号)
2.3《房屋市政工程生产安全重大事故隐患判定标准(2022版)》(建质规〔2022) 2号)
2.4《广东省住房和城乡建设厅关于房屋市政工程危险性较大的分部分项工程安全管理的实施细则》(粤建规范〔2019〕2号)
2.5《混凝土结构工程施工规范》GB 50666-2011
2.6《建筑施工脚手架安全技术统一标准》GB 51210-2016
2.7《施工脚手架通用规范》GB 55023-2022
2.8《建筑施工扣件式钢管脚手架安全技术规范》JGJ 130-2011
2.9《建筑施工模板安全技术规范》JGJ 162-2008
2.10《组合铝合金模板工程技术规程》JGJ 386-2016
2.11《建筑施工承插型盘扣式钢管支架安全技术规程》JGJ/T 231-2021
2.12《建筑施工承插型套扣式钢管脚手架安全技术规程》DBJ/T 15-98-2019
2.13《建筑施工承插型轮扣式模板支架安全技术规程》T/CCIAT 0003-2019
|
序号一 |
资料项目 |
隐患问题 |
规范和文件要求 | |
|
1 |
专项施工方案 |
专项施工 方案编制 |
|
《广东省住房和城乡建设厅关于房屋市政工程 危险性较大的分部分项工程安全管理的实 施细则》(粤建规范〔2019〕2号)第^一、 十二条及附件1。 |
|
2 |
审核审批 手续 |
5其他超过一定规模的模板工程,未组织专家对专项施工方案进行 论证。
|
| |
|
3 |
专项施工 方案交底 和安全技 术交底 |
|
《广东省住房和城乡建设厅关于房屋市政工程 危险性较大的分部分项工程安全管理的实 施细则》(粤建规范[2019)2号)第十七 条。 | |
|
序号一 |
资料项目 |
隐患问题 |
规范和文件要求 | |
|
4 |
技术管理资料 |
特种作业 人员持证 和上岗情 况 |
|
范》(JGJ 130-2011)第 9.0.1 条。_________ |
|
5 |
材料材质 |
|
| |
|
6 |
检查与验 收 |
|
《广东省住房和城乡建设厅关于房屋市政工程 危险性较大的分部分项工程安全管理的实 施细则》(粤建规范〔2019)2号)第二十 三条。 | |
|
7 |
应急救援 预案 |
|
《建设工程安全生产管理条例》第四十八条。 | |
隐患图片1 隐患图片2
隐患问题:钢管锈蚀严重、弯曲变形。
风险分析:钢管锈蚀严重导致钢管壁厚变小,影响钢管竖向承载力;钢管弯曲变形导致钢管产生初始弯矩,钢管偏心受压,影响钢管 稳定性。
整改措施:禁止使用,立即更换并作报废处理。
规范要求:《建筑施工扣件式钢管脚手架安全技术规范》JGJ 130-2011第8. 1.2条第1款:表面锈蚀深度应符合本规范表8. 1. 8序号 3的规定。锈蚀检查应每年一次。检查时,应在锈蚀严重的钢管中抽取三根,在每根锈蚀严重的部位横向截断取样检查,当 锈蚀深度超过规定值时不得使用。第2款:钢管弯曲变形应符合本规范表8. 1. 8序号4的规定。
1.钢管弯曲变形应符合下表的规定:
|
______项目______ |
允许偏差(mm) |
__________示意图__________ |
检查工具 |
|
钢管弯曲 a.各种杆件钢管的端部 弯曲 lW1.5m |
W5 |
勺一尸 £ 尸 | |
|
b.立杆钢管的弯曲 3mVlW4m 4mVlW6.5m |
<12 W20 |
钢板尺 | |
|
c.水平杆、斜杆的钢管 弯曲 LW6.5m |
<30 |
2.表面锈蚀深度应符合下表的规定。锈蚀检查应每年一次。检查时,应在锈蚀严重的钢管中抽取三根,在每根锈蚀严重的部位横向 截断取样检查,当锈蚀深度超过规定值时不得使用;
|
项目 |
允许偏差A(mm) |
_____________示意图_____________ |
检查工具 |
|
钢管外 表面锈 蚀深度 |
<0.18 |
tɪɪ |
游标卡尺 |
隐患图片1 隐患图片2
隐患问题:钢管开裂。
风险分析:钢管开裂导致钢管破坏。
整改措施:禁止使用,立即更换并作报废处理。
规范要求:《建筑施工扣件式钢管脚手架安全技术规范》JGJ 130-2011第8. 1.1条第3款:钢管表面应平直光滑,不应有裂缝、结疤、 分层、错位、硬弯、毛刺、压痕和深的划道。第5款:钢管应涂有防锈漆。
隐患图片
隐患问题:钢管打孔。
风险分析:钢管打孔导致钢管承载力降低、架体失稳。
整改措施:打孔钢管禁止使用,并作报废处理。
规范要求:《建筑施工扣件式钢管脚手架安全技术规范》JGJ 130-2011第9. 0.4条:钢管上严禁打孔。
隐患图片
隐患问题:扣件缺失螺栓。
风险分析:扣件缺失螺栓影响钢管连接节点的连接强度。
整改措施:禁止使用。
规范要求:《建筑施工扣件式钢管脚手架安全技术规范》JGJ 130-2011第8. 1.4条:扣件进入施工现场应检查产品合格证,并应进行 抽样复试,技术性能应符合现行国家标准《钢管脚手架扣件》GB 15831的规定。
直角扣件
对接扣件
旋转扣件

隐患图片
隐患问题:可调托撑变形。
风险分析:可调托撑变形导致其承载力降低,易发生破坏造成架体失稳。
整改措施:禁止使用。
规范要求:《施工脚手架通用规范》GB 55023-2022第3. 0. 1条:脚手架材料与构配件的性能指标应满足脚手架使用的需要,质量应符 合国家现行相关标准的规定。《建筑施工扣件式钢管脚手架安全技术规范》JGJ 130-2011第3. 4.1、3.4.2条的条文说明: 可调托撑是满堂支撑架直接传递荷载的主要构件,大量可调托撑试验证明:可调托撑支托板截面尺寸、支托板弯曲变形程 度、螺杆与支托板焊接质量、螺杆外径等影响可调托撑的临界荷载,最终影响满堂支撑架临界荷载。
隐患图片1
隐患图片2
隐患问题:钢管立杆支承在土面上,下部土层未夯实处理,无排水设施,立杆脚未设置垫板或垫板放置不稳,扫地杆及纵横水平杆设 置不足,基础承载力和变形不满足设计要求。
风险分析:容易导致因土面下沉而造成立杆脚悬空,进而导致立杆失稳,架体坍塌。
整改措施:停止施工,对上述问题按规范要求进行整改。
规范要求:《施工脚手架通用规范》GB 55023-2022第4. 1. 3条:脚手架地基应符合下列规定:1应平整坚实,应满足承载力和变形要 求;2应设置排水措施,搭设场地不应积水;3冬期施工应采取防冻胀措施。《建筑施工模板安全技术规范》JGJ 162-2008 第6.1.2条第3款:当满堂或共享空间模板支架立柱高度超过8m时,若地基土达不到承载要求,无法防止立柱下沉,则应 先施工地面下的工程,再分层回填夯实基土,浇筑地面混凝土垫层,达到强度后方可支模。第6.1.2条第2款:支架立柱支 承部分安装在基土上时,应加设垫板,垫板应有足够强度和支承面积,且应中心承载。基土应坚实,并应有排水措施。

隐患图片1 隐患图片2 隐患图片3
隐患问题:钢管立杆未支承在可靠的支承面上。
风险分析:容易导致因立杆支承面破坏而立杆下沉,致使架体局部失稳引起整体坍塌。
整改措施:停止施工,按规范要求进行整改。
规范要求:《施工脚手架通用规范》GB 55023-2022第4. 1. 3条:脚手架地基应符合下列规定:1应平整坚实,应满足承载力和变形要 求;2应设置排水措施,搭设场地不应积水;3冬期施工应采取防冻胀措施。
隐患图片
隐患问题:套扣架立杆支承在钢管上。
风险分析:容易导致因立杆支承面破坏而立杆下沉,致使架体局部失稳引起整体坍塌。
整改措施:停止施工,按规范要求进行整改。
规范要求:《建筑施工模板安全技术规范》JGJ 162-2008第6. 2.4条第4款:严禁将上段的钢管立柱与下段钢管立柱错开固定于水平 拉杆上。
隐患图片1 隐患图片2
隐患问题:钢管立杆未支承在可靠的支承面上。
风险分析:立杆承受荷载下沉,导致架体局部失稳引起整体坍塌。
整改措施:停止施工,按规范要求进行整改。
规范要求:《建筑施工模板安全技术规范》JGJ 162-2008第6. 2. 4条第4款:严禁将上段的钢管立柱与下段钢管立柱错开固定于水平 拉杆上。
隐患图片1 隐患图片2 隐患图片3
隐患问题:楼梯斜板支撑采用斜立杆、未设置纵横向水平杆、钢管立杆未支承在可靠的支承面上。
风险分析:导致因立杆支承面破坏而立杆下沉,致使架体局部失稳引起整体坍塌。
整改措施:停止施工,按规范要求进行整改。
规范要求:《建筑施工模板安全技术规范》JGJ 162-2008第6. 1.6条:当支架立柱成一定角度倾斜,或其支架立柱的顶表面倾斜时,应 采取可靠措施确保支点稳定,支撑底脚必须有防滑移的可靠措施。《施工脚手架通用规范》GB 55023-2022第4. 4. 14条: 支撑脚手架的水平杆应按步距沿纵向和横向通长连续设置,且应与相邻立杆连接稳固。
隐患图片1 隐患图片2
隐患问题:立杆支承地面存在高低台阶,盘扣支撑架高低跨立杆水平杆连接不足或不规范。
风险分析:容易导致支撑架低跨立杆因扫地杆离地过高,有效约束不足,致使立杆弯曲变形大而失稳。
整改措施:停止施工,按规范要求进行整改。
规范要求:《建筑施工扣件式钢管脚手架安全技术规范》JGJ 130-2011第6. 3. 3条脚手架立杆基础不在同一高度上时,必须将高处的 纵向扫地杆向低处延长两跨与立杆固定,高低差不应大于Im。靠边坡上方的立杆轴线到边坡的距离不应小于500mm。
楼梯斜板模板支架布置示意图
注意:梁板共用立杆应采用双扣件支承梁下模板主龙骨。
立杆支承面标高不一致的加固立面示意图
1-横向扫地杆;2-纵向扫地杆;3-立杆
立杆支承面为洞口加固立面示意图
1-立杆;2-水平杆;3-工字钢;4-锚固卡环
隐患图片1 隐患图片2 隐患图片3
隐患问题:悬挑结构采用斜支撑、未设置纵横向水平杆、立杆未支承在可靠的支承面上。
风险分析:悬挑结构外伸大容易导致斜支撑钢管向外倾覆,斜支撑钢管纵横水平杆拉结不足导致架体失稳。
整改措施:停止施工,按规范和专项施工方案要求进行整改。
规范要求:《建筑施工模板安全技术规范》JGJ 162-2008第6. 1.6条:当支架立柱成一定角度倾斜,或其支架立柱的顶表面倾斜时, 应采取可靠措施确保支点稳定,支撑底脚必须有防滑移的可靠措施。
隐患图片
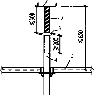
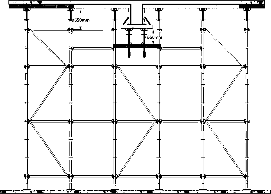
隐患问题:扣件式钢管立杆可调托撑伸出顶层水平杆的悬臂长度大于500mm。
风险分析:容易因顶部立杆约束不足,造成钢管偏心受力而失稳。
整改措施:停止施工,按规范要求进行整改。
规范要求:《混凝土结构工程施工规范》GB 50666-2011第4. 4. 8条第1款:宜在支架立杆顶端插入可调托座,可调托座螺杆外径不 应小于36mm,螺杆插入钢管内的长度不应小于150mm,可调托座伸出顶层水平杆的悬臂长度不应大于500mm。
1-可调托撑钢板;2-螺杆;3-调节螺母;4-立杆;5-顶层水平杆
隐患图片
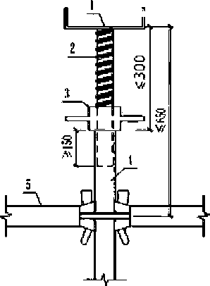
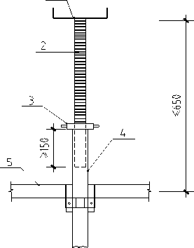
隐患问题:轮扣式钢管立杆可调托撑伸出顶层水平杆的悬臂长度大于650岫。
风险分析:容易因顶部立杆约束不足,造成钢管偏心受力而失稳。
整改措施:停止施工,按规范要求进行整改。
规范要求:《建筑施工承插型轮扣式模板支架安全技术规程》T/CCIAT 0003-2019第6. 1. 9条第1款:可调托撑伸出顶层水平杆的悬臂 长度严禁超过650mm;第2款:可调托撑伸出立杆顶端长度不应超过300mm,插入立杆的长度不应小于200mm。
1-可调托撑钢板;2-螺杆;3-调节螺母;4-立杆;5-顶层水平杆
隐患图片
隐患问题:套扣钢管立杆可调托撑伸出顶层水平杆的悬臂长度大于650mm。
风险分析:容易因顶部立杆约束不足,造成钢管偏心受力而失稳。
整改措施:停止施工,按规范要求进行整改。
规范要求:《建筑施工承插型套扣式钢管脚手架安全技术规程》DBJ/T 15-98-2019第6. 1. 10条:可调螺杆或可调托座的螺杆插入立 杆顶端的长度不应小于150mm,顶层水平杆中心线至模板支撑点的高度不应大于650mm。
1-可调托撑钢板;2-螺杆;3-调节螺母;4-立杆;5-顶层水平杆
隐患图片
隐患问题:盘扣式钢管立杆可调托撑伸出顶层水平杆的悬臂长度大于650mm。
风险分析:容易因顶部立杆约束不足,造成钢管偏心受力而失稳。
整改措施:停止施工,按规范要求进行整改。
规范要求:《建筑施工承插型盘扣式钢管支架安全技术规程》JGJ/T 231-2021第6. 2. 4条:支撑架可调托撑伸出顶层水平杆或双槽钢 托梁中心线的悬臂长度不应超过650mm,且丝杆托外露长度不应超过400mm,可调托撑插入立杆或双槽钢托梁长度不得小 于 lðθɪɪnɪɪo
1-可调托撑钢板;2-螺杆;3-调节螺母;4-立杆;5-顶层水平杆
隐患图片1 隐患图片2
隐患问题:钢管立杆未错开接长,部分采用短钢管接长。
风险分析:钢管立杆未错开和采用短钢接长,导致支撑架的整体刚度差,造成失稳坍塌。
整改措施:停止施工,按规范要求进行整改。
规范要求:《建筑施工模板安全技术规范》JGJ 162-2008第6. 2.4第3款:立柱接长严禁搭接,必须采用对接扣件连接,相邻两立柱 的对接接头不得在同步内,且对接接头沿竖向错开的距离不宜小于500mm,各接头中心距主节点不宜大于步距的1/3。
隐患图片1 隐患图片2
隐患问题:轮扣式钢管立杆未错开接长。
风险分析:导致支撑架整体刚度差,造成失稳坍塌。
整改措施:停止施工,按规范要求进行整改。
规范要求:《建筑施工承插型轮扣式模板支架安全技术规程》T/CCIAT 0003-2019第6. 1. 7条第3款:立杆的连接接头宜交错布置,两 根相邻立杆的接头不宜设置在同步内。
招邻两粮立
|
.—1 r |
7^~ 2 > | ||
|
i 干接头,不宜设在后 |
钠 | ||
|
T | |||
h=步距
h二步距
h=步距
h=步距
1-立杆;2-纵横向水平杆;3-立杆对接接头
注意:
轮扣式钢管立杆接头应采用带专用外套管的立杆对接,外套管的开口应朝下。
隐患图片
隐患问题:套扣式钢管立杆未错开接长。
风险分析:导致支撑架整体刚度差,造成失稳坍塌。
整改措施:停止施工,按规范要求进行整改。
规范要求:《建筑施工承插型套扣式钢管脚手架安全技术规程》DBJ/T 15-98-2019第6. 1. 3第2款:立杆应采用连接套管连接,在同一 水平高度内相邻立杆连接位置宜错开,错开高度不宜小于600mm。
1—立杆;2—纵横向水平杆;3—立杆对接接头 注意:套扣式钢管立杆接头应采用带专用外套管的立杆对接,外套管的开口应朝下。
隐患图片
隐患问题:盘扣式钢管支架水平杆的拉结不足。
风险分析:模板支撑架断口未采用水平杆拉结成整体,梁下立杆侧向容易失稳。
整改措施:按步距增设水平杆,并应与相邻立杆连接稳固。
规范要求:《施工脚手架通用规范》GB 55023-2022第4. 4. 14条:支撑脚手架的水平杆应按步距沿纵向和横向通长连续设置,且应与 相邻立杆连接稳固。《混凝土结构工程施工规范》GB 50666-2011第4. 4. 7条第4款:立杆步距的上下两端应设置双向水平 杆,水平杆与立杆的交错点应采用扣件连接,双向水平杆与立杆的拉结扣件之间的距离不应大于150mm。
1—立杆;2—水平杆;3—加密立杆;4—延伸水平杆;5—结构梁 1—立杆;2—水平杆;3—可调托撑;4—水平杆与立杆连接
注意:梁下立杆应通过计算确定,梁板共用立杆应采用双扣件支承水平钢管,并应沿梁长设置纵向水平杆进行拉结牢固。
隐患图片
隐患问题:轮扣式钢管支架水平杆的拉结不足。
风险分析:模板支撑架断口未采用水平杆拉结成整体,梁下立杆侧向容易失稳。
整改措施:按步距增设水平杆,并应与相邻立杆连接稳固。
规范要求:《施工脚手架通用规范》GB 55023-2022第4. 4. 14条:支撑脚手架的水平杆应按步距沿纵向和横向通长连续设置,且应与 相邻立杆连接稳固。《混凝土结构工程施工规范》GB 50666-2011第4. 4. 7条第4款:立杆步距的上下两端应设置双向水平 杆,水平杆与立杆的交错点应采用扣件连接,双向水平杆与立杆的拉结扣件之间的距离不应大于150mm。
|
I |
A | ||||||||||
|
I |
'T I | ||||||||||
|
r I |
1 I | ||||||||||
|
~r I |
1~ I | ||||||||||
|
~r I |
1 ~ 匕 |
^5~ | |||||||||
|
5 |
~r _I, |
L [_ | |||||||||
|
■r __l |
T j_ | ||||||||||
|
气 |
I j__ | ||||||||||
|
I _L |
I 4_ | ||||||||||
|
.1 | |||||||||||
|
-------------------------------V------------------------------------------ | |||||||||||
注意:梁下立杆应通过计算确定,梁板共用立杆应采用双扣件支承水平钢管,并应沿梁长设置纵向水平杆进行拉结牢固。
隐患图片
隐患问题:套扣式钢管支架水平杆的拉结不足。
风险分析:模板支撑架断口未采用水平杆拉结成整体,梁下立杆侧向容易失稳。
整改措施:套按步距增设水平杆,并应与相邻立杆连接稳固。
规范要求:《施工脚手架通用规范》GB 55023-2022第4. 4. 14条:支撑脚手架的水平杆应按步距沿纵向和横向通长连续设置,且应与 相邻立杆连接稳固。《混凝土结构工程施工规范》GB 50666-2011第4. 4. 7条第4款:立杆步距的上下两端应设置双向水平 杆,水平杆与立杆的交错点应采用扣件连接,双向水平杆与立杆的拉结扣件之间的距离不应大于150mm。
|
4 |
, * |
1 | |||||||||
|
t |
! 1 I | ||||||||||
|
I |
t- I | ||||||||||
|
I |
L I | ||||||||||
|
r I |
1 ~ 匕 |
/2 | |||||||||
|
r _I |
L J_ | ||||||||||
|
"I I |
1— J_ | ||||||||||
|
气 |
K |
I j_ | |||||||||
|
I 「 丄 |
I 4_ | ||||||||||
|
.I | |||||||||||
|
--------------------------------V------------------------------------------ | |||||||||||
注意:梁下立杆应通过计算确定,梁板共用立杆应采用双扣件支承水平钢管,并应沿梁长设置纵向水平杆进行拉结牢固。
隐患图片1 隐患图片2
隐患问题:支撑架立杆欠缺扫地杆。
风险分析:容易导致架体失稳。
整改措施:按规范和专项施工方案要求进行整改。
规范要求:《施工脚手架通用规范》GB 55023-2022第4. 4. 5条:脚手架底部立杆应设置纵向和横向扫地杆,扫地杆应与相邻立杆连接 稳固。《混凝土结构工程施工规范》GB 50666-2011第4. 4. 8条第4款:立杆纵向和横向应设置扫地杆,纵向扫地杆距立杆 底部不宜大于200mm。《建筑施工承插型盘扣式钢管支架安全技术规程》JGJ/T 231-2021第6. 2. 6:板支撑架可调底座节丝 杆插入立杆长度不得小于150mm,丝杆外露长度不宜大于300mm,作为扫地杆的最底层水平杆中心线距离可调底座的底板不 应大于550mm。《建筑施工承插型轮扣式模板支架安全技术规程》T/CCIAT 0003-2019第6. 1.8条第2款:模板支架应设置 纵向和横向水平杆,底部水平杆距地高度不应超过550mm。《建筑施工承插型套扣式钢管脚手架安全技术规程》DBJ/T 15-98-2019第6. 1. 11条:模板支撑架可调底座调节螺杆外露长度不宜大于250mm,最底层水平杆离地高度不应大于550mm。
扣件式钢管立杆扫地杆示意图
轮扣式钢管立杆扫地杆小意图
隐患图片1 隐患图片2
隐患问题:水平剪刀撑未与立杆连接,支撑架未设水平剪刀撑。
风险分析:容易导致架体扭曲变形,整体刚度差。
整改措施:按规范和专项施工方案要求进行整改。
规范要求:《建筑施工模板安全技术规范》JGJ 162-2008第6. 2.4条第5款:满堂模板和共享空间模板支架扣件式钢管立柱,在外侧 周圈应设由下至上的竖向连续式剪刀撑;中间在纵横向应每隔10m左右设由下至上的竖向连续式的剪刀撑,其宽度宜为4〜 6m,并在剪刀撑部位的顶部、扫地杆处设置水平剪刀撑。《建筑施工承插型盘扣式钢管支架安全技术规程》JGJ/T 231-2021 第6. 2.7条:支撑架应沿高度每间隔4个〜6个标准步距应设置水平剪刀撑,并应符合《建筑施工扣件式钢管脚手架安全 技术规范》JGT 130中钢管水平剪刀撑的有关规定。
Egv/H
|
j_ j_ |
'\ \ ____s_ |
r / / / /_____ |
f____ \ \ \ ____x_ |
/ / / / /______ | ||||||
|
\ |
\ |
/ / ,/ |
/ |
\ |
、 \ \ \、 |
/ / / |
/ | |||
|
\ / \ / |
/ / |
\ |
\ \ / \/ |
/ / | ||||||
|
. / |
/ |
/ \ / \ |
\ |
/ |
/ \ ,/ \\ |
\ | ||||
|
/ / / / |
\ \ \ \ |
/ / / / |
\ \ \ \ | |||||||
|
/ |
项。 |
\ \ \ \ ____J |
/ / / / /____ |
\ \ \ \ | ||||||
|
----------, |
房 VHVEg
6m
4
1—立杆;2—水平杆;3一竖向剪刀撑;4一水平剪刀撑
1—立杆;2—水平杆;3一竖向剪刀撑;4一水平剪刀撑
注意:盘扣式支撑架应沿高度每间隔4个〜6个标准步距应设置水平剪刀撑,并应符合现行行业标准《建筑施工扣件式钢管脚手架安 全技术规范》JGT 130中钢管水平剪刀撑的有关规定。
隐患图片1 隐患图片2 隐患图片3
隐患问题:盘扣式支撑架斜杆未固定在水平杆的盘扣盘上,盘扣连接销轴不到位,支架欠缺斜杆。
风险分析:盘扣式钢管立杆与横杆形成一个四边形是可变体系,整体性差导致失稳;盘扣连接销轴不到位,节点稳固性差造成失稳。
整改措施:按规范和专项施工方案要求增设斜杆,且斜杆应布设在横杆连接盘上,以形成一个整体性好的支撑架。
规范要求:《建筑施工承插型盘扣式钢管支架安全技术规程》JGJ/T 231-2021第6. 2.2条:对标准步距为1. 5m的盘扣式钢管支撑架, 应根据支撑架搭设高度、支撑架序号及立杆轴向力设计值进行竖向斜杆布置。
1—立杆;2—水平杆;3—竖向立杆
间隔1跨型式支撑架斜杆设置示意图
间隔3跨型式支撑架斜杆设置示意图
隐患图片
隐患问题:支架立柱高度超过5m时,未设置抱柱箍或未与四周混凝土墙体顶紧。
风险分析:支撑架高度大而水平方向无约束时,容易导致架体失稳坍塌。
整改措施:按规范和专项施工方案要求进行整改。
规范要求:《混凝土结构工程施工规范》GB 50666-2011第4. 4. 8条第7款:应根据周边结构的情况,采取有效的连接措施加强支架整 体稳定性。《建筑施工模板安全技术规范》JGJ 162-2008第6. 2.4条第6款:当支架立柱高度超过5m时,应在立柱周圈外 侧和中间有结构柱的部位,按水平间距6〜9m,竖向间距2〜3m与建筑结构设置一个固结点。《建筑施工承插型盘扣式钢管 支架安全技术规程》JGJ/T 231-2021第6. 2.6条:当支撑架搭设高度超过8m、周围有既有建筑结构时,应沿高度每间隔4 个〜6个步距与周围已建成的结构进行可靠拉结。
1—结构柱;2—立杆;3—水平杆;4—直角扣件;5—结构梁
隐患图片1 隐患图片2
隐患问题:木就截面不足、烂疤,楼板模板欠缺木杭。
风险分析:木就截面不足、有缺陷容易断裂,模板欠缺木杭,导致局部失稳带来整体坍塌。
整改措施:按专项施工方案设计更换材料和补增设楼板模板的木杭。
规范要求:《混凝土结构工程施工规范》GB 50666-2011第4. 6. 1条第2款:模板的规格和尺寸,支架构件的直径和壁厚,及连接件的 质量,应符合设计要求。
隐患图片1 隐患图片2
隐患问题:梁下钢管主龙骨上垫木杭或高大截面梁下单立杆;梁板采用共用立杆未设置双扣件支承主龙骨。
风险分析:钢管上的木杭容易发生滑动导致失稳。梁板共用立杆未设置双扣件支承主龙骨,当主龙骨承受荷载容易下滑,导致模板系 统失稳。
整改措施:按规范和专项施工方案要求进行整改。
规范要求:《混凝土结构工程施工规范》GB 50666-2011第4. 6. 1条第2款:模板的规格和尺寸,支架构件的直径和壁厚,及连接件的 质量,应符合设计要求。《施工脚手架通用规范》GB 55023-2022第3. 0. 3条:脚手架所用杆件和构配件应配套使用,并应 满足组架方式及构造要求。
|
> ■ |
1 J | |||||||||||
|
u V I |
1 J |
r™™1 | ||||||||||
|
I |
1 |
L | ||||||||||
|
r I |
1 |
L | ||||||||||
|
I |
1 |
L 匕 |
5~ |
/2 | ||||||||
|
4 |
"r I |
1 - |
L | |||||||||
|
I I |
J |
— | ||||||||||
|
气 |
K | |||||||||||
|
I |
, J |
_ | ||||||||||
|
.1 |
, | |||||||||||
|
-------------------------------V------------------------------------------ | ||||||||||||
1-立杆;2-水平杆;3-加密立杆;4-延伸水平杆;5-结构梁
1-立杆;2-水平杆;3-可调托撑;4-水平杆与立杆连接
注意:梁下立杆应通过计算确定,梁板共用立杆应采用双扣件支承水平钢管,并应沿梁长设置纵向水平杆进行拉结牢固。
隐患图片1 隐患图片2
隐患问题:梁模板主龙骨悬臂长度大、次龙骨木林平放。
风险分析:梁模板主、次龙骨未按专项施工方案设计布设,次龙骨截面高度变小、主龙骨跨度过大导致其承载力降低、变形大造成失 稳。
整改措施:按规范和专项施工方案要求进行整改。
规范要求:《混凝土结构工程施工规范》GB 50666-2011第4. 6. 1条第2款:模板的规格和尺寸,支架构件的直径和壁厚,及连接件的 质量,应符合设计要求。《施工脚手架通用规范》GB 55023-2022第3. 0. 3条:脚手架所用杆件和构配件应配套使用,并应 满足组架方式及构造要求。
注意:梁下立杆应通过计算确定,梁板共用立杆应采用双扣件支承水平钢管,并应沿梁长设置纵向水平杆进行拉结牢固。
隐患图片1 隐患图片2
隐患问题:模板主龙骨采用木林支承在钢管或轮扣盘上。
风险分析:木林承载能力比钢管差,木林不垂直有水平分力致使其受弯矩作用,且无纵横向水平连接约束,木林支承在钢管和轮扣盘 上容易滑动,均易造成木林失稳掉落。
整改措施:停止施工,按规范和专项施工方案进行整改。
规范要求:《混凝土结构工程施工规范》GB 50666-2011第4. 6. 1条第2款:模板的规格和尺寸,支架构件的直径和壁厚,及连接件的 质量,应符合设计要求。《施工脚手架通用规范》GB 55023-2022第3. 0. 3条:脚手架所用杆件和构配件应配套使用,并应 满足组架方式及构造要求。
隐患图片1 隐患图片2 隐患图片3
隐患问题:可调托撑与立杆错位、可调托撑与立杆搭接且采用塑料蔑条绑扎、可调托撑支承在木杭上。
风险分析:可调托撑是模板主龙骨的支承构件,托撑与下部立杆错位不能传递竖向荷载,或托撑支承在木杭上,均容易造成模板系统 失稳。
整改措施:按规范和专项施工方案进行整改。
规范要求:《混凝土结构工程施工规范》GB 50666-2011第4. 6. 1条第2款:模板的规格和尺寸,支架构件的直径和壁厚,及连接件的 质量,应符合设计要求。《施工脚手架通用规范》GB 55023-2022第3. 0. 3条:脚手架所用杆件和构配件应配套使用,并应 满足组架方式及构造要求。
隐患图片1 隐患图片2 隐患图片3
隐患问题:钢管立杆顶部欠缺可调托撑,可调托撑未托住梁模板主龙骨。
风险分析:模板系统加荷载时,钢管顶部滑脱,导致模板系统失稳;可调托撑未托住梁模板主龙骨,导致模板系统产生不均匀下沉而 造成失稳。
整改措施:钢管顶部增加可调托撑;调节可调托撑螺杆保证有效支承模板主龙骨。
规范要求:《混凝土结构工程施工规范》GB 50666-2011第4. 6. 1条第2款:模板的规格和尺寸,支架构件的直径和壁厚,及连接件的 质量,应符合设计要求。《施工脚手架通用规范》GB 55023-2022第3. 0. 3条:脚手架所用杆件和构配件应配套使用,并应 满足组架方式及构造要求。
隐患图片
隐患问题:双槽钢托梁随意支承在双槽钢上、槽钢生锈严重、槽钢固定螺栓未全数安装。
风险分析:双槽钢托梁支承在槽钢上无有效固定措施,容易导致槽钢托梁失稳;槽钢生锈严重降低了承载力。
整改措施:按专项施工方案设计要求更换槽钢梁。
规范要求:《混凝土结构工程施工规范》GB 50666-2011第4. 6. 1条第2款:模板的规格和尺寸,支架构件的直径和壁厚,及连接件的 质量,应符合设计要求。《施工脚手架通用规范》GB 55023-2022第3. 0. 3条:脚手架所用杆件和构配件应配套使用,并应 满足组架方式及构造要求。
隐患图片
隐患问题:双槽钢托梁两侧未加横杆、双槽钢固定螺栓未全数安装。
风险分析:双槽钢托梁两侧未加横杆导致立杆偏心受力;双槽钢固定螺栓未全数安装,容易导致双槽钢托梁失稳。
整改措施:按专项施工方案设计要求进行全面加固。
规范要求:《混凝土结构工程施工规范》GB 50666-2011第4. 6. 1条第2款:模板的规格和尺寸,支架构件的直径和壁厚,及连接件的 质量,应符合设计要求。《施工脚手架通用规范》GB 55023-2022第3. 0. 3条:脚手架所用杆件和构配件应配套使用,并 应满足组架方式及构造要求。
隐患图片1 隐患图片2
隐患问题:双槽钢托梁长度不足、立杆处无固定螺栓。
风险分析:双槽钢托梁长度不足,导致立杆处固定螺栓无法安装,双槽钢托梁容易滑脱,导致双槽钢托梁失稳破坏。
整改措施:停止施工,更换双槽钢托梁。
规范要求:《混凝土结构工程施工规范》GB 50666-2011第4. 6. 1条第2款:模板的规格和尺寸,支架构件的直径和壁厚,及连接件的 质量,应符合设计要求。《施工脚手架通用规范》GB 55023-2022第3. 0. 3条:脚手架所用杆件和构配件应配套使用,并应 满足组架方式及构造要求。
注意:1.盘扣钢管应根据支撑架搭设高度、支撑架序号及立杆轴向力设计值进行竖向斜杆布置,且斜杆应反对称布设在横杆连接盘上。
2. 当支撑架搭设高度大于16m时,顶层步距内应每跨设置竖向斜杆。
3. 支撑架应沿高度每间隔4个〜6个标准步距应设置水平剪刀撑,并应符合现行行业标准《建筑施工扣件式钢管脚手架安全技术 规范》JGJ 130中钢管水平剪刀撑的有关规定。
隐患图片
隐患问题:支撑架采用扣件式和套扣式钢管混搭。
风险分析:立杆材料、构造不同,其承载能力和变形就不同,钢管立杆容易产生不均匀沉降而导致架体局部失稳。
整改措施:停止施工,按专项施工方案要求,更换为同一种材质和类型的钢管立杆。
规范要求:《混凝土结构工程施工规范》GB 50666-2011第4. 6. 1条第2款:模板的规格和尺寸,支架构件的直径和壁厚,及连接件的 质量,应符合设计要求。《施工脚手架通用规范》GB 55023-2022第3. 0. 3条:脚手架所用杆件和构配件应配套使用,并应 满足组架方式及构造要求。
隐患图片
隐患问题:支撑架采用扣件式钢管、套扣式钢管和盘扣式钢管混搭。
风险分析:立杆材料、构造不同,其承载能力和变形就不同,钢管立杆容易产生不均匀沉降而导致架体局部失稳。
整改措施:停止施工,按专项施工方案要求,更换为同一种材质和类型的钢管立杆。
规范要求:《混凝土结构工程施工规范》GB 50666-2011第4. 6. 1条第2款:模板的规格和尺寸,支架构件的直径和壁厚,及连接件的 质量,应符合设计要求。《施工脚手架通用规范》GB 55023-2022第3. 0. 3条:脚手架所用杆件和构配件应配套使用,并应 满足组架方式及构造要求。
隐患图片1 隐患图片2
隐患问题:利用脚手架立杆作为模板支架立杆。
风险分析:脚手架设计计算和架体构造与支撑架不相同,脚手架立杆架设高度大,垂直度较难控制,容易导致架体立杆失稳。
整改措施:停止施工,按专项施工方案进行整改。
规范要求:《施工脚手架通用规范》GB 55023-2022第5. 3. 3条:严禁将支撑脚手架、缆风绳、混凝土输送泵管、卸料平台及大型设备 的支承件等固定在作业脚手架上。严禁在作业脚手架上悬挂起重设备。
隐患图片1 隐患图片2
隐患问题:模板支撑架上超量堆放周转材料。
风险分析:容易导致支撑架超载坍塌或周转材料发生高处坠落。
整改措施:立即清除支撑架上的周转料,如需堆料应设计相应的卸料平台。
规范要求:《施工脚手架通用规范》GB 55023-2022第5. 3. 1条:脚手架作业层上的荷载不得超过荷载设计值。
隐患图片1 隐患图片2
隐患问题:铝模板早拆体系的钢管支撑随意拆除。
风险分析:钢管支撑未达到拆除条件,提前拆除钢管支撑,导致混凝土开裂和存在结构坍塌的风险。
整改措施:停止施工,按规范和专项施工方案要求进行整改。
规范要求:《施工脚手架通用规范》GB 55023-2022第4. 1. 4条:应对支撑脚手架的工程结构和脚手架所附着的工程结构进行强度和变 形验算,当验算不能满足安全承载要求时,应根据验算结果采取相应的加固措施。
隐患问题:钢管支撑安装不垂直,下管长度(60mm钢管)小于1/2钢管长度。
风险分析:钢管支撑安装不垂直,钢管有初始弯矩而降低了承载力;钢管下管长度小于1/2钢管长度,降低了钢管支撑的刚度。
整改措施:按规范要求更换不合格的钢管立杆。
规范要求:《建筑施工模板安全技术规范》JGJ 162-2008第5. 2.5条第2款:下管长度应大于钢管总长度的1/2以上。《组合铝合金模 板工程技术规程》JGJ 386-201第5. 2.5条:早拆模板支撑系统的上、下层竖向支撑的轴线偏差不大于15mm,支撑立柱垂
直度偏差不大于层高的l/ɜθθo
隐患图片1 隐患图片2
隐患问题:钢管支撑安装不垂直,钢管立杆支承在洞口边缘。
风险分析:钢管支撑安装不垂直降低了承载力。钢管立杆支承在洞口边缘,因铝模板早拆混凝土强度较低,洞口边缘容易产生破坏钢 管下坠。
整改措施:按规范要求调整立杆垂直度,专项施工方案修改楼层传料口或调整立杆间距。
规范要求:《组合铝合金模板工程技术规程》JGJ 386-201第5. 2.5条:早拆模板支撑系统的上、下层竖向支撑的轴线偏差不大于15mm, 支撑立柱垂直度偏差不大于层高的l/300o
69