ICS 23. 020. 30

J 16


OB

中华人民共和国国家标准

GB 15383—201 1 代替 GB 15383—1994

气瓶阀出气口连接型式和尺寸

Connection types and dimensions for gas cylinder valve outlets

(ISO 5145 :2004 ,Cylinder valve outlets for gases and gas mixtures— Selection and dimensioning, NEQ)

2011-12-30 发布

2012-12-01 实施



z华人民共和国国家质量监督检验检疫总局发布 中国国家标准化管理委员会

目 次

前言

1范围

2规范性引用文件

3术语和定义

4 气瓶阀出气口的确定原则

4.1基本原则

4.2单一气体的确定原则

4.3混合气体的确定原则

5各类气体气瓶阀岀气口连接型式和尺寸

5.1不燃和无毒气体,其受热稳定性小于第3组的气体

5.2 二氧化碳气体

5.3不燃、无毒且受热稳定的气体(二氧化碳除外)

5.4不燃、有毒、腐蚀性或含水时腐蚀的气体

5.6可燃、无毒气体

5.7可燃、有毒、有腐蚀性(碱性腐蚀)气体

5.8 可燃、有毒、有腐蚀性(酸性)或无腐蚀性气体

5.9自燃气体

5.12氧化剂、有毒和/或有腐蚀性的气体

5.13分解或聚合的可燃气体

5.15氧化剂、非毒性气体、非腐蚀性气体的混合气体(通常是医用的)

6说明

6.1使用中应注意的方面

6.2连接螺纹的制造精度

附录A (资料性附录)气体组

附录B (资料性附录)密封垫圈、充气接头、螺母推荐型式和尺寸

本标准全部技术内容为强制性。

本标准按照GB/T 1. 1—2009«标准化工作导则 第1部分:标准的结构和编写》给出的规则起草。

本标准代替GB 15383-1994«气瓶阀出气口连接型式和尺寸》。

本标准与GB 15383—1994相比较,主要不同之处如下:

一修改了适用范围;

一修改了规范性引用文件中的内容;

—修改了 5. 1的标题,由原来的“不燃和无毒气体”改为“不燃和无毒气体,其受热稳定性小于第 3组的气体”;

一修改了六氟化硫、蚀气的出气口连接型式、尺寸和图小;

-修改了表6,删除了 Gl/2、G3/4两种不推荐使用的连接螺纹规格;

修改了表7,删除了 一种G5/8的连接螺纹规格;

一修改了丙烯、丙烷(见表9)、天然气(见表10)的出气口连接型式、尺寸和图示;

-修改了 5.7的标题,由原来的“可燃、有毒、腐蚀性(碱性的)或无腐蚀性气体”改为“可燃、有毒、 有腐蚀性(碱性腐蚀)气体”;

一修改了表11中氨的出气口连接型式、尺寸和图示;

—修改了表13自燃气体的出气口连接型式、尺寸和图示;

一修改了 5.12的标题,由原来的“氧化剂、有毒、腐蚀性气体”改为“氧化剂、有毒和/或腐蚀性气 体”;

一修改了表18的出气口连接型式、尺寸和图示;

修改了附录B。由于在正文的各表中各种气体的序号或岀气口形式发生了变化,所以对附 录B中的序号或形式也做了相应的修改,并规定螺母的S和L的尺寸按照不同材质确定;

一增加了“混合气体”和“数字编码(FTSC)”的术语和定义;

一增加了阀出气口的确定原则,内容包括基本原则,以及单一气体、混合气体和特定气体的确定 原则;

一增加了有关表中的各类气体名称,由原来的70种增加为170多种(表1〜表18“气体名称”一 栏中空行后的气体名称即为增加的气体);

—增加了表9后的“注”,明确了当序号11和12(见表8和表9)中同时出现同种气体时,出气口 连接型式和尺寸的选用原则;

—增加了表10,将修改后的氢气、天然气归为序号14;

一删除了原标准表5、表11、表14中1〃连接螺纹规格的出气口连接型式、尺寸和图示;

一删除了原标准表4的内容,并将其与表3合并;

一删除了原标准关于“未列岀气体的瓶阀岀气口尺寸可根据气体特性参照选择采用”和“充装氢 气时,绝对禁止使用除螺纹连接以外的所有其他形式”的内容。

本标准使用重新起草法参考了 ISO 5145:2004«用于气体和混合气体的气瓶阀出气口——选择和 尺寸》编制,与ISO 5145:2004的一致性程度为非等效。本标准瓶阀岀气口连接型式和尺寸的分组以及 组内气体与ISO 5145:2004完全一致。

本标准由全国气瓶标准化技术委员会(SAC/TC31)提出并归口。

体阀门总厂、宁波冨华阀门有


本标准主要起草单位:上海市特种设备监督检验技术研究院、上海气

限公司、上海星地环保设备有限公司、上海高压容器有限公司、上海减压器厂有限公司。

本标准主要起草人:孙黎、陈伟明、顾秋华、金剑华 毛冲雷 钱发祥 栄木

本标准所代替标准的历次版本发布情况为:   ....... °

---GB 15383一1994 a

气瓶阀出气口连接型式和尺寸

1范围

本标准规定了与气瓶阀岀气口连接型式和尺寸有关的术语和定义、气瓶阀岀气口的确定原则、各类 气体气瓶阀出气口连接型式和尺寸、说明等内容。

本标准适用于永久气体、液化气体、溶解气体等气瓶上配置的气瓶阀。

本标准不适用于低温气体和呼吸器气体气瓶阀的出气口和连接件。

2规范性引用文件

下列文件对于本文件的应用是必不可少的。凡是注日期的引用文件,仅注日期的版本适用于本文 件。凡是不注日期的引用文件,其最新版本(包括所有的修改单)适用于本文件。

GB/T 1804 一般公差未注公差的线性和角度尺寸的公差

GB/T 7307 55°非密封管螺纹

GB/T 13005 气瓶术语

ISO 5145:2004用于单一气体和混合气体的气瓶阀出气口 选择和尺寸(Cylinder valve outlets for gases and gas mixtures—Selection and dimensioning)

ISO 10156:1996气体和混合气体 用于选择瓶阀出气口的潜在燃烧性和氧化能力的测定(Gases and gas mixtuires一Determination of fire potential and oxidizing ability for the selection o£ cylinder valve outlets)

ISO 10298:1995 气体或混合气体的毒性测定(Determination of toxicity of a gas of gas mixture)

ISO 13338 :1995 气体或混合气体腐蚀性的测定(Determination of tissue corrosiveness of a gas or gas mixture)

3术语和定义

GB/T 13005确立的以及下列术语和定义适用于本文件。

混合气体 gas mixture

气瓶内充装两种或两种以上的气体和/或液化气体有目的的混合。

3.2

气体数字编码 numerical gas code (FTSC)

气体的FTSC编码是由气体的燃烧性、毒性、状态和腐蚀性的英文词组中第一个字母组成的缩写 词。FTSC编码用四位数字按顺序组成,直接标示了每种气体的基本特性。

4气瓶阀出气口的确定原则

本标准建立了一个确定气瓶中盛装任何一种气体或混合气体性质的方法,即四位数的FTSC数字 编码。根据每种气体或混合气体的物理和化学特性(即燃烧性、毒性、状态以及腐蚀性),进行FTSC数 字编码的分类(参见附录A中的A. Do

FTSC编码使每种气体和混合气体都能够归入15个气体组之一(参见附录A中的A. 2),使得瓶阀 出气口连接型式和尺寸与每个气体组相配。

注:气体数字编码的唯一意图是将相同性质的气体编成一组,以便每组可选择特有的瓶阀出气口。本气体数字编 码仅适用于本标准范围内瓶阀出气口的选择。

4.2单一气体的确定原则

单一气体归入第1〜第14个气体组中。应认识到“单一气体”允许有杂质,但是不能影响瓶阀出气 口的选择。

4.3混合气体的确定原则

混合气体四位数字茨冯(FTX)的分组原则与单一气体一样。混合匸体FT、C数字编码的分组是 由其最终混合物的燃七性、擎用性、毒性和腐蚀性来决定的,将某种混合物归丿气体广混合气体组(参见 表A. 1)中的一组。燃烧仁、氧化性的测定见ISO 10156:1996;毒性的测定见isɔ 10脖8:1995;腐蚀性 的测定见ISO 137J8:1与5。

含有自发燃哓的气体(也、      ’                 '%自炉气但的含量大于

1.4%时,应作9自投混合气来

4.4特定气亿的确定原则

将以下特总气E从混合阵比互甘他气体冃  4出来,’5个组,母组如下:

a) 第2且——,二氧化碳)

b) 第5U—空气;

c) 第10 4—氧气;

d) 第11紺一 一氧化

e) 第14组-一乙关。

5各类气体气瓶阀出▼口连产型式和尺寸

5.1不燃和无毒气体,其受海瑁定性小于笛3组的气体

不燃和无毒气体,其受热稳定性小「華3组的气体瓶阀出与L:女表1、表2的规定。

序号


气体名称


二氟漠氯甲烷 二氟氯甲烷 六氟乙烷 三氟氯甲烷 漠氯甲烷 三氟漠甲烷 氯七氟环丁烷 一氯五氟乙烷

1-氯基-1,2,2,2 -四氟乙烷 1-氯基-2,2,2-三氟乙烷

一氟二氯甲烷

八氟环丁烷 八氟丙烷 五氣氟乙烷 五氟乙烷 五氟碘乙烷 全氟丁烷

2   1,1,1,2-四氯二氟乙烷

5.2二氧化碳气体

二氧化碳气体瓶阀出气口按表3的规定。

表3

单位为毫米



5.3不燃、无毎且也热稳定的与• ,嫉除外

不燃、无私且殳热稳定的* '  A化碳隋  瓦阀岀 按表4卜


5.4不燃、有毒、腐蚀性或含水时腐蚀的气体


不燃、有毒、腐蚀性或含水时腐蚀的气体瓶阀出气口按表5的规定。


单位为毫米


序号


气体名称


三氯化硼

二氧化硫 光气

漠化氢 氟化氢 氯化氢 氯化氤 五氟化镑

二漠二氟甲烷

二氯-2-氯乙烯基肿 二光气

二氯乙脾

六氟丙酮

碘化氢

碘三氟甲烷 漠化甲烷 二氯脾甲烷 芥子气

氯化亚硝酰

全氟-2-丁烷

五氟化磷 三氟化磷 四氯化硅

四氟化硅 四氟化硫 硫酰氟 六氟化鸨 六氟化铀


连接螺纹 规格d


Lo


旋向


W21. 8-14 3   ¢16


G3/4 4 ¢19


5.5空气

空气瓶阀出气口按表6和表7的规定。


14





单位为毫米


序号

气体名称

J连接螺纹 规格d

A

L

Li

I旋向

I_____________________________________________________________________________________________

10

空气

W21.8-14

3

¢16

11

9



5.6可燃、无毒气体

可燃、无毒气体瓶阀出气口按表8、表9和表10的规定。

注:对于公称工作压力不同的气瓶充装同一种气体而具有不同充装压力或不同充装系数的,若该气体在序号11 12中同时出现,当公称工作压力为规定起始值的应选序号11;当公称工作压力比规定起始值高时选12


单位为毫米


I

序号


气体名称


乙烷 异丁烷 甲烷 异丁烯 丙二烯 溟三氟乙烯 丁烷

1--1,1-三氯乙烷 氯氟甲烷

氯乙烷 乙烯

乙醒(易燃液体) 丙族

乙甲醒;甲氧基乙烷 烷


氟甲烷

1,1,1-三氟乙烷


连接螺纹 规格a

4

D

L

a

旋向

G5/8

7

¢28

16

70°



单位为毫米


序号

气体名称

丁烷

乙烷

乙烯

氢气

12

异丁烷

异丁烯

甲烷

1-丁烯

2-丁烯

氯乙烷




表9 (续)


单位为毫米


序号

气体名称

连接螺纹 规格d

D

L

12

丙二烯 漠三氟乙烯

1--i,i-三氯乙烷

氯氟甲烷

  • 1.1- 二氟乙烷

二氟甲烷

  • 1.1- 二氟乙烯 二甲醍

  • 2.2- 二甲基丙烷 丁煉

乙醒(易燃液体)

丙焼

3-甲基-1-乙甲酰 甲氧基乙烷 氟甲烷

1,1,1-三氟乙烷

G5/8

7

5

16

13

丙烷

丙烯

液化石油气(混合)

M22X1.5

¢27



序号    气体名称


连接螺纹 规格日


表10


单位为毫米


A L


氢气

14 天然气


W21.8-14 ¢15   ¢16    6



5.7可燃、有毒、有腐蚀性(碱性腐蚀)气体

可燃、有毒、有腐蚀性(碱性腐蚀)气体瓶阀出气口按表11的规定。


序号

气体名称

謚接螺纹 规格d

A

L

15

G1/2

12

¢15

9

6.5

16

二甲胺 三甲胺 一乙胺 一甲胺

W21. 8-14

13

6

14

9




5.8可燃、有毒、有腐蚀性(酸性)或无腐蚀性气体

可燃、有毒、有腐蚀性(酸性)或无腐蚀性气体瓶阀出气口按表12的规定。

表12                       单位为毫米

序号

气体名称

连接螺纹 规格d

A

Lo

Li

旋向

图  示

17

碑化氢 一氧化碳 硫氧化碳 氤(液化的) 环丙烷 硒化氢 硫化氢 氯甲烷 肿 煤气 硒化笊 硫化笊 二氯硅烷 二甲基硅烷 氟乙烷 緒烷 七氟丁腊 六氟环丁烯 甲硫醇 甲基硅甲烷 彖基镣 五氟丙睛 四乙基铅 四甲基铅 三氟乙腊 三氟乙烯 三甲基硅烷

W21.8-14

¢13

¢16

14

9

-0.5

1

M 丿60°~

0 .

5.9自燃气体

自燃气体瓶阀出气口按表13的规定。

序号


气体名称


18


磷化氢 二乙基锌 戊硼烷 硅烷 三乙铝 三乙甲硼烷 三甲基锢


表13


单位为毫米


连接螺纹 规格d

dx

A

Li

Lo

旋向

/21.8-14

¢15

6

6

14

- —

---



氧气瓶阀出气如按表6弟、 貝定。

5. 11 一氧化二氮H体

一氧化二氮瓶阀出气口按



5. 12氧化剂、有毒和/或有腐蚀性的气体

氧化剂、有毒和/或有腐蚀性的气体瓶阀出气口按表15的规定。

序号

气体名称

连接螺纹 规格d

A

Lo

Li

旋向

图 示

20

三氟化氣

一氧化氮 二氧化氮

双-甲基过氧化三氟 五氟化漠 三氟化漠

五氟化氯

五氟化碘 三氟化氮 三氟化二氮 二氟化氧 臭氧 四氟(代)腓

G3/4

14

9

14

7

5

7

60°

丄,

0 .

5. 13分解或聚合的可燃气体

分解或聚合的可燃气体瓶阀出气口按表16的规定。

表16


单位为毫米

序号

气体名称

连接螺纹 规格d

A

to

L,

旋向

图  示

21

三氟氯乙烯 环氧乙烷 氤化気,稳定的 1,3-丁二烯,稳定的 漠乙烯,稳定的 氯乙烯,稳定的 氟乙烯,稳定的 乙烯基甲醍,稳定的 乙硼烷 氧化丙烯

三苯歸,铸化氢 四氟乙烯,稳定的

W21. 8-14

¢13

©16

14

9

,0. 5

p

I

7

X

C___________

ʌo

5.14 乙焕气体

乙族气体瓶阀岀气口按表17的规定。

表17


单位为毫米


序号

气体名称

连接型式

d

dx

D

L

e

22

乙焼

加 __

21

6



5. 15氧化剂、扌毒性气体、日卜,       -'            *


氧化剂、非毒性气体、非腐陌      宜气体瓶阀出气


6说明

充装气体时所用的密封垫圈、充气接头、螺母的推荐型式和尺寸,参见附录B。

6.2连接螺纹的制造精度

W21. 8-14应参照GB/T 7307标准执行。

附录 A

(资料性附录) 气体组

A. 1气体数字编码(FTSC)

A. 1. 1通则

每种气体的数字编码依据下列四个物理-化学特性。

注:本附录与ISO 5145:2004«用于气体和混合气体的气瓶阀出气口 选择和尺寸》附录A的内容基本一致,气体状 态中压范围选用欧洲的。

I类:燃烧性;

II类:毒性;

nɪ类:气体状态(在设定压力范围内,气瓶处于is c时流体的物理状态); IV类:腐蚀性。

每一类下分不同特性的小类,每个小类用以下不同数字标识:

A. 1.2燃烧性,1类

。小类:惰性(不属于以下1〜5小类的气体);

1小类:助燃(潜在氧化性等于或小于空气的氧化性气体);

2小类:可燃的(在空气中有燃烧极限的气体);

3小类:自燃;

4小类:强氧化性(潜在氧化性大于空气的氧化性气体);

5小类:易分解或聚合且是可燃的。

A. 1.3毒性,11类

0小类:在大气压下能维持生命的;

1小类:无毒LC50>0.005%(体积);(对于LC5。的定义见ISO 10298);

2 小类:毒性;0. 000 2%(体积)<LC5o<O.OO5%(体积);

3小类:剧毒LC5o<0.000 2%(体积)。

A. 1.4气体状态(气瓶在15幻时),皿类

0小类:W3. 5 MPa的液化气体;

1小类:>3. 5 MPa的液化气体;

2小类:液相排出的液化气体(非强制性);

3小类:溶解气体;

4小类:W3. 5 MPa的气相分离的气体[仅为气体(包括低温气体的排出)

5小类:3. 5 MPa〜25 MPa的永久气体;

6小类:大于25 MPa的永久气体。

按照ISO 10286,所有的压力是15 °C时的工作压力。

A. 1.5腐蚀性,V类

0小类:无腐蚀性;

1小类:酸性腐蚀不形成氢卤酸;

2小类:碱性腐蚀;

3小类:酸性腐蚀,形成氢卤酸。

A.2气体组

A.2. 1通则

表A. 1是每个气体组特性的概述。

组别


10


11


12


13


14


15


表A. 1气体组的特性

特 性


不燃、无毒的单一气体或混合气体,其受热稳定性小于第3


二氧化碳

不燃、无毒且受热稳定的气体(二氧化碳除外)的单一气体或混合气体


不燃、有毒、腐蚀性或含水时腐蚀的单一气体或混合气体


空气


可燃、无毒的单一气体或混合气体


可燃、有毒、有腐蚀性(碱性腐蚀)的单一气体或混合气体


可燃、有毒、有腐蚀性(酸性)或无腐蚀性的单一气体或混合气体


自燃的单一气体或混合气体


氧气


一氧化二氮


氧化剂、有毒和/或有腐蚀性的单一气体或混合气体


可分解或聚合的可燃单一气体或混合气体


乙焼


氧化剂、非毒性和非腐蚀性混合气体(通常是医用的)


每种气体和混合气体组的一览表见A. 2. 2〜A. 2. 16。

A.2.2第1组气体和混合气体

见表A. 2。

表A.2属于第1组的气体和混合气体

__________气 体__________

FTSC编码

---

漠氯二氟甲烷

Bromochlorodifluoromethane

0100

R12B1

漠氯甲烷

Bromochloromethane

0100

哈龙1011

Halon 1011

三氟漠甲烷

Bromotrifluoromethane

0100

三氟漠甲烷R13B1

Trifluorobromomethane R13B1

表A. 2 (续)

__________气 体__________

FTSC编码

同义词

氯二氟(代)甲烷

Chlorodifluoromethane

0100

一氣二氟甲烷R22

Monochlorodifluoromethane R22

氯七氟环丁烷'

Chloroheptafluorocyclobutane

0100

C317

一氯五氟乙烷

Chloropentafluoroethane

0100

一氯五氟乙烷RH5

Monochloropentafluoroethane R115

1-氯基-1,2,2,2-四氟乙烷 1-Chloro-l ,2,2,2-tetrafluoroethane

0100

R124

氯基-2,2,2-三氟乙烷 l-Chloro-2,2,2-trifluoroethane

0100

R133a

氯三氟甲烷

Chlorotrifluoromethane

0100

一氯三氟甲烷R13

Monochlorotriflɑoromethane R13

  • 1.2- 二漠四氟乙烷'

  • 1.2- Dibromotetrafluoroethane

0100

R114B2

1,2-二氯二氟乙烯

1,2~Dichlorodifluoroethylene

0100

R1112a

二氯二氟甲烷

Dichlorodifluoromethane

0100

R12

一氟二気甲烷

Dichlorofluoromethane

0100

R21

  • 1.2- 二氯六氟环丁烷'

  • 1.2- Dichlorohexafluorocyclobutane

0100

C316

  • 1.1- 二氯四氟乙烷

    • 1.1- Dichlorotetrafluoroethane

0100

R114a

  • 1.2- 二氯四氟乙烷

  • 1.2- Dichlorotetrafluoroethane

0100

R114

  • 2.2- 二氯-1,1,1-三氟乙烷41

    • 2.2- Dichloro-1,1,1-trifluoro ethane

0100

R123

六氟丙稀

Hexafluoropropylene

oɪoo

六氟丙稀R1216

Hexafluoropropene R1216

八氟环丁烷

Octafluorocyclobutane

0100

全氟环丁烷RC318

Perfluorocyclobutane RC318

八氟丙烷

Octafluoropropane

0100

全氣丙烷R218

Perfluoropropane R218

表A. 2 (续)

气 体

FTSC编码

_____同义词_____

六氟乙烷

Hexafluoroethane

0100

全氟丙烷R116

Perfluoroethane R116

五氯氟乙烷 Pentachlorofluoroethane

0100

五氟乙烷

Pentafluoroethane

0100

R125

五氟碘乙烷

Pentafluoroethyliodide

0100

全氟丁烷

Perfluorobutane

0100

六氟化硫

Sulfurhexafluoride

0100

  • 1.1.1.2- 四氯二氟乙烷

  • 1.1.1.2- Tetrachlorodifluoroethane

0100

R112a __

  • 1.1.2.2- 四氯二氟乙烷

  • 1.1.2.2- Tetrachlorodifluoroethane

■ ___________________________________________________________________________________

,

0100

R112

.

  • 1.1.2.2- 四氟-1-氯乙烷

  • 1.1.2.2- Tetrachloro-l-chloroethane

--

0100

三氯氟甲烷'

T richlorofluoromethane

0100

三氣一氟甲烷RH

Trichloromonofluoromethane R11

  • 1.1.1- 三氯三氟乙烷'

  • 1.1.1- Trichlorotrifluoroethane

0100

R113a

  • 1.1- 三氯三氟乙烷'

    • 1.1- Trichlorotrifluoroethane

0100

R113

三氟甲烷

Trifluoromethame

0100

三氟甲烷R23

Fluoroform R23

a包括某些在正常的环境条件下可以被液化的气体。当那些气体同喷气燃料一起用压力容器提供时,它们也包 括在这个组内,因为阀的出气口是必须的。    ______________________________

混合气体见4. 3。

A. 2. 3第2组气体

见表A. 3 O

表A.3属于第2组的气体

气 体

FTSC编码

同义词

二氧化碳

Carbon dioxide

0110

碳酸R744 SF

Carbonic acid R744 anhydride

A. 2. 4第3组气体和混合气体

见表A.4。

表A. 4属于第3组的气体和混合气体

气 体

FTSC编码

同义词

氯气

Argon

0150

氮气

Helium

0150

気气

Krypton

0150

氛气

Neon

0150

氮气

Nitrogen

------------------

気气Xenon

. (.. - 一 ; ,一

01 pp

四氟代甲烷

Tetrafluoro ietha ;e

015\

Carb、           ide R14

混合与体见4.3。

A.2.5第』组&体和混合占二

见表A. ,-0

表A.5属于第4组的气体和混合气体

七 体

FTSC编码

同义词

五氟化镑**

Antimony pentafluoride

0303

L_____________. l _______________________________________________________

三氣化硼

Boron trichloride

0203

Boron chloride

三氣化硼

Boron trifluoride

0253

氟化硼

Boron fluoride

漠丙酮’

Bromoacetone

0203

「氟化碳酰

Carbonyl-fluoride

0213

氯化氧

Cyanogen chloride

0303

氯化笊

Deuterium chloride

0213

表A. 5 (续)

气 体

FTSC编码

同义词

氟化荒

Deuterium fluoride

0203

二漠二氟甲烷a

Dibromodifluoromethane

0100

R12B2

二氯-2-氯乙烯基脾

Dichloro-2-chlorovinyl arsine

0303

糜烂性毒气

Lewisite

二光气' Diphosgene

0303

二氯乙脾a

Ethyldichloroarsine

0303

六氟丙酮

Hexafluoroacetone

0203

六氟丙烷-2全氟丙酮

Hexafluoropropane-2 perfluoroacetone

氢漠酸

Hydrogen bromide

0203

氢漠酸(无水的)

Hydrobromic aeid(anhydrous)

氯化氢

Hydrogen chloride

0213

氢氯酸(无水的)

Hydrochloric aeid( anhydrous)

氟化気a

Hydrogen fluoride

0203

気氟酸(无水的)

Hydrofluoric acid(anhydrous)

碘化氢

Hydrogen iodide

0203

氢碘酸(无水的)

Hydroiodic acid (anhydrous)

碘三氟甲烷 lodotrifluoromethane

0100

碘三氟甲烷

Trifluoromethyl iodide

漠化甲烷

Methyl bromide

0200

漠甲烷

Bromomethane

二氯脾甲烷

Methyldichloroarsine

0303

芥糸

Mustard gas

0303

氯化亚硝酰

Nitrosyl chloride

0303

全氟-2-丁烷

Perfluoro-2-butene

0100

苯肺化氯

Phenlcarbylamine chloride

0303

光气

Phosgene

0303

光气

Carbonyl chloride

五氟化磷

Phosphorus pentafluoride

0203

一三蛹磷-

Phosphorus trifluoride

0203

表A. 5 (续)

气 体

FTSC编码

同义词

四氯化硅

Silicon tetrachloride

0203

四氟化硅'

Silicon tetrafluoride

0253

四氟化烷R764

Tetrafluorosilane R764

二氧化硫

Sulfur dioxide

0201

四氟化硫

Sulfur tetrafluoride

一 _

硫酰氣

Sulfuryl fluoride

0200

六氟化钓

Tungsten hexafb jride

0303

六氟化铀

. ɔ.

Uranium hex /luorf e

a包括::些在E常的环境务       乂化的ɑ ɔ当 %气体R         j压力华器提粘时,它们也包

括在2个驾内,因为阀的     公须的。

混合气体见4.3。

A. 2. 6第组£体

见表A. ` o

A.6 属于第5组的气体

FTSC编码

Z

空气

Air

1050

A.2.7第6组气体和混合气体

见表A.7。

表A.7属于第6组的气体和混合气体

气 体       「

FTSC编码

同义词

丙二烯

Allene

2100

丙二烯

Propadiene

漠三氟乙烯

Bromotrifluoroethylene

2100

R113B1

丁烷

Butane

2100

表A.7 (续)

气 体       —

FTSC编码

同义词

1-丁烯

1-Butene

2100

丁烯

Butylene

2-丁烯

2- Butene

2100

丁烯

Butylene

1--1,1-三氯乙烷 1-Chloro-l, 1-difluoroethane

2100

R142b

氯氟甲烷

Chlorofluoromethane

2100

Deuterium

2150

  • 1.1- 二氟乙烷

    • 1.1- Difluoroethane

2100

二氟乙烷R152a

Ethylidene fluoride R152a

二氟甲烷

Difluoromethane

0110

二氟甲烷R32

Methylene fluoride R32

1,1-二氟乙烯

1»1- Difluoroethylene

2110

二氟乙烯R1132a

Vinylidene fluoride R1132a

二甲醍 Dimethylether

2100

甲醒

Methyl ether

  • 2.2- 二甲基丙烷'

    • 2.2- Dimethypropane

2100

四甲基甲烷

Tetramethylmethane

乙烷

Ethane

2110

R170

丁焼

Ethylacetylene

2100

1-丁焕

1-Butyne

氯乙烷' 一

Ethylchloride

2100

氯乙烷R160

Chloroethane R160

乙烯

Ethylene

2150

Ethene

乙醍(易燃液体)

Ethyl ether (inflammable liquid)

2100

R1150

氢气

Hydrogen

2150

异丁烷

Isobutane

2100

三甲基甲烷

Trimethylmethane R601

异丁烯

Isobutylene

2100

2-甲基丙稀 2-Methylpropene

甲烷

Methane

2150

R50

丙如

Methylacetylene

2100

Allylene ; Propyne

表A7 (续)

气 体—

FTSC编码

同义词

3-甲基-1-丁烯'

3-Methy -1-butene             _______________

2100

异戊烯

Isoamylene: Isopropylethylene

乙甲酰;甲氧基乙烷 Methy ethyl ether

2100

乙甲醍;甲氧基乙烷 Ethyl methyl ether

氟甲烷

Methy fluoride

2110

氟甲烷R41

Fluoromethane R41

天然气

Natural gas

2150

丙烷

Propane

2100

R290

丙烯

Propylene

2100

丙烯R1270

Propene R1270

  • 1.1.1- 三氟乙烷

  • 1.1.1- T rifluoroethane

2100

R143a

a包括某些在正常的环境条件下可以被液化的气体。当那些气体同喷气燃料一起用压力容器提供时,它们也包 括在这个组内,因为阀的出气口是必须的。_____

混合气体见4. 3。

A.2.8第7组气体和混合气体

见表A. 8 O

表A. 8属于第7组的气体和混合气体

气 体_________

FTSC编码

___同义词

氨;阿摩尼亚 Ammonia

2102

R717

二甲胺

Dimethylamine

2102

一乙胺

Monoethylamine

2102

乙胺R631

Ethyiamine R631

一甲胺

Monomethylamine

2102

甲胺R630

Methylamine R630

三甲胺

Trimethylamine

2102

8包括某些在正常的环境条件下可以被液化的气体。当那些气体同喷气燃料一起用压力容器提供时,它们也包 括在这个组内,因为阀的出气口是必须的。                                 一

混合气体见4. 3 O

A. 2. 9第8组气体和混合气体

见表A. 9。

表A.9属于第8组的气体和混合气体

气 体

FTSC编码

同义词

Arsine

2300

一氧化碳

Carbon monoxide

2250

氧硫化碳

Carbonyl sulfide

2201

一氧硫化碳 Carbonoxyisulfide

氯甲烷

Chloromethane

2100

氯甲烷

Methyl chloride R40

Coal gas

混合物

氤(液化的) Cyanogen

2200

环丙烷 Cyclopropane

2100

环丙烷 Trimethylene

硒化觉

Deuterium selenide

2301

硫化荒

Deuterium sulfide

2201

二氯硅烷' Dichlorosilane

2203

二甲基硅烷 Dimethylsilane

2100

氟乙烷 fluoroethane

2100

氟乙烷

Ethyl fluoride

「错点

Germane

2300

七氟丁睛

Heptafluorobutyronitrile

2300

六氟环丁烯

Hexafluorocyclobutene

2100

硒化玺

Hyrogen selenide

2301

硫化氢'

Hydrogen sulfide

2201

甲硫醇

Methyl mercaptan

2201

甲硫醇

Methanethiol

甲基硅甲烷

Methylsilane

2100

族基兼

Nickel carbonyl

2300

四氧硫镣

Nickel tetracarbonyle

表A. 9 (续)

气 体       —

FTSC编码

同义词

五氟丙腊

Pentafluoropropionitrile

2300

四乙基铅

Tetraethyl lead

2300

四甲基铅

Tetramethyl lead

2200

三氟乙睛

T rifluoroacetonitrile

2200

三氟乙烯

Trifluoroethylene

2200

三甲基硅烷 Trimethylsilane

2100

a包括某些在正常的环境条件下可以被液化的气体。当那些气体同喷气燃料一起用压力容器提供时,它们也包 括在这个组内,因为阀的出气口是必须的。              ____________________

混合气体见4. 3。

A. 2. 10 第9组气体和混合气体

见表A. 10 0

表A. 10属于第9组的气体和混合气体

气 体

FTSC编码

同义词

二乙基锌’ Diethylzinc

3300

戊硼烷&

Pentaborane

3300

磷化鱼

Phosphine

3310

硅烷

Silane

3150

硅氢化合物

Silicone tetrahydride

三乙铝’

Triethyl aluminium

3300

三乙甲硼烷

Triethyl borane

3200

三甲基锢'

T rimethylstibine

3300

a包括某些在正常的环境条件下可以被液化的气体。当那些气体同喷气燃料一起用压力容器提供时,它们也包 括在这个组内,因为阀的出气口是必须的。

A. 2. 11 第10组气体

见表ʌ. Ho

表A. 11属于第10组的气体

气一体

FTSC编码

同义词_____

氧气

Oxygen

4150

A. 2. 12 第11组气体

见表A. 12 o

表A. 12属于第11组的气体

气 体    一一

FTSC编码

同义词

一氧化二氮

Nitrous oxide

4110

A.2. 13第12组气体和混合气体

见表A. 13。

表A. 13属于第12组的气体和混合气体

气 体

FTSC编码

同义词

双-甲基过氧化三氟

Bis-trifl uoromethylperoxide

4300

五氟化漠

Bromine pentafluoride

4303

三氟化漠

Bromine trifiuoride

4303

Chlorine

4203

五氟化氯

Chlorine pentafluoride

4303

三氟化氯

Chlorine trifluoride

4203

氟                                             I

Fluorine

4343

五氟化碘

Iodine pentafluoride

4303

表13 (续)

气 体

FTSC编码

同义词

氧化氮

Nitric oxide

4351

氧化氮(口)

Nitrogen( )oxide

二氧化氮

Nitrogen dioxide

引S.

液体二氧化物 Liquid dioxide 氧化氮(IV) Nitrogren( IV ) oxide J*化二氮

Dinitroge^traoxide 过卜*氮

Nitrogen roxide

三氟化氮

Nitrogen trifluoriɛ /

4153

四氧化氮

Nitrogen tetraoxia

三氧化二氮

Nitrogen. tri( xide

---

、物

Me

;; ■. \ ...

43L

氧化n

Nitrogenm / oxide

二氟化氧

Oxygen diflk Dride

—二

臭氧          -       "

Ozone

13

四氣(代)駢

Tetrafluorohydrazi e

4343

8包括某些在正X、的环境嘔件下可以被液化的气体。当那些气体同喷气燃料-遇用压J容器提供时,它们也包

括在这个组内,因广阀的出了曰是必须的。            __ 一___________

混合气体见4.3。

A. 2. 14第13组气体和混合气体

见表A. 14。

表A. 14属于第13组的气体和混合气体

气 体

FTSC编码

同义词

  • 1.3- T二烯,稳定的

  • 1.3- Butadiene, stabilized

5100

三氟氯乙烯

Chlorotrifluoroethylene, stabilized

5200

R1113

乙硼烷

Diborane

5350

表14 (续)

气 体

FTSC编码

同义词

环氧乙烷

Ethylene oxide

5200

环氧乙烷

Oxirane

氧化氢,稳定的,

Hydrogen cyanide,stabilized

5301

氢氣酸(无水的)

Hydrocyanic aeid( anhydrous)

氧化丙烯

Propylene oxide

5100

甲基环氧乙烷

Methyl ; oxirane

三苯歸,铸化氢

Stibine

5300

歸化三氢

Antimony hydride

四氟乙烯,稳定的

Tetrafluoroethylene, stabilized

5100

漠乙烯,稳定的'

Vinyl bromide, stabilized

5100

氯乙烯,稳定的

Vinyl chloride, stabilized

5100

氯乙烯R1140

Chloroethylene R1140

氟乙烯,稳定的

Vinyl fluoride,stabilized

5100

氟乙烯R1141

Fluoroathyhne R1141

乙烯基甲醍,稳定的

Methyl vinyl ether,stabilized

5100

甲氧基乙烯

Methoxyethylene

a包括某些在正常的环境条件下可以被液化的气体。当那些气体同喷气燃料一起用压力容器提供时,它们也包 括在这个组内,因为阀的出气口是必须的。

混合气体见4.3。

A. 2. 15 第14组气体

见表A. 15。

表A. 15属于第14组的气体

FTSC编码

同义词

乙快 Acethylene

5130

乙块

Ethyne

A. 2. 16第15组混合气体(通常为医用的)

混合气体见4. 3。

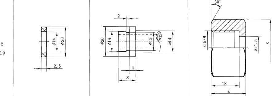
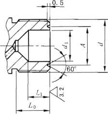
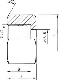
附录B (资料性附录) 密封垫圈、充气接头、螺母推荐型式和尺寸

不同序号的连接螺纹规格在充装气体时所选择的密封垫、充气接头、螺母应按表B. 1(其中S和L 的尺寸按照不同材质确定)选择。

表B. 1中密封垫圈、充气接头和螺母的加工精度均按GB/T 1804中的M级加工。

表此;                  单位为毫米

序号     密封垫圈         充气接            螺 母





表B. 1 (续)


序号    密封垫圈         充气接头


3

4

9

23



i30°

7


s

18


L



11

12




//////

mu

_G s

*

///,“

£

.20 .





_9.

A

7





:////,#


20


29


zlv 1— B.



序号


密封垫圈


22



表B. 1 (续)


充气接头



L0N—co8oogL S

中华人民共和国

国家标准

气瓶阀出气口连接型式和尺寸

GB 15383—2011

*

中国标准出版社出版发行 北京市朝阳区和平里西街甲2(100013) 北京市西城区三里河北街16(100045)

网址 www. spc. net. cn

总编室:(010)64275323 发行中心:(010)51780235

读者服务部:(010)68523946

中国标准出版社秦皇岛印刷厂印刷 各地新华书店经销

*

开本880X1230 1/16 印张2.25 字数64千字 20127月第一版20127月第一次印刷


*

书号:155066 - 1-44932 定价 33.00

如有印装差错由本社发行中心调换 版权专有侵权必究 举报电话:(010)68510107