UDC
GB 50723 -2011
烧结机械设备安装规范
COde for installation Of Sintering mechanical equipment
2011 -07 -26 发布
2012 -06 -Ol 实施
中华人民共和国住房和城乡建设部 中华人民共和国国家质量监督检验检疫总局
COde for installation Of Sintering mechanical equipment
主编部门:中国冶金建设协会 批准部门:中华人民共和国住房和城乡建设部 施行日期:2012 年6月 1日
2012 北 京
中华人民共和国国家标准
烧结机械设备安装规范
GB 50723-2011
☆
中国计划岀版社出版
(地址:北京市西城区木樨地北里甲11号国宏大厦C座4层)
(邮政编码 ≈100038 电话:63906433 63906381) 新华书店北京发行所发行 北京世知印务有限公司印刷
850X 1168毫米 1/32 3.25印张 81千字 2012年2月第1版 2032年2月第1次印刷 印数1—6000册 ☆
统一书号≈1580177・725 定价:20. 00元
第1089号
现批准《烧结机械设备安装规范》为国家标准,编号为 GB 50723—2011,自2012年6月1日起实施。其中,第2. 0. 3、 6.10.4(1)、6. 15. 6(1)、10. 1. 11、11. 1. 2、11. 2. 5、11. 2. 7 条 (款)为强制性条文,必须严格执行。
本规范由我部标准定额研究所组织中国计划出版社出版发 行。
中华人民共和国住房和城乡建设部 二O—一年七月二十六日
本规范是根据原建设部《关于印发<2006年工程建标准规 范制订、修订计划(第二批)〉的通知》(建标函〔2006〕136号)的要 求,由中冶天工集团有限公司会同有关单位共同编制而成。
本规范在编制过程中,规范编制组学习了有关现行国家法律、 法规及标准,进行了调查研究,总结了多年来烧结机械设备工程安 装的经验,对规范条文反复讨论修改,并广泛征求了有关单位和专 家的意见,最后经审查定稿。
本规范共分11章,主要西容包括:总则,基本规定,设备基础、 地脚螺栓和垫板,设备和材料进场,配料及混合设备安装工程,烧 结机设备安装工程,环式冷却机设备安装工程,带式冷却机设备安 装工程,主抽风机设备安装工程,烧结机械设备试运转,安全和环 保。 '
本规范中以黑体字标志的条文为强制性条文,必须严格执'行。
本规范由住房和城乡建设部负责管理和对强制性条文的解 释,由中国冶金建设协会负责具体管理•,由中冶天工集团有限公司 负责具体技术内容的解释。在执行过程中,请各单位结合工程实 践,认真总结经验,随时将有关的意见和建议反馈给中冶天工集团 有限公司(地址:上海市宝山区铁力路2469号,邮政编码= 201999, E— mail: office® 13ShmCc. Cn,传真:021 — 56600177),以供今后 修订时参考。 .■
本规范主编单位、参编单位、主要起草人和主要审查人:
主编单位:中冶天工集团有限公司
参编单位:中冶长天国际工程有限责任公司
中国一冶集团有限公司
中国二十冶集团有限公司
中国五冶集团有限公司
冶金工程质量监督总站宝钢监督站
主要起草人:
主要审查人:
|
郑永恒 |
王振智宋建伯吴景刚 |
卢裕坤 |
|
杜建伟 |
张银锋高丽华孙兴利 |
王庆国 |
|
李中元 |
刘相佩夏乃木李明珠. |
刘光明 |
|
陈和平 |
崔慧川鲁福利赵聪 |
李普 |
王景岩
3设备基础、地脚螺栓和垫板.................................
3.3地脚螺栓安装..........................................
6 烧结机设备安装工程 ......................................:…(17)
10.3 混合机试运转 ................................................(5 8')
10.7 主抽风机试运转 ……......................
11.3'环保.............................................................................
本规范用词说明 .......................................
4. 3 - MaterialS ...................................................... ( 8 )'
5 InStalIatiOn for PrOPOrtiOning equipment arid miXer … (9 )
5. 2 MiXer ......................................................... ( 1 1 )
6. 1 GeneraI requirement .....,........(ɪ 7 )
6. 2 SUPPOrting frame ............................................. ( 1 7 )
6. 3 ShUttIe COnVeyer belt ........................................ ( 1 9 )
6. 7 ROner feeder ................................................... ( 2 1 )
6. 11 Head CUrVe and middle Orbit ......................
6. 13 Seallng SIide and Sealing Plate
6. 14 Pallet and grate CIeaning device ..................
6. 16 WindbOX and main exhaust duct
8・ 5 Belt-type SCraPer COnVeyOr
.10. 6 RUn test for Straight-line COOIer
EXPIanatiOn Of WOrding in this COde
AdditioniExplanation Of PrOViSiOnS
1.0.1为了规范烧结机械设备工程安装施工,确保建设工程质 量、安全和环保,促进技术进步,提高经济效益、社会效益、环境效 益,制定本规范。 ,
1.0.2本规范适用于带式烧结机及主要附属机械设备的安装。
1.0.3烧结机械设备的安装应按本规范的规定进行施工,并应按 现行国家标准《烧结机械设备工程安装验收规范》GB 50402'的有 关规定进行质量验收。
1.0.4烧结机械设备的安装,除应符合本规范外,尚应符合国家 现行有关标准的规定。
2.0.1烧结机械设备工程安装施工单位应具备相应的工程施工 资质。
2.0.2从事烧结机械设备安装的人员,应具有相应的操作技能, 特种作业人员应按国家有关规定经过专门的安全作业培训,并应 取得特种作业操作资格证书后再上岗作业。
2.0.3烧结机械设备安装工程中从事施焊的焊工,必须经考试合 格并取得合格证书,并应在其考试合格项目及其认可的范围内施 焊。
2.0.4施工前应进行图纸的自审和会审,并应有记录或纪要。施 工图纸修改应有设计单位的设计变更通知书或技术核定签证。
2. 0.5施工现场应有相应的施工技术标准和经审批的施工组织 设计、施工方案、作业设计等技术文件。
2.0.6烧结机械设备安装前应进行施工图、合同技术文件、施工 组织设计、施工方案和作业设计等技术交底。
2.0.7烧结机械设备安装,应使用经计量检定、校准合格的计量 器具,精度等级应符合质量标准的要求。
2. 0. 8烧结机械设备安装应按规定的程序进行,每道工序完成后 应进行自检、专检和监理检查,并应形成记录上道工序未经检验 认可,不得进行下道工序施工。
2.0.9烧结机械设备工程中的隐蔽工程,应在检查验收合格后及 时进行隐蔽,并应形成隐蔽记录。
2.0.10设备安装前,设备基础、工业厂房、运输道路、相关临时设 施及安全防护措施等,应达到设备安装的要求。
2.0.11设备安装前,应做好人员、技术、材料、施工现场、施工机
• 2 •
械进场的准备工作。 -
2. 0.12设备安装及吊装过程中,应釆取设备保护措施,不得损伤 设备。设备安装后,应做好成品保护。
3.1设备基础验收
3.1.1 .设备安装前应进行基础交接和检验,未经验收合格和交接 的设备基础,不得进行设备安装。
3.1.2设备基础验收应符合下列要求:
1在设备基础验收时,应依据土建基础施工图和设备安装 图,对照基础施工交接资料进行复查验收」
2基础表面的模板、地脚螺栓固定架、外露钢筋等,应全部拆 除,基础表面和地脚螺栓孔内的浮浆、油污、碎石、泥土、积水等杂 物,应清除干净;
3地脚螺栓螺纹部分应涂油,并应进行保护;
4基础外形尺寸、地脚螺栓中心线和标高、地脚螺栓预留孔 及T形螺栓预埋件的中心线、标高及几何尺寸,应符合设计技术 文件和现行国家标准《机械设备安装工程施工及验收通用规范》 GB 50231的有关规定;
5基础混凝土强度等级应符合设计要求;
6设备基础的质量应符合现行国家标准《混凝土结构工程施 工质量验收规范))GB 50204的有关规定;
7检查基础验收的资料应完整,并应有质量检查部门和工程 监理部门的签证。
3.1. 3需做沉降观测的设备基础,应交接沉降观测记录和沉降观 测点,并应在设备安装过程中继续进行沉降观测。
3.2设备基准线和基准点的设置
3.2.1设备安装前,应设置设备安装的基准线和基准点,并应符
• 4 •
合下列要求:
1设备安装前,应根据设计技术文件,绘制基准线、基准点布 置图;
2应依据基础交接资料、现场测量控制点、基准线和基准点 布置图,设置中心标板和基准点,主体设备和连续生产线上的设备 应埋设永久中心标板和基准点;
3测设应按基准线和基准点布置图进行测设;
4测设完成后应提交测量成果报告书,并应由监理单位验收 确认。
3.2.2设备安装工程完工后,应将永久中心标板、:永久基准点及 其布置图移交建设单位。
3.3地脚螺栓安装
3.3.1预留孔内地脚螺栓安装应符合下列要求:
1安装前,应将预留孔清理干净,并应清除地脚螺栓上的油 污和浮锈;
. 2 .地脚螺栓在预留孔中应垂直,距离孔壁的间距均应大于
15mm,且不应碰孔底。设备初步找正调平后,地脚螺栓与设备螺 栓孔周围宜有间隙;
3预留孔混凝土浇灌应符合设计文件或现行国家标准《机械 设备安装工程施工及验收通用规范》GB 50231的有关规定;
4浇灌混凝土强度应达到设计强度的75%后,再紧固地脚-螺栓,各螺栓的紧固力应均匀;
5螺母与垫圈间、垫圈与设备间的接触均应紧密贴合,设备 螺栓孔的上端面为斜面时,应选择与斜面角度相适应的斜垫圈。 3.3.2锚板地脚螺栓安装应符合下列要求:
1 T形头地脚螺栓与锚板应按设计技术文件的规定配套使用;
2设备就位前,应进行T形头地脚螺栓的试穿,并应做好T
形头方向标记;
3活动锚板安装时应处理锚板和基础的接触面,锚板与基础 面接触应均匀、紧密;
4活动锚板地脚螺栓无螺纹部分和锚板,应按设计文件规定 进行涂装;
5地脚螺栓安装应垂直,双头螺纹型地脚螺栓的螺母与锚板 接触应均匀严密,T形头地脚螺栓应依据标记将矩形头正确嵌入 矩形槽内;
6二次灌浆前,预留孔内的密封填充物应符合设计技术文件 的规定。
3.3.3有紧固力要求的地脚螺栓的紧固应符合设计技术文件的 规定,地脚螺栓紧固后,螺栓应露出螺母或齐平。
3.4垫 板
3.4.1设备就位前,应根据设备底座的形状、尺寸、地脚螺栓直 径、基础的抗压强度和设备的重量等确定垫板的尺寸、组数和放置 的位置。
3.4.2承受重载荷的设备,应按设计要求放置垫板。垫板应放置. 在每个地脚螺栓的两侧;承受轻荷载的设备,可在每个地脚螺栓旁 放置一组垫板,垫板应靠近地脚螺栓。
3.4.3垫板安装应符合设计技术文件的规定;无规定时,可釆用 座浆法、研磨法,并应符合现行国家标准《机械设备安装工程施工 及验收通用规范》GB 50231的有关规定。
4.1 一般规定
4.1.1本章适用于烧结机械设备及材料的进场。
4.1.2烧结机械设备和材料应进行进场验收,并应形成验收记 录。
4.2设 备
4.2.1设备安装单位应根据工程承包合同、施工组织设计、设备 交货计划、工程进度计划等编制设备进场计划。
4. 2.2设备检验应按设计技术文件、施工技术标准和合同的约定 进行,检验应有书面记录和专人签字,未检验或检验不合格的设 备,不得使用和安装。
4.2.3设备进场后,设备的订货单位、设备供货商、监理单位(建 设单位)、施工单位应参加开箱检验,并应填写“设备开箱检查记 录”。开箱检验应符合下列要求:
,1应按装箱单核对箱号,检查包装情况应良好;
'2应根据设备的安装图、技术资料和设备供货商提供的装箱 清单等设计技术文件,核对设备名称、规格、型号,清点设备零部件 的数量,并应检査设备外观质量;
3设备应无缺损件,表面应无损坏和锈蚀、变形等缺陷;
4设备装箱随机技术文件资料、专用工具、备品备件应齐全;
5设备和构件应有质量合格证明文件,进口设备应有商检合 格证明文件。
4. 2.4设备开箱后,设备及其零部件和专用工具,均应妥善保管。 设备应堆放在坚实、平坦处所或支架等垫物上,堆放应整齐有序, 应采取防风、防雨、防雪等措施,不得使其变形、损坏、锈蚀。进场 的设备及构件应及时进行安装。
4.2.5设备搬运和吊装时,吊装点应设在设备或包装箱的标示位 置,搬运和吊装应釆取保护措施,不得造成设备损伤。
4.3材 料
4.3.1设备安装单位应根据工程承包合同、施工组织设计、设备 交货计划.、工程进度计划等编制材料釆购计划。 '
4. 3. 2制料应按设计技术文件、施工技术标准和合同的约定进行 进场检验,检验应有书面记录和专人签字,未经检验或检验不合格 的材料,不得使用。
4.3.3材料进场时,应核对材料的牌号、规格、批号、质量合格证 明文件和检验报告等,并应检查表面质量、包装情况。
4.3.4抽査原材料、标准件等实物的外观质量,每类应抽查1%, 且不得少于5件。
4. 3. 5设计文件或合同附件规定有复验要求的材料,应按规定进 行抽样复验,其复验结果应符合国家现行有关产品标准或设计技 术文件、合同附件的要求。
4.3.6检验合格的材料应按品种、规格、批号分类堆放,堆放应有 明显标识。 .
4.3.7钢材堆放应防止钢材的变形和锈蚀,并应放置在垫木或垫 块上。
4.3.8焊接材料的材质、性能应符合国家现行有关标准的规定。 焊条、焊丝等焊接材料应与母材强度相匹配,并应•按品种、规格和 批号分别存放在干燥、通风的存储室内;焊条、焊剂在使用前,应按 产品说明书及焊接工艺文件的要求进行烘焙和保温。
5.1定量给料装置
5.1.1定量给料装置的胶带式电子秤的调整与校验,应符合设计 技术文件的规定。
5.1. 2定量给料装置安装日寸,宜先安装槽体,再安装圆盘给料机,并 应待圆盘给料机找正后,调整料槽出料口的位置,同时应与槽体固定。 5.1.3原料槽上部支承座与基础间的压力传感器,在料槽安装时 宜用临时钢垫代替,并应待槽体安装定位后,与圆盘给料机接口 前,再正式安装。.
5.1.4原料槽安装应符合下列要求:
1应调整槽上口与出料口'纵、横向中心线,并应挂线用钢尺 检查,允许偏差为5. Omm;
2应调整岀料口法兰标高,并应用水准仪、钢直尺检查,允许 偏差为±5. Omml
3应调整出料口与圆盘顶面间距,并应用钢尺检查,允许偏 差为±5. 0mm;
4应用钢尺检查法兰螺栓孔中心线在圆周方向错位,允许偏 差为5. Ommo
5.1.5圆盘给料机安装应符合下列要求:
1应调整圆盘顶面标高,并应用水准仪、钢直尺检查,允许偏 差为±3. 0mm;
2应调整圆盘顶面水平度,并应用水平仪检査,允许偏差为 0.5/1000;
'3应调整纵、横向中心线,并应挂线用钢尺检查,允许偏差为2.0mm; 4应调整圆盘内套筒底面与圆盘上表面的间距,并应用钢尺
• 9
检查,允许偏差为±5. Omm;-
5传动装置应符合现行国家标准《机械设备安装工程施工及 验收通用规范》GB 50231的有关规定。
5.1.6胶带式电子秤安装应符合下列要求:
1应调整机架标高,并应用水准仪、钢直尺检查,允许偏差为 ±3. 0mm;
2应调整机架柱、梁纵、横向中心线,并应挂线用钢尺检查, 允许偏差为3. 0mm;
3应调整机架柱垂直度,并应用线坠、钢尺检查,允许偏差为 1.0/1000;
4应调整电子秤与圆盘给料机中心线的间距,并应用钢尺检 查,允许偏差为±3. Ommi
5应调整电子秤标高,并应用水准仪、钢直尺检查,允许偏差 为 ±2. 0mm;
6应调整秤量辐的标高,秤量辐上表面应略高于托辐(图
5. 1.6),并应用水准仪、钢直尺检査,允许偏差为+ 2. 0mm;
7应调整秤量辐与固定托辐平行度(UM图5.1.6),并 应用内径千分尺检査,允许偏差为1.0mm。
0 亠 b 」

图5.1.6 胶带式电子秤
1—托辗;2一秤量辐
5.2混合机
5.2.1混合机安装的基准线设置应符合下列要求:
1 ^混合机设备安装前应设置混合机安装的纵向中心线,宜在 混合机的进料侧及出料侧设置中心标板,应确定混合机底座的纵 向中心线,并宜设置托辐轴向中心线;
2混合机设备安装前应设置横向中心线,横向中心线应与混 合机纵向中心线相垂直,宜设置混合机底座横向中心线、托辐径向 中心线和大齿轮径向中心线。
5.2.2混合机安装前应设基准点,混合机基准点宜设在混合机基 础周围。
5.2.3混合机垫板的安装宜釆用座浆法或研磨法。垫板安装在 斜面上,应釆用专用斜铁和水平仪进行找平。专用斜铁应放置在 平垫板上,并应平行于纵向中心线,应用水平仪检查纵、横方向的 水平度,允许偏差为0.1/1000。
5.2.4托辐底座的地脚螺栓在预留孔内安装时,地脚螺栓均应垂 直于混合机的倾斜面。 -
5.2.5整体式底座安装应符合下列要求:
1应调整底座标高,并应用水准仪、钢直尺检查,允许偏差为 ÷2. 0mm;
2应调整底座纵向倾斜度,并应用水平仪、专用斜铁检査,允 许偏差为0.2/1000;
3应调整底座横向水平度,并应用水平仪、专用斜铁检查,允 许偏差为0.2/1000;
4应调整底座纵向中心线,并应挂线用钢尺检查,允许偏差 为2. 0mm;
5应调整底座横向中心线,并应挂线用钢尺检査,允许偏差 为 2. OmmO
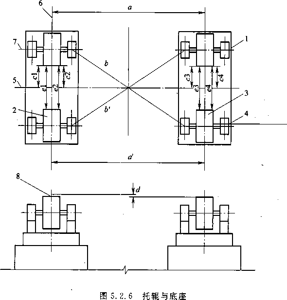
5.2.6分散式底座安装(图5.2.6)应符合下列要求:
1—底座;2—上托辗;3一下托辐;4一轴承座;5一底座纵向中心线;
6一底座横向中心线、7一托辗轴向中心线;8—托辑上表面中心点
1应调整底座标高,并应用水准仪、钢直尺检查,允许偏差为 ÷ 1. Omm;
2应调整底座纵向倾斜度,并应用水平仪、专用斜铁检查,允 许偏差为0.1/1000; '
3应调整底座横向水平度,并应用水平仪、专用斜铁检查,允 许偏差为0. 1/1000;
4应调整底座纵向中心线,并应挂线用钢尺检查,允许偏差 为 0. 5mm;
• 12 •
5应调整底座横向中心线,并应挂线用钢尺检查,允许偏差 为 O. 5mm;
6应调整底座横向中心线平行度|a —α'∣,并应挂线用钢尺 检查,允许偏差为0. 5mm;
L 7应用钢尺检查两托辐座对角线差∖h-b'∖,允许偏差为
5.2.7筒体直径不大于3m的托辐安装(图5.2.6),应符合下列 要求:
1应调整对应两托辐上表面中心点高低差,并应用水准仪、 钢直尺检査,允许偏差为1.0mm;. .
2应调整上、下两托辐表面中心点高低差,并应用水准仪、钢 直尺检查,允许偏差为0. 5mm;
3应调整托辐倾斜度,并应用专用斜铁和水平仪检查,允许 偏差为0.1/1000;
4应调整对应两托辗径向中心线,并应挂线用钢尺检查,允 许偏差为2. 0mm;
5应调整同侧上、下两托辗与混合机纵向中心线的间距 差ICI-C2| Jc3-c4∣ ,并应挂线用钢尺检査,允许偏差为
6应调整对应两托辐间距差|el —e2∣、|e3 —e4∣ ,并应挂线 用钢尺检查,允许偏差为1. Ommo
5.2.8筒体直径大于3m的托辐安装(图5. 2. 6),应符合下列要 求:
1应调整对应两托辐上表面中心点高低差,并应用水准仪、 钢直尺检查,允许偏差为0.5mm;
2应调整上、下两托辗表面中心点高低差,并应用水准仪、钢 直尺检查,允许偏差为0.5mm;
3应调整托辐倾斜度,并应用专用斜铁和水平仪检查,允许
偏差为 0. 05/1000;
4应调整对应两托辐径向中心线,并应挂线用钢尺检查,允 许偏差为2. Omm;
5应调整同侧上、下两托辐与混合机纵向中心线的间距差 ∣cl-c2∣、∣c3-c4∣ ,并应挂线用钢尺检查,允许偏差为0. 5mm;
6应调整对应两托辐间距差—e2|、|e3 —e4∣ ,并应挂线 用钢尺检査,允许偏差为0. 2mmo
5.2.9轮胎式托辐安装应符合下列要求:
1应调整对应两托辕上表面中心点高低差,并应用水准仪、 钢直尺检査,允许偏差为LOmm;
2应调整托辗倾斜度,并应用专用斜铁和水平仪检查,允许 偏差为0.2/1000;
3应调整同侧的两组托辐轴向中心线,并应挂线用钢尺检 査,允许偏差为1. Omm;
4应调整对应两托辗间距差,并应挂线用钢尺检査,允许偏 差为1. Omm;
5应调整对应两托辗径向中心线,并应挂线用钢尺检查,允 许偏差为3. OmmO
5.2.10混合机挡辗安装时,宜先安装下挡辐,后安装上挡辐。下 挡辗的工作面与筒体滚圈侧面应贴合,上挡辗与托圈端面应留有 间隙,间隙应符合设计技术文件的规定。挡辐调整合格后应紧固 挡辐轴承座的定位螺栓。
5.2.11混合机筒体安装宜釆用大型机械吊装法或搭设斜坡道、 用卷扬机及滑轮组同步牵引向上滚动提升、液压千斤顶升降就位 的方法。釆用大型机械吊装时,应进行吊机的计算和选择;采用搭 设斜坡道、用卷扬机及滑轮组同步牵引向上滚动提升、液压千斤顶 升降就位吊装时,应做好起重计算与临时支架斜坡滑道的设计,支 架上、下部应有安全可靠的支承点。
5.2.12筒体安装应符合下列要求:
1应调整滚圈与托辐中心线,并应用钢尺检套,允许偏差为 . 14 .
2应用百分表检查齿圈的径向跳动量,允许偏差为1.5mm;
3应用百分表检查齿圈的端面游动量,允许偏差为1.5mm。
5.2.13混合机筒体的齿圈需在现场装配时,宜按下列方法安装:
1现场安装时宜先安装半个齿圈,转动筒体,再安装另半个 齿圈;
2在齿圈的径向与轴向、托圈的径向与轴向应各设一个百分 表,并应以托圈百分表为准,同时应检査并调整齿圈的轴向端面游 动量与径向跳动量,端面游动量和径向跳动量均不得大于
3齿圈与筒体的螺栓紧固后应紧密贴合,用0.05mm的塞 尺检查不得塞入;
4两个半圆拼合的齿圈在连接螺栓紧固后应紧密贴合,用. 0.05mm的塞尺检查不得塞入。
5.2.14小齿轮轴及其轴承座应以齿圈为基准安装,应用压铅法 或塞尺检查齿啮合的侧间隙,侧间隙应符合设计技术文件的规定。
5.2. 15齿轮啮合的接触面积应用着色法检查,在齿圈轻微制动 的情况下,应以小齿轮带动齿圈,检查齿轮啮合的接触斑点,接触 斑点的百分率应符合设计技术文件的规定。
5.2.16滚圈与托辗辐面应接触良好,用0.05mm塞尺检査接触 宽度不得少于滚圈全宽的60%。
5.2.17传动装置安装应符合下列要求:
1应调整传动装置的标高,并应用水准仪、钢直尺检査,允许 偏差为±1. 0mm;
2应调整传动装置横向水平度,并应用专用斜铁和水平仪检 查,允许偏差为0.1/1000;
3应调整传动装置纵向倾斜度,并应用专用斜铁和水平仪检 查,允许偏差为0.1/1000;
4应调整传动装置纵、横向中心线,并应挂线用钢尺检査,允
• 15 •
许偏差为O. 5mmo
5. 2.18传动装置的开式齿轮安装、联轴器的安装和找正,应符合 设计技术文件或现行国家标准《机械设备安装工程施工及验收通 用规范))GB 50231的有关规定。
5.2.19料斗安装应符合下列要求: .
1应调整进料斗、卸料斗标高,并应用水准仪、钢直尺检查, 允许偏差为±2. Omm;
2应调整进料斗、卸料斗纵向中心线,并应挂线用钢尺检查, 允许偏差为5. Omm;
3应调整圆形挡料板与筒体端面的间距,并应用钢尺检查, 允许偏差为5. Omm;
4应调整卸料斗与筒体圆周间隙相对差,并应用钢尺检查, 当筒体直径不大于3m时,其允许偏差为5.0mm;筒体直径大于 3m时,其允许偏差为10. Omm;
5应调整卸料斗与挡料圈圆周端面间隙的相对差,并应用钢 尺检查,当筒体直径不大于3m时,其允许偏差为5. Omm,筒体直 径大于3m时,其允许偏差为10. Omm0
5. 2. 20罩子安装应符合下列要求:
1应调整齿轮、滚圈罩子与筒体圆周间隙的相对差,并应用 钢尺检査。当筒体直径不大于3m时,其允许偏差为5. Omm;筒 体直径大于3m时,其允许偏差为10. Omm;
2应调整挡尘圈与罩子圆周端面间隙的相对差,并应用钢尺 检查。当筒体直径不大于3m时,其允许偏差为5. Omm;筒体直 径大于3m时,其允许偏差为10.0mm。
5.2. 21筒体进料侧散料斗,其端面与筒体进口端面的间距,应符 合设计技术文件的规定。
6.1 -般规定
6.1.1本章适用于带式烧结机设备安装,包括烧结机机架、给料 装置、传动装置、点火装置、轨道、密封滑道及密封板、平移式尾轮、 固定式弯道、台车、热破碎机、主抽风管道、灰斗及溜槽。
6.1. 2烧结机设备安装前应设置纵向中心线,宜在烧结机的头部 及尾部设中心标板,确定烧结机设备安装的纵向中心线,烧结机生 产线较长时,可增加几个临时辅助测量的中心标板。
6.1.3烧结机设备安装前应设置横向中心线,横向中心线应与烧 结机纵向中心线相垂直,横向中心线宜设置烧结机头轮轴向中心 线、烧结机架中部固定机架横向中心线、烧结机尾轮轴向中心线、 热破碎机棘齿辗轴向中心线。
6.1.4 烧结机安装前应设置基准点,基准点应设置在烧结机的 头、中、尾部附近。
6.2烧结机机架
6.2.1机架柱子的垫板安装宜采用座浆法,垫板上表面标高的允 许偏差宜为一0. 5mm,水平度允许偏差为0. VIOO0;柱子标高宜 测量柱子底板的标高,应用水准仪配合钢直尺测量,允许偏差为 ± 1. OmInO
6.2.2柱子安装的纵、横向中心线应以烧结机的纵、横向中心线 为基准,应调整柱子的纵、横向中心线,并应用钢尺检査,允许偏差 为2. Omm;应调整柱子安装的垂直度,并应用钢尺和线坠检查,垂 直度允许偏差为1.0/1000。
6.2.3中部机架可先安装每个横断面上的单片机架,待各单片机
. 17 • 架安装后,再连接各单片机架之间的纵向横梁。单片机架组装时, 应调整上部与下部宽度之差和对角线长度之差,并应用钢尺检查, 上部与下部宽度之差的允许偏差为5. Omm,对角线长度之差的允 许偏差为5. OmmO
6.2.4烧结机机架找平与找正后,应紧固地脚螺栓。固定式柱子 在烧结机架全部找正完毕后,应与底板焊接,游动式柱子应浮放在 底板上,两侧宜用方形挡块焊接定位,机架膨胀应允许沿纵向 位移,机架安装的预留热膨胀间隙,应符合设计技术文件的规 定。 ■
6.2.5机架的焊接质量应符合设计技术文件的规定;无规定时, 应符合现行国家标准《钢结构工程施工质量验收规范》GB 50205 中有关三级焊缝外观质量标准的规定。
6.2.6机架的焊接材料与母材的匹配应符合设计技术文件的规 定,焊接材料使用前,应按产品说明书及焊接工艺文件的规定 进行烘焙和存放。
6.2.7高强度螺栓安装应符合现行国家标准《钢结构工程施工质 量验收规范^GB 50205的有关规定。
6.3梭式布料机
6.3.1胶带运输机的安装和胶带胶接应符合现行国家标准《输送 设备安装工程施工及验收规范》GB 50270的有关规定。
6.3.2梭式布料机的轨道安装应符合下列要求:
1应调警轨道标高,并应用水准仪和钢直尺检查,允许偏 差为± 1. Omm,同一横截面内两轨面高度差,允许偏差为
2应调整轨道的水平度,并应用水平仪、平尺或水准仪、钢直 尺检査,允许偏差为1. 0/1000 ,且全长不应大于10. Omm;
3应调整轨道向中心线;并应挂线用钢尺检查,允许偏差 为 2. Omm;
. 18 •
4应调真轨道横向中心线,并应挂线用钢尺检査,允许偏差 为 2. Omm;
5应调整轨距,并应用钢尺检查,允许偏差为±2. Omm。
6.4铺底料槽、混合料槽
6.4.1焊接质量应符合设计技术文件的规定。无规定时,应符合 现行国家标准《现场设备、工业管道焊接工程施工及验收规范》 GB 50236中有关IV级焊缝质量标准的规定。
6.4.2铺底料槽、混合料槽上部支承座与基础间的压力传感器, 在料槽安装时宜用临时钢垫代替,并应待槽体安装后,再正式安装 压力传感器,不得直接在传感器上安装槽体。
6.4.3铺底料槽安装应符合下列要求:.
1应调整槽体耳轴轴承座的标高,并志用水准仪、钢直尺检 查,,两轴承底座高低差允许偏差为1.0mm;应调整耳轴轴承座纵、横 向中心线,并应挂线用钢尺检査,允许偏差为1.0mm;
2应调整铺底料槽纵向中心线,并应挂线用钢尺检査,允许 偏差为3.0mm;
3应调整铺底料槽横向中心线,并应挂线用钢尺检查,允许 偏差为3. Omm;
4应调整下料口与台车尊条顶面的间距,并应用钢尺检查, 允许偏差为±5. Omm; .
5应调整扇形门耳轴轴承座的标高,并应用水准仪、钢直 尺检查,两轴承底座高低差允许偏差为O. 5mm;应调整耳轴轴 承座的纵、横向中心线,并应挂线用钢尺检査,允许偏差为
6应调整出料槽耳轴轴承座的标高,并应用水准仪、钢直 尺检査,两轴承底座高低差允许偏差为O. 5mm;应调整耳轴轴 承座的纵、横向中心线,并应挂线用钢尺检査,允许偏差为 1. OmmO
6.4.4混合料槽安装应符合下列要求:
1应调整混合料槽纵向中心线,并应挂线用钢尺检查,允许 偏差为3. Omm;
2应调整混合料槽横向中心线,并应挂线用钢尺检查,允许 偏差为3. Omm;
3应调整出料口与圆筒给料机筒体表面的间距,并用钢尺检 査,允许偏差为±3. Omm;
4应调整出料口与圆筒给料机轴的中心线的径向偏移量,并 应用钢尺检查,允许偏差应符合设计技术文件的规定。
6.5圆筒给料机
6.5.1圆筒给料机安装应符合下列要求:
1应调整圆筒给料机标高,并应用水准仪和钢直尺检查,允 许偏差为±0. 5mm;
2应调整圆筒给料机的水平度,并应用水平仪检查,允许偏 差为 0.1/1000;
3应调整圆筒给料机纵向中心线,并应挂线用钢尺检查,允 许偏差为2. Omm;
4应调整圆筒给料机横向中心线,并应挂线用钢尺检查,允 许偏差为2. Ommo
6.5.2圆筒给料机的传动装置安装,应符合现行国家标准《机械 设备安装工程施工及验收通用规范》GB 50231的有关规定。
6.6反射板
6.6.1反射板的倾斜度及调整范围应符合设计技术文件的规定。
6.6.2可移动式反射板的水平移动量应符合设计技术文件的规 定。
6.6.3反射板安装应符合下列要求:
1应以圆筒给料机的轴向等分线和轴向中心线为基准,调整
20 •
反射板的纵、横向中心线,并应挂线用钢尺检查,允许偏差为
2应调整下部出口与烧结机台车算条间距,并应用钢尺检 查,允许偏差为±3. Omm。 ^
6.7辗式布料机
6. 7.1辗式布料机辐面与烧结机水平面的夹角,应符合设计技术 文件的规定。
6.7.2辐式布料机安装应符合下列要求:
1应调整辐式布料机水平度,并应用水平仪检查,允许偏 差为 0. 1/1000;
2应调整辐式布料机纵向中心线,并应挂线用钢尺检查,允 许偏差为2. OmmO
6.8头 轮
6.8.1头轮安装宜采用下列方法:
1头轮安装前,宜将烧结机机架安装到上部台车轨道标高, 轨道以上的头部机架应暂不安装,宜在头部弯道位置设置一对临 时支架和轨道,并应与烧结机上部台车轨道相连接;
2在轨道上安放两台台车并临时连接时,台车不应装算条和 侧板,应将烧结机头轮吊放到台车上,并应移动台车至临时轨道位 置; ■■
3在厂房高跨部分的高层平台梁上设置头轮吊装用的临时 吊梁和临时支柱,宜选用慢动卷扬机和滑轮组起吊头轮;
4当头轮起吊后,应在确认安全可靠的情况下,再移走台车、 拆除临时轨道、支架,将头轮吊装就位。
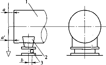
6.8.2头轮的安装(图6.8.2)应符合下列要求:
1应调整头轮两侧标高d、d',并应用水准仪、钢直尺检查,
允许偏差为±0. 5mm;
2应调整头轮两侧轴承的水平度e、e',并应用精密水平仪检 查,允许偏差为0.05/1000;
3应以烧结机的纵向中心线为基准,调整头轮安装的轴向等 分线,并应挂线用钢尺检查,允许偏差∖a~a' \为1. Omm;
4应以设定的烧结机横向中心线为基准;调整头轮轴向 中心线,并应挂线用钢尺检查,"一伊I、"一/丨的允许偏差为 0. 5mm0
图6.8.2烧结机头轮
Ii头轮;2一轴承座;3一烧结机纵向中心线
6.8.3轴承座与轴承底座、轴承底座与烧结机架之间,螺栓紧固
后层间应紧密贴合,应用0. 05mm塞尺检查,塞入面积不得大于 帳触面积的1/3。
6.8.4两轴承座的中心距离及轴向窜动间隙,应符合设计技术文 件的规定,头轮找正后应在轴承座的径向两侧用挡块焊接固 定。 、
6.8.5头轮链轮片在现场组装时,应复查链轮片的齿节距、厚度、 使组链轮片之间的间隙,应符合设计技术文件的规定;头轮组装后 应检查两链轮片外侧间距、齿形错位,应符合设计技术文件的规定。
6.9传动装置
6.9.1有滑动轴承、滚动轴承、减速器、开式齿轮、联轴器等的一 般传动装置的安装,应符合设计技术文件或现行国家标准《机械设
• 22 •
备安装工程施工及验收通用规范》GB S0231的有关规定。
6.9. 2柔性传动装置安装前应清洗大齿轮与轴颈,并应按安装大 齿轮、扭矩杆轴承座及扭矩杆、左右小齿轮组合件、水平拉杆、垂直 连杆、平衡杆的顺序安装。
6/9. 3柔性传动装置的大齿轮与烧结机头轮轴,采用键连接时, 键的研磨装配应符合设计技术文件的规定。
6. 9. 4柔性传动装置的大齿轮与烧结机头轮轴,釆用涨紧环无键 连接时,大齿轮及涨紧环安装应符合下列要求:
1由多组涨紧环组合使用的柔性传动装置在安装涨紧环前, 应将大齿轮及轴颈全部清洗干净,并应对轴颈、齿轮孔、涨紧环及 安装用的螺栓做脱脂处理;
2检查主轴、大齿轮孔的装配尺寸,应符合设计技术文件的 规定;
.3大齿轮安装时,不得用大锤敲打轮毂或其他部位,应用百 分表和内径千分尺检査轴及大齿轮孔的间距,并应确认内侧与外 侧对应点上的间距不大于O. 05mm后,再安装涨紧环;
4涨紧环的高强度螺栓紧固过程中,应随时用百分表和内径 千分尺检査轴及大齿轮孔的间距,不应大于0. 05mm,观测大齿轮 外圈的轴向与径向偏移量,不应大于0. 5mm; '
5涨紧环的高强度螺栓紧固,应用力矩扳手分数次按设定值 进行紧固,紧固力矩应符合设计技术文件的规定。
6.9.5扭矩杆的轴承座安装(图6.9.5)应以大齿轮为基准,并应 符合下列要求:
1应以烧结机头轮主轴中心标高为基准,通过增减轴承座与 底座之间垫片,调整扭矩杆轴承座的标高,并应用水准仪、钢直尺 检查,允许偏差为±0. 5mm;
2应以大齿轮中心.线为基准,调整轴承座的纵向、横向中心 线,并应挂线用钢尺检查扭矩杆轴承座纵、横向间距(as')、(久 "),允许偏差为±0.5mm° .
图6.9.5柔性传动装置 1一大齿轮;2―扭矩杆
6.9.6扭矩杆的安装(图6.9.5),应符合下列要求:
1扭矩杆安装前应清洗花键轴和球面轴承,并应更换润滑 脂,同时应将转矩臂套在扭矩杆的花键上;
2在转矩臂找正定位后,宜在下部做好临时支撑,并应待左 右小齿轮组合件及垂直连杆安装就位后再精调;
.3应调整扭矩杆水平度,并应用精密水平仪检查,允许偏差 ⅛ 0.05/IOOoo
6.9.7左右小齿轮组合件应清洗干净,在垂直连杆、平衡杆安装 前宜将左右小齿轮组合件吊装就位后临时固定,并应待垂直连杆、 平衡杆安装后再调整。
6.9.8在左右小齿轮组合件下部安装垂直连杆,与扭矩杆组成矩 形框架后,应检查垂直连杆的垂直度,垂直度应符合设计技术文件 的规定;应调整小齿轮的位置,左右小齿轮的轴中心应与大齿轮的 中心在同一水平面上,并应检查小齿轮中心至扭矩杆轴承座的间 距、转臂轴销中心与轴承座底面的间距,间距应符合设计技术文件 的规定。
6.9.9平衡杆安装,应在其弹簧处于自由长度时装入。当平衡杆 安装定位后,应调整两侧平衡杆上的弹簧的压缩量,弹簧的压缩量 应符合设计技术文件的规定。
• 24 •
6.9.10柔性传动装置大小齿轮滚圈的间隙值、齿轮啮合状态的 调整,应符合设计技术文件的规定;
6. 9.11调整左右小齿轮组合件的上下水平拉杆时,拉杆的端 头螺母与球面轴承端面预留间隙,应符合设计技术文件的规 定O
6.10点火装置
6.10.1点火装置的安装应符合下列要求:
1应调整柱子标高,并应用水准仪、钢直尺检査,允许偏差为 + 5. OmmJ相邻柱高低差的允许偏差为5. Omm;.
2应以烧结机纵向中心线为基准,调整点火炉和保温炉柱子 纵向中心线,并应挂线、用钢尺检查,允许偏差为2. Omm;
3应以烧结机头轮轴向中心线为基准,调整点火炉和保温炉 柱子横向中心线,并应.挂线、用钢尺检査,允许偏差为2.0mm;
4应用经纬仪或用线坠、钢尺检査柱子垂直度,允许偏差为 1.0/1000;
5应调整单片支架上部与下部长度差、对角线差,并应挂线、 用钢尺检查,允许偏差为5. Omm;
6应调整水冷隔板、冷却水箱标高,并应用水准仪、钢直尺检 查,允许偏差为±5. Omm;
7应调整水冷隔板、冷却水箱中心线,并应挂线、用钢尺检 查,允许偏差为5. Omm; '
8应调整烧嘴中心线,并应挂线、用钢尺检查,允许偏差为
9应调整烧嘴标高,并应用水准仪、钢直尺检查,允许偏差为 士5. OmmO
6.10. 2焊接材料与母材的匹配应符合设计技术文件的规定, 焊接材料使用前,应按产品说明书及焊接工艺文件的规定进行 烘焙和存放。
6. 10. 3炉体的焊接质量应符合设计技术文件的规定;无规定时, 应符合现行国家标准《现场设备、工业管道焊接工程施工及验收规 范》GB 50236中有关IV级的规定。
6.10.4炉体水冷隔板、冷却水箱的水压试验应符合下列要求:
1炉体水冷隔板、冷却水箱应在设备安装完毕后砌筑前进行 水压试验;
2炉体水冷隔板、冷却水箱的水压试验应符合设计技术文件 的规定;无规定时,应按本条第3款〜第6款的规定釆用;
3试验压力应为工作压力的1.5倍,并应在试验压力下稳压 IOmin,再将试验压力降至工作压力,应停压30min,检查压力无下 .降、无渗漏为合格;
4水压试验的压力表不应少于2块。试验用的压力表应已 校验合格,精度等级不应低于L 5级,压力表的满度值应为试验压 力的1.5倍〜2倍;
5水压试验应使用洁净水,环境温度不应低于5°C,当环境 :温度低于5°C时,应釆取防冻措施;
6水压试验应缓慢升压,不应一次升到试验压力。
6.11头部弯道及中部轨道
6.11.1烧结机的头部弯道宜在头轮安装后就位,头部弯道的调 整定位应在头轮及头轮链轮片全部找正后进行。
6.11. 2,轨道接头处预留热膨胀间隙应符合设计技术文件的规 定。
6.11.3头部弯道的安装(图6. 11. 3)应以头轮链轮片为基准,并 应通过增减弯道背面的垫片,调整和检查弯道的位置,各部位的允 许偏差应符合下列要求:
1应调整弯道与链轮片的间距(两侧上、中、下对应点aM、 c; W 并应挂线、用钢尺检査,允许偏差为±2. Omm,
2应调整两侧弧形导轨与链轮片齿根的间距(对应点d、d'、
• 26 •
e、e'测量),并应用钢尺检査,允许偏差为±1.0mm;
3应调整两侧弯道上部、下部对应点的高低差*并应用钢 尺检查,允许偏差为1. Omm;
4内外轨道间距应符合设计技术文件的规定。
'图6. 11. 3头部弯道
1 一链轮;2—头部弯道;3一烧结机纵向中心线
6.11.4中部轨道应在烧结机机架找正后安装,中部轨道的安装 应符合下列要求:
1应以烧结机的纵向•中心线为基准,应用经纬仪或挂线、钢 尺检査两轨道纵向中心线,允许偏差为1.0mm;
2应用轨距样规或钠尺检查轨距,允许偏差为±2. Omm;
3应调整机架轨道歩的标高,应用水准仪、钢直尺检查上下 轨道标高,允许偏差为±1.0mm,不得在轨道与轨道梁之间加垫 片调整; ,
4应用钢尺检查轨道接头处高低差,允许偏差为O. 5mm。
6.12尾部装置
' I
6.12.1尾部装置应按尾部机架、尾部移动架、尾部弯道、尾轮的 I
顺序安装。
6.12.2尾部装置安装的横向中心线应以尾轮的中心线为基准, 纵向中心线应以烧结机纵向中心线为基准。
6.12.3尾部移动架及尾轮安装前,应先将妨碍吊装的尾部机架 横梁临时拆除。
6.12. 4尾部装置找正前,应先用普通螺栓固定,找正后应换用高 强度螺栓。高强度螺栓安装应符合现行国家标准《钢结构工程施 工质量验收规范》GB 50205的有关规定。
6.12.5平移式尾部移动架在烧结机的尾部机架内组装时,应严 格控制组装几何尺寸的公差范围,并应符合下列要求:
1应调整上部支承轮标高,并应用水准仪、钢直尺检 查,允许偏差为± 0. 5mm,支承轮的相对高低差允许偏差为 0. 5mm;
2应调整侧板前端面及侧面垂直度,并应挂线、用钢尺检查, 允许偏差为1.0/1000; ■
3应调整侧板横向中心线,并应挂线、用钢尺检查,允许偏差 为 2. Omm;
4应调整侧板纵向中心线,并应挂线、用钢尺检査,允许偏差 为 2, OmmO
6.12.6平移式尾部弯道安装(图6.12.6)应符合下列要求:
1应调整弯道标高,并应用水准仪、钢直尺检查,允许偏差为 士 1. Omm;
2应调整左、右弯道上部、下部对应点的高低差c,并应用水 准仪、钢直尺检査,允许偏差为2. Omm;
3应调整左、右弯道与烧结机纵向中心线的间距W ,并应 挂线、用钢尺检查,允许偏差为±2. Omm;
4应调整上部与下部弯道侧面对铅垂线的间距差b~h',并 应挂线用钢尺检査,允许偏差为2. Ommo
6.12.7尾部弯道与中部轨道交接处预留热膨胀间隙,应符合设 计技术文件的规定。 j
6.12.8 平移式尾轮(图拓.12. 6)应在确认尾部机架、尾部移动
架、尾部弯道找正后安装允许偏差应符合下列要求:
1应调整轴承座标百,并应用水准仪、钢直尺检查,允许偏差
为 ±0. 5mm; !
.2应调整尾轮轴水平度,并应用水平仪检查,允许偏差为
3应调整左、右轴承座与烧结机纵向中心线的距离a、/,并 盅挂线、用钢尺检查,允许偏差为±1.0mm;
4应调整轴向中心加,并应挂线、用钢尺检查,允许偏差为
6.12.9尾轮.找正后,应以尾轮的链轮片为基准,复查尾部弯道的 安装允许偏差,应按本规余第6. 11. 3条的规定釆用。
6.12.10摆架式尾轮装畫的摆架上部轴安装,应符合下列要求:
1应调整摆架上部⅛3轴承的标高,并应用水准仪、钢直尺检
查,允许偏差为±0. 5mm(
2应调整摆架上部轴轴承水平度,并应用水平仪检查,允许 偏差为0.1/1000;
3应调整摆架上部轴轴向中心线,并应挂线、用钢尺检査,允 许偏差为0. 5mm。
6.12.11摆架式尾轮装置的安装应符合下列要求:
1应调整尾轴承标高,并应用水准仪、钢直尺检査,允许偏差 为士0. 5mm;
2应调整尾轮轴水平度,并应用水平仪检査,允许偏差为 0. 2/1000;
3应以烧结机纵向中心线为基准,调整左、右摆架上部轴轴 承座、尾轮轴承座的中心线,并应挂线、用钢尺检査,允许偏差为 1.0mm;
4应调整左、右摆动侧板立柱垂直度,并应挂线坠、用钢尺检 查,允许偏差为1.0/1000。
6.12.12摆架式尾部弯道的安装应符合下列要求:
1应调整弯道标高,并应用水准仪、钢直尺检查,允许偏差为 +1. Omm ;
2应调整左、右弯道上部、下部对应点的高低差,并应用水准 仪、钢直尺检査,允许偏差为2. Omm;
3应调整左、右弯道纵向中心线,并应挂线、用钢尺检査,允 许偏差为2. Omm;
4应调整上部与下部弯道对铅垂线的间距差,并应挂线、用 钢尺检查,允许偏差为2. OmmO
6.13密封滑道及密封板
6.13.1密封滑道安装(图6. 13. 1)应以烧结机的轨道为基准,其 允许偏差应符合下列要求:
1应调整密封滑道标高,并应用水准仪、钢直尺检査,允许偏 差为± 1. Omm;
2应调整两滑道对应点的高低差(ɑ`ɑ'),并应用轨道专用样
杆和钢直尺检查,允许偏差为1.0mm;
3应调整两滑道对称的纵向中心线,并应挂线、用钢尺检查, 允许偏差为2. Omm;
4应调整横向中心线,并应挂线、用钢尺检查,允许偏差为
5应调整滑道中心距,并应挂线、用钢尺检查,允许偏差为
2. OmmO
匸」-I LR
∖ ∖
图6.13.1密封滑道标高测定
I-台车轨道;2 —密封滑道,3—烧结机纵向中心线 6.13.2密封滑道固定島埋头螺钉应低于滑道的滑动面。
6.13.3密封滑道各部位预留热膨胀间隙,应符合设计技术文件 的规定。
6.13.4平板式活动密封板安装应符合下列要求:
1应调整纵向中心陵,并应挂线、用钢尺检查,允许偏差为
2应调整横向中心线,并应挂线、用钢尺检查,允许偏差为
3应调整密封板上表面与烧结机台车底面间隙,并应用平
尺、钢尺检查,允许偏差为(2. 0〜3. 0)mmO
6.13.5平板式活动密*板平衡块的重量,应调整到密封板上部 在规定载荷的情况下能显活动作,密封板上平面标高应低于烧结 机台车底面,其间隙应调聚到(1. 0~3. O)InmO
I
6.14台车及算条清扫器
6.14.1烧结机台车的安装宜采用下列方法:
1烧结机台车应在烧结机头轮试运转合格后安装;
2台车安装前应清洗弹簧密封板,台车车轮转动应灵活,轴 承润滑脂应无变质现象;
3台车安装时,应将吊放到轨道上的台车推到头轮链轮上, 并应通过头轮反方向低速逆转,将台车逐台装入;
4最后一台台车装入前,应推开移动架,并应保持足够的间 距后装入。
6.14.2算条安装的热膨胀间隙应符合设计技术文件的规定。
6.14.3台车安装后,台车的四个车轮与上部轨道接触应贴合,,台 车滑板与烧结机机体滑道接触应均匀。
6.14.4算条清扫器的行程应符合设计技术文件的规定。
6.14.5台车清扫器安装应符合下列要求:
1应调整纵向中•心线,并应挂线、用钢尺检查,允许偏差为
■'2应调整横向中心线,并应挂线、用钢尺检查,允许偏差为
3应调整传动轴中心线对台车算条的间距,并应用钢尺检 查,允许偏差为士3. Omm;
4用钢尺检查清扫器行程,应符合设计技术文件的规定。
6.15 热破碎机
6.15.1热破碎机安装应符合下列要求:
1应调整轴承座标高,并应用水准仪、钢直尺检查,允许偏差 为士O. 5mm; .
2应调整两轴承座高低差,并应用水准仪、钢直尺检查,允许 偏差为O. 2mm;
3应调整轴承座的水平度,并应用水平仪检查,允许偏差为 0.05/1000; .
4应以烧结机的纵向中心线、热破碎机棘辗轴向中心线为基
准,调整轴承座的纵、售向中心线,并应挂线、用钢尺检査,允许偏 差为1. OmmO
6.15.2定转矩联轴器调整弹簧的压缩量,应符合设计技术文件 的规定。
6.15.3传动装置的齿轮副装配,应符合设计技术文件或现行国 家标准《机械设备安装工程施工及验收通用规范》GB 50231的有 关规定。
6.15.4传动装置的联轴器安装,应符合设计技术文件或现行国 家标准《机械设备安装工程施工及验收通用规范》GB 50231的有 关规定。
6.15.5可牵出式受齿台车安装应符合下列要求:
1应调整支承座标高,并应用水准仪、钢直尺检查,允许偏差 为士0. 5mm;
2应以烧结机的纵向中心线、热破碎机棘辐轴向中心线为基 准,调整支承座纵、横向中心线,并应挂线、用钢尺检查,允许偏差 为 1. Omm ;
3应调整轨道标高,并应用水准仪、钢直尺检查,允许偏差为 + 1..0mm;
4应调整轨道纵向中心线,并应挂线、用钢尺检查,允许偏差 为 1. Omm;
'5 应调整轨道的轨距,并应用钢尺检查,允许偏差为 ±2. Ommo
6.15. 6水冷式棘齿辐及受齿板的水压试验,应符合下列要求:
1水冷式棘齿辗及受齿板安装后,必须连同管路一起进行整 体水压试验;
2水冷式棘齿辐及受齿板的水压试验,应符合设计技术文件 的规定;无规定时,应按本条第3款〜第6款的规定采用;
3 试验压力应为工作压力的1. 5倍,应在试验压力下稳压 IOmm,再将试验压力降至工作压力,并应停压30mιri,检查压力无 . 33 .
下降、无渗漏为合格;
4水压试验的压力表不应少于2块。试验用的压力表应已 校验合格,精度等级不应低于1. 5级,压力表的满度值应为试验压 力的1.5倍〜2倍;
5水压试验应使用洁净水,环境温度不应低于5°C,当环境 温度低于5°C时,应釆取防冻措施;
6水压试验应缓慢升压,不应一次升到试验压力。
6.16风箱及主抽风管道
6.16.1风箱的安装找正应以其上部的纵向和横向的密封滑道为 基准,并应符合下列要求:
I应调整纵向中心线,并应挂线、用钢尺检查,允许偏差为
2应调整横向中心线,并应挂线、用钢尺,检査,允许偏差为
3应用塞尺检查风箱联系小梁与烧结机机架横梁预留间隙, 允许偏差为(0. l~0. 5)mmo
6.16.2风箱下部与主抽风管道相连接支管上的伸缩节安装,应 处于自由状态,不得承受外力。伸缩量及进出口方向应符合设计 技术文件的规定。
6.16.3风管的焊接质量应符合现行国家标准《现场设备、工业管 道焊接工程施工及验收规范》GB 50236中有关N级焊缝质量标准 的规定,并应对焊缝进行渗透检查。
6.16.4风箱法兰面采用密封胶密封时,应将密封面清洁干净,密 封胶的类型和品种应符合设计技术文件的规定,法兰连接处应无 泄漏。
6.16.5支管弹簧吊架压缩量应符合设计技术文件的规定。
6.16.6主抽风管道安装(图6. 16. 6)允许偏差应符合下列要求:
1应调整主抽风管道标高,并应用水准仪、钢直尺检査,允许
2应调整管道端面与铅垂线的平行度a 一α',并应用线坠、 钢尺检査,允许偏差为3. Omm;
3应调整主抽风管道中心线,并应用经纬仪、钢尺检查,允许 偏差为3. Omm;
4应调整风管下部灰斗中心线,并应挂线、用钢尺检查,允许 偏差为5. Omm;
5应调整风管下部法兰标高,并应用水准仪、钢直尺检査,允 许偏差为±5. Omm;
6应,调整连接风箱与主轴风管道支管的中心线,并挂线用钢 尺检查,允许偏差为5. OmmO
图6. 16.6主轴风管道
I-管道;2一托架;3一滚柱
6.16.7风管托架安装应符合下列要求:
1应调整风管托架的标高,并应用水准仪、钢直尺检查,允许 偏差为±1.0mm; .
2应调整风管托架的水平度,并应用水平仪检查,允许偏差 为 0.3/1000;
3应调整风管托架的中心线,并应挂线、用钢尺检査,允许偏 差为2. Omm;
4应用钢尺检查滑动式管道托架的滚柱安装位置,允许偏差 为 3. Ommo
6.17灰斗及溜槽
6.17.1烧结机下部灰斗安装应符合下列要求:
1应调整灰斗纵、横向中心线,并应挂线、用钢尺检查,允许 偏差为5. Omm;
2应调整灰斗标高,并应用水准仪、钢直尺检查,允许偏差为 ÷5. OmmO
6.17.2溜槽安装应符合下列要求:
1应调整溜槽纵、横向中心线,并应挂线、用钢尺检查,允许 偏差为5. Omm; .
2应调整溜槽标高,并应用水准仪、钢直尺检查,允许偏差为 ±5. Ommo
7.1 一般规定
7.1.1本章适用于环式冷却机设备的安装。
7.1.2环式冷却机设备安装前应设置纵向中心线,纵向中心线应 是烧结机纵向中心线延伸线或与烧结机纵向中心线延伸线相平行 的平行线。
7.1.3 .环式冷却机设备安装前应设置环形回转中心线,环形回转 中心线的设置应符合下列要求:
1应以全厂区测量控制网中心标桩和环式冷却机纵向中心 线为基准,设置环式冷却机横向中心线,横向中心线与纵向中心线 应垂直,纵、横中心线的交点应为环式冷却机的圆心,圆心位置应 设永久性供测量用的圆柱体及平台;
2应根据圆心和回转半径,设置环式冷却机的环形回转中心线。
7.1. 4环式冷却机安装前应设基准点,基准点应设在环式冷却机 圆心的圆柱体上,并宜在风机附近增设辅助基准点。
7.2机「架
7.2.1环式冷却机机架横梁安装前,宜将其下方的风箱、风管、料 斗及环形刮板输送机等部件初步吊装就位。
7.2.2机架安装的允许偏差应符合下列要求:
1应调整柱子底板标高,并应用水准仪、钢直尺检查,允许偏 差为 ÷2. Omm.;
2应以环式冷却机的纵向中心线和环式冷却机的环形回转 中心线为基准,调整柱子纵、横向中心线,并应挂线、用钢尺检查, 允许偏差为5. Omm;
3应调整柱子铅垂度,并应用经纬仪、钢尺检査,允许偏差为 1.0/1000;
4应调整径向梁与环形梁标高,并应用水准仪、钢直尺检查, 允许偏差为±3. Omm;
5应调整各钢轨支承梁两端支承点的高低差,并应用水准 仪、钢直尺检查,允许偏差为2.0mm;
6应调整风机支承梁标高,并应用水准仪、钢直尺检查,允许 偏差为±5. Ommo
7.2.3机架的焊接质量应符合设计技术文件的规定;无规定时, 应符合现行国家标准《钢结构工程施工质量验收规范》GB 50205 中有关三级焊缝质量标准规定。
7. 2. 4高强度螺栓安装应符合现行国家标准《钢结构工程施工质 量验收规范》GB 50205的有关规定。
7.3漏 斗
7.3.1给矿漏斗宜在环式冷却机机架横梁安装前初步就位,给矿 漏斗应在机架验收合格后安装,并应符合下列要求:
1应调整漏斗下表面标高,并应用水准仪、钢直尺检查,允许 偏差为±10. Omm;
2应以环式冷却机的纵向中心线和环式冷却机的环形回转 中心线为基准,调整漏斗上部氛、横向中心线,并应挂线、用钢尺检 査,允许偏差为10. Omm;调整漏斗出料口纵、横向中心线并应挂 线、用钢尺检査,允许偏差为15mm;
3应调整下部出料口与台车栏板之间的间距,并应挂线、用 钢尺检查,其间距应符合设计技术文件的规定。
7.3.2排矿漏斗应在环式冷却机机架横梁安装前初步就位,给矿 漏斗应在机架验收合格后安装,并击符合下列要求:
1应以环式冷却机的纵向中心线和环式冷却机的环形回转 中心线为基准,调整排矿漏斗纵、横向中心线,并应挂线、用钢尺检
• 38 •
査,允许偏差为5. Omm;
2应调整排矿漏斗下表面标高,并应用水准仪、钢直尺检査, 允许偏差为±3. OmmO
7.3.3抽风环式冷却机散料漏斗安装应符合下列要求:
1应调整散料漏斗标高,并应用水准仪、钢直尺检查,允许偏 差为±5. Omm;
2应调整散料漏斗纵、横向中心线,并应挂线、用钢尺检查, 允许偏差为5. Ommo
7.3.4漏斗支承座下部的压力传感器,安装时应先用临时钢垫块 代替,并应待漏斗找正后再正式安装压力传感器。
7.3.5漏斗的焊痍质量应符合现行国家标准《现场备、工业管 道焊接工程施工及验收规范》GB 50236中有关IV-级焊缝质量标准 的规定。
' 7.4风箱与密封罩
7.4.1风箱宜在环式冷却机机架横梁安装前,依次吊放在机架横 梁下方,风箱应在机架验收合格后安装。风箱安装的允许偏差应 符合下列要求:
1应以环形回转中心线为基准,调整风箱环形中心线,并应 挂线、用钢尺检査,允许偏差为10. Omm;
2应调整风箱下部法兰处水平度,并应用水平仪检查,允许 偏差为2.0/1000;
3应调整双重阀水平度,并应用水平仪检查,允许偏差为 2.0/1OOOO
7.4.2风箱上部与横梁应连接紧密,风箱上部密封板应安装平 滑、无毛刺,与橡胶板接触部位不得有毛刺和凸凹不平。
7.4.3环式冷却机的排气筒的垂直度不得超过1.0/1OoOO
7.4.4环形密封罩安装的允许偏差应符合下列要求:
1应以环形回转中心线为基准,调整密封罩环形中心线,并 ' • 39 .
应挂线、用钢尺检查,允许偏差为5. Omm;
2应调整密封罩两侧面垂度,并应挂线、用钢尺检查,允许偏 差为 1.5/1000。
7.4.5密封罩之间连接应紧密,不得漏风;密封罩下端与台车侧 板上端的间隙,应符合设计技术文件的规定。
7.4.6抽风环式冷却机端部密封吊挂回转应灵活,膨胀风罩内密 封材料应填满压紧。
7. 4. 7风箱及密封罩的焊接质量应符合设计技术文件的规定;无 规定时,焊接质量应符合现行国家标准《现场设备、工业管道焊接 工程施工及验收规范》GB 50236中有关IV级焊缝质量标准的规 定。
7.5轨 道
7.5.1环形水平轨道应在环式冷却机机架验收合格后安装,环形 水平轨道的安装宜采用下列方法: ’
1环形轨道就位后,应以环形回转中心线为基准,调整内环 形水平轨道的位置,并应以内环形水平轨道为基准,调整外环形轨 道的中心线;
2环形水平轨道的标高,应通过增减轨道支承梁两端下部的 垫片调整,不得在环形水平轨道与轨道梁之间直接加垫调整。
7.5.2环形水平轨道安装的允许偏差应符合下列要求:
1应调整轨道表面标高,并应用水准仪、钢直尺检查,允许偏 差为士 2. Omm;应检查内或外圆周方向轨道面高低差,允许偏差 为2.0mm;应检查内水平轨道与外水平轨道径向对应点高低差, 允许偏差为1. Omm;
2应调整环形水平轨道的半径,并应用钢尺检查,允许偏差 为士 1. Omm;
3应调整内外环形水平轨道的轨距,并应用钢尺检查,允许 偏差为士 2.0mm;
. 40 .
4应调整轨道接头处高低差,并应用钢尺、塞尺检查,允许偏 差为O. 5mm;
5应用钢尺检查轨道接头处错位,允许偏差为1.0mm。
7.5. 3环形水平轨道接头的预留热膨胀间隙,应符合设计技术文 件的规定。 '
7.5.4环形'侧轨轨道安装应以环形水平轨道为基准,并应符合下 列要求:
1应调整孫形侧轨标高,并应用水准仪、钢直尺检查,允许偏 差为±2. Omm;
2应调整环形侧轨半径,并应用钢尺检查,允许偏差为 ÷3. Omm;
3应调整轨道接头处高低差,并应用钢尺检查,允许偏差为 1. Omm;
4应用钢尺检査轨道接头处错位,允许偏差为1.0mm。
7.5.5曲轨安装前应复查曲轨的尺寸,曲轨的尺寸应符合设计技 术文件的规定。
7.5.6曲轨安装(图7.5.6)的允许偏差应符合下列要求:
1应以环式冷却机的纵向中心线和环式冷却机的环形回转 中心线为基准,调整内、外曲轨与台车环形中心线的间距(S —a'|、 ∖b~b'∖ Jc-C, I ),并应用钢尺检查,允许偏差为1.5mm;
2应调整内、外曲轨的最低点位置,并应挂线、用钢尺检查, 内、外曲轨的最低点与环形冷却机中心点应连成一直线,允许偏差 为 1. Omm;
3应调整护轨与曲轨的间距,并应用钢尺检査,允许偏差为
4应调整曲轨与环形水平轨道接头处高低差,并应用钢尺检 査,允许偏差为0.5mm;
5应调整曲轨与环形水平轨道接头处错位,并应钢尺和塞
尺检查,允许偏差为1. Omm;
6应调整曲轨与环形水平轨道接头间隙,并应用钢尺和塞尺 检査,允许偏差为1.0mm。
5—内曲轨最低点;6一环式冷却机中心;7—机架径向梁
7.6传动框架
7. 6.1传动框架应在环形水平轨道、曲轨和环形侧轨验收合格后 安装,传动框架应分组组装,传动框架组装后的圆度调整应以侧轨 为基准面。’正多边形传动框架安装(图7.6. 1),应符合下列要求:
1应调整相邻两个台车外传动框架中心点间的直线距离 (α),并应用钢尺检査,允许偏差为±1. Omm;
2应调整相邻两个台车内传动框架中心点间的直线距离 0),并应用钢尺检査,允许偏差为±0.5mm;
3应调整外传动框架弧弦长度,并应挂线、用钢尺检查每间 隔7个台车为一组外传动框架弧弦长度3),允许偏差为
• 42 •
4应调整内传动框架弧弦长度,并应挂线、用钢尺检査每间 隔7个台车为一组内传动框架弧弦长度(疽),允许偏差为 ÷2. OmmJ '
5应调整挡辐辗面至侧轨轨面距离(e),并应用钢尺检査,允 许偏差为±2. Omm;
6应剪整摩擦板接头处高低差,并应用钢尺和塞尺检査,允 许偏差为O. 5mm; «
7应调整摩擦板接头处错位,并应用钢尺和塞尺检查,允许 偏差为1. Ommo
图7.6.1正多边形传动框架
1—外传动框架;2—内传动框架;3一环形侧轨:4一挡辗;5—环形回转中心线
7.6.2圆形摩擦传动框架安装的允许偏差,应符合下列要求:
1应调整传动框架的圆度,并应挂线、用钢尺检査,允许偏差 为 10. Omms
2应调整传动框架上表面高低差,并应用水准仪、钢直尺检 查,允许偏差为5. Ommo
7. 6. 3焊接材料与母材的匹配应符合设计技术文件的规定,焊接 材料使用前,应按产品说明书及焊接工艺文件的规定进行烘焙和
. 43 .
存放。.
7. 6.4传动框架与加固板和连接板的焊接,应符合设计技术文件 的规定;无规定时,焊接质量应符合现行国家标准《现场设备、工业 管道焊接工程施工及验收规范》GB 50236中有关N级焊缝质量标 准的规定。
7.7台车及传动装置
7.7.1摩擦轮与被动摩擦轮的压紧力应符合设计技术文件的规 定。
7.7.2定转矩联轴器的安装应符合设计技术文件的规定。
7.7.3台车调节板边缘应无毛刺。
7.7.4橡胶密封板与台车的接触应贴合,并应无明显缝隙。
7.7.5抽风冷却式台车安装应符合下列要求:
1应调整两台.车侧板嵌入部分间隙,并应用钢尺检査,允许 偏差为6. Omm;
2应调整侧板上的内、外调节板圆度,并应用钢尺检查,允许 偏差为10. OmnIo
7.7.6鼓风冷却式台车安装应符合下列要求:
1应调整调节板之间水平错位,并应用钢尺检查,允许偏差 为 3. Omm; ^
2台车应调整在同一•水平面上,并应用钢尺检查台车下部内 外调节板高低差,允许偏差为3. Ommo
7.7.7传动装置安装(图7.7.7)应符合下列要求:
1应调整两个摩擦轮轴向中心线重合度,并应用线坠、钢尺 检査,允许偏差为0. 5mm;
2应调整主动摩擦轮轴向中心线,并应用经纬仪、钢尺检查 主动摩擦轮轴向中心线的延伸线,应通过环式冷却机圆心,允许偏 差为 2. Omm; '
3应调整两个摩擦轮轮缘端面错位,并应用线坠、钢尺检查, . 44 .
允许偏差为1. Omm; -
4应调整底座纵、横向中心线,并应挂线、用钢尺检查,允许 偏差为1. Omm;
5减速机、联轴器的安装,应符合现行国家标准《机械设备安 装工程施工及验收通用规范》GB 50231的有关规定。
■6
图7. 7.7传动装置.
1—主动摩擦轮;2—减速机;3—电动机;4—环冷机中心点; 5—主动摩擦轮端面中心点;6—减速机岀轴中心点
7.8挡辐及肱辗
7.8.1弹簧支撑的托辐,弹箕压缩量的调整应符合设计技术文件 的规定。
7.8.2托辐与摩擦板或传动框架底面应接触良好。
7. 8・.3托辗安装应符合下列要求:
1应调整托辐径向中心线,并应挂线、用钢尺检查,允许偏差
为 5. Omm 5
2应调鑿托辐轴向中心线,并应挂线、用钢尺检查,允许偏差
为 2. Ommo
7.8.4挡辐安装应符合下列要求:
1应调整挡辐轴标高,并应用水准仪、钢直尺检查,允许偏差
为士5. Omm;
2 .应调整挡辍中心线,并应挂线、用钢尺检查,允许偏差为
3应调整挡辐轴面至内传动框架纵向中心线距离,并应用钢 尺检查,允许偏差为士 1.0mm。
7.9环式刮板输送机
7.9.1刮板输送机安装应符合下列要求:
1应调整刮板轨道的标高,并应用水准仪、钢直尺检査,轨道 圆周方向各点高低差,允许偏差为3. Omm;内外轨道径向对应点 高低差,允许偏差为2. Omm;
2应调整刮板轨道接头处高低差,并应用钢尺检查,允许偏 差为1. Omm;
.3应调整刮板轨道接头处错位,并应用钢尺检査,允许偏差 为 1, OmmS
4应调整刮板输送机环形中心线半径,并应用钢尺检查,允 许偏差为20. Omm;
5应调整刮板输送机传动装置的标高,并应用水准仪、钢直 尺检查,允许偏差为±2. Omm;
6应调整传动齿轮、链轮轴向水平度,并应用水平仪检查,允 许偏差为1.0/1000;
7应调整刮板输送机传动装置传动装置中心线,并应挂线、 用钢尺检查,允许偏差为2.0mm。
7.9. 2开式齿轮、联轴器的安装,应符合现行国家标准《机械设备 安装工程施工及验收通用规范》GB 50231的有关规定。
7.10风 机
7.10.1叶轮安装时严禁与机壳相碰,吸入口和排出口管道内应 清理干净。
7.10.2风机安装的允许偏差应符合下列要求:
• 46 •
1应调整轴承座标高,并应用水准仪、钢直尺检查,允许偏差 为士2. Omm; .
2应调整风机轴水平度,并应用水平仪检查,允许偏差为
3应调整轴承座纵、横向.中心线,并应挂线、用钢尺检査,允 许偏差为2. OmmO
7.10.3联轴器的安装,应符合现行国家标准《机械设备安装工程 施工及验收通用规范》GB 50231的有关规定。
度,应符合设计技术文件的规定。
8.4.2链条的安装方向、头尾链轮中心距及尾部链轮拉紧装置调 整,均应符合设计技术文件的规定,链条与托辐应接触良好。
8.4.3托辗安装应符合下列要求:
1应调整托辐的标高,并应用水准仪、钢直尺检查,允许偏差. 为±0. 5mm;全部托辐掘面应在同一斜面上,高低差的允许偏差 为 0. 5mm;
2应调整托辗面水平度,并应用水平仪检查,允许偏差为 0.2/1000;
3应以带式冷却机的纵、横向中心线为基准,调整上、下托辐 径向中心线,并应挂线、用钢尺检查,允许偏差为1.0mm;
4应调整上托辐与下托辗的间距,并应用钢尺检查,允许偏 差为±0. 5mm;
5应调整托辗之间的间距,并应用钢尺检查,允许偏差为 ±2. OmmO
8.4.4链轮安装应符合下列要求:
1应调整头、尾链轮标高,并应用水准仪、钢直尺检查,允许 偏差为士2. Omm;
2应调整头、尾链轮轴向水平度,并应用水平仪检查,允许偏 差为 0. 1/1000;
3应调整头尾链轮纵、横向中心线,并应挂线、用钢尺检查, 允许偏差为1. Omm;
4应调整头、尾链轮轴向中心线与托辐面的距离,并应挂线、 用钢尺检查,允许偏差为士 1.0mm。
8. 4.5台车安装应符合下列要求:
1应调整台车两侧板间距,并应用钢尺检查,允许偏差为 ± 1. Omm;
2台车同侧面的侧板应在同一铅垂面上,应用钢尺检查同侧 面的侧板错位,允许偏差为1.0mm;
. 50 .
3台车同侧面的栏板应在同一铅垂面上,应用钢尺检查同侧 面的栏板错位,允许偏差为O. 5mm。
8.4.6台车的传动装置的安装,应符合现行国家标准《机械设备 安装工程施工及验收通用规范》GB 50231的有关规定。
8.4.7台车传动装置釆用柔性传动装置时,应按本规范第6. 9节 的规定采用。
8.5带式刮板输送机
8.5.1带式刮板输送机安装的允许偏差,应符合下列要求:
1挂线、用钢尺检查纵向中心线,允许偏差为3. Omm;
2应调整轨道槽接头处高低差,并应用钢尺检查,允许偏差 为 0. 5mm;
3应调整上、下刮板轨道槽间距,并应用钢尺检査,允许偏差 为士 1. Omm;
4应调整左右刮板轨道间距,并应用钢尺检查,允许偏差为 ± 1. Omm;
5应调整头〔尾链轮标高,并应用水准仪、钢直尺检查,允许 偏差为±2. Omm;
6应调整头、尾链轮轴向水平度,并应用水平仪检查,允许偏 差为 0. 2/1000;
7应调整头、尾链轮轴向中心线平行度,并应挂线、用钢尺检 查,允许偏差为0.3/1000;
8应调整头、尾链轮横向中心线,并应挂线、用钢尺检查,允 许偏差为1.0mm。 :
8.5.2带式刮板送机的传动装置的安装,应符合现行国家标准 《机械设备安装工程施工及验收通用规范》GB 50231的有关规定。
9.4机壳和转子
9.4.1机壳宜在现场分段拼装焊接后吊装就位,拼装时应检査相 关尺寸,并应与出厂组装记录核对,吊装就位前宜完成下机壳的保 温。
9. 4. 2下机壳的初找正应以轴承座为基准,纵、横向中心线的允 许偏差为LOmm,应用平尺、水平仪检查机壳各段中分面纵、横向 水平度,允许偏差为0. 10/1OOOo
9.4.3下机壳的锂孔应与两轴承座的镯孔同心,并应挂线、用内 径千分尺或塞尺检查下机壳与两轴承座膛孔同轴度,当风机的额 定风量不大于6500m3∕min时,允许偏差为0.03mm;当额定风量 大于6500m3∕min且小于12000r∏3∕min时,允许偏差为O. 04mm; 当额定风量大于或等于12()00m3∕min时,允许偏差为0.05mm。
9.4.4下机壳应在转子吊入轴承座并找正后进行精调。
9.4.5下机壳与底座应紧密贴合,除设计技术文件规定预留间隙 外,局部间隙用0.05mm塞尺检查不得塞入。
9. 4.6机壳导向键槽与底座导向键之间的间隙应用塞尺检查,并 应符合设计技术文件的规定。
9. 4.7风机机壳与其支承底座之间的紧固螺栓间隙应用塞尺检 查,并应符合设计技术文件的规定。
9.4.8转子轴向水平度应在电机侧轴颈上测得,并应用水平仪检 査轴颈水平度,应呈外扬倾向,允许偏差为0. 05/1000,转子各部 位的端面和径向跳动量,应符合设计技术文件的规定。
9.4.9转子就位后,宜用压铅法检查油封间隙、气封间隙,间隙应 符合设计技术文件的规定。
9.4.10径向滑动轴承轴瓦与轴颈接触弧面、顶间隙、侧间隙应用 压铅法检查,应符合设计技术文件的规定。
9.4.11推力轴承的轴向窜动间隙应在轴承座剖分面上检査,窜 动间隙应符合设计技术文件的规定。
, 54 ,
9.4.12附有吸入锥套的叶轮与机壳水平方向的轴向重合长度、 径向间隙应用钢尺检查,应符合设计技术文件的规定。
9. 4.13上、下机壳水平中分面在自由状态下应相贴合,其局部间 隙应符合设计技术文件的规定;上、下机壳连接螺栓的紧固应按对 称顺序进行,紧固力矩应符合设计技术文件的规定。
9. 4.14机壳两侧双吸入管的安装应符合设计技术文件的规定。
9.4.15转子与电动机联轴器的安装,应符合设计技术文件或现 行国家标准《机械设备安装工程施工及验收通用规范》GB 50231 的有关规定。 -
9.5附属设备
9. 5.1伸缩节、吸入和排出阀门的安装应与风管法兰连接严密「 连接面间的填料密封应符合设计技术文件的规定。
9.5.2伸缩节安装应处于自由状态,不得承受外力,严禁强力对 口。伸缩量及进出口方向应符合设计技术文件的规定。
9.5.3消音器安装应符合下列要求:
1应调整消音器的标高,并应用水准仪、钢直尺检査,允许偏 差为±3. Omm;
2应调整纵、横向水平度,并应用水平仪检査,允许偏差为 2.0/1000;
■3应调整纵、横向中心线,并应挂线、用钢尺检査,允许偏差 为 3. Ommo
9.5.4润滑设备和管道的安装,应符合现行国家标准《冶金机械 液压、润滑和气动设备工程安装验收规范》GB 50387的有关规定。
10.1 一般规定
10.1.1本章适用于烧结机械设备单体试运转、无负荷联动试运 转。
10.1.2试运转前应编制试运转方案,应经项目技术负责人审核, 并应报总监理工程师(建设单位项目负责人)批准,同时应向参加 试运转的人员交底后,再进行试运转。
10.1.3试运转应有统一指挥,参加人员应有明确的岗位职责分 工和工作纪律。
10.1.4试运转前应准备试运转所需的能源、介质、材料、安全防 护设施、调试工具、计量检测器具和试运转记录表格。'
10.1. 5试运转前应将试运转的设备及周围环境清扫干净。
10.1.6设备及其附属装置、管路等应安装完毕,有关资料应齐 全。
10.1.7冷却水系统应完成试压和通水试验;压缩空气管道应完 成通气试验。
10.1.8润滑系统和各润滑点应按设计技术文件的规定加入润滑 油、脂,设备的润滑系统应先行试运转,并应符合试运转的要求。
10.1.9电气系统中控和现场控制的开关切换位置,应正确、清 晰,启动和运行参数应进行整定;电机的绝缘电阻和接地电阻应符 合设计技术文件的规定。
10.1.10在电机或减速机与设备脱开时,应手动盘车,不得有卡 阻现象。
10.1.11设备的安全保护装置应符合设计技术文件的规定,在试 运转中需调试的装置,应在试运转中完成调试,其功能应符合设计
. 56 .
技术文件的规定。
10.1. 12无负荷联动试运转应在设备单体无负荷试运转合格后 进行,并应按设计技术文件规定的联动程序和时间要求,连续试运 转3次,应无故障。
10.1.13设备单体试运转启动顺序应符合下列要求:.
1有润滑系统和冷却系统的设备,试运转时,应先启动润滑 油泵系统和冷却供水系统,并应符合要求后,再正式开车试运转;
2设备试运转的顺序应先点动电机,应确认运转方向后进行 电机空载试运转,并应试运转合格后电机带动设备试运转;.
3有慢驱动系统时,应先完成慢驱动系统的试运转,再进行 正常驱动的试运转;
4变频电机应先在25%左右的速度下试运转,再进行50% 和100%转速条件下的试运转;
5试运转应在现场启动和操作。
10.1.14设备试运转时不得有卡阻、异常振动和噪声,设备和管 道应无漏油、漏水、漏风现象。
10.1.15试运转时应测量轴承的温度,轴承温度应符合设计技术 文件的规定;无规定时,应符合下列要求:
1滚动轴承正常运转时,轴承温升不得超过40°C,且最高温 度不得超过800C i
2滑动轴承正常运转时,轴承温升不得超过35 °C,且最高温 度不得超过70 °C。
10.1.16试运转结束后,应及时做好下列工作:
1应切断电源、气源、水源和其他动力源;
2应进行必要的放气、排水、排污;
3内有余压的设备应做卸压处理;
4电气开关和仪表应正确复位;
5试运转结束后,应进一步检查紧固、锁定及焊接的部位或 零部件,不得松动或开焊。
10.2定量给料装置试运转
10. 2.1圆盘给料机及胶带式电子秤连续试运转时间,不得低于 2h,设备运转应平稳,轴承温度和温升应疋常,应无异常噪声和振 动。
10.2.2胶带式电子秤的胶带松紧应适宜,并应无打滑现象;电子 秤胶带沿纵向中心线跑偏不得大于50mmo
10.2.3圆盘给料机手动挡板应操作5次,手动挡板操作应灵活。
10.3混合机试运转
10.3.1减速机单独连续试运转不得少于Ih,减速机运转应平 稳,并应无异常噪声和振动。
10.3.2微动装置试运转应符合下列要求:
1手动离合的往复动作不得少于5次,离合应灵活,连锁应 正确;
2微动装置单体试运转不得少于0.5h;
3微动装置带混合机连续低速运转不得少于Ih,运转应平 稳,并应无异常噪声和振动。 -
10.3.3混合机连续试运转不得少于4h,托辐与滚圈、开式齿轮 喷油情况应正常;滚筒运转应平稳,并应无异常噪声和振动;进料 斗、卸料斗及罩子安装应牢固,与转动部分应无碰卡、抖动现象。
10.4烧结机试运转
10.4.1给料装置试运转应符合下列要求:
1圆筒给料机电动机在不同转速下,连续试运转均不得少于 Ih,连接圆筒给料机按不同转速累计运转不得少于4h,运转应平 稳,轴承温度和温升应正常,并应无异常振动和噪声;
2可移动反射板和自动清扫器往复动作不得少于5次,位置 应准确,并应无卡阻;
• 58 •
3辐式布料机试运转不得少于2h,运转应平稳,轴承温度和 温升应正常,并应无异常振动和噪声;
4梭式布料机试运转往复不得少于10次,臍带机连续试运 转不得少于2h,轴承温度和温升应正常,定位和转向应准确,胶带 跑偏应符合设计技术文件的规定。
10.4.2头部传动装置试运转应符合下列要求:
1电动机在不同转速下,连续试运转均不得少于2h,转速、 电流、轴承温度和温升应正常;
2连接减速机和头轮,低速连续运转不得少于Ih,再按不同 转速运转每次不得少于Ih,检查电动机与定转距联轴器输出轴转 数应一致,减速机及头轮运转应平稳,并应无异常噪声和振动。 10.4.3平移式尾轮移动架往复动作不得少于5次,动作应平稳 可靠,行程应准确。 ,
10.4.4算条清扫器试运转不得少于Ih,动作应灵活,位置应准 确。
10. 4.5烧结机带动台车试运转,低速连续试运转不少于0. 5h后 应停车检查,应调整平移竖尾轮平衡块重量,应按不同的台车转速 进行试运转,每次试运转均不得少于Ih,累计不得少于6h,应运转 平稳,并应无啃轨现象。
10.4.6热破碎机试运转应符合下列要求:
1应先进行受齿台车试运转,试验拉出台车的2台卷扬机的 旋转方向应正确,应用千斤顶将台车顶起,取出垫块后,应将台车 落在轨道上,进行受齿台车拉岀与装入试验,试验不得少于3次, 动作应平稳,位置应准确;
2拉出与装入台车试验应在手动盘车的情况下操作,严禁直 接拉出与装入;
3电动机单独连续试运转不得少于Ih,连接减速机和破碎 机连续试运转不得少于6h,运转应平稳,轴承温度及温升应正常, 并应无异常振动和噪声。
10.4.7主抽风管道的手动调节阀及电动调节阀应做启闭试验, 试验次数不得少于3次,动作应灵活,极限位置应准确。
10.4.8双重阀应做启闭试验,试验次数不得少于5次,开闭程序 应正确,动作应灵活,并应无卡阻现象。
10.5环式冷却机试运转
10.5.1环式冷却机试运转应符合下列要求:
1环式冷却机电机单体试运转不得少于Ih,带动减速机试 运转不得少于Ih,轴承温度和温升应正常,并应无异常噪声;
2环式冷却机应以最低速运转1圈,台车、托辗、挡辐运转状 态应正常,台车运行方向应正确;台车在曲轨处倾翻应无卡阻、跳 动现象;两车轮与曲轨应接触良好; ^
3升速运转(从最低速到最高速)应运转3周,最高速应运转 3周,传动装置、台车、托辗和挡辐运转应正常,应无异常噪声和振 动,并应无卡阻和跳动现象,运行应平稳,应无严重跑偏现象。台 车上、下密封板应接触良好。
10.5.2环式刮板输送机试运转不得少于2h,刮板运行应平稳, 并应无跳动和卡阻现象。
10.5.3风机连续试运转不得少于6h,风机运转方向应正确,应 无异常振动和噪声,轴承温度和温升应正常,应做风门开闭试验, 试验次数不得少于5次,开闭应灵活。
10.5.4双重阀开闭试验应按本规范第10.4.8条的规定釆用。
10.6带式冷却机试运转
10.6.1带式冷却机试运转应符合下列要求:
1带式冷却机电机单体试运转不得少于Ih,带动减速机试 运转不得少于Ih,轴承温度和温升应正常,并应无异常噪声;
2带式冷却机应以最低速运转Ih,台车、托辐、链轮和链板 的运转状态应正常,台车运行方向应正确;台车在头尾链轮倾翻时
应无卡阻、跳动现象;
3升速运转(从最低速到最高速)连续试运转不得少于2h, 最高速运转不得少于,3h,传动装置、链轮、台车、托辗等运转状态 应正常,应无异常噪声和振动,并应无卡阻和跳动现象,运行应平 稳,应无严重跑偏现象,'台车上、下密封板应接触良好。
10.6.2带式刮板输送机试运转不得少于2h,刮板运行应平稳, 并应无跳动和卡阻现象。 ,
10.6.3风机的试运转应按本规范第10.5.3条的规定采用。
10.6.4双重阀的试运转应按本规范第10. 4.8条的规定釆用。
10.7主抽风机试运转
10.7.1吸入和排出阀门试运转应符合下列要求:
1手动操作阀的开闭机构,开闭动作不得少于5次,动作应 灵活,阀瓣开闭位置与指示器、限位开关应一致;
2断开阀瓣,电动操作开闭机构,正、反转均不得少于0. 5h; 连接阀瓣后,开闭动作不得少于5次,开闭位置与指示器、限位开 关应一致。
10.7.2主电动机与风机的联轴器应断开,进行电动机单体试运 转,连续试运转不得少于4h,轴承温度和温升应正常,并应无异常 振动和噪声。
10.7.3手动盘车无异常后,应连接主电动机与风机之间的联轴 器,并应关闭吸入阀门,进行风机的无负荷试运转,试运转时间不 得少于2h,轴承温度和温升应正常,并应无异常振动和噪声。
10.7.4主抽风机无负荷试运转合格后应进行低负荷试运转,试 运转时,应逐渐打开吸入和排出阀门,阀门的开度应符合设计技术 文件的规定,低负'荷试运转的时间不得少于Ih,各部件动作应平 稳,并应无异常振动和噪声。
10.7.5主抽风机低负荷i⅛运转合格后,应进行负荷试运转,连续 试运转的时间不得少于4h,对试运转情况应作出实况记录,并应
符合下列要求: ,
1轴承振动应符合设詩技术文件的规定;无规定时,轴承的 最大振动值不应大于O. 06mm;
2轴承温度应符合设计技术文件的规定;无规定时,当主抽 风机进风量不大于12000m3∕min时,轴承的最高温度不应大于 65 °C;当主抽风机进风量大于DOOOmVmin时,轴承的高温度不 应大于70°C ; ^
3机壳及法兰接口处应无漏风、漏油、漏水等现象;
4运转应平稳,并应无异常声响,噪声值应符合设计技术文 件的规定。
11.1 一般规定
11.1.1本章适用于烧结机械设备工程安装的安全和环境保护。
11.1.2从事烧结机械设备工程安装的施工单位必须取得安全生 产许可证。
11.1.3施工现场应建立健全安全生产保证体系和环境保护体 系,应有安全生产和环境保护管理制度,应配备专职安全环保管理 人员。
11.1.4施工单位应有经审批的施工组织设计、施工现场临时用 电方案、安全技术措施、安全专项方案。
11.1.5从事烧结机械设备安装的安全管理人员应持有安全管理 资格证书,特种作业人员应持有效证件上岗。
11.1.6烧结机械设备安装前,技术人员应向作业及相关人员进 行安全技术措施交底,并应双方签字确认。
11.1.7施工单位应为作业人员提供符合要求的劳动保护用品, 并应培训和监督作业人员正确使用。
11.1.8施工机械设备和施工机具使用前应检查合格,使用过程 中应保持完好状态。
11.2安 全
11.2.1高处作业,应符合国家⅞⅛行标准《建筑施工高处作业安全 技术规范》JGJ 80的有关规定。
11.2.2脚手架的搭拆,应符合国家现行标准《建筑施工扣件式钢 管脚手架安全技术规范》JGJ 130和《建筑施工碗扣式钢管脚手架 安全技术规范MGJ 166的有关规定。
11.2.3施工现场临时用电应符合现行国家标准《施工现场临时 用电安全技术规范》JGJ 46的有关规定;施工现场应有专业人员 负责安装、维护和管理用电设备和电线路。
11.2.4起重机械的使用应符合国家现行标准《建筑机械使用安 全技术规程MGJ 33的有关规定。
11.2.5吊装区域应设置安全警戒线,非作业人员严禁入内。
11.2.6大型设备的运输道路和放置场地、吊车站位场地,应满足 承载要求。
11.2.7高处焊接或气割作业前,应清除作业区下方的可燃、易燃 物,并应釆取防火措施,高处焊接或气割作业时,应设监护人监护。 11.2.8油漆涂料应设专用场所妥善保管,涂装人员应配备必要 的防护用品。
11.2.9管道系统压力试验及吹扫应设置禁区,发现异常时,应及 时卸压处理,严禁带压补漏与紧固螺栓。
11.2.10设备试运转前,应对场地进行全面的安全检查,试运转 区域应设置必要的安全标志和警戒标志,试车过程中严禁明火作 业,严禁随意操作开关、阀门等控制件。
11.3 环 保
11.3.1施工期间应控制噪声,并应合理安排施工时间,同时应减 少对周边环境的影响。
11.3.2施工区域应保持清洁。
11.3.3现场油漆涂装施工时,应采取防污染措施。 .
11.3.4施工废弃物应统一分类处理,危化品的废弃物应交具有 相应资质的消纳单位进行处理,严禁现场焚烧、掩埋。
1为便于在执行本规范条文时区别对待,对要求严格程度不 同的用词说明如下:
1) 表示很严格,非这样做不可的:
正面词釆用“必须”,反面词釆用“严禁”;
2) 表示严格,在正常情况下均应这样做的:
正面词采用“应”,反面词采用“不应”或“不得”;
3) 表示允许稍有选择,在条件许可时首先应这样做的:
正面词釆用“宜",反面词釆用“不宜”;
4) 表示有选择,在一定条件下可以这样做的,釆用“可”。
2条文中指明应按其他有关标准执行的写法为:“应符合•••••• 的规定'‘或“应按••••••执行”。
《工业设备及管道绝热工程施工质量验收规范》GB 50185
《混凝土结构工程施工质量验收规范》GB 50204
《钢结构工程施工质量验收规范》GB 50205
《机械设备安装工程施工及验收通用规范》GB 50231
《现场设备、工业管道焊接工程施工及验收规范》GB 50236
《连续输送设备安装工程施工及验收规范》GB 50270
《冶金机械液压、润滑和气动设备工程安装验收规范》GB 50387
《烧结机械设备工程安装验收规范»GB 50402
《建筑机械使用安全技术规程》JGJ 33
《施工现场临时用电安全技术规范》JGJ 46
《建筑施工高处作业安全技术规范》JGJ 80 .
《建筑钢结构焊接技术规程》JGJ 81
《建筑施工扣件式钢管脚手架安全技术规范》JGJ 130
《建筑施工碗扣式脚手架安全技术规范》JGJ 166
中华人民共和国国家标准
GB 50723-2011
条文说明
《烧结机械设备安装规范MGB 50723—2011),经住房和城乡 建设部2011年7月26日以第1089号公告批准发布。
本规范制订过程中,编制组对国内外烧结生产工艺、机械设备 的现状和发展趋势进行了深入的调查研究,总结了我国烧结机械 设备安装工程建设的实践经验,同时参考了国外相关的先进技术 法规、技术标准。
为便于广大设计、施工、科研、学校等单位有关人员在使用本 规范时能正确理解和执行条文规定,《烧结机械设备安装规范》编 制组按章、节、条顺序编制了本规范的条文说明,X寸条文规定的目 的、依据以及执行中需注意的有关事项进行了说明,还着重对强制 性条文的强制性理由作了解释。但是,本条文说明不具备与规范 正文同等的法律效力,仅供使用者作为理解和把握规范规定的参 考。
1 总 贝U ........................................................... ( 73 )
11 安全和环保..................................................••••
1.0.1本条阐明了烧结机械设备工程安装应遵循的原则与编制 本.规范的目的。
1.0.2本条明确了本规范适用的对象。
1.0.3本条明确了烧结机械设备工程安装的质量标准和验收程 序。
1.0.4本条反映了其他相关标准、规范的作用。烧结机械设备工 程安装涉及的工程技术及安全环保方面很多,并且机械设备工程 安装中除专业设备外,还有液压、气动和润滑设备、起重设备、连续 运输设备、通用设备、各类介质管道制作安装、工艺钢结构制作安 装、防腐、绝热等,因此,烧结机械设备工程安装除应执行本规范 外,尚应符合现行国家及行业有关标准的规定。
2.0.1为保证施工质量,规范施工管理,本条文规定对从事烧结 机械设备工程安装的施工企业应具备的资质提出了要求,强调市 场准入制度。
2.0.2本条文对从事烧结机械设备工程的安装入员和特种作业 人员持证上岗作出规定。根据《中华人民共和国安全生产法》第二 十三条规定,生产经营单位的特种作业人员必须按照国家有关规 定经专门的安全作业培训,取得特种作业操作资格证书方可上岗 作业。如与烧结机械设备安装专业相关的起重机械操作人员、脚 手架搭设人员、金属焊接(气割)作业人员等特种作业人员,应持证 上岗。
2.0.3本条文是强制性条文,必须严格执行。烧结机械设备工程 安装中的焊接质量关系工程的安全使用,焊工是关键因素之一。 本条文明确规定从事本工程施焊的焊工,必须经考试合格,方能在 其考试合格项目认可范围内施焊,焊工考试按国家现行标准《冶金 工程建设焊工考试规程))YB∕T 9259中焊工考试规程或国家现行 规范中的规定进行,如:从事钢结构焊接的焊工考试应符合国家现 行标准《建筑钢结构焊接技术规程》JGJ 81的规定,从事现场其他 设备及管道焊接的焊工考试应符合现行国家标准《现场设备、工业 管道焊接工程施工及验收规范》GB 50236的规定。
2. 0.4施工过程中,经常会遇到需要修改设计的情况,施工单位 不得擅自修改设计,施工图纸修改必须有设计单位的设计变更通 知书或技术核定签证。本条根据《中华人民共和国建筑法》规定的 “工程设计的修改由原设计单位负责,建筑施工单位不得擅自修改 工程设计……"的规定编写,因此,施工单位无权修改设计图纸。
• 74 ,
施工中发现施工图纸问题,应及时与建设单位和设计单位联系,修 改施工图纸必须有设计单位的设计变更正式手续。
.2.0.7安装中使用末经计量检定的不合格的器具,会给工程质量 造成严重后果,给企业造成经济损失。为此本条强调烧结机械设 备安装必须使用经计量检定、校准合格、且在鉴定有效期内的计量 器具。计量器具的精度要与质量标准值的精度相匹配,其等级应 符合质量标准的要求。:,
-2. 0.8 与烧结机械设备工程安装相关的专业很多,例如土建专 业、工业炉专业、电气专业等。各专业之间应按规定的程序进行交 接,例如土建基础完工后交设备安装,设备安装完工后交工业炉砌 筑,各专业之间交接时,应进行检验并形成质量记录。
2.0.9烧结机械设备工程安装中的隐蔽工程主要是指设备的二 次灌浆、大型轴承座的封闭等。二次灌浆是在设备安装完成并验 收合格后,对基础和设备底座间进行灌浆,二次灌浆应符合设计技 术文件和现行国家标准《机械设备安装工程施工及验收通用规范》 GB 50231的规定。大型轴承座的封闭主要是指主抽风设备的轴 承箱。隐蔽工程的管理程序也是根据《建设工程质量管理条例》第• 三十条规定的。
2. 0.10本条强调施工安装必须具备的条件。
2. 0.11本条强调做施工准备工作的重要性。施工准备不足就有 可能带来施工中各种各样的问题,甚至导致施工质量或安全事故, 给国家财产和人们生命造成严重损失。此条的提出也是根据当前 许多工程现状,如业主规定的施工工期很短,施工单位往往忽视施 工准备或没有充分地进行施工准备而造成施工过程中暴露出施工 技术、质量、安全等问题的实际情况提出的。 '
2.0.12设备安装过程中或安装后成品保护工作十分重要。安装 过程中应釆取措施保护设备不被损伤,如安装过程中设备存放釆 取防潮、防雨措施,放置要平稳。装配时需要敲打轴或套时,应垫 以铜垫。吊装时,设备转角处应塾橡胶等物。特别是设备安装后,
・・75 •
由于设备试运转、交工尚需较长的时间,在这段时间内,必须防备 其他专业施工砸坏设备和操作人员踩踏设备造成设备损伤,此外 还要防风、防雨雪侵蚀等,以达到设备完整无损。釆取设备保护措 施对顺利交工和设备正常投产有很大的影响,对避免国家财产的 损失有很重大的意义。
3.1设备基础验收
3.1.1设备安装前,应进行基础的交接和检验,目的是检查设备 基础缺陷和地脚螺栓安装的偏差是否符合标准要求,尽早进行处 理和暴露某些矛盾,为保证设备正常安装扫除障碍。本条强调,未 经验收和交接的设备基础,不得进行设备安装。
3.1.2烧结机械设备的基础工程,由土建单位施工,设备基础完 成后,土建单位应与设备安装单位进行实体交接和资料交接。基 础交接资料,包括交接单,基础外形尺寸、地脚螺栓或预留孔、锚板 孔、预埋件的中心线、标高等实测记录。
3.2设备基准线和基准点的设置
3. 2.1、3. 2. 2设备安装前,应按施工图和测量控制网确定设备安 装的基准线。所有设备安装的平面位置和标高,均应以确定的 安装基准线为准进行测量。主体设备和连续生产线应埋设永 久中心线标板和基准点,使安装施工和今后维修均有可靠的基 准。
3.3地脚螺栓安装
3.3.2 '设备就位前,应进行T形头地脚螺栓的试穿,确认T形 头地脚螺栓长方头与锚板长方形孔垂直,并在螺栓和基础 适当位置做好T形头方向记号,紧固螺栓时必须按记号安 装螺栓,以确保T形头地脚螺栓长方头与锚板长方形孔垂 直。
3.3.3烧结机械设备的地脚螺栓,在设备生产运行时受冲击力,
・77・
涉及设备的安全使用功能,因此将地脚螺栓紧固必须符合设计技 术文件的规定,设计技术文件明确规定了紧固力值的地脚螺栓,应
按规定进行紧固,并有紧固记录。 -
4.2设 备
4.2.1为保证设备安装有序进行,设备进场应根据设备工程承包 合同、施工组织设计、设备交货计划、工程进度计划等编制设备进 场计划,保证设备安装与设备进场协调统一,做到均衡连续作业。
4.2.2本条规定“设备检验应按设计文件、施工技术标准和合同 的约定进行……未检验或检验不合格的设备,不得使用和安装", 是根据《中华人民共和国建筑法》第五十九条“建筑施工企业必须 按照工程设计要求、施工技术标准和合同约定,对建筑材料、建筑 构配件和设备进行检验,不合格不得使用”提出的。
4.2.3本条第5款规定设备必须有合格证明文件,进口设备应通 过国家商检部门的查验,具有商检证明文件。以上文件为复印件 时,应注明原件存放处,并有抄件人签字和单位盖章。
4.3材 料
4. 3. 2、4. 3. 3材料应按设计技术文件、施工技术标准和合同的约 定进行进场检验,不合格的不得使用和安装,是根据《中华人民共 和国建筑法》中第五十九条“建筑施工企业必须按照工程设计要 求、施工技术标准和合同约定,对建筑材料、建筑构配件和设备进 行检验,不合格不得使用。”提出的。烧结机械设备安装工程中所 涉及的原材料、标准件等进场应进行验收,产品质量合格证明文件 应全数检査。证明文件为复印件时,应注明原件存放处,并有经办 人签字,单位盖章。验收记录应包括原材料规格,进场数量,用在 何处,外观质量等内容。
4.3.5烧结机械设备工程安装中需要复检的材料主要有钢材、高
• 79 •
强度大六角螺栓连接副和扭剪型高强度螺栓连接副。高强度大六 角螺栓连接副和扭剪型高强度螺栓连接副应分别进行扭矩系数和 紧固轴力(预拉力)复验。复验用的螺栓应在施工现场待安装的螺 栓批中随机抽取,每批抽取8套连接副进行复验;当高强度螺栓 连接副保管时间超过6个月后使用时,必须按现行国家标准《钢结 构工程施工质量验收规范》GB 50205的要求重新进行扭矩系数或 紧固轴力试验,检验合格后,方可使用。'
' 5.1定量给料装置
5.1.3本条编制目的是在施工时保护压力传感器不受损坏。
5.2混合机
5.2.1本条强调混合机设备安装前应设置安装的基准线。混合 机安装的基准线一般有混合机底座的横向中心线、纵向中心线及 托跟轴向中心线。混合机的纵向中心线即筒体的轴向中心线;混 合机底座的横向中心线与混合机纵向中心线相垂直,即托辗的径 向中心线及大齿轮的径向中心线;托辗轴向中心线与底座纵向中 心线平行。
5.2. 10本条中的下挡辐是指出料端挡辐,上挡辐是指给料端挡 辐。本条指出下挡辐工作面与筒体滚圈侧面贴合用塞尺检査,接 触高度必须在60%以上。上挡辗工作面与筒体滚圈侧面的间隙 必须按设计技术文件的要求进行调整。
5.2. 13本条指出大型混合机的筒体与齿圈是分体出厂,需在施 工现场拼合装配时,其结合面应贴合。
6.1 一般规定
6.1.1本条明确规定了本章的适用范围,适用于带式烧结机设备 安装。
6.1.2.6.1.3这两条强调了烧结机械设备安装前应设置安装的 基准线,烧结机的纵向中心线是指沿烧结机台车行走方向中心线, 烧结机全线较长时,增加几个临时性的辅助测量的中心标板,是为 了减少测量误差和方便设备找正。
6.2烧结机机架
6.2.4本条强调指出机架安装必须按设计技术文件规定,预留热 膨胀间隙,以保证机架在高温下热膨胀的需要。不得以实际的安 装误差减少或增大此间隙。
6. 2. 6本条强调焊接材料出厂质量必须符合设计文件的规定,规 定了焊条的选用和使用要求,尤其强调了烘焙状态,这是保证焊接 质量的必要手段。
6.2.7机架制造厂家在出厂时应随箱带有高强度螺栓连接副及 检验报告,施工单位应及时复验。
6.3梭式布料机
6.3.1本条适用于输送机安装和胶带现场胶接的质量要求。而 在制造厂已经胶接,成品供货的胶带,需提供胶接记录。
6.4铺底料槽、混合料槽
6.4.2本条目的是在施工时保护压力传感器不受损坏。 .
. 82 .
6.6反射板
6. 6.3本条规定反射板纵向中心线与圆筒给料机轴向等分线应 重合,轴向等分线系指圆筒给料机两轴承座的距离等分线,或筒体 长度的等分线,依据等分线为基准,找正反射板纵向中心线。
6.8头 轮
6.8.2本条规定头轮轴向等分线与烧结机纵向中心线应重合,头 轮轴向等分线应以头轮两链轮片的中心距离的等分线为基准。
6. 8.4本条强调轴承窜动间隙应符合设计技术文件的规定。
6.9传动装置
6.9.3本条指出头轮与轴的装配,釆用有键连接(一对斜键的紧 固方式),在大转矩多点啮合柔性传动中有时采用。
6.9.4本条指出头轮与轴的装配,釆用涨紧环无键连接时,主要 依靠涨紧环对轴及轮毂的径向压力所产生的摩擦力,传递轴在旋 转过程中的扭矩和轴向力,涨紧环的涨紧是通过拧紧螺栓而实现 的,因此螺栓拧紧是非常关键的工序,必须按设计技术文件规定的 操作方法和程序进行认真操作,才能保证各螺栓均匀地达到设计 规定的紧固力或紧固力矩。在多组涨紧环组合使用及大转矩的情 况下,为保证涨紧环紧固后的摩擦力,应进行脱脂处理。
6.9.9本条规定,平衡杆安装应在弹簧处于自由长度时装入,当 平衡杆安装定位后,应调整两侧平衡杆上的弹簧压缩量,其目的是 为了消除左右小齿轮组合件的质量不一致造成的偏载现象。
6.9.10^6.9.11柔性传动的齿轮啮合,除齿面啮合以外,在大齿 轮与小齿轮的轴向两侧均设有滚道,大齿轮的滚道是在齿轮加工 时同时加工的滚动面,而小齿轮的滚道是在小齿轮轴上另设有滚 圈,滚圈与小齿轮轴之间为滑动配合,可在运转过程产生微量的角 位移以减少滚动磨损,在柔性传动装置运转过程中,是依靠上述大
小齿轮滚道的良好接触,保证齿面的啮合。在安装小齿轮组合件 的过程中,是通过安装与调整该传动装置上的水平拉杆来调整上 述滚道的间隙。在左右两个小齿轮组合件之间的水平方向有两根 水平拉杆,一根在外侧下部,另一根在内侧上部,用以夹紧左右小 齿轮组合件,保持水平方向大小齿轮之间滚道的接触,在这两根水 平拉杆的4个端头的螺帽下均有球面轴承,在运转过程中允许该 连接点微动。但在上部水平拉杆的左侧一组螺帽下除了具备一对 球面轴承外,还设有一对蝶形弹簧片,即不仅允许该连接点微量角 位移,还可以有微量的水平方向活动,使大小齿轮滚道的接触状态 也处于微动状态。水平拉杆安装时,连接左右小齿轮组合件的上 下水平拉杆端头螺母与球面轴承端面应预留间隙。水平拉杆的端 头螺母下各有球面轴承及一组蝶形弹簧,以适应左右组合件的活 动调节的需要,安装时应注意拉杆端头的螺母不应拧得过紧,通常 应拧到螺母轻微接触球面,球面轴承端面预留间隙应符合设计技 术文件的要求。
6.10点火装置
6.10.4本条第1款为强制性条款,必须严格执行。炉体水冷隔 板和冷却水箱在制造厂应已进行水压试验合格,但经运输、储存等 过程至现场安装,有不安全因素,影响设备的安全运行。本条文规 定还必须在现场再做水压试验,以保证设备进出水畅通而不漏。 本条文还强调现场水压试验应在耐火材料砌筑前进行,以便检查 修补。
6.11头部弯道及中部轨道
6.11.2现行的烧结机轨道由头部固定式弯道、中部水平轨道和 尾部活动式轨道组成。烧结机的工作是在冷热交替、温差较大的 状态下循环运行的。烧结机水平轨道间一般预留热膨胀间隙,在 中部和头部、中部和尾部之间设有伸缩缝,验收时必须按设计技术
, 84 ,
文件的规定,预留地道接头的热膨胀间隙。
6.11.3本条明确'规定头部弯道安装必须以头轮链轮片为基准。
6.12尾部装置
6.12.7现行的烧结机轨道由头部固定式弯道、中蔔水平轨道和 尾部活动式轨道组成。烧结机的工作是在冷热交替、温差较大的 状态下循环运行的。烧结机水平轨道间一般预留热膨胀间隙,在 中部和头部、中部和尾部之间设有伸缩缝,验收时必须按设计技术 文件的规定,预留轨道接头的热膨胀间隙。
6.13密封滑道及密封板
6.13.2密封滑道固定的埋头螺钉应低于滑道的滑动面,以免造 成密封滑道设备损坏。 .
6.14台车及算条清扫器
6.14.2台车算条的安装应按设计技术文件的要求,预留热膨胀 间隙。间隙过小(无间隙),生产时高温产生的热膨胀可能导致台 车侧板变形或断裂;间隙太大.,则可能导致漏料。
6.15热破碎机
6.15.6本条第1款为强制性条款,必须严格执行。水冷式棘齿 辗及受齿板在制造厂应已进行水压强度试验合格,经运输、储存等 过程至现场安装,有不安全因素,影响设备的安全运行,因此本条 文规定还必须在现场和管道一起再做水压试验,以保证设备进出 水畅通而不漏,设备安全运行。
6.16风箱及主抽风管道
6.16.1风箱联系小梁与烧结机机架横梁预留间隙,是为了控制 由风箱负高压产生的风箱及密封滑道的上浮,同时保证风箱纵向
• 85 •
膨胀。
7.2机 架
7.2.2环式冷却机的机架是由多根柱子及各种梁所组装而成的 多边形又近似圆形的框架结构。柱子一般为H型钢构造。柱子 安装时应以环式冷却机安装的纵向中心线和回转中心线为基准, 柱子的横向中心线应平行于回转中心线的切线,柱子的纵向中心 线应为回转中心线的法线。
7.2.4机架制造厂家在出厂时应随箱带有高强度螺栓连接副及 检验报告,施工单位应及时复验。
7.5轨 道
7.5.1~7.5.6由于环式冷却机的轨道(水平轨、侧轨和曲轨)安 装质量对台车和环形摩擦传动装置的平稳运行有较大的影响,是 环式冷却机最关键的工序。所以轨道安装应符合本节的规定。
第7.5.3条特别指出轨道安装应符合设计技术文件的规定, 预留热膨胀间隙,以保证机架在高温下热膨胀的需要。
7.6传动框架
7.6.1本条指出正多边形传动框架安装,可每间隔7个台车为一 组组装,检查弧弦长度(c、d)是适宜的,也可根据实际台车总数,适 当分组进行。 ,
7.7台车及传动装置
7. 7.1在摩擦轮与被动摩擦轮之间有可调整压紧力的弹簧夹紧 . 86 .
装置,通过调整弹簧的压缩长度,从而调整压紧力,以保证冷却机 运转平稳,无打滑现象。本条强调摩擦轮与被动摩擦轮的压紧力, 应符合设计技术文件的规定。
7.10风 机 •
7.10.1本条强调叶轮不能碰机壳,出入口管道内不清理干净,风 机在试运转时就会发生大的安全事故。
9.1 一般规定
9.1. 2、9.1. 3 一般以风机及电动机的轴向中心线,设为主抽风机 的纵向中心线,以该纵向中心线为基准,设置传动侧轴承、非传动 侧轴承及电动机的横向中心线;按照设计标高设基准点,并保留四 个角上的沉降观测基准点。
9.4机壳和转子
9.4.6本条强调机壳与支承座导向键之间的间隙应符合设计技 术文件的要求,以满足主抽风机热态工作时机壳轴向热膨胀的需 要。
9.4.7主抽风机机壳的安装有固定式和游动式,风机机壳的游动 支承座的地脚螺栓,在机壳找正完一毕后,螺帽必须略为松开,螺帽 垫圈与风机支承座的间隙应符合设计技术文件的要求,以防止风 机在热态运转时,机壳无法膨胀而产生振动等现象。
9.4.11主抽风机的正常工作温度在150°C左右,转子运转过程 中产生轴向热膨胀,因此本条强调传动侧和非传动侧推力轴承的 轴向间隙,应符合设计技术文件的要求,以保证风机在热态运转状 态下的安全运行。
9.4. 12本条强调主抽风机转子叶轮与机壳的气隙(包括叶轮与 机壳水平方向的轴向重合长度、径向间隙),应符合设计技术文件 的要求,以满足风机在热态运转产生热膨胀的需要。
10.1 一般规定
10.1. 2~10.1.10这几条强调了必须保证设备试运转具备的条 件。 '
10.1.11本条为强制性条文,必须严格执行。强调设备本身的安 全保护装置以及设备试运转操作所需的施工单位设置的临时性的 安全装置在试运转前,应按设计的规定完成安装,例如联轴器的安 全保护罩、制动器、限位保护装置等。在试运转中需调试的装置, 例如制动器、限位保护装置等,应在试运转中完成调试,其功能符 合设计要求。本条目的在于确保设备试运转和正常运转中的设备 和人员的安全。
11.1 一般规定
11.1.2本条是强制性条文,必须严格执行。强调从事烧结机械 设备工程安装的施工单位必须取得安全生产许可证。为了严格规 范安全生产条件,进一步加强安全生产监督管理,防止和减少生产 安全事故,根据《中华人民共和国安全生产法》的有关规定,制定了 《安全生产许可证条例》,《安全生产许可证条例》的第2条规定: “国家对矿山企业、建筑施工企业和危险化学品、烟花爆竹、民用爆 破器材生产企业实行安全生产许可制度。企业未取得安全生产许 可证的,不得从事生产活动。”建筑施工企业主要是指从事土木工 程、建筑工程、线路管道和设备安装工程及装修工程的新建、扩建、 改建和拆除等有关活动的企业,因此,从事烧结机械设备工程安装 的施工单位必须取得安全生产许可证。
11.1.7本条规定劳动保护用品必须合格,除符合国家相应标准 外,对一种劳动保护产品在使用前可进行安全试验。
11.2安 全
11.2.5本条是强制性条文,必须严格执行。因为吊装属于危险 性较大的作业,为了避免出现机械伤害、物体打击、高空坠物等事 故,确保人员生命安全。本条强调在设备吊装的区域,应提前设置 安全警戒线,做好防范措施,并有人看管,非吊装作业人员严禁入 内。
11.2.7本条是强制性条文,必须严格执行。强调高处焊接或气 割时应釆取必要的防护措施,防止火灾和爆炸事故的发生。因高 处焊接或切割作业是将高处作业和焊接、气割作业的危险囱素进
• 90 ∙
行了雪加,增加了危险性;在高处焊接或切割作业时,产生飞溅的 熔珠気火花,尤其是气割时,氧气流的喷射使火星、熔珠和铁渣四 处飞溅,若作业区下方有可燃、易燃物,飞溅的熔珠火花会掉入下 方的可燃、易燃物中,就可能发生火灾和爆炸事故。因此,为防止 火灾和爆炸事故的发生,高处焊接或切割作业前,应清除作业区下 方的可燃、易燃物,对确实无法移动的可燃物品应釆取可靠的防护 措施。高处焊接或切割作业时,设监护人监护,对检查中发现的火 灾隐患应及时消除,高处焊接或切割后,应检查确认没有安全隐患 后方可离开,以确保施工作业现场的安全。
158017 772500 >
统一书号:1580177 • 725
定 价= 20. 00元