ICS 29.020j29.120.50
K 31
中华人民共和国国家标准
GB/T 6829—2017
代替 GIVZ 6829—2008
剩余电流动作保护电器(RCD)的一般要求
General requirements for residual CUrrent OPerated PrOteCtiVe devices
(IEC∕TR 60755 :2008,MOD)
2017-11-01 发布
2018-05-01 实施
中华人民共和国国家质量监督检验检疫总局児布 中国国家标准化管理委员会发布
目 次
表2无延时型RCD对于半波脉动宜流剩余电流的最大分断时间标准值
表3无延时型RCD对整流线路产生的直流剩余电流和/或平滑直流剩余电流的最大分断时间
表4对预期在120 V带中性点的两相系统中使用的额定剩余电流为6 mA的无延时型RCl)的 最大分断时间可替代的标准值
表11试验电流中不同频率的分量值和稳定增加剩余电流时验证正确动作的复合剩余电流初 始值(L)
表13频率不同于额定频率优选值50 Hz/60 HZ时B型RCl)的脱扣电流范围
学兔兔 www. bzfxw. COm
本标准按照GB T 1.1- 2009给出的规则起草,
本标准代替GIVZ 6829-2(W剩余电流动作保护电器的一般要求》,与G)VZ 6829 — 2008相比主 要技术变化如下:
——范围中增加“任何只能完成上述:个功能中一个或两个•或不能完全符合本标准的所有部分的 附件、装置或设备的标准不能称为RCD标准.……”一段(见第I章);
——増加了 F型剩余电流保护器的类型(见-L7);
— 增加了 F型RCD的特性描述(■见5,2.9.3);
——修改f B型RCD的特性描述(见529∙4,2008年版的529.3);
— 增加了标志中F型RCD标志并修改B型RCI)标志(见第6章“
——修改Jf交流或脉动有流剩余电流叠加平滑立流'',分别给出F型RCD利B型RCl)的要求 C 见 831.3*831,4,2008 年版的 8.3J,3,8.3,1,4);
修改了复合频率剩余电流的要求并增加表11试验电流中不同频率的分量值和稳定增加剩余 电流时验证正确动作的初始值(JL)和表12复合剩余电流的动作电流范I韦1(见8.3丄5.2008年 版的 8.3.1.5);
—— 表Ll中平滑直流对应的极数栏增加2极(见表11);
——修改了附录B中可能的负载电流和故障电流(采用IEC 60755最新草案中13个波形)(见附录 B,2008年版的附录B)J
— 删去了附录C“自动重合闸剩余电流保护电器的补充要求二
本标准采用車新起草:法修改采用I EC/TR 6顷5爲20时《剩余电流动作保护电器的•般要求》。
本标准-IJ 1EC/TR 60755 :2008相比存在技术性差异-这些差异涉及的条款巳通过在其外侧页边空 白位置的垂仃单线(丨)进行了标示,技术性差异及其原因如下,
——关于规范性引用文件,本标准做了具有技术性差异的调整,以适应我国的技术条件,调整的情 况集中反映在第2章•'规范性弓I用文件.,中,只体调整如下,
• 用修改采用国际标准的GB/T 156- 2007代替了 IEC 60038(见5.3);
• 用等同采用国际标准的GB/T 16895.21 -2On代替了 IEC 60364-4-41(见5.3) f
• 用等同采用国际标准的GB/T 16895.4—1997代替了 IEC 603647-53( ∣见第1章,
• 用等同釆用国际标准的GB/T 13140.1—2008代替了 IEC 60998-1(见第3章.8.5);
• 用等同采用国际标准的GB/T 17045-2008代替了 IEC 61140(见第1 ⅛) D
——IEC∕TR 6W532008规定口J'作为指导额定电压不超过交流1 OOo V的剩余电流保护电器.本 标准规定H用来指导额定电床不超过交流1 2〔)0 V的剩余电流保护电器;
范围屮增加“任何只能完成上述二个功能屮一个或两个,或不能完全符合本标准的所有部分的 附件、装置或设备的标准不能称为ReD标准.……”一段(!⅛第1章
——增加了根据动作方式分类JECzTR 60755:2008规定按相关产品标准的规定(见4.1.1);
——增加F型剩余电流保护器的类理(见4.7);
——进-步细化了有延时的分类[见L91。];
— 增加了根据有无门动重合闸分类(见4.11);
——增加r F型RCD的特性描述(见5.Z.9.3);
——对额足电压优先值增加了 220 V和380 V等级,额定电流优先值增加了 800 A等级{见5,4.1
GB/T 6829—2017
和 542);
——本标准在3Λ+12+2中,明确规定延时型仅适用丁 J>LL03 A的剩余电流保护电器•因而在其 他有关的部分也作了相应的修改;
——増加了 F型RCD的分类*要求和标志并修改了 B型RCD的要求和标志(见第6章);
——修改了“交流或脉动宜流剩余电流叠加平滑宜流气分别给出F型RCD利B型RCD的要求 (见 8,3.1,3.831,1);
——修改了复合频率剩余电流的要求并增加表11试验电流屮不同频率的分量值和稳定增加剩余 电流时验证正确动作的初始值以C和表12复合剩余电流的动作电流范围(见8,3.1.5);
——本标准增加了动作功能与电源电压有关的RCD的附加要求.并规定了对于家用和类似用途 LMO.03 A的剩余电流保护电器,在电源电压降低到50 V(相对地电压)时,如出现大于或等 于额定剩余动作电流的剩余电流应能自动动作(见833);
——修改了附录B可能的负载电流和故障电流(见附衆B)。
本标准由中国电器工业协会捉
本标准由全国低压电器标准化技术委员会(SAC/TCIg9)∏l L
本标准起草単位:L海电器科学研究院、浙江正泰屯器股份有限公司、施耐德电气(中国)有限公司 匕海分公司、匕海良信电器股份有限公司、四门子(屮国)有限公司、中山市开普电器有限公司、环宇集团 浙江高科有限公“]、贵州泰永长征技术股份有限公司、法泰电器(江苏)股份有限公M、浙江百事宝电器 股份有限公司、三信国际电器E海有限公司、深圳市良辉科技有限公司、匕海诺雅克电气有限公司、上海 电器股份有限公司人民电器厂、北京ABB低压电器有限公司、厦门宏发开关设备有限公司、伊顿电气有 限公司。
本标准主要起草人:周积刚、刘金琰、李人杰、司莺歌、周磊、范建国、熊椁锤、邹建华、刘国兴、 贺贵兵、宋成爱、施宏伟、苏邯林、张建民、徐永富、报国荣、上农、李新、I:兴阳.
本标准所代替标淮的历次版本发布情况为;
——GB 6829—1986、GR 6829 — 199S .GB1∕Z 6829 -2008 G
剩余电流动作保护屯器主要用来对危险的并且可能致命的电击提供防护「以及対持续接地故障电 流引起的火灾危险提供防护「
本标准规定K这类电器的动作特性.在GB 16895系列标准《低压电气装置》的各个部分中详细规 定了应如何安装剩余电流动作保护电器,以便达到要求的保护水平.
本标准主要给技术委员会和有关单位在起草剩余电流动作保护电器标准时使用。本标准不作为一 个独立的标准使用.例如单独作为认证标准用.
本标潴是按剩余电流动作保护电器的导向功能来起草。
屯击危险保护有两种基本状况:故障保护(冋接接触)和基本保护3[接接触匚
故障保护是指该电器用来防止电气装置町触及的金属部件I:持续的危险电压,这些金属部件是接 地的,但在接地故障情况下会变成带电。
在这种情况下,危险不是来自「使用者村带电的导电部件山接接触,血是来∏T ( J接地的金属部件 接触.而接地金属部件本身与带电的导电部件接触n
剩余屯流动作保护屯器的主要功能或基本功能是提供故障防护,但只有足够灵敏度的电器(例如: 剰余动作电流不超过30 mA的剩余电流动作保护电器)还有一 附加的好处:即使其他防护措施失效. 该电器对与带电的旱也部件直接接触的使用者能提供保护‘
因此在本标准中给出的动作特性是基于这样的要求,该要求本身是依据国家标准GB/T 13870«电 流对人和家畜的效应》中包含的资料.
这些电器也能对过电流保护电器不动作而长期持续的接地故障电流产生的火灾危险提供保护。
学兔兔 www. bzfxw. COm
剩余电流动作保护电器(RCD)的一般要求
1范围
本标准适用于额定也压不超,过交流LlO V.主要用于电击危险保护的剩余电流动作保护电器(以下 称为剩余电流保护也器,简称RCD)D本标准的技术要求作为技术委员会和有关单位起草产品标准时 使用,并目.只有在与相关标准组合时或在相关标准屮引用时才适用。本标准不作为一个独立标准使用, 例如单独作为认证标准用。
注L本标准也可用来指导额定电压不超过交流1 300 V的剰余电流保护电器,在起草相关产品标准时其性能要求 由制造厂和用户协商确定.
本标准适用于,
——检测剩余电流(见3.3+2);将其同基准值(见3.3.3)相比较!以及当剩余电流超过该基准值断开 被保护电路(见3.3.1)的单一电器。
——组合屯器.其每个部分分别执行上述一个或两个功能,但是一起作用以完成所有二个功能.对 预期仅完成上述三个功能中 个或两个功能的电器,可能需要特殊的技术要求,
任何只能完成I:述二个功能中一个或两个•或不能完全符合木标准的所有部分的附件、装置或设备 的标准不能称为RCD标准,或引用“RCD,无论是缩写或全称“剩余也流装置二这些附件、装置或设 备在其产品I 一或技术文件中均不能标志"RCD?\
本标准适用于第7章规定的条件。对于其他条件•可能需要补充技术要求。
根据GB/T 17045—2008和GB/T 16895.21-2011,剩余旭流保护电器通过自动切断电源来防止 人和牲畜由于触及外露的导电部件而产生的电击的有击影响.
注2:上述“有害影响''包括发生心脏纤维性甄动的危险‘
根据GB∙∙'T 16895.4—1997.额定剩余动作电流不超过3C-J TnA的剩余电流保护电器也口【以对持续 接地故障电流引起的火灾危险提供防护n
根据GB T 16895,21 2011 ?额定剩余动作电流不超过30 mA的剩余电流保护电器也可以在基本 保护措施失效或者电气装置或设备使用者疏忽的情况下,提供附加保护,
对于能够执行附加功能的剩余电流保护电器,本标准与包含附加功能的相关标准一起适用•例如: 当剩余电流保护电器与断路器组合时,应符合相应的断路器标准Q
对下列情况可能需要补充的或者特定的技术要求•例如:
——山非专业人员使用的剩余电流保护电器】
——与剩余电流保护电器组合的插座、插头、适配器和连接器。
本标准规定:
——剩余电流保护电器使用的术语和定义(第3章);
——剩余电流保护屯器的分类(第1章)&
——剩余电流保护电器的特性(第5章八
动作值和影响量的优选值(5.4);
——剩余电流保护屯器的标志和信息(第6章);
——使用时安装和工作的标准条件(第7章宀
——结构和操作的要求(第8章);
——最少试验要求明细表(第9章),
注E除了上述提及的以外,用于特定场合(例如:电动机保护)的具冇剩余电流功能的电器不包括在本标准内.
GB/T 6829—2017
2 规范性引用文件
下列文件对于本文件的应用是必不可少的口凡是注日期的引用文件,仅注日期的版本适用于本文 件。凡是不注丨丨期的引用文件.其最新版本(包括所有的修改单)适用于本文件。
GE/T 156—2007 标准电压(IEC 60038:2002, MOD)
电T术语
电丁.术语
电工术语 电工术语
绝缘子(IEC 60050-471 :2007,IDT)
旋转电机(IEC 60050-411 11996 JDT)
爆炸性环境用设备(IEC 60050 426:2OO8 Jr)T)
电器附件(IEC 60050-412: 1998∙ Ilyr)
GB/T 2900.8—2009
GB/T 2900.25—2008
GB/T 2900.35-2008
GB/ Γ 2900.70—2008
家用和类似用途低压电路用为连接器件 第1部分匕通用要求(IEC60998
GB/ T 13140.1—2OoS
1 : 2002 f IDT)
GB/T 16895.1-1997
建筑物屯气装置 第A部分:电气设备的选择和安装 第汩章,升关设备
和控制设备(IEC 60364-5-53j1994 JDT)
GE/T 16895,21 2011 建筑物电气装置 第ITIl部分:安全防护电击防护(IEC 6O364-4-Π1
20U5∙ IDT)
GB/T 17045 -2008 电击防护 装置和设备的通用部分HEC 61140 ; 2001 ,1DT)
IEC 60050-441:1984 国际电「一词汇 第441部分:开关设备、控制设备和熔断器(TlIternariOnal
EIeCtrOteChniCaI VoCabUIary——PfLrt 441 : SWitChgear, ContrOIgear and fuses)
3术语和定义
GB/T 2900. 8— 2009、GB/T 2900.25—2008、GB/T 2900. 35- 2008> GB/T 2900. 70 -2008 和 IEC 600Γ)0-1-11:1984界定的以及下列术语和定义适用于本文件。
3.1关于从带电部件流入大地电流的定义
3JJ
接地故障电流 earth fault CUrrent
ill于绝缘故障而流入大地的电流,
3.1.2
对地泄漏电流 earth Jeakage CUrrelIt
无绝缘故障,从设备的带电部件流入大地的电流。
3丄3
脉动直流电流 PUISating direct CUnTnt
在每一个额足I:频周期内,用电角度表示至少为150'的一段时间冋隔内电流值为0或不超过直流
().006 A的脉动波形电流口
3.1.4
电流滞后角 CUrrent deIay angle
a
通过相位控制,使电流导通的起始时刻滞后的用电角度表示的时间,
3.1.5
平滑直流电流 SmoOth direct CUrrent
没宥波纹的直流屯流.
注Lf波纹系数小A丨。%时,可以认为电流没有波纹.
3.2关于剩余电流保护电器激励的定义
3.2.1
剩余电流 residual CUrrent
L
流过剩余电流保护电器主冋路的电流瞬时值的矢量和(用有效值表示)。
3.2.2
剩余动作电流 residual OPerating CUrrent
使剩余电流保护电器在规定条件下动作的剩余电流值。
3.2.3
剩余不动作电流 residual non-operating CUrrent
在该电流或低于该电流时.剩余电流保护电器在规定条件下不动作的剩余电流值。
3.3关于剩余电流保护电器动作和功能的定义
3.3.1
剩余电流保护电器 residual CUrrent device;RCD
在正常运行条件下能接通、承载和分断电流,以及在规定条件下当剩余电流达到规定值时能使触头 断开的机械开关电器或组合电器。
3.3.2
检测 detection
感知剩余电流存在的功能。
3.3.3
判别 CVaIUatiOn
当检测的剩余电流超过规定的基准值时,使剩余电流保护电器可能动作的功能。
3.3.4
断开 interruption
使得剩余电流保护电器的主触头从闭合位.置转换到断开位置:.从而切断其流过的电流的功能。
3.3.5
开关电器 SWitChing device
用以接通和分断一个或几个电气冋路中电流的装置。
3.3.6
剩余电流保护电器的自由脱扣机构 trip-free mechanism Of a residual CUrrCnt device
闭合操作开始后,若进行断开操作时,即使保持闭合指令,其动触头能返回并保持在断开位置的 机构。
注:为了确保正常分断可能已经产生的电流.可能需要使触头瞬时地到达闭合位置。
3.3.7
不带过电流保护的剩余电流保护电器 residual CUrrent device WithOUt integral OVerCUrrent PrOteCtiOn
不能用来执行过载和/或短路保护功能的剩余电流保护电器。
3.3.8
带过电流保护的剩余电流保护电器 residual Cllrrent device With integral OVerClIrrent ProteCtiOn
能用来执行过载和/或短路保护功能的剩余电流保护电器。
注:本定义包括与断路器组合的剩余电流保护电器(r.c.单元,见3.3.9)0
3.3.9
剩余电流单元(r.c.单元)r.c. Unit
r.c.单元是一个能同时执行检测剩余电流、将该电流值与剩余动作电流值相比较的功能.以及具有 操作与其组装或组合的断路器脱扣机构的器件的装置。
3.3.10
剩余电流保护电器的分断时间 break time Of a residual Cllrrent device
从达到剩余动作电流瞬间起至所有极电孤熄灭瞬间为止所经过的时间间隔。
3.3.11
极限不驱动时间 IiIniting non-actuating time
能对剩余电流保护电器施加一个剩余动作电流而不使其动作的最长时冋。
3.3.12
延时型剩余电流保护电器 time-delay residual CUrrellt device
专门设计的对应于一个给定的剩余电流值,能达到一个预定的极限不驱动时间的剩余电流保护 电器。
3.3.13
复位型剩余电流保护电器 reset residual CUrrent device
若能重新闭合并再次操作,在重新闭合前必须用一个操作件之外的器件人为复位的剩余电流保护 电器。
3.3.14
试验装置test device
组装在剩余电流保护电器中的模拟剩余电流保护电器在规定条件下动作的剩余电流条件的装置。
3.4与激励量值和范围有关的定义
3.4.1
不动作的过电流 non-operating OverCllrrentS
3.4.1.1
在单相负载时不动作过电流的限值 IinIiting value Of the non-operating OVer-CUrrent in the CaSe Of a SingIe-PhaSe IOad
在没有剩余电流时.能够流过剩余电流保护电器(不论极数)而不导致其动作的最大单相过电流值。
注1:在主电路过电流的情况下,没有剰余电流时.由于检测器件本身存在的不对称可能发生误脱扣。
注2:在剩余电流保护电器带过电流保护时,不动作电流的限值可以由过电流保护装置来确定。
3.4.1.2
在平衡负载时不动作电流的限值 IinIiting VaIUe Of the non-operating ClIrrent in the CaSe Of a balanced Ioad
在没有剩余电流时.能够流过带平衡负载的剩余电流保护电器(不论极数)而不导致其动作的最大 电流值。
注1:在主电路过电流的情况下.没有剩余电流时,由于检测器件本身存在的不对称可能发生误脱扣。
注2:在剩余电流保护电器带过电流保护时,不动作电流的限值可以由过电流保护装置来确定。
3.4.2
剩余短路耐受电流 residual ShOrt-CirClIit WithStand CUrrent
在规定的条件下能够确保剩余电流保护电器运行的剩余电流最大值.超过该值时,该装置可能遭受 不可逆转的变化。
3.4.3
短时电流极限发热值 Iimiting thermal VaIlIe Of the ShOrt-time CUrrent
剩余电流保护电器能够承载一个特定的短时间,并且在规定条件不会因热效应而使其特性产生永 久性劣化的最大电流值(冇效值)。
3.4.4
预期电流 PrOSPeCtiVe Cllrrent
当剩余电流保护电器和过电流保护装置(如果有的话)的每个主电流回路用一个阻抗可忽略不计的 导体代替时,在电路中流过的电流。
注:预期电流同样可以看作一个实际电流•例如:预期分断电流,预期峰值电流,预期剩余电流等。
3.4.5
接通能力 making CaPaCity
剩余电流保护电器在规定的使用和工作条件下以及在规定的电压下能够接通的预期电流的交流分 量值。
3.4.6
分断能力 breaking CaPaCity
剩余电流保护电器在规定的使用和工作条件下以及在规定的电压下能够分断的预期电流的交流分 量值。
3.4.7
剩余接通和分断能力 residual making and breaking CaPaCity
在规定的使用和工作条件下,剩余电流保护电器能够接通、承载其断开时冋以及能够分断的剩余预 期电流的交流分量值。
3.4.8
限制短路电流 ConditiOnaI ShOrt-CirCUit CUrrent
本身不带过电流保护,但用一个合适的串联的短路保护装置(以下简称SCPD)保护的剩余电流保 护电器在规定的使用和工作条件下能够承受的预期电流的交流分量值。
3.4.9
限制剩余短路电流 ConditiOna) residual ShOrt-CirCUit CUrrent
本身不带过电流保护,但用一个合适的串联的SCPD保护的剩余电流保护电器在规定的使用和工 作条件下能够承受的剩余预期电流的交流分量值。
3.4.10
IJ(焦耳积分)IZt (JOUle integral)
电流的平方在给定的时间间隔(√0.Z,)内的积分。
I2t= i2dt
V F
3.4.11
恢复电压 recovery VoItage
分断电流后,在剩余电流保护电器的电源接线端子之间出现的电压。
注:此电压可以认为有两个连续的时间间隔组成,第一个时间间隔出现瞬态电压,接着的第二个时间间隔只出现工 频恢复电压。
3.4.12
瞬态恢复电压 transient recovery VOItage
在具右显著瞬态特征的时间内的恢复电压。
注1:根据电路和剩余电流保护电器的特性,瞬态电庆口J■以是振荡的.或非振荡的或两者兼有。此电压包括多相电 路中性点位移的电压。
注2:除非另外规定,三相电路中的瞬态恢复电压是首先断开极出现的电压,因为该电圧通常高于其余二极断开时 出现的电压。
3.4.13
工频恢复电压 POWer-frequency recovery VOItage
在瞬态电压现象消失后的恢复电压。
3.5与影响量值和范围有关的定义
3.5.1
影响量 influencing quantity
可能改变剩余电流保护电器的规定动作的任何量。
3.5.2
影响量的基准值 reference ValUe Of an influencing quantity
与制造商规定的特性有关的影响量值。
3.5.3
影响量的基准条件 reference ConditiOnS Of influencing quantities
所有的影响量都是基准值。
3.5.4
影响量的范围 range Of an influencing quantity
在这个影响量值范围内.剩余电流保护电器在规定的条件下满足规定的技术要求。
3.5.5
影响量的极限范围 extreme range Of an influencing quantity
在这个影响量值范围内,剩余电流保护电器仅受到自发的可逆的变化•但不必符合本标准的技术 要求。
3.5.6
周围空气温度 ambient air temperature
在规定条件下确定的剩余电流保护电器周围的空气的温度。
注:对于封闭的剩余电流保护电器.该温度是指外壳外的空气温度C
3.6操作条件
3.6.1
操作 OPeratiOn
动触头从断开位置到闭合位置的转换或相反的转换。
注:如果需要加以区分.则电气含义1:的操作(即接通和分断)称为开闭操作,而机械含义上的操作(即闭合和断开) 称为机械操作。
3.6.2
闭合操作 ClOSing OPeratiOn
剩余电流保护电器从断开位置转换到闭合位置的操作。
3.6.3
断开操作 OPening OPCration
剩余电流保护电器从闭合位置转换到断开位置的操作。
3.6.4
操作循环 OPerating CyCle
从一个位置转换到另一个位置再返冋至起始位置的连续操作。
3.6.5
操作顺序 SeqUenCe Of OPeratiOnS
具有规定时间间隔的规定的连续操作0
3.6.6
电气间隙 ClearanCe
两个导电部件之间在空气中的最短距离。
注:为确定对易触及部件的电气间隙.绝缘外壳的易触及表面宜视为导电的.好象该外壳能被手或GB/T 4208-2008的标准试指触及的表而覆盖一层金属箔一样。
3.6.7
爬电距离 CreePage distance
两个导电部件之冋沿绝缘材料表面的最短距离。
注:为确定对易触及部件的爬电距离,绝缘外売的易触及表面宜视为导电的.好象该外壳能被手或GB/T 4208 2008的标准试指触及的表而覆•盖一层金属箔一样。
3.7试验
3.7.1
型式试验 type test
对按某一设计制造的一个或几个电器所进行的试验,以表明该设计符合一定的技术要求。
3.7.2
常规试验 routine tests
对每个正在制造的和/或制造完毕的电器进行的试验,以确定其是否符合某些标准。
3.8
短路保护电器 ShOrt-CirCUit PrOteCtiVe device;SCPD
制造商规定的应与剩余电流保护电器一起串联安装在电路中仅对其进行短路电流保护的电器。
4分类
正确使用本章分类剩余电流保护电器应符合安装规程(例如:根据GB 16895系列标准)。
4.1根据动作方式分
4.1.1动作功能与电源电压无关的RCl)O
4.1.2动作功能与电源电压有关的RcDo
4.1.2.1电源电压故障时,有延时或无延时自动动作。
4.1.2.2电源电压故障时不能自动动作:
a) 在电源电压故障时不能自动动作,但发生剩余电流故障时能按预期要求动作;
b) 在电源电压故障时不能自动动作.即使发生剩余电流故障时也不能动作。
4.2根据安装型式分
主要有以下几项:
——固定装设和固定接线的剩余电流保护电器;
移动设置和/或用电缆将装置本身连接到电源的剩余电流保护电器。
4.3根据极数和电流回路数分
主要有以下几项:
—单极二回路剩余电流保护电器;
——二极剩余电流保护电器;
—二极三回路剩余电流保护电器;
——三极剩余电流保护电器;
——三极四回路剩余电流保护电器;
——四极剩余电流保护电器。
4.4根据过电流保护分
主要有以下几项:
a) 不带过电流保护的剩余电流保护电器;
b) 带过电流保护的剩余电流保护电器;
C)仅带过载保护的剩余电流保护电器;
CI)仅带短路保护的剩余电流保护电器。
4.5根据调节剩余动作电流的可能性分
主要有以下几项:
—有一个固定的额定剩余动作电流的剩余电流保护电器;
——额定剩余动作电流分级可调的剩余电流保护电器;
——额定剩余动作电流连续可调的剩余电流保护电器。
4.6根据冲击电压产生的浪涌电流作用下耐误脱扣的能力分
主要有以下几项:
——正常耐误脱扣;
——增强耐误脱扣。
4.7在剩余电流含有直流分量时.剩余电流保护电器根据动作特性分
主要有以下儿项:
——AC型剩余电流保护电器;
——A型剩余电流保护电器;
——F型剩余电流保护电器;
——B型剩余电流保护电器。
4.8根据周围空气温度范围分
主要有以下几项:
a) 预期在一5 °C'〜+40 °C环境温度下使用的剩余电流保护电器;
b) 预期在一25 °C〜+ 40笆环境温度下使用的剩余电流保护电器;
C)预期在规定的更严酷的条件下使用的剩余电流保护电器。
4.9根据剩余电流大于IAn时的延时分
主要有以下几项:
a) 无延时.例如:用于一般用途;
b) 有延时,例如:用于选择性保护:
——延时不可调节;
延时可以调节。
4.10根据结构型式分
主要有以下几项:
——由制造商装配成一个完整单元的剩余电流保护电器;
——在现场由断路器和r.c.单元装配组成的剩余电流保护电器。对这类器件的要求应在相关产品 标准中规定。
注:电流检测装置和,或信号处理器件可与电流分断装置分开安装。
4.11根据有无自动重合闸分
主要冇以下儿项:
—无自动重合闸功能的剩余电流保护电器;
——具有自动重合闸功能的剩余电流保护电器(相应的技术要求由相关产品标准规定)。
5剩余电流保护电器的特性
5.1特性概要
剩余电流保护电器的特性应由下列项目规定(适用时):
a) 安装型式(4.2);
b) 极数和电流回路数(4.3);
C) 额定电流∕n(5.2.1);
Cl)剩余电流含有直流分量时,根据动作特性确定的剩余电流保护电器的型式(5.2.9);
e)额定剩余动作电流IS(5.2.2);
D 额定剩余不动作电流1如。.如果与优选值不同时(5.2.3);
g) 额定电压(5.2.4);
h) 额定频率(5.2.5);
i) 额定接通和分断能力Itn(5∙2.6);
j) 额定剩余接通和分断能力Lm(5.2.7);
k) 延时(如果适用时)(528);
l) 额定限制短路电流(5.3.2);
m) 额定限制剩余短路电流∕δc(5.3.3)o
5.2所有剩余电流保护电器共同的特性
5.2.1额定电流(In)
制造商规定的剩余电流保护电器能在适用于开关电器(见3.3.5)的相关国家标准规定的不间断工 作制下承载的电流值。
5.2.2额定剩余动作电流(IAn)
制造商对剩余电流保护电器规定的额定频率下正弦剩余动作电流的有效值(见3.2.2).在该电流值 时剩余电流保护电器应在规定的条件下动作。
5.2.3额定剩余不动作电流(∕δπo)
制造商对剩余也流保护电器规定的剩余不动作也流值(见3.2.3).在该电流值时剩余电流保护也器
在规定的条件下不动作。
5.2.4 额定电压(Un)
由制造商规定的剩余电流保护电器的电压有效值.剩余电流保护电器的性能与该值有关(尤其是短 路性能)。
5.2.5额定频率
RCD的额定频率是对RCD规定的以及其他特性值与之相应的电源频率。
5.2.6额定接通和分断能力(Im)
剩余电流保护电器在规定的条件下能够接通、承载其断开时间和分断的.并不产生影响其功能变化 的预期电流有效值(见3.4.5和3.4.6)。
5.2.7额定剩余接通和分断能力(IAm)
剩余电流保护电器在规定条件下能够接通、承载其断开时间和分断的,并不产生影响其功能变化的 预期剩余电流(见3.4.7和3.4.9)的有效值。
5.2.8 有或无延时
无延时的剩余电流保护电器和有延时的剩余电流保护电器。
5.2.9剩余电流含有直流分量的动作特性
5.2.9.1 AC型剩余电流保护电器
在正弦交流剩余电流下,无论突然施加或缓慢上升确保其脱扣的剩余电流保护电器。
5.2.9.2 A型剩余电流保护电器
在下列条件下确保其脱扣的剩余电流保护电器:
——同AC型;
——脉动直流剩余电流;
——脉动宜流剩余电流叠加6 mA的平滑宜流电流。
冇或没有相位角控制,与极性无关.无论突然施加或缓慢上升。
5.2.9.3 F型剩余电流保护电器
在下列条件下确保其脱扣的剩余电流保护电器:
——同A型;
——由相线和中性线或者相线和接地的中间导体供电的电路产生的复合剩余电流;
--脉动直流剩余电流叠加IO mA的平滑直流电流。
上述规定的剩余电流可突然施加或缓慢上升。
5.2.9.4 B型剩余电流保护电器
在下列条件下确保其脱扣的剩余电流保护电器:
——同F型;
—1 OOO HZ及以下的正弦交流剩余电流;
——交流剩余电流叠加().4倍额定剩余动作电流(/品)或10 mA的平滑直流电流(两者取较大值);
——脉动直流剩余电流叠加0.4倍额定剩余动作电流(Ln)或10 mA的平滑直流电流(两者取较 大值);
——下列整流线路产生的宜流剩余电流:
a) 二极、三极和四极剩余电流装置的连接至相与相的双脉冲桥式整流电路;
b) 三极和四极剩余电流装置的三脉冲星形连接或六脉冲桥式连接的整流电路。
——平滑直流剩余电流。
与极性无关,无论突然施加或缓慢上升。
5.3不带过电流保护(见4.4a))和仅带过载保护(见4.4C))的剩余电流保护电器的特定特性
5.3.1与短路保护电器(见3.4.8)的配合
短路保护电器与剩余电流保护电器的组合是用来确保剩余电流保护电器免受短路电流的影响。
剩余电流保护电器的制造商应规定短路保护电器的下列特性:
a) 最大允通I'W;
b) 最大允通电流峰值/p。
任何符合相关国家标准并日•上述a)和b)项的特性值低于剩余电流保护电器制造商规定值的短路 保护电器(SCPD)可用于保护剩余电流保护电器,只要其不影响正常工作。SCPD的额定值和型号应与 5.3.2 和 5.3.3 相同。
5.3.2额定限制短路电流(IM)
制造商规定的由短路保护电器保护的剩余电流保护电器在规定条件下能承受而不使其发生影响功 能变化的预期电流有效值。
注1:注意,由规定的短路保护电器控制的特定短路电流施加到剩余电流保护电器上的应力实际上是可变的.这取 决于短路保护电器的个别特性(尽管其包括在相关的标准动作区域内),也与接通瞬间相对于短路电流波形上 的点有关(接通点是随机的)。
注2:制造商宜注意确保在相应于剩余电流保护电器最严酷的应力条件下配合的有效性。
注3:对一个与给定的短路保护电器配合的剩余电流保护电器规定额定限制短路电流,表示这种组合能承受至规定 值的任何短路也流。
5.3.3额定限制剩余短路电流(IAC)
制造商规定的由短路保护电器保护的剩余电流保护电器在规定条件下能承受而不使其发生影响功 能变化的预期剩余电流值。
注:如果对一个与给定的短路保护电.器配合的剩余电流保护电器规定额定限制刺余短路电流,则认为这种组合能 承受至规定值的任何剩余短路电流。
5.4优选值或标准值
5.4.1额定电压优选值
根据 GB/T 156—2007,额定电压的优选值是 110 V,120 V,220 V(230 V),380 V(400 V)O
5.4.2额定电流优选值(In)
额定电流的优选值是 6 A,10 Λ,13 Λ,16 A.20 A,25 Λ,32 Λ.40 Λ.50 A∙63 Λ,80 Λ,100 A.
11
125 A, 160 A,200 A,250 A,400 A,630 A,800Ao
5.4.3额定剩余动作电流标准值(IAn)
额定剩余动作电流的优选值是 0.006 Λ,0.01 Λ.0.03 A,0.1 A,0.2 A,().3 A,0.5 AU A,2 A,3 Λ.
5 Λ, 10 A,20 A,30 AO
5.4.4额定剩余不动作电流标准值(/ʌnɑ)
额定剩余不动作电流优选值是0.5 ∕δ∏o
注:0.5Ln值仅指工频交流剩余电流。
5.4.5在多相线路中不平衡负载时不动作电流优选的最小值
在多相线路中不平衡负载时,不动作电流优选的最小值是6 InO 注:对于带过电流保护的剩余电流保护电器.该最小值可能更低。
5.4.6在平衡负载中不动作电流优选的最小值
在平衡负载中不动作电流的优选最小值是6人。
注:对于带过电流保护的剩余电流保护电器.该最小值可能更低。
5.4.7额定频率的优选值
额定频率的优选值是50 HZ和/或60 HZO
5.4.8额定接通和分断能力值(IIn)
适用于不带短路保护的剩余电流保护电器。
最小值应为IOIn或500 A】),两者取较大值。
与这些值有关的功率因数在相关的产品标准中给出。
5.4.9额定剩余接通和分断能力的优选值(IAm)
额定剩余接通和分断能力的优选值是500 Al) ,1 000 A,l 500 A,3 000 A・4 500 A,6 000 Aao 000 A,
20 OOo A,50 000 AO
最小值应为10 In或500 Al),两者取较大值。
与这些电流值有关的功率因数在相关的产品标准中给出。
5.4.10额定限制短路电流的优选值
不带短路保护的剩余电流保护电器的额定限制短路电流的优选值是1 500 A,3 000 A,4 500 A,
6 000 A.10 000 A,20 000 A,50 000 A。
与这些电流值相关的功率因数在相关的产品标准中给出。
5.4.11额定限制剩余短路电流的优选值(IAC)
不带短路保护的剩余电流保护电器的额定限制剩余短路电流1眼的优选值是1 500 A,3 000 A,
1)对移动式剰余电流装置(PRCD)和带剰余电流保护的固定安装插座(SRCD)为250 Λo
4 500 A,6 000 AJo 000 A,20 000 A,50 000 AO
与这些电流冇关的功率因数在相关的产品标准中给出。
5.4.12动作时间的标准值
5.4.12.1无延时型RCD的最大分断时间标准值
无延时型RCD的最大分断时间标准值在表1、表2、表3和表4中规定。
表1无延时型RCl)对于交流剩余电流的最大分断时间标准值
|
A |
最大分断时间标准值 S | ||
|
5吗丁 |
>5∕∆nh | ||
|
任何值 |
0.3 0.15 |
0.04 |
0.04 |
|
8 对于 LnWO.030 A 的 RCD,可用 0.25 A 代替 5 I^o b在相关的产品标准中规定。 | |||
表2无延时型RCD对于半波脉动直流剩余电流的最大分断时间标准值
|
最大分断时冋标准值 S | ||||||||
|
1.4 IAn |
2 J |
2.8】眼 |
4 ∕∆n |
7 ʃAnfl |
10 IiUlb |
>7 |
>10 | |
|
≤0.010 |
0.3 |
0.15 |
0.04 |
0.04 | ||||
|
0.030 |
0.3 |
0.15 |
0.04 |
0.04 | ||||
|
>0.030 |
0.3 |
0.15 |
0.04 |
0.04 | ||||
|
a 对于 ∕λπ =0.030 A 的 RCI)∙ ∏Γ以用 0.35 A 代替 7 ʃAoO b对于LnWO.010 A的RCD,可以使用0.5 A代替10 I^O C在相关产品标准中规定。 | ||||||||
表3无延时型RCD对整流线路产生的直流剩余电流和/或平滑直流剩余电流的最大分断时间标准值
|
ʌ |
最大分断时间标准值 S | |||
|
2 Iδλ |
4 ʃʌn |
10 IAn |
>10 /ʌnɑ | |
|
任何值 |
0.3 |
0.15 |
0.04 |
0.04 |
|
a相关的产品标准中规定。 | ||||
表4对预期在120 V带中性点的两相系统中使用的额定剩余电流为6 mA的无延时型RCD的最大 分断时间可替代的标准值
|
侦 A |
最大分断时间标准值 S | |||
|
1 Ig |
2 ʃʌn |
5 Jrg |
>5 W | |
|
0.006 |
5 |
2 |
0.04 |
0.04 |
|
a在相关产品标准中规定。 | ||||
5.4.12.2延时型剩余电流保护电器的分断时间和不驱动时间的标准值
延时型仅适用于∕δπ>0.03 Λ的剩余电流保护电器。
延时型剩余电流保护电器的分断时冋和不驱动时冋的标准值在表5、表6和表7中规定。对于其 他额定延时的延时型剩余电流保护电器,应由制造商规定2丄的不驱动时冋。
2 /m时的最小不驱动时间的优选值是 0∙()6 s,()∙l s,()∙2 s,()∙3 s,()∙4 s,()∙5 s,l SO
表5 延时型RCD对于交流剩余电流的分断时间标准值
|
额定延时 S |
动作时间 |
分断时冋标准值和不驱动时间 S | |||
|
I ∆n |
2 I |
5 J |
>5 Ln | ||
|
0.06 |
最大分断时间 |
0∙5 j |
0.2 |
0J5 |
0.15 |
|
最小不駆动时间 |
b |
0.06 |
b |
b | |
|
其他額定延时 |
最大分断时间 |
a b |
b |
b |
b |
|
最小不駆动时间 |
b |
額定延时 |
b |
b | |
0为确保故障保护,最大动作时间应按GB/T 16895.21—2OllO h由相关的产品标准或制造商规定。
表6 延时型RCD对于脉动直流剩余电流的分断时间标准值
|
额定延时 S |
动作时间 |
分断时间标准值和不驱动时间 S | |||
|
1.4 IAn |
2.8 ISfl |
7 IS |
>7 Zan | ||
|
0.06 |
最大分断时冋 |
0.5 |
0.2 |
045 |
0.15 |
|
最小不驱动时间 |
b |
0.06 |
b |
b | |
|
其他额定延时 |
最大分断时间 |
(I b |
b |
b |
b |
|
最小不驱动时间 |
I* |
额定延时 |
b |
b | |
为确保故障保护,最大动作时间应按GB/T 16895.21-2Ollo 由相关的产品标准或制造商规定。
表7延时型RCD对于平滑直流剩余电流的分断时间标准值
|
额定延时 S |
动作时间 |
分断时间标准值和不驱动时间 S | |||
|
2 ʃ An |
4 I An |
10 hn |
>io ∕δπ _ | ||
|
().06 |
最大分断时间 |
0.5 |
0.2 |
0.15 |
0.15 |
|
最小不駆动时间 |
h |
0.06 |
b |
h | |
|
其他额定延时 |
最大分断时间 |
H 1» |
h |
b |
h |
|
最小不驱动时间 |
b |
额定延时 |
b |
b | |
J•为确保故障保护,最大动作时间应按GB/T 16895.21—2Olle
由相关的产品标准或制造商规定。
6标志和其他产品资料
剩余电流保护电器上的信息和标志应按相关的产品标准。
应提供下列信息:
a) 制造商名称或商标;
b) 型号或序列号;
C)额定电压;
d) 额定频率(如果不是50 HZ或60 Hz);
e) 额定电流;
D 剩余电流含有直流分量时的动作特性:
AC型剩余电流保护电器应标志符号&;
A型剩余电流保护电器应标志符号囹;
F型剩余电流保护电器应标志符
⅞∣gχl∣瓯]或圖
B型剩余电流保护电器应标志符号
g) 额定剩余动作电流(或范围.如果适用);
h) 额定延时(如果适用);
i) 额定剩余不动作电流(如果不是优选值时);
j) 额定剩余接通和分断能力;
k) 额定限制短路电流(如果适用时),在这种情况下还应根据5.3.1标志组合的短路保护电器的 特性;
l) 防护等级(如果不是IP20时);
m) 使用位置(如果适用时);
n) 工作温度范围;
O)试验装置的识别字母T或相应的文字;
P)应提供指示剩余电流保护电器断开和闭合状态的器件;
CI)接线图(如果适用时)(该要求通常对大于二极或带有不可开闭中性线的电器是必需的);
r)如果有必要区分电源端和负载端.则应清晰地标明(例如:在相应的端子旁边标明“电源”和•.负 载”);
S)专门用于连接中性线的端子应标志符号、。
此外,对于r.c.单元:
——应标志能与其装配或组装的断路器的最大额定电流;
—应标志其可与哪种断路器装配或组装。
应提供所有关于产品正确装配(如果冇的话)、安装和使用的信息。
7使用和安装的标准工作条件
7.1影响量/因素优选的使用范围、基准值及其相关试验允差
影响量/因素优选的使用范围、基准值及其相关试验允差在表8中规定。
7.2 在储藏和运输过程中的极端温度范围限值
注:在电器设计时建议考虑F列储藏、运输和安装过程中的极端温度值:
——按4.8a)分类的电器:一20 °C和+ 60 0C;
---按4.8b)分类的电器:一35 °C和+ 60 °C ;
——按4.8C)分类的电器:在更严酷的气候条件下.可能要求超过上述温度范围值。
表8影响量值
|
影响最 |
优选的使用范围 |
基准值 |
试验允差 |
|
周围空气温度 |
-5 °C 〜+40 eC -25 °C 〜+ 40 0C (见注1和注2) |
由相关产品标准规定 |
相关产品标准中试 验要求的允许值 |
|
海拔 相对湿度:40 °C吋最大值 |
不超过2 000 m |
— | |
|
50%(见注3) |
— |
— | |
|
外部磁场 |
任何方向不超过5倍的地球磁场 |
地球磁场 |
— |
|
位置 |
按制造商规定 任何方向上允差为5° |
由制造商规定 |
任何方向2° (见注4) |
|
頻率 |
基准值±5% |
由制造商规定的额定頻率 |
±2% |
|
正弦波畸变 |
不超过5% |
0 |
5% |
|
直流交流分最 (对于外部辅助电源) |
0 |
3% | |
|
注1:日平均温度的最大值+ 35 °C。 注2:在更严酷的气候条件下,可能会超过范围值。 注3:在较低的温度下允许较高的相对湿度(例如:在20 °C,相对湿度为90%)。 注4:剩余电流保护电器应固定而不发生影响其功能的变形。 | |||
8结构和操作的要求
8.1信息和标志
剩余电流保护电器上的信息和标志应根据相关的产品标准(见第6章)。
剩余电流保护电器上的标志应不易擦除并旦容易辨认。
剩余电流保护电器上提供信息的标签应不易被移除。
通过直观检查和/或相关产品标准中的试验来检验是否符合要求。
8.2机械设计
8.2.1概述
材料应适用于特定的使用,并能够通过适当的试验。固定连接上的接触压力不应通过除了陶瓷或 性能不亚于陶瓷以外的绝缘材料来传递,除非在金属部件中具有足够的弹性以补偿绝缘材料任何可能 的收缩或变形。
通过直观检查和/或相关产品标准中的试验来检验是否符合要求。
8.2.2机构
RCD所有极的动触头在机械上应使所有极基本上同时接通和分断,不管是手动操作还是自动 操作。
四极RCD的中性极不应比其他极后闭合先断开。
应提供区别剩余电流保护电器断开和闭合状态的器件。
机构应该是自由脱扣,并且其结构应使得动触头只能停止在闭合位置或断开位置.即使当操作件手 动释放在一个中间位置时也是如此。
当使用操作件来指示触头的位置时,释放时,操作件应自动占据和动触头相应的位置。在这种情况 下,操作件应有两个与触头位置相对应的明显的停止位置.但对于自动断开.允许操作件有第三个明显 的位置。
如果使用符号,应用“丨”和“。”来分别指示闭合和断开位置。
如果使用颜色,红色应指示闭合位置,绿色应指示断开位置。
也可采用,•合”“分”等文字符号来说明。
通过直观检査和相关产品标准中的试验来检验是否符合要求。
8.2.3 电气间隙和爬电距离
考虑到Rel)预期使用的电气装置的过电压类别和污染等级.RCD应具有能够耐受其预期寿命中 电压应力的电气间隙和爬电距离。
通过相关产品标准的试验来检验是否符合要求。
如果没有产品标准町以参考GB/T 16935系列标准。
8.2.4螺钉、载流部件和连接
螺钉、载流部件和连接.不管是电气还是机械的•应耐受在正常使用过程中产生的机械应力和热 应力。
电气连接不应产生过度老化。
通过相关的产品标准的试验来检验是否符合要求。
8.2.5外部导线的接线端子
连接外部导线的接絞端子应确保其导线的连接可持续地保持必需的接触压力。
通过相关产品标准的试验来检验是否符合要求。
8.2.6现场与断路器组装的r.c.单元
在相关的产品标准中町以给出安全装配和正确运行的技术要求。
8.3动作特性
8.3.1与剩余电流形式相应的动作特性
8.3.1.1交流剩余电流
在额定频率的交流剩余电流稳定增加时,AC型、A型、F型和B型RCI)应在表9规定的额定剩余 不动作电流Is。和额定剩余动作电流范围内动作。
表9交流剩余电流脱扣电流限值
|
RCl)的型式 |
电流形式 |
脱扣电流 | |
|
下限 |
上限 | ||
|
AC,A,F.B |
交流 |
0.5 /ʌ,, | |
注:对于给定的电流形式,下限值对应于额定剰余不动作电流.上限值对应于額定剰余动作电流。
通过相关产品标准的试验来检验是否符合要求。
8.3.1.2 脉动直流剩余电流
在额定频率的脉动直流剩余电流稳定増加时,A型、F型和B型RCD应在表IO规定的不动作电流 值和动作电流值范围内动作。
表10脉动直流剩余电流脱扣电流限值
|
RCD型式 |
电流形式 |
脱扣电流 | ||
|
下限值 |
上限 | |||
|
IsV30 mA |
ISn 貝30 mʌ | |||
|
Λ.F,B |
单个脉动直流 | |||
|
O0 |
0.35 上 |
2 ʃʌn |
1.4 Ln | |
|
90° |
0.25 Iδπ |
2 Is |
1.4 /ʌn | |
|
135° |
0.11 Ln |
2 Ln |
1.4 I ʌn | |
注:对于给定的电流形式,下限值对应于不动作电流值.上限值对应于动作电流值。
脱扣范围应与脉动直流剩余电流的极性无关。
注:脉动直流剩余电流的波形可以参见附衆Bo
通过相关产品标准的试验来检验是否符合要求。
8.3.1.3脉动直流剩余电流叠加平滑直流电流
在额定频率的脉动直流剩余电流稳定増加并叠加一个6 mA的平滑宜流电流时.A型RCD也应在 表IO规定的不动作电流和动作电流范围内动作。
在额定频率的脉动直流剩余电流稳定增加并叠加一个10 mA的平滑直流电流时,F型RCD应在 表10(适用时)规定的不动作电流和动作电流范围内动作。
即使脉动直流剩余电流和平滑直流电流的极性相同时.脉动直流电流的脱扣范围也应保持不变。
通过相关产品标准的试验来检验是否符合要求。
8.3.1.4交流或脉动直流剩余电流叠加平滑直流电流
在额定频率的交流或脉动直流剩余电流稳定增加并叠加一个0.4 I吊或10 mA的平滑直流电流吋 (两者取较大值),B型RCl)也应在表9或10(适用时)规定的不动作电流和动作电流范围内动作。
注:对于Ln为10 mʌ的B型RCD.叠加的平滑直流电流取5 mA;对于为6 mA的B型RCD,⅛加的平滑直流 电流取3 mA0
即使脉动直流剩余电流和平滑直流电流的极性相同时.脉动直流电流的脱扣范围也应保持不变。
通过相关产品标准的试验来检验是否符合要求。
8.3.1.5单相复合剩余电流
在复合剩余电流稳定增加时,B型和F型RCD应正确动作。
表11给出了用于校准的频率分量值以及稳定增加剩余电流时验证RCl)正确动作的复合剩余电流 初始值L。表12给出了复合剩余电流的极限动作值。试验频率允许误差为士2%。
为了验证复合电流出现时RCD的动作值.表11中给出的复合剩余电流初始值应按线性比例増加。
RCl)应在表12限值内脱扣。无论任何情况下,从初始值到动作值不同频率的比率应保持不变。
表11试验电流中不同频率的分量值和稳定増加剩余电流时验证正确动作的复合剩余电流初始值(IA)
|
用于校准的试验电流不同频率的分量值(RMS) |
复合剩余电流初始值(RMS) | |||
|
I柄定頻率 |
ʃ ] kHz |
ʃ F⅛⅛⅛MLG0 HZ) | ||
|
0.138 Ln |
0.138 Ln |
0.035 ∕δπ |
().2 J | |
|
注S值为RCD额定频率下的额定剩余动作电流。 注2:对本试验而言.10 IlZ和1 kHz的值分别代表最严酷条件下的输出和时钟频率。 | ||||
表12复合剩余电流的动作电流范围
|
动作电流值(RMS) | |
|
下限值 |
上限值 |
|
0.5 Iδπ |
1.4 I |
|
注IJA值为RCD额定频率下的额定剩余动作电流。 注2:表11给出了动作电流各频率分最的比率。 | |
8.3.1.6 频率不同于额定频率的剩余电流
在剩余电流稳定增加时,B型RCD应动作。频率不同于额定频率优选值50 Hz/60 HZ时剩余动作 电流和剩余不动作电流的范围在表13中给出。
表13频率不同于额定频率优选值50 Hz/60 HZ时B型RCD的脱扣电流范围
|
频率 HZ |
剩余不动作电流 |
剩余动作电流 | |
|
150 |
0.5 ʃʌn |
2.4 | |
|
400 |
0.5 ∕λ∏ |
6∕∆na | |
|
1 000 |
ʃʌn |
14 Lnn | |
|
注:给定频率的波形是正弦波。 | |||
|
8这些值按GB/T 13870.1—2008的心室纤維颤动防护结合GB/T 13870.2-得出。 b GB/T 13870没有给出频率超过1 kHz的因数。 |
-2016的心室纤维颤动的频率因数 | ||
8.3.1.7平滑直流剩余电流
在平滑直流剩余电流稳定増加时,B型RCI)应在表14规定的不动作电流和剩余动作电流范围 动作。
脱扣范围应与平滑直流剩余电流的极性无关。
注:平滑直流剩余电流的波形可■以参见附录BO
通过相关产品标准的试验来检验是否符合要求。
表14平滑直流剩余电流脱扣电流限值
|
RCD型式 |
极数 |
电流形式 |
脱扣电流 | |
|
下限 |
上限 | |||
|
B |
2,3∙4 |
双脉冲直流 |
0.5 Ln |
2 Ln |
|
3,4 |
三脉冲直流 | |||
|
六脉冲直流 | ||||
|
2,3,4 |
平滑宜流 | |||
|
注:对于给定的电流形式,下限值对应于不动作电流.上限值对应于动作电流。 | ||||
8.3.2剩余电流大于等于IAn时,在相应时间内的动作
8.3.2.1 无延时 RCD
AC型、A型、F型和B型RCD对于突然施加剩余电流的动作时间应符合表1、表2和表3的要求 (适用时).且与极性无关(如果适用时)。
.通过相关产品标准的试验来检验是否符合要求。
8.3.2.2 延时型 RCD
AC型、A型、F型和B型RCI)对于突然施加的剩余电流的分断时间和不驱动时间应符合表5、表6 和表7的要求(适用时)・而与极性无关(如果适用时)。
通过相关产品标准的试验来检验是否符合要求。
8.3.3动作功能与电源电压有关的RCD的附加要求
8.3.3.1动作功能与电源电压有关的RCD应能在额定电源电压的0.85倍〜1.1倍之间正常运行。
8.3.3.2符合4.1.2.1分类的动作功能与电源电压有关的RCD,当电源故障时.剩余电流保护电器必须 自动动作.其动作时间应符合相关产品标准规定。
8.3.3.3符合4.1.2.2a)分类的电源电压故障时不能自动断开的,但发生剩余电流故障时能按预期要求 动作的RCD,其预期动作耍求由相关产品标准规定。对于家用和类似用途的∕δπ≤0.03 A的剩余电流 保护电器,在电源电压降低到50 V(相对地电压)吋,如出现大于或等于额定剩余动作电流的剩余电流 应能自动动作。
通过相关产品标准的试捡来检對是否符合要求。
8.4试验装置
Ra)应具有一个试验装置.模拟在额定电压下对检测装置通以一个剩余电流,其产生的安匝数不 超过RCD 一个极通Jn的剩余电流产生的安匝数的2.5倍,以便定期地检验剩余电流保护电器的动作 能力。
如果RCD有多个上额定值(见4.5),应仅在最小厶”整定值下验证2.5上偵。
注1:如果认为必要时,技术委员会可以使用大于2.5 Ln的电流值(例如.具有多个额定电压的RCD)O 注2;试验装置是用来检验脱扣功能,而不是评价与额定剩余动作电流和分断时间有关的功能的有效性。 通过相关产品标准的试验来检验是否符合要求。
当剩余电流保护电器处于断开位置并如正常使用接线时•应不可能通过操作试验装置使负载侧电 路带电。
对于具有隔离功能的剩余电流保护电器,试验装置不应是唯一的执行断开操作的器件。
通过直观检查来检验是否符合要求。
操作试验装置时.不应使电气装置的保护导体带电。
通过相关产品标准的试验来检验是否符合要求。
8.5温升
考虑到其预期使用的周围温度.剩余电流保护电器不应遭受影响其功能和安全使用的损坏。
通过相关产品标准的试验来检验是否符合要求。如果没有相关的产品标准,对接线端子的温升可 以参照 GB/T 13140.1—2008o
8.6耐潮
剩余电流保护电器应具有足够的耐受湿度条件的机械性能。
通过相关产品标准的试验来检验是否符合要求。
8.7介电性能
剩余电流保护电器应有足够的介电性能。
通过相关产品标准的试验来检验是否符合要求。
8.8在平衡负载和不平衡负载时不动作电流的极限值
在规定的过电流条件下剩余电流保护电器不应脱扣。
通过相关产品标准的试验来检验是否符合要求。
8.9 EMC及误脱扣要求
8.9.1 EMC
剩余电流保护电器应符合有关的EMC要求。
通过相关产品标准的试验来检验是否符合要求。
注:可以用GB/T 18199—2008作为指南。
8.9.2在脉冲电压引起的浪涌电流下耐误脱扣
剩余电流保护电器应能足够地耐受电气设施的电容负载引起的对地浪涌电流。
注:这种浪涌电流可以由电气设施的电容、浪涌保护器(SPl))或闪络产生。
通过相关产品标准的试验来检验是否符合要求。
8.10在过电流条件下剩余电流保护电器的性能
在过载或短路条件下(例如等),剩余电流保护 器应具有足够的承受能力。
通过相关产品标准的试验来检验是否符合要求。
8.11绝缘耐受冲击电压
剩余电流保护电器的绝缘应具有足够的耐受冲击电压的能力。
通过相关产品标准的试验来检验是否符合要求。
8.12 机械和电气耐久性
剩余电流保护电器应能执行规定的闭合和断开操作及接通和分断操作次数。
通过相关产品标准的试验来检验是否符合要求。
8.13 耐机械冲击
剩余电流保护电器应具冇足够的机械性能.以便耐受安装和使用过程中施加的应力。
通过相关产品标准的试验来检验是否符合要求。
8.14 可靠性
考虑到在可能的工作条件下的老化,剩余电流保护电器应在其整个预期使用寿命中提供防护。 通过相关产品标准的试捡来检验是否符合要求。
8.15重新闭合复位型剩余电流保护电器的条件(3.3.13)
在脱扣后不预先手动复位,应不可能重新闭合复位型剩余电流保护电器。
通过直观检査和相关产品标准的试验来检验是否符合耍求。
8.16 电击防护
剩余电流保护电器应这样设计.当其按正常使用安装和接线后不能触及带电部件。
注:术语“正常使用”是指RCD按制造商说明书安装。
金属操作部件应与带电部件绝缘,其可导电部件(或也可称为“外繽的可导电部件”)应该覆盖绝缘 材料.除了连接各极绝缘操作件的器件以外。
机构的金属部件应是不可触及的。
就本条款而言,认为清漆和瓷漆不能提供足够的绝缘。
通过直观检查和相关产品标准的试验来检验是否符合要求。
8.17耐热性
剩余电流保护电器应有足够的耐热性。
通过相关产品标准的试验来检验是否符合要求。
8.18耐异常发热和耐燃
如果邻近的载流部件在故障或过载情况下达到一个高的温度时,RCD用绝缘材料制成的外部部件 应不容易点燃或蔓延火焰。其他用绝缘材料制成的部件的耐异常发热和耐燃性可认为已由本标准的其 他试验检验。
通过相关产品标准的试验来检验是否符合要求。
8.19在周围温度范围内剩余电流保护电器的性能
4.8a)分类的剩余电流保护电器应在一5 °C〜+40 °C温度范围内正确地工作。
4.8b)分类的剩余电流保护电器应在一25 °C〜+40 °C温度范围内正确地工作。
通过相关产品标准的试验来检验是否符合要求。
8.20在贮存和运输过程中暴露在极端温度之后剩余电流保护电器的性能
在贮存和运输过程中,剩余电流保护电器应能耐受极端温度值(见7.2),而不发生不可逆转的改变。 极端温度值和试验按制造商和用户之间协议。
9型式试验指南
在相关标准中.应按第8章给出的技术要求规定试验。表15规定了最少应进行的检查或试验的技 术要求概要。
试验程序、样品数量和合格判别标准应在相关产品标准中规定。
表15最少应检查或试验的技术要求列表
|
条 号 |
技术要求 |
|
8.1 |
信息和标志 |
|
8.2 |
机械设计 |
|
8.3 |
动作特性 |
|
8.4 |
试验装置 |
|
8.5 |
温升 |
|
8.6 |
耐潮 |
|
8.7 |
介电性能 |
|
8.8 |
在平衡负载和不平衡负载时不动作电流的极限值 |
表15 (续)
|
条 号 |
技术要求 |
|
8.9 |
符合EMC和误脱扣要求 |
|
8.10 |
在过电流条件下剩余电流保护电器的性能 |
|
8.11 |
绝缘耐受冲击电圧 |
|
8.12 |
机械和电气耐久性 |
|
8.13 |
耐机械冲击 |
|
8.14 |
可靠性 |
|
8.15 |
重新闭合复位型剩余电流保护电器的条件(3.3.13) |
|
8.16 |
电击防护 |
|
8.17 |
耐热性 |
|
8.18 |
耐异常发热和耐燃 |
|
8.19 |
在周围温度范围内剰余电流保护电器的性能 |
|
8.20 |
在贮存和运输过程中暴露在极端温度之后剩余电流保护电器的性能 |
附录 A
(资料性附录)
短路试验的推荐电路图
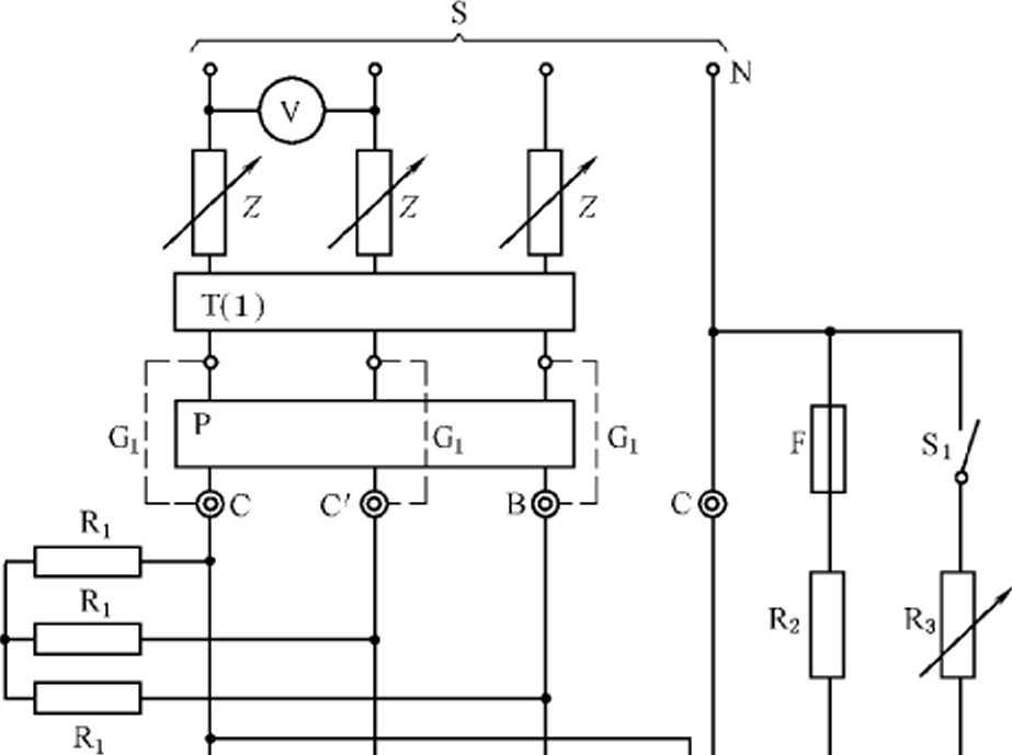
图A.1和图A.2给出了下列RCD短路试验使用的电路图:
——单极二个电流冋路的RCD;
——二极RCD(带一个或二个过电流保护极);
——三极RCD;
——三极四个电流回路的RCD;
——四极RCI)O
阻抗Z和ZJ图A.2)的电阻和电抗应可调节以满足规定的试验条件。电抗器推荐采用空心线圈, 电抗器应始终与电阻串联并且其电感值应由单个电抗器串联获得。当电抗器的时间常数基本上相同 时,允许电抗器并联连接。
因为包括大空心电抗器的试验电路的瞬态恢复电压并不能代表正常的使用条件,每相的空心电抗 器应并联一个电阻器Rl通过电阻器的电流约为通过电抗器的0.6%。
如果使用铁心电抗器,这些电抗器的铁心损耗功率不应超过与空心电抗器并联的电阻所吸收的 功耗。
在每个验证额定短路能力的试验线路中,阻抗Z接入电源S和被试断路器之间。
当试验的电流低于额定短路能力时,应在断路器的负载端接入一个附加阻抗Z∣°
阻值约为0.5 Ω的电阻器R,与铜导线F串联,如图Λ.l所示。
单极RCD在图A.1所示的电路图中进行试验。
二极ReD在图A.1所示的电路图中进行试验.二个极均接入电路中而与过电流保护极的数量 无关。
三极RCD和带三个过电流保护极的四极RCD在如图A.1所示的电路中进行试验。
栅格电路应连接至B点和C点(见图A.l)o
Irame
7 Y) Y)
G2 G2
说明:
N ——中性线导体;
S ——电源(单相、三相或三相加中性线.取决于被试电器的电流路径的数量);
Z —可调阻抗可以位于变压器的低压侧或高压侧;
ZI ——可调阻抗用来调节低于额定短路电流的电流;
I) ——短路保护电器(SCPD),它可以连接在被试电器前端的相电路的任何位置;
|
D |
——被试电器; |
|
FramC |
使用时正常接地的所有导电部件; |
|
GI - |
——用于调节的临时连接; |
|
Gz - |
用于额定限制短路电流试验的连接; |
|
T - |
——接通短路的电器.它可连接在相电路的任何位置; |
|
ʃɪ » ʃz» ʃs |
——电流传感器。它可置于被试电器“D”前端或后端; |
|
Url,Ur2 ∙U1∙3 |
——电压传感器; |
|
F - |
——检测故障电流的器件; |
|
Rɪ - |
——根据制造商的要求每相分流IO A电流的电阻器; |
|
R - |
——限制器件F中电流的电阻器; |
|
R< - |
——用于调节L的可调电阻器; |
|
Sl - |
——辅助开关; |
B和C(或C,)——检测电弧喷射的栅格的连接点,只有在单极电器或相极加中性极电器试验时“C”在中性线上。
注1:闭合电器T也可位于被试电器的负载端和电流传感器L ∙L∙L之间(适用时)。
注2:电压传感器Uu ,Ur? ∙Uu也可连接在相线和中性线之间,
图A.1所有短路试验的线路图
说明:
r 分流约0.6%电流的电阻器;
L——可週空心电感;
R—可调电阻器。
注:可调负载L、R和r可位于供电线路的高压侧(适用时
图A.2 阻抗Z或Zl的详图
附录B
(资料性附录)
可能的负载电流和故障电流
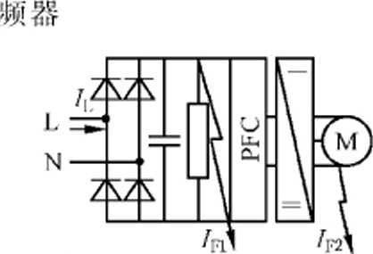
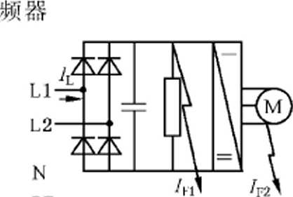
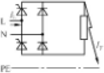
可能的负载电流和故障电流见图B∙l°
序号
带故障位置的电路图
负载电流/ɪ.的波形
接地故障电流IF的波形
RCl) 动作特性
JL
AC,A,F,B
AC,A∙F,B
単相半波
A∙F.B
A∙F∙B
双脉冲桥式,半波相位控制
A,F∙B
图BJ 各种不同的电子线路可能出现的负载电流和故障电流
序号
带故障位置的电路阁
负载电流IL的波形
接地故障电流IF的波形
RCr) 动作特性
釆用双脉冲桥式的变频器
VV
F-B
单相半波带滤波
采用双脉冲桥式带PFC的变
ΔπΛ
VV Z
41I A A
相间双脉冲桥式
Vv
相间釆用双脉冲桥式的变
ΛJ∖
VV ‘
图B.1 (续)
WIr
序号
带故障位置的电路图
负载电流IL的波形
接地故障电流IF的波形
RCr) 动作特性
11
/wvvvwvʌ
12
I.
7 fVWWWV∖
4l ZVVVVww\
13
MVWM
图B.1 (续)
图B.1说明了电子设备和开关电源常用的电源侧电路配置中剩余电流的波形,以及在哪种接地故 障情况下剩余电流中可能出现宜流分量。
注1:在编号为7的电路中的单相整流器和电容可能产生危险的直流故障电流。这种电路不大可能使用.但如果使 用时,宜采用能够检测平滑直流电流的B型RCDO
注2:对于编号为2的电路,每个脉冲序列时间通常比0.5 S大得多.因此町采用AC型、A型、F型和R型的Rel)O
参考文献
[1] GB/T 4208—2008 外壳防护等级(IP 代码)(IEC 60529 :2001, Ir)T)
⑵ GB/T 13870.1—2008 电流对人和家畜的效应 第1部分:通用部分(IEC/TS 60479-1 : 2005 JDT)
[3] GiVT 13870.2—2016 电流对人和家畜的效应 第2部分:特殊情况(IEC/TS 60479-2: 2007,1DT)
[4] GB/T 16935.1-2008 低压系统内设备的绝缘配合 第1部分:原理、要求和试验 (IEC 60664-1:2007, IDT)
[5] GB/T 18499-2008 家用和类似用途的剩余电流动作保护器(RCD) 电磁兼容性 (IEC 61543 ∑1995+A1 + A2 JDT)
Z
O
C∖J
中华人民共和国
国家标准
剩余电流动作保护电器(RCD)的一般要求
GB/T 6829—2017
*
中国标准岀版社岀版发行 北京市朝阳区和平里西街甲2号(IoOo29) 北京市西城区三里河北街16号(100045)
网址:www.spc.org.cn
服务热线:400-168-0010
2017年11月第一版
*
书号:155066 . 1-57505
版权专有侵权必究