ICS 71.100.20
J 76
^綜蒸縁沮陵綵:舟爲:•:密・・:::・^^ ∕⅜iiiiιO⅜Mil∣p⅜
∖∙.∙---L-. I .
∖ -ɪ, —ʌ [ .................. ɪ
^liHlbiMItoF
中华人民共和国国家标准
GB/T 36489—2018
空气分离设备流程图 图形符号和文字代号
FIOW Chart Of air separation Piant—GraPhiCal SymbOlS and Ietter COdeS
2018-07-13 发布
2019-02-01 实施
本标准按照GB/T 1.1-2009给出的规则起草。
本标准由中国机械工业联合会提出。
本标准由全国气体分离与液化设备标准化技术委员会(SAC/TC 504)归口。
木标准起草单位:杭州杭氧股份有限公司、开封空分集团有限公司、四川空分设备(集团)责任有限 公司。
本标准主要起草人:周智勇、王忠建、高云、韩一松、王新杰、马国红、赵问银、黄科、宋欣、钱吉庆、 朱莹、戴齐、王庆波、江蓉、周宽章、徐星。
空气分离设备流程图 图形符号和文字代号
1范围
本标准规定了空气分离设备流程图的图形符号和文字代号。
本标准适用于绘制空气分离设备的流程图及编写相关技术文件等。绘制其他气体分离、液化和提 取设备的流程图及编写技术文件等可参照使用。
2规范性引用文件
下列文件对于本文件的应用是必不可少的。凡是注日期的引用文件,仅注日期的版本适用于本文 件。凡是不注日期的引用文件.其最新版本(包括所有的修改单)适用于本文件。
GB/T 4457.4机械制图 图样画法 图线
GB/T 4458.4机械制图尺寸注法
GB/T 14691技术制图字体
3 一般规定
3.1本标准中的图形符号宜用粗实线绘制,图线宽度b应符合GB/T 4457.4的规定,图线宽度推荐选 用0.5 mm,对管路、管件、阀门及测量控制元器件等,允许用细实线(图线宽度约Z√3,推荐选用 0.18 mm)绘制。在同一图样上,图形符号的各类图线型式及宽度应分别保持一致。
3.2文字代号应符合GB/T 14691的规定。
3.3图形符号允许组合,位置允许转动。
3.4绘制图形符号时,可按本标准所示图例按比例放大或缩小。
3.5在本标准中没有列的图形符号,可采用下述的办法之一表示:
a) 以实际对象的形状、特征和尺寸来形象化、简化表示;
b) 以一个长方块(或方块)来表示,注明名称;
C)新增图形符号。
3.6空气分离设备流程图宜按单体或多体设备绘制,也口J以按系统绘制,宜用A2图幅。
4设备、机器系统图形符号 4.1塔器按表1的规定。
|
编号 |
名称 |
图形符号 |
说明 | ||
|
1 |
筛板塔 |
! |
L |
包括对流型、环流型等传热和传 质用的筛板精储塔 | |
|
2 |
填料塔 |
包括各类填料的精偕塔 | |||
|
X | |||||
|
3 4 |
泡嵐塔 喷淋式空气冷却塔 |
P |
L |
喷淋的水直接与空气接触的空 气冷却塔 | |
|
Ln-J-Lʃɪ | |||||
|
塔板式空气冷却塔 |
ɔ |
空气穿过塔板的空气冷却塔 | |||
编号
名称
图形符号
壊料式空气冷却塔
空气穿过壊料的空气冷却塔
复合式空气冷却塔
C
低温水和常温水同时冷却空气 的空气冷却塔。
A:喷淋+穿流板。
穿流板+填料
塔板式水冷却塔
污気穿过塔板型的水冷却塔
壊料式水冷却塔
X
A:带抽风机的壊料式水冷却塔
B:不带抽风机的填料式水冷 却塔
编号
名称
图形符号
管式冷凝蒸发器
管间沸腾与管内冷凝的管式冷 凝蒸发器
板翅式冷凝蒸发2S
在板翅式换热器内进行换热的 冷凝蒸发器
多层冷凝蒸发器
多层冷凝蒸发器•毎层由多个板 式单元组成
卧式单层冷凝蒸发器
把冷凝蒸发器内多个板式单元 排列在卧式的圆筒内
二股流换热器
包括逆流、并流、错流型二股流 体的换热器
多股流换热器
多股流体进行换热的换热器
液化器
包括逆流、并流、错流型将气体 液化的换热器
编号
名称
图形符号
列管式换热器
冷热流体进行换热的换热器,管 子焊在管板上.也可以表示蒸汽 加热器和水冷却器
绕管式换热器
冷热流体进行换热的换热器C 多根管子由中心筒绕至多层。 管子有光管和翅片管之分
IO
水冷却器
一般用于表示机器系统的水 冷器
11
空浴式气化器 (空温式气化器)
管内液体与管外空气换热.使之 气化的换热器。
A为不带风机的空浴式气化器。
B为带风机的空浴式气化器
12
水浴式气化關
电加热器
管内低温液体被水加热气化的 换热器
用电加热气体的换热器
|
纟爲Irj |
名称 |
图形符号 |
说明 | ||
|
1 |
立式干燥器、 吸附器 |
r X |
√_____ |
器内壊充干燥剂、吸附剂,用以 清除空气中水分、二氧化碳和碳 気化合物及其他气体杂质.结构 为立式 | |
|
卧式干燥器、 吸附器 |
说明与上同. 结构为卧式 | ||||
|
立式径向流吸附器 |
[8 |
Il f I r |
空气底部进入,先导向周边,后 径向穿过吸附层至圆心,由中心 筒向上部引出。再生时污氮与 空气流向成逆向排出 | ||
|
2 |
锥形过滤器 |
一1 |
■ |
过滤元件为金属织网 | |
|
Y型过滤器 |
--- |
— | |||
|
侧流式T型过滤器 | |||||
|
直通式T型过滤器 |
■ ■ | ||||
|
平板式过滤器 |
— | ||||
编号
名称
干带式空气过滤器
图形符号
■ —
过滤元件为带状的织物
袋式空气过滤器
自洁式空气过滤器
过滤元件为袋状的织物
门动清除过滤元件上的灰尘
消声器
气体放空用消声器
管道消声器
—Cl Illll !>—
气体管道消声
消声坑
消声塔
利用地下坑道而设置的消声器
消声元件为钢売体•基础为钢筋 混凝土结构
液氧喷射蒸发器
少虽液氧通过喷射器与氣气流 相混合而蒸发用
利用蒸汽或空气使排放的低温 液体汽化
喷射器
(排液蒸发器)
风机排液蒸发器
编号
名称
图形符号
蓄热器
用以贮蓄热量
气液分离器
潮充器
水封器
将气流中的液滴分离出来
各种7体产品充瓶用的灌充器
利用水柱压力将气体封住
IO
阻火器
阻挡火焰的设备
11 触媒炉
12
空冷器
13
凉水塔
内装催化剂•以催化反应法脱除 混合气体中的某种气体或杂质
以空气作为冷却介质,将换热管 内高温介质冷却或冷凝的换热 设备
|
纟爲Irj |
名称 |
图形符号 |
说明 |
|
1 |
气体贮罐及缓冲器 |
0 (=)0 A立式 B卧式 C球式 |
贮存及缓冲气体的容器,可表示 气囊 |
|
2 |
低温液体贮槽 |
Q ⅞τAH项 O A立式 B卧式 C球式 |
贮存低温液体的固定式豈空绝 热容器 |
|
大型低温液体贮槽 |
Q |
采用粉末绝热的大型低温液体 容器 | |
|
3 |
低温液体槽车 |
贮存低温液体的移动式真空绝 热容器 |
|
编号 |
名称 |
图形符号 |
说明 |
|
1 |
电动机 |
© |
包括同步或异步及微型交直流 电动机 |
|
发电机 |
© |
一般为制动透平膨胀机用 | |
|
蒸汽轮机 |
圓 |
小端表示蒸汽进口 大端表示蒸汽出口 | |
|
风机 |
① |
— |
|
编号 |
名称 |
图形符号 |
说明 | |
|
2 |
离心式低温液体泵 |
O |
液体由开口端进,闭口端出 | |
|
往复式低温液体泉 |
液体由开口端进,闭口端出 | |||
|
水泵 |
水由开口端进.闭口端出 | |||
|
真空泵 |
气体由开口端进.闭口端出 | |||
|
齿轮泵 |
— | |||
|
螺杆泵 |
— | |||
|
3 |
透平压缩机 |
小端表示压缩气体出 | ||
|
活塞式压缩机 |
© |
小端表示压缩气体出 | ||
|
膜式压缩机 |
O |
小端表示压缩气体出 | ||
|
螺杆圧缩机 |
小端表示压缩气体出 | |||
|
水环式压缩机 |
— | |||
|
4 |
透平膨胀机 |
小端表示高压端 大端表示低压端 | ||
|
往复式膨胀机 |
小端表示高压端 大端表示低压端 | |||
IO
|
编号 |
名称 |
图形符号 |
说明 | |
|
4 |
增年透平膨胀机 |
— | ||
|
电机制动透平膨胀机 |
-© |
可表示液体膨胀机 | ||
|
风机制动透平膨胀机 |
KD |
— | ||
|
5 |
冷冻机组 |
您 |
一种流体和制冷工质的换热设 备.该图例只适用于压缩式冷冻 机组 | |
注:为了流程图表达更加明确,根据机器的原理结构.图形符号可以组合.如4中按制动方式不同组合的儿种膨胀
机符号。
|
编号 |
名称 |
图形符号 |
说明与参考标准 |
|
1 |
角阀 |
GB/T 6567,4 | |
|
2 |
截止阀或通用阀门 |
X |
GB/T 6567.4 |
|
3 |
球阀 |
X |
GB/T 6567.4 |
|
txxl |
— | ||
|
4 |
闸阀 |
l>M |
GB/T 6567.4 |
|
5 |
蝶阀 |
N |
GB/T 6567.4 |
|
Z |
— | ||
|
6 |
止回阀 |
Z |
流向由有点的一端至另一端 |
|
Z |
— | ||
|
7 |
减压阀 |
X |
小三角形为高压端• GB/T 6567.4 |
|
编号 |
名称 |
图形符号 |
说明与参考标准 |
|
8 |
节流阀 |
GB./T 6567.4 | |
|
9 |
针型阀 |
* |
— |
|
IO |
旋塞阀 |
CXX] |
— |
|
11 |
隔膜阀 |
— | |
|
12 |
三通阀 |
GB/T 6567.4 | |
|
13 |
四通阀 |
GB/T 6567.4 | |
|
14 |
弹簧式安全阀 |
— | |
|
15 |
膜式安全阀 |
— | |
|
16 |
重锤(或杠杆 式)安全阀 |
__ | |
|
17 |
真空阀 |
— | |
|
18 |
疏水阀 |
白色踹水进、黑色端水出 | |
|
19 |
冷箱泄放装置 |
& |
冷箱内气体Iil动排放用 |
|
20 |
呼气筒 |
卤 |
冷箱快速排放装賞 |
|
21 |
封气筒 |
— |
|
编号 |
名称 |
图形符号 |
说明与参考标准 |
|
22 |
薄膜式安全阀 (安全爆破膜) |
£ |
压力泄放型 |
|
⅛∣ |
真空泄放型 | ||
|
23 |
防爆装置 |
— |
|
编号 |
名称 |
图形符号 |
说明 |
|
1 |
气动调节阀 |
晶FC |
基本型式,其他类型阀门通过替 换下部的阀门图标来表示,并通 过标注FC、F()、FL、FI表示阀门 能源中断时的开闭状态 |
|
昂EC | |||
|
2 |
活塞式气动调节阀 |
晶FC |
基本型式,其他类型阀门通过替 换F部的阀门图标来表示,并通 过标注FC、F()、FL、Fl表示阀门 能源中断时的开闭状态 |
|
3 |
气动三通调节阀 |
合流式 | |
|
4 |
气动三通调节阀 |
分流式 | |
|
5 |
带手轮气动调节阀 |
t¾ c¾ |
基本型式.其他型式可由阀门图 形加上”构成 |
|
6 |
带手轮及定位 器气动调节阀 |
t¾ c¾ |
基本型式.其他型式可由阀门图 形加上F ”和“艮”构成 |
|
编号 |
名称 |
图形符号 |
说明 |
|
7 |
气动三通切断阀 |
i⅛2 1曲 2 3 3 |
膜头充气1-2通 膜头断气2-3通 |
|
8 |
电动调节阀 |
(M) |
指带磁放大器执行机构的电动 调节阀。基本型式,其他类型阀 门通过替换下部的阀门图标来 表示 |
|
9 |
二位二通电磁阀 |
A ___________________3___________________ |
有电1-2通 无电2-3通 |
|
IO |
二位三通电磁阀 | ||
|
11 |
二位五通电磁阀 |
B A O SPR |
P-气源 A、B■连气亂 S、R-排大气 |
|
12 |
自力式调节阀 |
阀内取压 | |
|
外部取压 |
|
编号 |
名称 |
图形符号 |
说明 |
|
1 |
工艺物料管线 |
粗实线,图线宽度0.5 mrn | |
|
2 |
仪控计器管线,加温、 吹除管线、润滑油 管线、蒸汽管线 |
细实线.图线宽度0.18 mm | |
|
3 |
冷却水管线 |
, ∙ I I |
点划线.图线宽度0.18 mm |
|
4 |
密封气管线 |
/ / / |
细实线加斜线表示.图线宽度 0.18 mm |
|
5 |
伴热加保温管道 |
/ / / / / / // 二 |
每条管线局部表示 |
编号
名称
图形符号
IO
其空绝热管
加热管
电伴热管线
蒸汽伴热管线
设备保温
H 保温、防烫、降噪管线
12
介质流向
13
管路坡度
14
波形伸缩器
每条管线局部表示
毎条管线局部表示
=Ao. 002 丄、3° 1:500
r∖
上方图线为点划线;下方图线为 粗实线,图线宽度应符合4.8.1 和4.8.3的规定∙ W全部或局部
下方图线为粗实线;上方图线为 断续线,图线宽度应符合4.8.1 和4.8.2的规定.可全部或局部
设备外表保温
设备外表保冷
在被保温管路起隔热、防烫、降 噪作用,可在全部或局部上用该 符号表示,亦可省去符号.用文 字说明
一般标注在靠近阀的图形符号 处.箭头的形式按GB/T 4458.4 的规定
管路坡度符号按GE/T 4458.4 中的斜度符号绘制
町用于橡胶叮曲挠接头、波纹 管、膨胀节
|
编号 |
名称 |
图形符号 |
说明 | |||
|
15 |
同心异径管 |
——C]—— |
— | |||
|
偏心异径管 (顶平) |
— | |||||
|
偏心异径管 (底平) |
——□—— |
— | ||||
|
16 |
接水漏头 (或排漏斗) |
* |
— | |||
|
17 |
管端封盖 (封头)(管帽) |
-------D |
管端为焊接 | |||
|
18 |
螺纹管帽 |
— | ||||
|
19 |
管端丝堵 |
J |
— | |||
|
20 |
快换接头 |
----β <--- a:阴扣 B: MtrI |
-- | |||
|
21 |
法兰盖 |
— |
— | |||
|
22 |
盲板 |
管端盲板为焊接 | ||||
|
23 |
法兰连接 |
―Il— |
— | |||
|
24 |
法兰冋肓板 |
C —I〕 |
? |
正常开启 | ||
|
i |
正常关闭 | |||||
编号
名称
图形符号
25
用“8”盲板连接
26
窥视镜
27
流量孔板
28
涡轮式流量计
29
涡街流虽计
30 均速管流量计
31
电磁流量计
32 文丘里流量计
转子流量计
34 超声流量计
35
质量流量计
36
流量喷嘴
37
柔性管
正常开启
正常关闭
编号
名称
38
专用接头
39
放空管
40
防雨帽(放空帽)
41
高点
42
低点
43 中间点
44 交又管线
45 相交管线
46
47
48
49
50
分支管絞
夹套管线
供货界限/设计界限
钢铝过渡接头
最大最小距离
管路最高点
管路最低点
管路中间点
指两管路交又不连接
指两管路相交连接
一种介质走管内.另一种介质走 夹层内
阴影连接不锈钢管道. 空白连接铝管道
|
序号 |
代号 |
中文名称 |
英文名称 |
备注 |
|
1 |
A |
吸附器 |
AdSOrbCr |
— |
|
2 |
F |
过滤器 |
FiltCr |
— |
|
3 |
J |
喷射器 |
EjeCtOr |
— |
|
4 |
C |
压缩机 |
COnlPreSSOr |
— |
|
5 |
CF |
触媒炉 |
CataIytiC furnace |
— |
|
6 |
E |
换热器 |
IICat exchanger |
— |
|
7 |
EP |
往复式膨胀机 |
RCCiPrOCatirIg CXPander | |
|
8 |
ET |
透平式膨胀机 |
TUrbining CXPandCr |
— |
|
9 |
FD |
灌充器 |
FilHng device |
— |
|
IO |
FA |
阻火器 |
Fire arrester |
— |
|
11 |
GB |
气囊 |
GaS bag |
— |
|
12 |
GD |
干燥器 |
GaS dryer |
— |
|
13 |
GH |
贮气器(罐) |
(TaS HOIder |
— |
|
14 |
LT |
液体排放槽 |
IJqlnd discharge tank |
— |
|
15 |
P |
泵 |
PUmP |
— |
|
16 |
RU |
冷水机组 |
RCfrigerating Unit |
— |
|
17 |
SL |
消声器(坑、塔) |
SlICnCCr | |
|
18 |
SV |
贮槽 |
StOragC vessel (Iank) |
— |
|
19 |
ST |
蒸汽轮机 |
SleanI TUrbinC |
— |
|
20 |
T |
塔 |
COlllmn |
精储塔、洗涤塔 |
|
21 |
TL |
槽车 |
Tank Lorry |
— |
|
22 |
S |
分离器 |
SCParatOr |
— |

|
流体名称 |
代号 |
流体名称 |
代号 |
流体名称 |
代号 |
|
空气 |
GA |
氮气 一 |
GN |
気 — |
He' |
|
液空 |
LA |
液氮 |
LN |
____敏 |
KK_____ |
|
仪表空气 |
IA |
污氮气 |
WN | ||
|
工Γ⅞⅞ |
PA |
污液録 |
LWN |
水蒸汽 |
S |
|
氧气 |
GO |
____⅛____ |
Ar |
____水 |
W |
|
液氧 |
LO |
液氣 |
LAr |
____瓜 |
NII; |
|
____M____ |
Hh |
M |
Ne ” | ||
|
注1:表中标注“、”的未表示出流体相态.可在代号前加G(气态)、L(液态)区分。 注2:表中各介质可根据介质压力等级的不同增加前缀.例:高压氧气HG()。____________________ | |||||
|
系统名称 |
编 号 | ||
|
空分 冷箱 |
空分冷箱内 |
氧、氮系统 |
1〜99 |
|
空分冷箱外 氧、氮系统 |
空气、氣、氮进出冷箱系统 |
101〜149 | |
|
加温、启动、气封、安全系统 |
201〜299 | ||
|
吹除、排放等系统 |
301〜399 | ||
|
膨胀机系统 |
401〜499 | ||
|
循环筑泉系统 |
501 〜599 | ||
|
系统名称 |
编 号 | |
|
液氣泵系统 |
601〜625 | |
|
液氮泵系统 |
626〜650 | |
|
其他 |
651〜699 | |
|
氯提取系统 |
空分冷箱内 |
701〜749 |
|
空分冷箱外 |
751〜799 | |
|
筑氮提取系统 |
空分冷箱内 |
801〜849 |
|
空分冷箱外 |
851〜899 | |
|
氮気提取系统 |
空分冷箱内 |
901〜949 |
|
空分冷箱外 |
951〜999 | |
|
原料空气压缩机(包括空气过滤器)系统 |
IOOl〜1099 | |
|
空气预冷系统 |
11()1 〜1199 | |
|
空气净化系统 |
1201〜1299 | |
|
氣气透平压缩机组 |
1301-1399 | |
|
氧气活塞式压缩机组 |
1401〜1499 | |
|
氮气透平压缩机组 |
1501〜1599 | |
|
氮气活塞式压缩机组 |
1601〜1699 | |
|
压氧调节、液氧贮存系统 |
1701〜1799 | |
|
压緘调节、液舖贮存系统 |
1801〜1899 | |
|
仪表空气(压缩机)系统 |
2001〜2099 | |
|
液氣贮存(输送)系统 |
2201〜2299 | |
|
粗氛気除氢系统 |
2301〜2399 | |
|
粗氛氣除氮系统 |
2401〜2499 | |
|
须线分离系统 |
2501〜2599 | |
|
気净化系统 |
2601〜2699 | |
|
贫筮清除甲烷系统 |
2701〜2799 | |
|
机飯林净化和飯釘分离系统 |
2801〜2899 | |
|
粗林净化一氣精制系统 |
2901〜2999 | |
|
系列 |
公称压力/MPa | |||||||||
|
系列1 |
0.25 |
0.6 |
1 |
1.6 |
2.5 |
4 |
6.3 |
10 |
16 |
25 |
|
系列2 |
2 |
5 |
11 |
15 |
26 |
42 | ||||
6.1.6管道材料代号
管道材料代号见表13。
|
材料名称 |
铝管 |
铜管 |
不锈钢管 |
碳钢管 |
|
代号 |
Al |
CU |
SS |
CS |
6.1.7管道绝热材料代号
管道绝热材料代号见表11。
|
管道绝热 |
保温 |
保冷 |
防冻 |
隔声 |
电伴热 |
|
绝热代号 |
H |
C |
W |
S |
ET |
|
管道绝热 |
蒸汽伴热 |
热水伴热 |
人身防护 |
蒸汽夹套 |
— |
|
绝热代号 |
ST |
WT |
P |
JS |
— |
6.2阀门编号
6.2.1手动阀门编号
手动阀门编号由阀门代号V、阀位号和阀通径所组成。阀位号按表3规定的系统顺序号编制;阀门 编号在图样上书写受位置限制时允许采用双行表示。
示例:
V7O2-DN5O 或 V7O2
DN50
表示为氯提取系统,阀位号702,阀通径DN50的阀门。
6.2.2调节阀编号
调节阀编号由控制调节阀的功能参数、阀门代号V、阀位号和阀通径所组成C控制调节阀的功能参 数按表7、表8规定选用;阀位号按被控功位号编制;阀门编号在图样上书写受位置限制时允许采用双 行表示。
示例:
PV3-DN100 或PV3
DNIOO
表示为由压力控制的阀位号3,阀通径I)NIOO的调节阀。
111-------顺序号
示例:
pɪʌl——表示为压力指示、报警、顺序号为1的测控点。
|
序号 |
代码 |
首位字母 |
后继字母 | |||
|
被测Il艺参数 |
修饰同 |
读出功能 |
输出功能 |
修饰词 | ||
|
1 |
A |
分析 |
— |
— | ||
|
2 |
C |
电导率 |
— |
控制器 |
— | |
|
3 |
I) |
密度 |
— |
— | ||
|
4 |
E |
电压(电动势) |
— |
检测元件 |
— | |
|
5 |
F |
流量 |
比率(比值) |
■ |
— | |
|
6 |
G |
毒性气体或可燃气体 |
— |
视镜、观察 |
— |
— |
|
7 |
H |
手动 |
— |
高 | ||
|
8 |
I |
_____电流 |
_ I |
指示 |
— | |
|
9 |
J |
功率 |
— |
— | ||
|
IO |
K |
时间、时间程序 |
变化速率 |
— | ||
|
11 |
L |
_ |
低 | |||
|
12 |
M |
水份或湿度 |
_ 瞬动 |
— |
— |
中、中间 |
|
13 |
P |
压力、真空 |
— |
— |
— |
— |
|
14 |
Pd |
压力差 |
— |
■ |
— | |
|
15 |
Q |
积算、累计 |
■ |
— | ||
|
16 |
R |
记录 |
— | |||
|
17 |
S |
速度、频率 |
开关、联锁 |
— | ||
|
18 |
T |
温度 |
— |
— |
变送器 — |
— |
|
19 |
TD |
温度差 |
— |
— |
— |
— |
|
20 |
U |
多变量 |
— |
多功能 |
多功能 |
多功能 |
|
21 |
V |
振动 |
— |
— |
-执行元件- |
— |
|
22 |
W |
重量或力 |
套管 一 | |||
|
23 |
X |
未分类 |
X轴 |
未分类 一 |
未分类 一 |
未分类 |
|
24 |
Y |
事件、状态 |
Y轴 |
— |
继电器、计算 器、转换器 |
— |
|
25 |
Z |
位置、尺寸 |
Z轴 |
■ |
执行元件 |
— |
8测量控制系统图形符号 8.1测控点
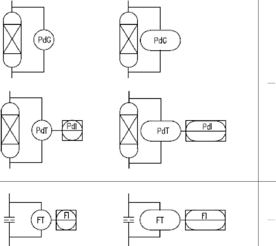
8.1.1测控点基本符号用圆或长圆表示.圆的直径或长圆宽度一般为8 mm~14 mm,要求同一图样中 符号尺寸基本一致,在基本图形符号内的上方填入参数、功能代号.下方填入顺序号,即构成测控点的图 形符号。
8.1.2测控点基本图形符号按表16的规定。
表16
|
编号 |
名 称 |
图形符号 |
|
1 |
就地仪表 | |
|
2 |
中控室仪表 |
㊀勻 — |
|
3 |
机旁柜仪表 | |
|
4 |
就地安装中控室功能仪表 | |
|
5 |
就地安装机旁柜功能仪表 |
o c≡ — |
|
6 |
中控室集散系统(I)CSZPLC) |
㊀B — |
|
7 |
安全联锁系统(SlS) |
C 一 |
|
8 |
压缩机综合保护系统(CCS) |
[/ SJ |
8.2工艺测量管线和气、电信号管线
工艺测量管线和气、电信号管线按表17的规定。
表17
|
编号 |
名 称 |
图形符号 |
说明 |
|
1 |
工艺测最管线 |
■ ■ |
— |
|
2 |
气动信号管线 |
〃 〃 〃 77~~77 77 |
— |
|
3 |
电动信号管线 |
— |
|
编号 |
名 称 |
图形符号 |
说明 | |
|
4 |
毛细管信号线 |
XXX— |
— | |
|
5 |
程序或逻辑连接线 |
——O——O——O-- |
— | |
|
6 |
无线电或光缆信号线 |
/\ /X /\ V V V- |
— | |
|
7 |
数字信号线 |
-A-X-V- |
— | |
|
8 |
液压信号 |
I I |
— | |
|
t t t | ||||
8.3报警及联锁在测量点符号外附加代号
TI”表示高报警、TIH”表示高连锁.标在测量符号的右上角。
“L”表示低报警、“ LL”表示低连锁,标在测是符号的右下角。
示例:
8.4分析测量点的附加代号
将被分析的组分用代号表示,附加在测量点符号外面左下角。
示例:
O叵IL 1 A-产品氣分析报警
8.5附加功能符号
其作用应在附加测量点符号外面右上角O 示例1:
示例2:
运算组件,右上角<∖>∖X∖÷等表示
电气转换器
示例3:
气电转换器
示例4:
示例5:
逻辑组件
信号分配功能
8.6取样联接
取样联接按表18的规定。
表18
图形符号
备注
IO
用孔板测景流量
用转子流量
计测量流量
用电磁流量计 测量流量
用均速管流 海∣∙测M流M
∞OCSJI68 寸 900S
中华人民共和国
GB/T 36489—2018
关
中国标准出版社出版发行 北京市朝阳区和平里西街甲2号(100029) 北京市西城区三里河北街16号(100045)
网 ilk : www.spc.org.cn
服务热线:400-168-0010
2018年7月第一版
*
书号:155066 • 1-60690
GB/T 36489-2018