UDC
中华人民共和国行业标准
CJJ/T 239 - 2016 备案号 J 2286-2016
城市桥梁结构加固技术规程
TeChniCaI SPeCifiCatiOnS for StrUCtUral Strengthening Of UrbarI bridges
2016-Il-15 发布
2017-05 -01 实施
中华人民共和国住房和城乡建设部 发布
TeChniCal SPeCifICatiOnS for StrUCtUral Strengthening Of Urban bridges
CJJ∕T 239 - 2016
批准部门:中华人民共和国住房和城乡建设部
施行日期:2 0 17年5月1日
2016北京
第1356号
现批准《城市桥梁结构加固技术规程》为行业标准,编号为 CJJ/T 239-2016,自2017年5月1日起实施。
本规程由我部标准定额研究所组织中国建筑工业出版社岀版 发行。
中华人民共和国住房和城乡建设部
2016年11月15日
根据住房和城乡建设部《关于印发〈2012年工程建设标准 规范制订、修订计划〉的通知》(建标[2012] 5号)的要求, 编制组经广泛调查研究,认真.总结实践经验,参考有关国际标准 和国外先进标准,并在广泛征求意见的基础匕 编制了本规程。
本规程的主要技术内容是:1 总则;2 术语和符号; 3基本规定;4材料;5增大截面加固法;6粘贴钢板加固 法;7粘贴纤维带加固法;8预应力加固法;9改变结构体 系加固法;10增加横向整体性加固法;11桥梁下部结构及基 础加固;12支座和伸缩装置更换;13桥梁抗震加固。
本规程由住房和城乡建设部负责管理,由广州市市政集团有 限公司负责具体技术内容的解释。执行过程中如有意见或建议, 请寄送广州市市政集团有限公司(地址:广州市环市东路338号 银政大厦,邮编:510060) c
本规程主编单位:广州市市政集团有限公司
杭州市市政工程集团有限公司
本规程参编单位:中南大学
华南理工大学
福州大学
北京市首都公路发展集团有限公司 广州奔达建工补强专业有限公司 广州市第二市政工程有限公司 广州市市政工程设计研究总院 同济大学
法施达(大连)工程材料有限公司 广州市市政工程机械施工有限公司
西安市市政设施管理局
成都市市政工程(集团)有限责任
公司
济南城建集团有限公司
沈阳市市政工程养护管理处
北京市市政工程研究院
北京万兴建筑集团有限公司
|
本规程主要起草人员:安关峰 |
杨斌周朝阳 |
单成林 |
|
遂彦秋 |
黄龙田周松国 |
卓卫东 |
|
司海峰 |
刘添俊宁平华 |
陈力波 |
|
程进 |
叶锡钧陈军 |
熊洪波 |
|
张恒利 |
刘平原邓小鹤 |
杨丹 |
|
贺长发 高西洋 |
孙杰段木子 陈小亮王连明 |
王光明 |
|
本规程主要审査人员:张汎 |
周良向中富 |
叶见曙 |
|
宋建永 李素华 |
马魏张恺 丁尚辉范厚彬 |
梁立农 |
7.7质量检验与验收...............................'
COntentS
4 ∙ 4 AnChOrage .........................
4∙ 7 InterfaCe Agent for COnCrete StrUCtUreS
4. 9 MaterialS for RePair and PrOteCtion Of SUrfaCe DefeCtS in
5 MethOd Of Strengthening With Enlarged ReinfOrCecl
6. 3 Strengthening DCSign for Large ECCentriC ComPrCSSiOn
7∙ 2 Strengthening DeSign for FIeXUral member
7∙ 4 Strengthening DeSign for TenSIOn Member
8∙ 2 StrengthCning DeSign With PreStreSSed Bar
8∙ 6 QUaIlty InSPeCtiOn and ACCePtanCe
9 MethOd Of Strengtherling by Changing StrUCtUraI
H)
10 MethOd Of Strengthening by EnhanCing Lateral
10∙ 1 Generai ReqUirementS ...................
11 , Strengthening for Bridge SUbStrUCtUre and
13∙ 2 SeiSmiC Strengthening for SOiI and FOUndatiOn
13. 4 SeiSmiC Strengthening for StrUCtUral Member
13. 5 COnStrUCtiOn and ACCCPtanCe
EXPIanatiOn Of WOrdlng in ThiS SPeCifiCatiOn
Addition: EXPIanatiOn Of PrOViSiOnS
i.o.i为规范城市桥梁结构加固工程设计、施工及验收,统一 设计技术指标与施丄质量检验、验收标准,提咼加固效果,制定 本规程。
1.0.2本规程适用于钢筋混凝土及预应力钢筋混凝土城市桥梁 结构加固设计、施工及质量验收。
1.0.3城市桥梁结构加固的设计、施工及质量验收,除应执行 本规程外,尚应符合国家现行相关标准的规定。
2.1 术 语
2. 1. 1 桥梁结构加固 StrUCtUral Strengthening Of bridges
对原有桥梁受力结构及其相关部分采取补强、修复、调整内 力等措施,从而满足安全性、适用性和耐久性要求。
2. 1. 2 加固设计 Strengthening design
对原结构材料劣化、使用环境发生变化、结构缺陷等原设计 条件发生变化后的一种调整设计。
2.1. 3 增大截面加固法 method Of Slrengthening With enlarged reinforced COnCrete
在利用原构件已有截面承载力的基础上,通过增大构件截面 面积并增配普通钢筋(受力钢筋或构造钢筋),以提高构件承载 力、刚度和耐久性的结构加固方法。
2.1. 4 粘贴钢板加固法 method Of Strengthening With bonded SteeI Plate
在混凝土构件表面用胶粘剂粘贴钢板并用锚固螺栓紧固,使 钢板与混凝土构件牢固地形成一体,以提高构件的承载力和刚度 的结构加固方法。
2.1. 5 粘贴纤维带加固法 method Of Strengthening With FRP
将条带状的纤维复合材料粘贴在结构构件表面,以提高构件 承载力的结构加固方法。
2. 1. 6 预应力加固法 method Of Strengthening With prestressing
在原结构混凝土体外或体内增设预应力体系,以改善构件控 制截面受力的结构加固方法。
2.1. 7 改变结构体系加固法 method Of Strengthening by chan-
ging StrUCtUral SyStem
通过增设支承结构、简支变连续等改变桥梁结构受力体系, 以改善构件截面受力,改变内力分布和传力路径的加固方法。
2.1.8 增加横向整体性加固法 method Of Strengthening With reinforced Iateral COnneCtiOnS
通过加强横向联系以改善桥梁结构横向荷载的分布,以提高 结构整体刚度的加固方法。
2. 1. 9 外包钢管抗震加固法 method Of SeiSrniC StrengthCning With Steel jacket
采用钢管外包原桥墩,在现场沿竖向接缝焊接成钢套,钢套 与桥墩之间填充无收缩水泥砂浆,以提高桥墩的延性和抗剪强度 的抗震加固方法。
2.1. 10 纤维复合材料 fiber reinforced POIymer (FRP)
连续纤维按一定规则排列,采用胶粘剂粘结固化后形成的具 冇纤维增强效应的复合材料。
2.1. II 预应力纤维带 PreStreSSeCl fiber tape
通过施加预应力使桥梁原结构构件变形和受力得到改善或调 整的特定带状纤维材料。
2.1.12 冲击传递装置 ShOCktranSmiSSionUnit (STU)
一种能容许非常缓慢的运动(如温度变化引起),然而在快 速运动(如地震动引起)时又能转变为刚性连接装置的特制黏滞 阻尼器,又称为锁定装置或LOCk-UP装置。
2. 1.13 抗震能力 SeiSmiC CaPaCity
结构或构件用于抵抗地震作用偶然组合的抗力,包括承载能 力和延性等。
2.2符 号
2. 2.1材料性能
EC——原加固构件混凝上的弹性模量;
Ei——纤维带的弹性模量;
ES——原构件受拉区纵向普通钢筋的弹性模量;
ESP——加固钢板的弾性模量;
Λ——新旧混凝土组合截面的混凝土轴心抗压强度设 计值;
膈、∕cd2——原构件和新增截面混凝土轴心抗压强度设计值;
∕cuλ——混凝土边长为15Omm立方体抗压强度标准值;
∕dυ——纤维复合材料抗拉强度设计值;
∕fe——加固梁达极限承载力时与勞切裂缝相交的纤维带 的平均冇效拉应力;
Λ——纤维带抗拉强度标准值;
/pd、/ʃpd——纵向有粘结预应力钢筋的抗拉强度设计值和抗压 强度设计值;
A——普通弯起钢筋的抗拉强度设计值;
/sdi、Un——原构件普通钢筋的抗拉强度设计值和抗压强度设 计值;
爲2、尸妃——新增普通钢筋的抗拉强度设计值和抗压强度设 计值;
兀Lb、Fdv——分别为原梁普通弯起钢筋和箍筋的抗拉强度设 计值;
人P、——加固钢板的抗拉、抗压强度设计值;
Ai——原构件箍筋抗拉强度设计值。
2. 2.2作用效应及承载力
Md——构件加固后的弯矩组合设计值;
MS——按作用短期效应组合计算的弯矩值;
Nd——构件加固后的轴向力组合设计值;
NS一按作用短期效应组合计算的轴向力值;
Vd——构件加固后剪力组合设计值;
εcu——混凝土极限压应变;
勺——纤维带的拉应变;
εsp——加固钢板的拉应变。
2. 2.3几何参数
Q——受拉区晋通钢筋、原有粘结预应力钢筋及体外预 应力筋的合力点至受拉区边缘的距离;
/ 一受压区普通钢筋、原有粘结预应力钢筋的合力点 至受压区边缘的距离;
。八Ws——受拉区、受压区普通的钢筋合力点至受拉区边 缘、受压区边缘的距离;
A”、Ac2——原构件和新増部分混凝土截面面积;
Af——纤维复合材料的面积;
Ap、A,——截面受拉区、受压区新旧纵向预应力钢筋的截面 面积之和;
A罚、Λ,sl——原构件受拉区和受压区纵向普通钢筋的截面 面积;
A建、A板——新增受拉区和受压区纵向普通钢筋的截面面积;
Aspʌ A,sp——受拉区和受压区加固钢板的截面面积;
.但、b2——构件加固前后截面宽度或T形、1形截面的腹板 宽度;
b∖——T形或I形截面受压翼缘的有效宽度;
IIQ——原构件截面有效高度;
AOo——加固后构件的截面有效高度;
∕4o——受拉区所有新旧纵向有粘结预应力钢筋和普通钢 筋合力点至截而受压边缘的距离;
Aoi——构件受拉区原纵向普通钢筋A对合力点至原构件截 面受压区边缘的距离;
Ao2——构件受拉区新增纵向普通钢筋A蛇合力点至加固 后截而受压区边缘的距离;
们、*2——构件加固前后截面高度;
J h,——构件在受拉区、受压区的新增混凝土加厚层 厚度;
成、沽2 ——分别为原构件、加固后构件T形或I形截面受压
翼缘厚度;
Zo——加固后构件的计算长度。
2. 2.4计算系数及其他
如——综合考虑新增混凝土和钢筋强度利用程度的修正 系数;
皿——新増钢筋强度利用系数;
αEP——预应力筋(束)与混凝土的弹性模量之比;
QES——原构件普通钢筋与混凝土的弹性模量之比;
‰——桥梁结构的重要性系数;
k——剪力强度折减系数;
ψc——截面翼缘扩大系数;
如5——与原构件斜裂缝有关的修正系数;
ψη——偏心距增大系数的修正系数;
Km——纤维带强度折减因子。
3. 0.1桥梁加固可根据实际情况采用动态设计、动态施工原则。 3.0.2桥梁结构应经技术状况评估和承载能力检测评定并确定 加固目标、内容、范围后,方可进行加固设计。
3. 0.3加固后桥梁的承载力,应根据桥梁加固目标的设计荷载, 按相关规范进行相应计算。
3. 0.4桥梁加固不得损伤原结构。
3. 0.5有抗震设防要求的城市桥梁,加固设计时应进行抗震能 力验算。对抗震能力不足的桥梁,应进行抗震加固。
3. 0.6加固设计时的荷载(或作用)效应应分阶段计算,并应 符合下列规定:
1在新旧材料有效结合前,构件应按原构件截面计算,荷 载应包括原构件自重、新增材料自重、其他恒载、可变荷载等;
2在新旧材料有效结合后,构件应按加固后的整体截面汁 算,荷载应包括加固后整体构件自重、二期恒载、可变荷载等。 3.0.7加固设计应进行各阶段构件强度、挠度及稳定性等验算。 3. 0.8加固设计应符合国家现行标准《混凝土结构耐久性设计 规范》GB/T 50476、《公路工程混凝土结构防腐蚀技术规范》 JTG/TB07-01和《建筑钢结构防腐蚀技术规程》JGJ/T 251的 耐久性要求。
3. 0.9桥梁结构的加固设计使用年限,应按下列原则确定:
1当结构的加固材料中含有合成树脂或其他聚合物成分时, 其结构加固后的使用年限宜为30年;当结构加固后的使用年限 为50年时,其所使用的胶和聚合物的粘结性能,应通过耐长期 应力作用能力的检验。
2对使用胶粘方法或掺有聚合物加固的结构、构件,尚应 定期检査其.匸作状态;加固后的桥梁在3年内应每年检查,加固 效果达到设计要求,且经评定合格后应按国家现行相关标准规定 频率检査。
3当为局部加固时,应计入原结构剩余设计使用年限因素。
3. 0.10对有特殊使用要求的桥梁,加固设计荷载标准、基准 期、功能要求应通过专门研究确定。
3. 0.11桥梁结构加固施工.使用的材料应具有产品合格证、出厂 检验报告和使用说明书等,材料进场后应抽样复检,合格后方可 使用。
3. 0. 12桥梁结构加固检测中所用的仪器和设备应有产品合格证 和检定机构的冇效检定(校准)证书。对新购置的、经过大修或 长期停用后重新启用的设备,投入使用前应进行检定和校准。
3.0.13桥梁结构加固施工前应编制施工组织设计及相关的专项 施工方案,并应进行施工技术交底。
3.0.14结构加固施工时,不得在结构上堆放施工需要以外的 荷载。
3.0.15在清理原桥梁结构构件时,应釆取限载或结构加强 措施。
3. 0.16桥梁结构加固施工安全应符合下列规定:
1应建立健全安全生产管理制度,执行安全操作规程;
2化学材料应按要求保存、配置使用,应采取人员防护和 防火措施;
3应编制交通疏导方案,实施安全疏导措施。
3. 0.17桥梁结构加固施工现场应采取相应措施,降低对周围环 境影响,保护生态环境。
3. 0.18加固完工后,应按设计要求和国家现行相关标准进行相 关试验。
3. 0.19当被加固构件有防火要求时,应符合现行国家标准《建 筑设计防火规范》GB 50016规定的耐火等级及耐火极限。
4.1 一般规定
4.1.1加固所用原材料、半成品或成品的质量及使用性能,应 符合国家现行相关标准的规定,并应满足设计要求。
4.1.2当采用纤维复合材料加固时,应采用与此纤维材料相配 套的树脂类胶粘剂及其溶剂和表面防护材料等。
4.2水泥和混凝土
4.2.1加固所用混凝土的强度等级宜比原结构构件提高一级, 且不应低于C30;当采用预应力混凝土进行加固时,其强度等级 不应低于C40o
4. 2.2水泥选用应符合下列规定:
1水泥性能应符合现行国家标准《通用硅酸盐水泥》GB 175和《快凝快硬硫铝酸盐水泥》JC/T 2282的规定,并应有出 厂检验报告和产品合格证。
2应采用强度等级不低于42.5级的硅酸盐水泥、快硬硅酸 盐水泥或普通硅酸盐水泥;当有耐腐蚀、耐高温的要求时,应釆 用相应的特种水泥。
4.2.3混凝土集料的品种和质量应符合下列规定:
1粗、细集料的质量应符合现行行业标准《普通混凝土用 砂、石质量及检验方法标准》JGJ 52的规定。
2粗集料应选用耐久性好、强度高、质密的碎石或卵石。 集料的最大粒径,现场拌和混凝土不宜大于20mm,短纤维混凝 土不宜大于IOmmO
3细集料应选用中、粗砂。
4. 2.4混凝土拌合用水应符合现行行业标准《混凝土用水标准》
JGJ 63的规定。
4. 2.5普通混凝土中掺用的外加剂应符合现行国家标准《混凝 土外加剂》GB 8076和《混凝土外加剂应用技术规范》GB 50119的规定。
4. 2.6当加固选用聚合物混凝土、微膨胀混凝土、合成短纤维 混凝土或喷射混凝上时,在施工前应进行试配,检验其强度、抗 干缩性及耐腐蚀性等性能指标符合设计要求后,方町使用。
4.3钢材及连接材料
4. 3.1加固用钢材,其品种、质量和性能应符合下列规定:
1普通钢筋质量应符合现行国家标准《钢筋混凝土用钢 第一部分:热轧光圆钢筋》GB 1499. 1和《钢筋混凝土用钢 第 二部分:热轧带肋钢筋》GB 1499. 2的规定。钢筋的基本性能指 标应符合现行行业标准《公路钢筋混凝土及预应力混凝土桥涵设 计规范》JTG D62的规定。
2钢板、型钢、扁钢和钢管质量应符合现行国家标准《碳素 结构钢》GB/T 700和《低合金高强度结构钢》GB/T 1591等的规 定。钢材的基本性能指标应按国家现行相关标准的规定执行。
3预应力钢材应符合现行行业标准《公路钢筋混凝土及预 应力混凝土桥涵设计规范》JTGD62的相关规定。体外预应力 索应采用防腐性能可靠的产品,宜釆用成品索;当采用环氧涂层 预应力钢材时,涂层的质量及主要性能指标应符合现行国家标准 《单丝涂覆环氧涂层预应力钢绞线》GB/T 25823和行业标准 《环氧涂层预应力钢绞线》JG/T 387等标准的规定。
4. 3.2加固用焊条型号应与被焊接钢材的强度相适应;焊缝连接 质量应符合现行行业标准《钢筋焊接及验收规程》JGJ 18的要求。 4.3.3高强度螺栓应符合现行国家标准《钢结构用高强度大六角 头螺栓》GB/T 1228、《钢结构用高强度垫圈》GB/T 1230、《钢结 构用高强度大六角头螺栓、大六角螺母、垫圈技术条件》GB/T 1231和《钢结构用扭剪型高强度螺栓连接副》GB/T 3632的规定。
4.4锚固件
4.4.1锚栓应根据环境条件差异和耐久性要求选用碳素钢、不 锈钢或合金钢。
4. 4.2锚栓的性能应符合现行行业标准《混凝土用膨胀型、扩 孔型建筑锚栓》JG 160的相关规定。
4. 4.3碳素钢、合金钢或不锈钢锚栓,其钢材的性能指标应符 合表4. 4. 3-1或表4. 4. 3-2中的规定。
表4.4.3-1碳素钢、合金钢锚栓的钢材性能指标
|
性能等级 |
3.6 |
4.6 |
4.8 |
5.6 |
5.8 |
6.8 |
8.8 |
9.8 |
10.9 |
12.9 |
|
—抗商I⅛i⅞⅞ 4k (MPa)_______ |
300 |
400 |
500 |
600 |
800 |
900 |
1000 |
1200 | ||
|
屈服强度标准值∕yk _______(MPa)_______ |
180 |
240 |
320 |
300 |
400 |
480 |
640 |
720 |
900 |
1080 |
|
屈服强度标准值/ 抗拉强度标花值 <Λk∕Λιk) |
0.6 |
0.6 |
0.8 |
0.6 |
0.8 |
0.8 |
0.8 |
0.8 |
0.9 |
0.9 |
|
伸K率(%) |
25 |
22 |
14 |
20 |
10 |
8 |
12 |
10 |
9 |
8 |
表4. 4.3-2不锈钢锚栓的钢材性能指标
|
性能等级 . 一~ |
50 |
70 — |
80 |
|
螺纹公称直径(mm) ~~ |
(39 — |
<24 — |
<24 — |
|
抗拉强度标准值(MPa) |
500 — |
700 — |
800 一 |
|
屈服强度标准值(MPa) |
210 ~ |
450 — |
600 — |
|
伸K值(mm) |
0∙ 6d |
0* |
O13d : |
注:表中的d表示锚栓的公称直径C
4.4.4预应力纤维带张拉锚固装置所用材料、构造形式和尺寸 应满足设计要求,安装时不应损伤既有受力钢筋。
4.5纤维复合材料
4.5.1碳纤维、玻璃纤维或芳纶纤维等复合材料的品种和性能 应符合下列规定:
1加固主要承重构件采用的碳纤维,应选用聚丙烯月青基 (PAN基)不大于12k (Ik-IOoo根)的小丝束纤维,不得使用 大丝束纤维。
2用于加固的玻璃纤维应采用高强度型玻璃纤维、含碱量 小于0. 8%的无碱玻璃纤维或耐碱玻璃纤维。不得使用中碱玻璃 纤维或高碱玻璃纤维。
3碳纤维与玻璃纤维复合材料的主要力学性能,应符合现 行国家标准《混凝土结构加固设计规范》GB 50367的规定。
4芳纶纤维复合材料的力学指标可按现行行业标准《桥梁 结构用芳纶纤维复合材料》JT/T 531执行。
4. 5.2纤维复合材料与其配套使用的改性环氧树脂胶粘剂应按 现行国家标准《混凝土结构加固设计规范》GB 50367的规定测 定抗拉强度标准值、纤维复合材料与混凝土正拉粘结强度、层间 剪切强度等,测定结果应符合表4. 5.2的规定。
表4.5.2桥梁加固用纤维复合材料主要力学性能指标
|
能项目 纤维类另卜\ |
抗拉强度 标准值 (MPa) |
弾性模量 (MPa) |
伸长率 (%) |
弯曲强度 (MPa) |
纤维复合材 料-混凝土正 拉粘结强度 (MPa) |
层间剪 切强度 (MPa) | ||
|
碳 纤 维 |
布 ɪ |
>3400 |
* 4X105 |
>1.厂 |
>700 |
≥1.5 且为混凝土 内聚破坏 | ||
|
iι^⅞ |
23000 |
A∙ ixio' |
2600 |
235 | ||||
|
ɪ 材 |
亟 |
22400 |
∕1∙ 6X105 |
NL 7 |
—— |
250 | ||
|
N2000 |
室L 4X105- |
21∙5 |
— |
240 | ||||
|
高强度型 玻璃纤维 |
≥2200 |
≥1. OXlO5 |
≥2.5 |
≥600 |
≥40 | |||
|
无戚坡璃纤维 |
:>15θ" |
N7\2X1O「 |
22.0 |
>500 |
235 | |||
注:纤维复合材料的抗拉强度标准值是根据置•信水平C=O. 99、保证率为95%的
要求确定。
4. 5.3用于粘贴加固的单向纤维布应符合下列规定:
1纤维布的抗拉强度应按纤维布的净截面面积计算。
2单层碳纤维布的单位面积纤维质量,不应低于200g∕rn2, 且不宜高于300g∕m2 O
3単.层玻璃纤维布的单位面积纤维质量,不应低于300g∕ιrf, 旦不宜高于600g∕m2 O
4单层芳纶纤维布的单位面积纤维质量,不应低于280g∕r∏2, 且不宜高于830g∕m2 O
5受力加固时纤维布的条带宽度不应大于20Ommo
4.5.4当纤维板用于受力加固时,宽度不应大于IOOmmO
4.5.5桥梁加固用预应力紆维带应选用1级碳纤维布或板,两 端带锚具的预应力纤维带的抗拉强度标准值不应低于相应1级碳 纤维布或板抗拉强度标准值的0. 8倍。用于混凝土梁的200万次 疲劳试验后,纤维带不应发生滑移。
4.6结构胶粘剂
4. 6.1承重结构用的胶粘剂,宜按其基本性能分为A级胶和B 级胶;对重要结构、悬挑构件、承受动力作用的结构、构件,应 采用A级胶;对-般结构可采用A级胶或B级胶。
4.6.2承重结构用的胶粘剂,必须进行安全性能检验。检验时, 其粘结抗剪强度标准值,应根据置信水平为0.90、保证率为 95%的要求确定。
4. 6.3粘贴钢板或型钢用的胶粘剂(包括配套的底胶和修补 胶),应采用改性环氧类结构胶粘剂,其安全性能应符合表 4.6.3的规定。
表4.6.3粘贴钢板或型钢用胶粘剂安全性能指标
|
性能项目 |
性能要___ | ||
|
A级胶 |
B级胶 | ||
|
胶体性能 |
______抗拉强度(MPa)______ |
230 |
≥25 |
|
抗拉弹褊量(MPa) |
≥3500 (≥3000) | ||
|
抗弯强度(MPa) |
≥45 |
≥35 | |
|
且不得呈脆性破坏 | |||
|
抗压强度(MPa) |
265 | ||
|
伸长率(%) |
≥1.3 |
≥1.0 | |
|
性能项目 |
_____性能要求_____ | ||
|
A级胶 |
B级胶 | ||
|
粘结能力 |
钢-钢拉伸抗剪變度标准值(MPa) |
>15 |
>12 |
|
钢-钢对接接头抗拉强度(MPa) |
>33 |
≥25 | |
|
钢钢T冲击剥离长度(mm) |
≤25 |
≤40 | |
|
钢对混凝土正拉粘结强度(MPa) |
22.5,且为混凝土内聚破坏 | ||
|
______不挥发物(固体)含蛍(%)______ |
≥99 | ||
注:1表中括号内的抗拉弹性模量指标仅用于灌注粘结型胶粘剂C
2表中各项性能指标除标有强度标准值外,其余均为平均值。
4.6.4当釆用纤维复合材料加固时,宜采用配套的底层树脂、 找平材料、浸渍树脂或纤维板胶粘剂,粘结材料的主要性能指标
应满足表4∙ 6. 4・1〜表4∙ 6. 4-3的规定。
表4.6.4-1底层树脂性能指标
|
项目 |
混合后初黏度 (25*C) |
适用期 (25βC) |
凝胶时间 (25βC) |
|
性能指标 |
≤600mPa ∙ S |
≥40min |
≤12h |
表4.6.4-2找平材料性能指标
|
__ |
适用期(25(C) |
凝胶时间(25P) |
|
性能指标 |
≥40rnin |
≤12h |
表4∙6∙4-3浸渍树脂性能指标
|
______ 项 目__________ |
性能指标 |
|
______混合后初黏度(25C)______ |
≤4 OOOmPa ∙ S |
|
________触变指数TI________ |
≥1.7 |
|
__________适用期(25°C)__________ |
≥40min |
|
凝胶时间(25C) |
≤12h |
|
________抗拉强度(MPa)________ |
≥38 |
|
项 目 |
性能指__ |
|
受拉弹性模量(MPa) _ |
≥2500 |
|
伸K率(%) |
≥1.5 |
|
抗压强度(MPa) |
≥70 |
|
抗弯强度(MPa) _______ |
≥50 |
|
钢对钢拉伸抗剪强度(MPa) |
___________≥14___________ |
|
钢对钢对接接头抗拉强度(MPa) |
235 |
|
钢対钢T冲击剥澎长度(mm) |
≤20 |
|
钢对C45混凝土正拉粘结强度(MPa) |
22.5,且为混凝上内聚破坏 |
|
不挥发物(固体)含量(%) |
≥99 |
4.6.5纤维复合板材用浸渍树脂的触变指数不应小于4.0,且 25oCT垂流度不应大于2. Ommo 、
4.6.6种植后锚固件的胶粘剂,应采用配制的改性环氧类结构 胶粘剂或改性乙烯基酯类结构胶粘剂,其安全性能指标应符合表 4. 6. 6的规定。
表4. 6.6植筋固件用胶粘剂的安全性能指标
|
性能项目 |
性能要求 | |||
|
A级胶 |
B级胶 | |||
|
胶体性能 |
_______劈裂抗拉强度(MPa)_______ |
≥8. 5 |
>7.5 | |
|
抗压强度(MPa) |
≥60 | |||
|
抗弯强度(MPa) |
≥50 |
≥40 | ||
|
粘结能力 |
钢对钢拉伸抗剪理欧值(MPa) |
≥16 |
习2 | |
|
约束条件下带助钢筋与 混擬上的粘结强度(MPa) |
C30 ≠25 L= 150mm |
习1 |
>8.5 | |
|
C60 龙 5 L= 125mm |
≥17 |
214 | ||
|
________不挥发物(固体)含皆(%)________ |
299 | |||
注:表中的性能指标,除标有强度标准值外,其余均为平均值。
4∙6∙7当结构锚固工程采用快固结构胶时,其安全性能应符合
表4.6.7的规定。
表4. 6.7锚固型快固结构胶安全性能鉴定标准
|
检验项目 |
性能要求 |
检验方法 | ||
|
胶体 性能 |
劈裂抗拉强度(MPa) |
28.5 |
《工程结构加固材料安全性 鉴定技术规范》GB 50728 | |
|
抗弯强度(MPa) ___ |
>50,且不得 呈碎裂状破坏 |
《树脂浇铸体性能试验 方法》GB/T 2567 | ||
|
抗斥强度(MPa) |
≥60.0 |
《树脂浇待体性能试验 方法》GB/T 2567 | ||
|
粘结 能力 |
钢对钢(钢套筒法)拉伸 抗剪强度标准值 |
≥16.0 |
《丁•程结构加固材料安全性 鉴定技术规范》GB 50728 | |
|
约束拉拔条 件下带肋钢 筋与混凝土 粘结抗剪强 度(MPa) |
C30 ≠25 埋深15Omm |
212.0 |
《工程结构加固材料安全性 鉴定技术规范》 GB 50728 | |
|
C30 ≠25 埋深 150rnrn |
≥18.0 | |||
|
经90d湿热老化后的钢套筒粘结 抗翦强度降低率(%) |
<15 |
《工程结构加固材料安全性 鉴定技术规范》GB 50728 | ||
|
经低周反复拉力作用后的试件粘结 抗剪强度降低率(%) |
≤50 |
《工程结构加固材料安全性 鉴定技术规范》GB 50728 | ||
4. 6.8胶粘剂应按工程量一次进场到位,应对其钢对钢拉伸抗 剪、钢对混凝土正拉粘结强度、7d快速耐老化性能、不挥发物 含量和抗冲击剥离能力进行见证取样复检。
4.6.9混凝土桥梁加固用胶粘剂,其钢对钢粘接抗剪性能必须 经过湿热老化检验合格,湿热老化检验应在50°C温度和98%相 对湿度环境下进行;重要构件老化时间不得小于90d, 一般构件 老化时间不得小于60d;经湿热老化后的试件,应在常温条件下 进行钢对钢粘接拉伸抗剪试验,其强度降低的百分率A级胶不 得大于10%, B级胶不得大于15%o
4. 6.10结构胶粘剂工艺性能应满足现行国家标准《建筑结构加 固工程施工质量验收规范》GB 50550的相关要求。
4.6.11胶粘剂不得掺入挥发性有害溶剂和非反应性稀释剂。
4. 6. 12寒冷地区加固用胶粘剂应进行耐冻融性能试验验证,冻 融环境温度宜一25笆〜35°C;循环次数宜大于50次;每次循环 时间应为8h;试验结束后,试件在常温条件下钢对钢拉伸剪切 强度降低率不应大于5%。
4. 6. 13浸渍树脂和纤维复合材料胶粘剂的热变形温度不应小于 60°C ;特殊环境下使用的浸渍树脂和纤维复合材料胶粘剂的热变 形温度应大于70oCo
4. 6. 14胶粘剂应进行毒性检验,对完全固化的胶粘剂,其检验 结果应符合实际无毒卫生等级的规定O
4.7混凝土用结构界面剂
4.7.1混凝土用结构界面剂宜采用改性环氣类界面剂。
4. 7. 2结构界面剂剪切粘结性能指标应符合表4. 7. 2的规定。
表4.7.2界面剂剪切粘结性能指标
|
性能指标 |
界面剂等级 |
28d合格指标 | |
|
剪切粘结强度 (MPa) |
A级 |
≥3.5 |
且为混凝土 内聚破坏 |
|
B级 |
≥2.5 | ||
4.8裂缝修补用材料
4. 8.1混凝土桥梁裂缝修补胶的性能指标应符合表4. 8.1的规 定。当修补目的仅为封闭裂缝,旦不涉及补强、防渗的要求时, 可不做灌注性检验。
表4.8.1裂缝修补用胶(注射剂)的性能指标
|
性能 项目 |
胶体性能 |
钢对钢 抗剪强度 标准值 (MPa) |
不挥发物 含量(固 体含量) (%) |
可灌注性 | |||
|
抗拉强度 (MPa) |
抗拉弹性 模話 (MPa) |
抗压强度 (MIJa) |
抗弯强度 (MPa) | ||||
|
性能 要求 |
≥2O |
≥1500 |
≥50 |
≥30,且 不得呈脆 性破坏 |
≥10 |
≥99 |
明书规定的 压力下,能 注入宽度 为 0. I mm |
4. 8.2混凝土桥梁裂缝修补用聚合物水泥注浆料的性能指标应 符合表4. 8.2的规定。
表4. 8.2裂缝修补用聚合物水泥注浆料的性能指标
|
性能项目 |
______ 性能_____ |
注浆料与混凝土的 正拉粘结强度 (MPa) | ||
|
劈裂抗拉强度 (MPa) |
抗压强度 (MPa) |
抗折强度 (MPa) | ||
|
性能要求 |
K |
≥40 |
≥10 |
≥2.5,且为混凝土破坏 |
4.9混凝土表层缺陷修复及防护用材料
4. 9. 1混凝土表层缺陷修补采用的聚合物水泥砂浆的性能指标 应符合本规程第4. 8. 2条的规定。
4. 9.2结构钢筋防锈应符合下列规定:
1宜采用喷涂型阻锈剂,承重构件应釆用氧基类或氨基类 喷涂型阻锈剂,喷涂型阻锈剂的性能指标应符合现行国家标准 《混凝土结构加固设计规范》GB 50367的规定。
2不得在新浇筑的混凝土中采用以亚硝酸盐类为主要成分 的阳极型阻锈剂。
5.1 一般规定
5. 1.1当加固钢筋混凝土受弯、受压构件时,可采用增大截面 加固法。
5.1.2加固之前,应对原结构构件的混凝土进行现场强度检测, 原构件混凝土强度应符合下列规定:
1钢筋混凝土受弯构件不应低于C20;
2钢筋混凝土受压构件不应低于Cl5o
5.1.3增大截面加固时,在施工质量满足要求后,加固后构件 可按新旧混凝土组合截面计算。
5.2受弯构件加固设计
5. 2. 1当采用增大截面加固受弯构件时,可根据原结构构造和 受力的实际情况,选用仅在受拉区、或仅在受压区、或同时在受 拉及受压区增设现浇混凝土加厚层的加固方式。
5.2. 2增大截面加固受弯构件的承载力计算基本假定应符合下 列规定:
1不同受力阶段的截面变形应符合平截面假设。
2在受弯承载力极限状态下,截而受压区边缘混凝土应变 应达到极限压应变值εcυ-0. 0033o构件截面受压区混凝土压应 力应简化为等效矩形应力图,其强度值/e应按下列规定确定:
D当受压区无新增混凝上时,应取原构件轴心抗压强度 设计值Λn或根据现场检测强度推算值按国家现行有 关标准确定。
2)当受压区有新增混凝土时,∕cc可近似按下式确定;若 有可靠试验数据,也可按试验结果确定。
fcc = 0.5(∕rdl +0. ‰)≤ 1. 2fcdl (5. 2. 2) 式中:∕cc——新旧混凝土组合截面的受压区混凝土轴心抗压强
度设计值(N∕mn√);
人H——原构件混凝土轴心抗压强度设计值(N∕mm2),现 场混凝土实测强度推算值大于原设计值时,按原 设计值取用;小于原设计值时,根据现场检测强 度推算值按国家现行有关标准确定;
儿2——新增混凝土的轴心抗压强度设计值(N∕mr∏2)°
3截面受拉区混凝土的抗拉强度可不计算。
4钢筋应力应等于钢筋应变与其弹性模量的乘积,但应力 不应超过其强度设计值。纵向受拉钢筋的极限拉应变宜取。.OlO 5.2.3当矩形截面或翼缘位于受拉区的T形截面钢筋混凝土受 弯构件进行增大截面抗弯加固时,其正截而受弯承载力(图 5.2.3)计算应符合下列规定:
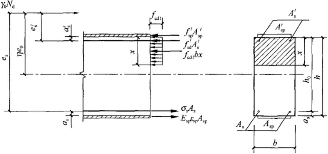
图5. 2.3增大截面加固矩形截面受弯构件的正截面抗弯承载力计算
I-受压区混凝土加厚层;2-受拉区混凝土加厚层
1混凝土受压区高度ʃ计算应符合下列公式要求:
fκbjc — Λdi ASl +asf^A^ — .ΛaιAζι —
2(q, +Λζ)≤x≤δ,Λoo (5. 2. 3-2)
r _ 1 Λc∏Ad(%] +九)+θjsedɑ般 /r 9 Q
Λoo — ∕⅛----7~a~T2^λ--(5・ Z∙ 3 — 3)
ʃsdlʃM I ɑsʃ^ʃɪs?
2当7满足公式(5.2.3-2)条件时,正截面抗弯承载力应
符合下式要求:
XoMd X IO6 ≤ fccbx 002 —奇)+ AnA:】(九02 一 IlfC — Q,)
士 Q∕sd2A's2M02 —a'&) — ∕ndiAsι(λc +αs,1 — αs2)
(5. 2.3-4)
3 当2√s2≤^<2(√s1+∕√c)时,7值应按公式(5.2.3-5)
重新确定,正截面抗弯承载力应符合公式(5.2.3-6)要求:
f(xbjC =Z ʃsdl A、]十 ɑsʃ sd2 A s2 (5∙2∙3~5)
/oM(J × IO6 ≤ fQCbX ^h02 —专)+α⅛∕ζd2Aζ2%02 — ∕Q
—AnASl (心 +gsi — %) (5. 2. 3-6)
4当hV2q's2时,可近似取z=2q's2,正截面抗弯承载力应 符合下式要求:
TrOMd X IO6 ≤ ʌdɪ ASI (Λ01 + /1C — af2 ) +αJχκAs2(∕zo2 —次江)
(5. 2.3-7) 式中:A,】、A、——分别为原构件受拉区、受压区普通钢筋的截 面面积(mm,);
As2、心——分别为受拉区、受压区新增晋通钢筋的截面 面积(mm?);
Qq——受拉区原普通钢筋A对合力点至原构件截面 受拉区边缘的距离(mm);
%——受拉区新增普通钢筋Ae合力点至加固后构 件截面受拉区边缘的距离(mm);
/——受压区原普通钢筋A,合力点至原构件截面 受压区边缘的距离(mm);
私——受压区新増普通钢筋A板合力点至加固后构 件截面受压区边缘的距离(mm);
b——原构件矩形截面宽度(mm);
fcc—新旧混凝土组合截面的受压区混凝土轴心抗 压强度设计值(N∕mπ?),按本规程第 5. 2.2条第2款确定;
須0、Λι——分别为原构件普通钢筋的抗拉、抗压强度设 计值(N∕mm2);
/娅、d——分别为新增普通钢筋的抗拉、抗压强度设计 位(N∕mm2);
h2——加固后的构件截面高度(mm);
∕∣oo 加固后构件的截面有效高度(mm);
Aol——构件受拉区原纵向普通钢筋Aid合力点至原 构件截面受压区边缘的距离(mm);
Zio2——构件受拉区新增纵向普通钢筋A就合力点至 加固后截面受压区边缘的距离(mm);
如、∕√c——分别为构件在受拉区、受压区的新增混凝土 加厚层厚度(mm);
Md——在新旧材料有效结合后,加固后受弯构件承 受的弯矩组合设计值(kN・m);
ɪ——等效矩形应力图形的混凝土受压区高度 (mm);
as一一新増钢筋强度利用系数,取0.9;
Zo——桥梁结构的重要性系数,按现行行业标准 《城市桥梁设计规范》CJJ 11规定采用;
&——正截面相对界限受压区高度,根据混凝土和 受拉钢筋种类,按现行行业标准《公路钢筋 混凝土及预应力混凝土桥涵设计规范》JTG D62规定选用,当新旧混凝土或新旧钢筋为 不同种类时,&值应选用较小者。
5.2.4对翼缘位于受压区的T形或I形截面钢筋混凝土受弯构 件,在增大截面进行抗弯加固后,其正截面受弯承载力计算应符 合下列规定:
1当混凝土受压区高度^≤λ,f2时,应以宽度为矿的矩形截 面(图5∙2.4a),按本规程第5.2.3条计算正截面受弯承载力。
(b)x>⅛,第二类T形
图5. 2.4增大截面加固T形截面受弯构件的正截面受矽承载力计算
2当混凝土受压区高度x>h∖2,并满足本规程式(5.2.3-2) 的要求时,其正截面受弯承载力(图5∙2.4b)应符合F列公式 要求:
虹■(方02 —专)+
/OMd X IO6 ≤∕cc /
(R —。)硃(九02--)
+ ∕ζd]Aζl(,02 一 ʌe 一 Q’sl)+ Qs∕zsd2A's2 (Ao2 — a'Q
—∕xjiʌsɪ (ZiC +□si —外2) (5∙ 2. 4-1)
= £diAsi +^∕sd2Λs2 — f<x(b∖-b)hf(2
~XdiAζι — αs∕,sd2A,s2 (5. 2.4-2)
式中:b -一T形或I形截面腹板宽度(mm);
b∖——T形或I形截面受压翼缘的有效宽度(mm),按现 行行业标准《公路钢筋混凝土及预应力混凝土桥涵 设计规范》JTG D62的规定釆用;
Ui、h∖2——分别为原构件、加固后构件T形或I形截面受压翼 缘厚度(mm) o
5. 2.5钢筋混凝上受弯构件在增大截面加固后,其截面尺寸应 满足下式要求:
ZoVd ≤ 0.51 X 10-3√7□Γ62ΛcK) (5. 2.5)
式中:h2——加固后构件截面宽度(mm);
∕cu,k——原构件混凝土边长为150Tnrn的立方体抗压强度标 准值(N∕mr∏2);
AOO——增大截面加固后构件相应于剪力组合设计值处的截 面有效高度(mm),按本规程公式(5.2.3-3) 计算;
Vd——加固后构件验算截面处的剪力组合设计值(kN), 含原构件重量、新增混凝土、后加恒载、车辆荷载 及其他作用产生的剪力。
5.2.6采用增大截面法加固钢筋混凝土受弯构件后,其斜截面 受剪承载力应符合下列规定:
1当仅在受拉区增设配筋混凝土层,并采用短U形筋与原 箍筋底部逐个焊接时,斜截面受剪承载力(图5. 2.6a)应符合 下列公式要求:
XoVd X IO3 ≤ 0. 45α<3械。。如E2 + °∙ 6P2)fw∖
+ 0. 75人bAsbsin0s (5. 2. 6-1)
閭=AVI/(Svi61) (5. 2. 6-2)
P2 = IOO(Asl +As2)∕(61Aoo) (5. 2.6-3)
2当增设钢筋混凝土三面围套,并在加厚混凝土内新増箍 筋采用可靠措施与原构件混凝土连接时,斜截而受剪承载力(图 5∙2∙6b)应符合下列公式要求:
+ 0. 75人bAisbsin⅛
(5. 2.6-4)
(5.2. 6-5)
(5∙2∙6-6)
=ASVI r OL 8A$v2
PSV2 Svl 但 SVibZ
P'2 ~ IOO(AAJ + A52 )∕(Z>2力Oo)
式中:ASh——与斜裂缝相交的普通弯起钢筋的总截面面积
(mm2);
Aw―配置在同一截面的原有箍筋各肢总截面面积
(mm?);
Asv2-~三面围套混凝土中,配置在同一截面的新增箍筋
混凝土加厚层
(b)新増三面围套混凝土
图5- 2.6增大截面加固受弯构件的斜截面受剪承载力计算 1 一原主筋;2-原箍筋;3—新増主筋;4一新增短U形筋 (与原箍筋对应焊接);5—新增箍筋(与原混凝土可靠连接); 6—新增受拉区混凝土; 7—新增三面围套混凝土
各肢总截面面积(mu?);
bi--原构件截面宽度(Tnm);
但--加固后构件截面宽度(mm);
ʌɪ——原构件箍筋抗拉强度设计值(N∕mm2);
人b——普通弯起钢筋的抗拉强度设计值(∖∕mn√);
ʌɔo—•加固后构件的截面冇效高度(mm),按本规程公 式(5.2.3-3)计算;
P2——加固后计算截面斜裂缝范围纵向钢筋的配筋百分 率,当 P2>2∙5 时,取 P2 = 2.5;
5vl——构件斜截面内原有箍筋的间距(mm);
sv2——三面围套混凝土中,构件斜截面内新増箍筋的间 距(rnm);
ɑɪ——异号弯矩影响系数,计算简支梁和连续梁近边支 点梁段的受剪承载力时,% = 1.0;计算连续梁和 悬臂梁近中间支点梁段的受剪承载力时,α1 =0. 9;
α3——受压翼缘的影响系数,对矩形截面灼=1・0;对 具有受压翼缘的T形或I形截面,取°3 = 1∙1;
PSVl——构件斜截面内原有箍筋配筋率;
Pm——加固后构件斜截面内的箍筋配筋率;
&―通弯起钢筋的切线与水平线的夹角(°);
如——与原构件斜裂缝有关的修正系数,当加固前未岀 现斜裂缝时,取供=0.89;当斜裂缝宽度小于 0. 2mm时,取如=0.835;当斜裂缝宽度大于 0.2mm 时,取如=0.78。
5.3受压构件加固设计
5.3.1当采用增大截面加固钢筋混凝土轴心受压构件时,其正 截面受压承载力应符合下式要求:
为Nd X IO3 ≤ 0. MyanAC】+ΛnA∖ +αc8(∕cd2Ac2 +A2AQ]
(5∙ 3. 1)
式中:Ad ʌ Λc2——分别为原构件混凝土、新增混凝土截面面积 (mm?),当加固后截面全部纵向钢筋配筋率 大于3%时,应扣除纵向普通钢筋所占的截 而面积;
△'、a,s2——分别为原有纵向受压钢筋、新增纵向受压钢 筋的截面面积(mm2);
/edɪ ʌ ∕cd2——分别为原构件混凝土、新增混凝土的轴心抗 压强度设计值(N∕mm2);
/侦、广娅——分别为原构件普通钢筋、新增普通钢筋的抗 压强度设计值(N/mm2);
Nd——加固后截面轴向压力蛆合设计值(kN);
%——综合考虑新增混凝土和钢筋强度利用程度的 修正系数,取0.8;
Ze—桥梁结构的重要性系数,按现行行业标准 《城市桥梁设让规范》CJJ 11规定采用;
CP—轴心受压构件稳定系数,根据加固后的截面 尺寸,按表5.3.1采用。
表5. 3.1钢筋混凝土轴心受压构件的稳定系数9
|
10 |
12 |
14 |
16 |
18 |
20 |
22 |
24 |
26 |
28 | ||
|
Uild2 |
≤7 |
8.5 |
10.5 |
12 |
14 |
15.5 |
17 |
19 |
21 |
22.5 |
24 |
|
Ioln |
≤28 |
35 |
42 |
48 |
55 |
62 |
69 |
76 |
83 |
90 |
97 |
|
1.0 |
0. 98 |
0. 95 |
0. 92 |
0. 87 |
0.81 |
0. 75 |
0. 70 |
0. 65 |
0. 60 |
0. 56 | |
|
IJb2 |
30 |
32 |
34 |
36 |
38 |
40 |
42 |
44 |
46 |
48 |
50 |
|
26 |
28 |
29.5 |
31 |
33 |
34.5 |
36.5 |
38 |
40 |
41.5 |
43 | |
|
lo∕r2 |
104 |
Ill |
118 |
125 |
132 |
139 |
146 |
153 |
160 |
167 |
174 |
|
0. 52 |
0. 48 |
0. 44 |
0. 40 |
0. 36 |
0. 32 |
0. 29 |
0. 26 |
0. 23 |
0.21 |
0. 19 |
注:1表中4为加固后构件计算K度,饥为加固后矩形截面短边尺寸,必为加固 后圆形截面直径,尸2为加固后截面最小回转半径。
2构件计算长度Zo的确定,两端固定为0.5/; —端固定、一端为不移动的饺 为L 一端固定、一端自由为2/; /为构件支点间长度。
5.3. 2当采用增大截面加固钢筋混凝土矩形截面偏心受压构件 时,其正截面承载力(图5.3.2)应符合下列公式要求:
XoNd X IO3 ≤ fccbzjc H- ∕,scιι Asi +α∕wA's2 —久IAq — σf2A^
(5∙ 3.2-1)
/oNdeS X IO3 ≤ fccb2x^h02 —号)+ AnA、(加2 — hfc — α∖ )
+ <^∕∖2A's2(龙02 一 QZ)—久]A"(α或 JrhC -QS2)
(5∙ 3.2-2)
εcu≤Λ1
JC
0∙ 8—02 1 ∖ J7 / r
丄 J χ^s2βcu 0: J sd2
I人2 仏=叶o+万一气
eQ = IOOO XMd/M
(5. 3.2-3)
(5. 3.2-4)
(5.3.2-5)
(5. 3.2-6)
式中:A,】、Z——分别为截面受拉区或受压较小区的原构件纵
向普通钢筋、新增纵向普通钢筋截而面积
(Inm2);
A\、A:2——分别为截面受压较大区的原构件纵向普通钢 筋、新增纵向普通钢筋截面积(mn?);
%——受拉区或受压较小区原普通钢筋A弟合力点 至同一侧原构件截面边缘的距离(mm);
L——受拉区或受压较小区新增普通钢筋A,2合力 点至同一侧加固后构件截面边缘的距离 (mm);
亦——受压较大区原普通钢筋厶,合力点至同一侧 加固后构件截面边缘的距离(mm);
心——受压较大区新增普通钢筋Ah合力点至同一 侧加固后构件截面边缘的距离(rnm);
Eg、Ef2——分别为原构件普通钢筋、新増普通钢筋的弾 性模量(N∕mm2);
β0——轴向压力对加固后截面重心轴的偏心距 (mm);
匕——轴向力作用点至截面受拉区或受压较小区新 增普通钢筋As2合力点的距离(mm);
Λ——新旧混凝土组合截面的混凝土轴心抗压强度 设计值(N∕mm2),按本规程第5. 2.2条规 定釆用;
∕lo.——构件受拉区或受压较小区原纵向普通钢筋 Aq合力点至原构件截面受压区边缘的距离 (mm);
九2 构件受拉区或受压较小区新增纵向普通钢筋
As2合力点至加固后截面受压区边缘的距离 (mm);
h2——加固后的构件截面高度(mm);
X、h"分别为构件在受拉边或受压较小边、受压较 大边的新增混凝土厚度(mm);
Md——加固后相应于轴向压力Nd的截面弯矩组合 设计值(kN ∙ m);
Nd——加固后截面轴向压力组合设计值(kN); ʃ——等效矩形应力图形的混凝土受压区高度 (mm);
αs——新增钢筋强度利用系数,取0.9;
η—偏心受压构件轴向力偏心距增大系数,按本 规程第5. 3.3条的规定计算;
σsl——受拉区或受压较小区的原构件纵向普通钢筋 应力(N∕mm2);当计算的名]>人》时,取 久 1 =fqι ;
%——受拉区或受压较小区的新增纵向普通钢筋应 力(N/mn?);当计算的σs2 > f^.时,取 =Z=/ «12 o
图5. 3. 2增大截面加固矩形截面偏心受压构件的正載面承载力计算
1 一新増混凝土(受压较大边2—新增混凝土(受拉边或受压较小边) 注:当为小偏心受压构件时.图中σftl. σs2可能变向
5.3.3当计算加固偏心受压构件正截面承载力时,对长细比大 于17. 5的构件应将轴向压力对加固后截面重心轴的偏心距%乘 以偏心距増大系数"(图5.3.2),其值应按下列公式计算:
,=[1 + 1400;/如 ⅛) (5∙ 3∙ 3-1)
^=O.2+ 2.7 ≤ 1.0 (5. 3. 3-2)
九OO
ζ? = 1. 15-0.01 ^-≤1.0 (5. 3.3-3)
內00
式中:η——偏心受压构件的轴向压力偏心距增大系数;
AoO——加固后构件的截而有效高度(mm),按本规程公式 (5. 2. 3-3)计算;
/c--加固后构件的计算长度(mm);
——荷载偏心率对載面曲率的影响系数;
§2—— 构件长细比对截面曲率的影响系数;
ψη——偏心距增大系数的修正系数,可按截面增大形式选 用:对采用对称形式的增大截面,当eo∕A2≥O.3 时,内= 1.1;当^o∕Λ2<0.3时,% = 1.2;对采用 非对称形式的増大截面,当^o∕Λ2≥O.3时,内 = 1.2;当 eo∕∕ι2<O. 3 时,* = 1.3。
5.4新旧混凝土结合设计
5.4.1在受压区加厚混凝土增大截面加固的受弯构件,当满足 本规程第5. 5.2条、第5.5.4条构造要求时,原构件与新增混凝 土现浇层之间结合面的受四承载力应符合下式要求:
δ
ZOVd ×103≤0. 12∕κZΛoo + 0. 85∕sv 竺MoO (5. 4. 1)
SV
式中:Vd——加固后最大剪.力组合设计值(kN );
Zo——桥梁结构的重要性系数,按现行行业标准《城市 桥梁设计规范》CJJ 11规定采用;
A——新旧混凝上组合截面的混凝土轴心抗压强度设计 值(N∕mm2),按本规程第5. 2.2条规定采用; b—新旧混凝土的结合面宽度(mm);
A(X)——加固后构件的截面有效高度(mm),按本规程公式 (5. 2. 3-3)计算;
A——结合面配置的箍筋或植筋抗拉强度设计值(N/ mm2);
ASV——结合而上同一竖向截面配置的箍筋各肢总截面面 积或植筋总截面面积(mπ√);
SV——箍筋或植筋的间距(mm)。
5. 4.2在受压区增设现浇混凝土加厚层的板,其新旧混凝上结 合面受剪承载力应符合下列规定:
I当在新旧混凝土的结合面上不配置抗剪钢筋时,其结合 面受剪承载力应符合下式要求:
y%X ]°3 ≤ O. 45 (5. 4. 2-1)
^oO
2当结合而符合本规程第5. 5.4条的构造规定,目.同一竖 向截面配置不少于0.3^ (以rnn?计)的竖向结合钢筋时,其结 合面受剪承载力应符合下式要求:
y0V^× IO3 2 (5.4.2-2)
OrIQQ
5.5构造要求
5. 5.1当T形梁采用增大截面法加固时,可采用底部单侧知形 加大、底部马蹄形加大或底部与腹板两侧同时加大等形式。
5.5.2新浇混凝土应符合下列规定:
1对板的新浇混凝土层厚度不宜小于IOOmm,对梁和受压 构件的新浇混凝土层厚度不宜小于15OmmO
2当新浇筑混凝土层厚度小于1 OOmm时,可釆用小石子 混凝土。在结构尺寸复杂和新浇混凝土施工条件差的情况下,可 采用微膨胀或自密实混凝土。
5.5.3加固用受力钢筋直径不宜小于12mm,不宜大于25mm; 构造钢筋直径不宜小于10mm;箍筋直径不宜小于8mmo
5.5.4新增钢筋的保护层厚度、钢筋锚固、钢筋连接、纵向受 力钢筋最小配筋率等应满足现行行业标准《公路钢筋混凝土及预 应力混凝土桥涵设计规范》JTG D62的要求,并应符合下列 规定:
1新增受力钢筋与原受力钢筋可采用短筋焊接的方式连接; 当分离布置时,新增受力钢筋与原构件受力钢筋的净距不应小于 30mm,且不应小于钢筋直径。
2新增箍筋应与原构件牢固连接。当新增箍筋与原箍筋釆 用焊接式连接(图5. 5. 4a)时,焊缝长度应满足钢筋焊接长度 的要求;当新增箍筋与原结构釆用植筋式连接(图5. 5. 4b)时,
锚固结构胶及锚固长度应满足国家现行相关标准要求。
(a)短U形筋博接式连接
图5. 5.4新增箍筋的连接构造
1--原主筋:2—原箍筋;3—新増主筋;4一新增短U形筋 (与原箍筋对应焊接)3 5—新增箍筋;6—新増受拉区混凝土;
7—新増三面围套混凝土
5.5.5在受拉区增设混凝土加固的受弯构件,新增纵向钢筋需 截断时,应从计算截断点外至少增加-个锚固长度。受压构件新 増纵向受力钢筋应伸入原结构中,并应满足锚固要求。
5. 5.6当在原构件混凝土中植抗剪钢筋时,数量应根据受力及 构造要求确定,植筋设计应按国家现行相关标准进行。
5.6施 工
5.6.1加固前应对原结构构件的截面尺寸、轴线位置、裂缝状 况、外观特征等进行检查和复核。当与原设计或现有加固设计要 求不符时,应及时通知设计单位处理。
5. 6.2混凝土构件增大截面工程的施工,应按下列步骤进行:
1清理、修整原结构、构件;
2界面处理;
3植筋或锚栓施工;
4新増钢筋制作与安装;
5安装模板,浇筑混凝土;
6养护及拆模;
7施工质量检验。
5. 6.3新增截面施工前应对原构件已有的裂缝、孔洞、混凝土 剝落等缺陷进行分析、评估和修补,缺陷及裂缝修补应符合下列 规定:
1应根据裂缝出现原因、位置、宽度、长度、深度、稳定 性等特征选择合适的裂缝修补方法;
2表面裂缝宜采用封闭修补法,其他裂缝宜釆用压力灌 浆法;
3对外露钢筋的锈蚀层及其周边粘结失效的混凝土应清除, 并应打磨钢筋至其表面露出金属光泽后,方可逬行封闭处理。
5. 6.4新旧混凝土结合面的处理应符合下列规定:
1结合面处理应按清理、凿毛、界面处理等步骤依次进行;
2应清除原构件表面尘土、浮浆、污垢、油渍、原有饰面 层、杂物、已风化、剥落、腐蚀、严重裂损的老混凝土及集料;
3花锤打毛礬出麻点宜按深3mm、600点∕n√〜800点∕n√ 均匀分布;
4砂轮机或高压水射流打毛宜在混凝土粘合面上打出方向 垂直于构件轴线、纹深3mm~4mm、冋距50mm的横向纹路;
5人工凿沟槽宜在坚实混凝土粘合面上凿出方向垂直于构 件轴线、槽深6mm、间距为IOomm〜15Omm的横向沟槽;
6当采用三面或四面新浇混凝土层外包梁、柱时,应在打 毛同时凿除截面的棱角;
7完成打毛或凿槽后,应采用钢丝刷等工具清除原构件混 凝土表面松动的骨料、砂砾、浮渣和粉尘,并应釆用清洁的压力 水冲洗干净;
8应按设计文件的要求涂刷结构界面剂。
5. 6. 5增大截面加固法应采取下列措施减少构件在新旧材料有
效结合前的荷载或变形:
1可采用减少部分恒载、封闭交通减少车辆活载、减少作 业人员和机械的施工荷载等措施。
2可采用在构件底部搭设支撑架、用临时体外预应力张拉 梁体减少构件变形等措施。
5.6.6新增截面混凝土强度达到设计要求前,应封闭交通。
5.6.7在条件受限制时,新增截面的混凝土施工可选用自密实 混凝土,并应按现行行业标准《自密实混凝土应用技术规程》 JGJ/T 283的规定执行。
5.6. 8 当结构构件新增混凝土与原构件采用植筋、锚栓等后锚 固技术施工吋,应按现行行业标准《混凝土结构后锚固技术规 程》JGJ 145和《混凝土结构工程无机材料后锚固技术规程》 JGJ/T 271规定执行。
5.6.9新増截面混凝土的模板、支架和拱架应结构简单、装拆 方便,应有足够的强度、刚度和稳定性,其设计和施工应符合现 行行业标准《城市桥梁工程施工与质量验收规范》CJJ 2和《建 筑施工模板安全技术规范》JGJ 162的规定。
5∙6∙1()浇筑混凝土前,应对F列项目按隐蔽工程要求进行 验收:
1界面处理施工质量;
2新増钢筋的品种、规格、数量和位置;
3新増钢筋与原构件的连接构造及焊接质量;
4植筋、锚栓施工质量;
5预埋件的规格、位置。
5.6.11混凝土养护应符合下列规定:
1在浇筑混凝土完毕后应及时对混凝土采取浇水、覆盖、 涂刷养护剂等方法养护。
2对采用一般性能混凝土,养护时冋不得少于7d;对特 殊性能混凝土的养护时间和方法应符合国家现行有关标准的 规定。
5.7质量检验与验收
主控项目
5. 7.1増大截面的模板、支架的制作及安装应符合专项施工方 案的要求,应稳固牢靠,接缝严密,并应符合本规程第5. 6.9条 的规定。
检査数量:全数检査。
检验方法:观察,查看方案及记录,用钢尺量。
5.7.2钢筋进场时,必须按批抽取试件做力学性能和工艺性能 试验,其质虽必须符合国家现行标准的规定。
检查数量:以同牌号、同炉号、同规格、同交货状态的钢 筋,每60t为一批,不足60t也按一批计,每批抽检1次。
检验方法:检查试件检验报告。
5. 7.3钢筋安装时,其品种、规格、数蛍、形状、位置必须符 合设计规定。
检査数量:全数检査。
检验方法:观察,用钢尺量。
5. 7.4受力钢筋以及新旧钢筋的连接接头形式、接头位置、接 头质量应符合设计和国家现行标准的要求。
检査数量:外观质量全数检査,力学性能检验应按现行行业 标准《城市桥梁工程施工与质量验收规范》CJJ 2的规定抽样。
检验方法:观察,尺量,检査接头性能检验报告。
5. 7.5新增混凝土的强度等级必须符合设计要求。混凝土取样 与留置试块应符合下列规定:
1每拌制50盘[1不超过50π?的同一配合比的混凝土,取 样不得少于1次。
2每次取样应至少留置1组标准养护试件;同条件养护试件的 留置组数应根据混凝土工程量及其重要性确定,旦不应少于3组。
检查数量:全数检查。
检验方法:检查施工记录及试件强度试验报告。
5.7.6植筋、锚栓工程所用的钢筋、锚栓、胶粘剂、灌浆材料 及其锚固承载力检验应符合国家现行有关标准及设计的规定。
检査数量:按现行行业标准《混凝土结构后锚固技术规程》
JGJ 145及设计规定。
检验方法:检査材料试验报告、合格证等,检查锚固承载力 检验报告。
一般项目
5.7.7缺陷修补后,构件应表面平整,无裂缝、脱层、起鼓、 脱落等,修补外表面与原结构表面色泽应一致。
检査数量:全数检查。
检验方法:观察,用尺量。
5.7.8构件裂缝修补的表面封缝材料固化后,应平整、均匀、 牢固,不得出现裂缝、脱落。
检查数量:全数检查。
检验方法:观察,用尺量。
5. 7. 9增大截面加固构件模板安装允许偏差应符合表5. 7. 9的 规定。
表5.7.9增大截面加固构件模板安装允许偏差
|
项 目 |
允许偏差 (mrn) |
检验频率 |
检验方法 | |
|
_围_ |
点数 | |||
|
一~轴线位置— |
5 |
每个构件 |
2 |
商全站仪测貳项横各一点 |
|
一肉尺寸 |
±5 |
3 |
~⅞兩尺量,u⅞篱各_点 | |
|
模板面高程 |
士5 |
每个支承面 |
2 |
用水准仪测量 |
|
垂直度 |
H/500?亘 不大于6 |
每个构件 |
2 |
用全站仪或垂线和钢尺量 |
|
表面平整度— |
3 . |
4 |
用2m直尺和塞尺最 | |
|
相邻两■顽i厂 表面高差 |
2 |
4 _ |
用钢板尺和塞尺量: | |
注:H为加固构件的竖向高度(mm)。
5. 7.10增大截面加固构件钢筋安装允许偏差应符合表5. 7. 10 的规定。
表5. 7.10増大截面加固构件钢筋安装允许偏差
|
项 目 |
允许偏差 (mm) |
检验频率 |
检验方法 | |
|
范围 |
点数 | |||
|
受力钢筋间距、 层距 |
÷10 |
毎个构件 |
3 |
用钢尺量,两端和中间各 一个断面,每个断面连续量 取钢筋间距〈层距),取其平 均值计1点 |
|
箍筋、水平钢的 间距 |
+ 10 |
5 |
用钢尺量,连续量取5个 间距,取其平均值计1点 | |
|
弯起筋弯起位置- |
W 20 |
話% |
用钢尺量 | |
|
保护层厚度 |
±10 |
10 |
沿模板周边检查,用钢 尺量 | |
5. 7.11钢筋表面不得有裂纹、结疤、折叠、锈蚀和油污,钢筋 焊接接头表面不得有夹渣、焊瘤。
检査数量:全数检査。
检验方法:观察。
5. 7.12混凝土拌合物的坍落度应符合配合比设计及国家现行相 关标准的要求。
检査数量:每工作班不少于1次。
检验方法:用坍落度仪检测。
5. 7.13采用増大截面加固后的构件成型允许偏差应符合表
5. 7.13的规定。
表5. 7.13增大截面加固后的构件成型允许偏差
|
项H |
允许偏差 (mm) |
检验频率 |
检验方法 | |
|
范围 |
点数 | |||
|
结构尺寸 |
土 10 |
每个构件 |
6 |
用钢尺虽,沿构件长宽高各2舌一 |
|
轴线位置 |
i±10 |
4 |
用全站仪测量,纵横各2点一 | |
|
垂直度 |
H/500,且 不大于10 |
4 |
用全站仪或垂线和钢尺量 | |
|
平整度 |
4 — |
4 |
用2m直尺和塞尺量 | |
注:H为加固构件的竖向高度(mm)。
6.1 一般规定
6. 1.1当加固钢筋混凝土受弯、受压及受拉构件时,可采用粘 贴钢板加固法。
6. 1. 2被加固混凝土构件的混凝土强度要求应符合本规程第 5.1.2条的规定。
6.1.3粘贴钢板外表面应进行防护处理。表面防护材料及胶粘 剂应满足环境和安全要求。
6.1.4当被加固构件处于高温、高湿、介质侵蚀等特殊环境时, 应采用耐环境因素作用的胶粘剂,并应符合现行国家标准《工程 结构加固材料安全性鉴定技术规范》GB 50728的规定。
6.1.5当粘贴钢板加固混凝土结构时,宜将钢板设计成仅承受 轴向力作用。
6.2受弯构件加固设计
6.2.1粘贴钢板加固受弯构件的正截面承载力计算基本假定应 符合下列规定:
1不同受力阶段的截面变形应符合平截面假设。
2构件截面受压区混凝土的压应力应简化为等效矩形应力 图,其强度取混凝土的轴心抗压强度设计值.Aw截面受拉混凝 土的抗拉强度可不予计算。
3极限状态计算时,受拉区钢筋应力取其抗拉强度设计值 /m或/E (小偏压构件除外);受压区或受压较大边钢筋应力取 其抗压强度设计值f'或Zpdo
4钢筋应力等于钢筋应变与其弹性模量的乘积,但不应大 于其强度设计值。
5构件达到受弯承载能力极限状态时,按平截面假定确定 钢板的拉应变钢板应力%等于拉应变%与弹性模量ESP的 乘积,且小于钢板抗拉强度设计值。
6在达到受弯承载能力极限状态前,不应发生钢板与混凝 土之间的粘结剥离破坏或混凝土内聚破坏。
6. 2.2当矩形截面或翼缘位于受拉区T形截面钢筋混凝土受弯 构件在受拉面粘贴钢板加固时,其正截面受弯承载力(图 6.2.2)计算应符合下列规定:
b
图 6. 2.2
正截面受弯承载力计算
1混凝土受压区高度]应按下列公式计算:
fcd∖ bx = ∕st∣As + EψespAsp — AdA R
3( Bh —7)_ 5(h — 71) ʃ ʃj
(6. 2.2-1)
(6. 2.2-2)
(6. 2. 2-3)
(6. 2. 2-4)
2当混凝土受压区高度Z符合式(6.2.2-5) 弯承载力应按本规程式(6.2.2-6)计算:
时,正截面受
/o Ml ≤ An &
2αζ ≤x≤ ζ∖Jio
(6. 2.2-5)
(ʌo — y)+ΛdAζ(A0
-GS) + ESPEsPAsp。S
(6∙ 2.2-6)
3当混凝土受压区高度Z符合式(6.2.2-7)时,正截面受 弯承载力应按式(6.2.2-8)计算:
ʃ < 2α,s (6.2.2-7)
X)Ml ≤∕sdΛX¼ — ) + ESPετAφ(A~as) (6. 2. 2-8)
式中:*——桥梁结构的重要性系数,按现行行业标准《城市桥 梁设计规范》CJJ11规定采用;
Md——新旧材料有效结合后弯矩组合设计值(k∖∙m);
ʃedɪ——原构件混凝土抗压强度设计值(N∕mr∏2);
ʃ——等效矩形应力图形的混凝土受压区高度,简称混凝 土受压区高度(mm);
b、h——分别为原构件截面宽度和高度(∏ιm);
‰、Λ-一分别为原构件纵向普通钢筋的抗拉强度设计值和抗 压强度设计值(N∕mm2);
ESI)——加固钢板的弾性模量(N∕mπ√);
Ag——加固钢板的截面面积(mm?);
&、A,——分别为原构件受拉区、受压区纵向普通钢筋的截面 面积(mn?);
。八兀~~受拉区、受压区普通的钢筋合力点至受拉区边缘、 受压区边缘的距离(Tnm);
AO——原构件截面有效高度(mm);
5——混凝土极限压应变,当混凝上强度等级为C50及以 下时,取εcu=0. 0033;当混凝土强度等级为C80时, 取εcu=0. 003;中间强度等级用直线插入求得; 正截面相对界限受压区高度,根据原构件混凝土和 受拉钢筋种类,按现行行业标准《公路钢筋混凝土 及预应力混凝土桥涵设计规范》JTG D62规定 选用;
MkI——新旧材料有效结合前弯矩组合标准值(kN-m);
τ1——加固前原构件开裂截面换算截面的混凝土受压区高 度(mm),按本规程第6. 2.4条或第6. 2.5条 计算;
ZCr——加固前原构件开裂截面换算截面的惯性矩(mπ√ ), 按本规程第6. 2.4条或第6. 2. 5条计算;
EC——原加固构件混凝土的弾性模量(NZmm2)5
εcι——在作用下,原构件截面受压边缘混凝土压 应变;
β—截面受压区矩形应力图高度与实际受压区髙度的比 值,按表6.2.2选取。
表6.2.2系数。值
|
混凝土强度等级 |
C50及以下 |
C55 |
C60 |
C65 |
C70 |
C75 |
CBO |
|
阡0.9 |
一 |
0. 79 |
0. 78 . |
0.77 _ |
0. 76 |
0. 75 |
0. 74 |
6. 2.3当翼缘位于受压区的T形或I形钢筋混凝土截面受弯构 件在受拉而粘贴钢板加固时,其正截面抗弯承载力计算应符合下 列规定:
1当混凝土受压区高度 时,应以宽度为矿的矩形截
面(图6.2∙3a),按本规程第6.2.2条公式计算正截面受弯承 载力。
2当混凝土受压区高度x>h∖时,其正截面抗弯承载力
(图6. 2. 3b)应按下列公式计算:
/oMd ≤ /cdi (ʌɔ - y )一
(b'ι — b )h ∖ (ho —
+ EiψdpAsp (/? — ɑɔ
(6. 2.3-1)
混凝土受压区高度Z应按本规程公式(6.2.2~2)〜公 式(6.2.2-4)和下式计算,并应满足本规程式(6.2.2-5)的 要求:
∕cdi^r +/Cdl (Z>,f — b')h∖ = £<]AS +EgpAiφ(6. 2. 3-2) 式中:话——T形截面受压翼缘厚度(mm);
b∖——T形截面受圧翼缘的有效宽度(mm),按现行行业 标准《公路钢筋混凝土及预应力混凝土桥涵设计规 范》JTG D62的规定采用。
(a) XWKt
(b) x>h∖
图6.2.3 T形或1形截面受拉区钢板加固正截面受弯承载力计算
6.2. 4原构件开裂矩形截面换算截面的混凝土受压区高度ʃɪ及 惯性矩LH (图6. 2.4)的计算应符合下列规定:
1加固前原构件开裂截面换算截面的混凝土受压区高度ʃɪ 应按下列公式计算:
ɪɪ =JN\ + .1 — Ai (6. 2. 4~1)
Al = αεs(Aji] + A。)/。] (6. 2∙4-2)
BI = 2OfES(ASI/知 + A 寸口 $])/Al (6.2.4~3)
图6. 2.4矩形截面换算截面示意图
aES = Eq/Ed (6. 2. 4-4)
2加固前原构件开裂截面换算截面的惯性矩妇应按下式 计算:
ʃerɪ = ESAq (ʌoɪ —ɪi )2 +ɑɛsʌsi (ɪi 一£1)?
(6. 2.4-5)
式中:A】、Bl——计算系数;
αES——原构件普通钢筋与混凝土弹性模量之比;
ASIS A'——分别为原构件受拉区、受压区纵向普通钢筋 的截面面积(mm?);
bγ——原构件截面宽度(mm);
ʃɪ--加固前原构件开裂截面换算截面的混凝土受 压区高度(mm);
/ɪɔɪ——加固前截面高度(mm);
亦——受压区原纵向普通钢筋A'合力点至原构件截 面受压区边缘的距离(mm);
ICrI——加固前原构件开裂截面换算截面的惯性矩 (mm4);
ESI——原构件纵向受拉普通钢筋的弹性模量(N/
mm2);
ECI——原构件混凝土的弹性模量(N∕mm2)o
6. 2.5原构件开裂T形或I形截面换算截面的混凝土受压区高 度与及惯性矩L”(图6.2.5)的计算应符合F列规定:
∙5Γ
b;i
& <77
图6. 2. 5 '「形截面换算截面示意图
1加固前原构件开裂截面换算截面的混凝土受压区高度叫 应按下列公式计算:
ɪɪ = a/A: + B] — AI (6. 2. 5-1)
A1 = [αESASl + (6;I 一缶)(矿ι)2]Al (6. 2.5-2)
Bl = [2«ESASaAOI + (6n 一缶)(Λ∏)2J∕61 (6. 2. 5-3) 2加固前原构件开裂截面换算截面的惯性矩IE应按下式 计算:
ʃeri = /3 — (6∏ 一b∖) (ʃI — IIiI )3∕3 +αESAAI (7ι0ι — ʃɪ)2
(6. 2.5-4) 式中:h*——原构件T形或1形截面受压翼缘厚度(mm);
队——原构件T形或I形截面受压翼缘的有效宽度 (mm),按现行《公路钢筋混凝土及预应力混凝土 桥涵设计规范》JTG D62的规定采用。
6. 2.6对受弯构件的正截面加固,其受拉面沿轴向粘贴钢板的 截断位置,应从其强度充分利用的截面起算,取不小于按下式确 定的粘贴延伸长度:
ZP =厶舎+300 (6. 2.6)
qbp
式中:ZP——受拉钢板粘贴延伸长度(mm);
hp——对梁为受拉面粘贴钢板的总宽度(mm);对板为
Im板宽范围内粘贴钢板的总宽度(mm);
ASP——加固钢板的截面面积(mm?);
A——加固钢板的抗拉强度设汁值(N∕mr∏2);
rp 钢板与混凝土之间的粘结强度设计值(N∕mn√ ),
设计值可按表6. 2. 6采用。
表6.2.6钢板与混凝土之间的粘结强度设计值(N∕mm2)
|
混凝土强度等级__ |
C15 |
C20 |
C25 |
C30 |
C35 |
C40 |
C45 |
C50 |
≥C60 |
|
粘结强度设计值TP |
0.61 |
0. 80 |
0. 94 |
1.05 |
1. 14 |
1.21 |
L 26 |
1.31 |
1.35 |
6.2. 7受弯构件粘贴钢板加固后的截面尺寸应满足下式要求:
y0Vd ≤ 0.51 XlO-3(6. 2.7) 式中:Va——加固后构件验算截面处的新旧材料冇效结合后剪 力设计组合值(kN);
∕eu,κ——原构件混凝土边长为15Omm立方体抗压强度标准 值(N∕mm2);
b—原构件截面宽度(mm);
AO——原构件截面有效高度(mm),按本规程公式 (6.2. 2-4)计算。
6. 2.8当采用加锚箍、粘贴各种U形箍、L形箍或斜向钢板对 钢筋混凝土梁进行抗剪加固时,其斜截面承载力计算应符合本规 程第5. 2.6条的规定。
6.3矩形截面偏心受压构件加固设计
6. Xl当粘贴钢板加固钢筋混凝土偏心受压构件时,其正截面
承载力(图6. 3.1)应按下列公式计算:
Xo Nd W 須Cdl + ʃZSdA S + ∕sp A j⅞p (JSAS ESPeSPASP
(6∙ 3∙ I-I)
Xt>Ndes WfCdIbH∙ (ho — y ^+∕,stiA,s(Λo -UfS)
+ ∕spA,spΛo + Espε5pΛsp6t.s (6. 3. 1-2)
Λdifer(es-A0 + 专)=
OSASgS + EwpS叩2‰p (g$ + QS)
—∕lιA2's -
—ɑɔ
(6. 3. 1-3)
(6. 3. 1-4)
(6∙3∙ 1-5)
I h
% =孕O十万一 a3
/ h I /
e,=平M五十s
AO =A- QS
Md
Z> =T —--
0 Nd
(6∙3∙ 1-6)
(6. 3- 1-7)
式中:/0——桥梁结构的重要性系数,按现行行业标准《城市桥 梁设计规范》CJJ 11规定采用;
Nd——新旧材料有效结合后轴向力组合设计值(kN);
Λdi——原构件混凝土抗压强度设计值(N∕mm2);
"Λ-一 别为原构件纵向普通钢筋的抗拉强度设计值和抗 压强度设计值(N∕mm2);
图6. 3.1偏心受压构件正截面承载力计算
A,、A; 分别为构件截面受拉边或受压较小边普通钢筋和受
压普通钢筋的截面面积(mn√);
A%、A:P——分别为构件截面受拉边或受压较小边钢板和受压钢 板的截面面积(mm2);
ɪ--混凝土受压区高度(mm);
b、h ——分别为原构件截面宽度和高度(mm);
Λo——原构件截面有效高度(mm);
Qn——受拉区、受压区普通钢筋合力点至受拉区边缘、受 压区边缘的距离(mm);
4、我——分别为轴向力作用点至截面受拉普通钢筋1合力 点和受压普通钢筋A;合力点的距离(mm);
e0--轴向力对截面重心轴的偏心距(mm);
η—偏心受压构件考虑二阶弯矩影响的轴向压力偏心距 增大系数,按本规程第5. 3.3条的规定计算;
P——加固钢板的抗压强度设计值(N∕mr∏2);
西——受拉边或受压较小边纵向普通钢筋的应力(N/ mm2),取值按本规程第6. 3. 2条计算。
Md——相应于Nd的新旧材料有效结合后弯矩组合设计值 (kN ∙ m);
ESP——加固钢板的弹性模量(N∕mπ√);
εsp——构件达到承载能力极限状态时加固钢板的拉应变。
6. 3.2两侧粘贴钢板加固的矩形截面偏心受压构件截面受拉边 或受単较小边纵向普通钢筋的应力σs应按下列情况采用:
1当时,为大偏心受压构件,截面受拉边原构件纵 向普通钢筋AS的应力取σ.=fxio
2当£>&时,为小偏心受压构件,截面受拉边原构件纵 向普通钢筋AS的应力可按下列公式计算:
员=SES (冷一1) (6. 3.2-1)
(6. 3∙2-2)
—ʃsd WW f 3
E =产 flQ
(6∙ 3.2-3)
式中:εcu-混凝土极限区应变,当混凝土强度等级为C50及 以下时,取5 = 0.0033;当混凝土强度等级为 C80时,取队=0.003;中间强度等级用直线插入 求得;
ES——原构件受拉区纵向普通钢筋的弹性模量(N/ mn/).
B——截面受压区矩形应力图高度与实际受压区高度的 比值,按本规程表6.2.2选取;
-r——混凝土受压区高度(mm);
&——相对受压区高度。
6.3. 3两侧粘贴钢板加固的矩形截面偏心受压构件截面受拉边 或受压较小边钢板的应力g应按下列公式计算:
. ∕sp bsp J 8spEjφ ʃsp
(6∙3∙3∙1)
βh —JC ɛsp "ɛeu ɛpl
(6. 3.3-2)
T
式中:J——截面受拉边或受压较小边钢板的应变,拉应变为正 号,压应变为负号;
εpl- 原构件在新旧材料冇效结合前荷载作用下钢板的滞 后应变,按本规程第6. 3.4条的规定计算,计算时 应计入应变符号,拉应变为正号,压应变为负号;
&——加固钢板的抗拉强度设计值(N∕mr∏2)°
6.3.4两侧粘贴钢板加固的矩形截面偏心受压构件钢板的滞后 应变5应按F列公式计算:
1当原构件为轴心受压构件时:
U = NdI ,
(6. 3. 4-1)
Pl _ [e + <⅛(A,+A[)]Ec
式中:Ndl——新旧材料有效结合前轴力组合设计值(kN);
QES——原构件普通钢筋与混凝土弹性模量之比;
EC——原构件混凝土弾性模量(N∕mm2)°
2当原构件为大偏心受压构件时:
* =y½ (6. 3.4-2)
式中:ʃI——加固前原构件开裂截而换算截面的混凝土受压区高 度(mm);
εcl— -原构件受压较大边混凝土的应变(负号),按行业 标准《公路桥梁加固设计规范》JTG/T J22的规 定计算。
3当原构件为小偏心受压构件时:
ɛpi = ɛd —*(4】一釦) (6・ 3. 4・3)
式中:εsl——新旧材料有效结合前原构件截而受拉边或受压较 小边纵向普通钢筋的应变,按行业标准《公路桥梁 加固设计规范》JTG/T J22的规定计算。
6. 3.5对小偏心受压构件,当轴向力作用在纵向普通钢筋A 合力点与A;合力点之间时,抗压承载力计算尚应符合下列规定:
YoNde' ≤ fa^bh{hfQ -奪)+
(ΛιAsι +Xj2AQ(H-Qs) -APA^aii (6. 3. 5-1)
/ h /
e =W —明—J
(6. 3. 5-2)
Zz O = h ——αs (6. 3. 5-3)
式中:/——轴向力作用点至截而受压较大边纵向普通钢筋 合力点的距离(mm),计算时偏心距%可不考虑 增大系数小
h∖——截面受压较小边边缘至受压较大边纵向普通钢筋合 力点的距离(mm);
h——原构件截面高度(mm)。
6∙ 3.6当单侧粘贴钢板加固或两侧粘贴钢板加固I形截面偏心 受压构件时,正截面承载力计算应符合现行行业标准《公路钢筋 混凝土及预应力混凝土桥涵设计规范》JTG D62和本规程第 6.3.1条〜第6.3.4条的规定。
6.4受拉构件加固设计
6. 4.1当两侧粘贴钢板加固轴心受拉构件时,其正截面承载力 (图6. 4.1)应按下列公式计算:
7o^G
图6. 4.1轴心受拉构件正截面承载力计算
XoNd2 ≤ ʌiʌs +Esp(εy —細)AjiP (6. 4. IT) εPJ=(6∙4.1∙2) % =合 (6. 4. 1-3)
式中:Nd2——新旧材料有效结合后轴向力组合设计值(kN); Ndi——新旧材料有效结合前轴向力组合设计值(kN); ∕fd——原构件纵向普通钢筋的抗拉强度设计值(N∕mr∏2); AS——原构件受拉普通钢筋全部截面面积(∏ιrn2); ASP—钢板全部截面面积(mm?);
氏——原构件受拉普通钢筋的弹性模量(N∕mm2);
Esp——加固钢板的弹性模S (N∕mm2);
εy——与原构件受拉普通钢筋强度设计值相对应的应变; εpl——原构件在新旧材料有效结合前•荷载作用下受拉边 钢板的滞后应变。
6. 4.2两侧粘贴钢板加固矩形截面,当轴向拉力Nd位于A◎和 A.】的合力与A院和As2的合力之间时,属小偏心受拉构件,其正 截面承载力(图6.4.2)应按下列公式计算:
YoNd2 × IO3 ≤ /sdʌb + E&ti +εt2 )Aτ + EsψεtpAτp + ESPebP-Al)P
(6. 4.2-1)
yoNd2eb2 X IO3 ≤ Es(ell +εt2)AΛs
+ EspεtpΛtp(Λs ÷αt) — Espβb(JAl)P(6. 4. 2-2) >θNd2 8[2 Xi。' V ʃsd-ʌbʌs + ɪ-ZSPɛbp-ʌbp (ʌs + Qb) EsPGPAtPQt
(6.4.2-3)
钢筋和钢板的应变应按下列公式计算:
|
1 Ndl × IO3 % _ TT7l EAh |
(6.4.2 - 4) |
|
U =Ndl X IO, tl 1 + a】 ESAt |
(6.4.2-5) |
|
=厶__L_ N出 X IO, W"-E l+α1 ESAh |
(6.4. 2-6) |
。会 + 虹 S (∕¾ +。2 +。2凡)(1 十 j⅛)+ 匕(1 + 岡 + O2βt)囚]斗2
l÷≠Cfb(j⅛÷¾ + a2βb)βb + & (讦R +α2∕⅛)d +&)]
|
(6. 4.2-7) | |
|
ɛtp =(1 +廚)& —海成 |
(6. 4. 2-8) |
|
EbP =(1 +^b)εb2 一凡& |
(6. 4. 2-9) |
|
AS = Λt+AI) |
(6.4.2-10) |
|
MdI X IO3 e^~NΓ~ |
(6.4.2-11) |
|
P 2% eIi 一 η JL-Qi |
(6.4.2-12) |
|
2。色 Ci = η---- 1 -Qi |
(6. 4.2-13) |
|
Ogi =竺 Vl Gi |
(6.4.2-14) |
|
r |
(6.4.2-15) |
|
f |
(6. 4.2-16) |
q
(6.4.2-18)
(6. 4.2-19)
(6. 4.2-20)
&=冬
,ESP ψ=t
式中:Zo——桥梁结构的重要性系数,按现行行业标准《城市桥 梁设计规范》CJJ J l规定采用;
Nd2——新旧材料有效结合后轴向力组合设计值(kN);
NdI——原结构新旧材料有效结合前轴向力组合设计值 (kN);
厶——原构件纵向普通钢筋的抗拉强度设计值(Wmmf
AS——原构件纵向普通钢筋的截面面积(mn?);
At——原构件上缘纵向普通钢筋的截而面积(mm?);
Ab——原构件下缘纵向普通钢筋的截面面积(mm?);
Atp、AbP——分别为上缘和下缘加固钢板的截面面积(mm?);
h——原构件矩形截面的高度(mm);
%、Qb——分别为上缘和下缘普通钢筋合力点至边缘的距离 (mrn);
h,——为上缘和下缘普通钢筋合力点之间的距离(mm); -轴向力对截面重心轴的偏心距(mm),第一次受力 时:=1,第二次受力时/ = 2;
外、卽——分别为轴向力作用点至截面上缘和下缘受拉普通钢 筋合力点的距离(mm);
ESP——加固钢板的弹性模量(N∕mm2);
人P——加固钢板的抗拉强度设计值(N/mm'2);
ɛtpʌ εbp-构件达到承载能力极限状态时,两侧加固钢板的拉
应变,其值不应大于钢板极限应变;
Qi——轴向力作用点至截面下缘和上缘受拉普通钢筋合力 点的距离的比值;
昆、Bb-…分别为上缘和下缘普通钢筋合力点至边缘的距离与 作用点至截面上缘受拉普通钢筋合力点的距离的 比值;
成金、ζi——分别为下缘钢筋截面而积、上缘和下缘加固钢板的 截面面积与上缘钢筋截面面积的比值;
ψ—为加固钢板与原结构钢筋弹性模量的比值。
6. 4.3两侧粘贴钢板加固矩形截面,当轴向拉力Nd不位于Aspi 和A妇的合力与人城和A即的合力之间时,属大偏心受拉构件,其 正截而承载力(图6. 4. 3)应按下列公式计算:
>c Nd W Ysd-As + ESPEJtPASP — fc^γbz ~ S JVSPA SP
(6. 4.3-1)
ZoNdes ≤ ∕cdι bx
— a:)
-J SPA SPAO + ESPeSPASPQS
(6. 4. 3-2)
图6. 4.3大偏心受拉构件正截面承载力计算
T V 2α,s (6. 4. 3-5)
1当混凝土受压区高度∙r符合式(6.4.3-4)时,加固钢板 的拉应变J应按本规程式(6.2.2-2)计算。
2当混凝土受压区高度N符合式(6.4.3-5)时,加固钢板 的拉应变丄应按本规程第6. 4.4条计算。
式中:/edɪ——原构件混凝土抗压强度设计值(N/mm2);
人a、Λ——分别为原构件纵向普通钢筋的抗拉强度设计值和 抗压强度设汁值(N∕mm2);
A,、AZS——分别为原构件受拉和受压纵向普通钢筋的截面面 积(mm?);
A叩、A,——分别为受拉钢板和受压钢板的截面面积(mr√);
ɪ——混凝土受压区高度(mm);
——加固钢板的抗压强度设计值(NZmm2)5
εsp——构件达到承载能力极限状态时,加固钢板的拉 应变;
&——相对界限受压区高度,按原构件混凝土和受拉普 通钢筋强度级别,应按现行行业标准《公路钢筋 混凝土及预应力混凝土桥涵设计规范》JTG D62 规定选用。 、 、
6. 4.4两侧粘贴钢板加固的矩形截面关偏心受拉构件翩面受拉 边钢板的应变勺应按下列公式计算:
=J 例 f) 一 ɛeɪ(ʌ- ɪi ) 卯 X Xy
≤⅛E (6. 4.4-1) 匕SP
(6.4.4-2)
_ NdleOJrl 釦=ET
Mn Ndl
(6∙ 4.4-3)
式中:fsp——加固钢板的抗拉强度设计值(N∕nιm2);
ʃ,——加固前原构件开裂截面换算截面的混凝土受压区 高度(mm);
β一截面受压区矩形应力图高度与实际受压区高度的 比值,按本规程表6. 2.2选取;
EC——原构件混凝土的弹性模量(N∕mr∏2);
ESP——加固钢板的弹性模量(N∕mm2);
ICr——加固前原构件开裂截面换算截面的惯性矩 (mm4);
e0--轴向力对截面重心轴的偏心距(mm);
εcl——在NdMO作用下,原构件截面上边缘混凝上压 应变。
6.5构造要求
6. 5.1 对钢筋混凝上受弯构件进行正截面加固时,钢板宜采用 条带粘贴,钢板的宽厚比不应小于30。
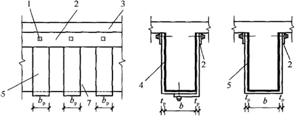
6.5.2当粘贴的钢板延伸至支座边缘仍不满足本规程第6. 2.6 条延伸长度的要求时,应采取F列锚固措施:
1对梁,应在延伸长度范围内均匀设置U形箍(图 6.5.2),且应在延伸长度的端部设置一道加强箍。U形箍应伸
图6.5.2梁粘贴钢板端部锚固措施
1 一支座;2-U形箍(加强);3—U形箍;4纵向压条;
5—锚栓;6—梁;7—钢板
至梁翼缘板底面。U形箍的宽度,对端箍不应小于2()0mm; 对中间箍不应小于受弯加固钢板宽度的1/2,且不应小于 IOOmmO U形箍的厚度不应小于受弯加固钢板厚度的1/2。U 形箍的I:端应设置纵向钢压条;压条卜'面的空隙应加胶粘钢垫 块填平。
2对板,应在延伸长度范围内通长设置垂直于受力钢板方 向的压条。压条应在延伸长度范围内均匀布置,旦应在延伸长度 的端部设置一道。钢压条的宽度不应小于受弯加固钢板宽度的 3/5,钢压条的厚度不应小于受弯加固钢板厚度的l∕2c
6.5.3 当采用钢板对受弯构件负弯矩区进行正截面承载力加固 (图6. 5. 3)时,应采取下列构造措施:
1对负弯矩区进行加固时,钢板应在负弯矩包络图范围内 连续粘贴;其延伸长度的截断点应按本规程第6. 2.6条确定。
2对无法延伸的一侧,应对粘贴钢板压条进行锚固。钢压 条下面的空隙应加胶粘钢垫块填平。
|
----------,■厂 ■ ・ . . |
板 |
■ I B |
Φ
图6. 5. 3负弯矩区粘贴钢板端部锚固措施
1一钢板压条;2一钢板;3—锚栓
6. 5.4当采用钢板进行斜截面承载力加固时,应粘贴成斜向钢 板、U形箍或L形箍(图6. 5. 4)O斜向钢板和U形箍、L形箍 的上端应粘贴纵向钢压条,并应锚固。
6. 5. 5直接涂胶粘贴钢板宜使用锚固螺栓,锚固深度不应小于
6. 5倍螺栓直径。螺栓布置向距应符合下列规定:
(a) U形箍或L形箍粘贴方式
(b)斜向钢板粘贴方式
图6.5.4钢板抗剪箍及其粘贴方式示意图
1 一附加锚固栓;2-钢板压条;3-桥面板;4-L形箍;
5—U形箍;6-斜向钢板;7—梁
1螺栓中心最大间距应为24倍钢板厚度;最小间距应为3 倍螺栓孔径;
2螺栓中心距钢板边缘最大距离应为8倍钢板厚度或 12Omm中的较小者。最小距离宜为2倍螺栓孔径。
6.5.6锚固螺栓设计应符合现行行业标准《混凝土结构后锚固 技术规程》JGJ 145的相关规定。
6.6施 工
6. 6. 1压力注胶粘贴钢板加固应按下列步骤施工:
1施工准备;
2粘贴界面处理,标定粘贴位置;
3植入钢板锚固螺栓;
4钢板加工制作;
5钢板安装;
6钢板封边处理;
7配制胶粘剂;
8压力注胶;
9检査有效粘贴面积;
10钢板表面涂装防护;
11施工质量验收。
6.6.2涂抹胶粘剂粘贴钢板加固应按下列步骤施工:
1施工准备;
2粘贴界面处理,标定粘贴位置;
3植入钢板锚固螺栓;
4钢板加工制作;
5加压系统设置;
6配制及涂抹胶粘剂;
7加压粘贴钢板;
8检查有效粘贴面积;
9钢板表面涂装防护;
10施工质量验收。
6.6.3粘贴钢板加固施工环境应符合下列规定:
1胶粘剂和混凝土缺陷修补胶应密封,并应存放于常温 环境。
2钢板粘贴宜在5°C〜35°C环境温度条件下进行;当环境 温度低于5笆时,应釆用低温环境配套胶粘剂或釆用升温措施。
3当环境有露霜凝结时,应采取除湿措施,或采用可带水 作业的特种胶粘剂粘贴。
6. 6.4粘贴界面处理应符合下列规定:
1拟粘贴钢板部位的混凝土面应凿除粉饰层、油垢、污物, 并应打磨、修补、吹洗干净。
2构件表面裂缝均应修复和封闭,宽度大于().2mm的裂 缝,应采用压注裂缝修补用胶修复。
3构件表面可采用电动打磨或高压水冲洗清理,应裸露混 凝土结构层新面,清理后的表面应保持干燥。
4施工现场宜配备防尘吸尘设施。
5被加固混凝土构件表面的孔洞、麻面、高低差、露筋等 缺陷应采用混凝土缺陷修复材料进行修复并打磨平整。
6.6.5钢板锚固螺栓植入应符合下列规定:
1螺栓直径、有效植入深度、间距、螺栓与钢板的边距应 符合设计要求。当设计无要求时,应符合下列规定:
1) 根据钢板宽度,可采用Mlo或M12锚固螺栓;
2) 螺栓有效植入深度不宜小于6∙ 5倍螺栓直径;
3) 螺栓与钢板的边距不应小于3倍螺栓直径;
4) 螺栓间距不应大于50OmmO
2锚固螺栓成孔直径和施工工艺应符合现行国家标准《建 筑结构加固工程施工质量验收规范》GB 50550规定。
3确定锚固螺栓钻孔位置前应探测粘贴面的钢筋分布,当 遇钢筋障碍时,应调整孔位并对原孔采用植筋胶填充密实O
6.6. 6钢板加工制作应符合F列规定:
1钢板开料剪裁宜在工厂自动切割,钢板边缘应光滑无翘 曲,边缘缺陷应清除。钢板的不平度应符合现行国家标准《热轧 钢板和钢带的尺寸、外形、重量及允许偏差》GB/T 709的 规定。
2钢板开料长度应符合下列规定:
D当板长在12m以内,宜采用无拼接口的整板;
2) 板拼接时连接焊缝的强度不应低于钢材强度;
3) 拼接的接缝应避开结构构件受力最大的位置。
3钢板粘贴面宜采用喷砂或抛丸除锈清除钢板表层氧化膜, 或采用电动角磨机打磨直至露出金属光泽,打磨后的纹路应与受 力方向垂直,并应符合现行国家标准《涂覆涂料前钢材表面处理 表面清洁度的目视评定 第1部分:未涂覆过的钢材表面和全面 清除原有涂层后的钢材表面的锈蚀等级和处理等级》GB/T 8923.1的相关规定。
4钢板锚固螺栓孔位开孔应符合下列规定:
D应按已植入的锚固螺栓实际位置建立坐标基线,对钢 板放样;
2)宜采用机钻钻孔,孔的边缘应清除刺屑,孔缘不得有 油污。
5钢板粘贴完后,应按设计要求对其表面进行防腐处理。
6.6.7压注粘贴钢板的安装与锚固应符合F列规定:
1钢板安装时,钢板应处于已除尘、除锈状态,结构粘贴 面应干燥。
2安装紧固钢板时,应在钢板与粘贴界面间适当位置加设 垫片。
3当粘贴钢板上设有钢压条通过时,压条与构件间的缝隙 应采用涂抹有胶粘剂的钢板填充。
4钢板安装后锚固螺栓的螺帽宜加盖粘结密封。
6. 6. 8胶粘剂配制应符合下列规定:
1不得在雨中或尘土飞扬的环境中配制胶粘剂。
2胶粘剂配制应按产品使用说明的规定进行,配制的容器 不得有油污和杂质,胶粘剂应控制在产品使用说明规定的可操作 时间内使用。
3胶粘剂配制应按配比混合主剂和硬化剂,充分搅拌均匀, 每次配制的量应在可操作时间内用完。
6. 6.9压力注胶应符合下列规定:
1当钢板厚度大于5mm或小于IOmm时,宜采用压力注 胶粘结。
2钢板的周边宜用修补混凝土缺陷的胶粘剂进行封闭,高 处位置预埋排气软管,间距不宜超过2m;钢板低处应设注浆孔 和粘装注浆座,间距不宜超过2m。
3压注胶粘剂前,应对已安装的钢板冋隙进行通气密封测 试,测试气压宜为O. IMPa-O. 2MPao
4应采用低压注胶,压力应控制在0.1MP&〜0.2MPa之 冋,直至高处排气管流出胶液不含气泡,封闭排气管,稳压 5min后封闭注浆孔。压注压力不得超过0. 3MPao
5胶粘剂厚度宜为3mm~5mm,且不应超过5mm。
6当钢板粘贴长度超过6m时,宜从构件中部对称多点同 时压注。
7当采用压缩空气压注胶粘剂时,空压机应有水油分离器。 6.6.1()涂抹胶粘剂粘贴钢板应符合下列规定:
1当钢板厚度小于或等于5mm时,宜直接涂抹胶粘剂粘 贴。在钢板表面宜均匀涂刷胶粘剂,胶断面宜成三角形,板中胶 厚宜为3mm〜5mm,紧固锚固螺栓,使钢板与界面紧密粘合, 并清理板边被挤出的胶粘剂。
2涂抹胶粘剂粘贴的钢板不应超过2层。
3将钢板粘贴在混凝土表面后应采用加压系统加压,以胶 液刚从钢板边缝挤出为控制指标o钢板加压的顺序应由中间向两 边对称进行。
4固化达到18h后方可拆除钢板外表的加压装置,温度低 于10°C时应延长拆除加压装置时冋。
5结构固化期间严禁扰动粘贴钢板。
6.6.11钢板外露面应除锈,直至露出金属光泽,并应按设计要 求涂装防护。
6.7质量检验与验收
主控项目
6. 7.1撤除临时固定设备后,应采用小锤轻轻敲击粘结钢板, 根据音响判断粘结效果和超声波法探测粘结密实度。有效粘结面 积不得小于总粘贴面积的95%,否则应采取补救措施。
检査数量:全数检查。
检验方法:检査检测报告及处理记录。
6. 7.2压注粘贴钢板的胶粘剂性能指标应符合表6. 7.2中的规 定和设计要求。
表6.7.2压注粘贴钢板的胶粘剂性能指标
|
基本性能项____ |
规定指标 |
试验方法 | |
|
胶体性能 |
抗压强度(MPa) 拉伸强度(MPa) 拉伸剪切强度(MPa) |
满足设计要求 |
《树脂浇铸体性能试验 方法》GB/T 2567 《胶粘剂拉伸剪切强 度的测定(刚性材料对 刚性材料)》GB/T 7124 |
|
粘结性能 |
正拉粘结强度 |
不小于被加固混凝土 的抗拉强度标准值 |
《建筑结构加固工程施 工质量验收规范》 GB 50550 |
|
工艺性能 |
______《建筑结构加固工程施工质量:验收规范》GB 50550______ | ||
检查数量:全数检查。
检验方法:检查出厂合格证、检验报告。
6.7.3涂抹粘贴钢板的胶粘剂应每Iookg抽样检测一次,不足 IoOkg应按IOOkg计。其性能指标应满足表6. 7. 3的要求。
表6.7.3涂抹粘贴钢板的胶粘剂性能指标
|
基本性能项目 |
规定指标 |
试验方法 | |
|
胶体性能 |
抗压强度(MPa) 拉伸强度(MPa) 弹性模量(MPa) 拉伸剪切强度(MPa) |
满足设计要求 _ |
《树脂浇铸体性能试验 方法》GB/T 2567 《胶粘剂拉伸此切强 度的测定(刚性材料对 刚性材料)》GB/T 7124 |
续表6. 7. 3
|
基本性能项目 |
规定指标___ |
____验方____ | |
|
粘结性能 |
正拉粘结强度 (MPa) |
不小于被加固混凝上 的抗拉强度标准值 |
《建筑结构加固工程施 工质匿验收规范》 GB 50550 |
|
T艺性能 |
《建筑结构加固工程施工质量验收规范》GB 50550 | ||
检査数量:全数检査。
检验方法:检査出厂合格证、检验报告。
6. 7-4在混凝土裂缝两侧IoCm范围内,钢板不应有顺混凝土 裂缝方向的焊缝。
6. 7.5粘贴钢板加固检查项目应符合表6. 7.5的规定。
表6.7.5粘贴钢板加固检查项目
|
项 目 |
规定值或允许偏差 |
检验频率 |
检验方法 |
|
位置(mm) |
中心线偏差WIO |
全数 |
____用钢尺量____ |
|
锚栓植入深度(mm) |
5 |
全数 |
__用钢尺蛍__ |
|
有效粘结面积(%) |
≥95 |
100% |
敲击检测法;超声波检 测法;红外线检测法 |
|
钢板厚度、宽度 |
2设计值 |
全数 |
用钢尺量 |
|
混凝土表面粗糙度 |
光滑 |
全数 |
肉眼观察 |
一般项目
6.7.6钢板不得有锈蚀,防锈漆应均匀。
检査数量:全数检查。
检验方法:观察。
6.7.7粘贴界面处理后,构件应裸露混凝土结构层新面,清理 后的表面应保持干燥。
检査数量:全数检査。
检验方法:观察。
6. 7.8缺陷修补后,构件应表面平整,无裂缝、脱层、起鼓、 脱落等,修补外表面与原结构表面色泽应一致。
检査数量:全数检査。
检验方法:观察,用尺量。
6. 7.9钢板与混凝上应粘结紧密,不得有空隙。
检査数量:全数检查。
检验方法:观察。
7. 1 一般规定
7.1.1当加固钢筋混凝土受弯、受压及受拉构件时,可采用粘 贴纤维带加固法。
7.1.2当采用纤维带加固时,被加固构件现场实测的混凝土强 度等级不宜低于C20,纤维带与混凝土表面的正拉粘结强度不应 低于1. 5MPa,且应满足拉拔试验要求,试验方法应符合现行国 家标准《混凝土结构加固设计规范》GB 50367的规定。
7.1.3粘贴在混凝土构件表面上的纤维带应进行表面防护处理。 表面防护材料应对纤维及胶粘剂无害,且应与胶粘剂粘结可靠。
7.1.4纤维带、结构胶粘剂和表面防护材料的性能及使用环境 等均应符合本规程第4.5节、第4.6节和第4.9节的规定O
7.2受弯构件加固设计
7. 2.1当采用纤维带加固受弯构件时,应验算正截面和斜截面, 且斜截面不应先于正截面发生破坏。
7. 2.2对受弯构件进行正截面抗弯加固设计时,除应符合现行 行业标准《公路钢筋混凝土及预应力混凝土桥涵设计规范》JTG D62相关规定外,尚应符合下列规定:
1纤维带应力9应为其拉应变勺与弹性模量Ef的乘积。当 达到正截面承载能力极限状态时,勺应按平截面假定确定,但不 应超过其允许偵[εf]o
2达到正截面承载能力极限状态时,纤维带与混凝土之间 不得发生粘结剥离破坏。
7. 2. 3对矩形截面或翼缘位于受拉边的钢筋混凝土 T形截面受 弯构件,在受拉面粘贴加固时,正截面承载力(图7. 2.3)应按
下列公式计算:
(b)虹混》时
图7. 2.3粘贴纤维带的矩形截面正截面受弯承载力计算
1当混凝土受压区高度MWIo时:
/oMd WfcAbHE —-j-ʃ)+∕<dA,s(Λo
Qt) +Ef&AfQs
(7. 2.3-1) 混凝土受压区高度ʃ和受拉面纤维带拉应变Ef应按下列公式联立 求解:
ΛA,s + /Cd^ = ∕fdAs + EfefAi (7. 2.3-2) (εcu +εr +ε1 )ɪ = 0. 8εcuA (7. 2. 3-3)
2当受压区高度ZV角Λ时:
y°Md AS(ZIo -0∙ 5务)力)+ E∖ζ[A∖h(1 — 0. 5∈∏))
(7. 2.3-4)
⅛ = -⅛⅜τ- (7. 2.3-5)
SeU "rLεfJ÷e∣
Mml
[lɛf 3 MmefU
1 一制 ≤214000
1°W° nlEftf > 214000
(7∙ 2∙3-6)
(7.2∙3-7)
3当混凝土受压区高度^≤2α,s时:
Z)Md ≤ ∕sdA,s(Ao -Cii) + EfefAf(A -α,S)
4加固前在初始弯矩Mld作用下,截面受拉边缘混凝土的 初始应变& (纤维带的滞后应变)应按下式计算:
一 MkI (hQ — ɪi ) ɛi -------------------
(7. 2.3-8)
(7. 2.3-9)
EClCr
式中:Af——受拉面粘贴的纤维带的截面面积(mm?),对任意 一层纤维帯,从其与构件表面的粘贴终端算起, 锚板沿纤维带长度范围内,该层纤维带的面积不 计入Af;
‰——原构件混凝土抗压强度设计值(N∕mm2),根据现 场检测强度推算值按现行行业标准《公路钢筋混 凝土及预应力混凝土桥涵设计规范》JTG D62 确定;
久力——原构件截面宽度和高度(mm);
ʌo--原构件截面有效高度(mm);
包括恒载和新旧材料有效结合前的施工荷载产生 的弯矩,当小于未加固截面受弯承载力的20%时, 可忽略二次受力的影响;
El——纤维带的弹性模量(N∕mm2);
εf——纤维带的拉应变;
⅛——纤维带达到其允许拉应变与混凝土压坏同时发生 时的界限相对受压区高度;
ε1——计入二次受力影响时,加固前构件在初始弯矩作 用下,截面受拉边缘混凝土的初始应变;当不计
入二次受力时,取0;
LeJ——纤维带的允许拉应变,且不大于纤维带极限拉应 变E的2/3和0. 007两者中的较小值,E为纤维 带的极限拉应变;
ʃi——加固前原构件开裂截面换算截面的混凝土受压区 高度(mm),按本规程第6. 2.4条或第6. 2.5条 计算;
∕cr——加固前原构件开裂截面换算截面的惯性知 (mm4),按本规程第6. 2.4条或第6. 2.5条计算;
EC——原构件混凝土的弹性模量(N∕mr∏2);
q——纤维带的层数;
Zf——每层纤维带的厚度(mm);
Km——纤维带强度折减因子,取%与队中的较小值, 应按公式(7.2. 3-7)计算,∕cm2应按表7. 2.3取 值;当/Crn>0. 9时,取%=0.9。
表7.2.3纤维带环境影响折减系数κm2
|
环境分类 |
片材类型 |
折减系数 |
|
I类 |
碳纤维 |
0. 85 |
|
芳纶纤维 |
0. 75 | |
|
玻璃纤维 |
0. 65 | |
|
n、皿、N类 |
碳纤维___ 芳纶纤维 |
0. 85 0. 70 |
|
玻璃纤维 |
0. 50 |
7. 2. 4当翼缘位于受压区的T形截面受弯构件在其受拉面粘贴 纤维带时.其正截面承载力应按本规程第7. 2. 3条和现行行业标 准《公路钢筋混凝土及预应力混凝土桥涵设计规范》JTG D62 的规定计算。
7. 2.5正載面受弯承载力计算时,构件加固后受压区高度Z不 宜大于0.跛M。,其中加固前界限相对受压区高度&应按现行行 业标准《公路钢筋混凝土及预应力混凝土桥涵设计规范》JTG D62的规定确定。
7. 2.6纤维带粘贴于受拉区的梁侧时,正截而受弯承载力应按 本规程式(7.2. 3-1)〜式(7.2.3-7)计算,其中人采用纤维带 截面面积形心至梁受压区边缘的距离如。代替,并将侧面纤维带 的截面面积乘以折减系数(1-0. 5Λ√A)o其中加为侧面纤维带 的粘贴高度。
7.2.7加固后的受弯构件截面尺寸应满足下式要求:
7QVd ≤ 0. 51 X 10fψcJEMbh° (7. 2. 7)
式中:ψc——截面翼缘扩大系数,对T形、I形截面取≠c = Ll, 其余截面取≠c = lo
7.2. 8当采用粘贴端部绕锚板自锁的纤维带对受弯构件进行斜 截面抗剪加固设计时,其斜截面承载力(图7.2.8)计算应满足 下列公式要求:
51
Sf
图7. 2.8粘贴端部绕锚板自锁的纤维带抗乾加固设计示意图
1 一勇切裂缝端部
/oVd ≤ O. 43 × IO 3a`a妙薄WJ(2 + 0.
|
+ 0- 75 X |
10-3∕9dΣAsbsin⅛b+Vf |
(7. 2.8-1) |
|
K = 2∕⅛M√m(sπ^+cos0) Sf |
(7. 2.8-2) | |
|
fie — Di, ∏wζ |
(7. 2.8-3) | |
|
乙 |
(7. 2.8-4) | |
|
(=冬 Zb |
(7. 2.8-5) | |
|
h(e = ZU-Zt |
(7. 2.8-6) | |
|
Si ≤ Sf |
=fife( ] + CotB) max £- |
(7. 2.8- 7) |
|
bf,maX < |
∩ 2 Z⅛ Z⅛ <5 P u∙。 ,17∙ 0 Cmax 7(匕f 0.8⅛^,⅛>ε,nax /: |
(7. 2.8-8) |
式中:如——与原梁斜裂缝有关的修正系数,加固前未出现斜 裂缝时,取≠cs = 1.0;斜裂缝宽度小于0. 2mm时, 取= 0. 835;斜裂缝宽度大于0. 2mm时,取如 =0・ 78;
Asb——弯起钢筋截面面积(mm2);
θh——弯起钢筋与梁纵轴的夹角(W90°);
¼——纤维带贡献的设计受剪承载力(N/mm2);
A——加固梁达极限承载力时与剪切裂缝相交的纤维带 的平均有效拉应力(N∕mr∏2);
*——纤维带层数;
t{--单层纤维带厚度(mm);
b{——纤维带宽度(mm);
β—纤维方向与梁纵轴夹角(°);
Di——纤维带应变分布系数;
2,——纤维带有效上端至剪切裂缝上端的垂直高差
(mm),假设剪切裂缝终止于梁受压区边缘向下 0.M。处,其中么为有效梁高,取梁受压边缘至纵 向受拉钢筋中心线间距;纤维带有效上端取上部 自锁锚板的两锚栓连线中点;
Zb—纤维带有效下端至剪切裂缝上端的垂直高差 (mm),当采用U形箍时,有效下端取纵筋中心 线;当采用侧面粘贴上下锚固时,有效下端比实 际下端高(Λ→o),其中力为梁高(mm);
Afe——纤维带有效高度(mm);
Sf——纤维带沿梁水平纵向的中心间距(mm);
4,max---纤维带允许最大拉应力(N∕mι∏2);
A——纤维带抗拉强度标准值(NZmm2),依据纤维带分 级按木规程第4. 5.2条规定的最低值取用;
/f——纤维带的材料抗拉强度分项系数,取1.25;
Ei——纤维带弹性模量(N∕mm2);
εnwx——纤维最大允许应变标准值,对碳纤维可取0.015, 对于玻璃纤维可取0. 044;
%——异号弯矩影响系数,计算简支梁和连续梁近边支 点梁段的抗剪承载力时,α1=1.0;计算连续梁和 悬臂梁近中间支点梁段的抗剪承载力时,α1=0.9;
α3——受压翼缘的影响系数,对矩形截面% = 1・0;对具 有受压翼缘的T形或I字形截面,取σ3 = l.lo
7.3受压构件加固设计
7.3.1轴心受压构件承载力加固计算应符合下列规定:
1纤维带可粘贴成封闭环形或螺旋状,对符合下列条件的 轴心受压构件进行加固:
D长细比/∕d≤12的圆形截面柱;
2) K细比〃6≤14.截面高宽比A∕Z>≤1.5的正方形或矩 形截面柱。
2环向围束加固的轴心受压构件,正截面承载力应按卜,列 公式计算:
/ONd ≤ 0. 9[(∕cdl +4σ1)Acor+∕sdA,J (7. 3.1-1) σ1 = 0. 5βckcpfE{ζie (7. 3. 1-2)
式中:/ɑii——原构件混凝土抗压强度设计值(N∕mm2);
σl——有效约束应力(N∕mm2);
Aror——原构件截面有效面积(Inm2),按本规程式 (7. 3. 3-1) ʌ 式(7∙3.3-2)计算;
&——混凝土强度系数,当混凝土强度等级不大于C50 时,& = 1.0;当混凝土强度等级为C80时,BC = 0.8;其间按线性内插法确定;
kc——环向围束的有效约束系数;
Pi——环向围束体积比;
Ef—纤维带的弹性模量(N∕mm2);
εfe——纤维带的有效拉应变设计值;取εfc=0. 0035O
7.3. 2有效约束系数么和体积比Pf的计算应符合下列规定:
1有效约朿系数么值
对圆形截面柱,七=0.95;
对正方形和矩形截面柱,应按下式计算:
kc = 1—也弋y∕∖2r)2 (7.3.2-1)
əʌær (丄 PS)
式中:PS——柱中纵向钢筋的配筋率(%); r--截面棱角的圆化半径(mm);
b——正方形截面边长或矩形截面宽度(mm); h——矩形截面高度(mm)。
2体积比Pf值
对圆形截面柱,应按卜•式计算:
Q =蜒 (7. 3.2-2)
对正方形和矩形截面柱,应按下式计算:
2"f(0 + ∕z)
A =—瓦一
(7. 3.2-3)
式中:%、Zf一一分别为纤维带的层数及每层厚度(mm);
D——圆形截面直径(mm) O
7.3.3原构件截面有效面积ACOr的计算应符合下列规定:
1对圆形截面,应按下式计算:
ACOr =哮 (7. 3.3-1)
4
2对矩形截面(图7. 3.3),应按F式计算:
AEr (4-π)r2 (7. 3.3-2)
式中:D——圆截面有效直径(mm);
r一截面棱角的圆弧半径(mm)。
图7. 3.3环向围束内矩形截面有效约束面积
1 一无效约束面积;2—有效约束面积;3—环向围束
7.3.4大偏心受压构件加固提高正截面承载力时,纤维带应粘 贴在构件受拉区表面,纤维方向应沿受拉方向;大偏心受压构件 加固提高斜截面承载力时,纤维带应粘贴成环形。
7. 3.5当矩形截面大偏心受压构件加固时,其正截面承载力 (图7.3.5)应按下列公式计算:
TbNd ≤ fedibx +f,9iA,a — /SdAS ~σiAf (7. 3. 5-1)
图7. 3.5大偏心受压构件正截面承载力计算
XoNdgS WyWn血(先O —万)+ ʌAS(龙()一<4) + σfAfas
(7. 3.5-2)
∕saΛses +σiAf(es +必)-XSdA^ζ
(7. 3.5-3)
(7. 3.5-4) (7. 3.5-5)
式中:&——原构件混凝土抗压强度设计值(N∕mm2);
Tj—偏心受压构件计入二阶弯矩影响的轴向压力偏心 距增大系数,按本规程第5. 3.3条规定计算;
Af——纤维带截面面积(mm?);
σf——纤维带应力计算值(N∕mr∏2),按平截面假定 计算。
7.4受拉构件加固设计
7.4.1对受拉构件进行加固时,纤维方向应沿受拉方向。
7.4.2当轴心受拉构件加固时,正截面承载力应符合下式要求:
∕oNd≤/SdAS+∕fAf (7. 4.2)
式中:Nd——轴向拉力设计值(N∕mr∏2);
fi——纤维带抗拉强度设计值(N∕mm2),按《混凝土结 构加固设计规范》GB 50367的规定取值。
7.4.3对矩形截面大偏心受拉构件加固时,正截面承载力(图
7. 4. 3)应按下列公式计算:
VoNd ≤ AiAs +(TfAi- faiιbx — ∕,xιΛ,s (7. 4. 3-1)
XONdeS ≤ /cdi&r (龙O —号)+ f qA's(ho — a9) +σ[Afa
(7. 4.3-2)
% = %—身+& (7. 4. 3-3)
式中:4——轴向拉力作用点至纵向受拉钢筋合力点的距离
(mm) O
图7.4.3大偏心受拉构件正截面承载力计算
7.5构造要求
7. 5.1当粘贴纤维带加固时,宜采用宽度不大于20Omm的纤 维布。
7.5.2当采用纤维带两端相互搭接形成封闭环形对墩柱进行加 固时,搭接K度不应小于20Omm;当釆用多条或多层纤维布时, 其搭接位置应相互错开。当形成封闭环对梁进行抗剪加固时,搭 接区不应位于梁侧面,旦搭接长度不应小于20Ommo
7. 5.3非封闭环形纤维带端部应加开缝锚板自锁(图7. 5.3), 并应采用锚栓锚固在构件上,锚栓设计应符合现行行业标准《混 凝土结构后锚固技术规程》JGJ 145的相关规定。
图7. 5.3纤维带绕锚板自锁示意图
7. 5.4对受弯构件进行正截面抗弯加固时,纤维带粘贴应符合 下列规定:
1应粘贴在构件受拉区表面,纤维方向应沿受拉方向;
2当粘贴在梁的受拉区侧面时,粘贴高度不宜高于梁截面 高度的1/4;
3纤维带端部附加的开缝板应安装在弯矩较小的区域;
4当需重叠布置多层纤维带时,各层长度宜有差异,端绕 开缝板并全长粘贴的纤维带应按内长外短的方式进行安装,锚孔 的纵向距离不应小于20OmmO
7. 5. 5当纤维带绕过构件表面凹角锚固时,应符合下列规定:
1端部应绕开缝板自锁,且板内侧应压住转折点(图 7. 5.5)o
2当釆用多层纤维带且内层纤维带绕过凹角后伸向远处时, 町利用外层纤维带端部所绕开缝板压住内层纤维带。
3 当绕过凹角即锚固时,板内侧应压住转折点(图 7. 5.5)o
4当接近凹角即锚固时,板外侧应压住转折点。
图7. 5.5纤维带绕过构件表面凹角即绕开缝板 锚固示意图(右侧正弯矩更大)
I-胶层;2—构件表面;3—锚栓;4表面转折处;
5—内层纤维布;6锚板;7—外层纤维布
7. 5.6对受弯构件斜截而抗剪加同时,其构造应符合下列规定:
1纤维方向宜与构件轴线垂直或与其主拉应力方向平行。
2纤维带宜粘贴成U形,有条件时可粘贴成环形;当构件 侧面的粘贴高度较大时,可粘贴成一字形。
3 U形纤维带成一字形纤维带端部应附加自锁式锚板,并 应采用锚栓锚固。
7.5.7当纤维带绕过构件上的凸角时,应在粘贴前将凸角打磨 成圆弧,或附加异形倒角零件,圆弧半径不应小于20mm。
7.6施 工
7. 6. 1底层处理应符合下列规定:
1应采用裂缝修补胶灌注结构裂缝,其施工工艺应符合本 规程第5.6.3条的相关规定。
2应将混凝土表面剥落、疏松、蜂窝、腐蚀等劣化部分清 除,并应进行清洗、打磨,待表面干燥后,应采用修补材料将混 凝土表面凹凸部位修复平整。毛刺应采用砂纸打磨。当找平面用 手触摸感觉干燥后,方可进行下一工序的施工。
3粘贴处凸角应打磨成圆弧状,凹角应采用修补材料填补 成圆弧倒角。
7.6.2当采用非封闭环形纤维带粘贴加固时,应设置锚栓,并 应符合下列规定:
1在待加固的混凝土表面应按设计图纸放样,并应确定锚 栓孔位置。
2锚栓施工工序应按混凝土钻孔、清孔、注胶、植入锚栓 进行。
7.6.3涂刷底胶应符合下列规定:
1调制好的底胶应及时使用,应采用一次性软毛刷或特制 滚筒将底胶均匀涂抹于混凝土表面,不得漏刷、流淌或有气泡。
2底胶固化后应检查涂胶面,毛刺应采用砂纸打磨平顺, 磨损的胶层应重新涂刷。
3底胶固化后应及时进行下一道工序,若涂刷时间超过 7d,应清除原底胶,用砂轮机磨除,重新涂抹。
7.6.4粘贴纤维复合材料应符合下列规定:
1雨天或空气潮湿条件下严禁施工。对玻璃纤维复合材料, 相对湿度不宜大于80%。如确需在潮湿的构件上施工,应烘干 构件表面或采用专门的胶粘剂。
2纤维复合材料粘贴宜在5°C〜35°C环境温度条件下进行, 胶粘剂的选用应满足使用环境温度的要求。
3应在待加固的混凝土表面按设计图纸放样,确定纤维复 合材料各层的位置。
4应按设计尺寸裁剪纤维复合材料。裁剪的纤维布材应呈 卷状妥善摆放并编号。已裁剪的纤维复合材料应尽快使用。
5粘贴纤维复合材料前,应对混凝土表面再次拭擦,粘贴 面应无粉尘。混凝土表面涂刷胶粘剂时,胶体不应流淌,胶体涂 刷不应出控制线,涂刷应均匀。
6当采用非封闭环形纤维带粘贴加固时,把持两端自锁式 锚板将纤维带稍许拉紧并贴于构件表面,再拧紧螺帽安装端部 锚板。
7粘贴立而纤维复合材料时,应按由上到下的顺序进行。 应采用滚筒将纤维复合材料从一端向另一端滚压,滚压过程中不 应产生静电作用。
8当采用多条或多层纤维复合材料加固时,在前一层纤维 布表面用手指触摸感到干燥后,应立即涂胶粘剂粘贴后一层纤维 复合材料。
9当最后一层纤维复合材料施工结束后,应在其表面均匀 涂抹一层浸渍树脂,并应自然风干。
7.7质量检验与验收
主控项目
7.7.1 纤维带与混凝土之间的粘结质量可采用敲击法或其他有 效探测法进行检査。根据检查结果确认的有效粘结面积不应小于 总粘结面积的95%o探测时,应将粘贴的纤维带分区,逐区测 定空鼓面积;若单个空鼓面积不大于1 OooOmm2,可采用注射法 充胶修复,或跨过纤维带宽度安装压板并用锚栓锚固;若单个空 鼓面积大于IOOOOmm2,应割除修补,重新粘贴等量纤维带。当 重新粘贴(1-3)层纤维带时,其受力方向每端的搭接长度不应 小于200mm;当重新粘贴超过3层纤维带时,其受力方向每端 的搭接长度不应小于30OmmO
检查数量:全数检査。
检验方法:检査检测报告及处理记录。
7. 7.2受力加固用纤维带与基材混凝土的正拉粘结强度,应进 行见证抽样检验。其检验结果应符合表7. 7.2的规定。若不合 格,应清除重贴,并应重新检查验收。
表7.7.2 现场检验加固材料与混凝土正拉粘结 强度的合格指标
|
检验项目 |
原构件实測混凝上 强度等级 |
检验合格指标 |
检验方法 |
|
正拉粘结强度 及其破坏形式 |
≥C15 _ |
≥1. 5MPa 且为混凝土 内聚破坏 |
《建筑结构加固工 程施工质量:验收规范》 GB 50550 |
检査数量:全数检査。
检验方法:检查检验报告。
7. 7. 3 纤维带胶层厚度&应符合下列规定:
1 对纤维布:8— (1. 5÷0. 5) mm;
2 对纤维板:S= (2.0±0.3) mmo
检查数量:全数检查。
检验方法:每根构件检査2处,选在胶层最厚及最薄处,用 刻度放大镜测量。
一般项目
7. 7.4纤维带粘贴位置中心线偏差不应大于15mm;长度负偏 差不应大于15mm。
检査数量:全数检査。
检验方法:钢尺测量。
7. 7.5自锁式开缝锚板与纤维布接触处上下表面应平整,弯转 时平面与曲面应相切过渡,弯转半径不小于纤维布厚度的10倍, 板缝有效宽度范围内锚板长度不应小于纤维布宽度的0∙ 4倍,具 体尺寸应根据纤维布层数、厚度、寛度、强度和锚点位置选用合 适规格。同•块锚板中板缝有效宽度范围内,锚板厚度最大偵和 最小值相差不应大于0. Imm,板缝宽度最大值与最小值相差不 应大于0. Imrn,锚板长度最大值和最小值相差不应大于 0.2mm。纤维布绕开缝板形成整体时,接触面及板缝中胶均应 饱满。
检查数昼:按每批锚板数量的3%抽样检查,且每批不少于 3块。
检验方法:卡尺测量。
7. 7.6当纤维带在出锚板截面受拉时,可对该纤维带-钢筋混凝 土组合截面取最不利弯矩组合按平截面假定计算拉应力上限值, 纤維带-锚板组装件应进行拉伸性能静载试验,纤维带强度取极 限荷载除以纤维带横截面面积,要求对于每个组装件,该强度不 应低于平截面假定计算拉应力上限值。当纤维带在出锚板截而不 受拉时,可不做此检骚。
检查数量:同一批纤维带和同一规格锚板任意抽样组成3个 组装件。
检验方法:检査拉伸性能静载试验报告。
8.1 一般规定
8.1.1当加固钢筋混凝土或预应力混凝土受弯构件时,可采用 预应力加固法,预应力材料可采用钢材或纤维带等。
8.1.2被加固的混凝土桥梁构件,其现场实测混凝土强度等级 不得低于C30o
8.1.3预应力体系应釆取可靠的防腐与防护措施。
8.1.4当采用体内无粘结预应力筋加固时,可按体外预应力筋计算。 8.1.5当釆用体外索加固时,有效预应力应按本规程第8. 2.1 条、第8. 2.2条计算;当采用有粘结预应力筋加固时,有效预加 应力应按现行行业标准《公路桥梁加固设计规范》JTG/TJ22 相关规定计算。
8.1.6体外索转向装置的设计应按现行行业标准《公路桥梁加 固设计规范》JTG/T J22相关规定进行计算。
8.1.7预应力纤维帯表面防护应符合本规程第4.5节、第4.6 节规定。
8.1.8采用预应力纤维带加固的混凝土结构,其K期使用的环 境温度不应高于60oC;对处于高温、高湿、介质侵蚀等特殊环 境的混凝土结构采用预应力加固时,除应按国家现行有关标准的 规定采取相应的防护措施外,尚应采用耐环境因素作用的结构胶 粘剂,并应按专门的工艺要求施工。
8.2预应力钢筋加固设计
(I)新增预应力钢筋有效预应力计算
8.2. 1体外预应力钢筋的预应力损失计算应符合下列规定:
1加固钢筋混凝土构件时应计算体外预应力钢筋的应力 损失。
2加固预应力混凝土构件时应计算体外预压力对原预应力 钢筋引起的应力损失。
3体外预应力钢筋的各项预应力损失计算应根据预应力筋 的布置方式、锚固方式、张拉方式、保护方式等取舍。
8.2.2预应力损失及有效预应力汁算应符合下列规定:
1当体外索采用有护套的无粘结预应力筋时,摩擦损失g 可由两部分组成:体外索在转向和锚固构造管道内的摩擦引起的 预应力损失部分应按现行行业标准《公路桥梁加固设计规范》 JTG/T J22相关条款规定计算,体外预应力筋与护套壁之冋的 摩擦引起的预应力损失部分应按现行行业标准《无粘结预应力混 凝土结构技术规程》JGJ 92相关条款计算,两部分之和应为总 的摩擦损失σ,ι O
2锚具变形、预应力筋回缩和接缝压密引起的预应力损失 ©2,体外预应力钢筋成直线布置时,应按现行行业标准《公路 桥梁加固设计规范》JTG/T J22相关条款规定计算;体外预应 力钢筋成折线或曲线布置时,应按现行行业标准《无粘结预应力 混凝土结构技术规程》JGJ 92计算。
3分批张拉损失风应按下列公式计算:
对体外预应力筋:
(8. 2. 2-1)
(8. 2. 2-2)
对构件内原预应力筋:
(JU = CtEP ∙ ∙ ∆<7pc
式中:QEP——预应力筋(束)与混凝土的弹性模量之比;
皿一一体外预应力筋(束)分批张拉的次数;
Mpc——在计算截面先张拉的体外预应力筋(束)或原有预 应力筋重心处,由后张拉每一批体外预应力筋(束) 有效预加力产生的混凝土法向应力(N∕mm2)o
4钢筋松弛引起的预应力损失S5、混凝土收缩和徐变引起 的预应力损失久、最大张拉控制应力。曲应按现行行业标准《公 路桥梁加固设计规范》JTG/TJ22相关规定计算。
5正常使用阶段,体外预应力筋的有效预应力GPe应按F式 计算:
σμe = ∕pn 一(欠】+σz2 +σz4 + 勿5) (8∙ 2. 2-3)
式中:σpe—-体外预应力筋的有效预应力;
σcυn 最大张拉控制应力。
(∏)体外预应力筋对构件计算截面产生的内力计算
8. 2.3计算体外预应力筋对构件产生的内力前,应先计算体外 筋与构件混凝土接触点处的等效荷载,再按结构力学的方法计算 控制截面的内力。
8. 2.4当进行持久状况正常使用的抗裂、裂缝宽度、挠度、材 料应力等计算时,体外预应力筋对计算截面产生的内力及次内力 应作为永久作用效应的一部分。
(∏I)持久状况承载能力极限状态计算
8. 2.5当釆用预应力加固矩形截面或翼缘位于受拉边的T形截 面受弯构件时,其正截面受弯承载力(图8. 2. 5)计算应符合下 列规定:
1混凝土受压区高度工应按下列公式计算:
ʃsd-ʌs + ʃpel-ʌp + (TPAPP Z= f cA+ ʃsdʌ S + Pd bpθ)AP
(8. 2. 5-1)
(8. 2. 5-2)
(8∙2∙ 5-3)
ʃ ≤ EMoO hoQ=h~a
a Asfd + Appbp T APfPd
2当受压区配冇纵向普通钢筋和预应力钢筋,,
筋受压即(∕txl-√μo)为正时,∙r尚应满足下式要求:
(8. 2. 5-4)
且预应力钢
A:
图8.2.5矩形截面受弯构件正截面承载力计算
jr≥2tz, (8. 2. 5-5)
3当受压区仅配有纵向普通钢筋或配普通钢筋和预应力钢 筋,旦预应力钢筋受拉即(KPd —/po)为负时,Z尚应满足下式 要求:
Λτ≥2α,5 (8. 2. 5-6)
4正截面受弯承载力应满足下式要求:
7()Md X IO6 ≤ fcdbx ^QO — ɪ j+∕,sdAζ(Aθo —匕)十
(心-σ^)A,p‰ 一∕p) (8. 2. 5-7)
5当受压区原预应力钢筋合力点处混凝土法向应力等于零 时,预应力钢筋的应力危计算应符合下列规定:
1) 当采用有粘结预应力钢筋加固时,/国应根据原构件是 先张法或是后张法预应力受弯构件,分别采用本规程 公式(8.2.16-5)或公式(8.2.16-8)计算。
2) 当采用体外预应力钢筋加固时,房JO应由原预应力筋应 力爲ω和新増预加力对截面受压区原预应力筋合力点 处产生的应力增量須P02两部分组成,/网应按本规程公 式(8.2.16-5)计算,仃成应按本规程公式(8.2.16-
3)计算;
6新增预应力筋的抗拉强度设计值外计算应符合下列
规定:
1)
当采用体外预应力筋时,外应取极限应力外u, bpu应满 足下式要求:
2) 式中:
σpu =CrPe + ∆σμc ≤ ∕pd (8. 2. 5-8)
当采用体内有粘结预应力筋时,σp = ∕p(IO
/0—桥梁结构的重要性系数,按现行行业标准《城市 桥梁设计规范》CJJ 11规定采用; •
∕cd——混凝土轴心抗压强度设计值(N∕mm2);
fq、已——纵向普通钢筋的抗拉强度设计值和抗压强度设计 值(N∕mr∏2);
f" ∕,pd—纵向冇粘结预应力钢筋的抗拉强度设计值和抗压 强度设计值(N∕mm2);
σ,p0——受压区原预应力钢筋合力点处混凝土法向应力等 于零时预应力钢筋的应力(N/mm2);
Md
计算截面的弯矩组合设计值(kN・m),超静定 结构时包含预加力引起的次弯矩Mp2,当其对结 构有利时,预应力分项系数取L 0,否则取1.2; APP——新增预应力筋的截面积(mm?),体外预应力筋 时取Ape,体内有粘结预应力筋时取Aep ;
Ap、A,p——分别为截面受拉区、受压区原有粘结预应力钢筋 的截面面积(mm?);
4、Ak——分别为截面受拉区、受压区纵向普通钢筋的截面 面积,采用有粘结预应力钢筋加固时,包含新旧 纵向普通受力钢筋的截面积之和(mι√);
I-构件矩形截面宽度或T形截面腹板宽度(mm); he.——加固后构件的截面有效高度(mm)
h——原构件截面全高(mm);
Q——受拉区普通钢筋、原有粘结预应力钢筋及体外预 应力筋的合力点至受拉区边缘的距离(mm);
疽一一受压区普通钢筋和原有粘结预应力钢筋的合力点
至受压区边缘的距离(mm);
%、公、知——分别为受拉区新增预应力筋合力点、普通钢筋合 力点、原有粘结预应力钢筋合力点至受拉区边缘 的距离(mm);
丈、a;-_受压区普通钢筋合力点、冇粘结预应力钢筋合力 点至受压区边缘的距离(mm);
&——受弯构件的纵向受拉钢筋和截面受压区混凝土同 时达到其强度设计值时,构件的正截面相对界限 受压区高度应按表8. 2.5采用。
表8. 2.5正截面相对界限受压区高度取值表
|
钢筋种类 |
C50及以下 |
C55、C60 |
C65、 C70 |
C75、C80 |
|
R235 |
0. 62 |
0. 60 |
0. 58 |
— |
|
HRB335 |
0. 56 |
0. 54 |
0. 52 |
— |
|
HRB400. KUOO |
0. 53 |
0.51 |
0. 49 |
—≡ |
|
钢绞线、钢丝 |
0. 40 |
0. 38 |
0. 36 |
0. 35 |
|
精轧螺纹钢筋 |
0.40 |
0. 38 |
0. 36 |
注:1截面受拉区内配置不同种类有粘结钢筋的受弯构件,其&值应选用相应于 各种钢筋的较小者;
2為=∙rb∕加o, Zb为纵向受拉钢筋和受压区混凝土同时达到其强度设计值时 的受压区高度。
式(8. 2. 5-8)中,<7印、Se——分别为体外預应力筋的极限应力、有效预应力 (N/mm?);
∆σlle―体外预应力筋的应力增量,单跨梁时取IlON/ mm?.悬臂梁时取50N∕mm2,连续梁时取0,
8. 2. 6当采用预应力加固翼缘位于受压区的T形截面或I形截面 受弯构件时,其截面受弯承载力(图8. 2. 6)计算应符合下列规定:
1当符合式(8.2.6-1)条件时,应以宽度为研的矩形截 面(图8∙2.6a),按本规程式(8.2.5∙7)计算正截面受弯承 载力。
∕∙d-As +∕pdAP + σpΛpp ≤ yκ√"局 + (XPd — σzpo)A,p
(8. 2. 6-1)
图8. 2.6 T形截面受弯构件正截面承载力计算
(注:图8. 2. 6裁面内力作用方向与图8. 2.5相同)
2当不符合公式(8.2∙6D 的条件时,计算中应计入截面 腹板受压的作用(图8. 2.6b),其正截面受弯承载力计算应符合 下列规定:
D受压区高度彳应按下式计算,并应符合本规程第 8. 2.5条的规定。
/sdAs + ∕pdAp + σpApp = ∕cd[^fa∙ + (折-b)h'1
+ /'A; + (Λ -M)TVP (8. 2. 6-2)
2)正截面受弯承载力应按下式计算:
ZoMd X IO6 W Λd [for (AoO —号)+ (牌一b)心(hoo -盐)
+ H∂Ak(h0Q — ∕st) + (fpd — σ,μo)Aμ(Λoo - ɑɔ
(8. 2. 6-3) 式中:h∖——T形或1形截面受压翼缘厚度(mm);
b∖——T形或I形截面受压翼缘的有效宽度(mm)。
8. 2.7受弯构件在满足本规程公式(8∙2∙5-2)条件时,可不按 正常使用极限状态计算可能增加的纵向受拉钢筋截面面积和按构 造要求配置的纵向钢筋截面面积。
8.2.8当计算中汁入受压区纵向钢筋但不符合本规程公式 (8. 2. 5-5). (8. 2. 5-6)的条件时,受弯构件正截面受弯承载力 (图8. 2.5)的计算应符合下列规定:
1当受压区配有纵向普通钢筋和预应力钢筋,且预应力钢 筋受压时,应符合下式要求:
/o Md ≤ ∕sdAs(Λ -as-a) +∕fxlAp(Λ-αp —a)
+ bpApp(∕z QPe—q') (8. 2. 8-1)
2当受压区仅配纵向普通钢筋或配普通钢筋和预应力钢筋, 且预应力钢筋受拉时,应符合F式要求:
XoMd ≤ ∕sdΛs(A — αs — ɑɔ +∕pdAp(Λ
+ σpApp(Λ -Qpe — Q;) — (f,pd — ʤ )Λp(αp —αζ)
(8. 2. 8-2) 8.2.9预应力索的锚固装置应进行专项设计,体外索转向装置 应根据受力需要及现场施工条件选择,其承载能力应按现行行业 标准《公路桥梁加固设计规范》JTG/T J22的相关条款进行 计算。
8. 2.10当受弯构件斜截面受剪承载力计算时,其计算位置应符 合下列规定:
1筒支梁和连续梁近边支点梁段:
1) 距支座中心力/2处截面(图8. 2. IOa截面1-1);
2) 受拉区弯起钢筋起弯点处截面(图8. 2. Ioa截面2-2、 截面3-3);
3) 锚于受拉区的纵向钢筋开始不受力处的截面(图 8. 2. IOa 截面 4-4);
4) 箍筋数量或间距改变处的截面(图8.2.10a截面5-5);
5) 构件腹板宽度变化处的截面。
2连续梁和悬臂梁近中间支点梁段:
D支点横隔梁边缘处載面(图8∙2.10b截面6-6);
2) 变高度梁高度突变处截面(图8. 2. Iob截面7-7);
3) 根据简支梁的要求,需要进行验算的截面。
(a)简支梁和连续梁近边支点梁段
(b)连续梁和悬籽梁近中间支点梁段
图8. 2.10斜截面抗剪承载力验算位置示意图
8. 2.11矩形、T形和I形截面的预应力混凝土受弯构件,当配 置箍筋和弯起钢筋时,其斜截面受剪承载力(图8. 2.11)计算 应符合下列规定:
(a)简支梁和连续梁近边支点梁段 (b)连续梁和悬臂梁近中间支点梁段
图8. 2.11斜被面受剪承载力验算
1斜截面抗剪承载力应按F列公式计算: ZoVd ≤ Vcs+vsb+vpb+vpe
VW = αια2αsθ∙ 45 X 10 -WM(2 + 0. 6P)√z∕αι.kpSVrW
VSb — 0. 75 × 10^3/Sd Σ ASbSinΛ VPb = 0. 75 X IOTypd EAPbSiMP VfK =O・ 8 X 10-3σμυ Σ APeSin0e PSV ' A$v/ (SVb) 式中:Vd
(8. 2.11-2) (8. 2∙ 11-3) (8. 2. 11-4) (8. 2. 11-5) (8. 2. 11-6)
斜截面受压端由作用(或荷载)效应所产生的最 大剪力组合设计值(kN),超静定结构时包含预
加力引起的次剪力Vp2,当其对结构有利时,预 应力分项系数取1.0,否则取1.2。
VCs-一一斜截面内混凝土和新旧箍筋共同的受碧承载力设 计值(kN);
VSb——与斜截面相交的新旧普通弯起钢筋受剪承载力设 计值(kN);
VPb——与斜截面相交的有粘结预应力弯起钢筋抗剪承载 力设计值(kN);
VpC——与斜截面相交的体外预应力弯起钢筋受剪承载力 设计值(kN);
αι-异号弯矩影响系数,计算简支梁和连续梁近边支 点梁段的受剪承载力时,明=1.0;计算连续梁和 悬臂梁近中间支点梁段的受剪承载力时,
ɑɪ =O. 9;
S——预应力提高系数,采用体外预应力筋加固钢筋混 凝土受弯构件时,02 = 1.0;采用体外预应力筋加 固预应力混凝土构件或采用有粘结预应力筋加固 钢筋混凝土或预应力混凝土受弯构件时,Q2 = 1.25,当由钢筋合力产生的截面弯矩与外弯矩的 方向相同时,或允许出现裂缝的预应力混凝土受 弯构件,取Q2 = l∙0;
ɑɜ——受压翼缘的影响系数,取«3 = 1.1;
b—斜截面受压端正截面处,加固后矩形截面或T形 和I形截面腹板的最终宽度(mm);
h,w-—受拉区所有新旧纵向有粘结预应力钢筋和普通钢 筋合力点至截面受压边缘的距离(mm),并将按 本规程公式(8. 2. 5-3)计算的如)代替/4。采用 体外预应力筋加固时,从原纵向受拉钢筋合力点 起算,采用有粘结预应力筋加固时,从所有新旧 纵向受拉钢筋合力点起算;
P 一斜截面内纵向受拉钢筋的配筋百分数,P=IOOp, P = (AP +Apb÷As)∕C⅛ co÷Cb∖-by)h,f2,当 P> 2.5时,取P = 2.5;
厶.k——边长为15Omm的混凝土立方体抗压强度标准值 (N∕mrn2);
伽——斜截面内箍筋配筋率;
‰——箍筋抗拉强度设计值(N∕mn√);
——普通弯起钢筋抗拉强度设计值(N∕mrn2);
∕pd——有粘结预应力弯起钢筋抗拉强度设计值(N/ mm2);
OPu——分别为体外预应力筋的极限应力(N/mmf Apc-体外预应力筋的截面面积(mr√);
AW——斜截面内配置在同一截面的箍筋各肢总截面面积 (mm2);
SV——斜截面内箍筋的间距(mm);
AS APb-斜截面内在同一弯起平面的新旧普通弯起钢筋截 面面积之和,以及新旧有粘结预应力弯起钢筋的 截面面积之和(mm»
幻 印、仇——在斜截面受压端正截面处普通弯起钢筋、有粘结 预应力弯起钢筋、体外预应力筋在竖直平面内的 弯起角度(≤45°)o
2对变高度(承托)的连续梁和悬臂梁,当该界面处于变 高度梁段时,应计入作用于截面的弯知引起的附加剪应力的影 响,并应按下式计算换算剪力设计值:
VH-VCd-^tana (8. 2.11-7) Aoo
式中:W —按等高度梁计算的计算截面的剪力组合设计值 (kN);
Md——相应于剪力组合设计值的弯矩组合设计值(kN・ m);
a—-为计算截面处梁下缘切线与水平线的夹角(°), 当弯矩绝对值増加而梁高减小时,公式中的“一” 改为“ + "。
3当采用竖向预应力钢筋时,p∙w和厶应换为很和人,PPV 和/pd分别为竖向预应力钢筋的配筋率和抗拉强度设计值。
8. 2.12当进行斜截面承载力验算时,斜截面水平投影长度C (图8. 2.11)应按下列公式计算:
C=0. 6w∕4o (8.2. 12-1)
m = Md X 103∕(VdA^) (8.2. 12-2)
式中:m——斜截面受压端正截面处的广义乾跨比,当777>3.O 时,取刀=3.0;
Ma——相应于最大剪力组合设计值Vd的弯矩组合设计值 (kN ∙ m) O
8.2.13矩形、T形和I形截面的受弯构件,其抗剪截面验算应 符合下列规定:
1等高度连续梁抗勢截面应符合下式要求:
ZOVd ≤0.51× 1O-3√7Σ7^oo (8. 2. 13)
2对变高度(承托)连续梁,除验算近边支点梁段的截面 尺寸外,尚应验算截面急剧变化处的截面尺寸。
8.2.14对矩形、T形和I形截面的受弯构件,当符合下式条件 时,可不进行斜截面受剪承载力验算,可按现行行业标准《公路 钢筋混凝土及预应力混凝土桥涵设计规范》JTG D62构造要求 配置箍筋:
7oVd ≤ 0. 50 X 10^3α2∕td^co (8. 2. 14)
式中:∕td——混凝土抗拉强度设计值(N∕mm2) O
8. 2.15对板式受弯构件,本规程公式(8.2.14)右边计算值可 乘以L 25的提高系数C
(IV)持久状况正常使用极限状态计算
8. 2. 16体外预应力钢筋及体内有粘结预应力钢筋引起的应力计 算应符合下列规定:
1体外预应力筋引起的应力计算应符合下列规定:
D体外预应力对计算截面产生的混凝土法向压应力%c2 和法向拉应力九2应按下式计算:
* Np2XlO3 I MPXIo6 ,。c …、
σpc2 或 σpt2 = ~~ξo---± ---ʃo (8. 2. 16-1)
式中:NP2∖ MP——体外预应力筋极限应力计算值相对应的 预加力NPU对计算截面产生的轴向压力 (kN)、弯矩(总预矩)(kN ∙ m),已包含 对超静定结构产生的次弯矩Mp2 ;
A°、JG一一原计算截面的全截面换算截面面积(mm?)、 惯性矩(mn√);
M——相应换算截面重心至计算应力点处的距离 (mm) o
2)体外预应力对原预应力筋产生的应力增量应按下列公 式计算:
JpO2 = (ZEP(TPC2 (8∙ 2.16-2)
σ,po2 = QEP<∕pc2 (8. 2. 16-3)
式中:’班、σ,p02——体外预加力对載面受拉区、受压区原预应力 筋合力点处产生的应力增量(N∕mm2);
σpc2^ σ,pc2- -体外预加力对截面受拉区、受压区原预应力 筋合力点处混凝土的法向应力(N∕mm2),
应按本规程公式(8.2.16-1)计算;
QEP——原预应力钢筋与混凝土的弹性模量之比。
2有粘结预应力筋引起的应力计算应符合下列规定:
D原构件为先张法构件
由预加应力产生的混凝土法向压应力bpd和拉应力σpd :
σpcι 或 σptι =± ~^e^∙yo (8. 2. 16-4)
ʃʌθ Jo
预应力钢筋合力点处混凝土法向应力等于零时的预应力钢筋
应力。Pol 和(Tpol :
bco∏ (JI I OIX
(8. 2. 16-5)
G POl — ‰n — b/ + ”4 相应阶段预应力钢筋的冇效预应力:
OPe boon Gl f _ / _ f
(8. 2.16-6)
(7 PC O COn I J
2)原构件为后张法构件
由预加力产生的混凝土法向压应力Gd和拉应力九]:
加或S=华土哗f ÷毕队 (8.2.16-7)
ʃɪn n ɪn
预应力钢筋合力点处混凝上法向应力等于零时的预应力钢筋 应力:
tʃpθɪ boon GI I CZι<p(7pcl
(8. 2. 16-8)
O POI =^ro<i — CI "Γ QmT PCI 相应阶段预应力钢筋的有效预应力:
(8∙ 2∙ 16-9)
式中:σpd——被加固构件为预应力混凝土构件时,原预加力对
计算截面受拉区产生的混凝土拉应力(N∕mm2);
尔】、σ,pci——被加固构件为预应力混凝土构件时,原预加力对 计算截面受拉区及受压区产生的混凝土法向压应 力(N/mn?);
σp01 ʌ σ,p0ι——计算截面受拉区、受压区原预应力筋合力点处混 凝土法向应力等于零时原预应力筋应力(N/ mm2);
An——原截面的净截面面积(mι√),即为扣除管道等削 弱部分后的混凝土全部截面面积与纵向普通钢筋 截面面积换算成混凝土的截面面积之和;对不同 混凝土强度等级组成的截面,应按混凝土弹性模 量比值换算成同一混凝土强度等级的截而面积;
AO——原截面的换算截面面积(mm?),包括净截面面积 An和全部纵向有粘结预应力钢筋截面面积换算成 混凝土的截面面积;
NP0、NP——先张法构件、后张法构件的原预应力钢筋和普通 钢筋合力(kN),按本规程公式(8.2.17-1)、 (8. 2. 17-3)计算;
MPI——原预加力NP在后张法预应力混凝土连续梁等超静 定结构中产生的次弯矩(kN・m);
L、In——原截面的换算截面惯性矩(mn?)、净截面惯性矩 (mm4);
%、换算截面重心、净截面重心至有粘结预应力钢筋 和普通钢筋合力点的距离(mm),按本规程公式 (8. 2. 17-2)、(8.2. 17-4)计算;
北、%——换算截面重心、净截面重心至计算纤维处的距离 (mm);
%、σL——受拉区、受压区预应力钢筋的张拉控制应力(N/ mm?),按现行行业标准《公路桥梁加固设计规 范》JTG/TJ22的规定确定;
Wl——受拉区、受压区相应阶段的预应力损失值(N/ mπ√),按本规程第8. 2. 1条至第8. 2. 2条规定计 算;使用阶段时为全部预应力损失值;
©4、我——受拉区、受压区由混凝七弹性压缩引起的预应力 损失值(N∕mm2),按本规程第8.2.2条计算。
3新增预加力与原预加力的冇效预加力共同产生的混凝土 和钢筋应力应按下列公式计算:
D计算截面应力点处混凝土的法向压应力:
^PC==^PCI '*~^pc∙2 (8. 2. 16-10)
2) 计算截面应力点处混凝七的法向拉应力:
(TPt ^PtI-ɪ bpt2 (8∙ 2∙ 16-11)
3) 原预应力筋合力点处混凝土法向应力等于零时的预应 力筋应力:
截面受拉区: σpo =σpoι ~σpo2 (8.2. 16-12)
截面受压区: 爲O=M):+房02 (8.2.16-13)
4 σpc2^(/网的计算应符合下列规定:
D当新増预加力为体外预应力筋时,σpc2-⅛ σ,pc2应按本规 程公式(8.2.16-1)计算;
2)当新增预加力为体内有粘结预应力筋时,力崩与∕pc2应 按本规程公式(8.2.16-7)计算,并应以4c2∖ Mp2代 替式中的加、MPl或以儿、Mp2代替式中的加、 Mμl,计算截面几何性质时计入新增受拉钢筋及混凝 土作用,不考虑混凝土收缩、徐变引起的预应力损失 时,并以有效预加力NCP代替Np。
5 σp0j与√p01的计算应符合下列规定:
D 响与。侦应按本规程公式(8.2.16-8)计算;
2) <M与"q应按本规程公式(8.2.16-4)计算,并应以 NP代替式中的NPo;
3) 呕应按本规程公式(8.2.17-2)计算,并应以叫、 』、NP代替式中的处、4)、Np0。
8. 2.17预应力钢筋和普通钢筋的合力NP0、NP及合力的偏心 矩牛、S (图8.2.17)应按下列公式计算:
(a)先张法构件 (b)后张法构件
图8. 2.17预应力钢筋和普通钢筋合力及其偏心矩
1 一換算截面重心轴;2—净截而重心轴
1先张法构件:
NPO = σpoAp + σ,poAp -σ∕6As - σ^Λfs (8. 2. 17-1) OPoAPvP — —勿6As)ii
W = NpO
(8. 2. 17-2)
2后张法构件:
NP = σfκ.Ap 4 (∕pe∙A'p — σ∕6^5 —/A; (8. 2. 17-3)
_ OpeAPJyPn — b PeAPJypn — AiiJySn ^^1 . tT /6 A「了 皿
S = NP
(8. 2.17-4)
式中:。凶、/PO——受拉区、受压区有粘结预应力钢筋合力点处 混凝土法向应力等于零时的有粘结预应力钢 筋应力(N∕mr∏2),按本规程公式(8. 2.16-5)或公式(8. 2.16-8)计算;
叫、σzpe——受拉区、受压区有粘结预应力钢筋的有效预 应力(N∕mr∏2),按本规程公式(8. 2.16-6) 或公式(8. 2.16-9)计算;
Ap、A;——受拉区、受压区有粘结预应力钢筋的截面面 积(Ynmi);
A,、A;——受拉区、受压区普通钢筋的截面面积(瑚);
%、JP——受拉区、受压区有粘结预应力钢筋合力点至 换算截面重心轴的距离(mm);
X、我——受拉区、受压区普通钢筋重心至换算截面重 心轴的距离(mm);
%n、——受拉区、受压区冇粘结预应力钢筋合力点至 净截面重心轴的距离(mm);
j4——受拉区、受压区普通钢筋重心至净截面重心 轴的距离(mm);
孫、σ∕6—受拉区、受压区预应力钢筋合力点处由混凝 土收缩、徐变引起的预应力损失值(N/ mm2) O
8. 2.18正截面抗裂验算应符合下列规定:
1应按荷载短期效应和长期效应组合计算构件抗裂验算边 缘混凝土的法向拉应力西和%:
V-=
(8. 2. 18-1)
σ∏=τLy (8.2.18-2)
ɪo
式中:Ms、ML一按计算截面的荷载短期、长期效应组合计算 的弯矩值(kN∙m),不计汽车冲击系数;
西、%——荷载短期、长期效应组合F构件抗裂验算边 缘混凝土的法向拉应力(N∕mm2);
I。、丁——张拉预应力筋时全截面的换算截面惯性矩 (mm,)、换算截面重心至受拉边缘的距离 (mm),体外预应力筋加固时只按原截面尺 寸及原配筋计算截面几何性质。有粘结预应 力筋加固时该预应力筋增计到原截面儿何性 质中。
2应按构件抗裂验算边缘混凝土的法向拉应力西和稣分类 进行抗裂验算:
1) 加固后成为全预应力的混凝土构件,应符合F列规定: 整体浇筑或整体预制构件:
σ3l—O. 90σpc≤0 (8. 2. 18-3)
分段浇筑或分段拼装的构件:
σst ~~0. 85σpc≤θ (8. 2. 18-4)
2) 加固后成为A类预应力的混凝土构件,应符合下列公 式要求:
σst—σpc≤θ∙ 75 ft∖i (8. 2.18-5)
σiχ—σpc≤θ (8. 2. 18-6)
式中:Λk——混凝土的抗拉强度标准值(N∕mn√);
尔——新増预加力与原预加力共同产生的截面抗裂验算 边缘混凝土預压应力(N∕mr∏2),按本规程公式 (8. 2.16-10)计算。
3) 对加固后成为B类预应力混凝土构件,应满足下式要 求,并应按本规程第8.2.22条验算裂缝宽度。
GGd=华的VTpC (8. 2. 18-7)
式中:MGd——结构自重作用下控制截面弯矩(kN - m); σ<y——结构自重作用下控制截面受拉边缘混凝土的拉应 力(N/mm?)。
8. 2.19斜截面抗裂验算应符合下列规定:
1当预应力加固后成为全预应力混凝土构件时,在作用 (或荷载)短期效应组合下的抗裂验算应符合下列公式要求:
整体浇筑或整体预制:
σφ≤0. 65∕tk (8. 2. 19-1)
分段浇筑或分段拼装:
σtp≤0. 45∕tk (8. 2. 19-2)
2当预应力加固后成为A类和B类预应力混凝土构件时, 在作用(或荷载)短期效应组合下斜截面抗裂验算应符合下列公 式要求:
整体浇筑或整体预制:
σtp≤0. 75∕tk (8. 2. 19-3)
分段浇筑或分段拼装构件:
σψ≤0. 55∕tk (8. 2. 19-4)
式中:∕tk——混凝土抗拉强度标准值(N∕mm2);
σlp•预应力混凝土受弯构件斜截而上由作用(或荷载) 短期效应组合和预加力引起的混凝土主拉应力 (N∕mm2),按本规程第8.2.20条计算。
8.2. 20混凝土主拉应力SP和主压应力bcp应按下列公式计算:
(8. 2. 20-1)
(8. 2. 20-2)
(8. 2. 20-3)
(8. 2. 20-4)
(8. 2. 20-5)
式中:σcx-在汁算主应力点,由新旧预加力及按作用(或荷 载)短期效应组合计算的弯矩产生的混凝土法
向应力总和(N/mm?);
σcy——由竖向预应力钢筋的预加力产生的混凝土竖向压
应力(N∕mm2)∣
尔——在汁算主应力点,扣除全部预应力损失后由纵向 新旧预加力的有效预加力共同产生的混凝土法向 预压应力(N∕mr∏2),按本规程公式(8.2.16-10) 计算;
火—-换算截面重心轴至计算主应力点的距离(mm); 〃一一在同一截面上竖向预应力钢筋的肢数;
M.——竖向预应力钢筋、新旧有粘结纵向预应力弯起钢 筋扣除全部预应力损失后的有效预应力(N/ mm,,按现行行业标准《公路钢筋混凝土及預应 力混凝土桥涵设计规范》JTG D62规定计算;
APV--单肢竖向预应力钢筋的截面面积(mm?);
SV--竖向预应力钢筋的间距(mm);
》——计算主应力点处构件腹板的宽度(πιrn);
Ms—计算截面处按作用(或荷载)短期效应组合计算 的弯矩(kN∙m);
V5——计算截面处按作用(或荷载)短期效应组合计算 的剪力(kN);
APb——计算截面上同一弯起平面内新旧有粘结预应力弯 起钢筋的截面面积(mm?);
S。、Sn——计算主应力点以上(或以下)部分换算截面面积 对换算截面重心轴、净截面面积对净截面重心轴 的面积矩(mu?);
θp——计算截面上新I日有粘结预应力弯起钢筋的切线与 构件纵轴线的夹角(°);
.Z—在计算主应力点,由新旧预应力弯起钢筋的预加 力及V,产生的混凝土剪应力总和(N/mn?)。对 后张预应力混凝土超静定结构,在计算剪应力时, 尚宜计入预加力引起的次剪力,当计算截面作用 有扭矩时,尚应计入由扭矩引起的剪应力,按本 规程第8. 2. 21条计算。
8. 2. 21当计算主应力点的混凝土剪应力匸时,若计算截面作用 有扭矩,则应叠加扭矩引起的剪应力并应符合下列规定:
1剪应力“应按下式计算:
T
rl=⅛ (8.2.21-1)
式中:T—计算截面处的扭矩(kN∙m);
Wt--抗扭抵抗矩(mm,)。
2 Wt计算应符合下列公式要求:
D对高和宽分别为h和。的矩形截面梁:
Wt=阳 (8. 2. 21-2)
式中:β—截面尺寸系数,取值与九和Q的比值有关,应按照 相关规定取用。
2) 对T形、I形开口截面梁:
Wt =¥史U (8.2.21-3)
/=1
式中:Ii——每一狹长矩形组成部分的边长(mm);
Ii---厚度(mm);
t——应力计算点处腹板的厚度(mm);
TI 一修正系数,当截面各组成部分连接部位冇承托设置 时,T形截面T7=L 15, I字形截面〃=1.2; i、n 分别为组成截面的第Z部分狭长矩形及狭长矩形的 总数量。
3) 对闭口箱形截面:
Wt = 2A0t . (8.2.21-4)
式中:t--应力计算点处箱壁厚度(mm);
AO——闭口截面中心线所围成的面积(mm?)。
8. 2. 22裂缝宽度验算应符合卜•列规定:
1对加固后为B类预应力混凝土构件,应限制裂缝寛度, 其最大裂缝宽度Bfk应按下式计算:
Sk = GCq 吾(溜土寄) (8.2.22-1)
h5 ∖O∙ 十 10io∕
式中:Wfk--最大裂缝宽度(mm);
Cl——钢筋表面形状系数,对光面钢筋,G = I.4,对带 肋钢筋,C1 = I.0;
C2——作用(或荷载)长期效应影响系数,G = l+0∙5 夢,其中N和NS分别为按作用(或荷载)长期 效应组合和短期效应计算的内力值,含无粘结预 应力筋产生的内力(受弯构件为弯矩);
C3——与构件受力性质有关的系数,当为钢筋混凝土板 式受弯构件时,C3 = 1.15,其他受弯构件(:3 =1. 0;
d——等效纵向受拉钢筋直径(mm),按现行行业标准 《公路钢筋混凝土及预应力混凝土桥涵设计规范》 JTG D62规定计算;
P—按有效受拉混凝土截面面积计算的新旧纵向受拉 普通钢筋和有粘结预应力筋的等效配筋率,对钢 筋混凝土构件,当p>0∙02时,取p=0.02;当P V0.006时,取P=0.006,体外预应力筋加固时 不计入;
ES——采用有粘结受拉预应力钢筋和普通钢筋截面积较 大者的弾性模量(N∕mι√);
g——等效纵向受拉钢筋合力点处的钢筋拉应力(N/ mm2) O
2等效纵向受拉钢筋合力点处的钢筋拉应力朱应分别按下 列4种情况进行计算:
D体外预应力筋加固钢筋混凝土受弯构件纵向受拉钢筋 的等效应力厶应按下列公式计算:
(8. 2. 22-2)
(8. 2. 22-3)
% = η,ec +>s
Z = Γθ. 87-0. 12(l-∕,f) 72 O0 (8.2.22-4)
华=ɪ + 4OOOeo∕A∞(7;)
(8. 2. 22-5)
=M 寺 Mp2 X 103
(8- 2. 22-6)
, (队一 b)hk r(=--------
(8. 2. 22-7)
式中:NS—按作用短期效应组合计算的轴向力值(kN),对 钢筋混凝土构件,Ns = Np2;
Np2——体外预应力筋极限应力计算值外U相对应的预加力 NPU对计算截面产生的轴向压力(kN);
匕——轴向压力N,作用点至原纵向普通受拉钢筋合力点 的距离(mm);
N——原纵向普通受拉钢筋合力点至截面受压区合力点 的距离(mm);
彷——使用阶段的轴向压力偏心距增大系数.当Zo∕Λ≤ 14时,么为1.0;
布——按作用短期效应组合计算的偏心距(mm);
MS——按作用短期效应组合计算的弯矩值(kN・m);
Mp2——体外预应力筋预加力NPU对超静定结构产生的次弯 矩(kN∙m),与作用方向相同时取正号,相 反时取负号;
M——原全截面换算截面的重心至原受拉钢筋重心的距 离(mm);
Λs——原受拉普通钢筋截面面积(mπ√);
h'蹌——受拉区所有新旧纵向有粘结预应力钢筋和普通钢 筋合力点至截面受压边缘的距离(mm),并将按 本规程公式(8.2.5-3)计算的/?oo代替編。采用 体外预应力筋加固时,从原纵向受拉钢筋合力点 起算,釆用有粘结预应力筋加固时,从所有新旧 纵向受拉钢筋合力点起算;
八一-受压翼板截面积与腹板有效截面积之比,矩形截 面时,rf = 0;
b. h——梁或腹板宽度及高度(mm); b∖. h∖——受压翼板宽度和厚度(mm);
ZC--构件的计算长度(mm)。
2)有粘结预应力筋加固钢筋混凝土受弯构件纵向受拉钢 筋的等效应力姪应按下列公式计算:
_ (MS ±Mp3) X IO6-NPO X 103(z-eI))
心_ A
ASPZ
(8. 2. 22-8)
。=gp+Ms⅛MP3 X IO3 (8. 2. 22-9)
NPo
NpO = Nep[l +^ʌ-p(^ +⅛) J (8.2.22-10) 式中:ME——新增有粘结筋的有效预加力NqJ在超静定结构中 产生的次弯矩(kN・m),与MS作用方向相同时 取正号,相反时取负号;
NPO——计算截面处混凝土法向应力等于零时,新增预应 力钢筋和所有新旧普通钢筋的合力(kN);
Z一受拉区所有新旧纵向普通钢筋和新增有粘结预应力 钢筋合力点至截面受压区合力点的距离(mm),按 本规程公式(8. 2. 22-4)计算,并将按公式 (8. 2. 22-9)计算的e代替%;
纤——合力NpO作用点至受拉区新增预应力钢筋和所有 新旧普通钢筋合力点的距离(mm)。当不考虑受 压区普通钢筋时,命=0;
Λ8p——新增有粘结预应力筋截面积AeP与原纵向受拉普 通钢筋截面积A之和(mm2);
Aeμ. NeP——分别为新增有粘结预应力钢筋的截面面积 (mn?)及有效预加力(kN);
«ep——新增有粘结预应力钢筋与混凝土的弹性模量 之比;
AO、ʃo——含新增混凝土截面积和有粘结预应力钢筋在内的换 算截面面积(rW)、换算截面惯性矩(mn√);
%o——预应力钢筋和普通钢筋合力点至换算截面重心轴 的距离(mm) O
3)体外预应力筋加固预应力混凝土受弯构件纵向受拉钢 筋的等效应力心应按下列公式计算:
_ (M ±Mp] ± MP2) X 10' — NPo X IO' O —时)
7ss — 厶好 —
(8. 2. 22-11)
3 = (NpOMPl+Npθ2牛)/Ng (8. 2. 22-12)
瓦示讪以6 A”矿。
-Qt) — σ7μ)A p(∕loo - ɑp)j
⅜2 = 7]KO + %, % = A⅛临 X IO3
(8. 2. 22-13) (8.2.22-14)
NPO2
丄 MS 士 MPI ± MP2 X ]03
(8. 2. 22-15)
NPo
(8.2.22-16)
(8. 2. 22-17) 式中:MPi——原有粘结预应力筋对超静定结构产生的次弯矩 (kN∙rn),与MS作用方向相同时取正号,相反 时取负号;
Mp2-—体外预应力筋预加力N四对超静定结构产生的次 弯矩(kN・m),与MS作用方向相同时取正号, 相反时取负号;
NPO——计算截面处混凝土法向应力等于零时,新增体外 预应力筋、原有粘结预应力钢筋和普通钢筋的合 力(kN);
NPf)I——原有粘结预加力作用下混凝土法向应力等于零时 原预应力钢筋和普通钢筋的合力(kN),根据构 件是先张法构件或是后张法构件均按本规程公式 (8. 2.17-1)计算,并结合本规程第8. 2. 16条第
2款及第5款的规定计算;当原预应力混凝土受 弯构件的受拉区和受压区都设置有预应力筋时, 计入混凝土收缩、徐变对原有粘结预应力筋产生 的预应力损失勿6和兀;
N瑯——体外预应力筋作用下混凝土法向应力等于零时体 外预应力钢筋的合力(kN),不计原构件混凝土 收缩和徐变对体外筋产生的应力损失且不考虑受 压区原预应力筋作用时,实际上为无粘结筋的有 效预拉力σre Ape ;
AN——原预应力钢筋和原普通受拉钢筋截面积之和 (rπm2);
A;、——截面受压区普通钢筋及预应力钢筋截面积(商); /八疽P——截面受压区普通钢筋至截面受压边缘的距离及预 应力钢筋至截面受压边缘的距离(mm);
∕po——受压区原预应力钢筋合力点处混凝土法向应力等 于零时的预应力钢筋应力(N∕mr∏2),按本规程 第8.2.16条计算;
招6——受压区预应力钢筋合力点处由混凝土收缩、徐变 引起的预应力损失值(N∕mr∏2);
%——合力NpO作用点至截面受拉区纵向有粘结预应力 钢筋和普通钢筋合力点的距离(mm);
⅜ι——计算截面处混凝土法向应力等于零时原有粘结纵 向预应力钢筋和普通钢筋的合力Np0]的作用点至 受拉区原纵向预应力钢筋和普通钢筋合力点的距 离(mm);
ep2——体外预应力筋作用下合力NPO2的作用点至截面受 拉区原纵向预应力钢筋和普通钢筋合力点的距离 (mm);
‰—原换算截面重心至截面受拉区原纵向预应力钢筋 和普通钢筋合力点的距离(mm);
Z——受拉区原纵向普通钢筋和原预应力钢筋合力点至 截面受压区合力点的距离(mm),按本规程公式 (8.2.22-4)计算,并将按公式(&2.22-16)计 算的《代替
4)有粘结预应力筋加固预应力混凝土受弯构件纵向受拉 钢筋的等效应力"应按下式计算:
_ (MS ÷Mpl ±Mp3) × IO6 - NPO X IO3- eps)
©滸— Λ
(8. 2. 22-18) 式中:NPO——计算截面处混凝土法向应力等于零肘,所有新旧 纵向冇粘结预应力筋及普通钢筋的合力(kN), 将Np02用NPO3代替并按公式(8. 2. 22-17)计算;
Ng3——新增有粘结预应力筋作用下混凝土法向应力等于 零时新增预应力钢筋和普通钢筋的合力(kN), 仅按后张法构件考虑,且不计入混凝土的收缩、 徐变应力损失外和紀6,当不考虑受压区原预应 力钢筋作用时,Np03仅为新增预应力筋的拉力, 用NPO3代替NPO按本规程公式(8.2.22-10)计 算,截面几何性质A。、L计算时应计入所有新旧 纵向预应力钢筋和普通钢筋的换算面积;
Mp3——新增有粘结预应力筋对超静定结构产生的次弯矩 (kN ∙ In),与MS作用方向相同时取正号,相反 时取负号;
A网——包含所有新旧纵向有粘结预应力钢筋和普通钢筋 的截面积(mm?);
Z——计算截面处受拉区所有新旧有粘结纵向预应力钢 筋和普通钢筋合力点至截面受压区合力点的距离 (mm) o
8. 2. 23对采用预应力加固后仍带裂缝工作的混凝土受弯构件, 其裂缝宽度的限值应符合现行行业标准《公路钢筋混凝土及预应
HI
力混凝土桥涵设计规范》JTGD62的规定,并应符合下列规定:
1体外预应力筋加固钢筋混凝土构件时,应符合钢筋混凝 土构件的裂缝宽度限值。
2体外预应力筋加固预应力混凝土构件时,应符合预应力 混凝土构件裂缝宽度限值。
3冇粘结预应力筋加固钢筋混凝土构件或预应力混凝土构 件时,应符合预应力混凝土构件的裂缝宽度限值。
8. 2. 24钢筋混凝土和预应力混凝土受弯构件正常使用极限状态 下的挠度计算应符合下列规定:
1全预应力混凝土或A类预应力混凝土构件刚度应按下式 计算:
BO=O .95EJo (8.2.24-1)
2 B类预应力混凝上构件刚度应按下列公式计算: 在开裂弯矩MCl作用下:
B0=O. 95ECIo
(8. 2. 24-2)
(8. 2. 24-3)
(8. 2. 24-4)
在(Ms-Mcr)作用下:
BCT = ECICr
3截面开裂弯矩Λ‰应按下式计算:
MCr= S+斜∖k)w°
式中:SO——全截面换算截面重心轴以上(或以下)部分面积 对重心轴的面积矩(mo?);
——换算截面抗裂边缘的弹性抵抗矩(mm,);
ICr——开裂截面的换算截面惯性矩(mm,);
Ak——混凝土抗拉强度标准值(N∕mm2) ; *
蛇——新増预加力与原预加力的有效预加力共同产生的 构件抗裂验算边缘混凝土的预压应力(N∕mτ∏2),
按本规程公式(8. 2.16-10)计算。
8.2.25预应力加固受弯构件持久状况使用阶段,应验算正截面 混凝上的最大法向压应力%、正截面受拉区新旧预应力钢筋的 总拉应力m和%、斜截面混凝土的主压应力σcpo
8. 2. 26体外预应力筋加固钢筋混凝土受弯构件持久状况条件 下,应验算正截面混凝土最大法向压应力些和斜截面的主压应 力知,并应符合下列规定:
1当加固后的构件为全预应力混凝土或A类预应力混凝土 受弯构件时,由作用标准值对截面受压边缘产生的混凝土法向压 应力(TkC应按下列公式计算:
贝C =祟北 (8. 2. 26-1)
Mk = MG+Mq (8. 2. 26-2)
正截面混凝土的法向总压应力。CC应按下式计算:
G=OkC+bpt (8. 2. 26-3)
式中:Mk——作用标准值组合计算的弯矩值(kN∙m);
MG——除预加力外的永久作用产生的弯矩(kN∙m);
MI——计入汽车冲击系数的汽车荷载及温度作用等可变 作用产生的弯矩(kN・m);
Io——包含全部有粘结受拉钢筋在内的全截面换算截面 的惯性矩(mπ√);
义——原截面换算截面重心轴至受压区边缘的距离 (mm);
σpt——体外预应力筋的预加力对截面受压边缘产生的混 凝土法向拉应力,用外代替式(8.2.16-1)中的 币2计算。当九的应力方向与晚相反时,取负数。
2当加固后的构件成为允许开裂的B类预应力混凝土受弯 构件时,可将构件作为压弯构件,直接按大偏心受压构件计算岀 截而受压边缘混凝土的最大法向压应力心,并应符合下列规定:
D T形或I字形截面开裂截面的换算截面中性轴至截面 受压边缘的距离ʃ应按下列公式计算:
Ar3+Rr2+Cr + D = 0 (8. 2. 26-4)
A = b (8.2.26-5)
B = 3施N (8. 2. 26-6)
C = 6qes[(fn +£)A; + (e,N + λs)As J
+ 3(√f-6)(2eN +/∕f)Λ,f (8. 2. 26 7)
D = - 6αεsN +a∖)Afs ÷A8(eN +As)Ail]
一(。;一厶)(3练 + 2矿)W)2 (8.2.26-8)
eN = (Mk ± Mp2)/NpO-C (8.2.26-9)
式中:久矿、代\——分别为梁肋宽度、受压翼缘宽度及厚度 (mm),矩形截面时,b∖=b;
A,、A5——分别为原受拉钢筋截面积及其重心至截面 受压边缘的距离(mm);
A;、兄一一分别为原受压钢筋截面积及其重心至截面 受压边缘的距离(mm);
Qes——原构件普通钢筋的弹性模量与混凝土弹性 模量之比;
eN——轴向力作用点至截面受压边缘的距离 (mm);
C——开裂换算截面重心轴至截面受压边缘的距 离(mm);
MP2——计算截面处体外有效预加力对超静定结构 产生的次弯矩(kN∙m),与Mk作用方向 相同时取正号,相反时取负号;
NPO——混凝土法向应力等于零时预应力钢筋和普 通钢筋的合力,不计原构件混凝土收缩、 徐变应力损失时NpO = NP2°
2)正截面受压区混凝土最大压应力心应按下列公式计算: σcc =哄宫 (8. 2. 26-10)
SO = {--- (1 龙;)2 (b∖ — b)
乙 Li
+ αESAS (ʃ — a9)—QESA、(AS —x) (8. 2. 26-11) 式中:s°——最终形成的计算开裂截面的换算截面对其中性轴的 静矩(mm3)。
3斜截面的主压应力晚计算应符合下列规定:
D作用标准值组合及预加力产生的混凝土主压应力加, 应按本规程公式(8.2.20-2)计算,式中M,、V,应 为计算截面处的作用标准值组合计算弯矩值Mk及相 应的剪力值Vk。
2) 计算主应力点的混凝土法向应力总和血应按本规程公 式(8∙2.20-3)计算,式中的6应按本规程公式 (8. 2. 16-1)的% 计算。
3) 当计算截面作用有扭矩时,计算主应力点的混凝土剪 应力T应叠加按本规程公式(8.2.21∙1)计算扭矩引 起的剪应力。
8.2. 27体外预应力筋加固预应力混凝土受弯构件持久状况条件 下,应验算正截面混凝土的最大法向应力瓜、斜截面主压应力 处、原有粘结预应力钢筋的总拉应力%,并应符合下列规定:
1当加固后的构件为全预应力混凝土和A类预应力混凝土 受弯构件时,体外预加力对正截面混凝土的法向最大压应力j、 原预应力钢筋总拉应力%,计算应符合下列规定:
D受压边缘混凝土产生的法向拉应力九应按本规程公式 (8.2.16-11)计算,其中e∣应根据原构件是先张法或 是后张法预应力混凝土构件按本规程第8. 2.16条及第 8.2.17条计算,九2应按本规程公式(8.2.16-1) 计算。
2) 尔应按本规程公式(8.2.26-3)计算,其中孫按本规 程公式(8.2.26-1)计算。
3) bpp应按下列公式计算:
σpp = σcpι ÷σp (8. 2. 27T)
σp = σp↑ ±<τpo2 (8. 2. 27-2)
σpι = α∏p (8. 2. 27-3)
⅞
式中:CTePl 原有粘结受拉预应力筋的有效预应力(N/mm?),
按现行《公路钢筋混凝土及预应力混凝土桥涵设 计规范》JTG D62的规定计算;
σpl——作用标准值产生的原有粘结预应力钢筋应力增量 (N/mm2);
叩)2——新增预应力筋对原预应力钢筋产生的应力增量 (N∕mm2),按本规程公式(8.2.16-2)或本规程 公式(8.2.16-3)计算;
% -最终形成的计算截面换算截面重心轴至最外层有 粘结受拉预应力钢筋重心的距离(mm);
ʃo——包含全部冇粘结受拉钢筋在内的全截面换算截面 惯性矩(mm,)。
2当加固后的构件为允许开裂的B类预应力混凝土受弯构 件时,正截面混凝土的最大法向压应力队、原预应力钢筋总拉 应力。PP计算应符合下列规定:
D开裂截面的换算截面中性轴至截面受压边缘的距离Z 应按本规程公式(8.2.26-4)计算,其中C、。参数 应按下列公式计算:
C = 6αEP C ( eN +∕p)A'p + +"p)Ap[+ 6αεs[ (eN + α, )Aζ
+ (eN+AS)AJ +3(屏一5) (2eN+√f)A,f (8. 2. 27-4)
D = — 6αεp[αp(eN + αp)Ap +Λp(eN +Λp)Ap]
—6QES[∕s(eN +αζ)Aζ +*eN +ʌS)ASZl
一 (√r 一 b) (3eN + 2h∖) (M)2 (8. 2. 27-5)
式中:Ap、AZP——分别为截面受拉区和受压区原预应力钢筋截 面积(mm?);
如、Wp 分别为截面受拉区和受压区原预应力钢筋重
心至受压区边缘的距离(mm);
QEP——原预应力钢筋与混凝土的弹性模量之比。
2)开裂截面的换算截面对其中性轴的静矩S应按下式
计算:
SO = ∙⅛⅛7fX2 —§(X —A^)2(b∖ —6)+ OfES^S(jc-a3y) 乙 乙
一QesAs(知一工)+。EPAt (z — )—αEPAP(/小—τ)
(8. 2.27-6)
3) 小应按本规程公式(8.2. 26-10)和下式计算:
NPQ = Np0ι+Np02 (8. 2. 27-7)
式中:N网——原有粘结预应力筋预加力作用对计算截面产生的 合力(kN),根据原构件是后张法或先张法预应 力混凝土受弯构件,并考虑混凝土收缩、徐变引 起的预应力损失,按本规程第8. 2. 17条中Nμ)的 规定计算。
Np02——新增体外预应力筋的预加力对计算截面产生的合 力(kN),后张法构件不计原构件混凝土收缩、 徐变应力损失,且不考虑受压区原预应力筋 作用。
4) 原有粘结预应力钢筋的拉应力增量应按F式计算:
外=細心如二^ (8.2. 27-8)
. I
式中:Ap-截面受拉区原预应力钢筋重心至截面受压边缘的距. 离(mm),当截面受拉区有多层预应力钢筋时,如 取最外层预应力钢筋重心至截面受压边缘的距离。
5) 原预应力筋总拉应力按本规程公式(8.2.27-1)计算。
3斜截面的主压应力GCP计算应符合下列规定:
D作用标准值组合及预加力产生的混凝土主压应力知应 按本规程公式(8.2.20-2)计算,式中M、、VS应为 计算截面处的作用标准值组合计算弯矩值MK及相应 的剪力值UkC
2)计算主应力点的混凝土法向应力总和队应按本规程公
式(8. 2. 20-3)计算,式中的g应由新旧预加力产生 的混凝土法向应力bpc2和组成,可按本规程公式 (8. 2.16-10)计算。
3)当计算截面作用有扭矩时,计算主应力点的混凝土剪 应力T应叠加按本规程公式(8. 2.21-1)计算扭矩引 起的剪应力。
8. 2. 28有粘结预应力筋加固钢筋混凝土受弯构件持久状况条件 下,应验算正截面受压区混凝土的最大法向应力心、斜截面主 压应力缶、新增有粘结预应力筋总拉应力林,并应符合下列 规定:
1当加固后构件为全预应力混凝土和A类预应力混凝土受 弯构件时,正截面受压区混凝土的最大法向应力%、新增有粘 结预应力筋总拉应力计算应符合卜•列规定:
1) 朱应按本规程公式(8.2.26-1)计算,截而几何性质 应计入新增受拉钢筋及混凝土。
2) 叫应代替本规程公式(8. 2.16-7)中的时计算,并应 用新增有粘结预应力钢筋的有效预加力NeP和计算截 面处NeP对超静定结构产生的次弯矩Mμ2代替式中的 Np、Mm。
3) 正截面混凝土的法向总压应力G应按本规程式 (8. 2. 26-3)计算。
4) 由作用标准值组合计算弯矩值产生的预应力钢筋的应 力增量③应按本规程公式(8.2.27-3)中的e计算。
5) 新增有粘结预应力筋总拉应力OPk应按下式计算:
bpk=GCp2 卜。P (8.2.28-1)
式中:σcp2--新增冇粘结预应力钢筋的有效预应力(N/mm2),
按现行《公路钢筋混凝土及预应力混凝土桥涵设 计规范》JTG D62的规定计算。
2当加固后构件为允许开裂的B类预应力混凝土受弯构件 时,正截面受压区混凝土的最大法向应力J计算应符合下列
规定:
1)
2)
%、应按本规程公式(8.2.26-10)计算,换算截面对中 性轴的静矩S。应按本规程公式(8. 2. 27-6)计算,换 算截面中性轴至截面受压边缘的距离]应按本规程式 (8. 2.26 4)计算,其中的参数C、。按本规程公式 (8. 2. 27-4).公式(8.2.27-5)计算,应将原有粘结 预应力钢筋改为新增有粘结预应力钢筋。
混凝土法向应力等于零时預应力钢筋和普通钢筋的合 力NN应按下列公式计算:
NPO= (7p0 Aep
σpo — σ<φ2 +<⅛(歹 +
(8. 2. 28-3)
(8. 2. 28-2)
式中:σp0——受拉区预应力钢筋合力点处混凝土法向应力等于 零时的预应力钢筋应力(N∕mn√);
σcp2——新增有粘结预应力钢筋的有效预应力(N∕mm2);
NCP——新增有粘结预应力钢筋的有效预加力(kN);
Mp2——计算截面处体外有效预加力对超静定结构产生的 次弯矩(kN∙m);
%——最终形成的计算截面换算截面重心轴至最外层有 粘结受拉预应力钢筋重心的距离(mm);
*o——最终形成的换算截面重心轴至新增有粘结预应力 钢筋合力点的距离(mm);
人°、L——分别为最终形成的混凝土与所有纵向钢筋的换算
截面面积(mn?)及惯性矩(mm。);
Λcp——为新增有粘结预应力筋的截面积(mn?)。
3) 新增有粘结预应力钢筋的拉应力増量⑥应按本规程公 式(8.2.27・8)计算,式中的如应为最外层新增有粘 结预应力筋束重心至截面受压边缘的距离。
4) 新增有粘结预应力筋宜在截面受拉区设置,且不计混 凝七收缩、徐变应力损失,OPo应按本规程公式
(8. 2. 28-3)计算。
5)新增预应力筋总拉应力Opk应按下式计算:
σpk =σpo +σμ (8. 2. 28-4)
3斜截面的主压应力处计算应符合下列规定:
D作用标准值组合及预加力产生的混凝土主压应力Gcp应 按本规程公式(8.2.20-2)〜本规程公式(8.2.20-5) 计算,式中M八V、应为计算截面处的作用标准值组 合计算弯矩值(Mk ±Mp2)及相应的剪力偵K,Mp2 为新增预加力NPO在超静定结构中产生的次弯矩,与 Mk方向相同时取正号,相反时取负号。
2) 计算主应力点的混凝土法向应力总和/X应按本规程公 式(8.2.20-3)计算,式中新增预加力对计算主应力 点的混凝土法向预压应力%应按本规程式(8. 2. 16-7)的叫I计算,并应用NeP和Mp2代替式中的NP 和 MPIO
3) 当计算截面作用有扭矩时,计算主应力点的混凝土剪 应力干应叠加按本规程公式(8.2.21-1)计算扭矩引 起的剪应力。
8.2. 29有粘结预应力钢筋加固预应力混凝土受弯构件持久状况 条件下,应验算正截面受压区混凝上的最大法向应力小、斜截 面主压应力知、新旧预应力筋总拉应力与k和’E并应符合下列 规定:
1构件应视为不同混凝土龄期施加预应力的受弯构件,除 计算受压区混凝土的最大压应力和主应力外,尚应计算新旧预应 力钢筋的应力,截面几何性质应计入全部新旧纵向受力钢筋及混 凝土的作用。
2当加固后构件为全预应力混凝土和A类预应力混凝土受 弯构件时,正截面受压区混凝土的最大法向应力弧计算应符合 下列规定:
D由作用标准值对截面受压边缘混凝土产生的压应力朱 应按本规程公式(8.2.26-1)计算。
2) 新旧预加力对受压区边缘混凝土产生的法向拉应力σpl 应由原预加力产生的受压区边缘混凝土法向拉应力σptl 和新增预加力产生的受压区边缘混凝土法向拉应力外t2 两部分组成,并应按本规程式(8.2.16-11)计算。
3) 应根据原构件是先张法或是后张法构件按本规程第
8. 2.16条及第8.2.17条计算。
4) 九2应按本规程公式(8.2.16-7)计算,并应用%2、 NeP和Mp2代替式中的 加、NP和Mpl。
5) 正截面混凝土的最大法向应力g应按本规程式 (8. 2. 26-3)计算;当4的应力方向与以•相反时,取 负数。
6) 新增有粘结预应力钢筋的拉应力增量外应按本规程公 式(8.2.27・3)中的即计算,其中/。应为所有新旧纵 向受力钢筋在内的全截面换算截面惯性矩,叫应为全 截面换算截而重心轴至新増预应力钢筋最外层钢筋重 心的距离。
7) 新増预应力筋总拉应力如.应按本规程公式(8.2.28-
1)计算。
8) 作用标准值产生的原预应力筋应力增量皿应按本规程 公式(&2.27-3)计算,其中外为全截面换算截面重 心轴至原预应力钢筋最外层钢筋重心的距离。
9) 新增预加力对原预应力筋产生的应力增量(7pθ2应按下 式计算:
CrPO2 =Q迎(亲 ±2⅛^p)xi°3 (8.2.29-1)
式中:32——新增有粘结预应力钢筋的有效预加应力Nq)至换 算截面重心轴的距离(mm) O
10) 原有粘结预应力钢筋的总拉应力增域外应按下式 计算:
σp = σμι ±σp02 (8. 2. 29-2)
11)原预应力筋总拉应力%p应按本规程公式(8. 2.27-1) 计算。
3当加固后构件为允许开裂的B类预应力混凝土受弯构件 时,应验算正截而受压区混凝土的最大法向应力J、斜截面主 压应力知、新旧预应力筋总拉应力bpk和知,并应符合下列 规定:
1) 应根据新旧预应力施加时混凝土龄期不同,分别计算 有效预加力后再叠加在一起,构件仍应作为大偏心受 压构件计算。
2) 开裂截面的换算截面中性轴至截面受压边缘的距离Z 应按本规程公式(8.2.26-4)计算,参数C、。应按 本规程式(8.2.27T)和(8.2.27-5)计算,轴向力 NPO作用点至截面受压边缘的距离eN应按下式计算:
eN = (Mk =的i_±Mp2)xl03-f (8. 2. 29-3) Npo
式中:MP】、MP2——新旧预加力在超静定结构中产生的次弯矩 (kN・m),与Mk方向相同时取正号,相反 时取负号;
L开裂的换算截面重心轴至截面受压边缘的 距离(mrπ) O
3) 换算截面对中性轴的静矩S应按本规程式(8. 2. 27-
6)计算。
4) 截面混凝土法向应力等于零时预应力钢筋和普通钢筋 的合力NE应按本规程公式(8. 2. 22-17)计算,体外 预应力筋应改为新增有粘结预应力筋。
5) 原预加力作用下混凝土法向应力等于零时原纵向预应 力钢筋和普通钢筋合力点处的合力NPOl应根据原构件 是先张法或后张法预应力混凝土受弯构件,考虑混凝 土收缩、徐变引起的预应力损失,应按本规程第
8.2.16条及第8. 2. 17条中NPO的规定计算。
6)新增预加力作用下混凝土法向应力等于零时新増预应 力钢筋和普通钢筋合力点处的合力NPO2应按下式 计算:
NPO2 =(TPOAeP (8. 2. 29-4)
式中:处——受拉区预应力钢筋合力点处混凝土法向应力等于 零时的预应力钢筋应力(N∕mm2),按本规程公式 (8. 2. 28-3)计算。
7) 正截面受压区混凝土的最大法向应力做应按本规程公 式(8.2.26-10)计算。
8) 原预应力钢筋的最外层钢筋的应力增量4应按本规程 公式(8. 2. 27-8)计算。
9) 新增预应力钢筋的最外层钢筋的应力增量外应按木规 程公式(8.2.27-8)计算,在计算心时N凶应取NPO2, 式中如应为相应的最外层预应力筋束重心至截面受压 边缘的距离。
10) 原预应力筋总拉应力(TPP应按下式计算:
CrPP ~σμoι +σpo2 H-σp ( 8. 2. 29-5 )
式中:σlj0l——原有粘结预应力钢筋合力点处混凝土法向应力等 于零时的预应力钢筋应力(N/mn?),应根据原
构件是先张法或后张法按本规程公式(8.2.16-5) 或本规程公式(8.2.16-8)计算;
σiχ52——新增有粘结预应力钢筋合力点处混凝土法向应力 等于零时的预应力钢筋应力(N∕mm2),应按本 规程公式(8.2.28-3)中的GPO计算。
11)新增有粘结预应力筋总拉应力应按下式计算:
OPk =GpO3 ÷σp (8. 2. 29-6)
式中:403——新増有粘结预应力钢筋合力点处混凝土法向应力 等于零时的预应力钢筋应力(N∕mr∏2),应按本
规程公式(8.2.28-3)中的计算,其中A。、I0 应为扣除新增预应力筋孔道面积后含原所有纵向 钢筋的全截面换算截面面积和惯性矩0
4斜截面的主压应力向计算应符合下列规定:
D作用标准值组合及预加力产生的混凝土主压应力知应 按本规程公式(8. 2. 20-2)计算,式中Ms、吼应为 计算截面处的荷载标准值组合计算弯矩值(Mk士MN ±Mp2)及相应的剪力值Vk
2)计算主应力点的混凝土法向应力总和而应按本规程公 式(8.2.20-3)和下式计算:
σpc — σpcι H σpc2 (8. 2. 29-7)
式中:Sq--有粘结预应力筋混凝土法向压应力(N∕mr∏2),
按本规程公式(8.2.16-7)计算;
σpc,——体外预应力对计算截面产生的混凝土法向压应力 (N∕mm2),按本规程公式(8.2.16-7)计算,计 算时应以Nep、%、Mp2代替Np、牛、Mp】,闿应 为换算截面重心至新增有粘结预应力钢筋及普通 钢筋合力点的距离。
3)当计算截面作用有扭知时,计算主应力点的混凝土剪 应力r应叠加按本规程公式(8.2.21-1)计算扭矩引 起的剪应力。
8.2.30预应力混凝土受弯构件使用阶段正截面受压区混凝上的 最大法向压应力心,以及新旧有粘结预应力钢筋的最大拉应力 CrPk或bpp,应符合下列规定:
受压区混凝土的最大压应力:
σcc≤0. 5∕ck (8. 2. 30-1)
受拉区预应力钢筋的最大拉应力:
D对钢绞线、钢丝
如或 ⅜k≤0. 65∕pk (8. 2. 30-2)
2)对精轧螺纹钢筋
晚或 σpk≤0. 8√pk (8. 2. 30-3) 式中:A——混凝土抗压强度标准值(N∕mm2);
∕pk——预应力钢筋抗拉强度标准值(N∕mπ√)°
8. 2.31预应力混凝土受弯构件由作用标准值组合和预加力产生 的混凝土斜截面主压应力Ocp应符合下式要求:
σcp≤0. 6∕ck (8. 2.31)
8.3预应力纤维带加固设计
8.3.1当采用预应力纤维带对梁、板等受弯构件进行加固时, 预应力损失包括锚具变形和纤维带内缩引起的预应力损失。们、 纤维带松弛引起的预应力损失如2、混凝土收缩和徐变引起的预 应力损失S3、由温差造成的预应力损失 W 其计算应符合下列 规定:
1锚具变形和纤维帯内缩引起的预应力损失
σfn =T-Ef (8. 3.1-1)
式中:a——张拉锚具变形和纤维带内缩值(mm),自锁式锚具 可取1mm;
L—张拉端至锚固端之间的净距离(mm);
Ef——纤维带的弹性模量(N∕mm2)o
2预应力纤维带的松弛损失⑶2:
<7(/2 "5fcon (8∙ 3∙ 1^^2)
式中:。Wn--预应力纤维带的张拉控制应力(N∕mm2);
r—松弛损失率,可近似取用2.2%;
3混凝土收缩和徐变引起的预应力损失力,3和温差造成的预 应力损失应按现行行业标准《公路钢筋混凝土及预应力混凝 土桥涵设计规范》JTG D62的规定计算。
4预应力纤维带有效预应力由Pe应按下式计算:
bfpc = ECOn — Sl 丄血 +血 卜少/4) (8∙3∙1~3)
8.3.2当釆用预应力纤维带对梁、板等受弯构件进行加固时, 除应符合现行行业标准《公路钢筋混凝土及预应力混凝土桥涵设 计规范》JTGD62正截面承载力计算的基本假定外,尚应符合 下列规定:
1当构件达到承载能力极限状态时,粘贴预应力纤维带的 拉应变臼应按平截面假设确定;
2纤维带应力σf应为拉应变εf与弹性模量Ef的乘积;
3在达到受弯承载力极限状态前,不得发生粘贴预应力纤 维带与混凝土粘结剥离破坏或混凝土内聚破坏。
8.3.3当采用预应力纤维带加固钢筋混凝土及预应力钢筋混凝 土受弯构件时,正截面抗弯承载力及斜截面抗剪承载力计算应符 合下列规定:
1应按本规程第8. 2. 5条〜第8. 2. 8条及本规程第8. 2.10 条〜第8. 2. 15条计算。
2应将直线布置的有粘结预应力纤维带的相关内容代替新 增有粘结预应力筋的相关内容,即用预应力纤维带的截面面积 Af代替A”用纤维带的抗拉强度设计值九代替当纤维带 张拉后粘贴于构件截面受拉边缘时ape =。。
8.3.4当采用预应力纤维带加固钢筋混凝土及预应力钢筋混凝 土受弯构件时,其截面抗裂验算与应力验算应符合下列规定:
1应进行正常使用极限状态下的正截面及斜截面抗裂验算、 斜截面混凝土主拉应力和主压应力验算、挠度验算、正截面混凝 土的法向应力验算、预应力纤维带的拉应力验算。
2当加固后构件成为B类预应力混凝土受弯构件时,尚应 进行裂缝宽度验算。
3截面抗裂验算与应力验算应符合本规程第8.2节规定, 并应将直线布置的有粘结预应力纤維带的相关内容代替新增有粘 结预应力筋的相关内容,在计算截面几何性质时可忽略纤维带的 截面积影响。
8.4构造要求
8. 4.1当采用体外索加固混凝土梁时,自由长度超过8m时, 应设置定位装置和防振装置。体外索应有良好的防腐措施,且宜 具有可换性。其锚固结构和转向装置应进行专项设计。
8.4.2当采用体外索加固混凝止梁时,其构造应符合现行行业 标准《公路桥梁加固设计规范》JTG/T J22的规定。转向钢早 管的两端应为喇叭口,体外索钢束宜釆用可换式体系。
8.4.3当采用有粘结预应力筋加固混凝土梁时,其构造应符合 现行行业标准《公路钢筋混凝土及预应力混凝土桥涵设计规范》 JTG D62的规定。
8.4.4当采用预应力纤维带加固混凝土桥梁构件时,纤维带受 力方式应设计成仅承受拉应力作用。抗剪加固时预应力纤维带可 垂直于构件纵轴设置。
8. 4.5当采用預应力纤维帯加固混凝土桥梁构件时,纤维带应 采用机械锚固方式紧贴混凝土表面安装,安装后距离构件表面不 应超过5mm。张拉锚固部分以外的纤維带与混凝土之冋应填充 结构胶粘结牢固。
8.4.6预应力纤维带成套系统宜由纤维带、固定端锚具、张拉 端锚具、张拉端预锚装置、拉杆、锚栓及配套的胶粘剂组成。锚 具应采用自锁式锚板(图8.4.6)。
图8.4.6预应力纤维帯加固系统安装后示意图
I-锚固端锚具;2-纤维带;3—张拉端锚具; 4一张拉端預锚装置;5—拉杆
8. 4.7预应力纤維带的宽度不应超过IOOmm;对截面宽度较大 的构件,宜安装多条平行预应力纤维带进行加固。相邻纤维带的 端部锚固系统可沿纤维带纵向错位布置。
8.4.8锚栓系统应进行锚固能力验算,并应符合现行行业标准
《混凝土结构后锚固技术规程》JGJ 145的规定。
8.5施 工
8. 5.1施工前,应根据不同预应力体系的加固设计方案确定相 应施工工艺,应编制预应力加固桥梁施工专项方案。
8.5.2预应力加固桥梁结构穿孔孔道,宜采用开孔机成型,开 孔前应探测原桥梁结构钢筋位置,钻孔时应避开桥梁中的原有钢 筋,当无法避开时,应采取相应措施。
8. 5.3新增预应力钢束或钢筋的制作除应符合国家现行标准 《混凝土结构工程施.工质量验收规范》GB 50204和《城市桥梁工 程施工与质量验收规范》CJJ 2的规定外,尚应符合下列规定:
1应根据孔道长度、锚具厚度、千斤顶长度、张拉伸长值、 混凝土压缩变形星以及根据不同张拉方法和锚固形式预留的张拉 长度等因素计算预应力筋下料长度。
2制作或组装预应力筋时,宜釆用砂轮锯或切断机切断, 不得釆用电焊或电弧切割,旦应避免施I过程中因电火花和电流 而造成的预应力损失。
3当钢绞线采用挤压锚具时,挤压前应在挤压模内腔或挤 压套外表面涂润滑油,压力表读数应符合机具操作说明书的 规定。
8. 5.4新增预应力钢束或钢筋所用夹具、钢导管及各种锚固件、 预埋件与原构件的连接和安装,应符合国家现行标准《混凝土结 构工程施工质量验收规范》GB 50204和《城市桥梁工程施工与 质量验收规范》CJJ 2的规定。
8.5. 5新增预应力钢束或钢筋植筋和锚栓T∙程的施T及检验应 符合国家现行标准《建筑结构加固工程施工质量验收规范》GB 50550和《混凝土结构后锚固技术规程》JGJ 145的规定。
8. 5.6转向装置和锚固系统安装应符合下列规定:
1体外预应力加固混凝土桥梁结构时,转向装置和锚固系 统应坚固、耐久。转向装置的偏角制造误差应小于1.2%安装 误差不应超过士 5%。
2转向装置和锚固系统应与梁体连接可靠,其连接强度应 进行验算,新浇混凝土与梁体间连接处应凿毛处理,并应配置足 够的抗剪抗拔等钢筋。
3转向装置可采用钢部件、现浇混凝土块体或附加锚箱 结构。
4混凝土转向装置宜采用低收缩、低水化热的混凝上。
5转向装置宜轻型化。
8. 5.7预应力筋宜整束穿筋。在穿筋过程中应采取防护措施, 不得损害其表面防护层。
8. 5.8预应力张拉应符合F列规定:
1张拉设备应满足体外预应力筋的张拉和锚具的锚固要求, 设备、仪表应定期维护和校验,标定期限不应超过半年,当在使 用过程中张拉设备岀现异常现象或千斤顶检修后,应重新标定; 张拉设备应配套标定、配套使用。
2预应力筋应在转向装置和锚固系统安装完成后,且连接 材料达到设计强度时,方可进行张拉。
3体外预应力筋的张拉控制应力GE应符合下列公式要求: D钢绞线:
O. 40∕ptk≤σcw≤0. 60∕ptk (8. 5. 8-1)
2)预应力螺纹钢筋:
0. 50∕pyk≤σtw≤0. 70∕μyk (8. 5. 8-2)
式中:∕ptk——钢绞线极限强度标准值(N∕rnm2);
∕pyk——预应力螺纹钢筋屈服强度标准值(N∕mm2)°
4张拉过程中,应对伸K值和拉力值实施双值控制,实际 伸长值与计算伸氐值之差应控制在士 6%以内,拉力值与设计张 拉控制应力相对偏差不应超过±5%。不得发生预应力筋断裂或 滑脱。当有断裂时,应进行更换;当有滑脱时,应对滑脱的预应 力重新穿筋张拉。
8. 5.9在预应力张拉过程中,应对旧桥控制截面和关键位置进 行监控。
8. 5. 1()预应力纤维带的施工应符合下列规定:
1应根据梁板加固的需要配置合格的锚夹具。
2施工前应进行基层处理,露出密实层,凿除劣质层后应 采用环氧砂浆进行修复。转角安装粘贴处应倒角处理,打磨成圆 孤状并粘贴薄铁片。
3宜采用空压机的风枪将混凝土梁板裂缝清除干净。
4应按设计要求在相应位置打孔用于预埋螺栓,在锚固钢 板和安装夹具处切割部分槽口。应采用压缩空气对裂缝进行清 孔,清孔后应采用植筋胶将螺栓植入孔内。
5应采用胶纸等封住裂缝,留部分注胶口和溢胶口对裂缝 进行灌胶。应采用滚筒刷将底胶均匀涂刷于混凝土表面,胶固化 后方可进行下一工序施工。
6应按设计要求的尺寸及层数裁剪纤维布,并应与锚具组 装成套,接触处应采用浸渍胶安装纤维布。
7应待锚固处胶硬化后,方可在纤维布表面抹浸渍胶,封 闭纤维束间的空隙,待浸渍胶稍干硬后,用灌注胶在纤维布和混 凝土表面间进行灌胶,应同时施加预应力。预应力张拉施工时, 应通过测定纤维布的伸长量进行控制。
8施加预应力至设计控制应力,锚定后卸除张拉设备,再 安装压板附加中部锚固,单节纤维带长度宜小于3m,充分挤压 粘结层,并将挤出的粘胶均匀地涂在纤维布表面,待胶初步硬结 后,表面撒中砂。
9待粘结层养护完毕后,应抹砂浆进行纤维带表面防护处理。 8.5.11预应力纤维带锚具外露部分应采取防腐措施。
8.6质量检验与验收
主控项目
8. 6. 1混凝土的质量检验应符合本规程第5. 7.5条规定。
8. 6.2预应力筋进场应进行检验,质量应符合国家现行有关标 准的规定。
检査数量:按进场的批次抽样检验。
检验方法:检查产品合格证、出厂检验报告和进场试验 报告。
8. 6.3预应力筋用锚具、夹具和连接器进场应进行检验,质星 应符合国家现行有关标准的规定。
检查数量:按进场的批次抽样检验。
检验方法:检査产品合格证、出厂检验报告和进场试验 报告。
8. 6.4预应力筋的品种、规格、数量应符合设计要求。
检査数量:全数检査。
检验方法:观察或用钢尺量、检查施工记录。
8. 6.5預应力筋张拉和放张时,混凝土强度应符合设计规定;
设计无规定时,不得低于设计强度的75%
检査数量:全数检查。
检验方法:检查同条件养护件试验报告。
8.6. 6预应力筋张拉控制和尺寸偏差应符合表8. 6. 6的规定。
表8.6.6预应力筋张拉控制及尺寸偏差实测项目
|
项目 |
规定值或允许偏差 |
检验频率 |
检验方法 | |
|
钢索坐标 (mm) |
梁长方向 |
±30 |
抽査50%; 各转折点 |
用钢尺量 |
|
梁高方向 |
±10 | |||
|
张拉力值 |
符合设计要求 |
全部 |
査油压表读数 | |
|
张拉伸长率 |
符合设计要求,设计 无规定时,±6% |
全数 |
査张拉记录 | |
|
断丝滑 丝数 |
钢束 |
每束一根.且每断面不超过 钢丝总数的1% |
全数 |
目测:每根 《束)并査 张拉记录 |
|
钢筋 |
_____不允许 | |||
8. 6.7孔道压浆的水泥浆强度应符合设计规定,压浆时排气孔、 排水孔应有水泥浆溢出。
检查数量:全数检査。
检验方法:观察、检查压浆记录和水泥浆试件强度试验 报告。
8. 6. 8预应力纤维带的张拉控制应力不宜超过纤维带抗拉强度 设计值的0.5倍。张拉时可采用力或伸长量进行控制,并应满足 设计要求。
检查数量:全数检查。
检验方法:观察、用钢尺量、检查施工记录。
8. 6.9预应力纤维带锚固装置的质量检査,各项指标应符合设 计规定。
检查数量:全数检查。
检验方法:观察、检査产品合格证和出厂检验报告。
一般项目
8.6.10预应力加固后构件外观质星不宜有一般缺陷。对已经出 现的一般缺陷,应按技术处理方案进行处理,并应重新检査 验收。
检査数量:全数检査。
检验方法:观察,检査技术处理方案。
8. 6.11预应力加固后构件尺寸偏差应符合现行行业标准《城市 桥梁工程施工与质量验收规范》CJJ 2的相关要求。
检査数量:全数检查。
检验方法:量测,检査施工记录。
9.1 一般规定
9.1.1当通过改变结构受力体系加固桥梁时,可采用改变结构 体系加固法。
9. 1.2当采用改变结构体系加固法加固桥梁时,应根据被加固 桥梁的受力性质、构造特点和现场条件,选择适当的结构体系。
9.1.3当采用改变结构体系加固法加固桥梁时,应对新旧整体 结构的各受力阶段进行验算,可与增大截面加固法、粘贴钢板加 固法、粘贴纤维带加固法、预应力加固法等综合使用。
9. 1.4改变结构体系加固法可包括增设支点法和简支变连续加 固法。
9.2设 计
9.2.1增设支点法结构加固设计应符合下列规定:
1桥下空间应满足桥梁相关的功能要求。
2支承结构按结构受力性能不同可分为刚性支点和弹性 支点。
3按支承结构与原结构的连接形式可分为固结法和钗支法。
4设计支承结构或构件时,宜采用有预顶力的方案。当施 加预顶力时,支点处被支顶构件表面不应出现裂缝,并不应增设 附加钢筋。
5当釆用固结法加固时,新增结构与主梁应固结。计算时 应根据主梁预顶情况对结构进行必要的验算。基础验算时应计入 新增结构传递弯矩的影响。
6当采用钗支法加固时,主梁应与新增结构皎接。主梁应 验算预顶力及位移所产生的效应;同时应验算支承结构及基础在 预顶力作用下的效应。
9. 2.2简支变连续加固设计应符合下列规定:
1应根据原支座的完好程度选择保留原支座或进行更换。
2简支变连续加固可采用在墩顶部位结构上缘加设普通钢 筋或增设预应力束并现浇接头混凝土形成结构连续体系(图 9. 2. 2) O
图9. 2. 2简支变连续加固桥梁墩顶构造
I-桥面板;2—加设普通钢筋或预应力束;3—现浇段;
4一桥面铺装;5—预制梁;6—临时支座
3当原梁的截面尺寸不足时,应采用增大截面法等措施。
4当原梁为T梁时,中支点处应新增横系梁。
5除对主梁墩顶部位连接段进行计算分析外,尚应对其他 相关截面进行验算。
6简支梁体系转换前后正截面承载力和斜截面承载力应按 现行行业标准《公路钢筋混凝土及预应力混凝土桥涵设计规范》 JTG D62规定进行计算和验算。
7对桥龄10年以上的桥梁,可不计入原混凝土收缩、徐变 的影响。
8简支变连续后桥梁伸缩缝等附属构造的性能应满足新体 系的使用要求。
9.3施 工
9.3. 1增设支点法结构加固施工应符合卜列规定:
1新增支承结构应满足现行行业标准《城市桥梁T程施工 与质量验收规范》CJJ 2的要求。
2制作支承结构和构件的材料,应根据被加固结构所处的 环境及使用要求确定。当在高湿或高温环境中使用钢构件及其连 接时,应采用有效的防锈或隔热措施。
3当新建桥墩与梁体固结时,固结部分与梁的接触面均应 凿毛,清除浮渣,洒水湿润,并用干硬性混凝土浇筑。
9.3.2简支变连续加固施工应符合F列规定:
1应凿除原桥面铺装和梁端部混凝土,使主筋外露。应连 接梁端钢筋,并应在梁顶增设受力钢筋。
2当简支变连续釆用预应力时,可在梁顶凿糟布设波纹管 道,波纹管道应采用胶带缠裏。按设计要求焊接梁端的连接钢 筋,安装预应力束和锚具,待连接混凝土达到设计强度后进行 张拉。
3当双支座改为单支座时,墩顶新支座安装宜与接缝底模 安装同时进行。
4浇筑连接缝处混凝上集料粒径不宜大于20mm。混凝上 浇筑宜选择在温度较低的时间段进行。混凝土浇筑速度宜缓慢, 应振动密实。
9.4质量检验与验收
主控项目
9. 4.1主要材料的质量检验应符合本规程第5. 7节相关规定。 新増混凝土强度的原位检测可釆用超声冋弹综合法、钻芯法等方 法,检测方法应满足现行国家标准《建筑结构检测技术标准》 GB/T 50344 的要求。
检查数量:全数检査。
检验方法:观察,检查施.工记录和检验报告。
9.4.2新增结构与原桥梁结构之间的连接应符合设计要求。当 连接处钢筋或预埋件采用焊接或机械连接时,接头质量应符合现 行行业标准《钢筋焊接及验收规程》JGJ 18和《钢筋机械连接 技术规程》JGJ 107的规定。
.检査数量:全数检査。
检验方法:观察,检查施工记录。
一般项目
9. 4.3新增构件外观质量不宜有一般缺陷。对已经出现的一般 缺陷,应按技术处理方案进行处理,并应重新检査验收。
检查数量:全数检査。
检验方法:观察,检查技术处理方案。
9. 4.4新增构件外观质量、尺寸偏差及结构性能应符合表
9. 4.4的规定。
检査数量:全数检査。
检验方法:观察,量测,检査技术处理方案。
表9. 4.4新増构件尺寸的允许偏差及检验方法
|
项目 |
允许偏差 (mm) |
检验频率 |
检验方法 | ||
|
范围 |
点数 | ||||
|
长度 |
板、梁 |
+ 10, — 5 |
每个 构件 |
6 |
钢尺检査 |
|
柱 |
+ 5, -IO | ||||
|
薄腹梁、桁架 |
+ 15, -10 | ||||
|
宽度、高 (厚)度 |
板、梁、柱、 薄腹梁、桁架 |
±5 |
6 |
钢尺量一端及 中部,取其中 较大值 | |
|
侧向弯曲 |
梁、柱、虹 |
L/750 且/20 |
4 |
拉线、钢尺量最 大侧向弯曲处 | |
|
薄腹梁、桁架 |
L/1000 且<20 | ||||
|
预埋件 |
中心线位置 |
10 |
每个预 埋件 |
2 |
钢尺检査 |
|
螺栓位置 |
5 | ||||
|
螺栓外露长度 |
+ 10, -5 | ||||
续表9.4.4
|
项目 |
允许偏差 (Inm) |
检验频率 |
检验方法 | ||
|
范围 |
点数 | ||||
|
预留孔 |
中心线位置 |
5 |
每个孔 |
2 |
钢尺检查 |
|
__塑塑__ |
中心线位置 |
15 |
每个洞 |
2 |
钢尺检査 |
|
主筋保护 层厚度 |
梁、柱、薄腹 梁、桁架 |
+ 10, —5 |
每个 构件 |
6 |
厚度测定 仪量测 |
|
表面平整度 |
柱、梁 |
5 |
4 |
2m靠尺和塞尺检査 | |
|
预应力构件预 留孔道位置 |
梁、薄腹 梁、桁架 |
3 |
每个孔 |
2 |
钢尺检查 |
注:1 L为构件长度(mm);
2检查中心线、螺栓和孔道位置时,应沿纵横两个方向星测,并取其中的较
大值;
3对开头复杂或特殊要求的构件,其尺寸偏差应符合标准图集设计的要求。
10.1 一般规定
10. 1. 1当需提高桥梁横向整体性时,可釆用增加横向整体性加 固法。
10.1. 2增加横向整体性加固法可采用增设横隔板加固法、桥面 补强层加固法、增设横向系梁加固法、增大截面加固法、粘贴钢 板加固法、粘贴纤维带加固法、预应力加固法等方法或综合 使用。
10.1.3在设计荷载作用下,加固后的桥梁混凝土构件的强度、 刚度和裂缝最大宽度应满足国家现行相关标准要求和设计要求。
10.2设 计
10. 2. 1梁桥横向整体性加固设计应符合下列规定:
1当混凝土T形梁桥横向联系失效时,可釆用横向预应力 加固法、增设横隔板加固法、桥面补强层加固法等方法进行 加固。
2当混凝土空心板梁横向联系失效时,可采用重新灌注饺 缝材料、桥面补强层加固法、横向预应力加固法、剪力钢筋加固 法等方法进行加固。
3当箱梁顶、底板因承载力不足纵向开裂时,可釆用粘贴 横向钢板、粘贴横向纤维复合材料或新增横肋等方法进行加固。
4应进行结构加固后整体计算,并应计入加强部分的结构 刚度。必要时,应对加固后结构进行荷载试验,并应评价结构的 改善情况。
5新浇筑的横系梁混凝土强度等级不应小于C30o
6增设钢横梁时被加固构件本身强度不应小于C15o
10. 2. 2拱桥加固设计应符合下列规定:
1 土亏工拱桥采用加强横向联系加固后的主拱截面应按现行 行业标准《公路与工桥涵设计规范》JTG D61的有关规定验算。
2桁架(刚架)拱计算应包括各构件承载力和稳定性以及 整体刚度和稳定性。加固后的桥梁整体刚度应符合现行行业标准 《公路钢筋混凝土及預应力混凝土桥涵设计规范》JTG D62的有 关规定。
3钢筋混凝土肋拱桥增加横向整体性加固后应对截面强度、 整体稳定性进行验算。加固后的主拱刚度应符合现行行业标准 《公路钢筋混凝土及预应力混凝土桥涵设计规范》JTG D62的有 关规定。
10.3构造要求
10. 3.1增强横向联系宜在梁(板)端部及其他控制截面进行。 新增横梁(横隔板)应采取措施与原结构可彝锚固,使用植筋或 锚栓技术时应符合现行行业标准《混凝土结构后锚固技术规程》 JGJ 145和《混凝土结构工程无机材料后锚固技术规程》JGJ/T 271的有关规定。
10.3.2拱桥增加横向整体性构造应符合下列规定:
1当增设横向拉杆加固时,根据跨度大小可在跨中、1/8 跨径和1/4跨径设置横向拉杆;
2当增设横向系梁加固时,其位置宜选择在拱顶、拱肋分 段接头处、腹拱墩(或立柱)下和拱脚附近。
10. 3. 3当混凝土桥面板采用增大截面法加固时,应符合下列 规定:
1可采用钢筋混凝土、钢纤维混凝土、聚合物混凝土或膨 胀混凝土加厚;
2在既有桥面板顶面加厚时,接合处应凿毛处理,并应加 锚固钢筋;
3在既有桥面板底面加厚时,应焊接钢筋网,并应浇筑混
凝土。
10.4 施
10. 4.1梁桥増加横向联系加固法加固施工应符合下列规定:
1增设新的横系梁应满足下列要求:
1) 应凿除增加横系梁部位的表面混凝土,露出梁桥纵向 主筋;
2) 新增横梁钢筋应与梁桥横向钢筋焊接,不足部分可釆 用植筋后连接。
2横隔板施工应满足下列要求:
D当既有横隔板存在错位时,应先凿•除部分老横隔板的 混凝土,保留原结构中的钢筋,再植入部分钢筋,使 相邻两片主梁的横隔板通过钢筋焊接连接,绑扎完钢 筋后,浇筑为一个整体;
2) 凿除主梁混凝土时不应损伤原普通钢筋及预应力筋;
3) 浇筑混凝土时,严禁车辆通行。待混凝土强度达到设 计强度时,方可完全开放交通。
3增设钢横梁施工应满足下列要求:
D钢横梁和被加固构件应整体受力;
2)钢板表面应作防腐处理。
10. 4. 2拱桥增加横向联系加固法加固施工应符合下列规定:
1拱肋与横系梁或横隔板结合面应凿毛至露出粗骨料,凹 凸差不应小于6mm。
2横系梁或横隔板受力钢筋宜通K设置。
10. 4.3混凝土桥面板加固应符合下列规定:
1桥面板凿毛处理应先凿去桥面铺装层及桥面防水层,然 后凿•除梁顶面混凝土,使表面粗糙凹凸差不应小于6mm。
2桥面板若出现裂缝,应按本规程第5.6.3条规定进行 修补。
3应凿除梁顶面混凝土破损部分,被普除部分与桥面混凝 土补强层应同时浇筑,修补完成后应恢复桥面防水层。
4植锚固钢筋应符合现行行业标准《公路桥梁加固施工技 术规范》JTG/TJ23和《混凝土结构后锚固技术规程》JGJ 145 的相关规定。桥面板加强钢筋的施工应符合现行行业标准《公路 桥涵施工技术规范》JTG/T F50的相关规定。
5浇筑混凝土前应清洁表面并保持湿润,新浇混凝土应振 捣密实并及时养生。
6空心板顶板厚度不足引起的桥面板破损和开裂,应凿除 顶板厚度不足部分,在箱内立模,按设计厚度重新浇筑顶板混凝 E,新浇筑顶板混凝土的强度等级不应低于原空心板混凝土强度 等级。
7空心板间饺缝或现浇箱梁湿接缝混凝土破损时,应凿除 破损处混凝土,表面应整洁粗糙,应按设计要求进行植筋和布置 钢筋,并浇筑混凝土。
10.5质量检验与验收
主控项目
10. 5.1横向联系中的混凝土、钢筋等的质量检验和验收应符合 现行行业标准《城市桥梁工程施工与质量验收规范》CJJ 2的相 关规定。
检查数量:全数检査。
检验方法:检查混凝土配合比报告、试件试验报吿;检查钢 筋的产品合格证,岀厂检验报告,试件试验报告,专项检验报 告,接头性能检验报告,观察、用钢尺量等方法。
10. 5. 2横向联系与原结构衔接部位应接触严密,焊接牢固,混 凝土浇筑应密实,混凝土强度应符合设计要求。
检查数量:全数检查。
检验方法:观察、检査施工记录、用焊缝量规量测,检查试 件试验报告。
一般项目
10. 5. 3横向联系结构尺寸偏差应符合现行行业标准《城市桥梁 工程施工与质量验收规范》CJJ 2的相关规定。
10. 5. 4混凝土结构的横向联系的表面应无孔洞、露筋、蜂窝、 麻面和缺棱掉角现象。
检查数量:全数检查。
检验方法:观察。
ILl 一般规定
11. L1当对桥梁下部结构及基础加固时,可按本规程第
11. 1. 2条和第11.1.3条采用适合的方法。
11.1.2桥梁下部结构加固可分为盖梁、墩柱、桥台、承台等桥 梁下部结构加固,加固方法选择应符合下列规定:
1盖梁可采用施加体外预应力、增大截面、粘贴钢板或纤 维复合材料等方法。
2墩柱可采用増大截面、钢套管内灌注混凝土、粘贴钢板 或纤维复合材料等方法。
3桥台可采用外包钢筋混凝土套箍、更换台后填土、增设 辅助挡墙、框架梁加注浆锚杆等方法。
4承台可采用増大截面、粘贴钢板或纤維复合材料等方法。
11.1.3桥梁基础加固方法选择应符合下列规定:
1地基可采用高压旋喷桩注浆、土体注浆等方法。
2扩大基础町采用增大基础面积、增设支撑梁等方法。
3桩基础可采用增大桩头面积或增加基桩、增设支撑梁等 方法。
4沉井基础可采用基础置换、高压注浆或灌注树根桩、沉 井内钻孔加桩、高压旋喷桩加固等方法。
11.1.4 F部结构加固应在其结构表层裂缝、缺陷等病害处理后 进行构件主体加固,对加固区宜对称进行施工。
11.1.5当釆用预应力加固盖梁、柱、薄壁墩台、空心墩等钢筋 混凝土构件时,原构件混凝土强度等级不应低于C25;当采用其 他方法加固时,原构件混凝土强度等级不宜低于C15o
11.1.6对基础冲刷过大的墩台,可采用河床铺砌、抛石、砌石 防护、石笼、板桩防护、上游设导流坝、下游设拦砂坝等方法 加固。
11.2设 计
11.2.1桥梁下部结构及基础加固设计应符合现行行业标准《城 市桥梁设计规范》CJJ 11和《公路钢筋混凝土及预应力混凝土 桥涵设计规范》JTG D62的规定。
11.2.2桥梁盖梁加固设计应符合下列规定:
1加固盖梁的混凝土的强度等级不应低于C30,且不应低 于原盖梁实际的混凝土强度等级O
2当釆用增大截面法加固时,宜对原盖梁表面处理,并应 配置锚筋,与原盖梁可靠拉结,可施加预应力。
11.2.3桥梁墩柱加固设计应符合下列规定:
1加固墩柱的混凝土强度等级不应低于C30,且不应低于 原桥墩实际的混凝土强度等级。
2新增主筋应有可靠的锚固措施。
3桥梁墩柱加固应进行强度和变形验算。
11.2.4桥梁基础加固设计应符合现行行业标准《公路桥涵地基 与基础设计规范》JTG D63的规定,且应符合下列规定:
1桥台加固应进行稳定性、变形验算。
2扩大基础应进行抗弯、抗冲切等计算,计算应按两阶段 受力,并应对地基进行承载力、稳定性、沉降等计算。
3桩基础应进行承载力、沉降等计算。增补桩基加固计算 应按两阶段受力并应计入新旧桩基支撑条件、桩径等方面的 差异。
11.3施 工
11.3.1盖梁加固应符合下列规定:
1盖梁接长应凿除连接部位的混凝土,接长钢筋应与原主 筋焊接。
2盖梁接宽应植筋。新旧混凝土连接表面应粗糙干净。
11.3.2墩柱加固应符合F列规定:
1当采用注浆法外包钢加固时,墩柱表面应凿毛、清理干 净,注浆压力不应低于O. IMPaO
2当采用干式外包型钢加固时,型钢与墩柱之间应采用水 泥砂浆填实,钢板应进行防锈处理。
3当釆用套箍加固时,墩身裂缝应压浆封闭处理,墩台身 表面应尚毛,其缺陷部分应先凿除并清理干净。
11.3.3承台加固应符合下列规定:
1水中承台加固应综合承台尺寸、埋深、损坏位置、水流 流速、桥下净空、航道等因素,确保实施的技术性与安全性。水 中承台宜采用围堰施工。
2水中承台加固宜采用立模灌浆法。加固材料宜采用水下 环氣砂浆、水下不离析混凝土以及其他水下混凝土。加固前应对 原结构结合面进行清理。
3承台加固基坑开挖深度以及土坡稳定性应符合现行行业 标准《建筑基坑支护技术规程》JGJ 120的规定,否则应采取加 固或支护措施。
4承台缺陷应凿除并清理干净,连接表面应凿毛。
5扩大承台应进行植筋。
11.3.4桥台加固应符合下列规定:
1基础因不均匀沉降产生裂缝,应先加固地基基础,再封 闭裂缝,必要时应根据设计要求加固上下结构。
2当浆砌片石桥台采用注浆加固时,应符合本规程第 11.3.7条的有关规定。
3当侧墙及台身前缘采用现浇钢筋混凝土补强时,应在原 台身内植入连接钢筋。
4当台后填土不密实时,可采用换填或注浆加固等方法, 换填施工应重做台后防排水系统。
5桥台加固时应进行监测,必要时应增加临时支护措施。
11.3.5扩大基础加固应符合下列规定:
1基坑应按设计要求开挖,开挖后应对原基础采取保护 措施。
2基坑开挖至设计标高后,应对地基承载力进行检测,如 达不到要求,应对地基进行加固。
3应对原基础的缺陷部位进行清理,并将连接面凿毛,按 设计植筋和增设新钢筋骨架,新旧混凝土应结合牢固。
11.3.6桩基加固应考虑对原桩基的影响,且应符合下列规定:
1增补灌注桩应符合下列规定:
D当选择灌注桩成孔方法时,应根据原桩基深度、地基 类型、原桥结构高度等因素确定。
2) 当钻孔清孔排渣时,应保持孔内水头高度。
3) 施工过程中应对原桥的沉降、位移进行观测。
2增补静压桩应符合下列规定:
D当静压桩对临近桩基以及地面隆起的影响过大时,应 釆取可靠措施消除影响。
2) 压桩架应保持竖直,锚固螺栓的紧固应均衡,并应一 直保持紧固状态。
3) 就位的桩节应保持竖直,使千斤顶、桩节及压桩孔轴 线重合,不得偏心加压。
4) 整根桩应一次连续压到设计高程,当中途需停止时, 停压的时间间隔不宜超过24ho
5) 同一基础压桩施工应对称进行,不应数台压桩机在一 个独立基础上同时加压。
6) 压桩应以压力控制为主,桩长控制为辅。压桩达到设 计荷载后应持压稳定30mino
11.3.7地基加固应符合下列规定:
1地基注浆加固施工应符合下列规定:
D施工时应对原桥梁及其邻近建(构)筑物、地下管线
和地面的沉降、倾斜、位移和裂缝进行监测。并应采 取多孔间隔注浆和缩短浆液凝固时间等措施。
2) 浆体应充分搅拌均匀后方可开始压注,并应在注浆过 程中缓慢连续搅拌,搅拌时间应小于浆液初凝时间。 浆液在泵送前应经过筛网过滤。
3) 当H平均温度低于5°C或最低温度低于一3°C的条件下 注浆时,应在施工现场采取保温措施。
4) 对渗透系数相同的土层,应注浆封顶,然后由下向上 进行注浆。当土层的渗透系数随深度而増大时,应自 下向上注浆。对互层地层,首先应对渗透性或孔隙率 大的地层进行注浆。
5) 应对桥梁的沉降、开裂等进行监测。
2旋喷桩加固施工应符合下列规定:
D在制定旋喷桩施工方案时,应收集相关工程地质、临 近建(构)筑物、地下埋设物等资料C旋喷桩方案确 定后应结合工程情况进行现场试验,根据工程经验确 定施工工艺参数。
2) 旋喷桩施工前应检査高压设备和管路系统,其压力和 流量应满足设计要求。注浆管及喷嘴内不得有杂物, 注浆管接头的密封圈应良好。
3) 垂直施工时,钻孔的倾斜度不应大于1.5%。
4) 旋喷时,应对压力、流量和喷浆量进行量测,并应按 要求逐项记录。
5) 钻杆的旋转和提升应连续,不得中断。
6) 拆卸钻杆继续旋喷时,应保持钻杆有0.Im的搭接长 度,不得使旋喷固结体脱节。
7) 应采用速凝浆液或跳孔喷射和冒浆冋灌等措施。
8) 应对桥梁的沉降、开裂等进行监测。
11. 3. 8 基础冲刷加固应符合下列规定:
1基础冲刷加固应依据水深、河床地质和加固材料选择适 宜方法。
2河床铺砌宜采用围堰分段疏干排水施工,且砌石应与上 游河床接顺。
3抛石防护施工前应测量水流流速、流向,确定抛石位置。 石笼应采用铁丝、型钢或钢筋相互连接。抛石结束后,应按设计 要求进行理坡。
4板桩防护时板桩顶面高程不应高于河床。
11.4质量检验与验收
主控项目
11.4.1桥梁下部结构及基础加固所使用的原材料应符合现行行 业标准《城市桥梁工程施工与质量验收规范》CJJ 2的规定和加 固设计文件要求。
检查数量:全数检査。
检验方法:检查混凝土配合比报告、试件试验报告;检査钢 材(筋)的产品合格证,出厂检验报告,试件试验报告,专项检 验报告,接头性能检验报告;观察、用钢尺量等方法。
11.4.2当桥梁下部结构及基础采用外包钢材时,应对外包钢材 的粘贴性能进行试验,检测方法应符合本规程第6章有关规定。
检査数量:全数检查。
检验方法:用敲击检测法或超声波检测法、红外线检测法 检验。
11. 4.3结合面处理、预埋件、锚固等应符合设计文件和相关施 工技术规范的规定。
检査数量:全数检査。
检验方法:日测和锤击检查,或辅以超声波检测法、红外线 检测法检验。
IL 4.4承台加固质量检验应符合加固设计文件和现行行业标准 《城市桥梁工程施工与质量验收规范》CJJ 2的相关规定。
检査数量:全数检查。
检验方法:水下修补工程可由潜水员或水下电视检验,修补 质量可采用钻芯取样、超声波检测等方法进行检验。
11.4.5桩基加固的质量检验应符合下列规定:
1灌注桩的质量检验项目、检查数量和检验方法应符合现 行行业标准《城市桥梁工程施工与质量验收规范》CJJ 2的相关 规定。
2静压桩的质量检验应符合现行行业标准《城市桥梁工程 施工与质量验收规范》CJJ 2的相关规定,并应符合下列规定:
1) 最终压桩力或压人深度应满足加固设计文件的要求; 检査数量:全数检查。
检验方法:观察、用尺量和检查施工原始记录资料。
2) 桩身试块强度和封桩混凝土强度应满足加固设计文件 的要求,其性能应符合现行国家标准《建筑地基基础 工程施工质量验收规范》GB 50202的相关规定。
检査数量:全数检査。
检验方法:检査试验报告
11.4.6墩柱套箍加固质量检验项目、检査数量和检验方法应符 合加固设计文件和相关质量标准的规定,并应符合下列规定:
1结构尺寸应满足设计要求。
2宽度和厚度应均匀,•混凝土表面应平整、密实。
检査数量:全数检查。
检验方法:观察检査,或用尺量。
3套箍加固质量检验实测项目应满足表11.4.6的要求。
表11.4.6套箍加固质量检验项目、检验频率及检验方法
|
项 目 |
规定值或允许偏差(mm) |
检验频率 |
检验方法 |
|
套箍位置 |
±20 |
一周8〜10点 |
水准仪测 |
|
套箍宽度 |
____2 设 ____ |
一周至少10点 |
尺量 |
|
套箍原度_ |
2设计值 |
一周至少10点 |
尺量 |
|
预埋锚筋位置 |
±20 |
抽检10% |
尺量 |
检查数量:全数检査。
检验方法:釆用表11.4.6的检验方法逐个检验。
11.4.7地基基础注浆加固质量检验项目、检査数量和检验方法 应符合加固设计文件和相关质量标准的规定,并应符合下列 规定:
1注浆检验时间应在注浆结束28d后进行。可选用标准贯 入、轻型动力触探或静力触探对加固地层进行检测。对重要工程 可采用荷载试验检验。
2注浆检验点应为注浆孔数的2%〜5%。当检验点合格率 小于或等于80%,或虽大于80%但检验点的平均值达不到强度 或防渗的设计要求时,为不合格注浆区。
检查数量:全数检查。
检验方法:检査施工原始记录、质量检査验收资料和检验报 告等。
11.4.8地基基础旋喷桩加固质量检验项目、检査数量和检验方法 应符合加固设计文件和相关质量标准的规定,并应符合下列规定:
1旋喷桩可釆用开挖检查、取芯、荷载试验等方法进行检 验,并应结合工程测试、观测资料及实际效果综合评价加固 效果。
2检验点应布置在下列部位:
D有代表性的桩位;
2) 施工中出现异常情况的部位;
3) 地基情况复杂时,可能对旋喷桩质量产生影响的部位。
3检验点的数量应为施工孔数的1%,并不应少于3点。
4质量检验宜在旋喷桩成桩28d后逬行。
5荷载试验应在成桩28d后桩身强度满足试验条件时进行, 检验数量为桩总数的0.5%,且每项单体工程不应少于3点。
检查数量::全数检査。
检验方法:检查施工原始记录、质量检查验收资料、钻芯与 荷载试验报告等。
12.1 一般规定
12.1.1当岀现桥梁支座和伸缩装置损坏并影响桥梁使用时,应 进行支座和伸缩装置更换。
12.1.2更换的新支座和新伸缩装置应符合国家现行标准《桥梁 球型支座》GB/T 17955、《公路桥梁板式橡胶支座》JT/T 4和 《公路桥梁伸缩装置通用技术》JT/T 327的规定。
12.2设 计
12. 2.1更换安装各种支座时,应计算校核支座承载力和位 移量。
12. 2. 2支座更换时,顶升位置、顶升顺序和支座允许顶升量应 通过计算确定。
12. 2. 3新换支座的使用功能和儿何尺寸应根据当前交通量确 定,并应适当留有一定的余量。
12. 2. 4更换后新支座的承载能力不应低于原支座的承载能力o
12. 2. 5更换各种伸缩装置时,应计算校核伸缩量。
12.2.6更换伸缩装置应满足结构变形要求,并应控制伸缩量、 安装平整,锚固可靠。
12. 2. 7保护带新浇混凝土强度等级应比原结构混凝土提高一 级,宜采用早强混凝土。
12.2. 8更换后新伸缩装置的伸缩能力不宜低于原伸缩装置的伸 縮能力。
12.3施 工
12.3.1支座更换应符合下列规定:
1支座更换施工应符合现行行业标准《城市桥梁工程施工 与质量验收规范》CJJ 2的相关规定。
2支座更换应根据现场环境、老支座类型等情况选择合理 的顶升更换方案,同一墩位的支座更换时应同步顶升。
3应对顶升梁体的临时支撑设施进行受力计算,且应满足 强度、刚度及稳定性要求。
4梁体的顶升和回位顺序应按设计要求进行。
5应根据环境温度进行支座偏移量的验算,并宜选择在有 利的温度条件下施工。
6支座更换过程中应采取交通组织和安全防护措施。
12.3. 2支座更换应符合下列规定:
1顶升前应对桥梁基础、下部结构、梁体、桥面系和附属 工程的技术状况逐一进行检查。
2应对基础、下部结构及上部承重结构的缺陷按本规程规 定的方法先行处理。
3操作平台应有足够的操作空间。
4在千斤顶与梁体之间应用垫板扩大接触面,千斤顶顶面、 垫板、梁体底面之间应密合、平稳,不得损伤梁体结构。
5检查、校正顶升设备并就位,支座整体顶升更换的系统 宜选用可编程逻辑控制液压同步顶升系统。
6顶升装置验收合格后方可进行试顶加载,顶至梁体脱空 2mm~5mm时应停止,并应停放5 min〜IOmin进行观察,无任 何异常后方可进行后续顶升。
7千斤顶同步顶升应控制起梁速度,宜釆用观测梁体起顶 高度和千斤顶的起顶力施行双控。
8顶升到设计高度后应垫实梁体,回落千斤顶应使梁板支 承于临时支撑设施上。
9在梁体顶升完成后,应修整、更换支承垫石、梁底钢板 和支座。
10支座更换完成后,应同步顶起梁体,逐步撤除垫块,同 步缓慢回落梁板至更换好的支座,并应详细检査垫石及支座,确 认压紧密贴、位置正确后,方可撤除顶升系统。
12.3.3伸缩装置更换应符合下列规定:
1更换伸缩装置施工应符合现行行业标准《城市桥梁工程 施工与质量验收规范》CJJ 2的相关规定。
2应根据施工环境温度确定新伸缩装置伸缩星。
3更换前应清理伸缩装置。
4更换伸缩装置时,宜临时封闭交通;当采用分幅施工时, 新伸缩装置横向连接应平顺、可靠。
5伸缩缝两侧保护带尺寸应满足新伸缩装置的安装连接要 求,同时应控制开口深度及宽度。
6伸缩装置的锚固预埋件有缺损时,应按本规程规定的方 法先行处理。
7在浇筑保护带混凝土前,应封闭开口。
12.4质量检验与验收
12.4.1支座更换质量检验应符合下列规定:
主控项目
1支座应进行进场检验。
检查数量:全数检査。
检验方法:检査合格证、出厂性能试验报告。
2支座安装前,应检査跨距、支座栓孔位置和制作垫石顶 面高程、平整度、坡度、坡向,确认符合设计要求。
检查数量:全数检査。
检验方法:用经纬仪、水准仪与钢尺量测。
3支座与梁底及垫石之间应密贴,间隙不得大于O. 3mmo 垫层材料和强度应符合设计要求。
检査数量:全数检査。
检验方法:观察或用塞尺检查,检查垫层材料产品合格证。
4支座锚栓的埋置深度和外露氏度应符合设计要求。支座 锚栓应在其位置调整准确后固结,锚栓与孔之间隙应填捣密实C
检査数量:全数检査。
检验方法:观察。
5支座的粘结灌浆和润滑材料应符合设计要求。
检查数量:全数检查。
检捡方法:检查粘结灌浆材料的配合比通知单,检查润滑材 料的产品合格证和进场验收记录。
一般项目
6支座安装允许偏差应符合表12. 4. 1的规定。
表12.4.1支座安装允许偏差
|
_______________支座安装允许偏差 | ||||
|
项目 |
允许偏差 (mm) |
检验频率 |
检验方法 | |
|
范围 |
点数 | |||
|
支座高程 |
±5 |
每个支座 |
1 |
用水准仪测量与墩台上基准点比对 |
|
支座偏位 |
3 |
每个支座 |
2 |
用全站仪、钢尺量与墩台上基准点比对 |
12. 4. 2伸缩装置更换质量检验应符合下列规定:
主控项目
1伸缩装置的形式和规格应符合设计要求,缝宽应根据设 计规定和安装时的气温进行调整。
检査数量:全数检査。
检验方法:观察、钢尺量测。
2伸缩装置安装时焊接质量和焊缝长度应符合设计要求和 规范规定,焊缝应牢固,严禁用点焊连接。大型伸缩装置与钢梁 连接处的焊缝应釆用超声波检测。
检査数量:全数检査。
检验方法:观察,检査焊缝检测报告。
3伸缩装置锚固部位的混凝土强度应符合设计要求,表面 应平整,与路面衔接应平顺。
检査数量:全数检査。
检验方法:观察,检查同条件养护试件强度试验报告。
一般项目
4伸缩装置安装允许偏差应符合表12. 4. 2的规定。
表12. 4. 2伸缩装置安装允许偏差
|
项目 |
允许偏差 (mm) |
检验频率 |
检验方法 | |
|
范围 |
点数 | |||
|
符合道路标准 |
每条缝 |
每车道 1点 |
__按道路检验标准检测 | |
|
2 |
用钢板尺和塞尺量_ | |||
|
缝宽 |
符合设计要求 |
用钢尺地,任意选点 | ||
|
2 |
用钢板尺和寒尺量 | |||
|
长度 |
符合设计要求 |
2 |
用钢尺量 | |
5伸缩装置应无渗漏、无变形,仲缩缝应无阻塞。
检查数量:全数检查。
检验方法:观察。
1X1 一般规定
13. 1.1当抗震设防地区的城市桥梁不满足抗震要求时,应对桥 梁进行抗震加固。
13.1.2桥梁桥址处地震基本烈度应按现行行业标准《城市桥梁 抗震设计规范》CJJ 166的规定执行。
13. 1. 3桥梁抗震加固前,宜根据桥址场地地震基本烈度、桥梁 抗震设防类别和设防标准,进行专门的抗震鉴定。
13.1.4对建造于抗震危险地段的桥梁,宜结合规划更新或迁 移;对暂时不能更新或迁移的,应进行专门研究,并应采取应急 的安全措施。
13.1.5桥梁抗震加固时,其抗震设防类别、设防标准及相应的 抗震措施和抗震验算要求,应按现行行业标准《城市桥梁抗震设 计规范》CJJ 166的相应规定执行。
13. 1.6现有桥梁抗震加固的设计原则应符合卜•列规定:
.1加固方案应根据抗震鉴定结果,按能力设计原则经综合 分析后确定,可分别采用结构系统加固或构件加固方法。
2加固方案应具有传递地震作用到地基的途径和地震能量 耗散的部位。
3加固方案应控制结构地震位移,不得发生落梁破坏。
4加固或新增构件的布置,不应发生因部分构件的破坏而 导致整个结构丧失抗震能力或对重力荷载的承载力。
5新增构件与原有构件之间应有可靠连接。
6加固所用材料类型与原结构相同时,其强度等级不应低 于原结构材料的实际强度等级。
13.1.7抗震加固的方案、结构布置和连接构造,应符合下列 规定:
1对抗震薄弱部位、易损部位和不同类型结构的连接部位, 其承载力或变形能力宜采取比一般部位增强的措施。
2宜减少地基基础的加固工程量,优先采用结构系统抗震 加固的方法。
3加固方案应结合原结构的具体特点和技术经济条件分析 确定。
4加固方案宜结合维修改造、改善使用功能,并外表美观。
5加固措施应便于施工,并应减少对交通的影响。
13.1. 8抗震加固的施工应符合下列规定:
1应减少损伤原结构构件。
2发现原结构或相关工程隐蔽部位的构造有严重缺陷时, 应会同加固设计单位采取有效处理措施后,方可继续施工。
3对可能导致的倾斜、开裂或局部倒塌等现象,应预先采 取安全措施。
13.2地基与基础抗震加固
13. 2.1桥梁地基与基础的抗震加固应根据具体情况,釆取因地 制宜的措施。抗震加固设计时,地基和基础的承载力验算应按现 行行业标准《城市桥梁抗震设计规范》CJJ 166的相应规定 执行。
13. 2. 2当地基承载力不满足要求时,可采取加固地基、増大基 础底面积或增加基桩等措施加固。
13. 2.3存在液化土层的地基,应根据桥梁的抗震设防类别、地 基的液化等级,按现行行业标准《城市桥梁抗震设计规范》CJJ 166的规定,采取相应的抗液化措施。
13. 2. 4当承台或扩大基础承载力不满足要求时,可采取增大截 面、粘贴钢板或纤维复合材料、增设预应力钢筋等措施来提高其 抗弯和抗剪强度。
13.2.5当承台或扩大基础倾覆抗力不满足要求时,可采用增大 基础(承台)底面积、增加基桩或增设地锚等措施加固。
13. 2. 6当桩基础或桩与承台连接节点的承载力不满足要求时, 可在承台附近或地面以下的原状土上增设连系梁,或釆用增加基 桩、下拉锚等措施加固。
13.3结构系统抗震加固
13.3.1宜采用分散水平地震力加固法、功能性支承系统加固 法、隔震加固法或减震加固法等结构系统抗震加固方法。
13. 3. 2当采用分散水平地震力加固法加固桥梁时,可选用卜•列 措施:
1将简支梁桥改造为连续梁桥,并将全桥支座更换为弾性 支承(图 13∙3∙2a)°
2对中小跨径连续梁桥,将全桥支座更换为弹性支承。
3对连续梁桥,在活动支座墩与主梁之间安装冲击传递装 置(图 13. 3. 2b)o
(a)上部结构连续化,并将支座更换为弹性支承
|
八 1 八 ® ʌ I® © L 3 |
AJ | |
(b)在活动支座墩与主梁之间安装STU装置
图13. 3.2分散水平地震力加固法示意图
1—上部结构连续化;2—弹性支座;3—冲击传递装置
13. 3. 3当采用功能性支承系统加固法(图13.3.3)加固桥梁 时,应符合下列规定:
1支承系统应有适当摩擦力,在E2地震作用下可产生摩 擦滑动机制。
2支承系统应设置限位装置。
3应提供足够的梁端防落梁长度。
4支承系统在E2地震作用下可损坏。
HO
桥台増设檢胶支承垫
A-AglJ面图
B-B剖面图
图13. 3. 3功能性支承系统加固法示意图
1 一新设抗震挡块;2—原有支座垫石;3—原有橡胶支座;4-新设防落梁措施; 5-主梁;6-盖梁;7增设橡胶支座;8—增设橡胶填缝板;9-桥台胸墙; 10—校接;11 一弹性支撑;12-填缝板;13-增设防落措施钢制托架(TYP); M-桥台搭板;15-伸缩缝;16—桥面板
13. 3.4当采用隔震加固法加固桥梁时,隔震装置类型、构造及 隔震桥梁抗震验算要求,应按现行行业标准《城市桥梁抗震设计 规范》CJJ 166的相应规定执行。
13. 3. 5当采用隔震加固法加固桥梁时,可选用下列措施:
ɪ将简支梁桥改造为连续梁桥,并将全桥支座更换为隔震 支座(图 13. 3. 5a)β
2对连续梁桥,将全桥支座更换为隔震支座;或在桥墩上 安装托架,并增设隔震支座(图13. 3.5b)0
(b)墩上安装托架,并増设隔震装置
图13. 3. 5隔震加固法TK意图
1一上部结构连续化;2-隔震支座;3-托架与隔震支座
13. 3. 6当采用减震加固法(图13. 3.6)加固桥梁时,减震装 置类型、构造及减震桥梁抗震验算要求,应按现行行业标准《城 市桥梁抗震设计规范》CJJ 166的相应规定执行。
图13. 3.6减震加固法示意图
1—阻尼器
13. 3. 7桥梁梁端防落梁长度应符合现行行业标准《城市桥梁抗 震设计规范》CJJ 166的相应规定。当梁端防落梁长度不足时, 应釆取下列措施防止地震时产生落梁破坏:
1对桥墩、台帽或盖梁应米取扩座措施。
2应增设防落梁装置或限位装置;落梁装置和限位装置应 符合本规程第13.3. 8条的有关规定。
13. 3. 8对未安装防落梁装置或限位装置的现有乙类和丙类桥 梁,宜增设防落梁装置或限位装置。防落梁装置和限位装置应符 合下列规定:
1应留设可动距离,不应影响主梁的正常使用功能,并应 设置缓冲材料。
2不应影响正常使用状态下支座的移动或转动功能。
3不应影响支座维护管理或其他装置功能。
4应有足够的强度,应能有效防止地震时落梁。
5当相邻主梁永久作用下支反力的比值达2.O倍以上,或 相邻主梁振动单元基本振动周期的比值达1.5倍以上时,不宜采 用相邻主梁互相连接形式的防落梁装置。
13. 3. 9对现有甲类、乙类和丙类桥梁,在梁与梁之间和梁与桥 台胸墙之冋未设置缓冲材料的,宜加装橡胶垫或其他弹性衬垫 (图13.3.9)。
(a)梁与梁之间的缓冲设施 (b)梁与梁合之间的缓冲设施
图13. 3.9缓冲设施示意图 I-橡胶垫;2—弾性衬垫
13.4结构构件抗震加固
13.4.1当桥梁的桥墩抗震能力不满足要求时,可采用增大截面 加固法、外包钢管加固法或粘贴纤維复合材料加固法等进行 加固。
13. 4. 2当采用增大截面法加固钢筋混凝土桥墩时,应符合下列 规定:
1混凝土的强度等级不应低于C30,且不应低于原桥墩实 际的混凝土强度等级。
2当需提高桥墩的抗弯强度时,新增纵筋应伸入承台并满 足锚固要求;对多柱式桥墩,尚应伸入盖梁并满足锚固要求。
3新增纵筋、箍筋的配賞应符合现行行业标准《城市桥梁 抗震设计规范》CJJ 166的相应规定。
4加固后桥墩应按整体截面进行抗震验算,新增的混凝土 和钢筋的材料强度应乘以0. 85的折减系数。
13. 4. 3当采用增大截面法提高钢筋混凝土桥墩的抗弯强度时, 承台和基础宜进行相应的补强加固。
13.4.4当采用外包钢管加固法加固钢筋混凝土桥墩时,应符合 下列规定:
1对圆柱式桥墩,宜采用两块半圆形的钢管外包原桥墩, 并应在现场沿竖向接缝焊接成钢套,钢管与桥墩侧面宜留冇 25mm〜40mm的空隙,其间可填充无收缩水泥砂浆。
2对矩形截面的柱式桥墩,宜采用椭圆形钢管外包加固 (图13. 4.4),原墩柱四个折角宜修整为圆弧形,钢管与原墩柱 之间的空隙可灌注与原墩柱同强度等级的微膨胀混凝土。
图13.4.4外包钢管加固法
3外包钢管的下端与承台顶而宜有50mm的间隙C 4钢管壁厚宜为IOnnn〜25mm。
13. 4. 5当采用外包钢管加固法对延性不足的钢筋混凝土圆柱式 桥墩进行加固时,应符合下列规定:
1外包钢管的厚度有应按下式计算:
2 ⅛≡∙=%0⅛2gΛ∑ (13. 4. 5-1)
5∙ β∕yjεsu
式中:ti--外包钢管厚度(mm);
εcu——E2地震作用下墩底截面混凝土的最大压应变;
D―外包钢管内径(mm);
Λ——受钢管约束混凝土的抗压强度(N∕mm2);
∕yj——外包钢管抗拉强度标准值(N∕mn√); 外包钢管的极限拉应变。
2 E2地震作用下墩底截面混凝土的最大压应变J应按下 式计算:
EE=(I)mC (13. 4. 5-2)
式中:亂——E2地震作用下墩底截面的最大曲率;
6—墩底截面曲率达到最大曲率飢时,中性轴至混凝 土受压侧最外缘的距离,可先假设加固前与加固后 C值相同进行分析。
3受钢管约束混凝土的抗压强度/,应按下式计算:
ʌ = K(2. 254 Jl + —散一L 254)
(13. 4. 5-3)
式中:A——加固前混凝土的抗压强度标准值(N∕mm2)°
13. 4. 6当采用外包钢管加固法对抗剪强度不足的钢筋混凝土.圆 柱式桥墩进行加固吋,应符合下列规定:
1外包钢管的厚度有应按下式计算:
⅞-(Vc+V,J V
/. > %-----—--K≥i---- (12 4 6-1)
J- 0. 5π∕yjDCot^ 1. 57∕jiDcot0 ɑð
式中:有--外包钢管厚度(mm);
但——抗剪强度折减系数,可取为0.85;
VO——E2地震作用卜-墩柱剪力设计值(N);
VC——墩柱塑性饺区域混凝土的抗剪能力贡献(N);
VS——墩柱塑性饺区域横向钢筋的抗剪能力贡献(N);
VSj——外包钢管承担的剪力设计值(N);
Λ——外包钢管抗拉强度标准值(N∕mn√);
D--外包钢管内径(mm);
θ——剪切裂缝与墩柱轴线的夹角(O)O
2塑性皎区域混凝土的抗剪能力贡献VC应按下列公式 计算:
VC = 1.66(0.33 +湍γ)√77Ae(N为轴压力时)
g
(13. 4.6-2)
VC = 1. 66(0. 33 +盈)√77Λ(N⅛轴拉力时)
(13.4.6-3) 式中:N——E2地震作用下墩柱轴力设计值(N);当N为压力 时取正值,为拉力时取负值;
AK——按全截面计算的墩柱截面积(Cm2);
Λ——混凝土抗压强度标准值(N∕mm2);
Ae---有效剪切面积,可取为0. 8Ag (ClTI2)o
3横向钢筋的抗剪能力贡献V,应按下式计算:
K = ɪ Ah/辺與 (13. 4. 6-4)
L S
式中:Ah——圆环箍筋或螺旋箍筋截面积(mm?);
Λh—圆环箍筋或螺旋箍筋抗拉强度标准值(N∕mm2);
Df——核心混凝土直径(cm);
S——螺旋箍筋间距(cm);
θ—剪切裂缝与墩柱轴线的夹角(°)o
4剪切裂缝与墩柱轴线的夹角们应按下列公式计算:
O = tan-ɪ P"+l∙26* >。(一端固定一端饺接的墩柱) l+p、,〃
(13. 4. 6-5)
O = tan-ɪ PVi °∙46g > q(两端固定的墩柱)
1 +pv^l
(13. 4. 6-6)
fλ~2tj∕r (13.4.6-7)
式中:1---桥墩半径(mm);
Pl——墩柱纵向钢筋配筋率;
W——钢筋与混凝土弹性模量比,H=EJEZ
a——α=D7∏;
H---墩高(Cm)O
13. 4. 7当采用粘贴纤维复合材料加固法加固钢筋混凝土桥墩 时,应符合下列规定:
1粘贴的纤维复合材料下方与承台顶面宜留有50mm的 间隙。
2对矩形截面的柱式桥墩,宜将原截面四个折角修整为圆 弧形,并将截面扩大为椭圆形后,再粘贴纤维复合材料。
13.4. 8当釆用粘贴纤维复合材料加固法对延性不足的钢筋混凝 土圆柱式桥墩进行加固时,应符合下列规定:
1粘贴纤维复合材料的厚度勺可按下式计算:
ti ≥ Q l(j=Q OO4)2yζc (13. 4. 8-1)
7 duɛdu
式中:Zj——粘贴纤维复合材料布材的厚度(mm);
εcu—E2地震作用下墩底截面混凝土的最大压应变,可按 本规程式(13.4.5-2)计算;
D——墩柱直径(mm);
Λ——受纤维复合材料约束混凝土的抗压强度(N∕mm2);
A—纤维复合材料抗拉强度设计值(N∕mn√);
εdu——与纤维复合材料设计抗拉强度相应的应变。
2受纤维复合材料约束混凝土的抗压强度/丄可按下式 计算:
Λ = Λ(2. 254 Jl + 套3,瓦一曲H _ 1. 254)
(13. 4. 8-2) 式中:A——加固前混凝土抗压强度标准值(N∕mm2)o
13. 4. 9当釆用粘贴纤维复合材料加固法对抗剪强度不足的钢筋 混凝土圆柱式桥墩进行加固时,纤维复合材料布材的厚度Zj可 按下式计算:
V2 - (Vc +V8)
Zj 2 O. ^f)DCOtO = I. 57∕jbcot(9 (招. 4・ 9) 式中:*——纤维复合材料布材厚度(mm);
女——抗剪强度折减系数,可取为0.85;
VO——E2地震作用下墩柱剪力设计值(N);
VC——墩柱塑性饺区域混凝土的抗剪能力贡献(N) ,可按 本规程式(13. 4. 6-2)或式(13.4. 6-3)计算;
VS——墩柱塑性饺区域横向钢筋的抗剪能力贡献(N),可 按本规程式(13. 4. 6-4)计算;
V,——纤维复合材料承担的剪力设计值(N);
Z——纤维复合材料抗拉强度标准值(N∕mι√);
D——墩柱直径(mm);
θ—剪切裂缝与墩柱轴线的夹角(。),可按本规程式 (13.4.6-5)或本规程式(13.4.6-6)计算。
13.4.10对多柱式桥墩,可在墩柱中间偏上位置设置系梁。
13. 4.11对抗弯强度或抗剪强度不足的盖梁,可采用粘贴纤维 带、增大截面等方法进行补强加固,增大截面时原盖梁表面宜粗 糙化,并应配置穿过原盖梁的锚筋与原盖梁可靠拉结;纤维带可 施加预应力。
13. 4.12对抗剪强度不足的墩柱与盖梁节点,可采用混凝土包 覆加固(图13.4.12)0
3
£
(a)立面图
(b)侧视图
图13. 4. 12盖梁与墩柱接头抗期加固示意图
1一盖梁包裏混凝土; 2一増设结合系筋;3—原盖梁
13.4.13当桥台结构承载力、稳定性、基础承载力不满足要求, 或台背填土区沉陷时,应进行加固。
13. 4.14桥台加固时应根据桥台的类型合理选择加固方法。可 采取加厚墙身尺寸、増加扶壁或翼墙、桥台前趾加桩、台背填土 区增设密排桩、增设地锚、胸墙与主梁之间填充耗能材料等 措施。
13.5施工与质量验收
13. 5.1简支梁桥改造为连续梁桥的施工与质量验收应按本规程 第9.3节和第9.4节的有关规定执行。
13. 5. 2支座更换施工与质量验收应按本规程第12.3节和第
12. 4节的有关规定执行。
13. 5.3增设防落梁装置或限位装置的施工与质量验收应按本规 程第13. 3. 8条的有关规定执行。
13. 5.4地基与基础、墩台、盖梁的抗震加固施工与质量验收可 按本规程第11.3节和第11.4节的有关规定执行。
13. 5. 5多柱式桥墩增设系梁的施工与质量验收可按本规程第 10.4节和第10. 5节的有关规定执行。
1为便于在执行本规程条文时区别对待,对于要求严格程 度不同的用词说明如下:
1) 表示很严格,非这样做不可的:
正面词采用“必须”,反面词采用“严禁”;
2) 表示严格,在正常情况下均应这样做的:
正面词采用“应”,反面词采用“不应”或“不得”;
3) 表示允许稍有选择,在条件许可时首先应这样做的: 正面词釆用“宜”或“可”,反面词采用“不宜”;
4) 表示冇选择,在一定条件下可以这样做的,釆用 “可”。
2条文中指明应按其他有关标准执行的写法为“应按…… 执行”或“应符合……的规定”。
1《建筑设计防火规范》GB 50016
2《混凝土外加剂应用技术规范》GB 50119
3《建筑地基基础工程施工质量验收规范》GB 50202
4《混凝七结构工程施工质量验收规范》GB 50204
5《建筑结构检测技术标准》GB/T 50344
6《混凝土结构加固设计规范》GB 50367
7《混凝土结构耐久性设计规范》GB/T 50476
8《建筑结构加固工程施工质量验收规范》GB 50550
9《工程结构加固材料安全性鉴定技术规范》GB 50728
10《通用硅酸盐水泥》GB 175
11《碳素结构钢》GB/T700
12《热轧钢板和钢带的尺寸、外形、重量及允许偏差》 GB/T 709
13《钢结构用高强度大六角头螺栓》GB/T 1228
14《钢结构用高强度垫圈》GB/T1230
15《钢结构用高强度大六角头螺栓、大六角螺母、垫圈技 术条件》GB/T 1231
16《钢筋混凝土用钢第一部分:热轧光圆钢筋》 GB 1499.1
17《钢筋混凝土用钢第二部分:热轧带肋钢筋》 GB 1499. 2
18《低合金高强度结构钢》GB/T 1591
19《树脂浇铸体性能试验方法》GB/T 2567
20《钢结构用扭剪型高强度螺栓连接副》GB/T 3632
21《胶粘剂拉伸剪切强度的测定(刚性材料对刚性材料)》
GB/T 7124
22《混凝土外加剂》GB 8076
23《涂覆涂料前钢材表面处理 表面清洁度的目视评定
第1部分:未涂覆过的钢材表而和全面清除原有涂层后的钢材表 面的锈蚀等级和处理等级》GB/T 8923. 1
24《桥梁球型支座》GB/T 17955
25《单總涂覆环氧涂层预应力钢绞线》GB/T 25823
26《城市桥梁工程施工与质量验收规范》CJJ 2
27《城市桥梁设计规范》CJJ 11
28《城市桥梁抗震设计规范》CJJ 166
29《快凝快硬硫铝酸盐水泥》JC/T 2282
30《钢筋焊接及验收规程》JGJ 18
31《普通混凝土用砂、石质量及检验方法标准》JGJ 52
32《混凝土用水标准》JGJ 63
33《无粘结预应力混凝土结构技术规程》JGJ 92
34《钢筋机械连接技术规程》JGJ 107
35《建筑基坑支护技术规程》JGJ 120
36《混凝土结构后锚固技术规程》JGJ l45
37《建筑施工模板安全技术规范》JGJ 162
38《建筑钢结构防腐蚀技术规程》JGJ/T 251
39《混凝土结构工程无机材料后锚固技术规程》JGJ/T271
40《自密实混凝土应用技术规程》JGJ/T283
41《混凝土用膨胀型、扩孔型建筑锚栓》JG 160
42《环氧涂层预应力钢绞线》JG/T 387
43《公路工程混凝土結构防腐蚀技术规范》JTG/T B07-01
44《公路与工桥涵设计规范》JTG D61
45《公路钢筋混凝土及预应力混凝土桥涵设计规范》
JTG D62
46《公路桥涵地基与基础设计规范》JTG D63
47《公路桥涵施工技术规范》JTG/T F50
48《公路桥梁加固设计规范》JTG/T ]22
49《公路桥梁加固施工技术规范》JTG/T J23
50《公路桥梁板式橡胶支座》JT/T4
51《公路桥梁伸缩装置通用技术条件》JT/T 327
52《桥梁结构用芳纶纤维复合材料》JT/T 531
中华人民共和国行业标准 城市桥梁结构加固技术规程
CJJ/T 239 - 2016
条文说明
《城市桥梁结构加固技术规程》CJJ/T 239- 2016,经住房和 城乡建设部2016年11月15日第1356号公告批准、发布。
本规程编制过程中,编制组进行了认真细致的调査研究,总 结了我国城市桥梁结构加固的实践经验,同时参考了国外先进技 术法规、技术标准。
为便于广大设计、施工、科研、学校等单位有关人员在使用 本规程时能正确理解和执行条文规定,《城市桥梁结构加固技术 规程》编制组按章、节、条顺序编制了本规程的条文说明,对条 文规定的目的、依据以及执行中需注意的有关事项进行了说明。 但是,本条文说明不具备与规程正文同等的法律效力,仅供使用 者作为理解和把握规程规定的参考。
l.o.l在未来10年〜20年内,城市新建桥梁工程将逐渐减少, 桥梁的养护、维修、加固以及改造工程将逐渐成为主流。鉴于桥 梁加固工程已经越来越多,规范桥梁加固设计、施工及验收,为 加固工程提供必要的技术依据已势在必行。
2.1术 语
2.1.5该加固方法用于提髙正截面承载力、斜截面承载力,适 用于钢筋混凝土受弯构件、轴心受压构件、大偏心受压构件及受 拉构件的加固。
2. 1.6加固对象为钢筋混凝土和预应力混凝土受弯构件或大偏 心受压构件。
2. L 10纤维复合材料用于加固时,主要采用纤维布和纤维板等 片状材料(简称片材)。
3.0.1桥梁加固工程施工是对在役桥梁缺陷和病害的处理,与 新、改建相比,情况更复杂,动态施工在加固工程中尤为重要。 要加强施工前的复査和施工中的观测与检查,及时反馈信息指导 施工。在施工前,若发现原结构或相关工程隐蔽部位的构造有严 重缺陷或与设计不相符的情况,应通知设计单位修改方案。动态 设计非常必要。施工过程中若出现异常变形、裂缝有较大较快发 展,应立即停止施工,采取有效措施进行处理,经确认后方可继 续进行。加固完工后,应检验加固效果,特大桥与技术复杂桥梁 应进行荷载试验。
3.0.2桥梁加固依据原桥梁检测评估报告、竣工图、设计图及 现场调査等资料进行设计。桥梁技术状况评佔包括桥梁构件、部 件、桥面系、上部结构、下部结构和全桥评定。承载能力检测评 定包括四个方面:桥梁缺损状况调査评估、质量状况检测评定、 结构检算评定和荷载试验评定O
3.0.4桥梁加固不得对原结构损伤,主要是避免不必要的拆除 及更换C
3. 0.5根据桥梁加固的目标,桥梁加固通常可分为以提高承载 力为目的的静力补强加固和以满足抗震设防要求的抗震加固 两种。
对位于地震基本烈度为6度〜9度地区、有抗震要求的现有 桥梁,可能存在承载力不足(不考虑地震作用)或抗震能力不足 或承载力和抗震能力两者都不足的几种情况。对仅是承载力不足 的桥梁,在进行静力补强加固设计时仍要验算其抗震能力;对抗 震能力不足的桥梁,则应进行必要的抗震加固;尤其是当承载力 和抗震能力都不足时,在静力补强加固的同时进行抗震加固,具 有最优的投资效益。
3. 0.6结构构件加固前,拆除原桥上的部分恒载,减少活动荷 载和施工荷载,可以提高加固效果。这也说明,结构构件是分阶 段受力的,加固的设计计算应符合构件受力历史,并旦新旧材料 有效结合前的受力状态会影响新旧材料有效结合后的加固效果。
在进行新増材料施工时,有可能对原构件产生荷载效应,这 也就是所谓的带载加固,此时应按本条第1款对原构件进行验 算,以确保原结构的安全性。
在新旧材料有效结合前,考虑到施工安全性,原构件的承载 力宜根据实际情况考虑钢筋腐蚀、混凝土裂缝等影响;新旧材料 有效结合后,在对原构件的裂缝进行必要的处理后,原构件钢筋 腐蚀、混凝土裂缝对加固后的构件承载力可不考虑此影响。
作用效应组合系数取值:恒载的荷载效应分项系数1.2;使 用阶段的可变作用效应分项系数按现行行业规范《公路桥涵设计 通用规范》JTG D60取用。
3.0.9此条是依据桥梁加固特点对《混凝土结构加固设计规范》 GB 50367 - 2013 第 3.1.7 条的改写。
3. 0.10有特殊使用要求的桥梁指高温、高寒、高腐蚀环境下的 桥梁。
4.2水泥和混凝土
4. 2.2水泥混凝土的强度与水灰比、集料的配合比等多种因素 有关,而关系最大的是水泥的强度(砂浆抗压强度)。选用水泥 强度应与需要配制的混凝土的强度相适应,若以低强度的水泥配 制高强度混凝土,而每立方米混凝上需用的水泥量(kg∕m3)大 为增加,不仅不经济,而且水泥用量多,水化热大,易发生收缩 裂纹,影响混凝土的质⅛L若以较高强度的水泥配制低强度混凝 上,虽然可以少用水泥,但不能符合现行行业标准《公路桥涵施 工技术规范》JTG/TF50的规定,否则,混凝土的和易性不好, 容易离析,浇筑混凝土质量差。水泥的强度与配制混凝土强度的 具体比例参考现行国家标准《混凝土结构工程施工质量验收规 范》GB 50204 o
4. 2.3缺陷修补现场拌和混凝土粗集料的最大粒径不宜大于 20mm,其他增大載面法等现浇混凝土粗集料的最大粒径可不受 此限制。
4.3钢材及连接材料
4.3.1环氧涂层预应力钢材涂层的质量及主要性能指标应满足 现行国家、行业标准《单丝涂覆环氧涂层预应力钢绞线》GB/T 25823和《环氧涂层预应力钢绞线》JG/T 387的要求。
4.3.2焊条的质量应符合《非合金钢及细晶粒钢焊条》GB/T 5117和《热强钢焊条》GB/T 5118等现行国家标准的规定;焊 缝连接的质量指标应符合《钢结构工程施工质量验收规范》GB 50205、《钢筋焊接及验收规程》JGJ 18等现行国家标准的规定。
4.4锚固件
4. 4.3表4. 4. 3-1和表4. 4. 3-2参考国家现行标准《混凝土结 构后锚固技术规程》JGJ 145和《紧固件机械性能 螺栓、螺钉 和螺柱》GB/T 3098. Io
4.5纤维复合材料
4. 5.2表4. 5.2根据《公路桥梁加固设计规范》JTG/TJ22-2008表4. 5.1修改制定。
4. 5.3第1款:净截面积为纤维布的计算厚度乘以宽度。纤维 布的计算厚度应为其单位面积质量除以纤维密度。
第2、3、4款:纤维布材的单位面积纤维质量参考《公路桥 梁加固设计规范》JTG/T J22 - 2008第4. 5. 4条。
4.6结构胶粘剂
4. 6.1胶粘剂性能应符合现行国家标准《工程结构加固材料安 全性鉴定技术规范》GB 50728、《混凝土结构加固设计规范》GB 50367的规定。
4. 6.2引用《混凝土结构加固设计规范》GB 50376的规定。
4. 6.3引用《工程结构加固材料安全性鉴定技术规范》GB 50728的规定。
4. 6.4粘贴纤维和混凝土的胶粘剂根据工艺不同分两类:由配 套的底层树脂、找平材料、浸渍树脂或纤维板胶粘剂组成的胶粘 剂;免底胶且浸渍、修补胶和粘结胶兼用的单一胶粘剂。
4. 6.7当结构锚固工程采用快固结构胶时,其安全性能应符合 表4.6.7的规定。其中,钢对钢(钢套筒法)拉伸抗剪强度标准 值应按《工程结构加固材料安全性鉴定技术规范》GB 50728 -2011附录H检验;经低周反复拉力作用后的试件粘结抗剪强度 降低率(%)应按《工程结构加固材料安全性鉴定技术规范》 GB 50728-2011 附录 F 检验。
快固结构胶系指在16°C〜25°C环境中,其固化时间不超过 45rnin的胶粘剂,且应按A级的要求采用。计算抗剪强度标准 值时,取强度保证率为95%;置信水平为0. 90,试件数量不应 少于15个。
4.7混凝土用结构界面剂
4.7.1混凝土用结构界面剂也称结构界而胶。
4.9混凝土表层缺陷修复及防护用材料
4. 9.1混凝土表层缺陷修补可采用细石混凝土、水泥砂浆、聚 合物水泥砂浆、改性环氧混凝土(砂浆)等材料。
桥梁表面缺陷采用改性环氧混凝土(砂浆)修复时,改性环 氧基液的安全性能指标应符合相关标准和规范的有关规定。并且 在原结构混凝土表面涂抹改性环氧混凝土(砂浆)修复前,应先 在已凿毛混凝土表面涂一层改性环氧基液,使其充分浸润。
4.9.2喷涂型阻锈剂的性能指标应符合现行国家标准《混凝土 结构加固设计规范》GB 50367- 2013表4. 7.3的规定。
5.1 一般规定
5.1.1增大截面加固法适用于下列儿种情况:
1钢筋混凝土受弯构件因抗弯或抗剪强度不足,或刚度不 足而需要加固的,例如梁式桥的预制或现浇梁板、盖梁,T形钢 构桥或刚架桥的梁等;
2混凝土受压构件因强度、刚度、稳定性不足而需要加固 的,例如墩柱、桁架式梁桥的受压杆等;
3拱桥的主拱圈(或腹拱圈)因强度、刚度不足而需要加 固的。
5.1.2本条规定了原构件混凝土强度的最低值要求,即原构件 的可加固性。如果原构件混凝土强度过低,新旧混凝土截面的粘 结强度很难得到保证,将会较大影响加固效果。若采用植入剪切 一摩擦筋来改善结合面的粘结抗剪和抗拉能力,也会因基材强度 过低而无法提供足够的锚固力。
一般情况下,不应简单采用原构件设计时的混凝土强度设计 值,而应进行现场强度检测,并按相应的检测规程规定得到强度 推算值C
当遇到原构件混凝土不仅强度等级低,而且密实性差,甚至 还有蜂窝、空洞等缺陷时,不应直接采用增大截面法进行加固, 而应先置换原有局部缺陷或密实度太差的混凝土,然后再进行 加固。
5.1.3本条规定了增大截面加固后构件能采用整体截面计算的 构造要求。新增混凝土与原构件的结合面应可靠传力,新增混凝 土加厚层在构件受力过程中应与原构件保持变形协调、协同工 作。本章的设计计算方法均是基于这一前提建立的。
5.2受弯构件加固设计
5. 2.1对桥梁受弯构件釆用增大截面加固主要有三种情况: 第一种是仅在截面受拉区增设现浇混凝土加厚层,比如矩形 梁或T形梁的底部加厚混凝土,在受拉区增设纵向受拉钢筋, 提高正截面抗弯承载力。为了保证新增纵向钢筋的正常工作,需 要按构造要求浇筑混凝土保护层,进而增大了截面尺寸。
第二种是仅在截面受压区增设现浇混凝上加厚层,比如加厚 现浇混凝土桥面板,这样也就增大了整个正截面高度,进而提高 正截面受弯承载力和刚度。
第三种是在截面受拉区和受压区同时增设现浇混凝土加厚 层,这也同时在受拉区增配纵向钢筋和在受压区增大截面,可以 较大地提高正截面受弯承载力和刚度。
5.2.2本条是关于受弯构件承载力计算的基本假定,说明如下:
2采用新旧混凝土轴心抗压强度设计值的加权平均值兀来 作为组合截面的混凝土抗压强度设计值,是参考《混凝土结构加 固设计规范》GB 50367 - 2013第5.4.2条的规定。采用加权平 均值厶来作为组合截面的混凝土抗压强度设计值主要居于以下 考虑:(1)新增混凝土的强度一般比旧混凝土高一个等级,这个 加权平均值兀基本上就同旧混凝土强度设计取值差不多,这样 偏于安全;(2)如果精确计算,组合截面的抗压强度设计值与新 增混凝土的厚度及截面高度等因素有关,计算起来很繁琐,采取 这种近似取值并不会引起很大误差・完全能够满足工程实例计算 需要。
4按《混凝土结构设计规范》GB 50010 -2010第6.2.1条 第4款,纵向受拉钢筋的极限拉应变取0.01,本规程引用此 规定。
对于受弯构件,其正截面承载能力极限状态有下列两种 情况:
(1)截面受压区边缘压应变达到混凝土极限压应变E;
(2)截面受拉区钢筋拉应变达到钢筋的极限拉应变。
5. 2.3本条是矩形截面受弯构件在增大截面加固后的正截面受 弯承载力计算。
1 %的取值
为为桥梁结构的重要性系数.按《城市桥梁设计规范》CJJ 11-2011的规定,对桥梁设计安全等级为一级、二级、三级的 分别采用1. 1、1.0、0.9;
2受拉区新增钢筋抗拉强度的取值
对于二次受力构件的受拉区新增钢筋取值问题一直存在不少 争议。国家现行标准《混凝土结构加固设计规范》GB 50367 -2013和《公路桥梁加固设计规范》JTG/T J22 - 2008就有不同 的做法。本规程的做法说明如下:
在极限状态下,对于加固后的梁仍然为适筋梁(即满足工W 6心)时,受弯构件新增钢筋的应力等于抗拉(或抗压)强度设 计值乘以强度利用系数。受拉区新增受拉钢筋的拉应力σs2 = α"s;对于双筋截面,受压区新增受压钢筋的压应力σs2 = αs‰o厶为新增钢筋强度利用系数,取αs = 0.9o 一般情况下, 加固受弯构件应该按适筋梁进行设计。
一次浇筑的适筋梁破坏特征是:首先受拉区钢筋达到屈服强 度而发生屈服,其钢筋应力保持不变而应变显著地増大,直到压 区边缘混凝土的应变达到极限压应变5时,受压区出现纵向水 平裂缝,随之因混凝土压碎而破坏。这种破坏属于蝦性破坏。
加固受弯构件为二次受力构件,其适筋梁的破坏特征也与一 次浇筑的受弯构件类似,首先也是受拉区钢筋达到屈服强度,加 固受弯构件受拉区有两种钢筋,根据两阶段受力特征,一般情况 下,旧钢筋会首先达到其屈服强度,然后旧钢筋保持其应力不变 而变形进一步增大,根据平截而假定,随后新增钢筋也达到其屈 服强度,这样新旧钢筋均达到各自的屈服强度后,保持各自的拉 应力不变而变形再继续增大,直到压区边缘混凝土的应变达到极 限压应变J时,加固构件才破坏。
&为正截面相对界限受压区高度,它是指受弯构件界限破 坏的相对受压区高度。界限破坏是适筋梁破坏与超筋梁破坏的分 界状态,是指当受弯构件的受拉区钢筋达到屈服强度时,受压区 混凝土边缘也同时达到其极限压应变J而破坏。
由&的概念可知,当加固受弯构件满足ʃ ≤ 6,Λ0时,构件 属于适筋梁,其承载力极限状态时的受拉区新旧钢筋均可达到各 自的抗拉强度设计值。《混凝土结构加固设计规范》GB 50367 -2013第5.2.3条的条文说明中提到:“试验结果表明,倘若原构 件主筋的极限拉应变能达到现行设计规范规定的0.01水平,而 新增的主筋又按规范的规定采用了热轧钢筋,则正截面受弯破坏 时,两种受力性质的新増主筋均能屈服。因此,不论辦一种受力 构件,均可近似地按一次受力计算,只是在计算中应考虑到新增 主筋在连接构造上和受力状态不可避免地要受到种种影响因素的 综合作用,从而有可能导致其强度难以充分发挥,故仍应从保证 安全的角度出发,对新増钢筋的强度进行折减,并统一取皿= 0. 9。”本规程引入新增钢筋强度利用系数q,= 0. 9也是出于同样 的考虑・在受拉区和受压区的新增钢筋中均引入了该系数。
《公路桥梁加固设计规范》JTG/T J22 J 2008第5. 2.4条规 定,受弯构件受拉区的新增钢筋拉应力为钢筋的弹性模量Es2-⅛ 其拉应变段的乘积(即急=ME财),新增普通钢筋的拉应变& 按平截而假定确定。该规范在第5. 2.6条规定K 3的计算方法。 这种计算方法从原理上讲没有大的错误,但有以下两点值得 探究:
D经过大量的T程实例计算表明,新增钢筋应力g = Es2εs2≤∕stl2的计算结果均大于扁2,最终还是取农= 人d2,这样导致虽然经过大量的计算工作,最终的结 果仍然都是一•样的,即服=昼。这是由适筋梁的定 义及&,的含义而决定的,当时,按《公路桥 梁加固设计规范》JTG/T J22 - 2008计算的结果必定 是 CrS2 =ZSd 2。
2)从上述加固受弯构件适筋梁破坏的特征分析可以看出, 一般情况下,新增钢筋的拉应力无须进行计算,而可 以类似于一次浇筑的适筋梁,根据其极限状态下的破 坏特征而得出。
考虑到简化有关计算过程,本规程对适筋梁的抗弯计算是参 考《混凝土结构加固设计规范》GB 50367 - 2013的有关规定, 受拉区新增钢筋取σs2=α√sd2=0. 受压区新增钢筋取Z2 =
9<sd2,这样计算更安全、更简易。
3 &的计算
本规程中,公式5. 2. 3-2中的&仍按现行行业标准《公路 钢筋混凝土及预应力混凝土桥涵设计规范》JTG D62的规定采 用,对应的截面高度为加。
《公路桥梁加固设计规范》JTG/T J22 - 2008对受弯构件增 大截面加固后的相对界限受压区高度&的取值没有列出具体的计 算公式,而是采用简化,直接取原构件按《公路钢筋混凝土及预 应力混凝土桥涵设计规范》JTG D62 - 2004表5.2.1规定选用, 其对应的截面高度为hs。
《混凝土结构加固设计规范》GB 50367 - 2013的第5.2.4条 对受弯构件增大截面加固后的相对界限受压区高度&的计算公式 如下:
(1)
(2)
(3)
= Mok
SO 一 0. 87AOIARIESI
式中:A——计算系数,当混凝土强度等级不超过C50时,国值 取为0.8;当混凝土强度等级为C80时,区值取为 0. 74,其间按线形内插法确定;
ɛeu——混凝土极限压应变,取εcu = 0. 0033; εs∙——新增钢筋位置处,按平截面假设确定的初始应 变值;
Mok-—加固前受弯构件验算截面上原作用的弯矩标准值;
8——加固前,在初始弯矩A么k作用下原受拉钢筋的应 变值。
值得指出的是,《公路桥梁加固设计规范》JTG/T J22-2008与《混凝土结构加固设计规范》GB 50367 - 2013的&值的 概念是有差别的。《公路桥梁加固设计规范》JTG/T J22 - 2008 直接选用原构件的&取值,&对应的截面高度为%;而在《混 凝土结构加固设计规范》GB 50367 - 2013中,进行了二次受力 构件&的计算,部分采用经验公式,&对应的截面髙度为人02。
为了使用简便,本书建议増大截面加固后&的针对对象为 h0,这样&可考虑直接引用一次受力构件的相对界限受压区高度 &,这种取法不太精确,还有待考证,但能适用于大部分的 情况。
几个国家现行标准对&取值的规定与本规程规定对比见 表ɪ α
表1几个标准对品取值及相关规定
|
项目 |
《混凝土结构加 固设计规范》 GB 50367-2013 |
《公路桥梁加固 设计规范》 JTG/T J22-2008 |
本规程 |
|
&取值 |
公式(1)〜(3) |
按规范JTG D62 -2004 表 5. 2. 1 规 定,按原构件混凝 土和原受拉钢筋强 度级别取值 |
按规范JTG D62 -2004 表 5. 2.1 规定, 按新旧混凝土和新 旧受拉钢筋强度级 别取较小值 |
|
务对应的截面髙度 |
力02 |
Λoι |
ho |
|
对混凝土受压区 高度ʃ的规定 (防止超筋破坏) |
∙2^≤6Λθ2 |
J-≤fb 人 Ol |
J≤^∣)Λo |
4对原纵向受拉钢筋可能达不到其强度设计值的特殊情况 在《混凝土结构加固设计规范》GB 50367 - 2013第5.2.5
条有下列规定:当按本规程公式(5.2.3-1)算得的加固后混凝 土受圧区高度ɪ与加固前原截面有效高度Aoi之比ʃ/ Λω大于原 截面相对界限受压区高度时,即&編VrWm0,此时应考 虑原纵向受拉钢筋应力g可能尚达不到其抗拉强度设计值∕tdl, 应将公式(5. 2. 3 1)中的侖改为g,并重新进行验算。验算 时,西值按卜•式确定:
CTsl =
2^21-l)εcuEsι≤‰ι
(4)
在《混凝土结构加固设计规范》GB 50367 - 2013中,只考 虑了仅在受拉区加厚混凝土的增大截面加固形式,如果将此规定 扩展至同时在受拉区和受压区加厚混凝土的通用增大截面加固形 式,则ςbi∕⅛ι<x≤ςι√io的条件应修改为(&1力Oi + ∕/C)V∙r< Eb 人 O o
经过分析,在桥梁结构加固中出现这种情况的概率非常小, 通常情况下,(孔如+矿)的计算值大于的计算值,即几 乎不可能岀现+矿)VzVSMo的情况,即使出现,其 m与σsι的差值也是很小的。故本规程未对此特殊情况进行详细 规定。
5. 2.4根据混凝土受压区高度工位置分成两种情况,即 yf2 (第一类T形)、^>Λ,f2 (第二类T形)。在工程加固计算实例 中,直接进行两类T形的判断较难,可以通过下式条件进行 判断:
fccb∖hf{2 +ʌii A,sι +αj'sdM's2 ≥∙ AiiAi (5)
满足公式(5)的,属第一•类T形;不满足公式(5)的, 属第二类T形。
5. 2.5本条是关于受弯构件“抗剪上限值”的规定,以防止受 弯构件的斜裂缝开展过宽或出现斜压破坏。在计算中如不能满足 该条的要求,则应继续加大受弯构件的截面尺寸;只有在满足本 条规定的条件下,才能按本规程第5.2. 6条的规定进行斜截面承 载力计算。
本条是引用行业标准《公路钢筋混凝土及预应力混凝土桥涵 设计规范》JTG D62- 2004的规定,没有考虑加固构件二阶段受 力特点。在《公路桥梁加固设计规范》JTG/T J22-2008中,考 虑了加固构件二阶段受力特点。本规程编制组认为考不考虑二阶 段受力的差别不大,该条文的作用为截面复核,没必要进行过多 的计算,从简便易用角度出发,不再考虑二阶段受力特点。
5. 2.6受弯构件在截面增大后,斜截面受剪承载力的计算方法 综合参考了《公路桥梁加固设计规范》JTG/TJ22 - 2008、《混 凝土结构加固设计规范》GB 50367-2013的相关规定。
在《公路桥梁加固设计规范》JTG/TJ22-2008中,受弯构 件加固后的斜截面受剪承载力计算表达式包括三项:第-项为原 构件箍筋综合抗剪承载力,但缶九按加固后截面计算,同时采用 了与原构件斜裂缝有关的修正系数如,箍筋配筋率采用了原构 件的箍筋配筋率;第二项为原构件的弯起钢筋受剪承载力; 第三项为新增箍筋的抗剪承载力,引进了修正系数加,。其中第 三项的计算过于简化,系数四,的理论依据不足,计算结果与实 际偏差可能较大。
在《混凝土结构加固设计规范》GB 50367 - 2013中,该规 范基本上没有考虑加固构件两阶段受力对斜截面受剪承载力的影 响,只是按试验和分析结果给出了新增混凝土和新增钢筋的强度 利用系数,将新旧混凝上上的斜截面受剪承载力分开计算并 叠加。
本规程参照《混凝土结构加固设计规范》GB 50367 - 2013 根据增大截面加固部位的不同分成两类来计算,并且也不考虑加 固构件两阶段受力对斜截面受剪承载力的影响。按《公路钢筋混 凝土及预应力混凝土桥涵设计规范》JTGD62-2004的做法,混 凝土和箍筋的受剪承载力不再像《混凝土结构加固设计规范》 GB 50367 - 2013分别计算.而是计算混凝土和箍筋的共同受剪 承载力Vw本规程是按一次受力构件的计算公式来计算增大截 面后的构件混凝土和箍筋的共同受剪承载力Vcs,构件截面宽度 取厶或饥,截面有效高度取厶,三面围套混凝土加固的箍筋配 筋率采用了加固后构件的箍筋配筋率Pw2 ,在Pw2的计算公式 (5. 2. 6-5)中,考虑到新增箍筋没有像原有箍筋一样做到闭合, 故引入了 0.8的系数。
本条规定还对《公路桥梁加固设计规范》JTG/T J22 - 2008 的一些错漏进行了修正。
1经査证张树仁教授原著,原梁混凝土箍筋综合受剪承载 力表达式前面的系数0. 43应为0. 45o
2与原构件斜裂缝有关的修正系数如,经査张树仁教授于 2003年7月发表于《中国公路学报》的“桥梁加固钢筋混凝土 受弯构件斜截面承载力计算方法及试验研究”及2004年6月发 表于《公路交通科技》的《桥梁加固薄弱受弯构件承载力极限状 态计算》等文章,对%的规定为:当加固前未出现斜裂缝时, 取如=0.89;当斜裂缝宽度小于0. 2mm时,取佐= 0.835 ;当 斜裂缝宽度大于0. 2mm时,取%」0.78。而在《公路桥梁加固 设计规范》JTG/TJ22 - 2008规范的规定是“加固前未出现斜裂 缝时,取如=1.0”,本规程将其修正过来。
3《公路桥梁加固设计规范》在JTG/T J22 - 2008规范 中,受剪承载力计算表达式的第二项(原构件的弯起钢筋受剪承 载力)为.尸"矗,漏掉公,修正为公人点昭,其中&为普通弯 起钢筋的切线与水平线的夹角(°)。
5.3受压构件加固设计
5.3.1本条计算公式没有采用《公路桥梁加固设计规范》JTG/ TJ22-2008第5.3.1条的规定,而是参考《混凝土结构加固设 计规范》GB 50367- 2013第5. 4.1的规定,主要原因如下:
1《公路桥梁加固设计规范》JTG/T J22 - 2008第5. 3.1 条的部分计算式有理论上的缺陷。
《公路桥梁加固设计规范》JTG/T J22 - 2008对轴心受压构 件加固,考虑了二阶段受力特征,但新增混凝土的压应力的计算 公式(αc2 = E*2)有问题。混凝上材料不是理想的弹性材料, 受压时其应力-应变曲线冇多种不同的计算图示,我国《混凝土 结构设计规范》GB 50010 - 2010采用欧洲混凝土协会的标准规 范(CEB^FlP规范)给出的一条二次抛物线及水平线所组成的 曲线,如图1所示,具体数学表达式如下:
图1混凝土应力-应变曲线图(规范采用)
当εc≤ε0时:
当 εo<εc≤εcu 时:
εo = 0. 002 + 0. 5(Au.k-50) XIOT
εcu = 0. 0033 一 (∕cu,k 一 50) X IO"5
式中:σc——混凝土压应变为给的混凝土压应力(N∕mm2);
Ad——混凝土轴心抗压强度设计值(N∕mm2),按现行规 范取值;
εc——混凝土压应力达到∕cd的混凝土应变,当计算的ɛo 值小于0.002时,取为0.002;
5——正截面的混凝土极限压应变。当处于非均匀受压且 按公式(10)计算的值大于0.0033时,取为
0. 0033;当处于轴心受压时取为切。
由图1可以看岀,混凝土应力-应变的比值不是一个常数。 在目前我国《公路钢筋混凝上及预应力混凝土桥涵设计规范》 JTG D62 - 2004中给出的混凝土弹性模量EC是根据混凝土棱柱 体标准试件,用标准的试验方法所测得的规定压应力(压应力由 0〜0.5九反复加卸载)与其对应的压应变值的比值,可见混凝 土弹性模量氏可理解为0. 5∕cd应力时的变形模量(或称割线模 量)。
2《混凝土结构加固设计规范》GB 50367 - 2013规范的计 算公式简单,方便使用。本条的计算公式(5.3.1)虽然在皿的 取值上没有理论依据,可以理解为试验统计值或经验值,经过 20多年的工程应用实践并没冇发现重大安全问题,并且该计算 方法比《公路桥梁加固设计规范》JTG/TJ22-2OO8的方法更安 全可靠。
正如《混凝土结构加固设计规范》GB 50367 - 2013条文说 明中指岀,“至于必值今后是否有调整必要的问题,留待积累更 多试验数据后再进行论证”。
另外,目前对加固后构件稳定系数网勺研究资料较少,故式 (5. 3.1)的甲值仍采用《公路钢筋混凝土及预应丿J混凝土桥涵设 计规范》JTG D62 - 2004的规定。
另外需要说明的是,本条是针对配有普通箍筋的钢筋混凝土 轴心受压构件,如果轴心受压构件配置螺旋式或焊接环式间接钢 筋(且其间接钢筋的换算截面面积不小于全部纵向钢筋截面面积 的25%),其正截面受压承载力应考虑间接钢筋的“套箍作用”, 具体计算方法可参照《公路钢筋混凝土及预应力混凝土桥涵设计 规范》JTG D62 - 2004的第5. 3.2条。
5.3.2本条计算公式没有采用《公路桥梁加固设计规范》JTG/ T J22 - 2008第5.3.3条的规定,而是引用《混凝土结构加固设 计规范》GB 50367 - 2013第5.4.2的规定。两个规范的计算结 果比较接近,《混凝土结构加固设计规范》GB 50367 - 2013的计 算更为筒便,结果更安全。
5. 3.3计算加固偏心受压构件正截面承载力时,对长细比/°/,
> 17.5的构件,应考虑构件在弯矩作用平面内的挠曲对轴向力 偏心距的影响。此时,应将轴向压力对加固后截面重心轴的偏心 距eo乘以偏心距增大系数7)。
构件计算长度/c的确定:两端固定为0. 5 Z(Z为单跨计算跨 径);一端固定、一端为不移动的絞为一端固定、一端自由 为2R
5.4新旧混凝土结合设计
5. 4.1增大截面加固混凝土构件能采用整体截面计算的前提条 件是:新增混凝土与原构件的结合面应可靠传力,新增混凝十•加 厚层在构件受力过程中应与原构件保持变形协调、协同工作。本 条是进行新旧混凝土结合面的受剪承载力计算公式,参照《公路 钢筋混凝土及预应力混凝土桥涵设计规范》JTG 1)62-2004的第 8. 1. 6条对组合式受弯梁,预制构件与现浇混凝土层之间结合面
的抗剪承载力计算公式。
Vd ≤ 0.12/Ca^O+ 0. 85∕sv
ASV I —Ao
SV
(11)
在《混凝土结构设计规范》GB 50010 - 2010附录H无支撑 叠合梁板中,叠合梁的叠合面受剪承载力应满足下式要求:
Vd ≤ 0. 12∕rZ√ι0+O. 85∕yv *Mo (12)
式(11)与式(12)的计算结果相差不大,本规程引用 JTG D62 -2004的公式规定,并将组合截面的混凝土轴心抗压强 度设计值厶替换原来的∕cdo尽管本条是针对在受压区加固受弯 构件的情况,但在对受拉区加固受弯构件和受压构件加固时也可 参考应用。
5.5构造要求
5.5.1本条是说明T形梁增大截面加固的儿种常见类型,在实 际工程中,应根据各自条件选择合适的加固形式。
5. 5.2根据加固工程的经验,对新浇筑混凝土的强度等级、最 小厚度等提出要求。
在桥梁局部位置、尺寸等施工条件限制时,采用微膨胀混凝 土和自密实混凝土可以取得较好效果。
5. 5.3根据桥梁加固工程的特点,对新增纵向受力钢筋、构造 钢筋、箍筋等的直径规格提出要求。
5. 5.4在增大截面加固钢筋混凝土构件时,新增钢筋应满足现 行行业标准《公路钢筋混凝土及预应力混凝土桥涵设计规范》 JTGD62关于混凝土保护层、钢筋锚固、钢筋连接、纵向受力 钢筋最小配筋百分率等的要求。
新增加固的纵筋、箍筋都应与原构件混凝土或钢筋有牢固的 连接,以保证新增钢筋有效发挥作用。
5. 5.5对普通受弯构件和加固受弯构件的钢筋截断的要求都是 基本一致的。按《公路钢筋混凝土及预应力混凝土桥涵设计规 范》JTGD62-2004,钢筋混凝土梁内纵向受拉钢筋不宜在受拉 区截断;如需截断时,应从按正截面抗弯承载力计算充分利用该 钢筋强度的截面至少延伸(九+九。)长度,此处L为受拉钢筋最 小锚固长度,Zio为梁截面有效高度。
受压构件新增纵向受力钢筋应伸入原结构中并满足锚固要 求,这是防止加固钢筋因在混凝土中的锚固破坏而丧失作用。
5. 5.6植筋设计可参见《公路桥梁加固设计规范》JTG/TJ22-2008附录A、《混凝土结构加固设计规范》GB 50367 - 2013第 15章、《混凝土结构工程无机材料后锚固技术规程》JGJ/T 271-2012第4章。
5.6施 工
5. 6.1加固工程与新建工程的一个重要区别是:新建工程是一 次设计、一次施工,加固工程是两次设计、两次施工,并且两次 时间相差很远(十余年或数十年以上)。增大截面法加固工程是 在充分发挥原结构构件强度的基础上作出的増强受力措施,故在 加固前应对原结构构件进行有关截面尺寸、裂缝、外观等的复 核,如发现有与设计不符之处,应及时通知设计单位,以分析相 关原因并采取相关措施。
5. 6. 2混凝土构件增大截面工程的施工程序与一般现浇新建工 程混凝土施工相比,增加了原构件清理修整、界面处理、新旧钢 筋连接等步骤。这些工序対保证新增截面与原构件的共同T作至 关重要,在施工过程中应强调对这儿道工序的质量监督与检查。
对一般构件,增大混凝土的加厚层通常采用安装模板、浇筑 混凝土的形式;对于桥面板加厚加固则可直接利用原构件作为支 撑面,无须安装底模;对于拱桥拱圈顶面加厚也可利用原拱圈作 为底模。
5. 6.3对原构件存在的表层缺陷及裂缝应进行鉴定分析和危害 性评定,应依据评定结果在进行增大截面加固之前进行缺陷与裂 缝修补工作。
1裂缝深度分类。目前对裂缝深度分类没有统一的规定, 工程界通常按下表进行结构裂缝的分类:
表2结构裂缝深度分类
|
裂缝分类 |
表面裂缝 |
浅层裂缝 |
纵深裂缝 |
贯穿裂缝 |
|
裂缝深度 |
Λ≤0. IH |
O. lH<h<Q. 5 H |
O. 5∕∕≤A<H |
h = H |
注:H为结构厚度,人为裂缝深度。
2不同宽度的裂缝宜按如下方法处理:
D对于宽度小于O∙lmm的裂缝适合采用表面封闭法 处理;
2) 对于数量:较多、宽度在O.Imm〜O. 15mm间的裂缝适 合采用自动低压渗注法处理;
3) 对于较深,宽度在O. 15mm〜0.5mm的裂缝适合采用 压力灌注法。
4) 对于宽度大于0∙5mm的裂缝适合采用填充密封法 处理。
3封闭修补法应满足下列要求:
D填缝修补前•应先将裂缝清理干净,根据裂缝宽度不同 分别用勾缝刀、抹子、刮刀等工具进行操作,灰浆宜 釆用1 : 2.5或1 : 3水泥砂浆。
2) 表面涂刷修补采用水泥浆、水泥砂浆材料时,涂刷前 应将裂缝用水冲净,使构件表面清洁湿润;釆用沥青、 环氧基液或环氧砂浆时,涂刷前应要求构件表面清洁 干燥。
3) 凿槽嵌补对于稳定裂缝宜采用水泥砂浆、膨胀砂浆、 环氧树脂砂浆等刚性材料填充;对于活动裂缝则宜采 用弹性嵌缝材料进行填充。
4压力灌浆工艺如下:
1) 水泥灌浆工艺流程为:裂缝检查及处理-钻孔及清孔 f止浆或堵漏处理-压水或压气实验-灌浆收尾 处理。
2) 化学灌浆工艺流程为:裂缝检査及处理-钻孔埋嘴-嵌缝止浆-压水或压气实验-灌浆-收尾处理。
3) 壁町法灌浆工艺流程为:裂缝检查及处理-封闭裂缝、 粘胶注入->釆用注入器灌注胶体*胶体硬化后敲掉注 入器,打磨混凝土表面。
5. 6.4结合面处理一般包括:1)表面处理;2)浇粘结层或涂 胶粘剂;3)植筋或锚栓。表面处理是使表面粗糙度增加,提高 新旧混凝土的机械咬合力;胶粘剂是提高新旧混凝土的化学粘结 力;植筋或锚栓是增加新旧混凝土之间的“抗取销”销結,极大 地提高界面的结合力。
5.6.5增大截面加固法属于被动加固方法,根据受弯或受压构 件加固的分阶段受力特点,在施工前,应拆除部分恒载,减少活 动荷载和施工荷载,这样就可有效地减少新旧材料有效结合前原 构件的变形,从而提高新旧材料有效结合后增加截面的加固效果
(主要是在控制构件挠度和裂缝宽度方面)。
如果构件增大截面加固时,设计同时要求对桥面铺装更换、 拱上填料更换或实腹拱改为空腹拱,这时可以先进行桥面铺装层 凿除、拱上建筑减轻施工,然后再进行构件増大截面施工,这就 可以使加固效果更有效。
如果在桥底、构件底部或侧边采用支架或构件支撑,千斤顶 预顶,临时体外预应力预拉等措施,使原构件处于无负荷加固或 少负荷加固状态,可以非常有效地减少新I日材料有效结合前构件 的受力变形,从而更有效地保证加固效果。
5.7质量检验与验收
5. 7.5在《城市桥梁工程施工与质量验收规范》CJJ 2 - 2008 中,混凝土取样与留置试块的规定是“每拌制100盘且不超过 IoOm3的同配比的混凝土,取样不得少于1次”,考虑到加固工 程的混凝土工程量:不大的特点,并结合《建筑结构加固工程施工 质量验收规范》GB 50550 - 2010的有关规定,将混凝土取样的 规定有所严格,对保证加固工程的混凝土质量是必要的。
6.1 一般规定
6.1.1粘贴钢板法加固法一般适用于下列情况:1)现行使用荷 载下,原受弯构件或大偏心受压构件受拉主筋或斜筋配筋不足; 2)原构件受拉主钢筋严重腐蚀或受损;3)为增加构件的抗裂性 和刚度;4)提高偏心受压构件的承载力,对构件进行封闭围套 包钢加固,对小偏心受压构件不适宜采用单边粘钢加固。
6.2受弯构件加固设计
6. 2.2 &——相对界限受圧区高度,按原构件混凝土和受拉普 通钢筋强度级别,按现行行业标准《公路钢筋混凝土及预应力混 凝土桥涵设计规范》JTG 1)62 - 2004表5. 2.1规定选用。
6.2.3本条是T形或I形受弯构件仅在受拉区单侧粘贴钢板加 固后的正截面受弯承载力计算。根据混凝上受压区高度Z位置 分成两种情况,即^≤A,f(第一类T形)^>∕√f(第二类T形)。 由于加固构件为二阶段受力,故直接进行两种情况判断较难。在 截面复核计算中,可先按情况求解受压区混凝土高度计 算值如计算值KWh,,则按本条第1款规定进行计算;若 计算值ʃ > h∖ ,则按本条第2款重新计算受压区混凝土高度, 再进行承载力计算。
T形或I形受弯构件一般为单筋截面,故本条未考虑双筋 截面。
6.2.4、6.2.5计算原受弯构件开裂截面在一次受力情况下截面 几何特性,参照《公路桥梁加固设计规范应用计算示例》(耶晓 光等著)编写。
6.3矩形截面偏心受压构件加固设计
6. 3.6单侧粘贴钢板加固或两侧粘贴钢板加固的I形截面偏心 受压构件,正截面承载力计算应按现行行业标准《公路钢筋混凝 土及預应力混凝土桥涵设计规范》JTG D62 - 2004第5. 3.6条和 本规程第6. 3.1〜6. 3. 4条方法进行。
6.4受拉构件加固设计
6. 4.2对于小偏心受拉构件,由于其作用点在上、下缘普通钢 筋合力点之间,无论第一受力阶段还是笫二受力阶段,钢筋和加 同钢板只受拉应力,故不考虑混凝七参与受力。
根据结构加固作用特点,加固前后结构受力特性变化较小, 故本条款仅考虑两个受力阶段作用点在结构中心线的同•侧,目. 按此侧钢筋应力达到屈服时为极限状态。其他受力状况可参照本 条款的应变图,根据实际受力情况,按单侧钢筋达到极限强度时 结构失效求出相应的正截面承载力。
6.4.3 &为相对界限受压区高度,按原构件混凝土和受拉普通 钢筋强度级别,应按现行行业标准《公路钢筋混凝土及预应力混 凝土桥涵设计规范》JTG D62- 2004表5.2.1选用。
6.5构造要求
6. 5.4 U形、L形箍的宽度(重量)宜根据施工能力确定。
6.6施 工
6. 6.4构件表面裂缝均应修复和封闭,以保证注胶后不因胶液 渗出而形成空隙;宽度0. 2mm以上裂缝如未经压注修复,将无 助于恢复和提高结构刚度。
构件表面可采用电动打磨或高压水冲洗,清除粘贴界面的污 迹和松散、剥落的混凝土;清除打磨残余的混凝土粉末和混凝土 表面碳化层(酚猷检验合格)。混凝土粘钢加固时,其含水率不 得大于6%,含水量过高时应采用人工方法加速干燥。
6. 6.5锚固螺栓成孔直径和施工工艺应符合现行国家标准《建 筑结构加固工程施工质量验收规范》GB 50550 - 2010第20.2节 的规定。
植入锚固螺栓前应探测粘贴面的钢筋分布位置,并以此确定 锚固螺栓钻孔位,当遇到钢筋障碍需另选孔位时,原孔应用植筋 胶填充密实C
6. 6.7螺帽宜加盖粘结密封用,以避免压注胶粘剂泄漏而形成 粘贴层空隙,影响粘贴效果;采用镀锌钢板丿卡:制的帽盖,同时可 美化外观。
6. 6.9压注粘贴钢板的胶粘剂宜具有快速固化的性能,以避免 受环境振动的影响。
6. 6.10在粘贴钢板部位的底表面应采用千斤顶、垫板、顶杆所 组成的加压系统。在侧表面应采用膨胀螺栓、角钢、垫板所组成 的加压系统。
6.7质量检验与验收
6. 7.2压注粘贴钢板的胶粘剂性能指标应符合表6. 7.2中的规 定和设计要求。其中正拉粘结强度应按《建筑结构加固工程施工 质量验收规范》GB 50550- 2010附录E试验;工艺性能应参照 《建筑结构加固工程施工质量验收规范》GB 50550 - 2010表 4.4.6执行。
6. 7. 3涂抹粘贴钢板的胶粘剂性能指标应符合表6. 7. 3中的规 定和设计要求。其中正拉粘结强度应按《建筑结构加固工程施工 质量验收规范》GB 50550- 2010附录E试验;工艺性能应参照 《建筑结构加固工程施工质量验收规范》GB 50550 - 2010表 4.4.6执行。
7.1 一般规定
7.1.2纤维片材用于结构加固时,通常裁剪或制作成为长度较 大、宽度较小的带状,其产品形态有纤维布和纤维板2类,无需 特别区分时,可用紆维带统一简称。纯粹耐久性加固时可采用幅 宽较大的纤维布。
7.2受弯构件加固设计
7.2.3公式(7.2∙3-7)引用ACl 448 - 2008规范。纤维带极限 拉应变絲按下式计算:
式中:∕rφ——纤维复合材料的抗拉强度;
∕fφ——纤维复合材料抗拉强度的分项系数,一般 为 1.25;
⅛——纤维复合材料的弹性模量。
通常纤维复合材料的极限拉应变通过实验计算。对于碳纤维 复合材料,E通常取值在0.01〜0.015之间,可取为0. 015o
7. 2.4对翼缘位于受压区的T形截面受弯构件,当在其受拉面 粘贴纤维带时,应按本规程第7. 2.3条和现行行业标准《公路钢 筋混凝土及预应力混凝土桥涵设计规范》JTG D62 - 2004第 5. 2. 3条的规定计算。
7.2.8纤维带端部绕锚板自锁可以有效避免粘贴纤维带抗剪加 固梁发生剥离破坏.其最终破坏模式为纤维带拉断破坏或混凝土 剪压破坏。(7∙2.8-8)式引入纤维最大允许应变,以控制混凝土 剪切裂缝的宽度,并避免破坏时纤维带应力取值过高。
为了保证受剪加固方式有效性,引入式(7.2.8-7)限制纤 维带水平间距,以确保至少有两条纤维带与剪切裂缝相交,而其 中至少一条有较高应力水平。
7.5构造要求
7.5.1过宽的纤维带易因粘贴表面不平整对均匀受力乃至加固 效率造成不利影响。
7. 5. 3普通粘贴的非封闭环形纤维带两端特别容易发生粘结剥 离破坏,中南大学的试验研究结果表明,纤维带端部加锚板自锁 并用锚栓锚固在构件上可有效抑制端部剥离破坏,并且简便易 行。抗剪加固可参考本规程图7. 2.8,开缝锚板应位于构件受拉 区并沿受拉方向布置。
7. 5.5普通粘贴的纤维带绕过构件上的凹角时,最易发生粘结 失效,故转折处要附加自锁锚板或安装压板进行锚固。
需要重叠布置多层纤维带时,各层长度不同可以节约材料, 端绕开缝板不仅有利于本层纤维带端部剥离防治,而且外层较短 纤维带端部锚板通过压靠右利于内层较K纤维带中部剥离防治。 7.5.7构件上的凸角指柱角、梁面转折处等构件部位。
7.7质量检验与验收
7.7.2受力加固用纤维带与基材混凝土的正拉粘结强度应按 《建筑结构加固匸程施丁•质楂验收规范》GB 50550 - 2010附录U 规定检验。
7.7.5板缝有效宽度范围内锚板长度指纤维布长度方向锚板外 缘尺寸。
8.1 一般规定
8.1.1预应力加固是通过增设预应力索(包括钢绞线、高强钢 丝束和精轧螺纹钢筋)对既有混凝土结构主动施加外力,以改善 原结构受力状况,提高结构的承载力或改善使用性能。预应力纤 维带加固法适用于截面偏小或配筋不足的钢筋混凝土或预应力混 凝土桥梁构件的加固,特别是控制裂缝及挠度的加固。
8.1.5预应力加固的实质是无粘結预应力筋加固和有粘结预应 力筋加固。当预应力筋或索布置在混凝土体外,或者采用单根或 多根无粘结预成力筋布置在混凝土体内,如通过钻孔或在旧混凝 土外布索后再浇筑新混凝土覆盖,其预应力钢筋都与混凝土无粘 结,属无粘结预应力筋加固。而当通过在旧混凝土钻孔穿裸钢索 (束)张拉后再灌浆,或者预应力索管道布置在旧混凝土外,经 穿裸钢索、浇筑混凝土覆盖、张拉钢索后再灌浆,其预应力钢筋 都与混凝土有粘结,属有粘结预应力筋加固。即体外索肯定属无 粘结预应力筋,布置在混凝土内的预应力索则可以是无粘结预应 力筋,也可以是有粘结预应力筋C
8.2预应力钢筋加固设计
8.2.1、8. 2.2新增预应力筋的张拉控制应力及预应力损失计算 内容和方法,参照现行行业标准《公路桥梁加固设计规范》 JTG/T J22相关条款计算,同时按以下补充规定进行:
1体外预应力筋的最大张拉应力(含超张拉应力)不应超 过张拉控制应力GCOn;
2直线布置时按现行行业推荐性标准《公路桥梁加固设计 规范》JTG/T J22-2008第8.2.4条的式(8.2.4-4)计算。
3 一般新増预应力钢束数量相对少,张拉批次不多,也可 通过超张拉或重复张拉措施消除此应力损失的影响。
8.2.3新增无粘结预应力筋与梁体接触点处,如锚固点和转向 点处的应力损失项会有所不同,使币也会不同。有效预加力: NiX = b"4μc , Aμe为新增无粘结预应力筋的截面积。
8. 2.5根据新增预应力钢索的布置形式及与构件混凝土接触点 处的倾角,由预加力NPU计算该接触点处的等效荷载作用:节点 力或均布力,再采用结构力学的方法计算控制截面的内力。
对超静定结构,上述截面内力计算应包括新增预加力产生的 二次内力,并注意对其他非计算截面产生的影响应在可承受范围 内,否则将成为新的控制截面。几种桥型无粘结预应力索的布置 示意图如图2~图6所示。
图3等高度连续箱梁内布置折线形体外预应力索示意 1—体外预应力索
图4 T形刚构桥布置折线形无粘结预应力索示意
1 一无粘结预应力筋:2—铺装层;3—挂梁
1
图5变等高度连续梁箱内布置直线形体外预应力索示意 1一体外预应力索
图6变等高度连续梁箱内布置折线形体外预应力索示意 I-体外预应力索
8. 2.7〜8.2. 12受弯及受剪承载力计算假设参照现行行业标准 《公路桥梁加固设计规范》JTG/T J22相应条款的条文说明,但 体外索或无粘结筋只在转向点和锚固点与梁体有接触,其应变与 相同位置处的混凝上应变不一致,在整个正截面变形中是不满足 平截面假定的。本规程征求意见稿的做法是将体外索对梁接触点 的作用当成等效节点力的作用,其对构件产生的内力作为永久作 用的一部分,参与到永久作用效应组合设计值中,并乘以相应的 预加力分项系数,而不当成有粘结预应力筋计入截而承载力设计 值中,并进行正常使用极限状态的各种计算,这样做概念清楚。 本规程暂按传统的做法:将体外筋的抗拉强度设计值取其极限应 力后,当成体内有粘结筋来计算截面的承载能力,但这种做法是 受到质疑的,除了平截面假定外,还有一些力学概念不能解释, 如体外筋对梁的作用,实际上是锚固点和转向点对梁的作用,只 要在接触点相同位置施加相同外力,无论体外索是否存在,对梁 来说效果是一样的,这时体外索就是一种加力的装置。体外索应 力变化对梁的影响是通过锚固点和转向点的节点力大小和位置来 体现的,构件破坏时也只与这些接触点是否失效有关。此外,将 体外筋当成体内筋计算,计算截面受拉钢筋的配筋率时,体外筋 是否要计入?再则实践中体外索也不一定就紧靠计算截面受拉边 布置。因此,在正截面受弯承载力计算时将体外索作为与混凝土 有粘结的钢筋一起计算截面抗力,以上问题是解释不通的。
实际上,在斜截面受剪承载力计算时,传统的做法是将体外 预应力弯起钢筋提供的受剪能力放在不等式右边的截面抗力中, 将此项移到左边就成为作用效应组合设计值的一部分,只不过是 分项系数(或安全系数)的取值问题。而且计算截面有效高度 心和纵向钢筋配筋率P时,只与原截面的受拉钢筋有关,与体外 筋无关,也就是征求意见稿的做法。在《城市桥梁结构加固技术 指南》的体外索加固钢筋混凝土简支梁和预应力混凝土连续梁的 两个算例中,对受弯及受剪承载能力计算,分别采用上述两种方 法计算,以资比较。
采用预应力筋加固时,如果伴随有截面增大,则截面尺寸和 普通受力钢筋截面积也应计入截面承载力设计值中。
体外预应力筋的应力增量计算与原构件的形式、截面尺寸, 各种配筋的数量和位置、材料强度,体外筋布置形式等因素有 关,要计算出满足工程精度的量值比较繁琐。参照德国规范 DIN4227中的单跨梁,悬臂梁和连续梁近似取值,该条中的应 力增量也按此取用。
8.2.16、8. 2.17计算混凝土各种应力时,要考虑新增预加力和 原预加力对计算点共同产生的应力。施加预应力阶段,自重作用 下计算截面受拉边缘混凝土不得消压,因此要用全截面的几何 性质。
在计算原预应力筋产生的各项应力时,如果检查发现旧桥的 原预应力筋有相关应力损失的现象,在现场还未能使用相关仪器 测量出满足工程精度要求的关心位置处混凝土有效预压应力时, 应根据病害类型和程度对原预应力筋的有效预应力适当折减。
在公式(8.2.16-4)、公式(8.2.16-7)中,右边第二、第 三项与第一项的应力方向相同时取正号,相反时取负号,正号为
压,负号为拉;
公式(8.2.16-8)中的m:、/Pd系由NP产生的受拉区、受 压区有粘结预应力钢筋重心处的混凝土法向应力,按本条公式 (8.2.16-4)计算,但式中的NPO以NP代替;印)按本规范公式 (8. 2. 17-2)计算,该式中的 σp0、Np0 以 σpc、σpe、NP 代替。 8. 2.18、8. 2.19抗裂要求参照了现行行业标准《公路桥梁加固 设计规范》JTG/TJ22相关条款的做法。
8. 2. 20有粘结预应力筋加固时,计算主应力点处预应力弯起钢 筋的预加力产生的混凝土剪应力应包括新旧预应力弯起钢筋。计 算截面的惯性矩、截面积及面积矩时也应包括新旧有粘结预应力 筋的截面积和混凝土截面积。
公式(8. 2. 20-3)、公式(8. 2. 20-4)中的 σc× σcy ʌ σpc 和 礬,当为压应力时以正号代入,当为拉应力时以负号代入;
对变高度预应力混凝土梁,当计算由作用(或荷载)引起的 剪应力时,应计算截面上弯矩和轴向力产生的附加剪应力。
8. 2. 22该条详细给出了体外预应力筋和有粘结预应力筋分别加 固钢筋混凝土受弯构件和预应力混凝土受弯构件4种情况时,纵 向受拉钢筋的应力g的计算式和参数取值说明,使之具有操 作性。
采用体外预应力筋加固钢筋混凝土受弯构件时,按钢筋混凝 土偏心受压构件计算原普通受拉钢筋的应力心。采用体外预应 力筋加固预应力混凝土受弯构件时,纵向受拉钢筋的应力厶取 原有粘结预应力筋和普通受拉钢筋合力点处的钢筋应力。
采用有粘结预应力筋加固钢筋混凝土受弯构件时,纵向受拉 钢筋的应力J取新増有粘结预应力筋和原普通受拉钢筋合力点 处的钢筋应力。采用有粘结预应力筋加固预应力混凝土受弯构件 时,纵向受拉钢筋的应力σss取所有新旧受拉预应力筋和原普通 钢筋合力点处的钢筋应力。加固后的构件按预应力混凝土受弯构 件考虑。预应力筋布置在受拉区,且不考虑混凝土收缩、徐变 损失。
预应力加固预应力混凝土受弯构件时,由于新增预应力的有 效预加力计算与原有效预加力的计算在张拉控制应力、应力损 失、截面几何性质等方面有所不同,可将混凝土法向应力等于零 时预应力钢筋和普通钢筋的合力NPO分为两个部分计算再叠加: 第一部分为原预加力作用下混凝土法向应力等于零时原预应力钢 筋和普通钢筋的合力2‰1,第二部分为新增预加力作用卜•混凝 土法向应力等于零时新增预应力钢筋和普通钢筋的合力NPO2 O 8.2.24预应力加固后的钢筋混凝土和預应力混凝土受弯构件, 在正常使用极限状态下的挠度计算,主要是先解决好加固构件的 刚度,而刚度计算又主要体现在加固后截面的全截面和开裂截面 的几何性质计算上,再按此刚度用结构力学的方法或电算计算 挠度:
I对于变截面连续梁和连续刚构,当支承截而刚度不大于 跨中截面刚度的两倍时,构件刚度仍可采用跨中截面刚度。
2体外预应力钢筋加固混凝土受弯构件时,构件刚度按原 截面尺寸和配筋计算。有粘结预应力钢筋加固混凝土受弯构件 时,构件刚度的计算除原截面尺寸和配筋外,要计入新增有粘结 钢筋和新増混凝土截面积,并扣除新增有粘结预应力筋占用的钻 孔截面积。
3刚度计算、结构挠度计算和挠度长期增长系数的取值卬 按现行行业标准《公路桥梁加固设计规范》JTG/TJ22-2008第 8. 2.4的第6款进行。
8.2. 25预应力加固钢筋混凝土或预应力混凝土受弯构件后成为 B类预应力混凝土受弯构件时,混凝土的法向压应力风可按现 行行业标准《公路钢筋混凝土及预应力混凝十.桥涵设计规范》 JTG D62相关条款的方法计算,但考虑到计算开裂截面的儿何 性质较繁琐,采用本规程方法相对简便,精度满足工程要求。本 规程应力计算中并未包含温差产生的应力。
体外预应力索加固钢筋混凝土或预应力混凝土受弯构件时, 由于体外筋张拉控制应力本身规定得不高,再加上正常使用时体 外筋可滑动,整根钢束的拉应力相对均匀,其拉应力一般不会超 过抗拉设计强度,不必验算。
8. 2.26体外预应力筋加同钢筋混凝土受弯构件时,无需验算受 拉钢筋的应力。计算截面儿何性质时不计入体外预应力筋的截 面积。
8. 2. 27体外预应力筋加固预应力混凝土受弯构件时,需要验算 混凝土的最大压应力和主应力,构件原有预应力钢筋的拉应力受 新增预加力的影响,有可能减小.有可能增大,特别对于截面 拉、压区均设置预应力钢筋的梁,这取决于新增预加力对计算点 处产生的是压应力或是拉应力。原有粘结预应力钢筋的总拉应力 m由原受拉预应力筋的有效预应力心】、作用标准值产生的原 预应力筋拉应力增量殉、体外筋对原预应力筋产生的应力增量 σμ02三部分组成。
-•般是受拉区的原预应力钢筋应力减少,则可不验算,而受 压区的原预应力钢筋应力会增加。另外,如果荷载等级提高,可 变作用会使受拉区原预应力钢筋拉应力増加超过新增预加力对其 的减少,需要验算原有粘结预应力钢筋的拉应力。同样,计算截 面几何性质时不计入体外预应力筋的截而积。
公式(8.2.27 6)计算开裂截面的换算截面对其中性轴的静 矩S,其中预应力项只与原有粘结预应力筋有关。当构件为矩 形截面时,取Iu = b ,受压区不配预应力钢筋时A'p = O,不考 虑普通受压钢筋作用时Λ,s = 0 o
8.2.28有粘结预应力筋加固钢筋混凝土受弯构件时,相当于一 般的预应力混凝土受弯构件,截面几何性质计算时要计入新增纵 向有粘结预应力筋截面积、普通受拉钢筋的截面积和相应增加的 混凝土截面积的作用,但不计入混凝土的收缩、徐变应力损失, 有关预应力项只与新增有粘结预应力筋有关。
8. 2. 29有粘结预应力筋加固预应力混凝土受弯构件时,截面几 何性质计算要计入新增纵向有粘结预应力筋截面积和相应增加的 混凝土截面积,有关预应力项与新旧冇粘结预应力筋有关,混凝 土和原有粘结预应力筋的应力会受到新增有粘结预应力筋的 影响。
当计算截面承受正、负弯矩,受拉区、受压区均设置预应力 钢筋,则新增预应力筋使同侧的原预应力钢筋拉应力减少,但使 异侧的原预应力钢筋拉应力增加,而新旧预应力筋因有效预加力 计算有些不同,如原预应力筋要汁入混凝土收缩、徐变应力损 失,新增预应力筋则可不计,张拉控制应力也可能不同,被加固 的构件可以是后张法的,也可以是先张法的预应力混凝土受弯构 件,新增预加力则只按后张法施加。因此还需计算新旧预应力钢 筋的应力,裁而儿何性质计算中要计入全部新旧纵向受力钢筋的 作用。
当计算受拉区的原预应力筋应力增量时,σp02取负号,即取 正号;当计算受压区的原预应力筋应力增量时,“吹取正号,用 取负号。
8.3预应力纤维带加固设计
8.3.1预应力纤維带加固法适用于钢筋混凝土或预应力混凝土 桥梁构件的裂缝或变形控制,也可用于提高承载能力。
8.5施 工
8. 5.8当要求部分抵消由于应力松弛、摩擦、预应力筋分批张 拉等因素产生的预应力损失时,张拉控制力可增加O. 05∕ptk;当 有可靠依据时,可提高张拉控制应力。
9.1 一般规定
9.1.2增设支承结构(柱或托架)可以减小结构构件的计算跨 度,降低计算弯矩,大幅度提高结构构件承载力,减小挠度,缩 小裂缝宽度。当对增设的支承结构施加预应力时,效果更佳。增 设支承结构法多用于大跨度结构,它的缺点是较多地影响了使用 空间,托梁拔柱法是在不拆或少拆上部结构的情况下,拆除、更 换或接长柱子的一种处理方法。它适用于要求改变使用功能或增 大空间的桥梁结构改造。
对于原由多跨简支梁构成的桥梁结构,也常采用在梁上增配 负弯矩钢筋,浇筑混凝土的加固办法加固,亦即把原来的单跨简 支梁,变为多跨连续梁,改变梁的受力状态,提高其承载力。
9.2设 计
9. 2. 1增设支点加固法是通过在原结构F増设支承结构及构件, 减小被加固结构的跨度或位移,来改变结构不利的受力状态,以 提高其承载力。
按支承结构的变形性能,分为刚性支点和弹性支点。
刚性支点法是通过支承结构的轴心受压或轴心受拉将荷载直 接传给基础或柱子的一种加固方法(图7),由于支承结构的轴 向变形远远小于被加固结构的挠度变形,对被加固结构而言,支 承结构可简化按不动支点考虑,结构受力较为明确,内力计算大 大简化。
弹性支点法是以支承结构的受弯或桁架作用间接传递荷载的 一种加固方法,由于支承结构和被加固结构的变形同属一数量 级,支承结构只能按可动点——弹性支点考虑,内力分析较为
1 一被加固梁;2—支柱;3—节点包套;4一斜拉杆
复杂。
按支承结构与原结构的连接形式不同分为固结法和饺支法 两种。
固结以支顶的方式直接将荷载传给基础,支顶新増构件需承 受一定的弯矩,对新增构件基础要求较髙。
絞支加固是主梁与新构件以饺形式联结,支座位置由该点主 梁截面所容许承担的弯知和剪力来确定。
9.2. 2简支变连续加固是将相邻简支梁墩顶部位结构上缘纵向 用普通钢筋或用预应力钢筋加以连接,并现浇接头混凝土形成结 构连续体系。有保持原支座(双支座)和更换支座两种做法。用 预应力钢束(钢筋)做连接时,可釆用后张法。也可采用开槽 后,张拉裸束,浇筑混凝土直接粘结钢束(钢筋)的“先张法"。
简支变连续后应对中间支点梁段的抗剪能力进行验算,必要 时对其抗剪区进行加固处理;支点连续构造的纵向受力钢筋(预 应力钢束)要有足够的布设长度,而且此处桥面的防裂和排水也 很重要。
9.3施 工
9. 3.2简支变连续加固采用单支座时,墩顶支座安装应该在连 接缝钢筋连接之前完成,与连接缝底板模板同时进行安装。底模 采用泡沫板时应该考虑预留一定的压缩沉降量,一般取2mm即 可。钢筋连接中采用焊接时容易烧伤,为防止焊渣烧伤泡沫板, 浇筑混凝土前应将残渣清理干净。底板与支座之间的缝隙用胶布 或砂浆封住,防止浇筑混凝土时漏浆。
10.1 一般规定
10.1.1本方法可适用于需要增设桥梁横向联系以改善结构横向 荷载分布的桥梁结构加固。桥梁常用增加横向联系加固法包括: 加强横隔板(梁)、增大横隔板截面、设置横向拉紧钢筋、加强 横梁与纵梁的联结作用、增设横隔板(梁)、増加柱式墩之间的 连系梁、增设横向体外预应力、改企口缝为湿缝、T形梁改箱型 梁、铺设桥面补强层、在新增桥面混凝七中设置钢•丝网或掺入钢 纤维等方法,以提高整体性。
∏. 1 -般规定
11.1.1-11.1.3主要依据桥梁下部结构特点、缺陷等级、分布 选择合理可靠的加固方法。粘贴钢板或纤维复合材料等方法仅适 用于普通钢筋混凝土盖梁。
11.2设 计
11.2.4增补桩基数量及群桩基础沉降量计算应根据现行行业标 准《公路桥涵地基与基础设计规范》JTG D63的规定进行。增 补桩基加固应结合原桩基、地质水文条件、周边环境考虑成桩 工艺。
11.3施 工
H.3.6灌注桩的成孔工艺主要有回旋钻成孔、冲击钻成孔、旋 挖钻成孔、人工挖孔等。选择成孔工艺时除考虑地质水文条件、 桩长、净空、周边环境等因素外,尚应考虑成桩对原桩的影响, 鉴于旋挖桩技术进步快,宜优先使用旋挖桩,若受到环境与地质 条件限制,也可采用对桩周土体加固后,采用人工挖孔桩等对原 桩影响小的成桩工艺。
静压桩应充分考虑压桩对临近桩基及周边环境的影响,选择 合适桩断面尺寸、桩长、桩形。
U.3.8抛石防护加固一般用于深水墩台冲刷加固。采用双层或 单层块(片)石做河床铺砌时,若河床面有淤泥杂物,应清除淤 泥回填砂砾,夯实后再砌石。
12.3 施 工
12.3.1支座整体顶升更换的方法可分为三种。
J按联逐联整体顶升:即将一联梁体作为一个整体进行顶 升,该方法特点是能够大大降低桥面板顶升的次数,对道路交通 的干扰可适当降低,整个工期相对较短,但顶升时支点多、设备 复杂,人员协调较困难,工程不可预测性较大,具有较大的不确 定性和风险性。
2按单墩逐墩整体顶升:在不断开桥面联系(不包括栏杆) 的前提下,只在单个桥墩处使用顶升设备抬升桥面板,待桥面板 抬升到一定髙度后再进行支座更换。该方法的优点在于施工时间 较短,施工时不需封闭交通,不足之处是由于没有断开桥面铺装 联系,对桥面板的抬升类似于连续梁的强制位移,因此需要较大 的顶升力,对顶升设施的下部基础要求较高。但这种方法对交通 影响很小,施工简便,可采取流水作业施工。
3按跨逐跨整体顶升:即断开每跨之间的桥而联系(包括 铺装层、栏杆及照明线路),使被顶升的桥跨成为完全简支,再 使用顶升设备将整跨顶升后更换支座。这种方法施工时间较长, 整个工程对交通的干扰较大。
12.3.2 PLC控制液压同步升降是-种力和位移综合控制的顶 升方法,这种力和位移综合控制方法,建立在力和位移双闭环的 控制基础上。由液压千斤顶,精确地按桥梁的实际荷重,平稳地 顶举桥梁,使顶升过程中桥梁受到的附加应力下降至最低,同时 液压千斤顶根据分布位置分成组,与相应的位移传感器组成位置 闭环,以便控制桥梁顶升的位移和姿态,这样可以保证顶升过程 的同步性,确保顶升时板、梁结构安全。
支座主要有三种类型。
1板式橡胶支座的更换要求:
1) 检査、处理原支座垫石的缺陷使结构完好,顶面高程 及平整度符合设计要求。
2) 按设计要求放置橡胶支座,支座中心线应与支承垫石 中心线重合。
3) 弯、坡、斜桥的支座垫石高程应按桥梁纵、横坡要求 逐个进行核算。
4) 梁板落梁时应位置准确,且与支座密贴。
2盆式橡胶支座的更换要求:
D支座组装时其底面与顶面的钢垫板应埋置密实。垫板 与支座间平整密贴,支座四周不得有O.3mm以上的 缝隙。活动支座的四氣板和不锈钢板不得有刮痕、撞 伤。氯丁橡胶板块密封在钢盆内应排除空气、保持 紧密。
2) 活动支座更换安装前,清洗滑移面,在储油槽内注满 清洁的硅脂类润滑剂。
3) 盆式橡胶支座的顶板和底板可用焊接或锚固螺栓栓接 在梁体底面和墩台顶面的预埋钢板匕。采用焊接时, 应防止烧坏混凝上;安装锚固螺栓时,其外露螺杆的 高度应不大于螺母的厚度。盆式橡胶支座的顶板与梁 体底面也可采用胶粘剂连接。
4) 按考虑预偏量的位置安装支座。
3球形支座的更换要求:
D制作出厂时,应由生产厂家将支座调平,并拧紧连接 螺栓,防止运输安装过程中发生转动和倾•覆。支座可 根据设计需要预设转角和位移,但需在厂内装配时调 整好。
2)支座安装前应开箱检查配件清单、检验报告,支座产 品合格证及支座安装养护细则。施工单位开箱后不得 拆卸、转动连接螺栓。
3) 当卜支座板与墩台采用螺栓连接时,应先用钢楔块将 下支座板四角调平,高程、位置应符合设计要求,用 环氧砂浆灌注地脚螺栓孔及支座底面垫层。环氧砂浆 硬化后,方m拆除四角钢楔,并用环氧砂浆填满楔块 位置。
4) 当下支座板与墩台采用焊接连接时,应采用对称、间 断焊接方法将下支座板与墩台上预埋钢板焊接。焊接 时应采取防止烧伤支座和混凝土的措施。
5) 当梁体落梁归位后,应拆除上、下支座板连接板。
13.1 一般规定
13.1.1城市交通系统是维持城市生存功能和对国计民生有重大 影响的生命线工程;在抗震救灾中,城市交通系统更是抢救人民 生命财产和尽快恢复生产、重建家园、减轻次生灾害的重要环 节。近二十几年来国内外历次中心城市的震害教训都表明,作为 交通枢纽的桥梁一旦遭受地震严重破坏,将造成城市交通系统局 部或全线瘫痪,从而导致极大的经济损失。另一方面,发达国家 对现有桥梁进行抗震鉴定(抗震评估)、加固的实践和震害经验 表明,对现有桥梁进行抗震鉴定,并对不满足抗震要求的桥梁进 行抗震加固,是减轻地震灾害的基本途径之一。
本规程抗震加固部分可适用于地震基本烈度为6度〜9度地 区、经抗震鉴定后需要进行抗震加固的现冇城市梁式桥。其他体 系的现有桥梁,可按本规程给出的设计原则进行抗震加固设计及 施工。
梁式桥是地震中最易损的一类桥梁结构体系,从国内外桥梁 抗震加固的实践看,抗震加固的主要对象为梁式桥,各种抗震加 固措施也主要适用于梁式桥。其他体系桥梁的抗震加固设计及施 工往往较为独特且复杂,可参考使用。
由于新建桥梁应满足现行设计规范的要求,对属于文物的古 桥有专门的要求,因此,本条文所指的现有城市桥梁,是指除新 建城市桥梁和古桥外迄今仍在使用的既冇城市桥梁。
13.1.2桥梁桥址处地震基本烈度应按现行行业标准《城市桥梁 抗震设计规范》CJJ 166 - 2011第1.0.3条的规定执行。
13. L 3抗震鉴定是抗震加固的前提,不进行抗震鉴定,则抗震 加固设计缺乏基本的依据,成为盲目加固,然而我国目前还没有 专门的城市桥梁抗震鉴定方面的技术标准。在开展现有城市桥梁 抗震鉴定或抗震评估时,除可参考我国现行行业标准《公路桥梁 加固设计规范》JTG/TJ22的相关规定外,也可参考美国联邦 公路局(FHWA).我国台湾地震工程研究中心(NCREE)等 单位所建议的既有桥梁抗震评估方法。
13.1. 4桥梁桥址所处是否属于抗震有利、不利或危险的地段, 应依据现行行业标准《城市桥梁抗震设计规范》GJJ 166 - 2011 第4.1.1条的规定判定。
建于危险地段的桥梁在强震作用下极可能发生倒塌破坏,目 前还没有可采用的经济、有效的工程构造措施,因此,主要靠避 让来减轻危险性。
13.1. 5现有桥梁进行抗震加固时,其设防标准分为四类,与现 行行业标准《城市桥梁抗震设计规范》CJJ 166相一致。衝蜀抗 震加固是否达到规定的设防目标,也应以现行行业标准《城市桥 梁抗震设计规范》CJJ 166对应章节的相关规定为依据。
13.1.6震害调査及理论分析表明,桥梁抗震体系、场地情况及 构件受力状况均对桥梁结构的抗震性能有显著的影响。与新建桥 梁抗震设计相同,现有桥梁的抗震加固也应考虑概念设计,本条 文规定了概念设计中应遵循的一些基本原则。
1城市•桥梁抗震鉴定或抗震评估结果是抗震加固设计的主 要依据。然而在抗震加固设计之前,仍应对桥梁的现状进行深入 的调查,特别査明是否存在局部损伤。对已存在局部损伤的要进 行专门分析,在抗震加固时一并处理,以便达到最佳效果。
2 能力设计原理(PhiIoSOPhy Of CaPaCity design)由新西兰 学者在20世纪70年代中期首先提出、目前已成为国际结构抗震 设计的基本原理。能力设计原理类似于电路设计中的“保险丝” 原理,其基本概念为:将结构体系分为延性构件(延性抗震设计 屮允许发生塑性变形的构件)和能力保护构件(延性抗震设计中 不允许发生塑性变形的构件统称为能力保护构件,例如基础等), 通过适当的设计,使延性构件与能力保护构件之间以及延性构件 的脆性破坏模式与延性破坏模式之间形成强度等级差异,从而确 保结构不发生脆性的破坏模式。
对现有梁式桥,基于能力设计原理的抗震加固方案应考虑以 下几个方面:
1) 一般选择墩柱作为延性构件,盖梁、桥台及基础等作 为能力保护构件;
2) 强震作用下非隔震桥的非弹性变形主要出现在墩柱上, 盖梁、节点及基础不发生塑性变形;
3) 对普通支座,一般按能力保护构件设计;采用隔震支 座加固时,非弹性变形应主要岀现在隔震支座上。
13.1.7抗震加固的结构布置和连接构造的概念设计,直接关系 到加固后桥梁整体的综合抗震性能是否能得到应有的提高。抗震 加固设计时,根据结构的实际情况,正确处理好下列关系,是改 善结构整体抗震性能、使加固达到有效合理的正确途径:
1改善受力状态。加固设计要防止结构构件的脆性破坏; 要避免局部加强导致刚度和承载力发生突变,加固设计要复核原 结构的薄弱位置,采取适当的加强措施,并防止薄弱部位的 转移。
2加强薄弱部位的抗震构造。对不同结构类型的连接处, 结构局部突出部位,地震反应加大。对这些薄弱部位,加固时要 釆取相应的加强构造。
3考虑场地影响。针对桥梁和场地条件的具体情况,加固 后的结构要选择地震反应较小的结构体系,避免加固后地震作用 的增大超过结构抗震能力的提高。
4加强新旧构件的连接。连接的可靠性是使加固后结构整 体工作的关键,设计时要予以足够的重视。
5随着技术的进步,加固的手段和方法不断发展,当现有 桥梁的具体条件合适时,应尽可能采用新的成熟的技术,包括采 用隔震、减震技术等进行加固。
13.1. 8针对抗震加固的特殊性,本条在施工方面提出以下
要求:
1对特殊的加固工法,应要求由具有相应资质的专业队伍 施工。
2采取有效措施,避免损伤原构件,并加强对新旧构件连 接效果的检査。
3原图纸的尺寸只是名义尺寸,加固施工前要复核实际尺 寸,作相应调整。
4注意发现原结构存在的隐患,及时采取补救措施。
5努力减少施工对交通的影响,并釆取措施防止施工安全 事故发生。
13.2地基与基础抗震加固
13. 2. 1地基及基础抗震加固不仅施工难度较大,而且往往花费 不菲,因此,桥梁抗震加固设计应尽量避免额外增加基础的地震 需求,以免对地基和基础进行抗震加固。桥梁在过去的破坏性地 震中极少因基础破坏而倒塌,因此,需要权衡不做加固的后果 (震灾损失风险)与加固的费用。只有经鉴定确系地基承载力不 足或基础抗震能力无法满足地震需求,且采用结构系统抗震加固 措施无法奏效时,才要考虑对地基及基础进行抗震加固。地基及 棊础抗震加固需十分慎重:,应根据具体情况和问题的严重性,采 取因地制宜的对策,并充分考虑施工的安全性、经济性和便 利性。
地基抗震加固可简单概括为提高承载力、减少土层压缩性、 改善透水性、消除液化沉降以及改善土层的动力特性等方面。提 高承载力即通过增加上层的抗压强度来提高地基的承载力和稳定 性;减少土层压缩性即减少土层的弹性变形、压密变形和上部土 层的侧向位移所引起的地基沉陷;改善透水性即采取措施使地基 不透水或减少动水压力;消除液化沉降即改变土层的组成或含水 率等,避免地震作用下时土层液化沉降;改善土层的动力特性即 采取措施提高松散土层的密实度。
基础抗震加固的目标是提高其承载力和倾覆抗力,前者可通 过各种基础静力补强加固方法实现,后者可通过增大基础底面 积、增加基桩等方法实现。
13. 2. 4若承台的弯旳强度不足,可采用增大截面法补强加固 (图8)。即可在原冇承台表面、侧面等增设钢筋混凝土,并通过 植筋与原有承台连接,•来提高承台的弯曲强度(主要是提高承台 抵抗负弯矩的能力)。受力主筋宜布置在距离桥墩侧面一倍承台 厚度的范围内,远离桥墩的主筋所能发挥的作用较小。
(a)剖面图
(b)平面图
图8承台抗弯加固
一般很难在承台底部增设主筋,因此,如果承台抵抗正弯矩 的能力不足,口 J通过增大承台厚度的方法来提高其抵抗正弯矩的 能力。若基础埋深不足,也可以考虑采用预应力加固法;预应力 筋宜穿过原有承台,并尽可能靠近桥墩布置;如果施工困难,也 可从新增的钢筋混凝土中穿过,但后一种做法比前一种做法的实 际效果可能要差。
与抗弯加固相比,承台抗剪加固要困难得多,需要承台有足 够的有效深度。承台遭受地震作用时,其最大剪力出现在墩底截 面压应力合力至桩基础最大反力之间所形成的受压斜杆内(图 9),然而承台内能形成此有效抗剪机制的条件是,承台底部配有 足够数量的主筋,且锚固可靠(例如钢筋末端做成90。弯钩)。 如果承台底部受拉钢筋数量或锚固不足,或受压斜杆的倾斜角度 小于30°,则需通过增加承台厚度,设置穿过承台的竖向钢筋或 预应力筋(相当于增加额外的箍筋),或设置穿过承台的水平向 预应力筋等措施,来提高其抗剪强度(图9)。
图9承台抗弱加固
1—受压斜杆;2—增设贯穿箍筋;3预应力筋;4一加厚承台
13. 2.5扩大基础或桩基承台在地震作用下可能会产生摇摆,这 种摇摆可以起到一定的隔震效果。然而,如果摇摆幅度过大或可 能导致基础破坏,就需要加固,以提高其倾覆抗力。
如果桩基承台存在稳定性问题,一般采用增大承台底面积的 方法进行加固,并同时对承台进行补强。在采用增加基桩的方法 进行加固时,通常需要同时增大承台的截面尺寸。
13. 2.6当桩基础抗压强度或侧向抗力不足时,可采取增设连系 梁(也可用于桩与承台连接节点承载力不足时)或增设基桩等措 施。当桩基础抗拔力不足时,可采取增设抗拔桩或下拉锚(PiIe tie-down)等措施。下拉锚可参考美国联邦公路局(FHWA)等 单位所建议的相关做法。
13.3结构系统抗震加固
13. 3.1与构件抗震加固措施相比,结构系统抗震加固措施的效 果明显较优。因此,本规程推荐优先考虑结构系统抗震加固措 施,以提升桥梁结构的整体抗震性能或降低地震需求。
从桥梁抗震概念出发,宜优先考虑依下列原则进行桥梁结构 系统加固:
1上部结构连续化、轻量化。
2延长结构自振周期,并提高桥梁系统整体阻尼比。
3改善支承系统性能,以减少下部结构加固需求。
4采取两种以上的防落梁构造措施,具体措施可参见本规 程第13.3.8条的条文说明。
13.3.2对梁式桥,因上部结构质量产生的地震力若仅由单个或 少数几个固定支座墩所承受,则可能造成固定支座墩甚至其下部 基础较严重的破坏。为改善这种现象,可通过改变支承系统或增 设适当装置等措施,使水平地震力均匀分散至所冇桥墩,从而降 低桥墩和基础的地震需求,减轻其破坏程度。
当桥梁位于较坚硬场地、下部结构基本振动周期较短且上部结 构为多跨连续时,可将原支座更换为弹性支座(如板式橡胶支座), 从而将水平地震力较均匀地分散至所有桥墩。当釆用板式橡胶支座 时,应采取有效的连接措施,使支座与梁底及墩顶固结,并确保连 接装置所提供的剪切强度大于板式橡胶支座的剪切强度。
对连续梁桥,在活动支座墩上增设冲击传递装置也可作为分 散水平地震力的可选方案。冲击传递装置也称为锁定装置,它是 一种特殊的黏滞阻尼器,通常安装在活动支座墩与主梁之间,是 -•种类似速度开关的限位装置,当桥梁运动到某一速度时启动并 锁定装置上两个安装点间的相对位移。用在桥梁上的锁定装置, 在温度和正常活荷载下可以自由变形;然而对于中小地震作用等 所引起的桥梁各部分间的运动、受力和碰撞,可有效地起到减 少、转移和限制作用。
13.3. 3功能性支承系统的概念由台湾学者提出,这种概念源自 梁式桥的震害经验:当梁桥支座产生滑动后可产生隔震的效果, 从而降低了传递至下部结构的地震力,因此下部结构受损轻微。 这种加固方法可使下部结构仅产生轻微损坏,然而大地震时上部 结构将右较大的残余变形与附属设施损坏现象,一般推荐用于交 通量不大的路段。
功能性支承系统的破坏机制定义为:板式橡胶支座在地震中 产生滑动位移,消散部分地震能量,上部结构的位移受到限位装 置(如防落拉杆、抗震挡块等)限制,然而允许该装置损坏以避 免传递过大地震力至桥梁墩柱,同时须提供足够的防落长度以防 止落梁。
13. 3. 5当桥梁位于较坚硬地段、下部结构的基本振动周期较短 且上部结构为多跨连续时,可将原支座更换为隔震支座,以延长 结构的基本振动周期,降低传递至下部结构的地震力。
如有下列情形,则应避免釆用隔震加固法:
1场地条件依《城市桥梁抗震设计规范》CJJ 166-2011第 4.1节与第4.2节判定为软弱土层或可能液化的砂土层时;
2下部结构刚度较小或基本振动周期较长时;
3支座可能产生拉力时;
4场地邻近土层较软,可能发生桥梁与地基共振情形时。
隔震加固时应依据《城市桥梁抗震设计规范》CJJ 166-2011第9章的规定,进行隔震支座设计与验算。如桥梁横向抗 震能力不足,宜考虑使用双向隔震设计,一般情况下则以桥轴向 的单向隔震为主。
13. 3. 6减震加固时应依据《城市桥梁抗震设计规范》CJJ 166-2011第9章的规定,进行耗能系统设计与验算。耗能系统分析 应包括耗能装置的特性及其平面与立面的配置,旦应能反映振动 频率、环境及温度等因素的影响。所有耗能装置的力学特性须经 试验验证与设计参数相符。
13. 3. 7梁端防落梁长度LN定义为梁端至墩、台帽或盖梁边缘 的距离(图Io)O
对于防落梁长度不足的混凝土桥墩台,可在墩、台帽或盖梁 的一侧或两侧采用增设混凝土块(通过植筋或预应力筋与原有 墩、台帽或盖梁连接)或钢托架等扩座方式(图11),来增加梁 端防落梁长度。
1增设混凝土块设计
原则上应沿墩、台帽或盖梁横向全长增设。现浇时,混凝土 宜用高流动性的自密实混凝土。混凝土块的最小宽度(纵桥向)
(C)伸臂梁(悬臂梁)牛腿上
图10梁端防落梁长度定义
图11墩台帽及盖梁扩座示意图
1一接触面漕毛;2 -锚碇钢筋;3—注入环氧树脂;4一混凝上;5-钢制托架;
6—锚碇螺栓;7—预应力钢筋;8—结合面采用树脂粘结;9—预制混凝土块
应满足植筋或锚栓锚固深度及施工要求,通常不小于30cm;其最 小高度h如图12所示,钢筋或锚栓最上层位置距顶端宜为15Cm〜 20Crno
增设混凝土块应复核锚筋拉力、剪力及混凝土块局部受压承 载力,增设混凝土块应能承受各支座的支反力Rd,其作用点取 为混凝土块的边缘(图13)。复核混凝土块局部受压承载力时, 其有效承载宽度B取为支座宽度b加混凝土块最小高度力(图 13)。植筋或锚栓设计可参见现行行业标准《公路桥梁加固设计 规范》JTG/T J22 -2008附录A或附录Bo
图12増设混凝土块尺寸大小
. 1-混凝土块;2—桥墩;3—锚碇钢筋;4一注入环氧树脂;
5—混凝土; 6—接触面凿毛
图13増设混凝上块作用力及承载宽度示意图
1 一混凝土
2钢制托架设计
钢制托架横向长度B不宜小于6 + 2S (图14,。为支座宽 度;S为支座外边缘至梁端的距离),最小宽度(纵桥向)应满 足锚栓锚固深度及施工要求;最小高度九应大于S ;钢板最小厚 度不宜小于20mm,旦间隔20Cm〜30Cm设置加劲肋板(图14)。
图14钢制托架受力及尺寸示意图
1…锚栓;2一注入环氧树脂;3一钢制托架;4一加劲肋板
钢制托架所承受荷载及作用点与增设混凝土块相同,应复核 锚栓剪力及拉力。锚栓设计可参见现行行业标准《公路桥梁加固 设计规范》JTG/T J22 - 2008附录BO
13. 3. 8目前,国内外常用的防落梁构造措施主要包括加大梁端 防落梁长度、增设防落梁装置以及设置限位装置等三类。
I当梁端防落梁长度不足时,可依照本规程第13. 3. 7条的 规定,对墩、台帽或盖梁做扩座处理。
2防落梁装置是用于防止地震作用下上部结构因上、下部 结构间发生无法预期的较大相对位移(包括可能的下部结构或支 座遭受破坏情况)而塌落下来的一种防护设施。其主要形式有: 1)利用预应力钢材(预应力钢筋或钢绞线)或拉杆等连接上部 结构与下部结构的装置;2)在上部结构及下部结构设置突出的 装置;3)利用预应力钢材或拉杆等将相邻两跨上部结构相互连 接的装置。
防落梁装置不得限制支座因上部结构温度变化、混凝土收缩 徐变或可变作用等引起的平动及转动功能,而且不能影响支座检 査和维修。其常用构造为:D混凝土或钢制抗震挡块;2)拉杆 式;3)预应力钢绞线、拉环式、锁链式等(图15〜图17)。新 增的抗震挡块可设在墩、台帽及盖梁的上方或侧面,混凝土或钢 制抗震挡块町采用植筋技术或锚栓技术设计和施工。抗震挡块与
(a)混擬上抗震挡块 (b)钢托架及抗震挡块
图15抗震挡块
上部结构的接触面应设置缓冲材料(如橡胶垫等),以降低地震 作用下的撞击力。预应力钢材、拉杆式、锁链式、拉环式等可用 于连接上、下部结构或相邻的两跨简支上部结构,其屈服强度不 宜小于支座在恒载作用F所承受的支反力的1.5倍。
1
(a)桥台处 (b)桥墩处
图16拉杆式防落梁装置示意图
1—钢扣件;2-桥台;3—缓冲材料,4-预应力钢材;
5—钢板;6一橡胶垫;7—桥墩
(a)钢绞线 (b)拉环式 (C)锁链式
图17防落梁装置示意图及实例
3限位装置是为限制梁墩以及梁台间的相对位移而设计的 构造装置。一般可分为与支座结合的限位装置、混凝土或钢制挡 块、剪力键等(图18)。应当指出,挡块和乾力键既可作为限位 装置,又可作为防落梁装置,其功能须视其与主梁之冋的间距判 断:如紧贴梁侧无间隙设置,则视为限位装置;如容许支座滑动 后再碰撞挡块或剪力键,则视为防落梁装置。
限位装置设计可参见日本道路协会《公路桥梁抗震设计规 范》的相关规定。
(a)挡块式
(b)剪力键式
图18限位装置示意图
I-缓冲材料;2一锚栓
1X4结构构件抗震加固
13. 4.1在梁式桥的抗侧力体系中,桥墩是关键构件,其抗震性 能直接影响整个桥梁结构的抗震性能。因此,结构构件抗震加固 重点是对桥墩进行加固。
自1971年美国San Fernando地震爆发后,国内外对钢筋混 凝土墩柱的抗震性能及加固措施开展了大量的研究工作,并开发 了多种有效的抗震加固方法。目前应用较多的加固技术主要有增 大截面加固法、外包钢管加固法和粘贴纤维复合材料加固法等。
从过去的破坏性地震中桥梁震害调查发现,桥墩遭受破坏的 原因包括:抗弯或抗剪强度不足、弯曲延性不足以及纵向钢筋的 搭接或锚固性能不足等。因此,对现有桥梁的桥墩进行抗震加固 时,应针对性地采取相应的加固措施。
13.4.2、13. 4.3增大截面法是一种常用的静力补强加固方法, 当其用于抗震加固时,宜以提高钢筋混凝上墩柱的抗剪强度和弯 曲延性为主要目的。增大截面法通常适用的截面形式有圆形、矩 形等,加固方式可分为全截面加固和部分截面加固两种。
为提高加固后钢筋混凝土墩柱的延性能力,要保证新增箍筋 对原冇墩柱混凝土的约束作用;对圆形墩柱而言,这比较容易实 现,可采用密布环形箍筋或螺旋箍筋;而对于知形或方形截面的 墩柱,除了密布箍筋外,还需要凿去原有墩柱折角处的混凝土, 并增设复合箍筋,以获得较好的约束效果。
当需要提高混凝土墩柱的抗弯强度时,新增的纵向钢筋应可 靠锚固于承台中;对多柱式桥墩,尚应同时可靠锚固于盖梁中。 若新增纵筋在承台表面处被切断,则抗弯强度不会増加。当墩柱 的抗弯强度因加固而得到提高时,原则上承台及基础也需要补强 加固,以便承受增加的弯矩、剪力及倾覆力矩。
采用增大截面法加固时,加固后桥墩按整体截面、依照现行 行业标准《城市桥梁抗震设计规范》CJJ 166的规定进行抗震 验算。
13. 4. 4外包钢管加固法主要用于提高钢筋混凝土墩柱的抗剪强 度和弯曲延性。这种加固技术最初是针对圆柱式桥墩提出的,系 釆用两块半圆形的钢管外包原有桥墩,钢管内径宜比桥墩直径大 25mm~40mm,并在现场沿竖向接缝焊接成钢套,在钢套与原 桥墩间的空隙中灌注添加微膨胀剂的水泥砂浆,钢套的下端宜与 承台顶面留有50rnm的间隙,以防止桥墩在地震作用下弯曲时 因钢管受压而增加截面的弯曲强度,从而避免増大基础的地震 内力。
采用外包钢管加固混凝土圆柱式桥墩,钢套可提供有效的被 动约束应力,这种被动约束应力来自于混凝土受压而引起的侧向 膨胀受到钢套的限制。当钢筋混凝土桥墩发生剪切破坏、出现斜 裂缝时,也存在类似的效应。因此,钢套可视为沿墩高方向连续 设置的环向箍筋。
对于炬形截面的钢筋混凝土桥墩,若直接外包矩形钢管,虽 可提高其抗剪强度,然而对原有桥墩截面混凝土的约束效果较 差,加固后的矩形桥墩可能无法获得所需的弯曲延性。为取得类 似于圆柱式桥墩的连续的约束效果,宜将矩形墩柱扩大为椭圆形 墩柱,并以椭圆形钢管套箍,矩形墩柱的四个折角处宜修整为圆 弧形或倒角形状(图19)。椭圆形钢套与原有矩形桥墩之间的较 大空隙可灌注与原桥墩同强度等级的微膨胀混凝土。
图19矩形桥墩外包钢管加固示意图
I-椭圆形钢管;2-钢板与Re墩柱间填充混凝土;
3 RC墩柱断面;4一倒角处至少保留25mm间隙
13. 4.5延性是衡量桥梁抗震性能的一个重要指标,也是实现桥 梁抗震性能目标的基础。然而,在我国桥梁抗震设计实践中,长 期不关注桥梁的延性,致使我国现有桥梁中有相当部分存在延性 不足的缺陷,尤其是在《公路桥梁抗震设计细则》JTJ /T B02-OI- 2008颁布实施之前设计的桥梁。延性不足可能导致桥梁结 构在地震作用F遭受严重破坏甚至倒塌,因此,有必要对延性不 足的桥梁进行抗震加固,以提高其延性。对梁式桥而言,提高其 延性的唯一途径是提高桥墩的延性(其余构件不适宜发生非弹性 变形)。国内外已有的大量试验和理论研究表明,钢筋混凝土桥 墩的延性主要通过约束混凝土的概念获得,外包钢管加固可对原 有圆柱式桥墩的混凝土提供有效的约束(矩形墩柱需扩大为椭圆 形墩柱,并以椭圆形钢管套箍方可奏效),因而可提高其延性C
本条文规定了采用外包钢管加固法对混凝土桥墩进行延性加 固(以提高延性为目的的加固简称为延性加固)的加固设计,其 设计计算公式源于桥梁延性抗震设计理论。根据桥梁延性抗震设 计理论,若已知混凝土墩柱在设计地震作用F的需求位移延性系 数内(实际上也是墩柱延性加固预期要具备的目标位移延性系 数。必]),则可以利用约束混凝土的概念,得到延性加固所需 的钢板厚度。具体推导过程如下:
假设E2地震作用下混凝土墩柱的需求位移延性系数为用, 则有
∆p = (∕Zδ — D∆y = 'OyH? (14)
O
上式中,d为E2地震作用下墩柱的最大塑性位移(Cm) ; ∆y为墩 柱的屈服位移(Cm); &为墩底截面的屈服曲率;H为悬臂墩高 度或墩底截面至反弯点的距离(Cm)。
进一步可求得E2地震作用下墩底截面的最大塑性转角体、 最大塑性曲率≠p和最大曲率≠m :
其中,Lp为等效塑性饺长度(cm);如为墩柱纵向钢筋直径 (Cm);人为墩柱纵向钢筋抗拉强度标准值(N∕mm2)o
在求得墩底截面的最大曲率知后,利用平截面假定,可求 得E2地震作用F墩底截面混凝土受压区最外缘预期的最大压应 变或(这里,上标表示地震需求的含义):
εθ =飢。 (19)
其中,。为墩底截面达到如时、中性轴至混凝上受压区最外缘的 距离。
根据约束混凝土的本构关系,计算受钢管约束混凝土的抗压 强度∕tc。国际上目前应用最多的约束混凝土本构关系为Man-dcr模型,该模型经试验验证,较适用于约朿良好的混凝土墩 柱。根据Mander模型,受钢管约束混凝土的抗压强度/;可由 下式计算:
A = /c (2. 254^1 + ^^^- - 1. 254) (20) 上式中,Z为加固前无约束混凝土的抗压强度标准值(N/ mu?); ff为外包钢管对混凝土提供的有效约束应力,且有
人=籍1 (21)
上式中,Ij为所需的钢管厚度(cm); D为外包钢管内径(cm); 介为外包钢管抗拉强度标准值(N∕mι√)° 将式(21)代入式(20),得
A = .(2. 254Jr+我.*^送yi —*^一1.254) (22) 受钢管约朿混凝土的极限压应变或(这里,上标UCf表示 能力的含义)与抗压强度Uc之间具有如下的关系: 上式中,丄为外包钢管的极限拉应变;PS为体积配箍率,对钢管 套箍情况,Ps =等。
ɛɑ = 0. 004 + ⅛
(23)
将PS的表达式代入式(23),得
|
我= 0.004 +普舟全 (24) UJ CC | |
|
令 |
ɛeu ɛeu — ECU |
|
最终推得 |
t、(εcu — 0. OO^DffCC ∕9rx U —— (25) |
在利用式(25)计算延性加固所需的钢管厚度时,需要迭代
计算。具体计算步骤如下:
1) 计算混凝土墩柱的需求位移延性系数处。为简化计 算,i般可取「所]2∕A = 5°
2) 可假定加固前后墩底截面的屈服曲率&和C值相同; 采用截而弯矩曲率分析方法,求得加固前墩底截面的 屈服曲率代和c。
3) 利用式(15)〜式(19),计算E2地震作用下墩底截 面混凝土受压区最外缘预期的最大压应变或(εcu)0
4) 假定厶=,7fc ,将其代入式(25),求得勺的初始 值(初始计算时,受钢管约束混凝土的抗压强度Ac 可偏保守地取为1.7∕c );
5) 将求得的号代入式(22),可求得fcc的计算值。
6) 将求得的乙代入式(25),可再次求得4的计算值。
7) 重复第(5)至第(6)步骤,直至计算收敛为止,从 而求得延性加固所需的钢管厚度I) O
应当指出,以上求得的钢管厚度Zj仅是延性加固所需的计算 厚度。若外包钢管加固法同时用于延性加固和抗剪加固(以提高 剪切强度为目的的加固简称为抗剪加固)等,则所需加固钢板的 设计厚度应由各自计算得到的最大值确定,且不宜小于IOmm, 也不宜大于25mmo
对矩形截面的钢筋混凝土柱式桥墩,当采用椭圆形钢管套箍 加固时,其设计计算可参照圆柱式桥墩办理。具体简化计算过程 如下:
设外包椭圆形钢管墩柱的截面如图20所示,则其X轴端点 的曲率半径门与Y轴端点的曲率半径七可分别按下列公式计算:
尸I=晋 (26)
七=普 (27)
上式中,瓦与By分别为椭圆X向与Y向的半轴长度。
(a)加固后截面形状
(b)利用两组圆弧曲线近似椭圆曲线
图20外包椭圆形钢管近似计算示意图
1—钢管;2-原Re矩形墩柱;3—长边角度;4一短边角度
矩形墩柱四个折角处的曲率半径α可假设等于门与尸3的平 均值。加固后形成的椭圆形截面可视为由四个圆孤组合而成,X 轴前后两个圆弧的半径仁与y轴上下两个圆弧的半径七可取为 如下的平均值:
Ja)
(28)
(29)
2-
=(厂3 ±厂2)
_ —2~
实际加固计算时,此两组圆弧对应截面处所需加固钢板的厚 度可分别按相同半径的圆形桥墩办理,即分别按直径为2厶和 2弓的圆形桥墩外包钢管设计所需厚度的计算流程计算。所需加 固钢板的设计厚度应由两者计算得到的较大值确定。
13. 4. 6夕卜包钢管加固法用于钢筋混凝土圆柱式桥墩的抗剪加固 时,钢套的抗剪机理与箍筋的抗剪机理类似。钢套可视为截面积为
A、竖向间距为S =牛的环形箍筋。代入4=1Omm〜25mm进行试 t)
算,计算得到的角度最多相差5度,影响较小。因此.可假设加固
后的桥墩斜截面所承受的剪力设计值V。由三部分组成,即
Vo = λ(Vc+Vs+V5j) (30)
上式中,K、K和虬分别为混凝土的抗剪能力贡献、横向钢筋 的抗剪能力贡献和外包钢管的抗剪能力贡献;么为考虑地震作用 偶然组合引进的抗剪强度折减系数。
横向钢筋的抗剪能力贡献虬和外包钢管的抗剪能力贡献V. 可分别由下列公式计算:
V.. _ ɪ Ahryh DCOt0 (31)
2 S
Kj = o↑,θ (32)
式中,Ah和∕yh分别为圆环箍筋或螺旋箍筋的截面积和抗拉强度 标准值;。为剪切裂缝与墩柱轴线的夹角。
混凝土的抗剪能力贡献VC须计及塑性钗区抗剪强度随延性 增加而减小以及与随轴力变化的关系。目前,各国相关技术标准 的规定不尽相同。本规程采用了我国台湾地区《公路桥梁抗震设 计规范》(2008年版)建议的如下公式:
VC = 1. 6β(θ. 33 + ɪɪ)√77Λe(N 为轴压力时)(33)
VC = 1.66(0.33 +盘)√KAc(N为轴拉力时)(34) 由式(30)〜式(34),可推得本条文的设计计算公式。
E2地震作用下墩柱的剪力设计值是,可参见现行行业标准 《城市桥梁抗震设计规范》CJJ 166 - 2011第6. 6节计算。
条文公式(13.4.6 7)中弓初值可先行假设为条文13. 4.4 中Ii最小构造要求IOmm或式(13. 4. 5-1)计算得到的IJ进行计 算,依据结果再行迭代计算。
13. 4. 7国内外已有的大量试验表明,粘贴纤维复合材料加固法 同样可用于提高混凝土墩柱的抗剪强度、弯曲延性以及用于改善 纵向钢筋搭接或锚固性能的不足。口前工程上常用的纤维复合材 料包括碳纤维复合材料(CFRP)、芳纶纤维复合材料(AFRP) 和高强度的玻璃纤维复合材料(GFRP)等。
粘贴纤维复合材料加固法与外包钢管加固法的原理相同。为 避免増大基础的地震内力,粘贴的纤维复合材料下方宜与承台顶 面留有50mm的间隙。此外,对矩形截面桥墩,为提高约束效 果,宜将原截面四个折角修整为圆弧形,并将截面扩大为椭圆形 后,再粘贴纤维复合材料。
13.4.8、13. 4. 9采用粘贴纤维复合材料加固法对混凝土圆柱式 桥墩进行抗震加固的设计原理与外包钢管加固法的设计原理相 同,其设计计算公式的推导过程与外包钢管加固法的推导过程类 似。就延性加固方面进行比较,两者不同之处在于纤维复合材料 达到其抗拉强度前,其应力-应变关系均为线性的,约束效果比 会屈服的钢板更好,因此,受纤维复合材料约束的混凝土的极限 压应变5采用下式计算:
εcu = 0. 004 + 2,吟加蝕 (35)
J CC
就抗剪加固方面进行比较,两者不同之处仍在于纤维复合材 料在达到其抗拉强度前,其应力-应变关系均属线性。
应当指出,若粘贴纤维复合材料加固法同时用于延性加固和 抗剪加固,则所需纤维复合材料布材的设计厚度应由各自计算得 到的最大值确定。
13.4.1()根据能力设计原理,盖梁属于能力保护构件C因此,地 震作用下,盖梁应始终处于弹性反应状态。若盖梁承载力不足,则 需要补强加固或采取适当的措施降低其地震内力。本条文规定了对 多柱式桥墩盖梁可采用增设系梁法以降低其地震内力需求(图21)0
图21增设系梁加固实例
多柱式桥墩增设系梁后,墩柱被分为上、下两段。以双柱式 桥墩为例(图22),假设反弯点均出现在各段中间,而墩柱剪力 在两段柱中是相同的,由于下段柱较长,其端部的弯矩较大,将 首先达到塑性弯矩Md,而上段柱顶弯矩为Mum ,其中必与 必分别为下、上段柱长度,因∕ι2<h1 ,故上段柱顶的弯知变小, 盖梁的内力需求也相应降低,从而不必做任何加固(图22)。系 梁施T.时,应先敲除墩柱保护层混凝土,其配置的主筋与箍筋应
图22増设系梁前后墩柱弯矩分布示意图 帽梁;2—加连接梁
图23系梁加固细部图
I-原墩柱去除保护层,2—加系梁;
3—増深环向箍筋;4—増设垂直向箍筋
13. 4.11盖梁承载力不足,除了可采取降低其地震内力需求的 措施外(参见本规程第13.4.10条),还可采取对盖梁直接进行 补强加固的措施,如增大截面、粘贴钢板或纤维复合材料、施加 体外预应力等(参见本规程第12.1.1条)。如使用体外预应力技 术,为防止腐蚀,宜将预应力筋置于镀锌管内并灌浆。
盖梁加固后的抗弯强度和抗剪强度应足够大,以保证塑性饺 仅出现在墩柱柱端,旦盖梁不发生剪切破坏。对上部结构与盖梁 整体浇筑的桥梁,扩大截面只能在盖梁底部施工,因此只能增加 盖梁的正弯矩强度,此种情况下可采用预应力技术,以达到同时 增加负弯矩强度与正弯矩强度的目的。
13.4.13在过去的破坏性地震中,桥台极少是因自身强度不足 而丧失功能;其最常见的破坏现象是台背填七沉陷、搭板陷落及 胸墙破坏等,此类破坏对于桥台结构属于可修复的轻微破坏。然 而,针对土层液化、桥台基础冲刷或考虑结构系统加固时,则要 一并考虑桥台加固的可行性。与基础加固类似,桥台若因承载力 及稳定性不足而需加固,所需费用也不菲。
13. 4.14本条文规定了用于桥台抗震加固的一些常见措施。
1加厚墙身尺寸:若桥台墙身强度不足以抵挡台背填土的 土压力,则可通过增加墙身尺寸来提高其抗剪及抗弯强度。
2增加扶壁或翼墙:若桥台无法抵抗台背填土区压力并有 倾斜的可能性时,可在墙身处固接扶壁,以大幅増加其抗弯强 度;或加厚两侧翼墙,以抵抗地震力。
3桥台前趾加桩:若桥台前趾无法抵抗倾覆力矩,则可通 过增设基桩来增加其稳定性。
4台背填土区增设密排桩:透过增设密排桩以増加土层抗 .剪强度,以防止土层滑动面破坏;须考虑施工时对行车的影响。
5增设地锚:可在墙身与台背壊土之间增设地锚,以防止 桥台向河床侧移;地锚的固定端要深入台背填上区土层相当距离 才能发挥功用。另一种方式为系杆锚碇措施,施工时于桥台后设 置锚碇支柱,再以系杆连接锚碇支柱与桥台。
6胸墙与主梁之间填充耗能材料:在桥台胸墙与主梁之间 填充弹性耗能材料,将顺桥向部分地震力传至桥台,以降低桥墩 的地震内力需求。
244