ICS 43.080.20
T 42
JT/T 1301—2019
Sliding PIUg door for Urban bus
2019-12-24 发布
2020-03-01 实施
中华人民共和国交通运输部 发布
本标准按照GB∕T 1. 1—2009给出的规则起草。
本标准由全国汽车标准化技术委员会客车分技术委员会(SAC∕TC 114/SC22)提出并归口
本标准起草单位:江苏惠民交通设备有限公司、南京康尼机电股份有限公司、中国公路车辆机械有 限公司、郑州宇通客车股份有限公司、厦门金龙联合汽车工业有限公司、比亚辿汽车工业有限公司。
本标准主要起草人:顾俊海、林会明、葛汉青、杨国光、于雅丽、梁博、朱文杰、黄丰收、何龙、蔡建臣。
1范围
本标准规定了城市客车塞拉门的分类、技术要求、试骚方法、检段规则,以及标志、包装、运输和储存 等要求。
本标准适用于M2和M3类中I级、H级和A级客车(包括无轨电车)用塞拉门的生产、检验和使 用,其他客车用塞拉门可参照使用。
2规范性引用文件
下列文件对于本文件的应用是必不可少的。凡是注日期的引用文件,仅注日期的版本适用于本文 件。凡是不注日期的引用文件,其最新版本(包括所有的修改单)适用于本文件。
GB/T 191包装储运图示标志
GB/T 3785. 1—2010电声学声级计第1部分:规范
GB/T 4942. 1旋转电机整体结构的防护等级(IP代码)一分级
GB 7258机动车运行安全技术条件
GB 9656汽车安全玻璃
GB/T 9969工业产品使用说明书总则
GB/T 10125人造气氛腐蚀试验盐雾试验
GB 13094客车结构安全要求
JB/T 10242阴极电泳涂装通用技术规范
JT/T 1095营运客车内饰材料阻燃特性
QC/T 413汽车电气设备基本技术条件
QC/T 625汽车用涂镀层和化学处理层
QC/T 639汽车用橡胶密封条
QC/T 29106汽车电线束技术条件
3术语和定义
GB 13094界定的以及下列术语和定义适用于本文件。
3.1
塞拉门 Sliding PIUg door
在开启和关闭的过程中,门扇在车身外表面沿车身长度和宽度方向运动,关闭后与门框塞紧且外表 面与车身外表面平齐的车门。
3.2
左门扇 Ieft door Ieaf
在车内,面向车门,向左开启的门扇。
右门扇 right door Ieaf
在车内,面向车门,向右开启的门扇。
3.4
通过高 PaSSage height
车门完全打开时,门洞(车身上与车门配合的净开口)的高度。
3.5
通过宽 PaSSage Width
车门完全打开时,门洞(车身上与车门配合的净开口)的宽度
3.6
应急控制器 emergency COntroI device
紧急情况下,人工操作后可手动或自动开启车门的装置。
3.7
锁闭装置 IOCking device
车门关闭,锁闭车门,防止车辆运行中车门意外打开的装置。
3.8
机械锁装置 mechanical IOCking device
车辆停运,车门关闭后,人工操作将车门机械锁闭的装置。
3.9
门控器 door COntrOl Unit
用于控制车门实现所要求功能的控制单元。
3.10
电动塞拉门 electric Sliding PIUg door
使用电源作为车门驱动源的塞拉门。
3.11
气动塞拉门 PneUmatiC Sliding PIUg door
使用气源作为车门驱动源的塞拉门。
3.12
气电塞拉门 PneUmatiC electric Sliding PIUg door
同时使用气源和电源作为车门驱动源的塞拉门。
4分类
塞拉门按驱动源不同分为:电动塞拉门、气动塞拉门和气电塞拉门。
塞拉门按门扇数量不同分为:单开塞拉门和双开塞拉门
5技术要求
5.1使用条件
5.1.1储存温度范围为-40CC ~80T,工作温度范围为-30T ~65T,相对湿度不大于95%RHo
5.1.2 工作气压范围为0. 5MPa ~ 1. OMpaO
5.1.3 额定工作电压为12V或24V,T作电压范围分别为9V~16V和18V~32V°
5.2 —般要求
5. 2.1塞拉门最小通过高和通过宽应符合GB 13094的规定。
5.2.2塞拉门在关闭状态下,门扇外表面应与车身外表面平齐。塞拉门在直线段运行及打开状态下, 门扇内表面与车身外表面最小距离不宜小于20mm,门扇外表面与车身外表面最大距离不宜大 于 IOOmmO
5.2.3门扇平面度或面轮廓度公差应不大于ɪnun/in,两对角线差应不大于2mrn;
5.2.4门扇表面应光滑平整,不应有明显凹痕、翘曲划痕,不应有任何使人致伤的尖锐凸起物及毛边 飞刺。
5.2.5门扇密封胶条应符合QC/T 639的规定,胶条应平直,不应有波浪边和翘曲。
5.2.6门扇玻璃应符合GB 9656的规定,玻璃与门板固定应牢固、可靠。
5.2.7塞拉门可根据需求安装机械锁装置,需要时能手动操作锁闭车门,即使车门锁闭,也应易于从 车内打开。
5. 2. 8非金属件阻燃性能应符合J,17T 1095的规定,不应有裂纹和影响使用性能的变形:
5.2.9塞拉门电气设备的电磁兼容性应符合QC/T 413的规定。
5.2.10塞拉门电气设备的环境性能应符合QC/T 413的规定。
5.2.11塞拉门门控器和电机防护等级应符合GB/T 4942. 1和QC/T 413的规定,防护等级不低 于IP53o
5.2.12电线和电线束应符合QC/T 29106的规定“
5.3主要功能
5.3.1开、关门功能
5.3.1.1车辆静止时,塞拉门应易于从车内和车外打开,即使从车外锁住车门时,仍能从车内打开。
5.3.1.2塞拉门应能正常开、关门,开、关门时间应在2s~5s范围内。
5.3.1.3当车辆以大于5km∕h的速度运行时,开门功能应处于被抑制状态,防止非正常操作危及乘客 的安全;当车辆速度不大于5km∕h或静止时,开门功能应自动恢复正常。
5.3.2锁止功能
5.3.2.1塞拉门的锁止功能应符合GB 7258的规定。
5. 3.2.2电动开、关门时,塞拉门应具备自动锁闭和解锁功能,
5.3.3紧急解锁功能
5. 3. 3.1塞拉门车内和车外应急控制器安装位置应符合GB 13094的规定,
5.3.3.2塞拉门的紧急解锁功能应符合GB 7258的规定,在有故障或意外的情况下,应能通过车门应 急控制器从车内和车外打开车门。
5.3.3.3在紧急情况下,当车辆静止或以不大于5kn√h的速度运行时,无论是否有动力供应,都可通 过操作应急控制器打开车门。
5.3.3.4操作应急控制器5s内,应使车门自动打开或用手轻易打开到GB 13094规定的引道量规能通 过的宽度。
5.3.3.5在驾驶员座位附近,易于驾驶员操作的部位应设置驾驶员应急控制器在紧急情况下,当车 辆静止或以不大于5kn√h的速度运行时,操作该应急控制溶,在3s内塞拉门应能打开或解锁,同时满 足5.3.3.4的要求。
5.3.3.6气动应急控制器操作力应不大于IooN,操作力矩应不大于2N ∙ m;IJL械应急控制器操作力 应不大于150N,操作力矩应不大于6N ∙ mɔ
5.3.3.7当车辆以大于5km/h的速度运行时,应急控制器应处于被抑制状态,防止非正常操作危及乘
客的安全;当车辆速度不大于5kn√h或静止时,应急控制器应自动恢复正常的解锁功能。
5.3.4障碍检测功能
5.3.4.1塞拉门关闭时,夹持力的有效力不应超过150N,否则,门应自动完全打开,并保持打开位置直 至操作关门操纵件夹持力的峰值力可短时间高于150N,但不应超过300NC
5. 3. 4. 2当塞拉门夹住断面宽度小于30mm的障碍物时,应满足以下情况之一:
a) 塞拉门自动重新开启至完全打开,并保持打开直到操作关门操纵件;
b) 障碍物能容易的抽出而无伤害,抽出力不超过150N;
C)车门保持在截面高60mm、宽20mm、圆角半径5ιnm的试棒可自由通过的位置,此位置与车门 完全关闭位置相差不大于30mm。
5. 3.4. 3前乘客门若装用密封条,且能确保当车门关在断面高60nun、宽30mm,圆角半径5mm的试棒 上时,车门的刚性结构不能达到完全关闭位置。
5.3.5声、光提示功能
5.3.5.1开关门时,塞拉门应输出信号给灯光提示装置,可同时输出信号给声音提示装置。
5.3.5.2在车门没有完全关闭的情况下,塞拉门应输岀车门未关到位信号给车辆
5.4主要性能
5.4.1手动开、关门力
按照6. 4. 1的方法试验,直线运动段驱动外力不应超过150N,塞拉运动段驱动外力不应超 过 250No
5.4.2开、关门噪声
按照6.4.2的方法试验,塞拉门运行过程中噪声峰值不应高于70<IB(A),开、关门瞬间噪声峰值不 应高于75dB(A)0
5.4.3机械强度
按照6.4. 3的方法试验,门扇塑性变形不应超过0.5mm,弹性变形不应超过I2mm
5.4.4锁闭强度
按照6.4.4的方法试验,车门应锁止可靠。
5.4.5耐久性能
按照6.4.5的方法试验,塞拉门寿命不应低于8 X IO5次,试验期间不允许有故障。
5.4.6防水性能
按照6.4.6的方法试验,塞拉门关闭后,应能防止水进入车辆或进入车门内侧的水应能自行排出, 不应影响门部件的功能。
5. 4.7 耐温性能
按照6.4. 7的方法试验,塞拉门功能应符合5.3. I .5.3.3和5.3.4的规定。
5.4.8 振动性能
塞拉门按表1规定的振动参数进行垂向扫频振动试验,功能应符合5.3. 1、5.3.3和5.3.4的规定。
表1振动参数
|
扫频范围(HZ) |
位移幅值或加速度 |
周期(min) |
扫频次数 |
|
17 -200 |
17 Hz ~ 60Hz时,位移峰值为0. 35 mm ; 60Hz~2(X)Hz 时,加速度 20n√s2 |
15 |
16 |
5.4.9横坡性能和纵坡性能
按照6.4.9的方法试验,塞拉门开、关门功能应符合5.3. I的规定。
5.4.10 耐腐蚀性能
按照6.4.10的方法试验,塞拉门金属零部件涂层的耐腐蚀性及电泳的防锈防腐蚀性能应符合 QC/T 625和JB/T 10242的规定,中性盐雾试验144h无红锈(或其他等同试验)<
6试验方法
6.1试验条件
6.1.1塞拉门的试验应在OeC ~40tC的环境温度范围内进行。
6.1.2工作气压为0. 5MPa ~ IMPa,压缩空气应经过滤、除水处理,过滤精度为25IjIm ~5(ψm,分水效 率不低于80% O
6.1.3额定电压为12V,试验时塞拉门的端电压为(13.5±0.2)V;额定电压为24V,试验时塞拉门的 端电压为(27 ±0.2)Vo试验电源如果采用直流稳压电源,稳压电源的波纹系数不大于5%。
6.2外观、尺寸
釆用目视检查及相应精度的计量器具进行检查。
6.3主要功能
6.3.1开、关门功能
开、关门功能试验应按附录A的规定进行。
6.3.2锁止功能
塞拉门安装在试验台架或车辆上,手动或电动开、关门时,检査塞拉门的锁闭到位状态。
6.3.3紧急解锁功能
塞拉门安装在试验台架或车辆上,用测力计或测力矩扳手测量解锁操作力或力矩。
车门锁闭状态下,未接收到5km/h车速信号时,操作应急控制器,检查塞拉门无法开启;接收到 5km∕h车速信号时,操作应急控制器,检测塞拉门是否在5s内打开;操作驾驶员应急控制器,检测塞拉 门是否在3s内打开或解锁。
6.3.4障碍检测功能
塞拉门障碍检测功能试验应按附录B的规定进行。
6.3.5声、光提示功能
塞拉门安装在试验台架或车辆上,电动开门或关门,检测塞拉门输出的灯光提示信号,塞拉门未关 闭到位情况下,检测塞拉门输出的提示信号。
6.4主要性能
6.4.1手动开、关门力
手动开、关门力试验应按附录C的规定进行。
6.4.2开、关门噪声
塞拉门安装在试验台架或车辆上,用噪声检测仪在高度距车辆地板面1.2m,车内水平距门泵中心 Iln处测量。噪声检测仪应符合GB/T 3785. 1—2010规定的A频率计权2型声级计(慢挡)。
6.4.3机械强度
塞拉门机械强度试验应按附录D的规定进行
6.4.4锁闭强度
塞拉门锁闭强度试验应按附录D的规定进行
6.4.5 耐久性能
将塞拉门安装在试验台架上,进行8 X IO5次开关门循环试验:其中,每1 X IO,次循环后应进行 开、关门功能试验,障碍检测功能试验,紧急解锁功能试验和手动开、关门力性能试验。
6.4.6防水性能
塞拉门防水性能试验应按附录E的规定进行:
6.4.7耐温性能
6.4.7.1低温试验
将塞拉门安装在试验台架上,调试车门功能符合要求,将塞拉门试验台架放入低温箱中,降温至 -30tC时保持2h,在5min内完成6.3. I .6.3.3和6.3.4规定的试验。降温至-40tC时保持2h,在5min 内完成6.3. 1规定的试验。
6.4.7.2 高温试验
将塞拉门安装在试验台架上,调试车门功能至符合要求,将塞拉门试验台架放入高温箱中,升温至 65Y时保持2h,在5min内完成6.3. 1,6.3.3和6.3.4规定的试验。
6.4.8振动性能
将塞拉门安装在试验台架上,按表1的规定进行垂直于底板方向的扫频振动后完成6.3. 1 .6.3.3 和6.3.4规定的试验。
6.4.9横坡性能和纵坡性能
将塞拉门分别安装在倾斜3%的横坡试验台架和倾斜8%的纵坡试验台架上,完成6.3. 1规定的 试验。
6.4.10耐腐蚀性能
按照(;B/T 10125的中性盐雾试验方法进行。
7检验规则
7.1检验分类
检验分为出厂检验和型式检验。
7.2出厂检验
7.2.1出厂检验项目见表2。
7.2.2塞拉门经检验合格后方能出厂并附产品合格证,合格证内容至少应包含:
a) 制造厂名或商标;
b) 出厂编号;
C)检验人员姓名或代号;
d) 合格印章;
e) 检验日期。
7.3型式检验
7.3.1型式检验项目见表2。
7.3.2凡有下列情况之一时应进行型式检验:
a) 新产品定型或定型产品转厂生产时;
b) 结构、材料或生产工艺有重大改变时;
C)连续生产2年时;
d)产品停产1年以上恢复生产时。
表2检验项目
|
序号 |
检验项目 |
技术要求 |
试验方法 |
出厂检验 |
型式检验 |
|
I |
门扇尺寸 |
5.2.3 |
6.2 |
+ |
+ |
|
2 |
开、关门功能 |
5.3.丨 |
6.3. 1 |
+ |
+ |
|
3 |
锁止功能 |
5.3.2 |
6.3.2 |
+ |
+ |
|
5 |
紧急解锁功能 |
5.3.3 |
6.3.3 |
+ |
+ |
|
6 |
障碍检测功能 |
5.3.4 |
6.3.4 |
+ |
+ |
|
7 |
门声、光提示功能 |
5.3.5 |
6.3.5 |
+ |
+ |
|
8 |
手动开、关门力 |
5.4. 1 |
6.4. 1 |
- |
+ |
|
9 |
开、关门噪声 |
5.4.2 |
6.4.2 |
- |
+ |
|
10 |
机械强度 |
5.4.3 |
6.4.3 |
- |
+ |
表2 (续)
|
序号 |
检验项目 |
技术要求 |
试验方法 |
出厂检验 |
型式检验 |
|
Il |
锁闭强度 |
5.4.4 |
6.4.4 |
+ | |
|
12 |
耐久性能 |
5.4.5 |
6.4.5 |
+ | |
|
13 |
防水性能 |
5.4.6 |
6.4.6 |
+ | |
|
14 |
耐温性能 |
5.4.7 |
6.4.7 |
+ | |
|
15 |
振动性能 |
5.4.8 |
6.4.8 |
+ | |
|
16 |
横坡和纵坡性能 |
5.4.9 |
6.4.9 |
+ | |
|
17 |
耐腐蚀性能 |
5.4. 10 |
6.4. IO |
- |
+ |
|
注:“ 表示需要检验的项目;“- ”表示不需要检验的项目。 | |||||
7.4组批规则和抽样方法
7.4.1组批规则
在相同生产条件下生产的同型号产品为一批,每批数量至少为5套,且不应大于200套。
7.4.2抽样方法
出厂检验应为全数检验。
型式检验的产品应从每批产品中随机抽取三套,其中一套做耐久性检验,另两套按表2的规定做其 他项目检验。
7.5判定规则
7.5.1出厂检验
当出现任一项检验项目不合格时,则判定该型号产品不合格,允许返工返修后对该项El进行复验, 复验合格后方可出厂。
7.5.2 型式检验
当检验中发现不合格项目时,允许加倍抽样复验,若仍不合格,则判该型式检验不合格。
8标志、包装、运输和储存
8.1 标志
在产品适当位置固定永久性标志牌,标志牌上应包括以下内容:
a) 制造单位名称或商标;
b) 产品名称和型号;
C)额定工作参数;
d)制造日期或编号。
8.2包装
8.2.1塞拉门可整体包装,也可分开包装,包装应符合使用单位和运输部门的要求,并确保在运输过
程中不因包装不当而造成损坏、遗失。
8.2.2包装物外表面应标示有以下内容:
a) 产品名称、型号;
b) 收货单位名称、地址;
C)制造单位名称、地址;
d) “小心轻放”“不许倒置”“防震”“防潮”等图示标志,标志应符合GB/T 191的规定。
8.2.3随产品提供的文件:
a) 产品合格证;
b) 符合GB/T 9969规定的产品使用说明书;
C)装箱清单。
8.3运输
包装成箱的产品在运输过程中应防止剧烈震动、挤压、雨雪淋和化学物品的腐蚀,不应出现摩擦、碰 撞、划伤等现象。
8.4储存
塞拉门应存放在通风、干燥、无有害气体的货仓内,不应与有腐蚀性物质一同存放。
附录A
(规范性附录) 开、关门功能试验
A. 1试验条件
A.1.1塞拉门安装在试验台架或车辆上。
A.1.2 环境温度:0龙~40龙。
A.2试验仪器
秒表、温度计、5km/h速度信号输出设备
A.3试验步骤
A.3.1塞拉门保持锁闭状态,发出开门信号或操作车内、车外应急控制器。
A. 3.2用秒表计时,记录塞拉门自动开门、关门时间。
A. 3. 3塞拉门保持锁闭状态,分别在未接收和接收到5km/h速度信号条件下,执行开门动作。
附录B
(规范性附录) 障碍检测功能试验
B. 1指标
B.1.1 夹持力尸(Z)
一个时间函数,在乘客门外边缘处测量。
B.1.2 峰值力FS
夹持力的最大值。
B.1.3有效力FE
夹持力在脉冲期间的平均值,按式(B. 1)计算:
∕γe = VrF(z>dz (B-I)
1 <1
式中M——夹持力开始大于50N的时刻;
t2—— 持力开始小于50N的时刻;
T—脉冲持续时间,是Zl和ι2之间的时间段,T = ι2-ZIO
B.2试验条件
B.2.1塞拉门安装在试验台架或车辆上,
B.2.2 环境温度:0CC ~40ct
B.3试验仪器
温度计、弹簧测力计、测力装置。
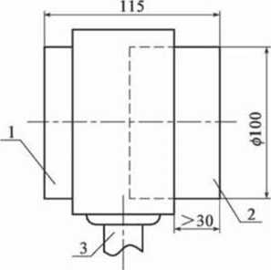
B.4测力装置
测力装置由手柄和负荷传感器组成,见图B. I负荷传感器应具有以下特征:
a) 负荷传感器应由两个滑动腔组成,其外部尺寸为直径100mm、宽度115mm。在负荷传感 器内部的压力弹簧安装在两个滑动腔之间,使负荷传感器能在适当的力的作用下,被压在 一起。
b) 负荷传感器的刚度应为10N∕mnι ±0. 2N∕nιnι压力弹簧的最大变形量应限制在30mm,以达 到最大峰值300N。
B.5测量点
应设置两个测量点,一点位于车门的1卩点位置,一点位于车门底边向上150mnι处。
单位为格米
说明:
1— 固定座架;
2— 移动座架;
3--手柄。
图B.1测力装置示意图
B. 6试验步骤
B.6.1夹持力测量
B.6.1.1在每个测量点,将负荷传感器放入正在关闭着的两门扇或门扇与门框之间
B.6.1.2观察车门遇到负荷传感器后是否启动障碍检测 在启动障碍检测过程中,负荷传感器自动 记录该过程中夹持力实时变化值,且能自动读出有效力和峰值力。
B.6.1.3进行3次测量,每次测量前正常关门一次。
B.6.2障碍检测灵敏度检测
在每个测量点,将试棒放入正在关闭着的两门扇或门扇与门框之间,检测障碍检测灵敏度=测试棒 尺寸和位置见图B.2o
图B.2测试棒尺寸和位置
B.6.3障碍排除力测量
将试棒放入正在关闭着的两门扇或门扇与门框之间,车门关闭并加紧试棒后,测量抽出试棒所需拉 力,测试棒尺寸和位置见图B.3o
J----------------------
说明:
1— 门扇;
2— —测试棒,
图B.3测试棒尺寸和位置
附录C (规范性附录) 手动开、关门力试验
C.1试验条件
C.1.1塞拉门安装在试验台架或车辆上。
C.1.2 环境温度C ~ 40(CO
C.2试验仪器
测力计、温度计。
C.3试验步骤
C.3.1关闭塞拉门,并保持解锁状态,使门扇以不大于0.05n√s的速度开门,测量开门过程中的力,见 图C. 1。在单门扇上加力测试时,直接读数;用双测力计在两门扇上同时加力测试时,则两表读数之和 即为手动开门力。
÷÷
图C.1手动开门力测量示意图
C.3.2打开塞拉门,并保持开到位状态,使门扇以不大于0. 05m∕s的速度关门,测量关门过程中的力, 见图C.2。在单门扇上加力测试时,直接读数;用双测力计在两门扇上同时加力测试时,则两表读数之 和即为手动关门力。
图C.2手动关门力测量示意图
附录D
(规范性附录) 机械强度、锁闭强度试验
D.1试验条件
D.1.1塞拉门安装在试验台架或车辆上。
D.1.2 环境温度C ~4or o
D.2试验仪器
加载装置、施力装置、温度计、百分表。
D.3试验步骤
D.3.1机械强度
D.3.1.1塞拉门保持锁闭状态,按图D. 1所示固定百分表。
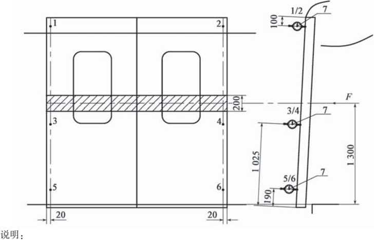
D.3.1.2在距门扇底边1 30Omnl高度,沿门扇宽度方向高200>n>n范围内,加载IOOON荷载,见 图 D. 1。
单位为i⅛米
I ~6 测量点;
7—百分表。
图D. 1机械强度、锁闭强度试验示意图
D.3.1.3预加载1次,加载5min后卸载,等待5min后将百分表调零。
D.3.1.4再次加载5min后,各百分表读数中的最大值即为最大弹性变形量。
D.3.1.5卸载5min后,记录各百分表数值(XI)。
D. 3.1.6再次加载5min后卸载,5tnin后记录各百分表数值(X2)。
D.3.1.7计算车门塑性变形虽(桅-击),各百分表读数中,差值最大值即为最大塑性变形量'
D.3.2锁闭强度
D. 3.2.1塞拉门保持锁闭状态,在距门扇底边1 3()Omm高度处,沿门扇宽度方向高2()Omm范围内,加
载1 500N荷载,见图D. Io
D.3.2.2加载5min后,检查锁闭装置状态。
附录E
(规范性附录) 防水性能试验
E.1试验条件
E.1.1塞拉门安装在试验台架或车辆上。
E.1.2 环境温度C ~40cCo
E.2试验仪器
喷水装置、温度计。
E.3试验参数
防水性能试验参数如表E. I所示:
表E. 1防水性能试验参数
|
项 目 |
参 数 |
|
水压 |
15OkPa ± IOkPa |
|
流量/喷嘴 |
(1.92+0. 16) IynIin |
|
分配量 |
4(X)rnm |
|
到车门距离 |
0.7m ±0. 2ιn |
|
喷水图案 |
喷嘴出水均匀且呈60。圆锥形状 |
|
喷水装置移动速度 |
0.03nι∕ S |
E.4试验步骤
E.4.1塞拉门保持锁闭状态,按图E. 1所示往返向塞拉门喷水,时间为3mino
E.4.2喷水后等待IOmi11:
E.4.3检查并记录塞拉门密封部位渗漏情况
E.4.4执行开关门3次,检查淋水后塞拉门开关门功能是否正常匚
单位为是米
说明:
1— 喷管;
2— —滑动支架;
A—门中间位置;
B--起始端;
C--终止端;
h---门高-
图E.1防水性能试验示意图
18