ICS 47. 020. 30



U 57

备案号:40780-2013

中华人民共和国船舶行业标准

CB/T 3312—2013

代替 CB/T 3312—1997

船用液压球形截止阀

HydraUliC ball CUt-Ofr VaIVe for ShiPS

2013 - 04 - 25 发布                                 2013 - 09 - 01 实施

ffi0Tα52M0315⅞3007D60315f*ft

clsmζ ttwrrτ⅛

EmTl中华人民共和国工业和信息化部发布


本标准按照GB∕T 1.1-2009给出的规则起草。

本标准是对CB/T 3312-1997《船用液压球形截止阀》的修订。


本标准与对CB/T 3312-1997相比,主要技术变化如下:

增加了部分性能参数指标(见表1;

增加了结构与设计一节(见4.1):

——增加了试验装置一节(见5. I)I                   L

- - - -

——增加了试验条件一节(见5.3) o

本标准由全国船用机械标准化技术委员会归口。

本标准起草单位:中国船舶工业综合技术经济研究院、上海立新液压有限公司、广州中标联检验认

证技术开发有限公司。

本标准主要起草人:祁超、彭沪海、张妮、汪远、郭新峰、郭新茂。

本标准于199710月首次发布。

船用液压球形截止阀

本标准规定了船用液压球形截止阀(以下简称球阀)的分类、要求、试验方法、检验规则以及标志、" 包装、运输和贮存。

本标准适用于以石油基液压油为工作介质的船用球阀的设计、制造和验收。矿山、冶金、工程机械 和农业机械等其他行业用球阀的设计、制造和验收也可参照使用ð

2规范性引用文件

下列文件对于本文件的应用是必不可少的。凡是注日期的引用文件,仅所注日期的版本适用于本文 件。凡是不注日期的引用文件,其最新版本(包括所有的修改单)适用于本文件。

. — ■

GB/T 699—1999优质碳素结构钢

GB 1184^1996形状和位置公差未注公差值

1348-2009球墨铸铁件

3077—1999合金结构钢

3452. 3-2005液压气动用0形橡胶密封圈 第3部分:沟槽尺寸

7935-2005液压元件通用技术条件

13852-2009船用液压控制阀技术条件

14039-2002液压传动油液固体颗粒污染等级代号ISo 4406 1999 MoD)

17489液压颗粒污染分析从工作系统管路中提取液样

7858液压元件清洁度评定方法及液压元件清洁度指标


GB/T

GB/T

GB/T

GB/T

GB/T

GB/T

GB/T

GB/T

GB/T

JB/T

3分类

3.1型式

3.1.1球阀按连接型式可分为螺纹连接和法兰连接两种型式。

3.1.2球阀按驱动方式可为手动、电动、气动和液动四种方式。

3.2技术参数

球阀的技术参数按表1规定。

CB/T 3312—2013

1球阀技术参数

公称通径

mnɪ

公称压力

MPa

额定流量    !

L/min

压力损失

MPa

操纵力矩

N ∙ m

10

31.5

40

0.3

34

16

60

49

20

120

78

25

200

115

32

300

150

40

450

220

50

.                                                                                                                                                                                                                                                                                                                                                                                                                                                                                                                                                                                                                                                                                                                                                                                                                                                                                                                                                                                                                                                                                                                                                                                                                                                                                                                                                                                                                                                                                                                                                                                                                                                                       I

20. 0

630

340

63

. — --- - -- -----------------------

900

550

80

1400

980

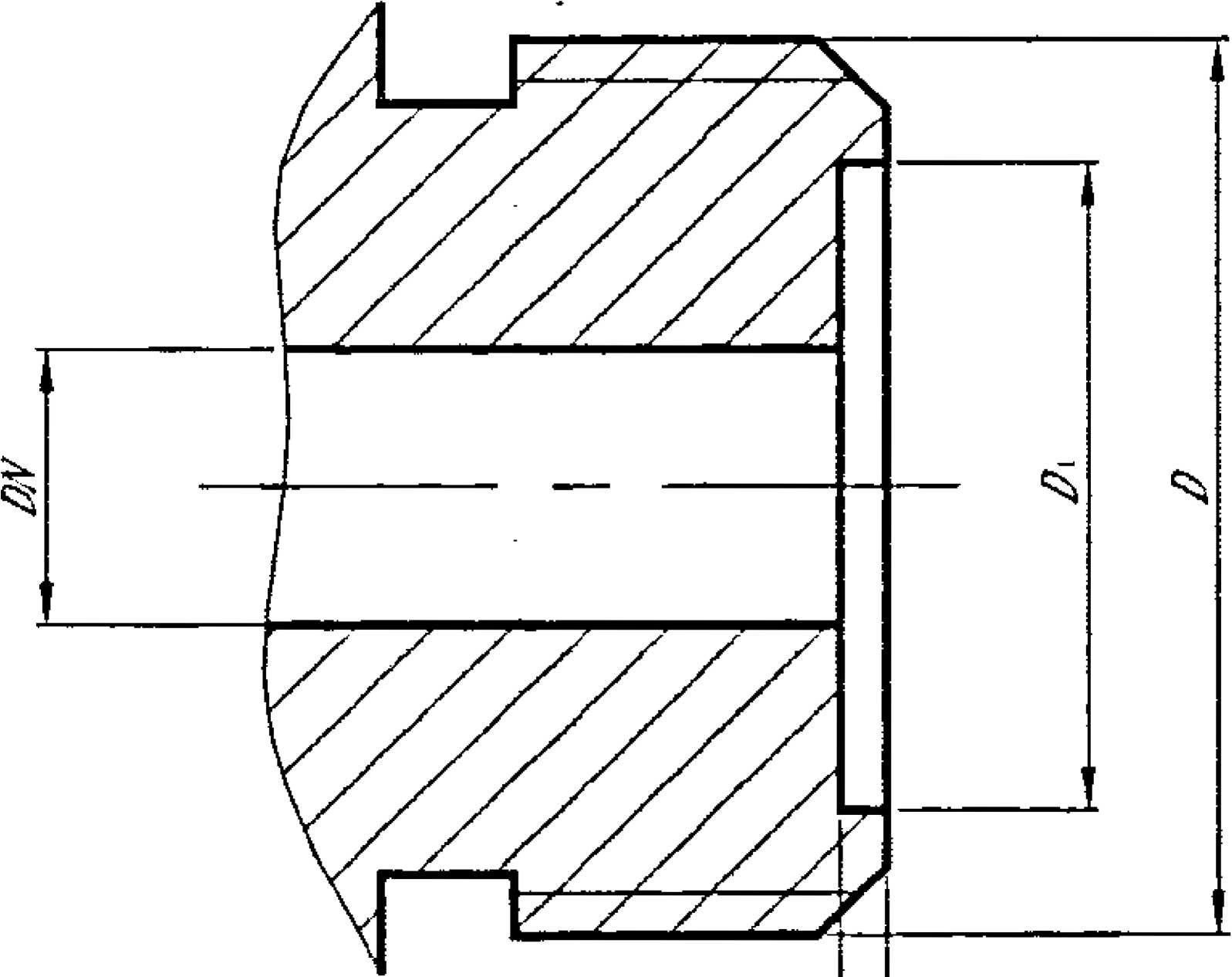
3.3.1螺纹连接球阀的进、出油口的结构与基本尺寸见图1和表2

1螺纹连接球阀的进、出油口的结构与基本尺寸

CB/T 3312—2013

2螺纹连接球阀的进、出油口的结构与基本尺寸

单位为毫米

A

D

Λ

1

Il

0形圈 - -

(GB/T 3452.1-2005)

10

M27× 1. 5

20.3

13

1.97

15.0X2.65

16

M30X1.5

24.3

14

19.0X2.65

20

M36×2

30.3

16

25.0X2.65

25

M42X2

35.3

20

30.0X2.65

_ - -

32

M52X2

40.8

22

35∙ 5 X 2. 65   =

-                                                                          --

40

M60X2

47.8

24

42.5X2.65

_                                                                             - -

沟槽尺寸公差按GB/T 3452.3-2005的规定。

3.3.2法兰连接球阀的进、出油口结构与基本尺寸按图2和表3

2法兰连接球阀的进、出油口的结构与基本尺寸

3法兰连接球阀的进出油口的结构与基本尺寸

单位为毫米

A

A

d

1

S

32

90

M16

25

60. l±0.2

40

100

M18

27

70. 7±0.2

50

120

M20

30

83.4±0, 2 L

63

150

102.5±0.2

80

182

M24

36

113. l÷0.2

3.4产品标记 3. 4. 1型号表示方法

球阀的型号表示方法如下:

C QJZ



驱动方式


手动,用S表示


连接型式-


电动,用D表示 气动,用Q表示 液压,Y表示

螺纹连接,用L表示 法兰连接,用F表示


公称通径,单位为毫米mm)

20 MPa,F表示

31. 5 MPa,H表示


公称压力


球形截止阀


3.4.2标记示例

公称压力为3L5 MPa、公称通径为32 mm、螺纹连接、手动驱动的球阀的标记为: 球阀 CB/T 3312-2013 CQJZ - H32LS


4要求


4.1结构与设计


4.1.1球阀全开时球体通道应在同一轴线上,球的转角偏差应小于±2ð

4.1.2在规定的温度范围内,零部件之间的间隙应能保证球阀工作良好。

4.1.3装配完毕的球阀空载转动应灵活、平稳。

4.1.4 球阀应满足GB/T 7935-20054. 34. 74. 94. 10的要求。

4.1.5法兰连接球阀随阀供应的安装螺钉的强度应不低于GB/T 3098. 1-2000规定的10. 9级。


4.2外观及加工

4.2.1球体圆度应符合GB/T 1184-1996中的6级或7级精度;密封表面不应有任何划痕、气孔、裂 痕和碰伤等缺陷;表面粗糙度Ra≤0.8o

4.2.2阀座密封面不应有任何划痕、气孔、裂痕和碰伤等缺陷;表面粗糙度Ra≤1.6o

4.2.3球阀所有零件不应有加工毛刺、切屑及铸造残留物等。

4.2. 4金属零件外露表面应进行防腐处理。

4.2.5全部零件装配前均应清洁,无毛刺、无污垢。

4.2. 6装配时阀杆转动部分及主要螺纹应涂上防锈油或润滑油。


4.3材料

4∙3∙1球阀主要零部件的材质应符合表4的要求,也可使用性能不低于表4规定的其他材料。

4主要零件材料

零件名称

____________ 一-----------------------------------------J

材料牌号

标准号

球 体

452Crl3

GB/T 699—1999GB/T 3077—1999

阀 体

Λ≤40

35

GB/T 699—1999

∕⅛>40

QT 600

GB/T 1348-2009

阀 座

聚酰胺(尼龙)1010、聚四氟乙烯

4.4环境适应性

球阀在GB/T 13852-20095. 5规定的环境条件下满足4. 5的要求。

4.5性能

4.5.2球阀在L 5倍公称压力下,应无永久变形及损坏。

4.5.3关闭被试阀,在阀的进口分别通以公称压力和1 MPa的液压油,在阀的出口测量内泄漏量,每 分钟的内泄漏量不应超过4滴。

4.5.4在额定流量下,球阀的进、出口压差应不大于0. 3 MPao

4.5.5球阀的内部清洁度应符合JB/T 7858的规定。

5试验方法

5.1试验装置

5.1.1试验回路

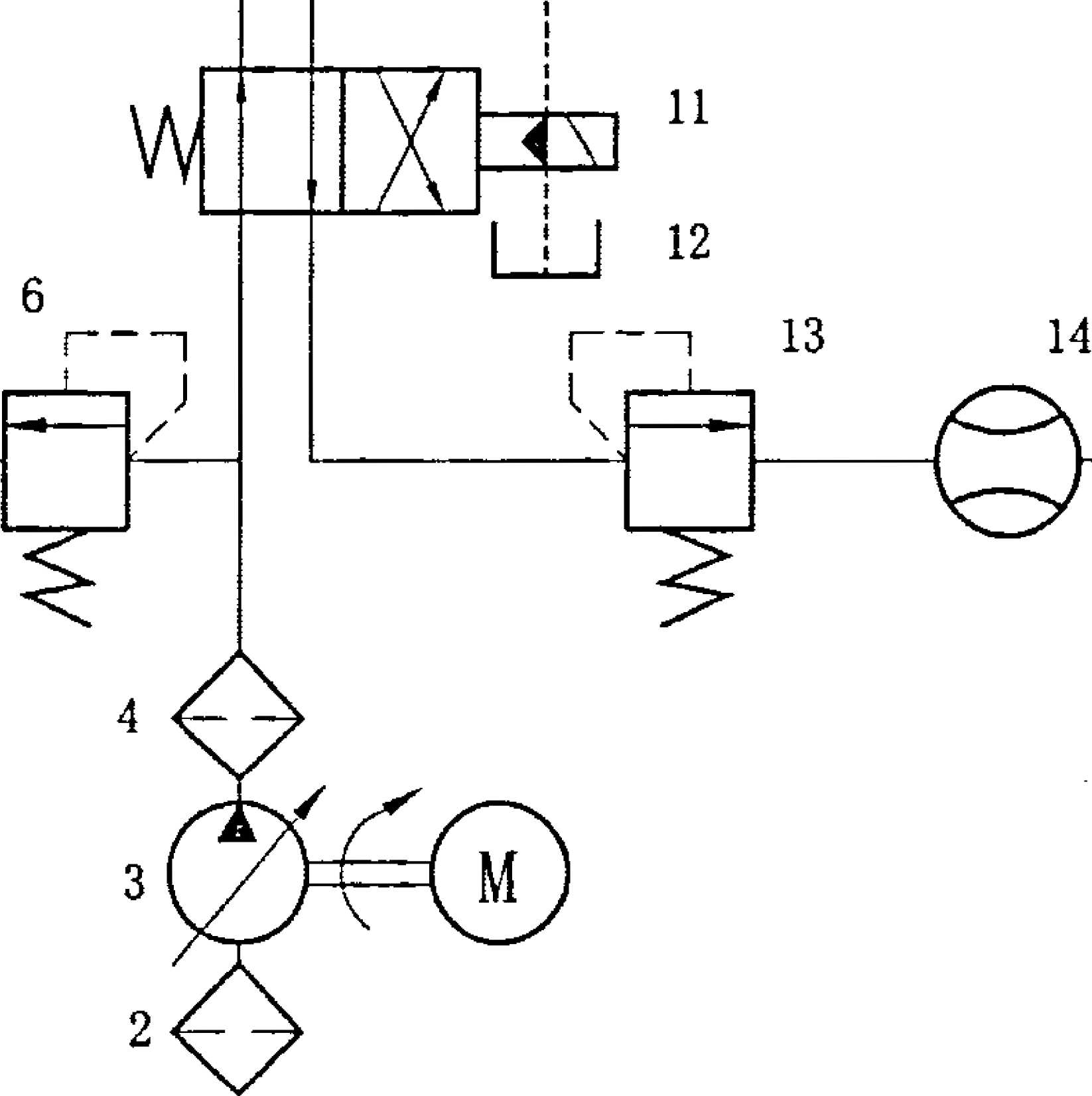
5.1. 1.1试验回路原理图见图3o

5,1.1.2在给定的基本回路中可增设调节压力、流量或保证试验系统安全工作的元件,但不应影响被 试阀的性能。

5.1.1.3与被试阀连接的管道和管接头的通径应与被试阀油口的直径一致。

5.1.2测压点的位置,

5.1.2.1进口测压点应设置在扰动源(如阀、弯头)的下游与被试阀的上游之间,与扰动源的距离应 不小于10 d (d为管道内径),与被试阀的距离应不小于5 do

5.1.2.2出口测压点应设置在被试阀的下游不小于10 d处。

5.1.3測压孔

5.1.3.1测压孔直径应不小于1 nun,且不大于6 InIne

5.1.3.2测压孔长度应不小于测压孔直径的2倍。

CB/T 3312—2013

5.1.3.3测压孔轴线和管道轴线垂直,管道内表面与测压孔的交角应保持锐边,但应无毛刺。

5. L3.4


≡.



测压点与测量仪表之间的连接管道内径不小于3 ≡o


5.1.3.5测压点与测量仪表连接时,应排除连接管道中的空气。


7          8


10


9



1 LLJ


J 15


说明:


151215—油箱;


2——粗滤器;


3—液压泵;

4  精滤器;

613——溢流阀;


7——温度计;

810---压力表;


9——被试阀;


11


电液动换向阀;


14---流量计g


试验回路原理图


5.1.4


测温点位置


测温点应设置在被试阀进口测压点上游不大于15 d处。

5.1.5取样点

油液取样点应按照GB/T 17489的规定,在试验回路中设置油液取样点,以便提取液样。

■                                       - -                                                      _

— - -

5.2测量准确度等级

试验的测量准确度分为ABC三个等级:

—A级:适用于科学鉴定性试验;

——B级:适用于型式试验,或质量保证试验和用户的选择评定试验;

—级:适用于出厂试验,或用户的验收试验。 -■ -

■ - _ —

^

_ ■ _ ■

.

- - ■ - _ - . _ - __

5.3试验条件

- ■ -

- ■ - _

-  

_ ^

- - _ - . - :

5.3.1试验介质

- .- ■ ■                                                                                                                                             --

_                                                      ■ - -                                                                                            — — _ -

- _

5.3.1.2试验油温为50°C,温度变化范围应按表5的规定。

5试验油温变化范围                   -

单位为摄氏度

测试等级

A                       i

B                       «

C

温度变化范围

±L0

2.0

±4.0

5.3.1.3试验介质的黏度:油液在40 °C时的运动黏度应为42 m√∕s74 ≡7s (特殊要求另做规定>。 5.3.1.4试验介质的清洁度:试验系统油液的固体颗粒污染等级代号不应高于GB/T 14039-2002中规

- - - - . _ ■ - _ -定的等级-/18/15

- " — — — 5.3.2稳态工况

-                                                                     --V --

■ -

■ ■ —

5.3. 2.1当被控参量平均显示值的变化范围不超过表6的规定值时,视为稳态工况。应在稳态工况下 记录试验参量的测量值。

6被控参量平均显示值允许变化范围

被控参量

各测量准确度等级对                 ____

__________A__________

B

C

_________压力,(%)_______

______ 流量,(%)

+0.5

±1.5

±2. 5

度,C______

±1.0

±2. 0

±4.0

5. 3. 2. 2型式试验时,试验参量测量读数数目的选择和所取读数的分布情况应能反映被试阀在整个范 围内的性能。

5.3.3测量仪器、仪表精度

---Z- _

仪器、仪表测量系统允许误差应符合表7的规定α

~ — -^ - _ — ■ - _

-- ■ _ '

■ _

- - __

_ — _

-⅛- ■ . - -

7测量系统的允许系统误差

各测量准确度等级对应的测量系统的允许误差

测量仪器"仪表的参量

压力(表压力QVo∙2MPa), kPa


±2,0


+6. 0


±10-0


压力(表压力PNO,2MPa), (%)


÷L 5


±2. 5


流量,(%)


±0.5


温 度,"C


±1.0


±2.0


5.3.4试验流量 5. 3. 4.1型式试验时的试验流量,当被试阀额定流量不大于200 L/min时,试验流量不应小于被试阀 额定流量:当被试阀额定流量大于200 L/min时,而制造厂又受测试设备限制时,允许按200 L/min 的试验流量进行型式试验,但应在液压设备中作现场考核O

5.3.4.2出厂试验时的试验流量,当被试阀额定流量不大于200 L/min时,试验流量为额定流量;当 被试阀额定流量大于200 L/min时,试验流量为200 L∕mino 5.4接口尺寸

用相应量具测量球阀的接口尺寸。结果应符合3. 3的要求。

5.5外观及加工

用圆度测量仪测量球体圆度,用粗糙度比较样块测量球体表面和阀座表面的粗糙度,目视检查球阀 各零部件表面。结果应符合4. 2的要求Q

5.6


材料


检查并核对球阀所使用材料的牌号和材质证明书。结果应符合4. 3的要求。

5.7


环境适应性


GB/T 13852-20096. 3. 4. 9. 7规定的方法进行球阀环境适应性试验。结果应符合4.4的要求。

5,8


操纵力矩


按图3所示,调节溢流阀6,使被试阀9的进油口压力为公称压力,测量被试阀9的操纵力矩。结果应 符合32的要求。

5.9密封性

按图3所示,调节溢流阀6,使被试阀9处于开启状态,并使被试阀9的进油口压力至1. 25倍公称压力, 保压5 min,观察各油口及密封处有无外渗漏油液。结果应符合4. 5.1的要求。

5.10耐压性

III


按图3所示,调节溢流阀6,使被试阀9处于开启状态,调节压力从最低工作压力开始,以每秒2 % 的速率递增,直至被试阀9的额定压力的1. 5倍,到达后保压5 minO结果应符合4.5.2的要求。

5.11


内泄漏量


'按图3所示,调节溢流阀6,使被试阀9处于关闭状态,并使被试阀9的进油口压力为公称压力和1 MPa, 1 min后分别在出油口测量内泄漏量,测量时间为5 min。结果应符合4.5.3的要求。

5.12进出口压差

按图3所示,使通过被试阀9的流量为额定流量,用压力表8和表10测量压力,其压差即为被试阀9 的压力损失。结果应符合4. 5.4的要求。

5.13内部清洁度

球阀内部清洁度的检查按JB/T 7858规定的方法进行。结果应符合4. 5. 5的要求。

6检验规则

6.1检验分类

球阀的检验分为型式检验和出厂检验。

6.2型式检验

6-2.1


球阀有下类情况之一时,应进行型式检验:

新产品的研制和批量生产的鉴定(包括产品转厂生产);

产品的设计工艺或所用材料有较大改变,足以影响产品的性能;

出厂检验与以前进行的型式检验结果有较大差异;

制造厂本身和主管部门进行定期质量检査,或用户反映质量明显下降;

国家质量监督机构有要求时。

球阀的型式检验项目和顺序按表8进行。

8检验项目和顺序

序号

检验项目

型式检验

岀厂检验

要求章条号

试验方法章条号

1

接口尺寸

e

3.3

5. 4

2

加工质量

e

o

4.2

5.5

3

材料

o

e

4.3

5.6

4

环境适应性

o

4.4

5.7

5

操纵力矩

O

O

3.2

5.8

6

密封性

O

O

4. 5. 1

5.9

7

耐压性

O

O

4. 5. 2

5.10

8

内泄漏量

O

O

4. 5.3

5.11

9

进出口压差

O

O

4. 5,4

5.12

10

内部清洁度

O

O

4. 5. 5

5.13

--------------- ---

注:❹必检项目:。订购方和承制方协商检验项目;一不检项目。

6.2.3球阀型式检验的数量为每种规格三只。

6.2.4球阀全部检验项目符合要求,判定球阀型式检验合格。若有不符合要求的项目,应加倍取样进 行复验。若复验符合要求,则判定球阀型式检验合格;若仍有不符合要求的项目,则判定球阀型式检验 不合格。

6.3出厂检验

6.3.1

6.3.2


球阀的出厂检验项目和顺序按表8进行o

球阀出厂检验的抽样方法应符合下列要求:

对小批量(产品数不大于25只)生产的产品,抽样数按表9的规定;

对大批量(产品数大于25只)生产的产品,分为下列两种情况:

D 当产品数不大于IoO只时,在前25只产品中任选5只,其后再任选1只;

2)当产品数大于100只时,前100只按1)的方法抽取,从101只开始,每100只任选 (1-2)只(不足100H,100只计)。

9产品抽样方法

产品数/只

L___________ —          ___ ____________ ___ __

<3

3〜8

9〜15

16 〜25

抽样数/只

全数

3

4

5

7标志、包装、运输和贮存

7. 1


标志


球阀应在明显部位设置耐腐蚀铭牌,铭牌的固定应端正牢固,其内容包括:

a) 产品名称;

b) 产品型号;

C制造厂名;

d) 制造日期和编号;

e) 船检印记(若需)O

7.2 包装

球阀应固定在包装箱内,包装结实,防潮防漏,在包装箱外表面应标明以下内容:

制造厂名地址及发货站;


b)收货单位地址及到货站;

C)产品型号名称数量重量及装箱日期;

d)运输注意事项及标志。

7.2.3包装箱内应随带下列文件和附件: a)装箱清单;

b)产品合格证;

C)产品使用说明书(包括:名称、型号、外形图、安装连接尺寸、结构简图、主要技术参数、使 用条件和维修方法等):

d)随机备附件。

7.3 运输

球阀在运输中应避免雨淋,并保证各部件不受损伤。

7.4贮存

7.4.1球阀在贮存期间应保证在干燥场所,不允许露天存放。

7.4.2球阀贮存时间超过2 a,使用前应更换密封备件。

20VMSS£


中华人民共和国 船舶行业标准

船用液压球形截止阀

CB/T 3312-2013

中国船舶工业综合技术经济研究院出版

北京市海淀区学院南路70

邮政编码:100081

网 址: www.shipstd.com.cn 电话:OlO-62185021

船舶标准化管理研究与咨询中心发行

版权专有不得翻印


开本880 X 1230 1/16印张0.81字数6.62千字

201312月第1201312月第一次印刷

印数1-300

CB/T 3312—2013

船标出字第2013114