中华人民共和国行业标准
JTS 205—1—2008
主编单位:中国水运建设行业协会
中国交通建设股份有限公司
中交第一航务工程局有限公司
批准部门:中华人民共和国交通运输部
施行日期:2009年1月1日
J茂爻逋决桓社
2008 •北京
2008年第37号
现发布《水运工程施工安全防护技术规范》(以下简称《规范》)。该《规范》为强制性 行业标准,编号为JTS 205—1—2008,自2009年1月1日起施行。
本《规范》第3. 1. 1条、第3. 2. 1条、第3.2.2条、第3.3.2条、第3.3.3条、第3.3.4 条、第3.5.1条、第3.8.6条、第3. 11.3条、第3. 12. 1条、第3. 13.2条、第4. 1.5条、第
4. 4. 3条、第4.4.6条、第4.4.8条、第4.5.6条、第4. 7. 2条、第4.7.3条、第4.7.4条、第
4.7.5 条、第 4.7.6 条、第 4.7.7 条、第 4.8. 1 条、第 5. 1.2 条、第 5. 1.5 条、第 5. 1. 11 条、 第 5.1.12 条、第5.3.4条、第 5.4. 10 条、第 5.5.3 条、第 5.5.4 条、第 5.6.3 条、第 5.6.4 条、第5.6.5条、第5.6.7条、第5.6. 11条、第5.6. 12条、第5.6. 16条、第5. 7. 2条、第
5. 7. 3条、第 5.7.8 条、第 5.7.9 条、第 5.8.4 条、第 5. 11.2 条、第 5. 12. 1 条、第 5. 12. 15 条、第 5. 12. 16 条、第 5. 12. 17 条、第 5. 12.22 条、第 5. 12.23 条、第 5. 14.7 条、第 5. 14.8 条、第6.2. 15条、第6.2.17条、第6.3.7条、第7. 1.7条、第7. 1.8条、第7. 1. 11条、第 7.5.15条、第 8. 1.3 条、第 8. 2. 2 条、第 8.4.5 条、第 8. 5. 6 条、第 9.2.8 条、第 9. 3. 10 条、 第 9.4.4 条、第 9.9.7 条、第 10. 1.3 条、第 10. 1. 16 条、第 10. 1.20 条、第 10. 1.21 条、第
10.2.3 条、第 10.3.3 条、第 10.3.5 条、第 10. 3. 6 条、第 11. 1.4 条、第 11.2. 2 条、第 11.2.8条、第11.4.6条、第11.6.1条、第11.7. 1条、第12. 1. 1条、第12.2.3条中的黑体 字部分为强制体性条文,与原建设部发布的《工程建设标准强制性条文(水运工程部分)》 (建标[2002]273号)具有同等效力,必须严格执行。
本《规范》由我部组织中国水运建设行业协会等单位编制完成,由我部水运司负责管 理和解释,由人民交通出版社出版发行。
中华人民共和国交通运输部
二O。八年十二月二日
本规范是在广泛调查研究的基础上,总结了我国水运工程施工安全防护技术和管理 经验,吸收了工程施工安全防护的新技术和新成果,借鉴了其他行业的相关标准,并经广 泛征求意见反复修改而成。主要包括施工安全技术准备,通用作业的安全防护,预制构件 起吊、出运和安装,桩基施工,深基坑支护及开挖,疏浚和吹填施工,主要施工船舶安全操 作,特殊条件下施工及施工船舶调遣和海上防风等方面的安全防护技术内容。
本规范的主编单位为中国水运建设行业协会、中国交通建设股份有限公司和中交第 一航务工程局有限公司,参加单位为中交第三航务工程局有限公司、中交第四航务工程局 有限公司、中交天津航道局有限公司、中交上海航道局有限公司、长江航道局、上海港务工 程公司和上海港建设工程安全质量监督站。
随着我国水运建设事业的蓬勃发展,水运工程施工安全防护技术在工程建设和安全 生产中发挥了重要的作用。为了满足水运工程建设发展的需要,统一水运工程施工安全 防护的技术要求,加强对水运工程施工安全防护的管理,交通部水运司组织中国水运建设 行业协会、中国交通建设股份有限公司和中交第一航务工程局有限公司等单位制定本 规范。
本规范的第3.1. 1条、第3.2. 1条、第3. 2. 2条、第3. 3. 2条、第3.3.3条、第3.3.4 条、第3.5.1条、第3.8.6条、第3. 11.3条、第3. 12. 1条、第3. 13.2条、第4. 1.5条、第
4. 4. 3条、第4.4.6条、第4.4.8条、第4.5.6条、第4. 7.2条、第4.7.3条、第4.7.4条、第
4.7.5 条、第 4.7.6 条、第 4.7.7 条、第 4.8. 1 条、第 5. 1.2 条、第 5. 1.5 条、第 5. 1. 11 条、 第 5. 1. 12 条、第 5.3.4 条、第 5.4. 10 条、第 5. 5. 3 条、第 5.5.4 条、第 5.6.3 条、第 5.6.4 条、第5.6.5条、第5.6.7条、第5. 6. 11条、第5. 6. 12条、第5.6. 16条、第5.7.2条、第
5.7.3 条、第 5.7.8 条、第 5.7.9 条、第 5.8.4 条、第 5. 11.2 条、第 5. 12. 1 条、第 5. 12. 15 条、第 5. 12. 16 条、第 5. 12. 17 条、第 5. 12.22 条、第 5. 12.23 条、第 5. 14.7 条、第 5. 14.8 条、第 6.2. 15 条、第 6. 2. 17 条、6. 3. 7 条、第 7. 1.7 条、第 7. 1. 8 条、第 7. 1. 11 条、第
7.5. 15 条、第 8. 1.3 条、第 8. 2. 2 条、第 8.4.5 条、第 8. 5. 6 条、第 9. 2. 8 条、第 9. 3. 10 条、 第 9.4.4 条、第 9.9.7 条、第 10. 1.3 条、第 10. 1. 16 条、第 10. 1.20 条、第 10. 1.21 条、第
10.2.3 条、第 10. 3. 3 条、第 10. 3. 5 条、第 10. 3. 6 条、第 11. 1. 4 条、第 11. 2. 2 条、第 11.2.8条、第11.4.6条、第11.6.1条、第11.7. 1条、第12. 1. 1条和第12.2.3条中的黑 体字部分为强制性条文,与原建设部发布的《工程建设标准强制性条文(水运工程部分)》 (建标[2002]273号)具有同等效力,必须严格执行。
本规范共分12章和3个附录,并附条文说明。本规范的编写人员分工如下:•
1总则:侯贵欣李庆伟陈萍
2术语:侯贵欣刘长发周传琦王树清
3基本规定:金宏松周传琦侯贵欣陈萍刘长发严顺业魏志刚 吕永祥王树清
4施工安全技术准备:严顺业王树清魏志刚吕永祥贺永康
5通用作业的安全防护:侯贵欣刘长发王金海王树清应敏强杨智勇 贺永康高蕴杰郭友兴魏志刚吕永祥
6预制构件起吊、岀运和安装:侯贵欣刘长发严顺业
7桩基施工:侯贵欣刘长发严顺业
8深基坑支护及开挖:侯贵欣 刘长发
9疏浚与吹填施工:王树清 李庆伟 魏志刚 吕永祥
10主要施工船舶安全操作:贺永康高蕴杰郭友兴王金海
H特殊条件下施工:侯贵欣刘长发王树清魏志刚吕永祥
12施工船舶调遣和海上防风:贺永康高蕴杰郭友兴王金海
附录A三级安全教育表格式:侯贵欣刘长发
附录B安全技术交底通知书格式:侯贵欣刘长发
附录C本规范用词用语说明:侯贵欣刘长发
本规范于2008年9月10日通过部审,于2008年12月2日发布,自2009年1月1日 起实施。
本规范由交通运输部水运司负责管理和解释。请各单位在执行过程中,将发现的问 题和意见及时函告交通运输部水运司(地址:北京市建国门内大街11号,交通运输部* 运司工程技术处,邮政编码:100736)和本规范管理组(地址:北京市安定门外大街183号 京宝花园M805 ,中国水运建设行业协会,邮政编码;100011),以便修订时参考。
1
5.6 电焊、气焊施工...........................................................................
5.7起重吊装.................................................................................
5.8高处作业.................................................................................
5.9水上抛石施工...........................................................................
5.10沉排、铺排及充砂袋施工............................................................
5. 11 潜水作业.................................................................................
5.12爆破作业.................................................................................
5. 13 软基处理.................................................................................
5.14拆除工程.................................................................................
6预制构件起吊、出运和安装 ..................................................................
6.1 一般规定.................................................................................
6.2 预制构件起吊、出运.....................................................................
6.3构件安装.................................................................................
7 桩基施工 .......................................................................................
7.1 一般规定.................................................................................
7.2 陆上锤击、振动、水冲沉桩 ............................................................
7.3水上锤击、振动、水冲沉桩 …….....................................................
7.4灌注桩....................................................................................
I"挖孔桩.......................................................................................................
8深基坑支护及开挖...........................................................................
8.1 一般规定.................................................................................
8.2 板桩支护.................................................................................
8.3地下连续墙..............................................................................
8.4沉井.......................................................................................
8.5基坑降水及排水........................................................................
9疏浚和吹填施工..............................................................................
9.1 一般规定.................................................................................
9.2耙吸式挖泥船...........................................................................
9.3绞吸式挖泥船...........................................................................
9.4链斗式挖泥船...........................................................................
9.5抓斗式挖泥船...........................................................................
9.6铲斗式挖泥船...........................................................................
9.7吹泥船....................................................................................
9.8泥驳.......................................................................................
9.9排泥管线拖运架设.....................................................................
10 主要施工船舶安全操作.....................................................................
io. 1 一般规定.................................................................................
附加说明本标准主编单位、参加单位、主要起草人、总校人员和
1.0.1为统一水运工程施工安全防护技术要求,保障从业人员的生命安全和职业健康, 避免或减少生产安全事故和财产损失,制定本规范。
L0.2本规范适用于水运工程施工的安全防护技术工作。
1.0.3水运工程施工的安全防护技术工作除应符合本规范的规定外,尚应符合国家现行 有关法律、法规和标准的规定。
2.0.1安全生产
为保证生产顺利进行,通过人、机、环境的协调运作,消除或控制生产过程中的危险 因素。
2.0.2 安全管理
通过运用有效的资源,进行计划、决策、组织和控制等活动,达到安全生产的目的。
2.0.3安全生产责任制
根据“安全第一,预防为主,综合治理”的安全生产方针和“管生产必须管安全”的原 则,将安全责任分解并落实到各级负责人、职能部门、管理人员和各岗位作业人员的制度。 2.0.4四不放过
事故原因未査清不放过、责任人员未处理不放过、整改措施未落实不放过、有关人员 未受到教育不放过。
2.0.5危险源
可能造成人员伤害、疾病、财产损失、作业环境破坏或其他损歩的根源或状本。
2.0.6危险源辨识
发现、识别危险源的存在,并确定其特性的过程。
2.0.7五牌一图
五牌指工程概况牌、管理人员名单及监督电话牌、消防保卫牌、安全生产牌、文明施工 牌;一图指施工现场总平面布置图。
2.0.8高处作业
凡在坠落高度离相对基准面2m及其以上,且有可能坠落的高处进行的作业。
2.0.9特种作业
容易发生人员伤亡事故,对操作者本人、他人及周围设施的安全有重大危害的作业。
2.0.10沉箱近程浮运拖带 '
航程在30n mile以内且连续航行中无夜间航行的沉箱拖航。
2.0.11沉箱远程浮运拖带
.航程超过30n mile或连续航行中需夜间航行的沉箱拖航。
3.1安全生产责任制
3.1.1从事与水运工程施工有关的生产经营活动单位,必须具备国家法律、法规和行业 标准规定的安全生产条件。
3.1.2从事与水运工程施工有关的生产经营活动单位,应根据国家有关法律、法规的规 定,建立健全安全生产责任制,并制定相应的检查和考核等制度。
3.2安全生产管理机构
3.2.1从事水运工程施工的单位必须建立安全生产委员会,设立专门的安全生产管理部 门,并按规定配备专职安全生产管理人员。
3.2.2项目经理部必须建立安全生产领导小组,并按规定配备专职安全生产管理人员。
3.2.3作业班组和施工船舶,应配备兼职安全员。
3.3安全生产教育和培训
3.3.1水运工程施工的从业人员应接受相关安全生产教育和培训。
3.3.2水运工程施工单位的主要负责人、项目负责人、专职安全生产管理人员,必须参加水运 工程建设行业安全生产管理人员培训、考核,取得合格证书,并按规定参加继续教育和培训。
3.3.3特种作业人员必须按照国家和行业主管部门的相关规定,接受安全技术培训、考 核和管理,并取得相应资格证书。
3∙3.4新进场人员上岗前,必须经过三级安全教育和培训。三级安全教育表的格式可参 见附录A。作业人员进入新的施工现场或者转入新的岗位前,必须重新接受项目经理部 和班组级的安全教育和培训。
3.3.5采用新技术、新工艺、新设备和新材料时,作业人员应接受相关的安全技术教育和 培训。
3.4危险源辨识
3.4.1施工单位应在开工前对施工现场的危险源进行辨识、评价和分级。
3. 4. 2施工单位应根据确定的危险源等级,制定相应的施工安全技术措施和应急预案, 并如实告知从业人员。
3.5施工许可
3.5.1从事水运工程施工的单位,必须按照国家有关规定,申报并取得《安全生产许可证》。
3.5.2水运工程建设项目开工前,应按照有关管理部门的规定办理施工许可。
3.6安全生产专项资金
3.6.1施工单位的安全生产专项资金,应按照有关规定计提和使用。
3.6.2安全生产专项资金,应使用在下列项目:
(1) 完善、改造和维护安全防护设备、设施支出;
(2) 配备必要的应急救援器材、设备和现场作业人员安全防护物品支出;
(3) 安全生产检查与评价支出;
(4) 重大危险源、重大事故隐患的评估、整改、监控支出;
(5) 安全技能培训和应急救援演练支出;
(6) 其他与安全生产有直接相关的支出。
3.7劳动保护
3.7.1施工单位应为从业人员配备合格的劳动防护用品和用具。
3.7.2施工单位应根据作业条件、环境等因素,在施工现场设置有效的安全防护设施。
3.7.3施工单位应组织特殊作业环境或条件下作业的职工进行职业健康检查。
3.7.4施工单位应做好职业病防治工作,建立、健全职业病防治管理制度。
3.8消 防
3.8.1施工单位应根据《中华人民共和国消防法》和有关规定,建立、健全消防制度,制 定消防应急预案。
3. 8.2施工单位应对职工进行消防宣传教育,实行防火安全责任制,并确定区域消防安 全责任人。
3.8.3施工单位应保障施工现场的消防通道、疏散通道和安全出口畅通,并设置符合国 家规定的消防安全疏散标志。
3.8.4施工单位应按照有关法律法规的规定,在施工现场配备相应的消防设施、器材,并 确保其完好、有效。
3.8.5施工现场应根据作业环境和防火需要组建义务消防队,并定期开展消防演练。
3.8.6在禁火区需明火作业时,必须执行动火审批和监管制度。
3.8.7施工船舶的消防,应符合现行行业标准《船舶消防管理和检查技术要求)(JT∕T 440)的有关规定。
3.9文明施工
3.9.1施工单位应按有关文明施工的要求组织施工,并做好环境保护工作。
3.9.2施工现场的办公区、生活区和作业区的设置应符合文明和卫生的要求。
3.9.3施工现场应在明显的位置设置“五牌一图”。
3.9.4施工现场的原材料、半成品、成品、预制构件等的堆放和机械、设备的摆放应整齐、 稳固、规范、标识清楚,不得侵占场内道路或影响安全。工程垃圾和废弃物应进行分类堆 放,并及时清运处理。
3.9.5施工现场办公室、宿舍、淋浴间、食堂、饮水设施、休息场所等应符合卫生和环保有 关规定,并应及时对生活污水和垃圾进行处理。
3.10施工安全保险
3.10.1施工单位应依法参加工伤保险,并应为施工现场从事危险作业的人员办理意外 伤害保险。
3.10.2施工单位应根据作业性质、环境条件和可能造成的损失程度,对施工船舶、机械 设备办理不同类别的保险。
3.11安全检查
3.11.1施工单位应建立、健全各级安全检查制度,明确检查的周期、内容、标准和方 法等。
3.11.2施工现场的安全检查,应采取日常巡视、定期检查、季节性检查、专项检查相结合 的方法。检查情况、隐患整改措施和验收结果,应留有原始记录,并形成闭合。
3.11.3存在重大安全隐患或违反工程建设标准强制性条文的,在整改、验收未完成前, 必须停止施工。
3.12应急预案
3.12.1施工单位必须根据工程项目施工生产的特点、作业环境和条件,制定综合应急预 案、专项应急预案和现场处置方案。
3-12.2施工单位的应急预案,应根据现行行业标准《生产经营单位安全生产事故应急 预案编制导则>(AQ∕T 9002)的规定编制。
3.12.3施工单位应建立应急救援组织,配备救援人员和必要的应急救援器材、设备,并 对应急预案进行演练和持续改进。
3.13生产安全事故报告和调查处理
3.13.1施工单位应根据各级政府和行业主管部门的有关规定,实施生产安全事故报告 和调查处理。
3.13.2在调查、处理生产安全事故时,必须坚持“四不放过”的原则。
3.14安全技术档案
3.14.1施工单位应建立安全技术档案。
3.14.2安全技术档案资料归档应及时,其内容应真实、完整。
4.1施工现场总体布置原则
4.1.1施工现场水、电、路和通信应畅通,场地应平整、坚实,并符合安全、消防和环保 规定。
4.1.2施工现场的办公区、生活区和作业区,不得设在易产生山体滑坡、泥石流或易受潮 水、洪水侵袭和雷击的区域。
4.1.3施工现场的办公区、生活区和作业区应分开设置,并保持安全距离。
4.1.4易产生噪声、粉尘、烟雾和对人体有害物质的作业,应远离办公区、生活区和人群 密集区,并符合安全生产和环境保护的规定。
4.1.5易燃、易爆物品仓库或其他危险品仓库的布置以及与相邻建筑物的距离,必须符 合国家和相关部门的规定。
4.1.6施工水域内布置的临时设施,应符合有关部门的规定,并满足安全生产的要求。
4.1.7施工现场应设置安全警示标志。
4.2预制场
4.2.1选择预制场时,应进行现场踏勘和综合论证。
4. 2.2预制场的岸坡应稳定,地基应有足够的承载能力,必要时应对岸坡和地基进行加 固处理。
4.2.3预制场不宜设在受水位变化和易受自然灾害影响的地带。
4.2.4预制场的总体布置,应根据预制工艺合理分区,满足生产安全和环境保护的要求。
4.2.5混凝土搅拌和石料破碎系统,应设置在常风向的下风处,并采取防尘措施。废水 排放、地材与搅拌物的运送,应采取防污染措施。
4.2.6利用码头做预制场时,预制、存放构件及施工机械的荷载不得超过码头的设计 荷载。
4.3水上临时设施
4.3.1临时码头宜选择在水域开阔、岸坡稳定、波浪和流速较小、水深适宜、地质条件较 好、陆路交通便利的岸段。
4.3.2临时码头应按照使用要求和相应技术规范进行设计和施工,并设置安全警示 标志。
4.3. 3设计水上工作平台应考虑自重荷载、施工荷载、水流力、波浪力、风力和施工船舶
6
√.-t?L、严二勺十一 LHnN减*凌芝健;変二炽 t.........._「工
系靠力等。借用工程结构作临时工作平台时,应按施工期间可能出现的最不利荷载组合 进行核算。工作平台搭设时应按设计图进行施工,并应符合下列规定。
4.3.3.1水上工作平台应稳固。顶部应满铺面板,面板与下部结构连接应牢固,悬臂 板应采取有效的加固措施。
4.3.3.2水上工作平台顶面的四周,应设置高度不低于1.2m的安全护栏。上下人员 的爬梯应牢固,梯阶间距宜为30cm。平台上作业场地的大小,应充分考虑施工人员的作 业安全。
4.3.3.3水上工作平台应设置安全警示标志和必要的救生器材。
4.3.3.4在水上工作平台上作业的人员应配备必要的通信工具。
4.3.4水上搭设的临时栈桥,应按照使用要求和相应技术规范进行设计和施工。
4.3.5水上临时人行跳板,宽度不宜小于60Cm,跳板的强度和刚度应满足使用要 求。跳板应设置安全护栏或张挂安全网,跳板端部应固定或系挂,板面应设置防滑 设施。
4.3.6航板、木筏、浮筒等水上临时工作设施,使用前,应经过24h重载漂浮试验。使用 时,应限定作业人数,配齐救生设备。
4.3.7水上拖带舰板、木筏、浮筒等,其上不得载人。
4.3.8在波高大于等于0.8m或流速大于等于1.0m∕s时,不宜使用航板、木筏或浮筒等 进行水上作业。
4.3.9施工船舶临时锚泊地应进行水深测量;浅滩、水下暗礁和障碍物等应设置明显的 安全警示标志。临时锚泊地应选择工况条件和水底土质适宜的水域,并具有足够的船舶 回转水域和富余水深。
4.4施工用电
4.4.1施工现场的临时用电应符合现行行业标准《施工现场临时用电安全技术规范》 (JGJ 46)的相关规定。
4.4.2施工岸电通往水上的线路,应用绝缘物架设,导线长度应留有余量,不得挤压或拉 曳电缆线。
4.4.3水上和潮湿地带的电缆线,必须绝缘良好并具有防水功能。电缆线的接头.必须 进行防水处理。
4.4.4水上施工使用岸电时,其配电线路和电气设备应符合三相五线制的规定,并应设 置专用配电箱。
4.4.5配电箱中漏电保护器的额定漏电动作电流不应大于30mA,额定漏电动作时间不 应大于0∙ ISO用于潮湿或有腐蚀介质场所的漏电保护器应采用防溅型产品,其额定漏电 动作电流不应大于15mA,额定漏电动作时间不应大于O. ISO
4∙4.6船舶进出的航行通道、抛锚区和锚缆摆动区严禁架设或布设临时电缆线。
4∙4.7临时安放在施工船舶上的发电机组应单独设置供电系统,不得随意与施工船舶的 供电系统并网连接。
4.4.8施工电气设备必须绝缘良好。遇有临时停电、停工或移动电气设备时,必须及时 关闭电源。
4.5场内道路、材料堆放及加工场地
4.5.1场内临时单向机动车道路的宽度不宜小于施工车辆宽度的1.5倍,坡度不宜大于 8% ,弯道半径不宜小于15mo交叉道口或事故多发地段应设置明显的警示标志。
4.5.2场内机动车道路与外电架空线路交叉时,架空线的最低点与路面的垂直距离不得 小于表4.5.2的数值。
架空线的最低点与路面的垂直距离 表4.5.2
|
外电线路电压(kV) |
1以下 |
1〜10 |
35 |
|
最小垂直距离(m) |
6 |
7 |
8 |
4.5.3施工现场的材料、设备等的堆放应符合第3.9.4条的规定。
4.5.4路面块体等小型预制块的堆放高度不宜超过1.5mo
4.5.5成捆钢筋及半成品应按品种、规格、型号码放,垛底及垛中应铺设垫木,垛高不宜 超过1.2mo
4.5.6构件焊接、钢筋对焊或其他明火作业的场地,必须与易燃易爆或危险品的存放场 所、木材加工场地等分开,并用实体墙隔离或采取其他有效隔离措施。
4.6现场办公区和生活区
4.6.1办公区和生活区选用的建筑材料应符合环保和防火的规定。在地震频发区宜选 用轻型结构或集装箱式房屋。
4.6.2办公区和生活区的选址应符合安全性要求,临时搭建的建筑物应当符合安全使用 要求,装配式活动房屋应具有产品合格证。
4.6.3办公区和生活区的供电应与动力线路分闸、分路设置,且不得随意改动线路或增 设用电设备。
4.7施工安全技术措施的编制
4.7.1在编制施工组织设计时,应根据工程项目的特点、作业环境、技术要求和安全生产 的需要,编制相应的安全技术措施。
4.7.2施工单位必须根据临时用电规模编制临时用电施工组织设计或专项施工方案。
4.7.3陆用施工机械上驳船组合作业必须制定专项施工方案,并附具船舶稳性和结构强 度验算结果。
4.7.4受热带气旋、突风、洪水或风暴潮等灾害性天气影响的区域施工,必须制定相应的 专项施工方案。
4.7.5无掩护水域或急流险滩水域施工必须制定相应的专项施工方案。
4.7. 6船舶调遣和拖航前,必须制定调遣拖航方案。
4.7.7危险性较大的分部、分项工程,必须编制专项施工方案,并附具安全验算结果。
8
Lrg-W~~ —-— ---———一 - 一 J F r — `if,二
4.8安全技术交底
4.8.1工程开工前,单位、分部和分项工程均必须编制“安全技术交底通知书”,向参加 施工的人员进行安全技术交底,并履行签认手续。安全技术交底通知书的格式可参见附 录BO
4.8.2采用新技术、新工艺、新设备或新材料时,应制定相应的安全操作规程或安全注意 事项,并进行安全技术交底。
4.8.3安全技术交底应主要包括下列内容:
(D本工程项目的施工作业特点、危险源和危害因素;
(2) 相应的安全操作规程或安全技术措施;
(3) 职业健康与环保要求;
(4) 生产安全综合应急预案、专项应急预案或现场处置方案;
(5) 其他应注意的安全事项。
5.1 一般规定
5.1.1各作业工种、施工船舶、机械和电器设备等,应制定安全操作规程,作业人员应严 格执行,不得违章指挥、违章操作。
5.1.2 施工船舶必须具有相应的有效证书,船员必须持有与其岗位相适应的适任 证书。
5.1.3施工船舶或大型机械设备应满足最低安全配员和定人、定机的要求。
5.L4施工船舶、机械设备的技术状态应良好。安全保护装置及监测仪表、报警装置等 应齐全、有效。
5.1.5进入施工现场的人员必须戴好安全帽。作业时,必须正确配戴和使用劳动防护用 品、用具O
5.1.6从事有粉尘、贋蚀、放射性或有毒、有害作业的人员应按规定正确使用专用防护 用品。
5.1.7施工现场的坑、洞、沟、漏斗及升降口等处,应设置有效防护设施和明显的安全警 Z5标志。
5.1.8施工现场的安全防护设施、标志、警示牌等,不得擅自拆除或移动。确需拆移的, 应经过施工负责人同意。
5.1.9陆上作业时,遇有能见度不良无法看清场地、雷雨或风力大于等于6级的天气,应 停止打桩、振冲、强夯、排水板打设、深层拌和、地连墙施工和泵车输送混凝土等作业。当 风力大于等于8级时,应对设备采取防风加固措施。
5.1.10水上作业遇有超过船舶作业性能的工况条件或无法看清场地的能见度不良天 气,应停止作业。水上作业的工况条件虽未超过施工船舶的作业性能,但难以保障作业人 员的安全,亦应停止作业。
5.1.11进入下列水上场所,必须正确穿戴救生衣:
(1) 在无护栏或LOm以下低舷墙的船甲板上;
(2) 在工作船、舰板、木筏、浮筒、排泥管等上;
(3) 在各类施工船舶的舷外或临水高架上;
(4) 乘坐交通工作船和上下施工船舶时;
(5) 在未成型的码头、栈桥、墩台、平台或构筑物上;
(6) 在已成型的码头、栈桥、墩台、平台或构筑物边缘2. Om范围内;
(7) 在其他水上构筑物或临水作业的危险区域。
⅛⅛f?⅞⅛C*f尊可潔心怵員忘*■乙"...........二-Li~~^^ i -—— — —C—.......—’'g5∙⅛¾j⅞as⅜⅛wgBs⅞8
5.1.12遇下列情况之一时,严禁起重吊装作业:
(1) 超载或被吊物重量不明;
(2) 无指挥或指挥信号不明;
(3) 起重设备安全装置不符合要求;
(4) 吊索系挂和附件捆绑不牢或不符合安全规定;
(5) 被吊物上站人或吊臂及被吊物下站人;
(6) 被吊物捆绑处的棱角无衬垫,边缘锋利的物件无防护措施;
(7) 被吊物埋在地下或位于水下情况不明;
(8) 夜间工作场地无照明设施或能见度不良,无法看清场地和被吊物;
(9) 越钩或斜拉;
(10) 陆上风力大于等于6级、水上工况条件超过船舶作业性能。
5.2测量作业
5.2.1测量作业前,应了解作业区域内的地势环境、施工水域的水文和气象等条件,分析 不安全因素,采取相应的安全防护措施。
5.2.2外海的施工测量平台应稳固可靠,作业时应派交通船守护。
5.2.3使用磁力仪、浅层剖面仪、声纳等水下测量设备作业,应按规定在测量船的明显处 设置号灯或号型。收放尾标电缆时,应停车并关闭电源。
5.3模板工程
5.3.1模板系统应根据混凝土的自重力、侧压力、风力、浇筑速度和其他施工荷载等验算 强度、刚度和稳定性。受潮水影响的模板系统,还应考虑水流、波浪力的作用。
5-3.2大型钢模板上应设置工作平台和爬梯,工作平台上应设置防护栏杆和限载标志。 机械吊安的模板应进行吊点设计。
5.3.3模板的制作应符合下列规定。
5.3.3.1制作模板的钢材,不得扭曲、重皮或开裂。
5.3.3.2不得使用腐朽、扭裂、多孔洞和大横节疤等木材。
5.3.3.3制作钢木结合模板时,应将钢、木加工场地分开,并及时清除锯末、刨花和 木屑。
5.3.3.4加工模板用的材料堆放应稳固,模板的堆放高度不宜超过2nlo
5.3.4模板的安装应符合下列规定。
5.3.4.1模板吊安前,应对模板和吊点进行检查。吊安时,应有专人指挥。模板未固 定前,不得进行下一道工序施工。
5.3.4.2模板安装就位后,必须立即进行支撑和固定。支撑和固定未完成前,严禁升 降或移动吊钩。
5.3.4.3模板安装处距地面或水面的高度超过2m时,应搭设脚手架或施工平台。
5.3.5利用承台底模板作为施工平台时,应留有安装和拆除模板的作业场地。
5.3.6模板的拆除与存放应符合下列规定。
5. 3. 6.1模板拆除时,承重模板应在混凝土强度达到能够承受自重及其他可能叠加 的荷载或在混凝土强度达到表5.3.6的数值后方可拆除。水下和水位变动区模板拆除时 间应适当延后。设计有规定的应按设计规定执行。
混凝土承重模板拆除时所需混凝土强度表 表5.3.6
|
序 号 |
结构型式 |
结构跨度以m) |
达到设计强度标准值的百分率(% ) |
|
1 |
板 |
L<2 |
50 |
|
2≤L≤8 |
大于75 | ||
|
Λ>8 |
100 | ||
|
2 |
梁 |
LwB |
75 |
|
£>8 |
100 | ||
|
3 |
悬臂构件 |
L≤2 |
75 |
|
L>2 |
100 |
注:混凝土设计强度标准值系指与设计的混凝土强度等级相应的混凝土立方体抗压强度标准值。
5.3.6.2应按顺序分层、分段拆除,不得留有松动或临时悬挂的模板。模板拆除下方 应设置安全警戒区。
5.3.6.3模板的存放场地应坚实、平整。
5.3.6.4大型模板应存放在专用模板架内或卧倒平放,不得直靠在其他模板或构 件上。
5.3.7清理模板或刷脱模剂应将模板支撑牢固,两片模板间应留有足够的人行通道。
5.3.8在突风频发区或台风到来前,对支设或存放的大型模板应采取加固措施。
5.4钢筋工程
5.4.1钢筋加工作业区应设置明显的警示标志。
5.4.2钢筋加工车间内的照明灯应加设安全网罩。雷雨天气不得进行露天钢筋加工 作业。
5.4.3钢筋对焊机应安装在室内或搭设的防雨棚内,并设有可靠的接地、接零装置。多 台并列安装时,其间距不应小于3m。对焊作业时,闪光区四周应设置挡板。
5.4.4绑扎的钢筋骨架高度超过2m时,应设置脚手架或作业平台,作业人员不得直接 爬踏钢筋骨架。
5.4.5钢筋骨架应有足够的稳定性,稳定性不足时应采取防倾倒措施。
5.4.6成捆钢筋和预绑钢筋骨架吊运时,应确定吊点的数量、位置和捆绑方法,不得一点 起吊。
5.4.7运送钢筋通过临时便桥应严格控制每次运送的钢筋重量。
5.4. 8船舶装运钢筋时,钢筋应均衡摆放,不得超载或偏载。
5.4.9水上大型混凝土承台施工时,承台底模板上不得集中堆放或超重码放钢筋。
5.4.10钢筋冷拉作业应符合下列规定。
12
5.4.10.1钢筋冷拉作业区的两端必须装设防护挡板。
5.4.10.2冷拉时,夹具应与钢筋卡牢。
5.4.10.3冷拉钢筋卷扬机的位置应使操作人员能见到全部冷拉场地,卷扬机与冷拉 中线距离不得小于5mo
5.4.10.4冷拉时,钢筋或牵引钢丝绳两侧3m内及冷拉线两端严禁站人或通行。
5.4.10.5在运行中遇突然停电时,必须立即关闭冷拉机械的电源。
5.4.11预应力钢筋张拉应符合下列规定。
5.4.11.1预应力钢筋的张拉线两端应设置安全防护设施。张拉时,人员不得进入张 拉区域。
5.4.11.2预应力钢绞线张拉时,操作应平稳、均匀,张拉端的正面不得站人。采用延 伸率控制时,应设置限位标志。
5.5混凝土工程
5.5.1混凝土搅拌站应按设计要求安装在有足够承载力的稳固基础上。操作平台应设 置安全护栏。
5.5.2混凝土搅拌前,操作人员应确认搅拌、供料、控制等系统运行正常。
5.5.3维修、保养或清理搅拌系统、供料系统时,必须切断电源,悬挂“严禁合闸”安全警 示标志,并派专人看守。.
5.5.4检修或清理搅拌滚筒必须封闭下料口、切断电源、悬挂“严禁合闸”安全警示标 志,并派专人看守。
5.5.5搅拌机运转时,作业人员不得将手臂伸入料斗或搅拌筒内。
5.5.6疏通搅拌机砂石下料口时,作业人员不得站在砂石料堆上操作。
5.5.7袋装水泥堆放应压茬码放整齐,高度不得超过10袋,且不得紧靠墙壁。
5.5.8采用吊罐浇筑混凝土时,起吊、运送、卸料应由专人指挥,吊罐下不得站人。
5.5.9采用泵送混凝土应符合下列规定。
5.5.9.1混凝土输送泵的安装应平整、稳定、牢固。管道布设应平顺,接头和卡箍应密 封、紧固。管道敷设后,应进行耐压试验。
5.5.9.2泵送混凝土作业前,应对泵送和布料系统进行检查。泵送混凝土时,操作人 员应随时监视各种仪表和指示灯,发现异常,应立即停机检查。
5.5.9.3浇筑混凝土时,应设专人牵引、移动输送泵岀灰软管。采用布料臂浇筑混凝 土时,布料臂下不得站人。
5.5. 9. 4拆卸混凝土输送管道接头前,应释放管内剩余压力。
5.5.9.5浇筑结束清洗管道时,作业人员不得靠近管道端部的软管。管道出口端前方 IOm内不得站人。
5.5.10混凝土振捣器的配电箱应安装漏电保护装置,接地或接零应安全可靠。移动振 捣器应切断电源,并不得使用自身电缆线直接拉动。
5∙5.11孔道高压灌浆时,喷嘴与孔口应紧固,输浆管与压浆泵应连接牢固。排浆或堵孔
13 应戴好防护眼镜,作业人员不得面对排浆孔。
5.5.12混凝土养护应符合下列规定。
5. 5.12.1使用覆盖物养护混凝土时,预留孔洞周围应设置安全护栏或盖板,并设置安 全警示标志,不得随意挪动。
5.5.12.2电热法养护混凝土应设置围栏和安全警示标志,无关人员不得进入养护 区域。
5.5.12.3洒水养护混凝土应避开配电箱和周围电气设备。
5.5.12.4高处混凝土养护宜采用自动喷淋或涂刷养护液等工艺。
5. 5.12.5高压釜蒸养混凝土构件不得超温、超压,并应符合下列规定:
(1) 蒸养前对安全装置进行检查,紧固釜盖的定位闭锁装置;
(2) 蒸养完毕,待高压釜的内外压力相等后开启釜盖。开启时操作人员位于釜盖 侧面;
(3) 定期校验压力表、温度计和安全阀等。
5.6电焊、气焊施工
5.6.1焊接作业除应按规定穿戴劳动防护用品外,尚应根据不同作业环境采取防止触 电、高处坠落、一氧化碳中毒和火灾事故的安全措施。
5.6. 2氧气瓶、乙決瓶等搬运时,不得撞击、水平滚动或剧烈振动,亦不得在烈日下暴晒。 乙供瓶使用时应立放,并采取防倾倒措施。氧气瓶和乙焕瓶间的距离不得小于5mn
5.6.3吊运氧气瓶或乙焕瓶必须使用装具。严禁使用钢绳、铁链直接捆绑或使用电磁吸 盘等进行吊运。
5.6.4氧气瓶、乙块瓶存放或使用时,严禁靠近热源或易产生火花的电气设备。
5.6.5电焊、气割等明火作业点IOm范围内,严禁存放油类、木材、氧气瓶、乙焕瓶等易 燃易爆物品或其他可燃危险物品。
5.6.6电焊机的一次侧电源线长度不得大于5m。二次侧焊接电缆线应采用防水绝缘橡 胶护套铜芯软电缆,长度不宜大于30mo进出线处应设置防护罩。
5.6.7电焊钳必须具有良好的绝缘和隔热能力。钳柄与导线必须连接牢固、接触良好。 电缆芯线严禁外露。
5.6.8电焊机应安放在干燥、通风良好的地点。露天使用的电焊机应设有防雨、防潮的 装置。移动电焊机时应切断电源。
5.6.9电焊机外壳接地电阻不得大于4Q。接地线不得利用建筑物的金属结构、管道、轨 道或其他金属物体搭接形成焊接回路。
5.6.10陆地使用交流电焊机除应在开关箱内装设一次侧漏电保护器以外,二次侧亦应 安装防触电保护器。
5.6.11承压状态下的压力容器及管道、带电设备、承载结构的受力部位或装有易燃、易 爆物品的容器严禁进行焊接或切割。使用过危险化学品的容器、设备、槽桶、管道、舱室 等,动火前必须进行清洗,并经测爆合格后方可进行焊接或切割,必要时应釆取惰性气体 14
置换措施。容器内部喷涂的油漆、塑料等应预先予以清除。
5.6.12容器内焊接作业必须设置通风、绝缘、照明装置,并设专人监护。金属容器内照 明设备的电压不得超过12Vo
5.6.13气瓶、阀门、焊炬、胶管等,均不得沾污油脂,不得使用油污手套操作。
5.6.14压力表、安全阀、橡胶软管和回火保护器等,均应定期进行校验或试验,标识应 清晰。
5.6.15在高处从事电焊、气割作业时,作业区周围和下方应采取防火措施,并应有专人 巡视。
5.6.16潮湿地带焊接作业,操作人员必须站在干燥的绝缘物体上。雨天必须停止露天 电焊作业。
5.7起重吊装
5.7.1起重吊装作业应明确作业人员分工,专人指挥,统一指挥信号。
5.7.2起重吊装所使用的钢丝绳和索具,必须有具备生产资质的制造厂商提供的出厂合 格证和材质证明。
5.7.3起重绳索必须进行受力计算,索具、滑车等必须根据计算结果合理选配。吊装前 必须对其进行检查。
5.7.4起重船、机起吊构件时,驻位应得当。起吊异型构件应根据构件的重量、重心和吊 点位置计算、配置起重绳索,并进行试吊。
5.7.5当被吊物的重量达到起重设备额定起重能力的90%及以上时,应进行试吊。
5.7.6起重吊装作业时,指挥和操作人员不得站在建筑物或构件边缘、死角等危险 部位。
5.7.7 一台起重设备的两个主吊钩起吊同一重物时,两钩升降应协调,且每个钩的吊重 不得大于其额定负荷。
5.7.8两台起重设备起吊同一重物时,必须制定专项起吊方案。起吊前必须根据重 心位置等合理布置吊点。吊运过程中,必须统一指挥,两台起重设备的动作必须协 调。各起重设备的实际起重量,严禁超过其额定起重能力的80%,且钩绳必须处于 垂直状态。
5-7.9陆用起重机在驳船上作业时,必须符合第4. 7.3条的规定,并对起重机的吊重、作 业半径做出规定。起重机、吊臂及吊钩必须设置封固装置。
5.7.10水下吊装构件应符合下列规定。
5.7.10.1构件入水后,应服从潜水人员的指挥。指挥信号不明,不得移船或动钩。
5.7.10.2构件的升降、回转速度应缓慢,不得砸、碰水下构件或船舶锚缆。
5.7.10.3水下构件吊装完毕,应待潜水员解开吊具、避至安全水域、发出指令后方可 起升吊钩或移船。
5.7.11起重吊装作业时,起重机吊臂、吊具、辅具、钢丝绳和重物等与架空输电线路的安 全距离,应符合表5.7.11的限值。
起重机吊臂等与架空输电线路的安全距离 表5.7.11
|
压(kV) 安全距离為 |
1以下 |
1 ~15 |
20 ~40 |
60-110 |
220 |
|
沿垂直方向(m) |
1.5 |
3.0 |
4.0 |
5.0 |
6.0 |
|
沿水平方向(m) |
1.0 |
1.5 |
2.0 |
4.0 |
6.0 |
5.7.12陆用或船用机械设备所使用钢丝绳的安全系数,应符合设备规格书或说明书的规定。 5.7.13起重、吊装用钢丝绳的安全系数应根据被吊物的重量和起吊方法经计算后选用, 且不宜小于表5.7.13的限值。
钢丝绳安全系数 表5.7. 13
|
用 途 |
安全系数 |
用 途 |
____安全系数 |
|
缆风绳 |
3.5 |
吊重用绳 |
5.0 〜6.0 |
|
绑扎封固用绳 |
4.0 |
捆绑吊索用绳 |
7.0 -8.0 |
|
卷扬机用绳 |
5.0 |
载人升降设备用绳 |
14.0 |
5.7.14采用绳卡固接钢丝绳时,与钢丝绳直径相匹配的绳卡数量、间距应符合表5. 7. 14 的规定。绳卡的滑鞍应设在钢丝绳受力的一侧,U形螺栓应在钢丝绳的尾端且不得正反 交错使用,最后一个绳卡距绳头的长度不得小于14OmmO
与绳径匹配的绳卡的数量和间距 表5.7.14
|
钢丝绳直径(mm) |
10以下 |
10 〜20 |
21 〜27 |
28-36 |
37 〜40 |
|
最少绳卡数(个) |
3 |
4 |
5 |
6 |
7 |
|
绳卡间距(mm) |
80 |
140 |
160 |
220 |
240 |
5.7.15采用编结方式连接钢丝绳端部时,编结部分的长度不得小于钢丝绳直径的20 倍,且不应小于30Ommo
5.7.16起重吊装前,应检查钢丝绳及其连接部位,当钢丝绳在一个节距内断丝根数达到 或超过表5.7.16-1限值时,应予报废。当钢丝绳表面锈蚀或磨损使钢丝绳直径显著减小 时,应将表5. 7. 16-1报废标准按表5.7. 16-2折减,并按折减后的断丝数报废。
钢丝绳报废标准 表5.7.16-1
|
釆用的安全系数 |
钢丝绳规格 | |||||
|
6x19 + 1 |
6x37 + 1 |
6 ×61 +1 | ||||
|
交互捻 |
同向捻 |
交互捻 |
同向捻 |
交互捻 |
同向捻 | |
|
6以下 |
12 |
6 |
22 |
11 |
36 |
18 |
|
6〜7 |
14 |
7 |
26 |
13 |
38 |
19 |
|
7以上 |
16 |
8 |
30 |
15 |
40 |
20 |
钢丝绳表面锈蚀或磨损时报废标准的折减系数 表5.7.16-2
|
钢丝绳表面锈蚀或磨损量(%) |
10 |
15 |
20 |
25 |
30 〜40 |
大于40 |
|
折减系数(%) |
85 |
75 |
70 |
60 |
50 |
报废 |
5.7.17吊装绳扣的扣头部位出现断丝时,应切弃断丝部分重新插扣。
16
5.7.18钢丝绳的断丝数量少于报废标准,但断丝聚集在小于6倍绳径的长度范围内或 集中在任一绳股里,亦应予以报废。
5.8高处作业
5.8.1高处作业应符合现行行业标准《建筑施工高处作业安全技术规范》(JGJ 80)的有 关规定。
5.8.2钢管脚手架的搭设应符合现行行业标准《建筑施工扣件式钢管脚手架安全技术 规范》(JGJ 130)的规定。
5.8.3高处作业场所的临边应设置安全防护围栏和昼夜显示的警示标志。
5.8.4高处作业的安全设施有缺陷或隐患必须及时处理,危及人身安全时必须立即停止 作业。
5.8.5高处作业现场所有可能坠落的物件均应预先撤除或进行固定。所存物料应堆放 平稳,作业工具应装入随身工具袋,拆卸的物料不得向下抛掷。
5.8.6高处作业不宜进行上下交叉作业。必须进行上下交叉作业时,应搭设安全防护棚 或采取有效的隔离措施。
5.8.7高处作业应设置爬梯,作业人员不得沿立杆或栏杆攀登。
5.8.8雨雪天气应采取防滑措施,风力大于等于6级或雷雨天气时,不得进行露天高处 作业。
5.8.9人行塔梯应根据施工需要和工况条件进行设计,并应符合下列规定。
5. 8. 9.1人行塔梯在咼度方向应每隔4 ~ 6m设一平台,踏步咼度不宜大于30Cm,踏步 梯应设置防滑设施和安全护栏。
5.8.9.2人行塔梯顶部和各阶平台应满铺防滑面板,四周应设置安全护栏。
5.8.9.3人行塔梯安放时,地基应稳固,四脚应垫平,并应用底脚螺栓等进行封固。塔 梯安放在驳船上,四脚应与甲板焊牢,必要时还应增设斜撑或缆风绳等。
5-8.9.4螺栓连接的分节塔梯,螺栓应紧固,并应采取防退扣措施。
5.8.10安全网的质量、使用和保管应符合现行国家标准《安全网)(GB 5725)的规定,出 厂合格证应妥善保管。安全网安装和使用应符合下列规定。
5.8.10.1安全网安装应系挂安全网的受力主绳,不得系挂网格绳。安装完毕应进行 检查、验收,合格后方可使用。
5. 8.10.2安全网安装或拆除应根据现场条件采取防坠落安全措施。
5.8.10.3作业面与相对基准面的高差超过3.2m且无临边防护装置时,临边应挂设 水平安全网,外侧挂立网封闭。作业面与水平安全网之间的高差不得超过3. Omo
5.8.11高处作业应正确佩戴安全带。安全带的质量、使用和保管应符合现行国家标准 《安全带》(GB 6095)的有关规定,出厂合格证应妥善保管。安全带的使用应符合下列 规定。
5-8.11.1安全带使用前应进行检查,并定期进行检验。安全带使用应高挂低用,并扣 牢在牢固的物体上。
5.8.11.2安全带的安全绳不得打结使用,亦不得将钩直接挂在安全绳上。
5.8.11.3安全带的各部件不得随意更换或拆掉。需更换新安全绳时,其规格及力学 性能必须符合规定,并应加设绳套。
5.8.11.4安全带应经常检查,发现下列情况应作报废处理:
(1) 织带磨损、灼伤、酸碱腐蚀;
(2) 织带出现明显变硬、发脆的老化现象;
(3) 金属部件磨损出现明显缺陷以及受到冲击后发生明显变形。
5.8.12安全网、安全带应由专人检查、发放和保管,并应存放在干燥、通风、避光、无化学 品污染和尖锐物的仓库或专用场所。
5.9水上抛石施工
5.9.1挖掘机、装载机等陆域施工机械临时安放在驳船上进行抛石作业应符合第4.7.3 条的规定,并应确定驳船装载量和挖掘机、装载机等在驳船上的作业条件。
5.9.2挖掘机、装载机等在驳船上作业时,驳船的纵横倾角应控制在允许范围内,且不得 超载。
5.9.3作业完毕或船舶在拖航过程中,应对挖掘机、装载机等进行封固,并将铲斗收回、 平放、封固于甲板上。
5.9.4挖掘机、装载机等在驳船上抛石应控制其旋转方向,不得将装载块石的铲斗跨越 船员室或人员。
5.9.5人工抛石作业时,抛石人员应保持适当的距离,并应先取石堆顶部块石,石堆陡坡 下不得站人。
5.9.6夜间抛石应设置足够的照明灯具,及时清理甲板上的散石,并指定专人进行安全 巡视。
5.9.7进入潜水作业区前,抛石船应与潜水负责人取得联系。配合潜水员抛石时,应服 从潜水负责人的指挥。
5.9.8开体或开底驳装载块石不得偏载或超载。
5.9.9开体或开底驳抛石应控制船位和抛石速度。
5.9.10在软土地基上抛石时,施工顺序、抛填速率和间隔时间应符合设计规定。
5.10沉排、铺排及充砂袋施工
5.10.1运输船舶靠泊铺排船应事先与铺排船取得联系,待铺排船放松靠泊侧锚缆后方 可靠泊。
5.10.2铺排船上的起重设备吊装及展开排布应有专人指挥。卷排时,排布上、滚筒和制 动器周围不得站人。
5.10.3吊运混凝土联锁块排体应使用专用吊架,排体与吊架连接应牢固。吊放排体过 程中应使用控制绳等措施控制其摆动,吊起的排体降至距甲板面Im左右时,施工人员方 可对排体进行定位。
18
5.10.4升降铺排船滑板或溜放排体时,滑板和排体上不得站人。
5.10.5充砂袋冲灌前,灌砂口、输砂管接头及高压水管接头应连接牢固。冲灌时,高压 水枪不得射向人员或电气设备。
5.10.6充砂袋或砂枕沉放前,应检查沉放架的制动装置。电器设备应设专人操控。
5.10.7水上抛放充砂袋或砂枕时,船上的活动物件应固定,作业人员不得站在船舶 舷边。
5.10.8充砂泵或高压水泵的吸头应釆用支架、滑车和绳索吊设。升降吸头不得直接提 拽泵体电缆。
5.11潜水作业
5. U. 1潜水作业应执行国家和行业主管部门有关潜水员管理的规定。
5.11.2从事潜水作业的人员必须持有有效潜水员资格证书。
5.11.3潜水最大安全深度和减压方案应符合现行国家标准《产业潜水最大安全深度》 (GB 12552)、《空气潜水减压技术要求XGB 12521)和《甲板减压舱> (GB/T 16560)的有 关规定。
5.H.4潜水员使用水下电气设备、装备、装具和水下设施时,应符合现行国家标准《潜 水员水下用电安全技术规范》(GB 16636)和《潜水员水下用电安全操作规程》(GB 17869)的有关规定。
5.H.5潜水作业现场应备有急救箱及相应的急救器具。水深超过30m应备有减用齢 等设备。
5.H.6当施工水域的水温在5。C以下、流速大于1.0m∕s或具有噬人海生物、障碍物或 污染物等时,在无安全防御措施情况下潜水员不得进行潜水作业。
511.7通风式重装潜水作业组应由指挥员、潜水员、电话员、收放供气管线人员和空压 机操作人员组成。远离基地外岀作业应具备两组潜水同时作业的能力。
5.U.8潜水员下水作业前,应熟悉现场的水文、气象、水质和地质等情况,掌握作业方法 和技术要求,了解施工船舶的锚缆布设及移动范围等情况,并制定安全处置方案。
5.11.9潜水作业时,潜水作业船应按规定显示号灯、号型。
5-11.10通风式重装潜水作业应设专人控制信号绳潜水电话和供气管线。
5.11.11潜水作业应执行潜水员作业时间和替换周期的规定。
5-11.12通风式重装潜水员下水应使用专用潜水爬梯。挂设爬梯的悬臂杠应满足强度 和刚度要求,并与潜水船、爬梯连接牢固。
5.H.13水下整平作业需补抛块石时,应待潜水员离开抛石区后方可发出抛石指令。
511.14为潜水员递送工具、材料和物品应使用绳索进行递送,不得直接向水下抛掷。
5.11.15潜水员水下安装构件应符合下列规定。
5-11.15.1构件基本就位和稳定后,潜水员方可靠近待安装构件。
51115.2潜水员不得站在两构件间操作,供气管亦不得置于构件缝中。流速较大 时,潜水员应在逆水流方向操作。
5.11.15.3构件安装应使用专用工具调整构件的安装位置。潜水员不得将身体的任 何部位置于两构件之间。
5.11.16潜水员在沉井或大直径护筒内作业应符合下列规定。
5.11.16.1作业前应清除沉井或护筒内障碍物和内壁外露的钢筋、扒钉和铁丝等尖 锐物。
5.11.16.2沉井和大直径护筒内侧水位应高于外侧水位。
5.11.16.3潜水员不得在沉井刃脚下或护筒底口以下作业。
5.12爆破作业
5.12.1从事爆破工程的施工单位及爆破作业人员必须具有相应的爆破资质证书、作业 许可证和资格证书。爆破工程施工必须取得有关部门批准。
5.12.2爆破作业应符合现行国家标准《爆破安全规程》(GB 6722)和现行行业标准《水 运工程爆破技术规范》(JTS 204)的有关规定。
5.12.3预裂爆破、光面爆破、水下拆除爆破、爆破排淤填石、水下爆破夯实、一次起爆总 装药量大于或等于0∙5t的水下钻孔爆破,大型土石方爆破,重要设施附近及其他环境复 杂、技术要求高的水运工程爆破应编制爆破设计书;其他爆破可编制爆破说明书。
5.12.4施工单位应按批准的爆破设计书或爆破说明书编制施工组织设计。爆破作业应 严格执行施工组织设计。
5.12.5爆破作业前必须发布爆破通告,其内容应包括爆破地点.每次爆破起爆时间.安 全警戒范围、警戒标志和起爆信号等。爆破作业必须设置警戒人员或警戒船,起爆前必须 按规定发出声、光等警示信号。
5.12.6爆炸源与人员、其他保护对象的安全允许距离应按地震波、冲击波和飞散物三种 爆破效应分别计算,取其最大值。
5.12.7水上运送爆破器材和起爆药包应采用专用船。当采用普通船舶时,应采取防电、 防振及隔热措施,并应避免剧烈的颠簸或碰撞。
5.12.8投药船的稳性应满足作业需要,工作舱内或甲板上不得有明显或尖锐的突出物。 电力起爆时,工作舱内不得存放任何有电源的物品。
5.12.9在波浪、流速较大的水域进行水下裸露爆破时,投药船应由定位船进行固定。
5.12.10捆扎裸露药包和配重物应在平整的地面或木质的船甲板上进行,裸露药包和配 重物捆扎应牢固结实。起爆器使用前,应将其引线进行短路。
5.12.11裸露药包临时存放应置于爆破危险区外远离建筑物、船舶和人群的专用船或陆 地上,且应派专人看守。
5.12.12水下炸礁裸露药包的配重物应具有足够的确保药包顺利自沉和稳定的重量。 药包表面应包裹良好,不得与礁石、被爆破物等碰撞或摩擦。
5.12.13安放水底的裸露药包不得拖曳。药包出现漂浮或其他异常现象时,不得起爆。
5.12.14水下电爆网路的主线和连接线应采用强度高、电阻小、防水和柔韧性好的绝缘 胶线。在波浪、流速较大的水域中,爆破主线应呈松弛状态,并扎系在伸缩性小的导向
20
绳上。
5.12.15投药船离开投放药包的地点前,潜水员必须严格检查船底、船舵、螺旋桨、缆绳 和其他咐属物是否挂有药包、导线等。
5.12.16水下爆破引爆前,潜水员必须回到船上,警戒区内的所有船舶和人员必须移至 安全地点。
5.12.17水下钻孔爆破采用边钻孔边装药的施工方法必须采取可靠的隔绝电源和防止 钻孔错位等安全措施。
5.12.18非抗水的散装炸药用金属或塑料筒加工成水下钻孔药筒,釆用沥青或石蜡封口 时,筒口应采取隔热措施。
5.12.19钻孔装药应拉稳药包提绳,配合送药杆进行。在雷管和起爆药包放入之前发生 卡塞时,应用长送药杆处理,装入起爆药包后,不得使用任何工具冲击和挤压。
5.12.20水下深孔分段装药时,各段均应装设起爆药包。各起爆药包的导线应标记 清楚。
5.12.21提升套管、护孔管或移船不得磨碰、损伤起爆导线。在水流和波浪较大的水域 中,孔口段的导线应用耐磨材料包裹防护。
5.12.22水下爆破施工必须经常对钻爆船的杂散电流进行监测。当爆破区的杂散电流 大于30mA或爆破区在高压线射频电源影响范围内时,严禁采用普通电雷管起爆。
5.12.23釆用钻孔爆破船施工时,临时存放的炸药和雷管必须分舱放置,严禁混放。
5.12.24水下安放爆炸挤淤的药包宜釆取逆风或逆流向布药。水下药包布设后,必须釆 取固定措施,药包不得随水流或波浪摆动。起爆导线应采用双芯屏蔽电缆。
5.12.25爆炸挤淤后理坡时,应对爆填形成的“石舌”进行检测,并采取防止石体坍塌的 措施。
5.12.26在覆盖水深度小于3倍药包半径的卵石河床上裸露爆破时,爆炸源与人员、其 他保护对象之间的安全距离,应与地面裸露爆破时的计算相同,并取最大值。
5.12.27爆破后应检查是否有盲炮。发现盲炮应立即进行安全警戒,并及时报告处理。 电力起爆发生盲炮应立即切断电源并将爆破网路短路。
5-12.28遇以下恶劣天气、水文情况时,应停止爆破作业,所有人员应立即撤到安全 地点:
(1) 热带风暴或台风即将来临;
(2) 雷电、暴雨雪来临;
(3) 雾天能见度不超过100m;
(4) 风力超过6级,浪高大于0.8m;
(5) 水位暴涨暴落。
5.13软基处理
5.13.1软基处理的施工场地应进行整平,3m范围内的高差不宜大于20Cmo地基承载 力较差地段应采取防止施工设备沉陷或倾覆的措施。
5.13.2软基处理施工前,应对施工机械、桩锤及附属设施进行检查、维修和保养,确保施 工设备处于良好工作状态。
5.13.3陆上两台砂桩或排水板打设机械间的安全距离应大于2. 5倍机身高度,当无法 达到2. 5倍机身高度要求时,必须采取有效的防彳顷倒措施。
5.13.4排水板打设机在斜坡上行走时,斜坡坡度不得大于设备的许用倾角。打设机不 得在斜坡上回转。
5.13.5打设排水板过程中应随时注意套管的下沉情况,当发现下沉速度突然减缓、套管 发生过量弯曲等现象时,应立即停止沉管。
5.13.6打设机械不得停放在潮汐、河水可能侵袭或雨季易于积水的地方。
5.13.7振沉砂桩或碎石桩等的桩管遇有软土层时,应控制桩管下沉速度。遇有障碍物 时,应停止沉管。
5.13.8起吊灌料斗应缓慢,不得碰撞桩管或打设架。
5.13.9向桩管内灌砂或碎石时,灌料斗的下方不得站人。操作灌料斗控制绳的人员亦 应站在安全部位。
5.13.10启动振动锤或振冲器前应发出警示信号,作业人员应撤至安全区域。
5.13.11振冲的初始阶段应控制下沉速度。发现地面异常塌陷应及时拔出振冲器,并移 开起重机。
5.13.12深层拌和处理机就位后应将机架摆放平整、稳定,并采取止动措施。处理机移 位应关闭电源,并由专人看护和移动电缆线。
5.13.13深层拌和施工时,桩架岀现摇晃、偏斜等异常现象,应立即停止作业。
5.13.14强夯机架组装应按现行行业标准《建筑机械使用安全技术规程》(JGJ 33)的有 关规定设置起重机辅助门架。
5.13.15强夯施工应设置警戒区。警戒区的警戒范围应通过试夯确定,但不得小于起重 机吊臂长度的1∙5倍。夯击时,作业人员应撤至安全区域或釆取其他可靠安全防护措施。 5.13.16修理夯锤或清理夯锤通气孔应将夯锤平放于专用支墩上,不得在吊起的夯锤下 方作业。
5.13.17履带式起重机起吊夯锤或负载行走时,总起重量不得超过允许起重量的70% , 夯锤应处于起重机的正前方,夯锤离地面的高度不宜大于0. 5mo
5.13.18在强夯过程中发生粘性土吸锤时,夯锤不得直接强行起吊。
5.13.19施工人员在各类打设机架上作业时,应符合现行行业标准《建筑施工高处作业 安全技术规范》(JGJ 80)的有关规定。
5.13.20振动锤的电缆线,宜采用悬吊方式。易磨损的部位'应采用耐磨绝缘材料进行包 扎防护,并定期检查。
5.14拆除工程
5.14.1建筑物拆除必须进行专项拆除方案设计。
5.14.2建筑物拆除应符合现行行业标准《建筑拆除工程安全技术规范》(JGJ 147)的有 22
关规定。
5.14.3拆除现场的作业区域应设置醒目的安全警示标志,并采取安全警戒措施。非作 业人员不得进入拆除区。
5.14.4建筑物拆除应采用自上而下、逐层分段、先水上后水下的拆除方法。
5.14.5拆除建筑物的栏杆、护桩、面板等构件应与结构物整体拆除相协调。承重梁、桁 架、桩等应待其所承载的全部构件拆除后,再进行拆除。
5.14.6只进行部分拆除的建筑物应先将保留部分进行加固,再进行切割式分离拆除。
5.14.7建筑物拆除施工严禁采取上下立体交叉作业的施工方法。水平作业的各工位间 距必须保持足够的安全距离。
5.14.8拆除施工必须监测被拆除建筑物的位移变化,当发现建筑物有不稳定的趋势时, 必须停止拆除作业。
5.14.9水上建筑物拆除应搭设水上工作平台或使用浮动设施进行拆除作业。作业人员 不得站在有危险的被拆除构件上作业。
5.14.10拆除梁、板或悬臂构件应事先采取有效的防止构件自行下落的措施。
5.14.11机械或人工截断基桩应将被截段系牢吊稳后方可进行截断作业。
5.14.12拆除的构件或建筑垃圾应及时清理,运至指定地点,不得高空抛下或倾入施工 水域。
5.14.13雾、雨、雪天或风力大于等于6级的天气,应停止露天拆除作业。
5.14.14当日拆除施工结束后,所有人员、船机设备及施工机具应撤至拆除物可能自行 倒塌影响范围以外。
5.14.15水上、水下建筑物的爆破拆除应符合现行国家标准《爆破安全规程)(GB 6722) 和现行行业标准《水运工程爆破技术规范》(JTS 204)的有关规定。
5.14.16爆破拆除前进行的预拆除施工不得拆除影响结构稳定的构件。
6.1 一般规定
6.1.1预制构件的起吊、出运和安装应符合第5.7节的有关规定。
6.1.2起吊混凝土预制构件时,混凝土强度应满足设计要求,设计无要求时应符合相关 规范的规定。
6.1.3被吊构件需空中翻转时,构件应保持平稳,吊高不宜过大,不得快速翻转。
6.1.4大型构件吊装应采用控制绳控制构件摆动,施工人员不得直接推拉构件。
6.2预制构件起吊、出运
6.2.1构件装驳前应制定装驳方案。
6.2.2大型或长细比大的构件吊运应根据构件外形尺寸和重量等使用专用吊具。
6.2.3起吊混凝土预制构件时,吊绳与水平面夹角不得小于45。。作业人员应避开构件 的外伸钢筋。
6.2.4大型构件吊离地面20 ~50cm时,应暂停起升,检查起重设备的制动装置、吊索受 力状态和构件平衡状态等。
6.2.5大型构件起吊应使用慢车起落,不得突然刹车。
6.2.6大型构件起吊后,船舶、机械设备操作人员不得离开工作岗位,构件在悬吊状态下 不得长时间停滞。
6.2.7拖车装运大型构件前,应检查牵引车和挂车的联接机构、制动软管等是否安全 可靠。
6.2.8构件装车、装驳应按布置图将构件装放在指定位置,并应根据构件种类、工况条件 等对构件进行封固。驳船甲板上应留有通道和必要的船员工作场地。
6.2.9起重船在吊重状态下移船时,各绞缆机应协调配合,缆绳收放速度应均匀。发现 异常,应立即停车。
6.2.10沉箱移运下水或装半潜驳前,应对通水阀门操纵系统进行检查,并应对沉箱、通 水阀门进行渗漏水检查。
6- 2.11台车一滑道工艺移运沉箱下水应符合下列规定。
6.2.11.1沉箱顶升应按确定的顶升位置摆放千斤顶,千斤顶应分级加荷、同步起升, 并应控制顶升速度与高度。
6.2.11.2台车进入沉箱底部时,施工人员不得随车进入或在沉箱下作业。
6.2.11.3沉箱移运前,应对横、纵移动轨道、台车、斜架车、场地等进行检查,并清理障 24
碍物。
6.2.11.4沉箱移运应统一指挥、缓慢启动、匀速运行,牵引绳两侧严禁站人。
6.2.11.5沉箱溜放前,应确保沿轨道运行区无障碍物、轨道螺栓齐全紧固。卷扬机、 滑车、钢丝绳等牵引系统应处于正常状态。
6.2.11.6当装载沉箱的纵移车移到斜架车上后,应将纵移车与斜架车进行封固,确认 各部位无误后方可溜放。
6.2.11.7沉箱沿滑道下水前,应掌握水文气象情况;波高大于等于Im时,不宜进行 沉箱的溜放。
6.2.11.8沉箱溜放应明确指挥信号和联系方式,信号不明时不得随意操作。
6.2.11.9沉箱处于漂浮状态之前,应按规定向沉箱各舱格内注水,并满足浮游稳定的 要求。
6.2.12气囊移运构件应符合下列规定。
6.2.12.1距气囊移运作业区周边20m处应设置安全警戒线,无关人员不得进入施工 现场。
6.2.12.2前后牵引系统、锚定设施、高压气囊等应进行受力核算。机械设备、制动系 统、限位装置、通信设备等应进行检查、维修和保养。
6.2.12.3气囊移运构件的通道应坚实、平整,不得有尖锐物及障碍物。地基承载力应 满足施工荷载的要求。通道的坡度不宜大于2%。
6.2.12.4气囊使用前,应对额定工作压力进行充气检验。气囊实际承受的裁荷应/1、 于额定工作压力。
6.2.12.5气囊充气或放气应同步、缓慢进行,并应避免部分气囊超过额定压力。作业 人员不得站在空压机输气管口或气囊充气嘴前方。
6.2.12.6利用气囊顶升构件或拆、垫支座时,施工人员不得进入构件底部作业。
6-2.12.7陆上气囊移运构件的前后牵引系统应配置同型号的卷扬机,牵引速度宜为
1∙2~1.5 m/min ,且应同步作业。移运中,钢丝绳两侧不得站人,且不得跨越行走。
6.2.12.8构件移运过程中,信号不明或发现异常情况应立即停止移运。停滞时间超 过Ih应对构件进行支垫,不得长时间以气囊作为支座。
6.2.13采用搭岸式半潜驳出运沉箱应符合下列规定。
6- 2.13.1出运码头的岸壁应设置与半潜驳相匹配的搭岸承台。
6.2.13.2出运码头与半潜驳的搭岸装置应牢固,并应铺设垫木或钢板。气囊通过接 缝时不得受到局部挤压或剪切。
6.2.13.3沉箱移入半潜驳过程中,操作人员应服从统一指挥,及时调整压载水、控制 牵引速度,甲板面与搭岸承台应始终保持在同一水平面上。
6.2.13.4沉箱移入半潜驳应在涨潮时进行,水深应满足半潜驳的重载吃水要求,最小 富余水深不得小于0. 5mo
6.2.13.5沉箱移至半潜驳的预定位置后,应在沉箱底部垫墩处码放厚度相同垫木。
6-2.13.6沉箱坐稳后应与半潜驳系牢封固缆绳。
6.2.13.7当风力大于等于6级或遇雷雨天气应停止作业。
6.2.14坐底式半潜驳出运沉箱应符合下列规定。
6.2.14.1沉箱顶升和移运应符合第6.2.11.1款至第6.2.11.4款的规定。
6.2.14.2沉箱出运时,出运码头应设置与半潜驳相匹配的坐底构筑物和系缆设施。
6.2.14.3沉箱移入半潜驳前,连接轨道应正确安装和固定。
6.2.14.4沉箱移入半潜驳后,台车应与半潜驳封固,沉箱顶部的控制缆绳应系牢。
6.2.14.5半潜驳重载起浮应缓慢调节压载水,船底脱离坐底构筑物且富余水深满足 要求后,方可将半潜驳拖离。
6.2.15半潜驳下潜、沉箱起浮时,风力、波高、流速等工况条件必须满足半潜驳作业性能 和沉箱起浮的安全要求。
6.2.16沉箱浮岀半潜驳应按浮出或助浮的专项施工方案及安全措施计划进行作业,并 指定专人统一指挥。
6.2.17沉箱近程浮运拖带应符合下列规定。
6.2.17.1沉箱吃水、压载和浮游稳定必须按相关规范进行验算,并满足要求。使用液 体压载还必须验算自由液面对浮游稳定的影响。
6.2.17.2拖航前应对拖航沿线的航道水深、航道宽度、暗礁、浅点、渔网和水产养殖区 等进行勘察,并在海图上标明。
6.2.17.3沉箱下水后应进行不少于24h的漂浮试验,无渗漏水时,方可进行简易封舱 或拖航准备。
6.2.17.4沉箱近程拖航前,应掌握中、短期水文气象预报资料。当风力不大于6级且 波高不大于1 ∙ Om时,方可启航拖运。
6.2.17.5进出港航道的富余水深应大于0∙5m,航道宽度应大于2倍的拖轮长度。港 外拖带时的水深还应考虑可能岀现的波高值。
6.2.17.6拖运沉箱应根据拖力计算和水域情况,选用足够功率并有收放拖缆设施的 拖轮。
6.2.17.7沉箱顶部应按规定设置号灯、号型,其高度不得低于2. 5m,且应明显、牢固。 启航后,沉箱上不得载人。
6.2.17.8沉箱的拖曳点可采用预埋拖环或围缆。拖环、围缆、拖缆、索具的规格应满 足安全拖带要求。拖环和围缆悬吊的位置应经计算确定。
6.2.17.9在沉箱拖航方向的外侧应标绘明显的吃水线。航行中,应随时观察沉箱吃 水变化,并做好记录。如有异常,应迅速釆取措施。
6.2.18沉箱远程浮运拖带除应符合近程拖带的有关规定外,'尚应符合下列规定。
6.2.18.1沉箱拖带前应对航线进行调查,制定航行计划,选好避风港,并提前与避风 港取得联系。
6.2.18.2拖航前应掌握本次航行区间的中长期水文气象预报资料。启航后3天内的 水文气象预报,风力不大于6级且波高不大于1 ∙ 5m时,方可启航拖运。
6.2.18.3沉箱顶面应进行水密封舱,并应在封舱盖板上设置防滑、护栏等安全防护设 施。盖板的结构应根据施工荷载经计算确定。
6.2.18.4沉箱拖航应配备不同类型的辅助船舶、水泵、动力设备、堵漏物资和具有海 上施工经验的潜水及辅助人员等。
6.2.18.5远程拖带的沉箱舱格内宜设置自动水位报警装置,拖航中应有专人监测。
6.3构件安装
6.3.1大型或复杂的构件安装应编制专项施工方案,并进行典型施工。
6.3.2安装前应根据构件的种类、形状和重量,选配适宜的起重船机设备、绳扣及吊装索 具。构件上的杂物应清理干净。
6.3.3构件起吊后,起重设备在旋转、变幅、移船和升降钩时应缓慢、平稳,吊安的构件或 起重船的锚缆不得随意碰撞或兜曳其他构件、设施等。
6.3.4构件安装应使用控制绳控制构件的摇摆,待构件稳定且基本就位后,安装人员方 可靠近。
6.3.5受风浪影响的梁、板、靠船构件等安装后,应立即釆取加固措施,避免坠落。
6.3.6吊安消浪块体的自动脱钩应安全、可靠。起吊时应待钩绳受力、块体尚未离地、挂 钩人员退至安全位置后方可起升。
6.3.7用自动脱钩起吊的块体在吊安过程中严禁碰撞任何物体。
6.3.8刚安装的扭王字块■、扭工字块、四角锥等异型块体上不得站人。需调整块体位置 应采用可靠的安全防护措施。
6.3.9吊安大型构件时,吊索受力应均匀,吊架、卡钩不得偏斜。
6.3.10大型构件安装宜使用起重船上的绞缆机钢丝绳控制其摆动。
6.3.11吊安大型水下混凝土构件的吊具宜采用锻造件。采用焊接件应对焊口进行探伤 和材质检验。
6.3.12大型构件装驳应根据驳船的稳性和构件安装时的起吊顺序绘制构件装驳布置 图,并按构件装驳布置图装船。构件装船后应根据工况条件进行封固。
6.3.13水下安装大型构件应符合第5.7.10条的规定。
6.3.14套箱或箱梁的临时支撑点应进行受力计算,支撑点的布置应合理、稳定、牢固。 套箱或箱梁安装后临时封固未完成前不得降钩或移船。
6.3.15在大圆筒上部系挂吊装索具应在其内外设置操作平台和上下人员的爬梯。
6∙ 3∙ 16吊装扶壁的绳扣应根据扶壁的外形尺寸和重心位置合理配置,扶壁起吊后,不得 发生偏斜。
6.3.17扶壁安装后应及时采取回填等防止扶壁倾覆的措施。
6∙3∙18用起重船助浮安装沉箱应待吊装绳扣受力后,方可向舱格内灌水。起重船吊重 不得超过额定负荷的80%。
6.3.19沉箱安装后,顶部应设置高潮位时不被水淹没的安全警示标志。
6∙ 3∙20沉箱安装宜在风力不大于6级,波高不大于O. 8m,流速不大于1.0∏√s的工况条 件下作业。
7.1 一般规定
7.1.1桩基施工前应对施工现场进行踏勘,并制定对临近建筑物、架空线路、管线、岸坡、 围堰等的监测方案。
7.1.2陆上施工场地应平整、无障碍物。地基承载能力应满足打桩机、起重机等的作业 要求。水上施工前应进行水深测量,并清除水下障碍物。
7.1.3作业前应对沉桩设备、安全装置进行检查,并使其处于良好状态。吊桩绳扣、滑 车、索具等应经计算后选用。
7.1.4沉桩作业区应设置明显的安全警示标志,非作业人员和非作业船舶不得进入沉桩 作业区。
7.1.5施工人员在桩架上作业应符合第5. 8节的有关规定。
7.1.6吊桩时桩锤应置于桩架底部,捆桩绳扣应采取防滑措施,不得斜拉或越钩吊桩。
7.1.7吊桩入抱桩器或套戴替打时,操作人员必须使用工具,严埜身依仟何都衍进入替 打下方或置于桩与滑道之间。
7.1.8作业人员必须沿爬梯或乘坐电梯笼上下桩架。
7.1.9沉桩过程中,桩架的电梯上不得有人。作业人员应撤至安全区域,并监视沉桩 情况。
7.1.10在沉桩过程中,柴油锤的油门绳、液压锤或振动锤的控制器应设专人操控。
7.1.11打桩过程中,作业人员严禁手拉、脚蹬运行中的滑轮、钢丝绳等。
7.1.12打桩作业停止后,桩锤和替打应落地或封固在桩架底部,吊钩应封固。
7.1.13陆域沉桩后,低于地面的桩孔或不高于地面0. 8m的管桩应设置安全护栏或盖 板,并应设置安全警示标志。
7.2陆上锤击、振动、水冲沉桩
7.2.1轨道式打桩机的轨道铺设应平顺,两轨应釆用道尺固定,枕木摆放应均匀,轨端应 设置车挡。轨道不得直接压在已打完的桩顶上。
7.2.2桩的吊点数量、位置应根据设计要求或经计算确定。起吊混凝土桩时,捆绑位置 的偏差不得大于20CmO
7.2.3打桩机应在允许的吊重和跨距范围内吊桩,桩的两端应设控制绳。
7.2.4吊桩入背板或套戴替打时,指挥人员应密切注视架上操作人员的站位和桩、锤移 动等情况,指挥信号、手势应准确。
28
7.2.5锤击沉桩过程中,指挥人员应随时观察桩、锤、替打的运行状态,发现问题应立即 停锤。
7.2.6斜桩定位时打桩机应缓慢变幅,变幅不得超过限值。
7.2.7电动振动锤使用前应测定电动机的绝缘值,且不得小于0∙5MQ,并应对电缆芯线 进行通电试验。电缆绝缘层应完好无损。
7.2.8振动沉桩应进行夹持力和减振效果的试验,满足要求后方可振动沉桩。
7.2.9电动振动锤的电缆线应釆取有效防止磨损、碰撞的保护措施。
7.2.10振动系统中的螺栓均应进行封固。
7.2.11沉桩或拔桩时,电动振动锤的电流不得超过规定值。
7.2.12水冲沉桩前,应检查射水管接头绑扎、连接是否牢固。试射水时,射水头应固定 牢固,施工人员应避开管路接头和水流喷射方向。
7.2.13水冲沉桩应根据不同土质合理控制射水嘴的入泥深度,射水嘴一次入泥不得 过深。
7.3水上锤击、振动、水冲沉桩
7.3.1水上锤击、振动、水冲沉桩应符合第7.2. 2条至第7. 2.13条的规定。
7.3.2水上打桩船和运桩船驻位应按船舶驻位图抛设锚缆,并应设置浮鼓,锚缆不得 互绞。
7.3.3船舶在陆域设置的地锚的抗拉力应满足使用要求。地锚和缆绳通过的区域应没 立明显的安全警示标志,必要时应有专人看守。
7.3.4打桩架上的作业人员应在电梯笼内或作业平台上操作。电梯笼升降应在回至水 平原位并插牢固定销后进行。
7.3.5打桩船作业时应随时观察锚缆附近的情况,注意其他作业船舶和人员的动态。移 船时锚缆不得绊桩。如桩顶被水淹没,应设置高出水面的安全警示标志。
7-3.6立桩时,打桩船应离开运桩驳船一定距离,并应缓慢、均匀地升降吊钩。
7.3.7在可能溜桩的地质条件下打桩作业应认真分析地质资料,并釆取预防溜桩的 措施。
7.3.8封闭式桩尖的钢管桩沉桩应釆取防止钢管桩上浮措施。在砂性土中施打开口或 半封闭桩尖的钢管桩应采取防止管涌措施。
7.3.9水上悬吊桩锤沉桩应设置固定桩位的导桩架和工作平台。导桩架和工作平台应 牢固可靠,并在工作平台的外侧设置安全护栏。
7.3.10沉桩后应及时进行夹桩。
7.4灌注桩
7.4.1安装钻机时,应对钻机及配套设备进行全面检查,钻机安装应平稳、牢固。钻架应 加设斜撑或缆风绳。
7.4.2钻机不得超负荷作业。提升钻头受阻时,不得强行提拔。
7.4.3当钻孔内有承压水时,护筒顶应高于稳定后的承压水位1.5 ~2. Om0
7.4.4群桩同时钻孔时,相邻施钻的孔位应保持安全距离。
7.4.5灌注桩成孔过程中地面发生大面积坍塌时,作业人员应及时撤离,并采取应急 措施。
7.4.6泥浆池的泥浆不得外泄,废浆处理应符合环保规定。泥浆池的周围应设置安全护 栏和安全警示标志。
7.4.7钢筋笼应设置吊点,必要时钢筋笼应采取整体加固措施。
7.4.8水上钢筋笼分节吊装对接宜在施工平台上设置悬吊装置。
7.4.9使用钻孔设备灌注混凝土应对钻架、吊臂、钢丝绳和索具等进行受力验算。
7.4.10冲击成孔的钻机应经常检查冲锤、钢丝绳、绳卡和吊臂等的磨损或变形。开孔 时,应低锤密击。正常冲击时,冲程应根据土质的软硬程度调整,最大冲程不宜超过4m, 并应防止发生空锤。
7.5挖孔桩
7.5.1挖孔桩施工前,应认真分析地质及地下水等资料,并制定专项施工方案。
7.5.2挖孔桩直径不宜小于l∙0m,土质应为较密实的土或岩层。土层中应无地下水或 无较大渗透水。
7.5.3桩孔内外的通信联络应畅通,桩孔周边应设置围挡及防坠落设施。
7.5.4相邻两桩同时成孔施工时,其间距应大于等于2倍桩径;当设计桩孔向阳/1、于3 倍桩径时,应采取间隔跳挖的措施。
7.5.5作业人员上下桩孔应采用专用爬梯,爬梯宽度宜为50cm,步距宜为30Cm,强度应 满足2人同时攀爬的要求。作业人员不得随吊桶上下桩孔。
7.5.6孔深超过IOm或孔内存在有害气体时,桩孔内应采取强制通风措施。挖孔桩内 的空气质量应符合现行国家标准《环境空气质量标准》(GB 3095)的有关规定。
7.5.7每班开挖均应对护壁和空气质量等进行检查,合格后方可开挖。
7.5.8作业人员在桩孔内作业时,应戴安全帽、系安全带和穿防水绝缘胶鞋。安全带的 保险绳应固定在孔口上,配合人员不得擅离职守。
7.5.9挖孔桩内临时用电的电压应为12V及以下。电缆线应为防水绝缘电缆。照明设 施应具有防水性能。
7.5.10挖孔桩施工的场地应平整,排水应通畅,孔圈应高岀孔口地面0.3m。距桩孔5. Om范围内,不得堆积弃土、重物或机具。挖孔作业时,周围通行的车辆应与挖孔桩保持足 够的安全距离。
7.5.11作业过程中应经常对挖孔桩的绞车、料桶、吊绳和连接部件等进行检查,不得将 手推车作为料桶使用。
7.5.12在非硬粘土和非完整岩层中成孔应及时对孔壁进行支护。地质较好时,每段护 壁高度宜为I-Omo地质较差时,每段护壁高度宜为0.3~0. 5m0
7.5.13采用现浇混凝土护壁时,浇注前应将上下段护壁的钩拉钢筋绑扎牢固。拆除护 30
壁模板时,混凝土强度应达到IoMPa以上。
7.5.14桩孔内的孤石宜采用膨胀法破碎。
7.5.15采用浅眼松动爆破处理桩孔内孤石应符合现行国家标准《爆破安全规程》 (GB 6722)的有关规定。爆破时,其他桩孔内的作业人员亦应全部撤离。爆破后,孔内 应通风排烟,空气质量符合标准后方可下孔作业。
7.5.16雨天不得进行挖孔桩的孔内施工。
8.1 一般规定
8.1.1深度大于等于2. Om的基坑应设置临边防护设施。深度大于等于5.0m的基坑, 或虽未达到5. Om但地质条件和周围环境复杂、地下水位在坑底以上的基坑,应制定支护 及开挖专项施工方案。
8.1.2局部或全部放坡开挖基坑的边坡应符合设计要求。当发现与地质资料不符的软 弱土层时,应与设计单位研究处理方案。
8.1.3基坑周围的机械设备和堆存的物料等距基坑边缘的距离必须满足边坡稳定或设 计的要求。
8.1.4全部放坡开挖的基坑,机械设备上下基坑时应设置专用通道。通道的地基、宽度、 坡度应满足施工和安全行车的要求。
8.1.5深基坑开挖应符合下列规定。
8.1.5.1基坑边坡、支护结构、临时围堰等应进行沉降和位移监测。
8.1.5.2在靠近建筑物、设备基础、电线杆或各种脚手架附近开挖时,应对其进行沉 降、位移观测,必要时应采取防护措施。
8.1.5.3边坡、沟槽等地段进行机械土方开挖应有专人指挥,机械与边坡、沟槽的边线 应保持一定的安全距离。
8.1.5.4基坑开挖过程中,不得碰撞支护结构、工程桩或扰动基底原状土。
8.1.5.5在山坡处开挖前,应对山体进行踏勘。基坑开挖时应对山坡进行监测,且不 得在松动土方或危石下方作业。
8.1.5.6基坑内进行上下交叉作业应釆取安全防护措施。
8.2板桩支护
8.2.1板桩的类型、规格和支护材料等应符合设计要求。
8.2.2板桩围堰的基坑必须按支护结构设计和降排水要求分层支护、分层开挖,在支撑 结构未形成前严禁超挖。
8.2.3钢板桩墙的转角桩应采用原钢板桩沿纵向割下的带锁口的肢体焊接而成的异形 板桩,围囹与板桩间应密实接触。
8.2.4板桩支护结构应按设计施工。板桩墙围囹和支撑结构上不得堆放重物或机械 设备。
32
8.3地下连续墙
8.3.1地下连续墙施工应符合现行行业标准《板桩码头设计与施工规范》(JTS 167—3) 的有关规定。
8.3.2在回填土、塌方区或土质松软的地质条件下进行的地下连续墙施工应对场地及施 工道路进行处理。地基承载力应满足施工荷载的要求。
8.3.3地下连续墙的导沟开挖段应设置导墙、围挡和安全警示标志。导墙应具有足够的 强度和稳定性。
8.3.4成槽施工中泥浆大量流失或槽壁严重坍塌必须立即停机,并及时采取处理措施。
8.3.5地下连续墙用作挡土结构应待地下连续墙的混凝土强度达到设计值后,方可按施 工程序分层开挖。
8.4沉 井
8.4.1沉井施工前,应掌握工程水文和地质资料,编制专项施工方案。毗邻的高压电线 杆、固定式机械设备和永久性建筑物等应进行沉降、位移监测。
8.4.2沉井施工作业区的四周应设置安全防护设施和警示标志。
8.4.3排水法施工应采取有效的止水和降、排水措施,并加强观测。
8.4.4沉井应设置供作业人员上下的专用爬梯。
8.4.5拆除沉井刃角侧模和垫层时,作业人员必须站在刃角外作业,严辇作业人员进入 底梁或隔墙下。
8.4.6沉井内挖土应按施工顺序开挖,挖岀的泥土应及时运走。挖土过程中应随时对沉 井进行监测,控制下沉速度,发生倾斜应及时纠偏。
8.4.7沉井采用加载助沉工艺时,加载平台应经过设计计算。加载应按设计要求分 级进行,控制沉降速率,并应进行沉降位移观测。加载助沉过程中不得进行井内其 他作业。
8.4.8水力机械挖泥时,沉井内水位应高于外侧水位。
8-4.9沉井内的水泵、水力机械、管道等施工设备应架设牢固。
8.4.10沉井内设置的浮动平台或浮具与井壁、纵横梁等应保持安全距离。
8.4.11沉井由不排水下沉转换为排水下沉时,应对沉井进行沉降位移观测,确认其稳定 后,方可从事沉井内作业。
8.4.12水下浇筑沉井封底混凝土应搭设周围设有安全护栏的工作平台。平台的承载能 力,除正常施工荷载外,还应考虑导管堵塞后混凝土的重量等荷载。
8.5基坑降水及排水
8.5.1基坑降水宜采用井点或深井降水工艺。降水井的数量、位置、深度等应经计算 确定。
8.5.2基坑四周应设置挡水围堰、排水沟和安全护栏。
8.5.3基坑每层开挖均应在完成本层降水且稳定后进行。
8.5.4降水时应加强降水井内水位及含沙量的监测,严格控制降水标高,确保降水井的 有效性。对基坑周围的建筑物,应进行沉降、位移监测。
8.5.5基坑开挖发生流沙、管涌等突发情况,应立即釆取回填土方或注水等应急措施。
8.5.6基坑降水和排水必须配备专用发电机组等备用电源。
9.1 一般规定
9.1.1工程开工前,应了解施工水域的水文、气象、地质、水上水下设施资料和港航规章, 并根据施工现场工况条件合理选择疏浚船舶。
9.1.2工程开工前,陆地吹填区域应设置安全警示标志。
9.1.3疏浚施工中挖到危险或不明物应及时报告有关部门,不得随意处置。
9.1.4疏浚船舶在库区、坝区下游或回水变动区施工应预先了解水库调度运行方式。
9.1.5水上建筑物附近疏浚作业应根据设计要求制定专项施工方案。
9.2耙吸式挖泥船
9.2.1作业时,驾驶人员应保持正规的瞭望,加强与过往船舶的联系,谨慎操作,安全会 让。情况紧急时,应主动采.取有利于防止碰撞的措施。
9.2.2下放泥耙后,泥耙的吊索应保持垂直状态,不得松弛。波浪补偿器跳动较大、耙头 工作异常应立即起耙检查,并测出船位,准确记录。
9.2.3疏浚过程中不得急剧大角度转向。遇有横向强风、流压时,船舶航向应与风向、流 向保持适当角度。
9.2.4清除耙头杂物应携带通信工具并设专人监护。作业人员应正确站位,并使用专用 工具清除。
9.2.5进入抛泥区应控制船速,逐步开启泥门。浅水区抛泥应留有适宜的富余水深。
9.2.6吹填作业应保持船舶平衡状态。靠泊码头吹填应根据潮水涨落及时调整船舶与 码头间的缆绳长度。
9-2.7遇有不良工况船身摇晃较大时,吹填作业应立即停止,并拆除管线接口。
9.2.8泥浆浓度伽玛检测仪必须由专人负责使用管理。检查或修理必须由具有相应资 质的厂家和专业人员进行。
9.3绞吸式挖泥船
9∙3∙1定位钢桩应在船舶抛锚定位后沉放。双钢桩沉放状态下,船舶不得横向移动。
9∙ 3∙ 2沉放或起升定位钢桩时,人员不得在液压顶升装置和定位钢桩附近通过或停留。
9∙ 3.3疏浚作业前,排泥管线的出泥管口应经检查确认稳固、正常,并应设置安全警示标 志。必要时应设置围挡。
9∙3∙4启动泥泵前,排泥管线附近的所有船舶和人员应撤离。
35
9.3.5检查排泥管线应携带通信工具并设专人监护。主机应预先减速或停车。
9.3.6清理绞刀或吸泥口障碍物应关闭绞刀动力源开关,锁定桥架保险销,排净回路水。 作业人员应携带通信工具,并设专人监护。
9.3.7短距离移泊时不得调整定位钢桩。长距离移泊或调遣应按船舶技术说明书对定 位钢桩进行处置或将定位钢桩放倒封固。
9.3.8水上排泥管线每间隔50m应设置一个昼夜显示的警示标志。固定浮管的锚应设 置锚标。
9.3.9泥浆浓度伽玛检测仪的使用、管理、检查或修理应符合第9.2.8条的规定。
9.3.10受风、浪影响停工时,船舶必须下锚停泊,严禁沉放定位钢桩。
9.4链斗式挖泥船
9.4.1链斗式挖泥船驻位应根据施工现场的工况,确定抛锚顺序及锚位。
9.4.2链斗式挖泥船挖泥时,应密切观察斗链运转状况和斗桥动态,发现异常或遇有水 下障碍物应立即停车检查处理。发现塌方应迅速松放主缆,移船躲避。
9.4.3卸泥槽应在泥驳靠泊挖泥船后松放,并应在泥驳解缆前绞起。
9.4.4清除泥井中障碍物时严禁斗链运转和斗桥移动。作业人员进入泥井前,必须清除 泥井上方可能坠落的物体。作业时必须设专人监护。
9.4.5在斗桥上作业时,通道及作业场所的污泥应冲洗干净,并作防滑处理。
9.4.6斗、链拆装前应显示船舶减速信号,插牢链斗保险装置。启用吊车作业应指定专 人统一指挥,明确指挥信号。
9.4.7启动链斗前应检查有无障碍物,作业人员必须离开斗、链。启动链斗时应慢车操 作,缓慢空斗旋转。
9.5抓斗式挖泥船
9.5.1抓泥作业前,抓斗机操纵人员应预先发出警示信号,人员不得进入其作业半径范 围内。
9.5.2移动抓斗时,抓斗不得碰撞泥驳或缆绳。装驳时,泥驳应根据干舷高度的变化及 时调整系缆。
9.5.3抓斗下落时不得突然刹车。开挖强风化岩时,应控制抓斗下放速度,不得强行 合斗。
9.5.4抓斗机应在允许负荷量的范围内进行操作,不得超载。抓到不明物体应立即停止 作业并探明情况。
9.5.5抓斗的索链缠绕抓斗时应立即停止作业,排除故障。作业人员不得攀爬或站在处 于悬吊状态的抓斗上作业。
9.5.6检修吊臂或其他属具应将吊臂放于固定支架上,并停车、断电、悬挂“禁止启动” 安全警示标志。
9.5.7检修、调换抓斗应将抓斗放于专用斗架上或将抓斗支撑牢固。
9.5.8拆装抓斗时,较重斗件应使用吊机或滑车组。
9.6铲斗式挖泥船
9.6.1沉放钢桩和铲斗机操纵应符合第9. 3.1条和第9. 3.2条的规定,并应按第9. 5节 的有关规定执行。
9.6.2在软土区域用钢桩进行抬船操作应均匀地对其施加压力,不得用单根钢桩抬船。
9.6.3拔出前钢桩应分级加荷,逐步拔出。
9.6.4铲斗式挖泥船前移时,后钢桩的倾斜角最大不得超过20°O
9.6.5开挖风化岩或坚硬土质应采用隔斗挖掘法。
9.7吹泥船
9.7.1吹泥前,排泥管线附近的人员和船舶应撤离,并应与排泥区作业人员取得联系。
9.7.2清理沉石箱应在关闭泵机并在操纵台上悬挂“禁止启动”安全警示标志后进行。
9.7.3吸泥管堵塞后应关闭泵机并在操纵台上悬挂“禁止启动”安全警示标志。清除堵 塞物应设专人监护。
9.8泥 驳
9.8.1泥驳不得超载。泥驳装载过程中的纵横倾角应在允许范围内。
9.8.2卸泥时,泥驳不得在横浪或转向航行过程中卸泥。
9.8.3清除泥舱内较重杂物时,绳索、卡具及捆缚方式应安全可靠。提升前,舱下人员应 撤离。用泥驳的绞缆机向外拖曳杂物时,绞缆人员应站在缆绳的侧面,其他人员不得靠近 缆绳。
9-8.4装泥过程中泥驳舱内不得打捞杂物,确需打捞时应停止装泥作业。
9-8.5泥驳的甲板工作场所及通道应保持整洁、通畅,及时清理油渍、污泥等,不得堆放 杂物。
9.9排泥管线拖运架设
9.9.1排泥管线对接时,操作人员应站在固定管线的一侧。
9-9.2调整管线对接螺栓孔的位置时,作业人员不得将手指伸入法兰孔内;紧固管线对 接螺栓时,作业人员身体的各部位不得进入排泥管下部。
9.9.3受潮水影响、斜坡段或坝顶上的管线应进行固定。
9∙9.4排泥口的管线架应稳定牢固。斜撑与水平杆应相互牵拉形成整体。
9∙9.5水上拼接管线应设专人指挥,并应由起锚艇配合,作业人员应2人以上。
9∙9∙6风浪、流速较大的水域接拆排泥管时,作业人员应系牢保险绳。工作船上应配备 带保险绳的救生圈,并设监护人员。管线晃动严重时,应停止接拆作业。
9∙9.7在通航水域沉放水下排泥管线必须申请发布“航行通告”,并设置警戒船只。
9∙9∙8挖泥船自吹注水沉管时,管线的注水端应采用管线锚予以固定,且注水速度不得
37
过快。
9.9.9空压机充气起浮水下管线时,充气管的耐压强度应满足要求,接口应绑扎连接 牢固。
9.9.10锚艇起吊水下管线时,吊力及起吊索具应计算确定,起吊应缓慢施力。
9.9.11管线拖航前,浮筒应经漂浮试验。浮筒两侧链条及卡带应完好,卡带螺栓应拧 紧,首尾管口应用堵板予以密封。
9.9.12拖航时管线两侧宜各系一根钢丝缆,连接各节浮筒,并应收紧、受力一致。
9.9.13被拖管线上应设置号灯、号型,其高度应高出管线1.5m以上。
9.9.14拖轮拖带浮筒、管线时,拖带的管线长度应根据拖轮的拖力、水文气象、航道条件 等因素确定。拖轮的拖带能力应满足在静水中的拖航速度不小于5kn的要求。拖带航行 时,风力宜小于6级。
9.9.15排泥管线需通过桥孔、桩群时,排泥管应采取固定措施。
10.1 一般规定
10.1.1施工单位应严格执行有关船舶的安全管理规定。
10.1.2船舶航行应遵守《国际海上避碰规则》和《中华人民共和国内河避碰规则》等有 关规定。
10.1.3施工船舶必须在核定航区或作业水域内施工。
10.1.4施工船舶应按规定配备有效的通信、消防、救生、堵漏设备,制定各项安全技术措 施及应急预案,并定期进行演练。
10.1.5施工船舶的梯口、应急场所等应设有醒目的安全警示标志或标识。楼梯、走廊、 通道应保持畅通。
10.1.6作业、航行或停泊时,施工船舶应按规定显示号灯或号型。
10.1.7施工船舶的各种设备、设施、安全装置及工索具等应定期进行检查、维护、保养或 更换。
10.1.8船舶甲板、通道和作业场所应根据需要设有防滑装置。在大风浪中航行或冰冻 天气作业时,甲板、通道和作业场所应增设临时安全护绳。
10.1.9上下船舶应安设跳板,张挂安全网。使用软梯上下船舶应设专人监护,并备有带 安全绳的救生圈。
10.1.10施工船舶应根据施工水域的水底土质、水深、水流、风向等,选择合适的锚型、锚 重和锚缆。
10.1.11抛锚应在专人指挥下进行,并应根据风向、潮流、水底土质等确定抛出锚缆长度 和位置,并应避开水下电缆、管道、构筑物和禁止抛锚区。
10.1.12抛锚过程中,施工船舶的锚机操作者应视锚艇和本船移动的速度以及锚缆的松 紧程度松放缆绳,不得突然刹车。
10.1.13施工船舶不得在未成型的码头、墩台或其他构筑物上系挂缆绳。
10.1.14在内河施工时,施工船舶位于或跨越航道的锚缆应采用链式沉缆。
101.15在流速较大的河段作业时,施工船舶的纵轴线应与水流方向基本一致,不宜横 流驻位;必须横流驻位时,应编制专项施工方案。
10.1.16施工船舶穿越桥孔或过江架空管、线前,必须预先了解其净空高度、宽度、水深、 流速等情况。
101.17在狭窄水道或来往船舶较多的水域施工时,通信频道应有专人值守,并及时沟 通避让方式。
10.1.18解、系缆绳作业应符合下列规定。
10.1.18.1解、系缆人员应按照指挥人员的命令进行作业,不得擅自操作。
10.1.18.2作业人员不得骑跨缆绳或站在缆绳圈内,向缆桩上带缆时不得用手握在缆 绳圈端部。
10.1.18.3绞缆时,绞缆机应根据缆绳的受力状态适时调整运转速度。危险部位有人 时,应立即停机。
10.1.18.4抛撇缆前应观察周围情况,并提示现场人员。
10.1.18.5移船绞缆应观察锚缆的状况,不得强行收绞缆绳,且不得兜曳其他物件。
10.1.18.6陆域带缆必须检查地锚的牢固性。缆绳通过的地段,必须悬挂安全警示标 志,必要时设专人看护。
10.1.18.7施工船舶靠泊后,系缆长度应根据水位变化及时调节。
10.1.19舷外作业应符合下列规定。
10.1-19.1船上应悬挂慢车信号,作业现场应设置安全警示标志。
10.1.19.2作业现场应有监护人员,并备有救生设备。
10.1.19.3船舶在航行中或摇摆较大时,不得进行舷外作业。
10.1.19.4舷外应设置安全可靠的工作脚手架或吊篮。
10.1.20使用船电作业应符合下列规定。
10.1.20.1船舶电气检修应切断电源,并在启动箱或配电板处悬挂“禁止合闸”警 示牌。
io. 1.20.2配电板或电闸箱附近应备放扑救电气火灾的灭火器材。
10.1.20.3带电作业必须有专人监护,并采取可靠的防护、应急措施。
10.1.20.4船上人员不得随意改动线路或增设电器;禁止使用超过设计容量的电器。
10.1.20.5船舶上使用的移动灯具的电压不得大于50 V,电路应设有过载和短路 保护。
10.1.20.6岸电和船电系统为中性点接地的三相交流系统时,船舶接岸电必须将岸电 接地线与船体接地设施进行可靠连接。
10.1.20.7蓄电池工作间应通风良好,不得存放杂物,并应设置安全警示标志。
10.1.21进入施工船舶的封闭处所作业应符合下列规定。
10.1.21.1施工船舶均应制定进入封闭处所作业的安全规定。
10.1.21.2施工船舶应配备必要的通风器材、防毒面具、急救医疗器材、氧气呼吸装置 等应急防护设备或设施。
10.1.21.3作业人员进入封闭处所前,封闭处所应进行通风,并测定空气质量。
10.1.21.4作业人员进入封闭处所作业时,封闭处所外应有监护人员,并确保联系 畅通。
10.1.21.5在封闭处所内动火作业前,动火受到影响的舱室必须进行测氧、清舱、测 爆。通风时,严禁输氧换气。作业时,必须将气瓶或电焊机放置在封闭处所外。
10.1.21.6封闭处所内存在接触性有毒物质时,作业人员应穿戴相应的防护用品。
10.1.22收放船舶舷梯应符合下列规定。
10.1.22.1收放舷梯应控制舷梯的升降速度,舷梯上严禁站人。
10.1.22.2舷梯、桥梯的踏步应设置防滑装置。
10.1.22.3舷梯、桥梯下应张挂安全网。
10.1.23救生艇上的设备和物资应完好有效。救生艇应按规定进行应急操作演练。
10.1.24施工船舶不得搭乘或留宿非作业人员。
10.2自航式施工船舶
10.2.1拖轮作业应符合下列规定。
10.2.1.1拖航前应制定拖带方案。
10.2.1.2拖缆施放前,作业人员应清理甲板作业区。放缆人员应理顺拖缆,并合理 站位。
10.2.1.3启拖时,拖轮应待拖缆受力后方可逐渐加速。拖航中,拖缆附近不得站人或 跨缆行走。调整拖缆应控制航行速度。
10.2.1.4拖轮傍靠被拖船时,靠泊角度不宜过大,并应控制船速。傍拖时,各系缆受 力应均衡有效。
10.2.1.5拖轮与被拖船间放置缓冲垫时,船员不得骑跨或站在舷墙上操作。
10.2.2锚艇作业应符合下列规定。
10.2.2.1抛、起、移锚应有专人指挥,正确使用车舵,控制船速。
10.2.2.2风浪中起锚时,锚艇不得横浪驻位或强行起锚。
10.2.2.3打开脱钩装置抛锚时,操作人员应站在安全、易于避让的位置。
10.2.2.4连接缆绳的卡环通过导缆孔、带缆桩时,缆绳应缓慢收放,并设专人监护。
10.2.2.5抛起锚作业时,施工船舶应与锚艇作业相协调。
lθ∙2.3交通工作船的使用应符合下列规定。
10.2.3.1交通工作船应持有有关部门签发的与施工水域相适应的有效证书。
10-2.3.2船上配备的消防、救生及通信设施应完好、有效、适用,并按规定进行标识。
lθ∙ 2.3.3交通工作船应按核定人数载人,不得超员运行或客货混装。
10.2.3.4船上严禁装载或携带易燃易爆及危险有毒物品。
10.2.3.5航行中,乘船人员不得站、坐在无安全护栏的舷边。
10.2.3.6登船和下船的乘员人数应清点和记录。
lθ∙ 2.3.7交通工作船靠泊施工船舶应预先与施工船舶取得联系,确定靠泊位置及登 船方法。
10.2.3.8乘员上下交通工作船应待船舶停稳后,按顺序上下。
10.3非自航式施工船舶
10∙3∙l驳船装载不得超宽、超载或偏载。
10.3.2起重船作业应符合下列规定。
10.3.2.1作业前,作业人员应熟悉吊装方案,明确联系方式和指挥信号。
10.3.2.2根据吊装要求,起重船应指导驳船选择锚位和系缆位置。
10.3.2.3吊装前,吊钩升降、吊臂仰俯、刹车性能应良好。安全装置应正常有效。
10.3.2.4吊装结束后,起重船应退离安装位置,并对起重吊钩进行封钩。
10.3.3打桩船作业应符合下列规定。
10.3.3.1吊桩、立桩、仰俯桩架和桩定位应服从打桩指挥人员的指挥。
10.3.3.2打桩架上的活动物件应放稳、系牢。架上的工作平台应设有安全护栏和防 滑装置。
10.3.3.3电梯笼必须设有防坠落安全装置。笼内必须装设升降控制开关。
10.3.3.4桩锤检修或加油时,严禁启动吊锤卷扬机。
10.3.3.5穿越桩群的前缆应选择合适位置;绞缆应缓慢操作,施工船舶或作业人员不 得进入缆绳两侧10.0m范围内。
10.3.3.6桩架底部两侧悬臂跳板的强度和刚度应满足作业要求。跳板的移动和封固 装置应灵活、牢固、有效。
10.3.4混凝土搅拌船作业除应符合第10.1节的有关规定外,还应符合第5. 5节的有关 规定。水上过驳供料时,抓斗吊机的安全操作应执行第9. 5节的有关规定。
10.3.5铺排船作业应符合下列规定。
10.3.5.1锚泊时,铺排的滑板应根据水文气象条件放至适宜的位置。
10.3.5.2设有滑板的侧舷严禁靠泊船舶。
10.3.5.3拖航时,滑板应拉起并与船体锁定。
10.3.6半潜驳作业应符合下列规定。
10.3.6.1装载前应确定下潜装载、航行、下潜卸载各作业阶段可能出现的工况条件下 装载物和船舶的安全性。当无资料和类似条件下施工的实例时,应进行验算。
10.3.6.2半潜驳应根据水文气象条件抛锚驻位。下潜水域应满足下潜深度要求。
10.3.6.3半潜驳下潜前,与下潜有关的设备和控制系统应经检查并处于完好状态。 甲板面上不得留有任何施工机具及材料,并应关闭水密装置。
10.3.6.4下潜或起浮应统一指挥,密切配合,协调一致。
10.3.6.5下潜时的风力、波高和流速等不得超过该船的作业技术性能指标。
10.3.6.6下潜至起浮物即将处于漂浮状态时应控制好起浮物的控制缆绳。
10.3.6.7起浮物移出半潜驳应根据风浪、水流及起浮物的牵引方式,缓慢放松控制缆 绳,不得撞击半潜驳。
10.3.6.8在起浮或下潜过程中,甲板面即将露出或浸入水面时,半潜驳的纵、横倾角 必须控制在允许范围内。
10.3.6.9半潜驳的浮力储备舱必须保持水密,严禁放置任何物品。
11.1雨 季
11.1.1雨季施工应制定防洪、防汛安全应急预案。
11.1.2雨季前,大型施工围堰、堤坝和土石边坡等应采取加固和防坍塌措施。易受水流 冲刷的部位应采取防冲或导流措施。
11.1.3雨季来临前,基坑、闸室或干施工河道的排水设施应进行检查、修复或完善。
11.1.4潮湿多雨季节必须定期检测机电设备的绝缘电阻和接地装置,不符合规定的设 备必须停止使用。电气开关必须采取防雨措施。
11.1.5雷雨季节到来前,施工现场的烟囱、水塔、高层脚手架、易燃易爆品仓库及起重、 打桩等设备的避雷装置应进行检查。
11.2 冬 季
11.2.1冬季施工现场的道路、工作平台、斜坡道和脚手板等均应采取防滑措施。
H.2.2办公、住宿或工作间严禁使用电炉、碘鸨灯等取暖。采用煤炭炉取暖必须具有防 火和防止一氧化碳中毒的措施。
11.2.3作业前,工作平台、脚手架、斜坡道和船舶甲板上的冰雪应清除干净。
11.2.4遇有雪天、风力大于等于6级的天气或电梯滑道、电缆结冰时,施工现场的外用 电梯应停止使用,并将梯笼降至底层,切断电源。
11-2.5船舶甲板上的泡沫灭火器、油水管路和救生艇的升降装置等均应采取防冻措施。 H.2.6冰冻期不宜在封冻水域进行长途调遣拖航。
lɪ. 2.7冬季施工不得攀爬结冰的登高软梯、起重臂架,不得在结冰的高处平台、水上墩 台、桩帽和横梁上作业。
11.2.8冬季施工时,冻结的氧气瓶、乙块瓶、阀门、胶管等严禁使用明火烘烤或开水加 热。采用热水解冻时水温应控制在40T以下。
1L2.9在封冻河流上施工应制定安全技术措施,并应根据当地的气温、结冰期、冰层厚 度、冰层质量、施工荷载和施工经验等确定施工工艺。施工人员和机械设备需在冰上作业 应经充分论证并进行载荷试验后方可实施。冰上作业还应满足下列要求。
11-2.9.1冰层应与水面直接接触。冰层下应无城市、工业排水或其他能加速冰层融 化的污水流过。
11∙2.9.2车辆在冰上行驶必须事先对冰路进行探测,冰路两侧应设置标志。载重车 的冰路应远离未冻实的水域30Om以上,行人冰路应远离未冻实的水域IOOrn以上。
11.2.9.3行车的冰面应平整、无凹形冰面、无冰坡、无厚雪掩盖。
11.2.9.4凿开的冰槽边缘应设置围挡。单人不得进行冰上作业。
11.2.9.5冰上使用吊机作业应在吊机下铺设钢木垫排。
11.2.9.6施工前应在冰面上设置沉降观测点,施工中应随时进行观测。当冰面发生 明显凹状变形或裂缝时,应立即停止作业。
11.2.10内河流冰期施工应及时掌握水温,流量、流速变化和上游闸坝放水信息。流冰 前,水上在建构筑物、临时设施和施工船舶等应采取防撞措施,并应在施工现场的上游布 设破冰防线。
11.3高温季节
11.3.1高温季节施工应按时发放防暑降温物品、加强饮食卫生管理、设置必要的防晒设 施。远离基地的施工现场应设置医疗救护点。
11.3.2高温季节施工应合理调整作业时间,宜避开高温时段。
11.3.3在高温条件下必须作业的场所应采取通风和降温措施。
11.3.4施工船舶的舱室应经常打开进行通风透气,并在打开的舱口处设置安全防护装 置。施工船舶的呼吸管道应保持畅通。
11.3.5施工现场使用和存放的易燃易爆物品应米取防晒措施。
11.4热带气旋季节
11.4.1施工单位应建立、健全防抗热带气旋的组织领导机构、指挥系统和应急抢险队 伍,并应根据现场情况,制定施工安全措施计划和应急预案。
11.4.2施工现场应按预案的要求对在建工程、车间、仓库、临时建筑、生活和办公用房等 进行防风加固,疏通排水沟渠,配备防抗热带气旋的材料及设施。
11.4.3陆域施工机械和运输机械应选择不被水淹、避风条件较好的存放场地。大型固 定机械应制定加固或快速拆卸方案。
11.4.4施工单位应落实船舶避风锚地和施工人员的转移地点。
11.4.5施工现场应配备防热带气旋物资和设备,并应落实监护和调遣拖轮。
11.4.6发布热带气旋警报后施工单位必须立即启动应急预案,应急工作必须符合下列 规定。
11.4.6.1防台指挥系统必须实施24h专人值班制度,并按时收听气象预报和查阅有 关台风信息,跟踪掌握热带气旋动向。
11.4.6.2陆域机械设备、施工人员必须按应急预案要求进行转移。
11.4.6.3临时发电机组、值班专车和必要的救护设备等必须提前到位。抢险队伍和 医务人员必须处于戒备状态。
11.5夜 间
11.5.1施工船舶或作业场所应设置照明设备,照度应满足施工要求。
44
11.5.2作业现场的预留孔洞、上下道口及沟槽等危险部位应设置夜间警示标志。
H.5.3探照灯或其他照明设备的光束不得直接照射施工船舶、机械的操作和指挥人员。
11.5.4施工船舶应按规定显示航行、作业和停泊的号灯。
11.5.5碍航的水上设施、未完工程应设置警示照明灯。
11.6能见度不良天气
11.6.1船舶雾航必须按《国际海上避碰规则》和《中华人民共和国内河避碰规则》的有 关规定执行。停航通告发布后,必须停止航行。
11.6.2自航施工船舶应预先了解、掌握航标布设、通航密度、船舶活动规律和锚泊船只 的分布情况及航道边缘以外水深。
11.6.3船舶航行时,驾驶人员应按规定鸣放雾号,减速慢行,注视雷达信息,并派专人进 行瞭望。
11.6.4航行中突然遭遇浓雾应立即减速,并测定船位;继续航行时,应符合第11.6.1条 和第11.6.3条的规定。
11.7无掩护水域
11.7.1施工船舶的作业性能必须满足无掩护水域的工况条件。
11.7.2施工前,施工单位应根据非自航施工船舶的数量、大小和种类,配备适量适航的 监护拖轮和救生设施。
11.7.3远离陆域基地的海上施工现场应配备通信和救护等设施,并宜设置供施工人员 临时食宿的住宿船和交通工作船。
11-7.4避风锚地应选择在相对较近、水文气象条件较好的水域。
11.7.5施工单位应向气象台站收集中长期天气及海浪预报,并每天按时收听当地的气 象和海浪预报。
11.7.6非自航施工船舶应配备防风锚,并应对锚机、锚缆采取加固、加长措施。
11.7.7停止作业后,施工船舶应将起重钩、桩锤、抓斗、臂架及属具等进行封固。
11.8其他特殊条件
118.1在可能发生地质灾害的区域内施工应相应制定预防洪水、泥石流、滑坡或塌方等 安全技术措施和应急预案。
∏.8.2傍山施工应对施工现场周边山坡上的危石进行处理。
11.8.3在风暴潮易发区施工时,临水岸坡应采取防冲、消浪等措施。
11.8.4在地震频发区施工应制定相应的安全措施和应急救援预案。
12.1施工船舶调遣
12.1.1船舶调遣前的准备应符合下列规定。
12.1.1.1施工单位必须制定调遣、拖航计划和应急预案。
12.1.1.2拖轮的功率、拖力应根据沿途水域、被拖船类型经计算确定。应急设备必须 正常。
12.1.1.3拖轮与被拖船应符合船舶法定检验规定的各项要求,并取得适拖证书。
12.1.1.4施工单位应掌握启航港和沿途数天的水文气象信息,召开调遣会议,确定开 航时间,落实安全技术措施。
12.1.1.5拖轮的拖曳设备应确保正常,并应采取防止拖缆磨损的措施。拖轮或被拖 船应根据航区配有备用拖缆及拖属具。
12.1.1.6被拖船应设置明显的吃水线标志或渗漏水警报装置。
12.1.2施工船舶封舱加固应符合下列规定。
12.1.2.1封舱加固应绘制物件摆放及封固图,并进行船舶稳性校核。船龄较长、航程 较远的船舶应对船体钢板进行测厚检查。
12.1.2.2拖轮与被拖船甲板上的各种排水设施应符合《船舶与海上设施法定检验规 则》的有关规定。
12.1.2.3拖轮与被拖船的舱口、人孔、门、窗、通风筒、空气管和拖航中暂不使用的海 底阀、舷外阀等均应水密关闭。流水口及流水孔均应保持畅通,排水活动档板应启动 灵活。
12.1.2.4锚链孔应配备防水压板,锚链管应用防水物堵塞,并包扎严密,但不得影响 紧急抛锚。
12.1.2.5被拖船的舱底泵、压载泵或其他各类的排水泵、管系及吸水口,均应保持正 常状态。
12.1.2.6无排水设备的被拖船应至少配备一台具有独立动力的移动式排水泵,并应 配备适量的堵漏器材。
12.1.2.7有船员留守的被拖船上的通信、救生、消防、应急等设备与设施应满足船舶 检验部门的要求。
12.1.2.8被拖船油舱、水舱及压载水舱应根据装载规定和稳性需要装满或排空。影 响船舶稳性的舱底水应清除。
12.1.2.9起重、打桩、疏浚等施工船舶的吊臂、桩架、臂架和活动物件,应进行封固。
46
离港后,除防风锚外,其他锚具应吊至甲板收妥封固。
12.1.2.10桩锤、替打等应平放于甲板上,并用枕木垫起,封焊牢固。水文气象条件良 好、短途调遣时,桩锤、替打宜降至桩架滑道下部进行封固,吊锤的钢索应收至受力状态。
12.1.2.11吊钩应放置在甲板上封固或在平台横梁上焊制专用吊点将其系锁牢固,吊 钩钢索应收至受力。
12.1.2.12全回转起重船的吊臂应放在固定的托架上进行封固。封固时,不得在吊臂 上直接施焊。
12.1.2.13全回转起重船、打桩船、铲斗或抓斗式挖泥船等的机身转动部分与甲板间 应垫牢、封固。
12.1.2.14具有定位钢桩的施工船舶应将钢桩卸下,封固在甲板上或按使用说明书进 行封固,伸出舷外的吊杆、跳板等均应收进船舷内固定。
12.1.2.15绞吸、链斗式挖泥船的绞刀桥架、斗桥除应用钢缆或保险杠固定外,还应用 斜撑焊接牢固。
12.1.2.16铲斗式挖泥船的铲斗、仰俯架或抓斗式挖泥船的抓斗等均应放在固定基座 上,并用松紧器与基座张拉封固。
12.1.2.17在封舱加固时,有推进器的被拖船应将尾轴与主轴脱开,尾轴和舵应固定。 12.1.3船舶调遣拖航应符合下列规定。
12.1.3.1启航后,拖航主管部门应掌握船舶的航行动态,确保通信畅通,实施24h值 班制度。
12.1.3.2拖航期间,船舶至少每隔12h收听一次气象、海浪预报,并记录风力、风向、 波高、波浪周期和48h的天气趋势。
12.1.3.3拖航过程中,被拖船的航行灯、吃水线标志及航行状态应由专人监视,并作 好记录。有留守人员的被拖船应主动与拖轮保持联系。
12.1.3.4拖轮应与岸上基地保持24h通信联络,并定时报告船位、气象、航速及航行 情况。
12.1.3.5在调遣途中需避风锚泊时,拖轮应及时报告原因及预计续航时间,并应按避 风港的港章、港规和指定地点进港停船或锚泊。
12.2施工船舶防风
12.2.1施工单位应根据船舶的抗风能力和施工水域的掩护条件、水深、风浪、水流及其 变化,制定相应的防风应急预案。
12.2.2季风季节施工应符合下列规定。
12. 2. 2.1施工船舶的抗风浪能力应满足施工水域工况条件。
12.2.2.2施工单位应每天按时收听气象和海浪预报,加强对水文气象的分析。
12.2.2.3施工船舶应储备充足的燃油、淡水、缆绳、索具、备件和生活物资、医药用 品等。
12.2.2.4季风期间,施工船舶应适度加长锚缆。风浪、流压较大时应及时调整船位。
47
12.2.2.5施工船舶的门窗、舱口、孔洞的水密设施应完好,排水系统应通畅,管系阀门 等应灵活有效。必要时应配备移动式抽水机。
12.2.2.6施工船舶上的桩架、起重臂、桥架、钩头、桩锤、抓斗和挖掘机、起重机等主要 活动设备均应备有封固装置。
12.2.2.7施工船舶应加强起重臂、打桩架、定位钢桩、臂架和锚缆等设施的观察,风浪 可能对船舶或设备造成威胁时,应停止作业。
12.2.3施工船舶防台应符合下列规定。
12.2.3.1施工单位应制定防台措施计划和应急预案,并服从有关部门的指挥。
12.2.3.2避风锚地应选择在具有天然或人工屏障,且水文条件、水域面积适宜的 水域。
12.2.3.3台风来临前,装有物资的船舶应尽快卸载,来不及全部卸载时,应调整平衡 后进行封固,并提前进入避风地点。
12.2.3.4甲板、两舷及人行通道应设置临时护绳或护栏。
12.2.3.5主机、副机、舵机、锚机等航行或锚泊重要设施严禁随意拆检。
12.2.3.6在台风期间,施工单位及施工船舶必须严格执行甚高频(VHF)守听制度, 及时收听、记录气象预报及台风警报,并在“台风位置标示图”上跟踪、标绘台风路径及未 来走向O
12.2.3.7在7级风圈半径到达前,非自航船舶和水上辅助设施应调遣至避风锚地。 自航施工船舶应根据预案和自身抗风浪能力,适时抵达避风锚地。
12.2.3.8在台风威胁中,施工单位应掌握施工船舶进入避风锚地的位置和锚泊情况, 并与施工船舶保持密切联系。
12.2.3.9在台风袭击中,施工单位在施工现场和避风锚地必须设有抗台指挥人员。 指挥人员应掌握台风动向,及时向施工现场、各施工船舶发布台风最新消息和指令。
12.2.3.10采用锚泊方式抗台时,施工船舶应与其他船舶或障碍物保持足够的距离, 并应加强值班、勤测锚位、备妥主机。
12.2.3.11抗台风时的锚泊方式,应根据地形、气象、水文、水底土质等自然条件确定。 非自航船舶宜采用单点锚泊。
三级安全教育表 表A.0.1
编号:
|
姓名 |
性别 |
身份证号码 | |||||||
|
工种 |
文化程度 |
参加工作时间 |
年 月 日 | ||||||
|
公司级安全教育 |
此处主要填写: L本单位的概况;
| ||||||||
|
讲课人 |
听课人 |
教育日期 |
年 月 H | ||||||
|
项目部(分公司)级安全教育 |
此处主要填写:
| ||||||||
|
讲课人 |
听课人 |
教育日期 |
年 月 日 | ||||||
|
班组(岗位)安全教育 |
此处主要填写:
| ||||||||
|
讲课人 |
听课人 |
教育日期 |
年 月 日 | ||||||
续表A.0.1
|
日期 |
教育形式及内容 |
成绩 | |
|
其 | |||
|
他 | |||
|
安 全 | |||
|
教 | |||
|
育 | |||
|
安 | |||
|
全 | |||
|
奖 | |||
|
惩 | |||
|
记 | |||
|
录 | |||
|
备 | |||
|
注 |
安全技术交底通知书 表B.0. 1
编号:
|
单位工程名称 |
施工内容 | ||||||
|
交底单位 |
接受交底单位 | ||||||
|
此处主要填写:
交底日期: 年 月 日 | |||||||
|
项目经理 |
项目 总工程师 |
主办 工程师 |
项目 安全管理人员 |
接受交底单位 负责人 | |||
|
接受交底单位人员签字 | |||||||
注:①本交底通知书一式四份,主办工程师、项目安全管理人员、接受交底单位负责人各一份,上报公司安全部门 一份。
②所有接受交底的人员均应在“接受交底单位人员签字”栏中签字。
c. 0.1为便于在执行本规范条文时区别对待,对要求严格程度的用词用语说明如下:
(1) 表示很严格,非这样做不可的:
正面词采用“必须”;
反面词釆用“严禁”。
(2) 表示严格,在正常情况下均应这样做的:
正面词采用“应”;
反面词采用“不应”或“不得”。
(3) 表示允许稍有选择,在条件许可时首先应这样做的:
正面词采用“宜”或“可”;
反面词采用“不宜”。
C. 0.2条文中指定应按其他有关标准、规范执行时,写法为“应符合••••••的有关规定”或 “应按••••••执行”。
附加说明
本标准主编单位、参加单位、
主要起草人、总校人员和管理组人员名单
主编单位:中国水运建设行业协会
中国交通建设股份有限公司
中交第一航务工程局有限公司
参加单位:中交第三航务工程局有限公司
中交第四航务工程局有限公司
中交天津航道局有限公司
中交上海航道局有限公司
长江航道局
上海港务工程公司
上海港建设工程安全质量监督站
主 要起草 人:周传琦(中国水运建设行业协会)
侯贵欣(中交第一航务工程局有限公司)
李庆伟(中国交通建设股份有限公司)
陈萍(交通运输部基本建设质量监督总站)
(以下按姓氏笔画为序)
王金海(中交上海航道局有限公司)
王树清(中交天津航道局有限公司)
刘长发(中交第一航务工程局有限公司)
吕永祥(长江航道局)
严顺业(中交第四航务工程局有限公司)
应敏强(上海港务工程公司)
金宏松(上海港建设工程安全质量监督站)
杨智勇(上海港务工程公司)
贺永康(中交第三航务工程局有限公司) 高蕴杰(中交上海航道局有限公司)
郭友兴(中交第三航务工程局有限公司)
魏志刚(长江航道局)
总校人员名单:胡明(交通运输部水运司)
岳铭滨(交通运输部水运司)
李德春(交通运输部水运司) 王鹏飞(交通运输部水运司)
吴敦龙(中交水运规划设计院有限公司) 李悟洲(中国水运建设行业协会) 周传琦(中国水运建设行业协会)
侯贵欣(中交第一航务工程局有限公司) 刘长发(中交第一航务工程局有限公司) 王金海(中交上海航道局有限公司) 贺永康(中交第三航务工程局有限公司) 张荣贞(中国水运建设行业协会) 董方(人民交通出版社)
管理组人员名单:周传琦(中国水运建设行业协会) 王金海(中交上海航道局有限公司) 刘长发(中交第一航务工程局有限公司) 贺永康(中交第三航务工程局有限公司) 吕永祥(长江航道局)
中华人民共和国行业标准
JTS 205—1—2008
条文说明
5.1 一般规定.................................................................................
3.1安全生产责任制
3.1.1根据《中华人民共和国安全生产法》(中华人民共和国主席令第七十号,2002年6 月29日发布)第十六条的规定制定。
3.1.2参照交通部《公路水运工程安全生产监督管理办法》(交通部令2007年第1号, 2007年2月14日发布)第二十条的规定制定。
3.2安全生产管理机构
3.2.1参照交通部《公路水运工程安全生产监督管理办法》(交通部令2007年第1号, 2007年2月14日发布)和建设部“关于印发《建筑施工企业安全生产管理机构设置及专 职安全生产管理人员配备办法》的通知”(建质[2004J213号)制定。
3.2.2交通部《公路水运工程安全生产监督管理办法》(交通部令2007年第1号,2007 年2月14日发布)第21条规定“施工现场应当按照每5000万元施工合同额配备一名专 职安全生产管理人员的比例配备,不足5000万元的至少配备一名”。
3.3安全生产教育和培训
3.3.3根据国家安全生产监督管理总局《关于特种作业人员安全技术培训考核工作的 意见》(安监管人发[2002] 124号)和《公路水运工程安全生产监督管理办法》(交通部令 2007年1号)规定了特种作业人员必须接受安全技术培训、考核和管理,并取得资格 证书。
原国家经济贸易委员会划定的特种作业人员的范围为:电工作业人员、金属焊接切割 作业人员、起重机械(含电梯)作业人员、起重信号工、企业内机动车辆驾驶人员、登高架 设作业人员、施工船舶作业人员、安装拆卸工、锅炉作业(含水质化验)人员、压力容器操 作人员、制冷作业人员、爆破作业人员、矿山通风作业人员(含瓦斯检验)、矿山排水作业 (含尾矿坝作业)人员,由省、自治区、直辖市安全生产综合管理部门或国务院行业主管部 门提出,并经国家经济贸易委员会批准的其他作业人员。
3.6安全生产专项资金
3.6.1-3.6.2财政部、国家安全生产监督管理总局联合发布的[2006]478号《高危行业 企业安全生产费用财务管理暂行办法》对施工单位的安全生产专项资金的计提和使用作 了具体规定。
3.7.1国家安全生产监督管理总局《劳动防护用品监督管理规定》(国家安全生产监督 管理总局令第1号,2005年7月8日发布)规定:“劳动防护用品分为特种劳动防护用品 和一般劳动防护用品,劳动防护用品应符合国家标准或者行业标准的要求”,“施工单位 不得釆购和使用无安全标志的特种劳动防护用品,购买的特种劳动防护用品须经检查 验收”。
3.7.4本条是根据《中华人民共和国职业病防治法》(中华人民共和国主席令第六十号, 2001年10月27日发布)的规定制定。
3.14.2根据调研目前安全技术档案主要包括:
(1) 各级安全生产委员会的会议记录、通知、通报等;
(2) 施工现场建立的安全管理体系、组织机构、人员配备及资格证书复印件;
(3) 方针目标管理、安全生产责任制、安全管理制度及实施记录;
(4) 职工三级安全教育卡、安全教育及培训记录;
(5) 特种作业人员、持证上岗人员证书等复印件;
(6) 危险源的辨识、评价和制定的相应对策资料;
(7) 安全操作规程、安全措施计划、专项安全技术措施、现场处置方案、应急救援预 案等;
(8) 安全技术交底通知单;
(9) 安全检查记录、事故隐患和处理记录、整改通知单;
(10) 安全活动记录;
(H)安全事故的报告、调查、处理及统计资料;
(12) 职业健康管理记录;
(13) 对外分包工程安全管理;
(14) 安全专项资金使用计划和使用记录;
(15) 其他。
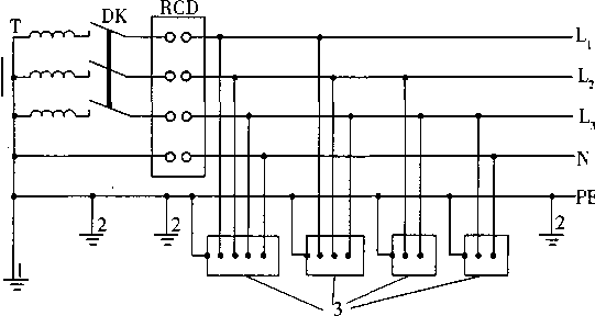
4.4.4三相五线制即TN-S接零保护系统,是指保护零线和工作零线分别设置的中性 点接地的220V/380V三相供电系统。《施工现场临时用电安全技术规范》(JGJ 46— 2005)第5.1.1条规定“在施工现场专用变压器的供电的TN-S接零保护系统中,电气设 备的金属外壳必须与保护零线连接。保护零线应由工作接地线、配电室(总配电箱)电源 侧零线或总漏电保护器电源侧零线处引出。”如附图4.4.4所示。
附图4.4.4 TN-S接零保护系统示意图
I-工作接地;2-PE线重复接地;3-电气设备金属外壳(正常不带电的外露可导电部分)iL1Λ2Λ3-相线;N-工作零线;PE-保护零线;
T-变压器;DK-总电源隔离开关;RCD-总漏电保护器(兼有短路、过载、漏电保护功能的漏电断路器)
4.5.2本条参照《施工现场临时用电安全技术规范》(JGJ 46—2005)第4.1.3条的规定 制定。
4.7.2本条根据《施工现场临时用电安全技术规范)(JGJ 46-2005)中第3.1.1条“施 工现场临时用电设备在5台及以上或设备总容量在50kW及以上者,应编制临时用电施 工设计或专项施工方案”的规定编制的。
4.7.7根据《公路水运工程安全生产监督管理办法》(交通部令2007年第1号)规定,危 险性较大的分部、分项工程包括:
(1) 不良地质条件下有潜在危险性的土方、石方开挖;
(2) 滑坡和高边坡处理;
(3) 桩基础、挡墙基础、深水基础及围堰工程;
(4) 桥梁工程中的梁、拱、柱等构件施工等;
(5) 隧道工程中的不良地质隧道、高瓦斯隧道、水底隧道等;
(6) 水上工程中的打桩船作业、施工船作业、外海孤岛作业、边通航边施工作业等;
(7) 水下工程中的水下焊接、混凝土浇注、爆破工程等;
(8) 爆破工程;
(9) 大型临时工程中的大型支架、模板、便桥的架设与拆除;桥梁、码头的加固与 拆除;
(10) 其他危险性较大的工程。
5.1.2施工船舶的各类有效的证书包括:船舶国籍证书、最低安全配员证书和船舶检验 证书等。
根据《中华人民共和国海上交通安全法》(中华人民共和国主席令第七号,1983年9 月2日公布)第七条“船长、轮机长、驾驶员、轮机员、无线电报务员话务员以及水上飞机、 潜水器的相应人员,必须持有合格的职务证书。其他船员必须经过相应的专业技术训 练”的规定,船员必须具有与岗位相适应的“适任证书”。
5.1.10各类施工船舶的作业性能不同,难以统一规定停止水上作业的工况条件。因此, 只能根据具体船舶的作业性能确定其水上作业的工况条件。
5.1.11本条中临水高架系指:挖泥船上的链斗桥架、绞刀桥架、各类打桩船上的打桩架 和其他施工船舶上的导向架.、定位架及作业平台等。
5.7.5参照《建筑机械使用安全技术规程)(JGJ 33-2001)4. 1.14条规定,试吊方法为: 起吊载荷达到起重机额定起重量的90%及以上时,应先将重物吊离地面20 ~50cm后,检 查起重机的稳定性,制动器的可靠性,重物的平稳性,绑扎的牢固性,吊索受力状态等,确 认无误后方可继续起吊,对易晃动的重物应拴好控制绳。
5.7.7 一台起重设备的两个主吊钩系指起重设备设计时配有基本相同、可协调作业的两 个主吊钩。一般大型起重船均设有两个主吊钩,有的履带式起重机也有两个主钩。而对 于有主、副两钩的起重机或起重船,则不在此列。
5.7.11本条引自《建筑机械使用安全技术规程》(JGJ 33-2001)第4.1.17条规定。
5.7.13本条是根据调研情况,参考不同行业选用的钢丝绳安全系数和起重吊装配套索 具对安全系数的规定,并结合水运工程施工的特点和多年的施工经验研究制定。主要参 考资料如下:
1.参考了《公路工程施工安全技术规程》(JTJ 076-95)第8. 8. 1条起重吊装钢丝绳 安全系数表。
|
用 途 |
安全系数 |
____用 途_____ |
安全系数 |
|
3.5 |
吊挂、捆绑用绳 |
6.0 | |
|
支承动臂用绳 |
4.0 |
—―千斤绳一 |
8.0-10.0 |
|
卷扬机用绳 |
5.0 |
缆索起重机承重绳 |
3.75 |
2.参考了原交通部第一航务工程局编制的《港口工程施工手册》中施工用钢丝绳安 全系数表。
|
_____用 途 |
安全系数 |
用 途 |
安全系数 |
|
缆风绳 |
3.5 |
吊索(无弯曲时) |
6.0~7.0 |
|
手动起重设备 |
4.5 |
绑扎吊索____ |
8.0-10.0 |
|
机动起重设备 |
5.0-6.0 |
载人升降机用绳 |
14.0 |
|
____船舶缆绳____ |
6.0-8.0 |
船舶拖缆 |
8.0-10.0 |
3.对起重吊装配套索具安全系数的调研:
市场上购买的、对生产商无特殊要求的下列产品的安全系数一般为:
(1) 起重机吊钩的安全系数:3.0-5.0(多数为5.0);
(2) 滑车或滑车组的安全系数:4.0;
(3) 卸扣(卡环)的安全系数:4.0~6.0(多数为6.0);
(4) 手拉葫芦(手搬葫芦)的安全系数:4. 0;
(5) 螺旋扣(松紧器或紧张器)的安全系数= 3.0~4.0o
5.7.14-5. 7. 16引自《建筑机械使用安全技术规程》(JGJ 33—2001 )第4. 1.20 ~ 4.1.21条的规定。
5.8.9人行塔梯是供高处作业人员上下建筑物或运送物料的登高通道,一液为钢莱结 构,断面为长方形,可拆卸后移走,亦可整体吊移;并设有斜坡式阶梯,在高度上每隔4 ~ 6m设一平台,四周和阶梯两侧均设有安全护栏。
5.8.10本条第3款参照《水电水利工程施工安全防护设施技术规范》(DL5162—2002) 第4.2.5条规定制定。
5.12.6本条引自现行国家标准《爆破安全规程XGB 6722—2003)中第6.1.1条。
7.2.13本条规定合理控制射水嘴的入泥深度,是为了防止射水嘴一次入泥过深,造成射 水管或接头爆裂。
7.4.8灌注桩的钢筋笼在水上使用方驳吊机组或起重船分节吊装对接时,由于波浪影响 被吊起的钢筋笼上下、左右晃动较大,对接作业十分危险,故推荐在施工平台上设置悬吊 装置。
9.2.8泥浆浓度伽玛检测仪内含有钻60或锚137等放射性物质,如不由专人使用管理, 易造成人员伤害和放射性污染。检查和修理时,其危害性更大,故作本规定。
9.3.7短距离移泊过程中如调整定位钢桩容易因操作不当或设施发生故障使钢桩脱落 造成安全事故,因此本条规定移泊过程中不得调整定位钢桩。长距离移泊或调遣时,为防 止定位钢桩脱落并降低船舶重心提高船舶稳性,规定应按船舶技术说明书对定位钢桩进 行处置或将定位钢桩放倒封固。
9.6.4铲斗式挖泥船利用后桩及铲斗向前移动船位时,升起两前钢桩,将铲斗定在水底. 用推压钢丝绳或背度绳收拉铲斗,将船体拉向前方。此时后钢桩随之向前倾斜,后钢桩的 倾角最大不能超过20。,否则会造成船舶设备损坏和人身伤亡事故。
9.6.5挖风化岩等坚硬土质时,如连续下斗挖掘,由于强力切削挖掘,常因操作上或土质 临空面的形状不规则等原因,把铲斗和旋回机构推向临空的一边,易造成安全事故,因此 施工中应釆用隔斗挖掘方法。
10.1 一般规定
10.1.6本条是按照《1972年国际海上避碰规则》第三章号灯和号型及《中华人民共和国 交通部沿海港口信号规定>([76]交船监字1302号)的规定制定。
10.1.18第3款中危险部位系指:缆绳受力过程中,其运动轨迹所涉及的区域。如:缆绳 附近、导缆孔及导缆柱附近等。
10.1.20第5款参照中国船级社《钢质海船入级规范(2006)》第四篇第二章第四节 2.4.4.Γ*特别狭窄、潮湿等人特别容易触电处所的插座,其最高电压不得超过50V ”和第 五节2.5.11.1的规定制定。
第6款参照中国船级社《钢质海船入级规范(2006)>第四篇第二章第三节“2. 3. 1.2 当岸电或/和船电系统为中性点接地的交流三相系统时测应设有将船体与岸地相连接的 设施”的规定制定。
10.1.21第5款依据《焊接与切割安全)(GB 9448—1999)第7.1节和第7.2. 1条的规 定制定。
10.3.6第1款装载物和船舶的安全性确定或验算的内容包括半潜驳吃水、稳性、总体强 度、甲板强度、局部承载力和装载物的强度、稳性等。
第8款半潜驳在下潜或起浮过程中,甲板面即将浸入或露出水面时,是半潜驳最危险 状态,所以每艘船纵横倾角必须按操作手册要求控制在允许范围之内。
11.1.4本条参照《建筑机械使用安全技术规程》(JGJ 33—2001)第3.1.4条和第3.4. 1 条的规定制定。
11.2冬 季
11.2.8本条参照中华人民共和国劳动部《溶解乙焕气瓶安全监察规程》(劳锅字[1993] 4号,1993年3月27日发布)第七章第六十四条和《焊接与切割安全》(GB 9448-1999) 第二分篇第10.5.4条的规定制定。
12.1施工船舶调遣
12.1.1第5款参照中国船级社《海上拖航指南》(GD 008-97)第5.3.12条“拖船至少 应有重新布置拖带系统的一套拖曳设备的备品”的规定制定。
第6款参照中国船级社《海上拖航指南》(GD 008T7)第2.4. 6条“无人居住的被拖 船舶,其出港时的首、尾吃水线以上适当位置处,通常应以不少于500mm X200mm的水平 线绘于首、尾两端,以便拖船上的瞭望船员在拖航中能识别被拖船首、尾吃水是否有异常 变化”的规定,并根据业内拖航的常规做法制定。
69