ICS 29.240.10
K 30
GB/T 18802J2—2014/1EC 61643-12:2008
代替 GB/T 18802.12—2006
!1!
LOW-VOltage SUrge PrOteCtiVe devices—Part 12: SUrge PrOteCtiVe devices COnneCte(I tolow-voltage POWer distribution SyStemS—SeleCtion and application PrinCiPIeS
(IEC 61643-12:2008 JDT)
2015-01-22 实施
2014-06-24 发布
中华人民共和国国家质量监督检验检疫总局分布 中国国家标准化管理委员会发布
附录A (资料性附录)需方和供方给出的典型资料及试验程序的解释
附录B (资料性附录)在某些系统中UC和标称电压之间的关系示例及Zno压敏电阻UP和
附录E (资料性附录)由高压系统和地之间故障引起低压系统的ToV
图 4 依据 GB/T 16895.10—2010 的 UmV最大值
图K.3 SPD在TT系统中的安装(SPD装在RCD的前方)
图N.1通过单独隔离开关(可安装在SPD壳体内)连接至总开关负载侧的SPD的电路图
图N.2与最近的可用MCB相连接的SPD连接至输入电源(在英国常见的典型TNS装置)・・・・・・100 图N.3在单相电路中SPD通过熔断器(或MCB)并联在配电盘的第一条外接电路上的
图N.4 SPD与输入电源上最近的可用断路器相连接(美国三相4W + G, TN-C-S装置)
图N.5 SPD与输入电源上最近的可用断路器相连接(美国单相(分离的)3W + G, 120/240 V
图0.3电涌过程中个人计算机/调制解调器的参考点之间所记录的电压
图().5多用途SPD应用于图().1的电路时的电压和电流波形
表 1 GB/T 16895.10—2010 给出的最大TOV(S
表P.1单次冲击耐受能力和通过全部预处理/动作负载试验的耐受能力的比值的示例
GB/T 18802«低压电涌保护器(SPD)》分为以下几个部分:
—GB 18802.1低压电涌保护器(SPD)第1部分:低压配电系统的电涌保护器性能要求和 试验方法;
—GB/T 18802.12低压电涌保护器(SPD)第12部分:低压配电系统的电涌保护器 选择和 使用导则;
——GB/T 18802.21低压电涌保护器 第21部分:电信和信号网络的电涌保护器(SPD)性能 要求和试验方法;
——GB/T 18802.22
低压电涌保护器 第22部分:电信和信号网络的电涌保护器(SPD)选择
和使用导则;
低压电涌保护器元件 低压电涌保护器元件 低压电涌保护器元件 低压电涌保护器元件
——GB/T 18802.311
第311部分:气体放电管(GDT)规范;
第321部分:雪崩击穿二极管(ABD)规范;
第331部分:金属氧化物压敏电阻(MOV)规范;
第341部分:电涌抑制晶闸管(TSS)规范。
——GB/T 18802.321
——GB/T 18802.331
——GB/T 18802.341
本部分为GB/T 18802的第12部分。
本部分代替GB/T 1.1-2009给出的规则起草。
本部分代替GB/T 18802.12—2006《低压配电系统的电涌保护器(SPD)第12部分:选择和使用 导则》。
本部分与GB/T 18802.12—2006相比,除编辑性修改外主要技术变化如下:
—调整了规范性引用文件;
—增加了 6个名词术语;
—增加了本部分所用符号一览表;
—对标准正文的条款及部分图例进行了修订;
——增加了附录M〜附录P。
本部分使用翻译法等同采用IEC 61643-12:2008«低压电涌保护器 第12部分:低压配电系统的电 涌保护器选择和使用导则》。
与本标准中规范性引用的国际文件有一致性对应关系的我国文件如下:
——GB 16916.1-2003家用和类似用途的不带过电流保护的剩余电流动作断路器(RCCB)第
1 部分:一般规则(IEC 61008-1 s1996,MOD)
—GB 16917.1-2003家用和类似用途的带过电流保护的剩余电流动作断路器(RCBO)第1 部分:一般规则(IEC 61009-1:1996,MOD)
——GB/T 16927.1-2011高电压试验技术 第1部分:一般定义及试验要求(IEC 60060-1 :2010 MOD)
—GB 18802.1-2011低压电涌保护器(SPD)第1部分:低压配电系统的电涌保护器 性能 要求和试验方法(IEC 61643-1 :2005,MoD)
——GB/T 28547—2012 交流金属氧化物避雷器选择和使用导则(IEC 60099-5:2000,NEQ)
本部分由中国电器工业协会提岀。
本部分由全国避雷器标准化技术委员会(SAC/TC 81)归口。
本部分主要起草单位:西安髙压电器研究院有限责任公司、上海电器科学研究院、上海市防雷中心。
本部分参与起草单位:深圳市盾牌防雷技术有限公司、华为技术有限公司、四川中光防雷科技股份 有限公司、德力西电气有限公司、北京突破电气有限公司、魏德米勒电联接(上海)有限公司、艾默生网络 能源有限公司、深圳市铁创科技发展有限公司、施耐德电气(中国)有限公司上海分公司。
本部分主要起草人:王新霞、颜沧苇、赵洋、周岐斌、黄勇、马勅、王碧云、常超、郭亚平、戴传友、 雷成勇、倪向宇、杨建峰、陶俊、孟奇、何亨文、刘振良。
本部分所代替标准的历次版本发布情况为:
——GB/T 18802.12—2006。
0.1总则
本部分中提到的电涌保护器(SPD)是在规定条件下,用来保护电力系统和设备免受各种瞬态过电 压(例如雷电过电压和操作过电压)和冲击电流损坏的一种保护电器。
应依据环境条件及设备和SPD可接受的失效率来选择SPDO
本部分对用户提供有关SPD选择和使用的典型资料。
本部分参照GB/T 21714.1—2008〜GB/T 21714.4-2008和GB 16895,所提供的资料是用来评估 在低压系统使用SPD的必要性。这些标准提供SPD选择和配合的资料,同时考虑其使用的所有环境 条件。例如:被保护的设备和系统性能、绝缘水平、过电压、安装方法,SPD的安装位置、SPD的配合、失 效模式和设备损坏后果。
本部分也提供进行风险分析的导则。
GB/T 16935.1-2008提供了产品绝缘配合的指导要求。GB 16895提供安全(火、过流和电击)和 安装需要。
GB 16895对SPD安装者提供直接资料。IEC/TR 62066提供了更多有关电涌保护的科学背景 资料。
0.2理解本部分内容的说明
下列章节总结了本部分的结构,并且提供了每一章节和附录所含资料的摘要。主要章节提供了有 关选择和使用SPD要素的基本资料。需要对第4章〜第7章所提供的资料有更详细了解的读者,可查 阅相应的附录。
第1章规定了本部分的范围。
第2章列出了本部分可以找到附加说明的引用标准。
第3章提供了理解本部分所用的定义。
第4章介绍了与SPD有关的系统和设备的参数,另外还讲述了由雷电产生的电应力,以及由电网 本身产生的暂时过电压和操作过电压引起的电应力。
第5章列举了选择SPD所使用的电气参数及其相关说明,这些参数涉及的数据在IEC 61643-1中 给岀。
第6章是本部分的核心,讲述了来自电网的电应力(在第4章论述)和SPD特性(在第5章论述)之 间的关系。它描述了 SPD的安装模式如何影响其保护性能,给出了选择SPD的不同步骤,包括在一个 装置中使用多个SPD之间的配合问题(附录F中详细给出了配合的要点)。
第7章是风险分析的简介(考虑何时使用SPD是有益的)。
第8章是信号和电源线之间的配合(正在考虑中)。
附录A论述了投标需要的资料并解释了 IEC 61643-1中采用的试验程序。
附录B提供了 SPD两个重要参数之间的关系示例,即ZnO压敏电阻的UC和Up,同时还列举了 UC 和电网标称电压之间关系的示例。
附录C补充了第4章给出的低压系统中电涌电压的资料。
附录D论述了不同接地系统之间的雷电流分配的计算。
附录E论述了由高压系统故障引起的暂时过电压的计算。
附录F为第6章中关于一个系统使用多个SPD时配合原则的补充资料。
附录G给出了本部分使用的具体示例。
附录H给出了风险分析应用的具体示例。
附录1是第4章中有关系统电应力的补充资料。
附录J是第5章中SPD选择标准的补充资料。
附录K是第6章中关于在各种低压系统中SPD应用的补充资料。
附录L是第7章中关于风险分析中所使用的参数的补充资料。
附录M讨论了抗扰度与绝缘耐受的不同之处。
附录N是在一些国家中配电盘上安装SPD的实际示例。
附录()讨论了当设备具有信号端口和电源端口时的配合问题。
附录P提供了短路后备保护和电涌耐受相关信息。
低压电涌保护器(SPD)
1范围
GB 18802的本部分适用于连接到交流50 HZ〜60 Hz、电压不超过1 000 V,或直流电压不超过
1 500 V的SPD的选择、运行、安装位置和配合原理。
注1:对特殊应用,如电力牵引等需提出附加要求。
注 2:应注意 GB 16895 和 GB/T 21714.4—2008 也适用。
注3:本部分只论述SPD.而不涉及含在设备内部的SPD元件。
2规范性引用文件
下列文件对于本文件的应用是必不可少的。凡是注日期的引用文件,仅注日期的版本适用于本文 件。凡是不注日期的引用文件,其最新版本(包括所有的修改单)适用于本文件。
GB 4208—2008 外壳防护等级(IP 代码XIEC 60529 :2001 JDT)
GB/T 16895.10-2010 低压电气装置 第4-44部分:安全防护 电压骚扰和电磁骚扰防护 (IEC 60364-4-44:2007,IDT)
GB 16895.21—2011 低压电气装置 第4-41部分:安全防护 电击防护(IEC 60364-4-41 :2005, IDT)
GB 16895.22-2004建筑物电气装置 第5・53部分:电气设备的选择和安装 隔离、开关和控制 设备 第 534 节:过电压保护电器(IEC 60364-5-53:2001 Als2002,IDT)
GB/T 16935.1-2008低压系统内设备的绝缘配合 第1部分:原理、要求和试验(IEC 60664-1: 2007, IDT)
GB 17464-2012连接器件电气铜导线螺纹型和无螺纹型夹紧件的安全要求适用于 0.2 mm2以上至35 mm2(包括)导线的夹紧件的通用要求和特殊要求(IEC 60999-1: 1999 Ed.2,IDT)I)
GB/T 17626.5—2008电磁兼容 试验和测量技术 浪涌(冲击)抗扰度试验(IEC 61000-4-5: 2005, IDT)
GB/T 18802.21—2004低压电涌保护器 第21部分:电信和信号网络的电涌保护器(SPD)—— 性能要求和试验方法(IEC 61643-21 :2000,IDT)1>
GB/T 18802.22-2008低压电涌保护器 第22部分:电信和信号网络的电涌保护器(SPD)选 择和使用导则(IEC 61643-22:2004,1DT)D
GB/T 21714.1—2008 雷电防护 第 1 部分:总则(IEC 62305-1 :2006,IDT)
GB/T 21714.2—2008 雷电防护 第 2 部分:风险管理(IEC 62305-2:2OO6,IDT)
GB/T 21714.4—2008 雷电防护 第4部分:建筑物内电气和电子系统(IEC 62305-4:2006,IDT)
IEC 60060-1高电压试验技术 第1部分:一般定义和实验要求(High∙voltage test techniques—
Part 1 :General definitions and test requirements)
IEC 60099-5 避雷器 第 5 部分:选择和使用导则(SUrge arresters—Part 5: SeIeCtiOn and application recommendations)2'
IEC 61008-1家用和类似用途的不带过电流保护的剩余电流动作断路器(RCCB)第1部分:一 般规贝I]( ReSidUal CUrrent OPerateCl CirCUit-breakers WithOUt integral OVerCUrrent PrOteCtiOn for household and SimiIar uses( RCCBS)—Part ɪ :Cxeneral rules)
IEC 61009-1家用和类似用途的带过电流保护的剩余电流动作断路器(RCBOS)第1部分:总则 (ReSidUal CUrrent OPerated CirCUit-breakers With integral OVerCUrrent PrOteCtiOn for household and Similar USeS (RCBoS)—Part 1: General rules)
IEC 61643-1低压电涌保护器(SPD)第1部分:低压配电系统的电涌保护器性能要求和试验 方法(LoW-VOItage SUrge PrOteCtiVe CleViCeS—Part 1 ∙ Surge PrOteCtiVe devices COnneCted to iow-voltage POWer distribution SyStemS—ReqUirementS and tests)
3术语和定义、缩略语
3.1术语和定义
IEC 61643-1界定的以及下列术语定义适用于本文件。
3.1.1
电涌保护器 SUrge PrOteCtlVe device
SPD
用于限制瞬态过电压和泄放电涌电流的电器,它至少包含一个非线性的元件。
LlEC 61643-1,定义 3.1]
3.1.2
持续工作电流 COntinUOUS OPerating CUrrellt
ʃe
在最大持续工作电压(UC)下,流过SPD每种保护模式的电流值。
3.1.3
最大持续工作电压 maximum COntinUOUS OPerating VOItage
UC
可连续地施加在SPD保护模式上的最大交流电压有效值或直流电压。
LlEC 61643-1,定义 3.11]
3.1.4
电压保护水平 VOltage PrOteCtiOn IeVel
UP
表征SPD限制接线端子间电压的性能参数,其值可从优选值的列表中选择。该值应大于限制电压 的最高值。
[IEC 61643-1,定义 3.15]
3.1.5
限制电压 IneaSUred Iilniting VOltage
Um
施加规定波形和幅值的冲击时,在SPD接线端子间测得的最大电压峰值。
[IEC 61643-1,定义 3.16]
3.1.6
残压 residual VOltage
U心
放电电流流过SPD时,在其端子间产生的电压峰值。
[IEC 61643-1,定义 3.17]
3.1.7
SPD 暂时过电压试验值 tempOrary OVerVoItage test VaIUe Of the SPD
UT
施加在SPD上并持续一个规定时间的试验电压,以模拟在TOV条件下的应力。
注1:采纳IEC 61643-1中3.18,并増加注2。
注2: Uτ是制造厂宣称的电压值,在该电压下,SPD在给定时间内具有规定的特性(这表示施加暂时过电压后性能 无变化,或者这种故障对人、设备或装置无伤害)。
3.1.8
电力系统暂时过电压 tempOrary OVerVOItage VaIUe Of the POWer SySteln
UTCV
在电网给定区域,持续时间相对较长的工频过电压。TOV是由LV系统(UToV(LV))或HV系统 (UTOV(HV))内部故障产生的过电压。
注:暂时过电压.典型持续时间可达几秒钟,通常是由开关操作或故障(例:甩负荷、单相接地故障等)引起的和/或 由非线性(铁磁共振效应、谐波等)引起的。
3.1.9
标称放电电流 nominal (IiSCharge CUrrent
In
流过SPD具有8/20波形的电流峰值,用于∏类试验的SPD分类以及I类、Il类试验的SPD的预 处理试验。
LlEC 61643-1 ,定义 3.8]
3.1.10
冲击电流 impulse CUrrelIt
LmP
由三个参数来定义:电流峰值IP电荷量Q和比能量W/R。其试验应根据动作负载试验的程序 进行,用于I类试验的SPD分类试验。
[1EC 61643-1 ,定义 3.9]
3.1.11
复合波 COmbinatiOn WaVe
复合波由冲击发生器产生。开路时施加1.2/50冲击电压,短路时施加8/20冲击电流。提供 给SPD的电压、电流幅值及其波形由冲击发生器和受冲击作用的SPD的阻抗而定。开路电压峰 值和短路电流峰值之比为2。;该比值定义为虚拟阻抗乙。短路电流用符号九表示。开路电压用 符号UeX表示O
EIEC 61643-1,定义 3.24]
3.1.12
8/20 冲击电流 8/20 CUrrent impulse
视在波前时间为8 “s,半峰值时间为20 μs的冲击电流。其中:
——波前时间根据IEC 60060-1的定义为1.25 X (Go-^io) ^9O和少。指波形上升沿中峰值的90% 和10%的点。
—一半峰值时间指视在原点至下降沿中峰值的50%点的之间时间。视在原点指波形上升沿中经 过峰值的10%和90%二点画的直线后与I = O直线的交点。
LIEC 61643-1 ,定义 3.23]
3.1.13
1.2/50 冲击电压 1.2/50 VOItage impulse
视在波前时间为1.2卩s,半峰值时间为50 μs的冲击电压,其中:
—波前时间根据IEC 60060-1的定义为L67X(d—侦),其中项和允。指波形上升沿中峰值的 90%和30%的点。
—半峰值时间指视在原点至下降沿中峰值的50%点之间的时间。视在原点指波形的上升沿中 经过峰值的30%和90%二点画的直线与U=O直线的交点。
[IEC 61643-1,定义 3.22]
3.1.14
热崩溃 thermal runaway
当SPD承受的功率损耗超过外壳和连接件的散热能力,引起内部元件温度逐渐升高,最终导致其 损坏的过程。
ElEC 61643-1,定义 3.25]
3.1.15
热稳定 thermal Stability
在引起SPD温度上升的动作负载试验后,在规定的环境温度条件下,给SPD施加规定的最大持续 工作电压,如果SPD的温度能随时间而下降,则认为SPD是热稳定的。
[IEC 61643-1,定义 3.26]
3.1.16
SPD 的脱离器 SPD disconnector
把SPD从电源系统断开所需要的装置(内部的和/或外部的)。
注:这种断开装置不要求具有隔离能力,它防止系统持续故障并可用来给岀SPD故障的指示。
可具有多于一种的脱离器功能,例如过电流保护功能和热保护功能。这些功能可以组合在一个装置中或由几 个装置来完成。
[IEC 61643-1,定义 3.29]
3.1.17
型式试验 type tests
一种新的SPD设计开发完成时所进行的试验,通常用来确定典型性能,并用来证明它符合有关标 准。试验完成后一般不需要再重复进行试验,除非当设计改变以致影响其性能时,才需重新做相关项目 试验。
[IEC 61643-1,定义 3.31]
3.1.18
常规试验 routine tests
按要求对每个SPD或其部件和材料进行的试验,以保证产品符合设计规范。
EIEC 61643-1,定义 3.32]
3.1.19
验收试验 acceptance tests
经供需双方协议,对订购的SPD或其典型样品所做的试验。
LIEC 61643-1,定义 3.33]
3.1.20
外壳防护等级(IP 代码)degrees Of PrOteCtiOn PrOVided by enclosure (IP Code)
外壳提供的防止触及危险的部件、防止外界的固体异物进入和/或防止水的进入壳内的防护程度 (见 GB 4208—2008) β
ClEC 61643-1,定义 3.30]
3.1.21
电压降(用百分数表示)VOltage drop (in Per Cent)
△U = [5入 一 U输出)∕L7λλ ] X 100%
式中:
UM——输入电压;
U.出一同一时刻在连接额定阻性负载条件下测量的输岀电压,该参数仅适用于二端口 SPDO
LIEC 61643-1,定义 3.20]
3.1.22
插入损耗 insertion IOSS
在给定频率下,连接到给定电源系统的SPD的插入损耗定义为:电源线上紧靠SPD接入点之后, 在被试SPD接入前后的电压比,结果用分贝表示。
注:其要求和试验正在考虑中。
CIEC 61643-1 ,定义 3.21]
3.1.23
二端口 SPD 的负载端电涌耐受能力 IOad-Side SUrge WithStand CaPability for a two-port SPD 二端口 SPD输出端子耐受其下游负载侧产生的电涌的能力。
LIEC 61643-1,定义 3.19]
3.1.24
耐受短路电流 ShOrt-CirCUit WithStand
SPD能够承受的最大预期短路电流值。
注1 :采纳IEC 61643-1中3.28,并增加注2。
注2:本定义指直流和50/60 HZ交流。对二端口 SPD或输入/输岀分开的一端口 SPD,两种耐受短路电流可以定 义为:一种相当于内部短路电流(内部带电部分旁路),另一种相当于直接在输出端的外部短路电流(负载失 效)。在IEC 61643-1中,耐受短路电流试验仅为内部短路,外部短路试验待定。
3.1.25
—端口 SPD One-POrt SPD
SPD与被保护电路并联。一端口能分开输入端和输出端,在这些端子之间没有特殊的串联阻抗。
注1:采纳IEC 61643-1中3.2,并增加注2。
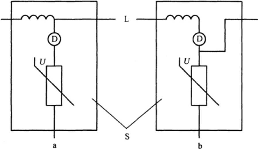
注2:图1为一些典型的一端口 SPD和一端口 SPD的示意图(图lc)β 一端口 SPD可并联,如图la;或和电源线连 接,如图lb。第一种情况是负载电流不流过SPD。第二种情况是负载电流流过SPD且在负载电流作用下,它 的温度会上升,相关的最大允许负载电流或许同一个二端口 SPD 一样。图3b和3d为各种类型的一端口 SPD对复合波发生器施加的8/20冲击的响应波形。
3.1.26
二端□ SPD two-port SPD
有两组输入和输出接线端子的SPD,在这些端子之间有特殊的串联阻抗。
注1:采纳IEC 61643-1中3.3,并增加注2。
注2:输入端限制电压可能比输出端电压高。因此,被保护设备应和输出端相连接。图2为典型的二端口 SPD。图 3e和图3f为二端口 SPD对复合波发生器施加的8/20冲击的响应波形。
3.1.27
电压开关型 SPD VOltage SWitChing type SPD
没有电涌时具有高阻抗,当对电涌电压响应时能突变成低阻抗的SPDO
注1:电压开关型SPD常用的元件有放电间隙,气体放电管(GDT),晶闸管(可控硅整流器)和三端双向可控硅开关 元件。
注2:采纳IEC 61643-1中3.4,并增加注3β
注3:电压开关型元件有不连续的U-I特性.图3c为典型的电压开关型SPD对复合波发生器施加的冲击的响应 波形。
SPD
说明:
a——口 SPD;
b―输人/输出分开的一端口 SPD;
C--端口 SPD的通用符号。
图1 一端口 SPD的示例

说明:
a——三端子二端口 SPD;
b —四端子二端口 SPD;
C—二端口 SPD的通用符号;
Z—输入端和输岀端之间的串联阻抗。
图2二端口 SPD的示例
说明:
a--施加的电流波;
b―电压限制型SPD的响应;
C—电压开关型SPD的响应;
d—复合型一端口 SPD的响应;
e—复合型二端口 SPD的响应;
f—带滤波器的二端口电压限制型SPD的响应。
注:电压水平仅是示意而不是实际值。
图3 —端口和二端口 SPD对复合波冲击的响应波形少
3.1.28
电压限制型 SPD VoItage Iimiting type SPD
没有电涌时具有高阻抗,但是随着电涌电流和电压的上升,其阻抗将持续地减小的SPD。
注1:常用的非线性元件是:Zn()压敏电阻和抑制二极管.这类SPD有时也称作“箝位型SPD∖
注2:采纳IEC 61643-1中3.5,并增加注3β
注3:电压限制型元件具有连续的U-I特性,图3b是一个典型的电压限制型SPD对复合波发生器产生的冲击的 响应。
3.1.29
复合型 SPD COmbinatiOn type SPD
由电压开关型元件和电压限制型元件组成的SPD,其特性随所加电压的特性可以表现为电压开关 型、电压限制型或两者皆有。
注,采纳IEC 61643-1中3.6,并增加注2β
注2:图3d和图3e是不同典型的复合型SPD对复合波冲击的响应。
3.1.30
保护模式 modes Of PrOteCtiOn
SPD保护元件可以连接在相对相、相对地、相对中线、中线对地及其组合。这些连接方式称作保护 模式。
CIEC 61643-1,定义 3.7]
3.1.31
续流 follow CUrrent
冲击放电电流以后,由电源系统流入SPD的电流。续流与持续工作电流L有明显区别。
[IEC 61643-1,定义 3.13]
3.1.32
H 类试验最大放电电流 maximum discharge CUrrent for CIaSS ɪɪ test
ʃ max
流过SPD,具有8/20波形电流的峰值,其值按∏类动作负载的程序确定。1吋大于∕nβ
LlEC 61643-1,定义 3.10]
3.1.33
劣化 degradation
由于电涌,使用或不利环境的影响造成SPD原始性能参数的变化。
注1:釆纳IEC 61643-1中3.27,并增加注2.
注2:劣化是对SPD在设计寿命期内环境耐受能力的一种测量方法,劣化用两种型式试验方法考核,一个是动作负 载试验,另一个是老化试验,两个方法也可以结合起来进行。
动作负载试验是对SPD施加规定次数规定电流波形的试验,SPD性能变化的允许范围见IEC 61643-1 o
老化试验是在特定温度下,在一个规定时间内,对SPD施加规定幅值的电压,本部分给出了 SPD性能允许变 化范围(该试验待定)。
根据以下内容确定SPD预期使用寿命:
—替代方式,
—使用场合和可行性;
—可接受的失效率J
——运行经验。
3.1.34
剰余电流装置 residual CUrrent device
RCD
在规定的条件下,当剩余电流或不平衡电流达到给定值时能使触头断开的机械开关电器或组合电器。
LIEC 61643-1 ,定义 3.37]
3.1.35
系统标称电压 nominal VOItage Of the SyStem
系统或设备标明的电压,某些工作特性与该电压有关(如230/400 V)O
注1:在系统标称条件下,供电端的电压可能不同于标称电压,由供电系统的偏差来决定,本部分允许有±10%的 偏差。
注2:相对地系统标称电压称为U-
注3:系统标称的相对中性线的电压称为Ug
3.1.36
冲击试验分类 impulse test CIaSSifiCatiOlI
3.1.36.1
I 类试验 CIaSS I test
按3.1.9定义的标称放电电流(九)、3.1.13定义的1.2/50冲击电压和3.1.10定义的I类试验的最 大冲击电流LmP进行的试验。
3.1.36.2
II 类试验 CIaSS U test
按3.1.9定义的标称放电电流(/„).3.1.13定义的1.2/50冲击电压和3.1.32定义的II类试验的最 大放电电流ImAX进行的试验。
3.1.36.3
皿类试验CIaSS In test
按3.1.11定义的复合波(1.2/50,8/20)进行的试验。
注:采纳 IEC 61643-1 中 3.350
3.1.37
额定负载电流 rated IOad CUrrent
IL
能提供给连接到SPD保护输出端的负载的最大持续额定交流电流有效值或直流电流。
注1:采纳IEC 61643-1中3.14.并增加注2.
注2:仅适合输入/输出分开的SPDo
3.1.38
过电流保护 OVerCUrrent PrOteCtiOn
位于SPD外部的前端,作为电气装置的一部分的过电流器件(如断路器或熔断器)。
EIEC 61643-1,定义 3.36]
3.1.39
SPD 安装点电力 系统最大持续工作电压 maximum COlItinUOUS OPerating VOltage Of the POWer SySteln at the SPD IOCatiOn
在SPD安装点,SPD可能受到的最大工频电压有效值或直流电压。
注1:仅考虑了电压调节和电压降低或升高,U,..也称为视在最大系统电压,与U。有直接联系(见图6)β
注2:该电压不考虑谐振、失效、T()V或瞬态条件。
3.1.40
电压开关型 SPD 的放电电压 SParkOVer VOltage Of a VoItage-SWitChing SPD
在SPD的间隙电极之间,发生击穿放电前的最大电压值。
注1 :采纳IEC 61643-1中3.38,并増加注2。
注2:电压开关型SPD可以基于元件(例如硅元件)而不仅是间隙。
3.1.41
雷电保护系统 Iightning PrOteCtiOn SyStein JLPS
用来保护建筑物及其内部设备免受雷击影响的完整系统。
3.1.42
多用途 SPD muitiservice SPD
在同一外壳内具有两种或更多保护功能的电涌保护器,例如,在电涌条件下,可对电源、电信和信号 提供保护,这些保护共用一个参考点。
3.1.43
残流 residual CUrrent
IPE
SPD按制造厂的说明连接,施加最大持续工作电压(UC)时,流过PE接线端子的电流。
[IEC 61643-1 ,定义 3.42]
3.1.44
供电电源的预期短路电流 ProSPeCtiVe ShOrt-CirCUit CUrrent Of a POWer SUPPIy
ʃp
在电路中的给定位置,如果用一个阻抗可忽略的连接短路时可能流过的电流。
EIEC 61643-1 ,定义 3.40]
3.1.45
額定断开续流值 follow CUrrent interrupting rating
ʃn
SPD本身能断开的预期短路电流。
[1EC 61643-1,定义 3.41]
3.1.46
I 类试验的比能■ SPeCifiC energy for CIaSS I test
W/R
冲击电流L叫流过1Q单位电阻时消耗的能量。
3.1.47
额定冲击耐受电压 rated impulse WithStand VOltage
UW
由设备制造单位对设备或设备的一部分规定的冲击耐受电压,它代表了设备的绝缘耐受过电压的 能力。
注:本部分仅考虑在带电导线和接地之间耐受电压。
3.2本部分所用符号及缩略语一览表
|
___________________________符 号___________________________ | |
|
Ens |
最大能量耐受 |
|
Ie |
持续工作电流 |
|
/( |
续流 |
|
Ifl |
额定断开续流值 |
|
Iimit |
I类试验冲击电流 |
|
IL |
额定负载电流 |
|
符 |
号 | |
|
I m*x |
II类试验的最大放电电流 | |
|
In |
标称放电电流 | |
|
ʃp |
供电电源的预期短路电流 | |
|
ʃpeak |
冲击电流峰值 | |
|
IPE |
残流 | |
|
ItC |
CWG的短路电流 | |
|
_____________NIt |
落雷密度 | |
|
Nk |
雷暴日水平 | |
|
UC |
最大持续工作电压 | |
|
UC |
电源系统的最大持续工作电压 | |
|
U. |
限制电压 | |
|
Un |
系统的相对地的标称电压 | |
|
U. |
系统标称的相对中性线的电压 | |
|
UOC |
OI类试验开路电压 | |
|
______________ɛʃp______________ |
电压保护水平 | |
|
Unf |
ZnO压敏电阻的参考电压 | |
|
UF |
残压 | |
|
UT |
暂时过电压 | |
|
UTCV |
电力系统暂时过电压 | |
|
ɛʃToV(HV) |
高压系统内的网络暂时过电压 | |
|
UTCV(LV> |
低压系统内的网络暂时过电压 | |
|
UW |
耐受电压________________________ | |
|
△u |
压降(用百分数表示) | |
|
Zt |
虚拟阻抗 | |
|
缩写列表 | |
|
ABD |
雪崩击穿二极管 |
|
dB |
分贝 |
|
CWG |
复合波发生器 |
|
EMC |
电磁兼容性 |
|
GDT |
气体放电管 |
|
HV |
高压 |
|
IP |
外壳防护等级 |
|
L |
电感 |
|
缩写列表 | |
|
LPS |
雷电防护系统 |
|
LPZ |
雷电防护区 |
|
LTE |
通过能量 |
|
LV |
低压________________________________________ |
|
MEB |
总等电位连接___________________________________ |
|
MOV |
金属氧化物压敏电阻 |
|
HVA |
高压A(中压,V50 kV) |
|
MV |
中压 |
|
PE |
保护地线 |
|
Q |
冲击电流的电荷做 •_______ |
|
RCD |
剩余电流装置 |
|
TOV |
暂时过电压 |
|
SPD |
电涌保护器 |
|
W/R |
比能量 |
|
Zno |
氧化锌_______________________________________ |
4被保护的系统和设备
当评估使用SPD的设施时,需要考虑两方面因素:
—使用SPD的低压配电系统的特性,包括预期过电压、电流的类型和水平;
——被保护设备的特性。
4.1低压配电系统
低压配电系统由系统接地的型式(TN-C、TN-S、TN-C-S、TTJT)和标称电压(见3.1.35)来表示, 可能产生各种型式的过电压和过电流,本部分将过电压分为三类:
--雷电过电压;
—操作过电压;
——暂时过电压。
4.1.1雷电过电压和电流
大多数情况下,雷电冲击强度是选择SPD试验类型和相关电流或电压值(LmP、Im“和UOC见 IEC 61643-1)的主要因素。
要选择合适的SPD,需要评估雷电涌的波形和电流(电压)幅值,确定SPD的电压保护水平是否足 以保护在这种环境中的设备是相当重要的。
对于建筑物的雷电防护系统,有关雷电流的幅值和波形的说明参见GB/T 21714.1-2008o
注:例如,雷电频繁区域安装的SPD要求耐受I类或U类试验。
一般来说,建筑物外部的电气装置受到的雷电冲击较高(例如,架空线遭受直击雷或雷电感应的情 况),在建筑物外部,从装置的入口到内部电路,雷电冲击逐渐减小,这是由回路配置和阻抗变化引起的。
雷电防护的必要性取决于:
—当地落雷密度N.(建筑物所在地区年平均落雷密度,每年每平方公里的雷闪次数),现代的雷 电定位系统可以提供相当精确的NH数据;
—电力设备的外露部分,包括内部设备。一般认为地下系统比架空线系统暴露少。
即使由地下电缆供电,也可推荐使用SPD进行保护。为了确定是否需要电涌保护器,应考虑以下 几方面:
—装置的附近有无雷电保护系统;
— 电缆的长度是否足以提供网络的架空线到装置之间足够的距离(衰减);
—连接到装置的变压器的MV(中压)侧的架空线易岀现高的雷电过电压;
——在高土壤电阻率地区的地下电缆可能受到直击雷的影响;
——当由电缆供应电力的建筑物的规模和高度增大到一定程度,受到直击雷的危险性将显著增加, 其他进(出)线(电话线、天线系统等)受到的直击雷将影响电力系统和设备;
—存在其他架空设施。
当许多建筑物由同一个电源系统供电时,没有安装SPD的建筑物的电力系统可能会产生较高的过 电压。
对于外部具有雷电防护系统,内部具有SPD保护的建筑物,(在建筑物有直击雷的情况下),使用直 流接地电阻值(例如:建筑物和配电系统、管等的接地)进行计算,用以确定通过SPD分配的电流值,一 般认为是充分的。
GB/T 21714.1-2008附录E给出了不同的雷击点(直击建筑物或其附近,直击导线或其附近)和 不同情况下电流幅值和波形的估算值,该值是雷电保护水平的函数。
更多关于雷电冲击的资料见附录C和附录Io
4.1.2操作过电压
操作过电压的电流和电压的峰值通常比雷电过电压小,但持续时间较长。在某种情况下,在建筑物 的内部深处或者接近操作过电压源的地方,操作过电压高于雷电过电压,需要知道操作过电压的能量, 以便选择合适的SPDO操作电涌(包括由于故障和熔断器动作产生的暂态电涌)的持续时间,会比雷电 电涌持续的时间长得多。
通常情况下,SPD额定参数的选择基于雷电冲击的强度。
更多关于操作冲击的资料见附录C和附录IO
4.1.3暂时过电压Uπw
4.1.3.1 概述
SPD在其寿命期内可能会受到比电力系统最大持续工作电压高的暂时过电压UmV的影响。
暂时过电压有两个要素:幅值和时间。过电压持续时间主要取决于电力系统的接地情况(包括高压 电力系统和接有SPD的低压系统)。在确定暂时过电压时,应考虑系统的最大持续工作电压(U“)。
更多关于暂时过电压的资料见附录E和附录IO
4.1.3.2 标准值
GB/T 16895.10-2010给岀了低压电网中预期的UEV的最大值(这些值的详细计算参见附录E)O 较低的UmV取决于许多因素,如SPD的安装位置、电网型式等。
表1给出了变压器安装点(见表1的注2)用户侧设备处UTCV最大值(见图4)。
表1 GB/T 16895.10—2010给出的最大TOV值
|
UT(W发生处 |
系 统 |
UT(MHV)最大值 |
|
相-地 |
TTJT |
U0+250 V,持续时间>5 S |
|
Uo + 1 200 V,持续时间<5 S | ||
|
中线-地 |
TTJT |
250 V,持续时间>5 S |
|
1 200 V,持续时间《5 S | ||
|
以上数值是与高压电网故障有关的极端值,可根据附录E按电力系统类型计算出 | ||
|
UmV发生处 |
系 统 |
t7TOV(HV)最大值 |
|
相-中线 |
TT 和 TN |
√3 ×σ0 |
|
以上数值与低压系统的中线断线有关 | ||
|
相-地 |
IT系统 (TT系统见注1) |
√3 XUo |
|
以上数值与低压系统的相导线意外接地有关 | ||
|
相-中线 |
TT、IT 和 TN |
1.45×σ0,持续时间<5 S |
|
以上数值与相线和中线短路有关 | ||
|
注1:在TT系统中,持续时间≤5 S时,已证明也会岀现这样高的TOV,详见附录Ee GB/T 16895.10-2010中 无相关规定。 注2:在变压器安装点,最大的TOV值可能与上表不同(高或低)。详见附录E。 注3:选择SPD时不考虑中线断线。 | ||
更进一步的资料详见附录E。
UTOV
S+ 1 200 V
UO + 250V
√T× U0
1.45×(∕0
0
说明:
a—LV装置故障(短路)时,TT、TN和IT系统中相对中线间的Uτov<ι.v>区域;
b—LV装置故障(单相导体意外接地)时,IT系统(TT见表1中注1)相和地之间UToV(LV)区域和LV装置故障时
(中线断线)TT和TV系统相和中线之间στθv<LV)区域;
C—HV系统产生故障时,TT和IT系统中在用户的装置相和地之间最大UT(EHv>值区域;
d——未定义区域。
图4 依据GB/T 16895.10—2010的Ug最大值
4.2被保护设备的特性
瞬态条件下被保护设备的特性由以下两种试验确定:
——依据GB/T 16935.1-2008对设备进行冲击耐受试验,该试验仅为绝缘配合试验,试验期间设 备不施加工作电压;
——依据GB/T 17626.5-2008对设备进行冲击抗扰度试验,该试验评估设备抗冲击干扰能力,对 于不同级别,采用复合波发生器(1.2/50,8/20)进行试验,试验能够发现施加工作电压时设备 产生的故障、缺陷和失效。
通过被使用设备在瞬态环境条件下的冲击耐受试验和冲击抗扰度试验的比较,确定了 SPD的潜在 需求,更进一步的资料详见附录Mo
注:所选择的SPD的保护水平UP应比设备冲击耐受水平低,或者在某些情况下,设备持续运行是关键的,Up低于 设备的冲击抗扰性。UP的选择应依据6.2.2和6.2.5。另外,由于受试设备和发生器的可能的相互作用,设备 的抗扰度不仅是Up,也是施加电涌波形的函数。
5电涌保护器
5.1 SPD基本功能
本部分考虑的SPD安装在被保护设备的外部。
其功能如下:
— 电力系统无电涌时,SPD不应对其所应用的系统工作特性有明显影响;
—电力系统出现电涌时,SPD呈现低阻抗,电涌电流主要通过SPD泄放,把电压限制到其保护水 平,电涌可能引起工频续流通过SPD1
— 当电力系统出现电涌时,SPD在电涌过后及熄灭任何可能出现的工频续流以后,恢复到高阻 抗状态。
规定SPD的特性,使其在正常使用条件下能满足以上功能。正常使用条件包括:电力系统电压频 率、负载电流、海拔高度(即气压)、空气湿度和环境温度。
5.2附加要求
根据SPD的应用情况,或许要补充如下要求:
——SPD免直接接触的保护(见GB 16895.21-2011);
——SPD失效时的安全性。
当电涌大于SPD所设计的最大吸收能量和放电电流时,SPD可能失效。在本部分中,SPD的失效 模式分为开路模式和短路模式。
在开路模式下,被保护系统不再受保护,由于失效的SPD对系统几乎没有影响,所以难以被发现。 为保证下一个电涌到来之前更换失效的SPD,就需要有一个指示功能。
在短路模式下,失效的SPD严重影响系统,系统中短路电流通过失效的SPD,短路电流导通时使能 量过度释放可能引起火灾,IEC 61643-1短路电流耐受能力试验就涵盖了该问题,如果被保护系统没有 合适的装置将失效的SPD从系统中脱离,使用具有短路失效模式的SPD需配备一个合适的脱离器。
5.3 SPD分类
5.3.1 SPD:分类
电涌保护器依照IEC 61643-1分类如下:
端口数:一或二;
设计类型:电压开关型、电压限制型、复合型;
1、口、皿类试验,
使用地点:户内或户外,
可触及性:可触及的、不可触及的;
安装模式:固定的或可移动的;
脱离器:位置(外部的、内部的、内外都有、没有)和保护功能(热、泄漏电流、过电流);
过电流保护:规定或不规定;
SPD外壳提供的防护等级(IP代码);
温度范围:正常范围或超过正常范围的。
依据定义,户外是指封闭空间以外,这类SPD易受外部环境条件影响。户内指封闭空间以内。这 类SPD易受户内环境条件影响。不可触及的指不用工具或其他设备就不能接触到带电部件。
以上选择与制造工艺有关,由制造厂规定。
5.3.2典型设计和布局
SPD的主要保护元件分为两类:
— 限压型元件:ZnO压敏电阻、雪崩二极管或抑制二极管等;
——开关型元件:空气间隙、气体放电管、晶闸管(可控硅整流器)、三端双向可控硅开关等。
基于这些元件,典型SPD设计分类如下(见图5):
——仅电压限制型元件(图5a):限压型SPD;
——仅电压开关型元件(图5b):开关型SPD;
—限压型和开关型元件组合(图5c和图5d):复合型SPDO
说明:
a—限压型元件,
b—开关型元件,
C—限压型和开关型元件串联;
d—限压型和开关型元件并联.
不是所有的SPD都是基本元件的简单排列,可以增加指示器、脱离器、熔断器、电感、电容和其他 元件。
此外,SPD可设计为:一端口 SPD(见3.1.25)和二端口 SPD(见3.1.26)o
5.4 SPD特性
5.4.1 IEC 61643-1规定的使用条件
正常使用条件:
—频率主要在48 HZ和62 HZ之间的交流电源或直流电源;
—海拔不超过2 000 m;
—工作温度:正常范围为一5 C〜+ 40 °C,极限范围为一40 °C〜+ 70
—室温条件下相对湿度在30%〜90%之间。
注1:用户决定SPD的使用场所(户内、户外等),并确定环境温度条件是在正常范围内或在扩展范围内。
注2: IEC 61643-1也给岀了最大持续工作电压的数值。见本部分6.2.1。
注3:通常产品的存储温度范围大于工作温度的范围。
异常使用条件:
对处于异常使用条件下的SPD,在设计和使用时需要作特殊考虑,并应引起制造厂重视。
阳光辐射:大多数SPD不经受阳光辐射,通常型式试验不考虑阳光辐射,对于暴露于阳光辐射下的 SPD应考虑并且要进行相应的试验。
注4:通常,SPD外壳的防护等级应高于IP2X,某些场合(例如,户外型SPD)可能使用其他防护等级。
5.4.2选择SPD所需的参数清单
以下是用户正确选择SPD所需要的常用参数清单:
注:其中一些参数是对指定保护模式规定的。
a) Uz最大持续工作电压;
b) 暂时过电压特性;
C)九:标称放电电流(仅对I类和∏类试验);
d) II类试验的ZmaX. I类试验的LmP和In类试验的UoH
e) 电压保护水平Up;
f) 失效模式,
g) 短路电流耐受能力;
h) 九:额定断开续流(电压限制型SPD除外);
i) 额定负载电流九(对二端口 SPD或输入/输岀分开的一端口 SPD);
j) 电压降(对二端口 SPD或输入/输出分开的一端口 SPD);
k) Ipe:残流(可选择的)。
图6给出U^U^Ue和U”之间关系。
图6 Up、U。、UC和UCS之间关系
5.5 SPD特性的补充资料
5.5.1与工频电压有关的资料
5.5.1.1 UC和K:最大持续工作电压和持续工作电流
在正常条件下UC的选择应使SPD的特性(老化、热崩溃等)在正常条件下变化最小。
IC是指施加UC时通过SPD的电流值。流过接地端(PE)的电流就称为残流IpE。在选择SPD时 要考虑残流Jpe,以避免过电流保护器或其他保护器(例如,RCD)误动作(见GB 16895.22—2004)。
关于系统的配置如何影响过电流保护器或其他保护器工作的进一步资料见附录J。
5.5.1.2暂时过电压特性
用几组工频(或直流)过电压-时间(几秒以下)关系的数值足以表征SPD的暂时过电压的特性。
SPD应耐受TOV试验而其特性没有发生不可接受的变化,或者以可接受的方式失效。
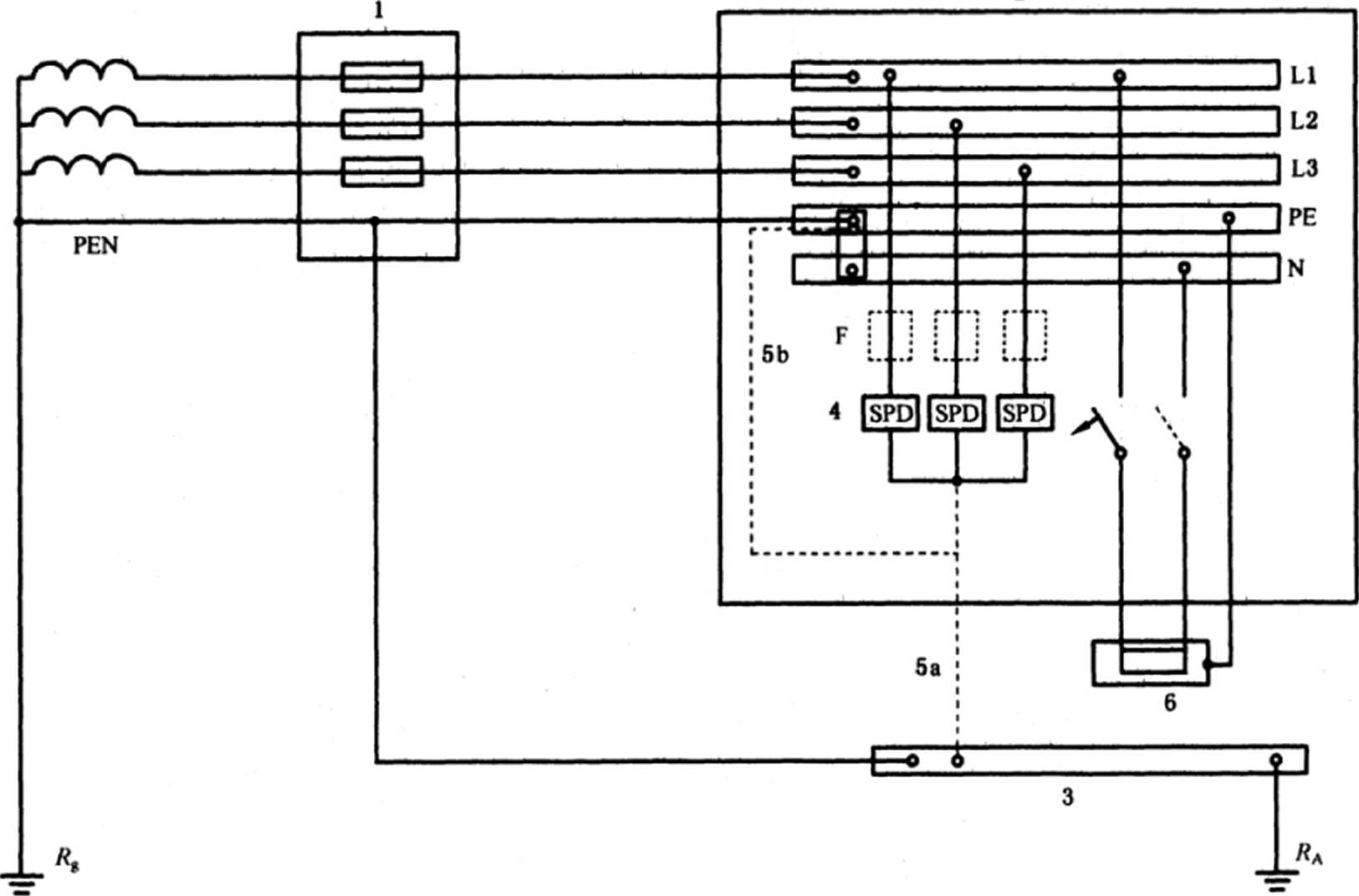
按照GB 16895.22-2004规定,安装的SPD应能耐受由低压系统故障引起的TOV(见表5中持续 时间为5 s的TOV值)。按照CT2连接方式(见图11)安装在中性线和PE间的SPD也应能耐受由高 压系统故障引起的ToV(见表5中持续时间为200 ms的TOV值)。
IEC 61643-1所考虑的TOV持续时间限于200 ms和5 s,这两个持续时间所对应的试验电压值 为U"
制造厂应按照IEC 61643-1的规定提供产品的在暂时过电压下的特性。
注:在要求SPD保持与被保护设备保持协调的前提下,可能很难选择既有高暂时过电压耐受能力又有低电压保护 水平的SPDO
用户可通过比较SPD在暂时过电压下耐受特性和电力系统产生的暂时过电压(Utov)来选择最合 适的SPD。表5给出了 SPD试验用的标准值。
5.5.2与电涌电流相关的资料
下面讨论的内容与电压、电流和电涌波形的时间特性有关。根据SPD预期承受能力,采用不同的 电涌波形和幅值水平进行试验。
在IEC 61643-1的引言中给出了选择SPD合适试验类别的导则,规定如下:
—— I类试验用于模拟部分传导雷电流冲击的情况。符合I类试验方法的SPD通常推荐用于高 暴露地点,例如:由雷电防护系统保护的建筑物的进线。
—II类或ΠI类试验方法试验的SPD承受较短时间的冲击。这些SPD通常被推荐用于较少暴露 于直接受冲击的地方。
选择SPD时应考虑其试验类别和规定的冲击幅值。
注1: Il类试验对SPD施加外加电流。In类试验对SPD施加电压,所产生的电流与SPD的特性有关.
注2:标注在SPD铭牌上的试验类别通过方框内的T表示广Tl ”表示I类试验,“ T2 ”表示∏类试验,“ T3 ”表示 ID类试验,或者用文字写岀“试验类别:
5.5.2.1标称放电电流∕b(8∕20)(对于进行I类、II类试验的SPD)
此电流用来作为一个试验参数,以确定I类和∏类试验的SPD的限制电压。此电流也用于I类和 Il类动作负载试验的预处理(施加15次)。
Itt较Im∙x低,并相当于装置中预期相当频繁出现的电流。
In 优选值:0.05 kA、O・l kA.0.25 kA.0.5 kA、Lo kA、l.5 kA.2.0 kA.2.5 kA、3.0 kA.5.0 kA、
10 kA、15 kA 和 20 kA0
5.5.2.2 Ig和∕βm(对于进行I类和II类试验的SPD)
LmP和IgX分别为I类和II类动作负载试验的试验参数。这些参数与最大放电电流值有关。在系 统中安装SPD的场所,很少出现预期最大放电电流。Ig用于∏类试验而LmP用于I类试验。
根据 IEC 61643-1 JiBφ(∕pβak>Q)优选值见表 2。
表2 L-的优选值
|
J/kA |
Q/C |
w∕R∕(kj∕n) |
|
20 |
10 |
100 |
|
12.5 |
6.25 |
39 |
|
10 |
5 |
25 |
|
5 |
2.5 |
6.25 |
|
2 |
1 |
1 |
|
1 |
0.5 |
0.25 |
注L通常LmP比In的波形更长。
注2: 10/350波形是满足表2要求的一种示例波形。
5.5.3与电压保护水平相关的资料
5.5.3.1限制电压的测■
a) I类和II类试验
限制电压的测量可由两个试验来确定:
—使用8/20波形测量各种电流值下的残压;
—使用1.2/50波形测量放电电压。
限制电压是下列电压的最高值:
—或者对应下列电流范围的残压,
I类试验,从O.l×∕n直到或九,取其中较高值,
U类试验,从O.l×∕n直到1.0×∕no
—或者用1.2/50波形测得的波前放电电压。
•对于具有限压型元件的SPD
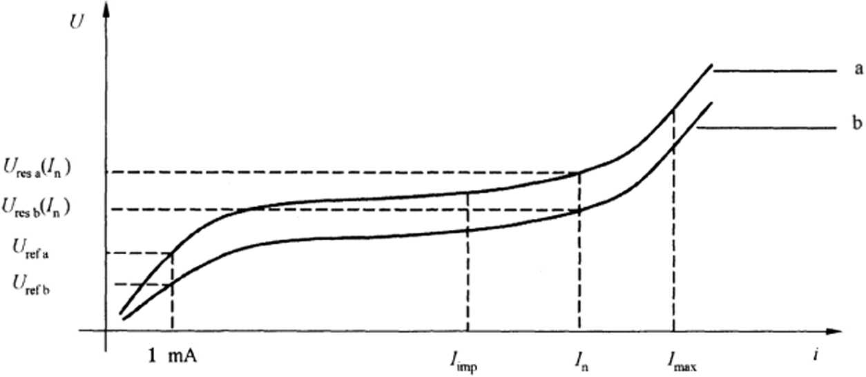
图7给岀了 ZnO压敏电阻U^-I的典型曲线。图中说明在SPD的残压也应考虑。如果该 残压比电压保护水平高,特别是比被保护设备的冲击耐受电压还高时,虽然SPD能承受这样的电应力, 但设备将不被保护。因此应适当地选择SPD的电压保护水平和冲击电流耐受能力。
MOV
说明:
Ui——In下的残压,
Ut — Imx下的残压,
R —一几kA电流的范围。
图7 ZIlo压敏电阻U^l典型曲线
•对于具有限压开关型元件的SPD
具有火花间隙的器件(气体放电管等)的冲击放电电压与所施加的瞬态过电压的上升率(dU∕dz) 有关。
一般来说,瞬态电压上升率(dU∕dt)增加会导致冲击放电电压增加。在规定的dU/ck下,冲击放电 电压是一个统计值,因此测量值具有一定的分散性(见图8)o
σ∕kv
说明:
a ——较高上升率一10 kV∕μst
b —较低上升率一1 kV∕μs;
& —放电时间分布,
δσ―放电电压分布。
b) ∏l类试验
按In类试验的SPD,采用复合波发生器。试验过程中测量的最大值作为限制电压值。
5.5.3.2 电压保护水平UP
UP由制造厂提供。按定义,该值应等于或大于实测限制电压的最高值,制造厂确定该值时应考虑 制造偏差。
电压保护水平优选值:0.08 kV、0.09 kvʌθ,lθ kV、0.12 kV、0.15 kV、0.22 kV、O.33 kV、0.4 kV、 0.5 kV、0.6 kV、0.7 kV、0.8 kV、0.9 kV、l・O kV、1.2 kV、1.5 kV.1.8 kV、2.0 kV、2.5 kV、3.0 kV、 4.0 kV、5.0 kV、6.0 kV、8.0 kV JO kVo
附录B给岀了典型的系统标称电压与ZnO压敏电阻SPD的电压保护水平的关系。
5.5.4与SPD失效模式相关的资料
失效模式决定了 SPD与其他设备的兼容性、自身应用的兼容性和与SPD连接的其他电器的兼 容性。
SPD失效模式取决于电涌电流和电压的幅值、次数和波形、电力系统的短路能力和失效时SPD上 施加的电压值。本部分认为SPD有两种失效模式:
―短路或低阻抗;
—开路或高阻抗。
有时,SPD在某一时段处于一个不确定状态,该状态吸收能量,并最终导致(自身或与脱离器或过 电流保护)开路或短路状态。本部分认为,这个状态是暂时的,不予讨论。
关于系统配置如何影响过电流或其他保护装置动作的详细资料见附录J。
失效模式的SPD特性变化不予考虑,但在5.5.7中解释。
5.5.5与短路耐受能力相关的资料
SPD本身或与其脱离器和过电流保护器一起能够耐受制造厂宣称的短路耐受电流,且试验过程中 不应有燃烧、熔化物质的炭化或迸出、外壳开裂。必须确保SPD使用场所的预期短路电流不高于其短 路耐受电流,同时必须确保有制造厂推荐的脱离器和/或过电流保护器并能工作。
对非电压限制型的SPD,也需要检查其额定断开续流能力九要高于安装点的预期短路电流IVO
5.5.6与负载电流L和电压降(二端口 SPD或输入/输出分开的一端口 SPD)相关的资料
对于连接到电源的二端口 SPD和一端口 SPD,必须确保设备的负载电流不超过SPD的额定负载 电流ILO
注:需考虑负载的类型。如一些负载,其涌流可能高达有效值的3倍。这样高的电流会使两端口 SPD内串联的元 件发热。
必须检查安装了二端口 SPD或输入/输出分开的一端口 SPD以后,不会导致输出端设备出现不可 接受的电压降。这由电压降AU来表征。
5.5.7与SPD特性变化相关的资料
某些SPD在受到高于标准试验规定的电应力时,可能处于一个中间状态。在这种情况下,SPD的 某些特性可能偏离设计值,例如,Ul>JnJc等,尤其是并联带电部件的SPD,在承受电涌以后,带电部件 中的一个可能会断开。这时,用户可能不知道这些特性变化。在设计SPD时应避免任何这种中间状 态,除非岀现这种状态时有一个清晰的指示。
6 SPD在低压配电系统的应用
6.1 SPD的安装和保护效果
当对风险分析(见第7章)完成之后,就可以规定系统的电应力(见第4章)及SPD的特性(见第5 章)。
SPD在配电系统中应用时,可采用图9的流程图。
尽可能靠近装置的起始位置
尽可能靠近设备安装
SPD和同SPD串联的外部脱离器的连接导线长度尽可能短
SPD安装在装置的入口处,并且其他SPD应尽可能毒近设备
I、U、皿类试验的SPD可安装在装置的入口处,
R、01类试殮SPD可靠近设备安装
采用这种概念,SPD可安装在区域边界处
图9 SPD应用的流程图
SPD实际安装示例见附录N。
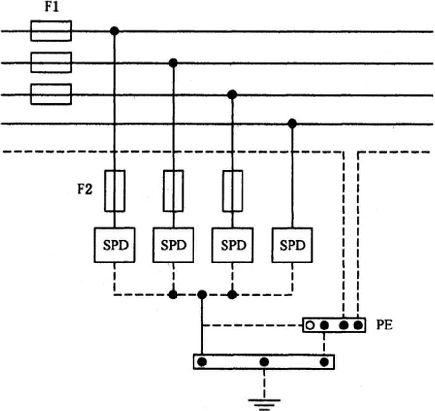
在入口处,可根据侵入的电涌应力选择符合I类、II类或ΠI类试验要求的SPDe考虑电涌电流所 引起的电应力大小是正确选择SPD的关键。特别当存在雷电防护系统时,可参见GB/T 21714系列标 准中的附加说明。依据II类试验和ΠI类试验测试的SPD也适用于被安装在靠近保护设备的位置。
6.1.1可能的保护模式及安装
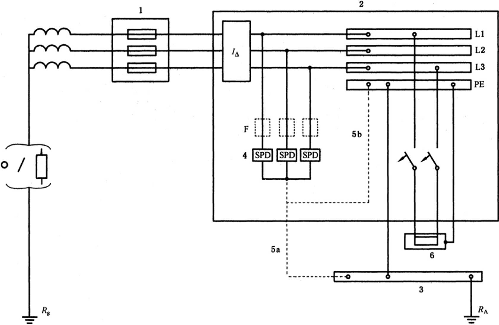
当要保护的设备有足够的过电压耐受能力或其靠近主配电盘,使用一个SPD可能就足够了。在这 种情况下,SPD的安装应尽可能靠近被保护装置的起始点。在这个位置,SPD应该有足够的冲击耐受 能力。图K.1〜图K.5给出了在不同系统类型上位于被保护装置的起始点的SPD的典型连接。图K.5 为一个TN C-S系统中的具体示例。
位于或靠近被保护装置的起始点的SPD应至少被连接在以下几点之间:
a) 如果在或接近被保护装置的起始点处中性线和PE有直接连接,或没有中性线:
在每条相线和总接地端子之间或保护导线之间,以连接线较短为优先原则;
注1:在IT系统上,连接中性线和PE的阻抗不认为是一个连接。
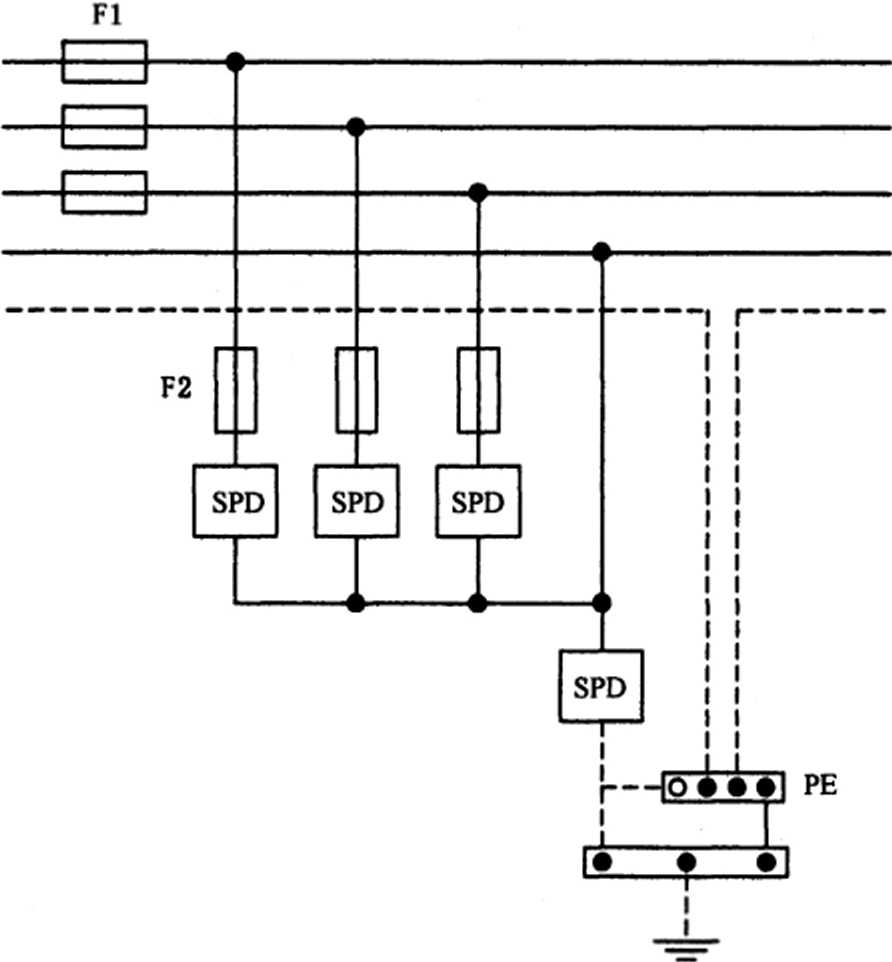
b) 如果在或接近被保护装置的起始点处中性线和PE没有直接连接:
连接类型I(CTI)——在每条相线和总接地端子之间或保护导线之间,在中性线和总接地端子之 间或保护导线之间,以连接线较短为优先原则,见图IOe
连接类型2(CT2)——在每条相线和中性线之间,在中性线和总接地端子或保护导线之间,以连接 线较短为优先原则,见图Ho
注2:如果某根相线接地,其即被认为相当于b)款中的中性线。
Ll
L2
L3
N
PE
说明:
Fl—熔断器。
图10连接类型I(CTI)
Ll
L2
L3
N
PE
说明*
FI—熔断器。
图11连接类型2(CT2)
表3列出了各种低压系统可能需要的保护模式。
注3:如果在相同导线上连接有两个以上的SPI).有必要确保它们之间的协调。
注4:保护模式的数Ift取决于被保护设备的类型(例如,如果设备没有接地,相线对地或中心线对地的保护可能就没 有必要),由各种保护模式下设备的耐受能力、电气系统的结构、接地以及侵入电涌的特点而定。例如,i般在 相线/中性线和PE导线之间或在相线和中性线之间施加保护--般就足够了,而不用再在相线和相线之间施 加保护。
注5:安装在供电部门计址表前的SPD装置必须经供电部门同意。
表3各种LV系统可能的保护模式
|
SPD连接位置 |
SPD安装位置的系统结构 | |||||||
|
TT |
TN-C |
TN-S |
IT带中线 |
IT不带中线 | ||||
|
安装方式 |
安装方式 |
安装方式 | ||||||
|
CTl |
CT2 |
CTl |
CT2 |
CTI |
CT2 | |||
|
相和中线之间 |
+ |
* |
NA |
+ |
+ |
* |
NA | |
|
相和PE之间 |
* |
NA |
NA |
* |
NA |
* |
NA |
* |
|
中线和PE之间 |
* |
* |
NA |
*见注1 |
*见注2 |
* |
* |
NA |
|
相和PEN之间 |
NA |
NA |
* |
NA |
NA |
NA |
NA |
NA |
|
相相之间 |
+ |
+ |
+ |
+ |
+ |
+ |
+ | |
|
* :必须的; NA:不适用; + :可选的,除了必须的SPD以外; CT:连接类型。 | ||||||||
|
注1:当SPD和PE-N等电位体之间距离过短(典型的不足10 m)时,可以不安装SPDO 注2:采用CT2连接方式时,比较设备的耐受电压UW应与串联的两个SPD(L-N、N-PE)的保护水平相比较,这 ______可能不同于两个SPD的UP的简单相加。___________________________________ | ||||||||
建议进入被保护结构的电力和信号网络互相接近并将其互相联结在一个共用的等电位排上。这对 于非屏蔽材料建造的结构(木、砖、混凝土等)特别重要。
更进一步的资料见附录K。
6.1.2振荡现象对保护距离的影响
当SPD被用来保护特定设备或当SPD装在主配电盘上而不能为某些设备提供足够的保护时,SPD 应尽可能地靠近被保护设备。如果SPD和被保护设备之间的距离太长,设备端产生的振荡电压值普遍 高至两倍的Up,在一些情况下,甚至超过这个水平。因此尽管装有SPD,振荡现象仍能引起被保护设备 失效(见图K.8〜图K.1O),适合的距离(称为保护距离)取决于SPD型式、系统类型、侵入电涌的陡度和 波形及连接的负载。实际上,如果设备的阻抗高或设备内部断开,就有可能产生两倍的振荡电压。图 IO给出了在这种条件下,振荡现象产生两倍电压的示例。
一般情况下,距离不到IO m的震荡可以被忽略。有时设备有内部保护元件(例如,ZnO压敏电 阻),这将显著降低即使在长距离上的震荡。在最后这种情况中需要注意避免岀现SPD和设备内部保 护元件的配合问题。
注:由于雷电流在SPD和被保护设备之间的回路上直接感应引起的电压,保护距离可能要缩短。 更进一步资料见附录K。
6.1.3连接导线长度的影响
为了实现最佳的过压保护,SPD的连接导线应尽可能短。长的连接导线将使SPD的保护能力降 低。因此,可能需要选择一个有更低电压保护水平的SPD来提供有效的保护。传送至设备的残压为 SPD的残压和沿导线感应电压降之和,这两个电压可能并不在同一时刻到达峰值,但出于实用目的,可 以简单地相加;图IO给出在冲击放电电流下,连接导线的电感对各SPD连接点测得电压的影响。
一般来说,假定导线的电感是1卩H/m。当冲击波上升率为1 kA/心时,电感沿导线长度的电压降 大约为IkV/m。而且,如果di/dt的陡度更大,电压降值会更高。
最好尽可能地使用图12中的方案b,这种方案的电感效应将会显著降低。当不能使用方案b时, 可以应用使用了绞合导线的方案CO尽可能避免使用方案a,因为增加SPD连接导线的长度会降低过 电压保护的有效性。当SPl)连接导线的长度尽可能地短(总引线的长度最好不要超过0.5 m)以及没有 形成任何环路的情况下,使用方案a才可能获得最佳电压保护。
注:如果导线相互紧靠而使回流路径导体与入流导体产生磁耦合,其电感将降低(见图12中方案Oe
A
|
b |
A SPD C |
C |
—( |
fc= B |
|
犬 B |
・・ |
SPD | ||
说明:
a Li.L2 — 导线,、/2的相应电感;
一一电涌电流-时间的曲线;
VSPI)—一通过电涌时,SPD端子间的电压;
VAH 一一A点和B点之间通过电涌时的电压= Vspd +电感(Lι÷L2)上的电压降;
特别是当LI或M较大时.应避免采用这种形式;
b推荐首选形式;
C当b方式不适合时.可采用这种方式。
图12 SPD连接导线长度的影响
进一步资料见附录K。
6.1.4 附加保护的必要性
在一些情况下,一个SPD就能满足条件,例如,建筑物进线处电应力较低时,将SPD安装在电源进 线处效果更好(见6.1.Do
在一些特殊情况下,可能需要在尽可能靠近被保护的设备处增加附加的保护器件,例如:
—存在很敏感的设备(电子设备,计算机);
—位于入口处的SPD和被保护设备之间的距离过长(见6.1.2);
—由雷电冲击和内部干扰源引起的建筑物内部的电磁场。
有必要考虑系统中需保护的最敏感设备的电压耐受值(UW .见GB/T 16935.1-2008),或者设备的 抗冲击水平.尤其当该设备的持续运行是非常关键时。下文所示的例子中设备不是很关键,可仅考虑 Uw,在最靠近设备处安装的SPD电压保护水平Up2应至少比该设备的电压耐受值低20%。如果安装在 入口处的SPD的保护水平(UW)包含在6.1.2所描述的效果中,由于SPD和设备之间的距离导致终端 设备上的电压低于0.8XUw,那么在该设备的附近不需要再加装SPD(见图13)o
进一步资料见K.1.2和图K.9o
说明:
如果UIn XEVO.8XUW,仅需要SPD No. 1(安装在进线处);
如果 UPl XA>0.8XUw,除 SPD No. 1 外还应安装 SPD No.2(Up2<0.8×l∕w >;
Eq是被保护设备,其耐受电压UW的定义见GB/T 16935.1-2008t
k是可能产生振荡的系数(IVAV2,见6.1.2)。
图13附加保护的必要性
注:GB/T 17626.5-2008定义的设备抗扰度不同于GB/T 16935.1—2008定义的耐受电压(UW)O其原因是 GB/T 17626.5-2008使用复合波发生器进行试验,且部分的电涌电流可能流过设备(尤其是设备呈现低阻抗 时).在这种情况下,要求适当地进行配合(见6.2.6)β附录M给出了抗扰度和绝缘耐受之间对比的附加信息。 应该注意的是,尽管GB/T 16935.1-2008描述了如何获得Uw ,但是获得每一种类型的设备在实际情况下的 UW值可能比较困难。
在建筑物内操作电涌可产生潜在的损坏,在这种情况下可能需要附加的SPDO
在同一电路中使用两个SPD时,两者之间应该可以协调。
6.1.5根据试验类别选择SPD的位置
应依照侵入电应力不同,来选取符合I类、U类或DI类试验要求的SPDo考虑包含于电涌中的电 应力因素是正确选择SPD的关键。II类、IU类试验的SPD也适用于靠近被保护设备安装。
6.1.6保护区域概念
若是为了设计及合理应用电涌保护器,有必要考虑保护区域的梯度,详见GB/T 21714.4-2008o
这一概念假定:由配电系统的分合或直击雷和感应雷引起的传导危险参数从未保护环境传至被保 护的敏感设备时逐级减小(每一级之间的距离由6.1.2决定)。
关于建筑物中配电系统细分的保护区域以及SPD的安装位置的示例见图K.ll0
6.2 SPD的选择
SPD的选择依据图14中从6.2.1〜6.2.6六个步骤。
Ba 14选择SPD的流程图
6.2.1 选择 SPD 的 U,UT、L JgdgX、Ug
6.2.1.1 SPD的最大持续工作电压Ut
SPD的UC值应该满足以下准则:
UC应该比系统中可能产生的最大持续工作电压Uci( = k×U0)要高(见附录J,建议值见附录B)。
UC > UC
注:另外,对于IT系统,Uc应该足够高能耐受首次故障状态。表4给出的值已覆盖这种故障状态。 具体要求如下(见GB/T 16895.22—2004):
表4对于各种电力系统推荐的UC最小值
|
SPD连接位置 |
配电网的系统结构 | ||||
|
TT |
TN-C |
TN-S |
IT带中线 |
IT不带中线 | |
|
相和中线之间 |
LIXUQ |
NA |
1.1XUo |
LIXUO |
NA |
|
相和PE之间 |
ι.ι×σ0 |
NA |
Li ×σ0 |
√3 XU0 (见注3) |
线对线电压 (见注3) |
|
中线和PE之间 |
Uo (见注3) |
NA |
Uo (见注3) |
UO (见注3) |
NA |
|
相和PEN之间 |
NA |
1.1 XUo |
NA |
NA |
NA |
|
注1: NA表示不适用。 注2: LrO是低压系统的相电压。 注3:这是最严重故障情况下的值,因此没有考虑10%公差。 注4:在扩展的IT系统中,需要更高的UC值。 | |||||
6.2.1.2 SPD的暂时过电压的评估UT
UT的值应该高于由于低电压系统出现故障在被保护装置上预期出现的暂时过电压(TOV),如 图15所示。
UT > ɛʃToV(I.v>
注1:持续时间超过5 S的L7t()v<lv>应被认为是最大持续工作电压Uz如在IT系统中,接地故障将会持续很长时间
(几个小时),则连接在相和地之间SPD的UC值至少等于最大的系统相-相电压(U0×√3)β
注2:表5满足GB/T 16895.22-2004给岀的要求。因此,Urt = 1.1 ×CΓ0β
注3:没有按照相关安装规则的不同电网和接地可能与表5中给岀的值不同。
表5典型的TOV试验值
|
实际应用 |
TOV试验值Uτ∕V | |
|
持续时间 |
5 S |
200 ms |
|
SPD连接到: | ||
|
TN系统 | ||
|
L-(PE)N 或 L-N |
l∙32XUc. | |
|
N-PE | ||
|
L— L | ||
|
TT系统 | ||
|
L-PE |
1.55XUeS |
1 200+S |
|
L-N |
1.32XUC | |
|
N-PE |
1 200 | |
|
L— L | ||
表5 (续)
|
实际应用 |
TOV试验值Ur/V | |
|
持续时间 |
5 S |
200 ms |
|
IT系统 | ||
|
L-PE |
1 200+ Uc | |
|
L-N |
1.32 X LZcs | |
|
N-PE |
1 200 | |
|
L-L | ||
|
TN.TT和IT系统 | ||
|
L-PE |
1.55 X U” |
1 200+Uc |
|
L-(PE)N |
1.32 X Ue | |
|
N-PE |
1 200 | |
|
L— L | ||
在ToV的幅值很高的情况下,可能很难找到一个可以对设备提供电涌保护的SPD,如果发生的概 率足够低,可以考虑使用一个不能耐受TOV过压的SPD,在这种情况下,必须使用合适的脱离设备。
200 ms
时间
说明:
a ——LV装置故障时(短路),在TT.TN和IT系统相-中线之间的UToV(LV)区域;
b——LV装置故障时(偶然接地)JT(TT)系统相-地之间的UTOV(LV)作用区域和TT和LV装置故障(中线断线).
TN系统相-中线之间Uτov<ι,v))的区域;
C —在HV系统发生故障时,在TT和IT系统中,用户端相-地之间的[Jtovchv)最大值;
d—未定义区域;
e—UTOV(LV)用于使用在3W + G(三线+地线)、单相和120/240 V的系统上的SPD;
f—UT(MLV)用于使用在4W+G(四线+地线)、三相和120/208 V、277/480 V、347/6OO V系统上的SPD。
注:北美用e和L
■ SPD 的 UT 值。
图 15 UT 和 UTOV
注4:如图15所示,可根据下列特性选择一个SPD:
UT= U<∙ N t>T(>V(!.V)mnx
尤其是在IT系统中的情况。
当选择的SPD的电压保护水平满足要求时,还应该考虑其在各种TOV情况下的特性(耐受特性 或故障模式)。
如果发生的概率足够低,可以使用不能耐受TOV应力,但可以用IEC 61643-1规定的形式失效的 SPD,以达到所需的保护水平。
如果故障模式不能接受,在选择电压保护水平可满足要求的SPD前,应采取额外的措施来限制各 种 TOVO
6∙2∙1∙3 ITUIX, 1 imp
In与保护水平UV有关,Ig和LmP则由安装点需要耐受的能量来决定。
选择SPD的能量耐受(根据试验类别选择ZimpJnwx或UoC)必须基于风险分析(见第7章)。它比较 了电涌发生的概率、被保护设备的价格和可接受的事故率。当使用多个SPI)时,需完成配合分析。
注1:如果有必要的话,可选用比5.5.2.1和5.5.2.2提供的优选值更高的偵。
如果需要SPD来保护雷电电涌,在被保护设施起始点处每种所需保护模式的额定放电电流In应 不小于8/20,5 kA。
依据连接类型2的安装(见图11),在被保护设施起始点处连接在中性线和PE之间的电涌保护器 的额定放电电流In,在三相系统中应不小于8/20,20 kA,在单相系统中应该不小于8/20,10 kA。
如果有可能发生直击雷的雷电保护系统需要SPD时,应评估雷电冲击电流(见附录I)O对于这个 评估,安装在SPD ±游的部件(熔断器,电线截面等)应该考虑,因为这些部件可能限制了整个系统的过 载能力,因此也限制了 SPD ±的最大应力。如果可能没办法评估,每种所需的保护模式的1吋值不得 小于 12.5 kA。
根据类型2的安装,连接在中性线和PE之间的电涌保护装置的雷电脉冲电流的计算应该与 GB/T 21714.4-2008 一致。如果不能估计电流值,九叫的值在三相系统中应该不小于50 kA,在单相系 统中应该不小于25 kA。
注2:进一步的信息参见GB/T 21714.1-2008附录Ee
当用同一个SPD来防护雷电电涌和直击雷时,L和LmP的评定应该与上面的值相一致。
附加SPD的In和ImX选择应基于6.2.6中的配合规则。
注3: —般情况下,In已经足够表征II类试验SPD的特性,IgX仅用于特殊情况β ∕nMX给出了能量耐受的指标,因此 给岀了特定位置上的预期寿命的指示。
6.2.2保护距离
为了决定SPD的位置(在入口处、靠近设备等),有必要知道保护距离,也就是SPD和SPD能提供 充分保护的被保护设备之间的可接受的距离。
这一距离取决于SPD的特性(UP等)、SPD在建筑物中的安装(导线长度等)以及系统特性(导线的 长度和类型等),还有设备的特性(过电压耐受能力等)。更进一步的解释见6.1.2和6.1.3,其均对所包 括的现象作了详述。
注:要设计保护区域,必须注意到SPD和被保护设备之间的保护距离(见6.1.6)0
6.2.3预期寿命和失效模式 6.2.3.1预期寿命与实际寿命
SPD的预期寿命主要取决于超过SPD最大放电能力的电涌发生的概率。
SPD的实际寿命可能会短于或长于预期寿命,这取决于电涌实际发生的频度。
例如,某个SPD的最大放电流通过是通过适当的风险评估后确定,但安装好后很快就遭受了超过 Ig值的电涌时,SPD就可能出现故障。在这种情况下,它的实际寿命就会非常短。这种极端的情况表 明制造者给出的任何预期寿命仅是一个统计数据,它绝不可能成为实际寿命的保证。
考虑到预期寿命仅是一种可能性。当异常电涌电流出现时.如果SPD的L.X远低于冲击电流时, 就会造成破坏,即使这种情况发生在安装后的几秒内。这种情况下,IgX比异常电涌电流低IO倍或仅 低2倍已经无关紧要。可是在一个特定的应用情况下,指定的较高ImX的SPD的预期寿命总是长于那 些类似的但较低的SPD,只要不超过SPD耐受的极限值。
选择SPD的要点归纳如下:
——应考虑Uτc∖,,预期的电涌和其他SPD之间的必要配合。
— 当SPD失效时不会引起像着火或电击这样的危险。
6.2.3.2失效模式
失效模式本身取决于电涌和过电压的类型。如果想避免供电受干扰或中断,SPD有必要和任何上 一级的后备保护器件相配合。
6.2.4 SPD和其他设备的配合
参阅GB 16895有关本条款的叙述。
6.2.4.1正常状态
持续工作电流(IC)不得造成任何人身安全方面的危害(间接接触等)或干扰其他设备(例如RCD)O
注1: It应比RCD的1/3的额定剩余续流(LI./3)小.SPD和其他设备的积累效应也应考虑;
注2:如果SPD安装在RCD、熔断器或断路器的负载侧上,那么SPD对该电器在故障跳开、误动作及由于电涌产生 的冲击损坏方面不能提供任何保护。
6.2.4.2故障状态
SPD可安装必要的脱离器,以便不干扰其他保护设备,如RCD、熔断器和断路器。
SPD耐受的短路电流(SPD故障的情况下)和保护装置规定的相关的过载电流(内部或外部)应等 于或高于安装点上预期的最大短路电流,SPD制造商应考虑保护装置规定的最大过载电流。
此外,当制造商已经声明额定断开续流值时,它的值应等于或高于安装点上预期的短路电流。
当SPD连接在TT或TN系统的中性线和PE之间时,其动作后会流过工频续流(例如,火花间 隙),该类SPD的额定断开续流值九应大于或等于100 Ao
在IT系统中,连接在中性线和PE之间的SPD的额定断开续流值应与连接在相线和中性线之间 的SPD的值相同。
6.2.4.3 SPD和RCD或过电流保护器,如熔断器或断路器之间的电涌配合
在网络中使用的过电流保护器和漏电保护器RCD的耐受能力不作规定,除了 S型RCD根据自己 的标准(IEC 61008-1和IEC 61009-1)规定,应耐受3 kA 8/20的电流而不断开。
当SPD和过电流保护器或RCD配合时,在标称放电电流In下,建议过电流保护器或RCD应不 动作。
然而,当电流比In大时,过电流保护器动作是可以的。对于可复位过电流保护器,例如一个断路 器,不应被这种电涌损坏。
在这种情况下,由于这种过电流保护器的响应特性,即使过电流保护器动作,全部的电涌都将流过 SPDo因此,SPD应具有足够的能量耐受能力。由于这种现象引起的RCD或过电流保护器的动作被认 为不是SPI)的失效,因为这种装置仍被保护。如果用户不接受供电中断,应使用特别的配置或过电流 保护器。
注1:在能遭受大电流的地方,例如雷电保护系统或架空线,如果In大于过电流保护器所在位置的实际耐受能力, 过电流保护器件动作电流可比九低。在这种情况下,SPD标称放电电流的选择仅取决于电涌性能。
注2:如果一个电压开关型SPD产生放电,电力供应服务的质址可能会降低。通常,续流会引起一个过电流保护器 的动作,除非电压开关型SPD是自熄型,否则需要和上一级的SPD过电流保护器配合。
6.2.5电压保护水平UP的选择
在选择SPD合适的电压保护水平值时,应考虑被保护设备的电涌耐受(或关键设备的冲击抗扰度) 和系统的标称电压。电压保护水平值越低,其保护性能越好。考虑到UC和UT的限制,SPD的劣化和 与其他SPD配合,见6.1.2和6.1.30
电压限制型SPD的电压保护水平与规定的I类试验中的In和IQk及∏类试验中的∕∏有关。ΠI类 试验中电压保护水平由组合波测试确定(UoC)O
电压开关型SPD或复合型SPD的电压保护水平也和放电电压有关。
6.2.6 选择SPD和其他SPD之间的配合
6.2.6.1 概述
如上所述,某些应用场合需要两个(或更多)SPD以便使被保护设备的电应力减到一个可接受的值 (较低的电压保护水平),并且减低该建筑物内的瞬态电流。
依据两个SPD的能量耐受值,为了获得可接受的电应力分配,有必要进行配合。
图16给岀了示例。
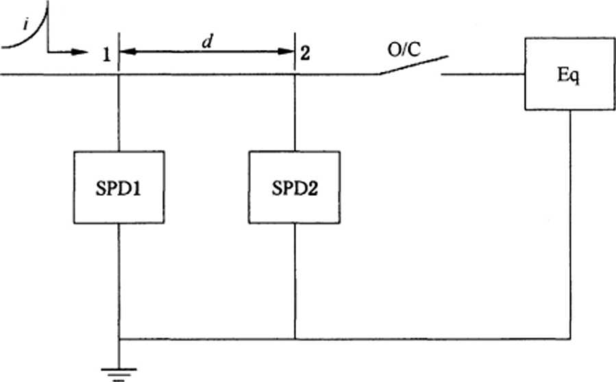
说明:
Eq —正常工作时的被保护设备;
O/C——开路(设备从供电系统断开)3
i —侵入电涌。
图16两个SPD的典型应用——电路图
两个SPD之间的阻抗Z(通常是一个电感)是一个物理阻抗(插在导线上的特殊元件,可促进两个 SPD之间能量的分配)或代表两个SPD之间电缆长度的电感(通常我们认为"H/m)。当Z代表一个 物理阻抗,导线的电感可以忽略,因为和Z比较起来,导线的电感很低。Z代表两种情况,并用图解的 方式表示在图16中。
注1:图16显示了设备没有连接的最严重的情况。没有任何的电流流过设备,两个SPD分配了所有的压力。如果 电涌来自于SPD的终端和负载之间,应该需要进一步考虑。
注2:本示例中连接导线被忽略。实际上,它们对两个SPD之间的电应力分配可能有影响。
注3:在导线进出比较紧密的地方,回路比较小,那么其电感比"H/m小,可低至0.5 μH∕m0
注4: 1 μH∕m的偵已经包含了进出线导线电感。
6.2.6.2 配合问题
配合问题可初步归纳为以下问题:当进入电涌电流为:时,其中有多少流入SPDl,有多少流入 SPD2?此外,两个SPD能否耐受这些电应力?
如果两个SPD之间的距离相对于电涌持续时间很短,那么电感的影响可忽略,则SPD2可能承担 较多的电应力。
选择合适的SPD应考虑两个SPD之间的阻抗,把i2的值降低到可接受的水平,以达到良好的配 合。当然,这个工作也能把第2个SPD的残压降低到期望的值。
应避免以下配合:
——SPD2过于安全的设计;
——如果i2过高,一些EMC干扰就会在建筑物引起一些麻烦。
可是依据电流处理它们之间的协调并不是很充分。有必要依据能量处理它们之间的协调。
为了确保两个SPD都很好地配合,有必要满足以下的要求,即能量判据。
如果电涌电流在O和Ing(IPeM)之间取任意值时,通过SPD2耗散的能最小于或等于其最大能量 耐受值(EIrUlX2),能量配合就可实现。
更多的信息参考附录K。
6.2.6.3应用情况
配合研究可能会复杂,如果所有SPD由同一制造厂生产,最简单的办法是根据所选的SPD之间的 距离或阻抗向制造厂提岀要求进行合理配合。
否则,有必要进行配合研究并且提供4种可能性:
——用长波和短波两种波形从0开始到相当于EnlM雷电流范围内进行几次试验,要记住每一部件 的公差对试验结果都有很大影响(试验待定);
—进行模拟时应考虑到实际安装线路的特殊性,注意应具有SPD特性的精确数据;
——当两个SPD属于电压限制型时,应对其U-I曲线进行分析研究;
——使用另一种叫通过能量(LTE)的方法,在大多数情况下,可给岀一个保守的结果。
更多有关这种现象的解释、分析研究和LTE方法见附录F和附录Ko
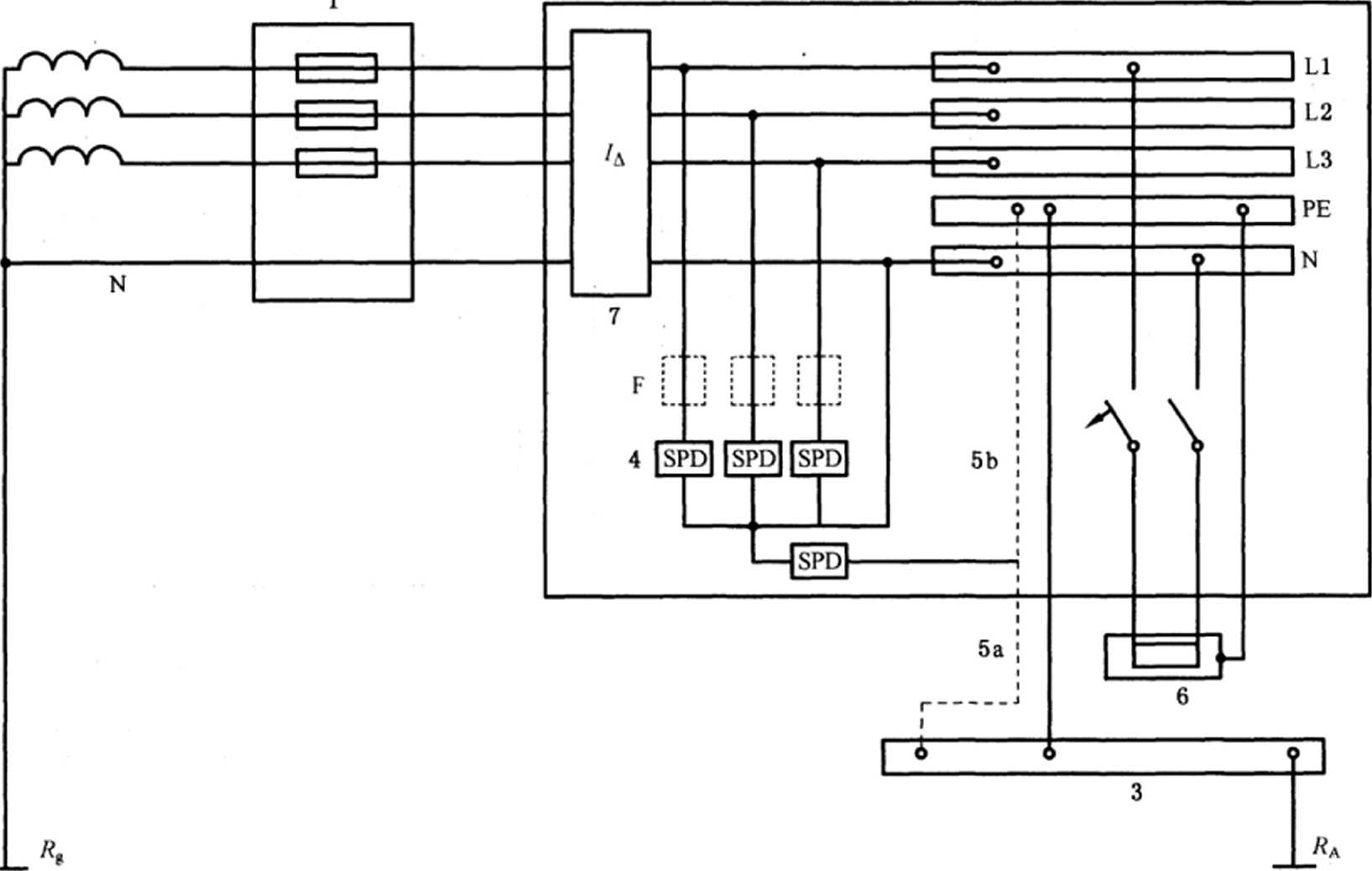
6.3辅助器件的特性
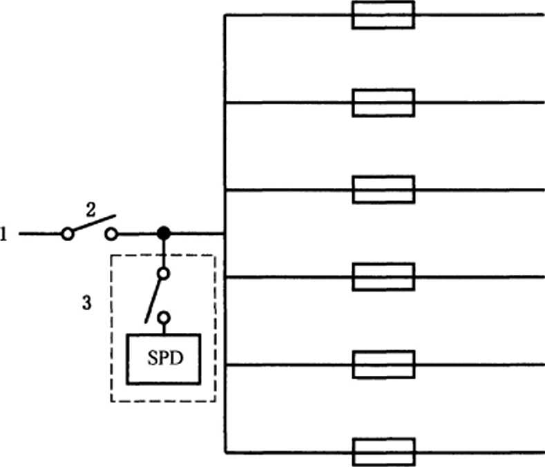
6.3.1切断装置
一个单独的脱离器可能具有3个基本的脱离功能(热保护、短路保护和间接接触保护),或者有必要 使用1〜3个脱离器。
它们被安装在SPD里面或与SPD连接。通过系统的后备保护来考虑某些功能,后备保护安装在 SPD的指定位置处,脱离器是装在SPl)回路中还是主要连接线上,取决于与过电流保护器的配合,也取 34
决于是否需要持续保护还是持续供电两者之间的平衡(见J.2)o
可能也需要脱离器具有一些其他的功能,例如在很高的暂时过电压的情况下。
脱离器可能是一个熔断器、断路器、RCD或一个具有这些用途的器件。
6.3.2事件计数器
这种计数器通常能给出检测到的电涌次数,有时也能给出有关电涌幅值和波形的信息。事件计数 器也可用来判断SPD安装位置的严酷程度或是否需要更换。一些复杂的事件计数器给岀了一些统计 数据,例如发生的频率、时间和日期及所含的能量等。
注1:用户应该知道起始水平太低就会存在一个危险,即由这种器件给出的信息可能是错误的。
注2:目前没有IEC标准含有这种器件。
6.3.3状态指示器
连接在脱离器上的状态指示器是用来为用户提供SPD的有关信息,根据其结构显示SPD是在工 作状态还是已经失效。它可用来提醒用户更换SPD。一些状态指示器是在线的,一些是远距离的,它 们可提供电的、可视的或听得见的报警。
7风险分析
可进行两种类型的风险分析:基本分析是用来确定是否需要使用SPD,第二种类型的分析用来确 定设备入口处或紧靠设备处SPD的能量耐受值(其他SPD的能量耐受值可通过SPD间的配合的研究 确定)(见附录L)O
是否使用SPD的决定取决于范围很大的参数,这些参数由用户来决定,应考虑的参数列于附录LO 如果确定使用SPD,就应根据暴露水平确定SPD的安装位置和等级。
GB/T 21714.2-2008给出了在雷电电涌情况下进行风险评估的一种方法。在一些情况下,可使用 基于GB/T 21714.2—2008的简化方法。例如GB/T 16895.10—2010中的例子,见附录HO
注:当需要进行一个完整建筑物的分析时,尤其不仅要考虑进线,而且要考虑建筑物自身和内部时,建议使用 GB/T 21714.2—2008o
8信号和电源线之间的配合
正在考虑中。
附录A
(资料性附录)
需方和供方给出的典型资料及试验程序的解释
A.1需方给出的资料
A.1.1系统数据:
——UQ.Uni
—频率;
--暂时过电压UTCV »
——被保护设备的绝缘水平;
注:用户应知道绝缘耐受水平随过电压的陡度和持续时间而变化。例如:耐受4 kV 1.2/50的器件仅能耐受1 kV 较长波的电压。
—在SPD安装点,系统的短路电流;
——配电系统的类型(IT,TT,TN等)。
A.1.2 SPD应用需考虑:
a) 连接:
•相对地;
•中线对地;
•相对中线;
•相对相。
b) 被保护设备的类型:
•变压器;
•电机;
•包括电子器件;
•其他设备;
•电缆(型号和长度)等。
C) SPD和被保护设备之间导线的最大长度(保护距离)。
注:保护距离应尽可能短。
d) SPD和所有导线(相,中线,地)之间从SPD顶端算起的最大导线长度。
A.1.3 SPD的特性:
—最大持续工作电压UM
—一电压保护水平Up;
——试验类别:i类、n类和in类;
―SPD失效情况下耐受的短路电流;
—SPD安装环境(户外、户内等);
——端口数量;
——外壳防护等级(IP代码);
—标称放电电流ʃn( I类和II类试验);
—最大持续负载电流(如果需要);
imp√mβχ或UOC (分别为I类、II类和nɪ类试验);
—TO V 特性 uτ;
—失效模式。
二端口 SPD附加特性:
——最大持续负载电流(如果需要)九;
——电压降百分数。
A.1.4附加设备和安装:
——安装类型;
——安装方位;
——如果需要,可安装SPD脱离器;
——连接导线的截面。
A.1.5任何特殊的非正常条件:
例如很频繁地动作。
A.2供方应给的资料
所有条款来自A.1.4和A.1.5o
另外,依赖于下述技术:
——TOV特性Uτ ;
——残压-电流的曲线;
——可能的安装、钻孔位置、绝缘基座、支撑;
―SPD端子的类型和允许的导线尺寸;
——尺寸和重量。
A.3用于IEC 61643-1试验程序的解释
A.3.1依据I类和II类试验来确定SPD的UnS
测量残压时要求使用8/20波形发生器,该发生器序列幅值为0.lXln、0.2Xln、0.5Xln、l.0Xln和 2X In,并且有两种极性。最后,至少一种冲击IgX或(如果ImaX或Igk比In要高)被加到SPD的电 极上,产生比先前试验更高的残压。
第一序列在一个极性上,第二序列在相反的极性上,以便检査SPD是否有累积效应。
因为是作为比较值来使用,无论是I类试验还是∏类试验,波形总为8∕20o常用的选择SPD的方 法是比较它的保护特性和被保护设备的冲击耐受电压。对I类试验,典型的波形是由IEk和Q所定义 的LmP,但是它的波形和8/20波形在电流上升率方面不同。因此,8/20波形被用作比较SPD保护性能 的一般依据。
在0Λ×In^2×In之间可使用很多值,因为有必要找岀任何可能产生的盲点(盲点就是较低的电 流值产生一个较高的残压值)。应注意在In时的残压值是一个常规值,该值也可能不是最高值(例如, 如果SPD有盲点),这一点很重要。
铭牌上打印的UP值不足以用来做绝缘配合和SPD之间的配合。残压的曲线或图表应由制造厂在 技术文件中提供。
在In和ImX或IPMk之间应做足够的测量(至少一次),以便用足够的点给出残压和I皿或I妳的 曲线。
A.3.2用于UE评价的冲击波形
8/20波形用于一端口 SPD试验时,允许电流过冲量为5%,这种过冲量对一端口 SPD的Ug无 影响。
而对于二端口 SPD,通常有一些串联阻抗,例如,去耦电感。另外,在设备电感边上的并联电容产 生一个低通滤波器作用。在这种情况下,过冲波将根据过冲幅值有效地改变U^O由于这个原因,二端 口 SPD试验时,允许的过冲量限制在5%以内。
A.3.3反向滤波器对UE确定的影响
当一个反向滤波器和二端口器件一起使用时,其相互作用使得U心产生偏移,并且可能产生一个 误导。
以低通滤波器形式的二端口器件在施加脉冲波尾时将产生峰值U心。同样,反向滤波器将起作用 并且在脉冲波尾时反向储能。这种组合波和电压的峰值依赖于试验时反向滤波器和器件的参数。
为了确定最坏情况下Ure,的值,试验脉冲应采用交流系统最大值,并且还应是同极性。即使在这种 情况下,试验条件下器件内部所有元件均处于UmttKO US值是UmX和由于施加的脉冲产生增大的电压 的总和。这个值由电压为UmZ的二极管的直流电压决定。在二极管和二端口器件之间施加脉冲。取 决于二端口器件的设计,有必要提供一个交流电源来起动内部工作或提供一个诊断器件。
注:这项试验不适合含有隔离变压器的SPD。
A.3.4 SPD的动作负载试验
动作负载试验由预处理试验和动作负载试验组成。预处理试验的目的是为了确保器件在冲击应力 下无劣化。动作负载试验的目的是确保器件在运行条件下的热稳定性。
无论是I类试验还是II类试验,试验的严酷程度取决于Ig(各自的Imj(X)的幅值以及In与LmP之 间的比值。在Ig(各自的∕mflχ)给定的情况下,比值越大则越严格,对于In类试验,试验的严酷程度与 UOC有关。
预处理试验是指对SPD施加15次波形为8/20的标称放电电流,模拟其使用中预期的最小电 应力。
∏l类试验的预处理试验与I类和II类试验相同,除了用制造商宣称的UoC来代替标称放电电流,并 且试验中用到复合波发射器。预处理试验所施加的电压为Uc。每个冲击与50/60 HZ之间保持同步, 从0°角开始叠加冲击,每次冲击增加30°,这样做的原因是一些SPD,例如火花间隙,对这些角度敏感, 特别是对工频续流敏感。∏l类试验适当的耦合是很重要的,它决定于发生器的结构和施加的UC能起 到避免电涌流入发生器的作用。
15次冲击被分成3组,每组5次。两组间的间隔时间(30 min)应足以使试品冷却。
预处理试验后,为了找岀可能的肓点,应在以下电流值追加冲击≡0.1×∕imp(或/max).0.25X/imp(或 J)、0.5XLmp(或J)、0.75XLmp(或ImaX)和LmP(或每次冲击之间有一个热冷却。盲点对应 于一个比LmP(或ImX)低的电流值,这个电流值能使在IE(或、)正常工作的SPD失效。典型的示例 是在一个ZnO压敏电阻上,并联一个火花间隙,如果间隙不击穿,全部电涌便加在ZnO压敏电阻上,而 ZnO压敏电阻或许不能耐受和间隙相同的电应力,导致失效。
IB类试验的动作负载试验需要使用一个开路电压为UoC的复合波发生器。
A.3.5 ToV失效试验
这是一个强制性试验。这个试验是考虑在HV系统发生故障产生的TOV时,提供SPD失效模式 的信息。这个试验只适用于TT或IT系统,并且不适用于那些连接在相与中性点或者相与相之间的
SPDo TOV的工作条件在表1中被描述。
注:虽然这个试验根据IEC 61643-1是非强制性的,但在GB/T 16895.22-2004中,这个试验是需要进行的。
SPD是包围在一个木制的立方体盒子中。试验本身将会产生一个持续200 ms的TOVo持续时 间限定在20OmS是模拟故障的切除时间。发生器的短路电流能力设置为300 A以模仿典型情况。试 验过后,SPD可能失效但并不引起其他危害。
A.3.6 I类、II类和DI类试验在试验环境上的不同之处
I类试验是模拟部分传导雷击电流冲击的情况。I类试验的SPD通常用于与雷电保护系统相连 接的大电流保护区域。这些SPD通过连接LPS和电源线来实现他们之间的等电位。I类试验所使用 的脉冲电流持续时间比Il类和OI类试验长的多。
U类和Ill类试验模拟感应过电压、远距离的雷击电压和操作过电压。根据Il类和ID类的SPD试验 并不用来连接LPS实现等电位。
对于I类和11类试验,有特定的电流通过SPD,而111类试验中通过SPD的电涌电流的大小则决定 于SPD的性质。
In类试验是通过发电机的开路电压UoC来确定的。而短路电流匚则由UoC和2 Q的虚拟阻抗得到 的。发生器阻抗模拟了装置的阻抗。皿类试验的最大电流是IOkA,研究显示,入口处的绝缘击穿电压 水平限制了进入装置的电涌水平。这些SPD将装入设备中。对于∏I类试验,试验中通过SPD的电流 会较短路电流K低,原因是SPD拥有与短路不同的特性。
A.3.7短路耐受能力试验与过电流保护(如果有)的配合
该试验提供SPD在故障状况下,内部的连接是否具有承受短路电流的能力,而不至于造成火灾、爆 炸或闪络之类的灾害。
短路水平耐受值是由厂家提供的。
该试验的目的是为了检査SPD内部连接的性能。为了实现这个目的,保护元件(M()V、GDT、间隙 等)用与试品体积相似的仿制品代替,以确保与原样品一致的特性。由于SPD具与保护装置并联,短路 电流试验的次数应与并联电流路径的数相等,每不同的电流路径都按照其对应的短路电流容量进行试 验。这样试验的目的是为了模拟少数元件失效的所有可能的失效条件。
短路电流应该在5 S内终止。5 S被认为是具有代表性的最大的故障切除时间。
附录B
(资料性附录)
在某些系统中S和标称电压之间的关系示例及Zno压敏电阻UP和UC之间的关系示例
B.1 UC和系统标称电压之间的关系
表B.1给出了 UC和系统标称电压之间的关系。
表B.1 UC和系统标称电压之间的关系
|
依据 GB/T 16935.1—2008 的 系统标称电压 |
GB/T 16895.22—2004 给出的 UC 值示例 | ||||
|
三相四线制, 中线接地 |
三相三线制 或三相四线制, 中线不接地 |
在TN系统,中, SPD安装在相和 PE或PEN之间 或在TT系统n中 SPD安装在相和中 线之间 UC最小值 |
在TT系统•中 SPD安装在相和地 之间或中线和地 之间 UC最小值 |
在IT系统中SPD 安装在相和地之间 或中线和地之间 UC最小值 |
在 TT、TN 或 IT 系统中,SPD安装 在相和相之间 Ue最小值 |
|
TT和TN系统 |
IT系统 |
电压调整率 等于10%的情况 |
1.5×L70 的值 已被使用的情况 |
√3×L7o的值 已被使用的情况 |
电压调整率等于 ιo%的情况 |
|
V |
V |
V |
V |
V |
V |
|
120/208 |
132 |
180 |
229 | ||
|
127/220 |
220 |
140 |
191 |
220 |
242 |
|
230,240 |
240 |
264 | |||
|
260,277,347 |
347 |
382 | |||
|
220/380,230/400 |
380,400 |
253 |
345 |
400 |
440 |
|
240/415,260/440 |
415 |
286 |
390 |
415 |
484 |
|
277/480 |
440,480 |
305 |
416 |
480 |
528 |
|
,在某些情况下可能需要较高的值(例如,在TT系统中中线断线)。 | |||||
B.2 ZnO压敏电阻UP和UC之间的关系
在描述SPD的特性方面,Up∕Uc之值是一个重要参数,这个比值取决于所使用的元件。表B.2给 出了 ZnO压敏电阻元件的Up∕Uc的典型值,该值与元件的大小及所施加的电流In有关。
表B∙2 Zno压敏电阻的Up∕Ue
|
∕n(8∕20) kA |
等效直径 mm |
Uft∕Uc |
|
1 |
14 |
3.3 |
|
2.5 |
20 |
3.8 |
|
5 |
32 |
4.1 |
|
10 |
40 |
4.6 |
|
20 |
60 |
4.6 |
更低和更高的比值可通过其他技术获得。制造厂可提供它们特殊产品的比值。 注:其他参数(例如电涌耐受)也随生产工艺的不同而发生变化。
附录C
(资料性附录)
环境一LV系统中的电涌电压
C.1概述
三种情况会引起低床系统中产生电涌过电压:
— 自然现象.如雷击,通过直击或感应产生过电压;
— 人为因素,如在输变电系统或低压系统终端用户进行的负载或电容器操作;
——非人为因素.如电力系统的故障和恢复或电力系统与信号/通信系统不同系统之间互相作用产 生的过电压。
本部分中考虑的冲击过电压是超过两倍峰值工作电压(2.0 p・u.),持续时间从微秒级到毫秒级。低 于两倍峰值工作电压的过电压或者由于电力设备的操作及设备的损坏引起的持续时间较长的过电压同 样不在考虑范围内。因为普通的电涌保护器不对这类低幅值和持续时间长的电涌起作用,它们需用与 本部分讨论所不同的保护方式进行保护。
本附录介绍和总结了 IEC/TR 62066中低床系统的电涌电压的重要信息,方便使用本标准。
C.2雷电过电压
雷电是不可避免的事件,它会通过儿种机理影响低压系统(包括电力系统和信号/通信系统)。最明 显的干扰是系统受到直击雷。但其他耦合机理也会引起系统电压升高,在此将讨论引起低压系统过电 压的三种耦合方式。在讨论过电压时.也考虑与过电压相关的过电流情况,由过电压引起的初始电流也 是本附录一个重要方面.三种类型如下:
a) 直右•于电力系统,发生于MV/LV配电变压器的原边侧、LV配电系统(架空的或隐埋的),同 时也侵入到个别建筑物中;
b) 非直接闪络:雷击附近物体,通过感应耦合或公用路径耦合在LV配电系统中产生过电压。虽 然非宜接闪络产生的过电压和电流低于直接闪络所产生的过电压和电流,但其出现的频率 更大;
C)直击到防雷系统或最终用户建筑物的外部(建筑物的钢件及水管、暖气管、升降梯等非电气部 分).这会产生两种影响:一是雷电流通过建筑物外部产生感应耦合;二是雷电流从建筑物注入 到LV系统,从而不可避免地在LV系统中导体和地或装置等电位排之间要用SPDo对一个 闪络,在最终用户使用电器时岀现的过电压将反映耦合路径的性能,例如闪络点和终端用户之 间的距离及接地情况、接地电阻、SPD的数量及配电系统的分支。
C.2.1由MV传输到LV系统的电涌
在MV系统中,由于雷击发生的过电压注入到LV配电系统有两种不同的方式:
一-通过MV/1.V变压器的电容和电感耦合;
——通过接地耦合。
传递的电涌幅值依赖于很多参数:
——LV接地方式(TT.TNJT);
一一LV线路和负载的特性;
—LV过电压保护装置;
—∙∙MV和LV接地间的耦合状况;
——变压器的结构。
如果雷电直击MV线路,避雷器动作或火花间隙击穿使电涌电流转移到接地系统,并且在MV和 LV系统之间产生阻性的耦合,从而导致过电压进入LV系统中。根据接地阻抗的不同,通过变压器的 过电压幅值可能远高于容性耦合的情况。
在TN系统中,如果用户装置内的中性点接地,将会产生轻度的过电压。值得注意的是.这种类型 的电阻耦合可以通过在变压器的LV侧安装一个独立的接地系统来避免。
通过容性耦合和感性耦合输入到MV/LV侧的过电压其典型的取值是相和中性线间相对地电压 的2%,是相和地间电压的8%。这些值对于负载LV电路是相对典型的。当变压器的LV侧开路或者 轻载时,这个值会显著的升髙,决定于LV系统。
感应雷在MV系统中产生的电涌(通常小于1 kA)比直击雷要小得多,并且实际中过电压输入到 LV系统仅仅是通过容性耦合,其值不会超过几千伏。在这种情况下,LV系统(至少是在距离雷击不远 的部分)所直接感应的过电压一般比从MV侧输入的要高。如果有一个SPD动作或者放电发生,电流 将会较小,相应的阻性耦合的情况也被忽略。
C.2.2 直击于LV配电系统引起的过电压
由于雷电流通道的有效阻抗较高,因此实际上可认为雷电流为一理想的电流源。因此,产生的过电 压由雷电流通道的瞬态有效阻抗的大小决定。
导线遭受雷击,第一时刻的电压取决于导线的特征阻抗(电涌阻抗),电流(D最初分为两部分,且 电涌电压(U)为:
U=ZX 1/2
式中:
U-―电涌电压;
Z——线路的电涌阻抗;
/ —电涌电流。
假设电流为io kA,电涌路径阻抗为400 Q时,很显然,预期的电涌电压为2 000 kV0因此,大多数 情况下闪络通常会在导线和地之间发生。发生闪络后,有效阻抗以一定数量下降,其下降程度取决于接 地电阻。假设雷电流为10 kA,阻抗低至10 Q时,导线上电压为100 kVo
在架空线与电缆联合系统中.由于电缆电涌路径阻抗比架空线低,从而其产生过电压略有降低,其 降低程度依电流持续时间和系统的对地电容量而定。然而降低的程度不能完全避免低压系统中超过标 称绝缘水平的过电压。因此.直击雷将会对系统造成损坏。
C.2.3 LV配电系统中的感应过电压
由于闪络会使电磁场发生改变,电涌被引入到离闪络点相当大范围内的架空线上。可从下面公式 粗略估计导线上产生的过电压(U):
U = 30 XA X (∕ι∕d) X I
式中:
/——雷电流;
h —导线离地高度;
k ——系数,取决于雷电流反击的速率;
d—发生闪络点到导线距离。
参数&的变化很小(1.0〜1.3)。
对于电流为30 kA的中等程度的雷电流,当架空线距地面高度为5 m,l km范围内的瞬时过电压 将超过5 kVo在这种情况下,即使距离为IO km时,100 kA的电流产生的电压为1.8 kVo
C.2.4雷击防雷系统或一个邻近的区域而引起的过电压
当雷击建筑物,该建筑物釆用LV配电系统并联供电方式时,雷电流通过可利用的不同路径流入大 地。这些路径本地接地点(建筑物接地),同样也包含通过金属相连接的远距离接地,主要是电缆馈线。
来自于雷电保护系统接闪端的电涌电流通过引下线输入接地系统。这样,雷电流至少被分成了两 部分,一部分流入建筑物的接地系统,另一部分通过电缆线路流向远方接地(电流通常也可能沿着其他 路径,例如金属管道和其他传导装置),电流的分配与阻抗成反比,冲击电流起始阶段,电流的分配取决 于电感的分配,随后电流变化率低时,电流的分配取决于电阻的分配。
当几个建筑物电气上有连接时,有效电阻值降低,雷电流从建筑物本身输入到LV系统的电流将随 着连接到一起的建筑物的数量的增加而增加。
不同国家,中性点的连接方式不同,所以雷电流的传播方式也不尽相同。在设计系统时应该考虑这 些不同。
在可以利用的路径中,电流的传播将会引起过电压,特别是在导线和接地之间。取决于LV装置的 设置以及SPD的使用与否,这些过电压可以被放大或者降低。试验结果基本符合先前的叙述,并且显 示出了入端中点接地的优越性,以及考虑阻抗、电感和相互之间耦合的重要性。
同样值得注意的是•由于直击雷落在建筑物或某部分上而导致的接地点电位上升,超过了低压装置 的绝缘耐受水平,从而引起闪络,同时应注意,过电压将会传播到与其连接在同一个的低电压配电网的 相邻建筑物(设备),除非该建筑物(设备)安装有等电位的SPD装置。
同样的,即使一个建筑物没有直接遭受雷击也可能产生过电压,这是通过配电网络传播所导致。除 此之外,如果已经给出了一个地域的雷电密度,现有的高大建筑物虽然降低了雷击直击附近低矮建筑物 的概率,但却不可避免地增加了传导过电压的概率。
接地体和导线之间的过电压作用在与其连接设备的绝缘上,这些设备通常都会根据GB/T 16935.1-2008具有足够的耐受水平。电力设备的工作元器件会承受到导线之间出现的过电压。乍一看上去,最 坏的情况可能是过电压施加到电力设备的工作元器件,这可能也是正常的情况。然而,对地过电压会带 来一些问题,它不仅作用于电力设备绝缘,而且会改变电力系统和可能连接到设备的通讯系统之间的参 考电位。
C.3操作过电压
操作冲击产生的过电压、电流及其持续时间通常比雷电冲击产生的电压、电流及持续时间低。然 而,在某些情况下,特别是在建筑物内部或接近操作过电压起始处,操作冲击产生的电应力将会高于雷 电冲击产生的电应力。必须知道操作冲击产生的能量,以便选择合适的SPDe包括故障和熔断器瞬态 动作在内的操作持续时间比雷电冲击持续时间更长。
通常在一个电气装置内任何开关动作、故障开始、中断等,总会伴随着暂时过电压的产生。在一个 系统中发生的突变将会引起高频阻尼振荡(由网络的谐振频率决定),直到系统再次稳定到一个新的 状态。
操作过电压的幅值取决于许多参数,如回路类型、操作种类(关、开、重燃)、负载、断路器或熔断器。
操作产生的振荡频率由系统特性和谐振特性决定,在这种情况下,可能引起很高的过电压。通常, 操作与系统工频发生谐振的可能性很小,然而,如果系统开关频率特性接近系统中一个或多个谐振频 率,将会发生瞬态谐振。
C.3.1综述
操作电涌的典型波形取决于低压装置的响应。在大多数情况下,会产生鸣震波,其频率通常为每微 秒几十万赫兹。上升最大速率为每微秒几千伏。电涌持续时间范围较大。如果由熔断器动作引起的操 作过电压被排除,典型的持续时间(到半峰值)从1卩S〜50 μso统计显示,产生高幅值和持续时间很长 (大于100卩S)的电涌的可能性较低。
C.3.2断路器和开关操作
断路器和开关广泛用于每个电气装置和控制设备中,以便在过载或短路情况下断开电气设备或由 开关控制设备动作来对电气设备进行保护和控制。开关操作的频率依其使用的场合而定,在工业上其 使用频率较高,在家庭中其使用频率相对较低。
阻性负载的操作电流是在电气设备的额定电流范围内。而对于使用开关模式进行供电的设备,设 备的操作电流高于额定电流。因此,如对于一个功率为100 W的电视机,其额定电流为0.4 A,而涌入 的电流约为20 A,髙达50倍。
无论对于手动开关或电动开关,每次操作过程中都会产生电弧。由于电感和电容相互作用使电压 发生改变,从而引起高频振荡。该振荡会使线路之间以及线路与地之间的电压改变,电气设备绝缘总电 压由导体部分和其他回路承担。与经由公共配电网进入用户的过电压相比,由用户装置开关操作引起 的过电压不经过衰减,其瞬态幅值反而会更高一些。
C.3.2.1在用户室内的断路器和开关操作
与合闸相比,分闸会产生更高幅值的电压。在分闸时,在负载侧比在线路侧有更高的电涌幅值。无 论如何,这点对于设备的设计,尤其是绝缘方面的设计是个关键的问题。如果有与其并联的设备,该设 备也将承受电应力。由于线路侧与整个系统及其他设备相联,故与负载侧相比,线路侧的过电压更应 考虑。
C.3.2.2在供电系统(LV和HV)中断路器和开关的操作
在每一个供电系统中,电气设备上都能观察到瞬态过电压。在地下供电系统中,几乎所有的瞬态过 电压都是机械操作引起的。
在高压和低压装置中,具有电感性的设备,如变压器、阻抗线圈、接触器线圈和继电器等与电源并 联,设备的操作都会引起振荡,产生高达几千伏的过电压。因为有线路的自感,这种情况也存在于纵向 电感线圈中,例如,导体线圈和纵向阻抗线圈中,或系统自身的开断中。
在电源侧,操作过电压由开关操作、旋转电机的刷状电孤、电机或变压器负载突然下降以及功率因 数补偿电容器组的操作引起。
在极少数情况下,这种过电压的频率和能蛍比雷电过电压在低压装置上的频率和能量要高。
低压电源操作引起的瞬态过电压,幅值可能达到数千伏。低压系统操作时,一定条件下,过电压最 大值可以被限制,可通过电源系统安装保护电器来限制过电压,预期最大幅值为6 kV的电压,一般不 超过低压用户内部装置耐受值。
与操作过电压对应的另一些现象是高压供电系统发生短路和接地故障。接地故障可以在无故障导 线上引起线一地过电压,范围在线电压之间。而且,同时也产生瞬态过电压,这种瞬态过电压会从高压 电源侧传递到低压电源侧。
C.3.3熔断器动作(限流熔断器)
熔断器广泛被用于配电系统和电力装置,用来保护过流并断开短路回路。例如,如果熔断器动作, 配电系统断开一个短路的回路,该动作产生近似于三角波的一个过电压,频率相对较低。过电压发生在 系统的线线间,也可能出现在线和保护地线之间,取决于接地的中性导体,或者取决于一个IT系统,或 者取决于接地电容。因此,该过电压也作用于裸露导电部件绝缘和其他回路。当然,相对于由动作电流 开断引起的过电压,这种过电压很少发生。过电压通过母线也会传输到同一配电系统的其他用电设 备中。
和开关动作引起的其他电涌相比,熔断器动作引起电涌的概率较少。但此时断开短路的回路,可能 产生强烈的电涌,影响因素主要有短路电流的上升率、熔断器的额定电流及特性、回路的电感。
由安装在靠近母线排的熔断器断开配电系统馈线的短路是非常重要的,因为由熔断器动作产生的 过电压会影响到与同一母线排相连的其他一些用电设备。实际的统计情况表明,在低压公共供电系统 中,发生此种故障是非常少见的。然而,当考虑工业配电系统时,这种类型的故障具有一定的代表性,发 生此种短路并非少见。
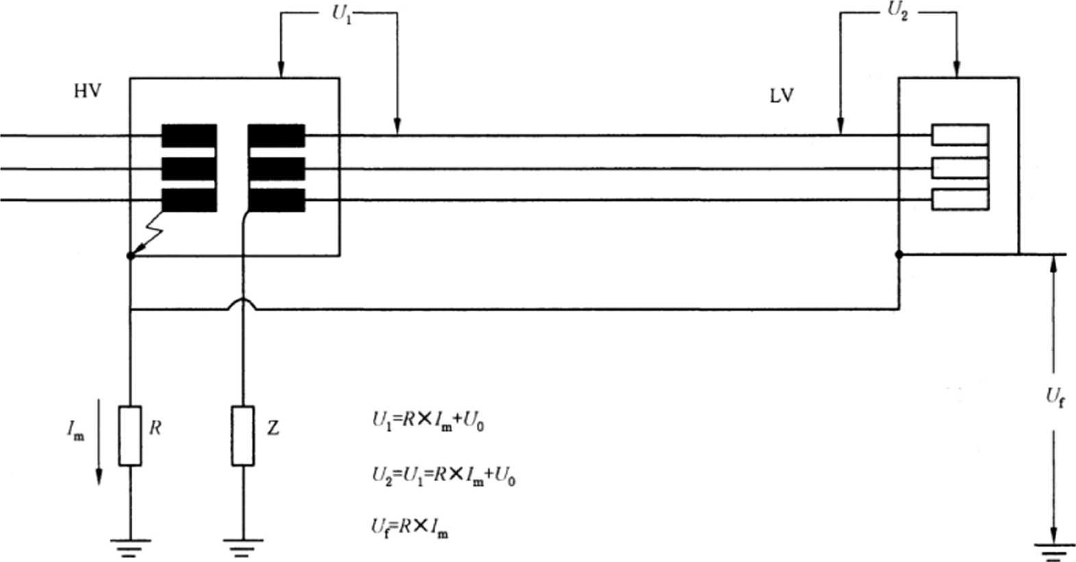
附录D
(资料性附录) 部分雷电流计算
根据图D.1, 一个带有LPS系统的建筑物遭受雷击。雷击电流IL将会沿着避雷针流入被击建筑物 的接地系统。这将导致电压潜在升高,继而产生闪络或者SPD的动作,所以雷电流部分进入了系统 的4条线路中。
ɪ-
¾1
a)
XXXXx
—1- V — R、4 Ee.,
/i.
说明:
R、—中线接地电阻;
Re;——被击建筑物的接地电阻;
Re..—第i个建筑物接地电阻;
Re.e—除建筑物的接地电阻以外的总接地电阻;
ʃi.——被击建筑物的雷电流;
/m —进入电源系统的雷电流。
注:这种计算.临近建筑物的接地电阻Rm等于或小于建筑物雷击的接地电阻
图D.1进入配电系统部分雷电流总和的简易计算
经过分配的部分电流L会在系统和设施中产生过电压,并作用在绝缘和相连的仪器设备上。因 此,不仅受到雷击的建筑物有危险,与建筑物相邻的建筑物或设施也存在危险。
简化网络[图D.l b)和C)]可用于简单计算流入配电系统的部分电流ImO
注:该计算只对能量分配有效(雷电流的波尾)。
SPD在电涌的条件下承受的应力是许多复杂且相关联的参数的函数,包括:
—建筑物中SPD的位置:它们位于主配电盘或者是二级配电盘的设施内,甚至是在最后一级用 户的设备前边;
—SPD上游的元件:例如熔断器、导线横截面积等,都可能会限制整个系统的电涌承受能力和 SPD所承受的最大电应力;
—设备与雷击的耦合路径:例如,是经过雷电直击建筑物的雷电防护系统,还是由于附近的雷击 感应到建筑物配线上;
——雷电流在建筑物中的分布:例如,雷电流中有多少进入了接地系统,剩下多少雷电流通过配电 系统和等电位连接的SPD寻找路径流向远处的大地;
——配电系统的类型:中性线的接地方式会显著影响雷电流在配电系统的分布。例如,中性线多重 接地的TN-C系统可提供一条比TT系统更直接和更低阻抗的泄放雷电流的路径;
——与设备相连的其余导电装置:它们将分流一部分雷电流,从而减少了通过等电位连接SPD而 流入配电系统的雷电流。应注意到由于这些导电装置可能被非导电物体代替,这部分分流功 能可能会消失;
——波形类型:在产生电涌的情况下,不能仅简单地考虑SPD传导的电流峰值,还必须考虑电涌的 波形。
人们已经做了大量的尝试来定量分析电气环境和设施内不同位置的SPD将经受的“威胁等级气 GB/T 21714.4—2008已经基于雷电保护水平通过考虑SPD上可能岀现的最大电涌幅值来阐述这个问 题。例如,该标准假设在I类雷电保护水平下,直接击中建筑物雷电防护系统的雷电流幅值可高达 10/350 200 kAo如果达到这个水平,它发生的统计概率仅为1%。换言之,99%的情况下放电电流将 小于假设的200 kA峰值电流水平。
另外,假定电涌电流中的50%是通过建筑物的接地系统泄放,50%通过连接到三相四线配电系统 的等电位SPD泄放。假设没有其他的导电装置存在,这意味着初始200 kA的雷电流分配到每个SPD 中的电流都是25 kA。
电流分布的简化假设对确定SPD可能承受的威胁等级是十分有用的,但要注意考虑假设条件。在 上述例子中,已经考虑一个200 kA的雷电放电。进而可知在99%的情况下,等电位SPD的威胁水平 将小于25 kA。另外,这种流过SPD的电流分量的波形与初始放电电流的波形相同,然而实际电流波 形可能由于建筑物内线缆的阻抗而发生改变。
基于长时间的现场经验积累,许多标准考虑了运行中的SPD可能经受的威胁等级。例如IEEE标 准C 62.41.1和C 62.41.2,给出了不同SPD安装位置的暴露水平。
从上可知,合适的SPD参数Irn“和LmP的选取,很显然取决于许多复杂和相互关联的参数。用户不 仅要考虑到注入的电流是如何在建筑物以及配电系统中传播的,还要考虑到与放电电流的幅值和波形 相关的概率统计问题。
必须注意到,通过电力线路、电话线以及数据线进入建筑物的电涌对建筑物内电子系统造成破坏的 概率远大于雷电直击建筑物本身造成破坏的概率。
有些建筑物没有或可能不需要LP系统,这样的话,也许不需要高电流的I类SPD,而采用低保护 水平UP的U类SPDo
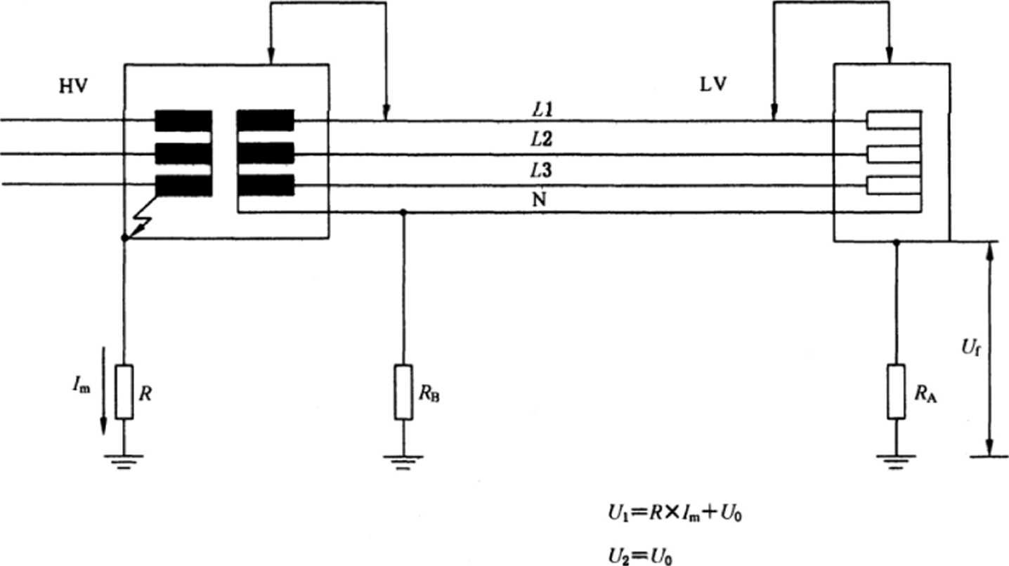
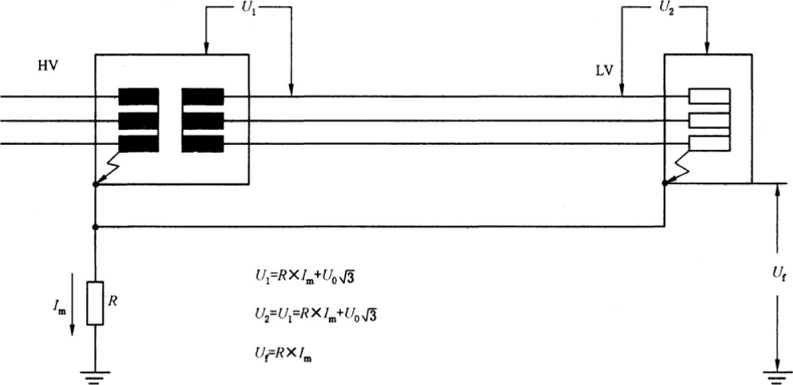
由于上述问题的复杂性,应牢记选择SPD最重要的一点是在预期电涌发生时SPD限制电压的性 能,而不是其所能耐受的能量大小(LmPJgX和UoC)。一个具有低限制电压的SPD,可以确保对设备提 供足够的保护,而一个具有高耐受能量的SPD仅能延长其运行寿命。
附录E
(资料性附录)
由高压系统和地之间故障引起低压系统的TOV
E.1概述
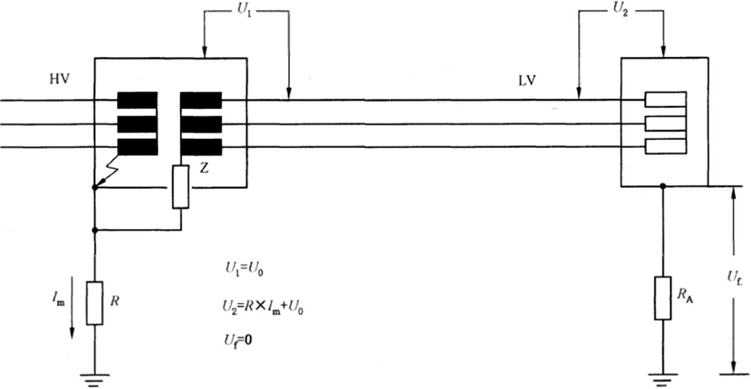
在HV/LV变压器高压侧发生故障时(例如,变压器内部失效或一个间隙放电,见注),就会有电流 Im流过变压器的接地电阻R。由于接地电阻与低压网络的连接,一个高UtoV(HV)会出现在低压网络, 持续时间等于高压网络故障清除的时间(大约10 ms到数小时)。
注:变压器LV侧暂时过电压,可能来自于:
—HV裸露的导电部分的电位极度提升导致HV和LV之间的绝缘损坏;
—一HV/LV变压器的内部故障或者髙压导线掉落在低压线导致HV和LV直接接触,
—通过接地连接之间的耦合导致在LV中性点和LV导线上,甚至在用户接地连接或者附近通信系统上产生 过电压。
潜在的暂时过电压情况更详细的讨论见GB/T 16895.10-2010,在这种情况下,连接在带电导线和 地之间的SPD会过载而无法承受这种电应力。以下TT系统的示例就说明了这一点,此种情况也发生 在TN或IT系统(见下面其他的示例)。
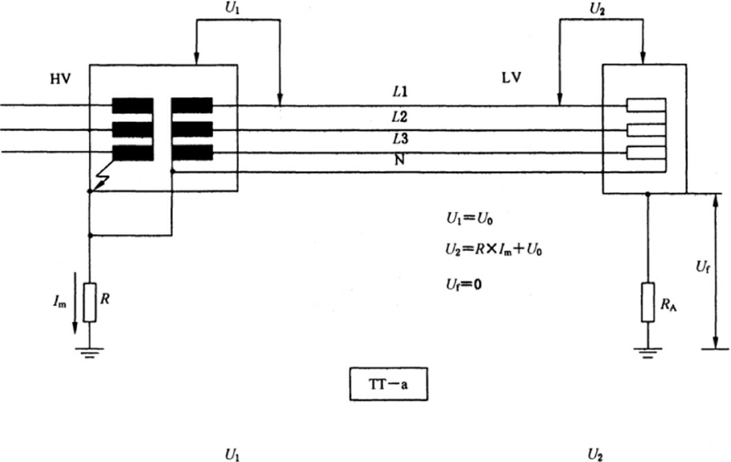
E.2 TT系统的示例一可能的暂时过电压的计算
E.2.1高压系统由接地故障引起的低压装置可能出现的电应力
说明:
P—HV系统,
S —LV系统;
T—变压器.
图E.1由高压系统接地故障引起的暂时工频过电压
阻抗的定义:
ZEHV——髙压系统的接地网阻抗(取决于高压系统星形点的处理);
Zelv——低压系统的接地网阻抗(为Z%∙..∖ ⅛ Zeiab之和);
Z LV.Zn——线路阻抗、中线阻抗。
如果变压器低压侧的星形点接地(如图E.1),HV系统的接地故障就会影响LV系统的电压。而 且,即使两个变压器星形点的公共接地线不存在,接地故障(变压器的一个气隙被击穿或者是内部故障) 也会引起LV星形点电压上升。高压系统的接地电流流经阻抗Zk∣λa引起变压器星形点电压上升。因 此,Zkiλ∙λ和接地电流值决定LV系统的暂时工频过电压。
E.2.2高压系统的特性
E.2.2.1带有限制接地电流的高压系统
由于HV系统采用了消弧线圈接地,接地电流被限制到∕varlh = 5 A〜10 A,以保证电弧自己熄灭。
阻抗Zelv = IOO。〜500 Q,因此,高压系统接地阻抗残压和接地电流仅由ZEHV决定,与短路功率、 接地阻抗ZLVA和ZLVB无关。
E.2.2.2中线低阻接地的高压系统
对于完全地下系统,接地电流的限制已不再有接地电流自熄的机会(在电缆中绝缘故障损坏绝缘)。 因此,高压系统会随中线低阻接地,其动作次数增多。通常,接地电阻应将接地短路电流限制到IE汕2 2 AO
对于额定电压为Un = 20 kV的HV系统.此时适合这种要求的接地电阻为ZEHVe5 Q.小电站的 变压器常常无昂贵的过电流保护,因此,熔断器用于断开短路电流,断开时间取决于熔断器的额定电流, 大约为100 ms。
E.2.3由高压系统故障引起的低压系统的TOV
E.2.3.1有限制接地电流的高压系统
由有限制接地电流的高压系统供电的LV系统,变压器的接地阻抗为2.5 C〜5 Ωo接地电流 /5 = 50 A,中线和地之间的电压上升到UT(MHV> = 125 V〜250 VO在TT系统,如果装有过电压保护 元件,在中线和地之间,通过安装的过电压保护元件,由UmV(HV)引起的最大电流被限制到小于50 A以 下。因此在中线和地之间的放电间隙应能断开较小的工频电流。
注:在某些地区,接地电阻ZELVA的阻值高达10 C.所以其L7t<)V(HV)可高达500 VO
E.2.3.2中线经小电阻接地的高压系统
假设典型的20 kV系统给定的参数如下:
ZEHV = 5 Ω ♦ PShOrl CirUit = IOO MVA,L7n = 20 kV。
其LV系统特性为:
ZELVA = I fl,Un = 230 V O
ZELVB = 5 Q, Z],v = Z、= 150 mQO
在 ZELVA产生的 TOV 为 UT()∖∙(HV) 21 200 VO
通过安装在中线和地之间的过电压保护元件的最大电流取决于Zeiλλ ⅛ Zelvb和Z、之和的比值,
在本例中,可以计算的电流Q2OO Ae
E.2.4结论
—具有限制接地电流的高压系统引起的LV系统暂态工频过电压L∕tov<hv) ^250 V,时间不 确定;
—因UtowhvMI起的通过中线和地之间的过压元件最大电流是50 A;
——中线经低阻接地的高压系统引起LV系统暂时过电压可上升MUroV(HV)200 V;
——通过接在中线和地之间的过压元件由UToV(HV)引起的电流,取决于配电变压器接地阻抗与配 电变压器外面的LV系统中线接地阻抗之比值,该电流在数百安范围内。
E.3根据GB/T 16895.10—2010确定的暂时过电压的值
在特殊应用时,用户需要知道关于暂时过电压的系统参数,以便评估设备保护和SPD潜在失效之 间的最佳平衡。IEC 61643-1论述了这一点,并且可选择的暂时过电压试验被推荐在SPD ±进行,以便 检査如果SPD损坏,不会导致一个危险的情况。
LZroV(HV)的值取决于故障电流Im和变压器的接地电阻R。在多点接地系统,该电阻为从故障点观 察到的接地网络的电阻。其最大值由GB/T 16895.10-2010定义为:
Uo+ 250 V r.m.s,持续时间超过5 S
这种情况涉及HV系统较长的断开时间,例如,高压系统中电感接地。
注:在某些地区,其值高达U0÷500 V,持续时间超过5 Se
U0 + 1 2OoV r.m.s,持续时间到 5 S
这种情况涉及HV系统较短的断开时间,例如高压系统固定接地。
下列符号适用于本附录(直接来自于GB/T 16895.10-2010):
L :在高压系统中,流过配电变压器裸露导体接地电极的接地故障电流;
R:配电变压器裸露导体接地电极的电阻;
U。:低压系统的线一中线电压;
0:LV系统裸露导体部件和地之间的故障电压;
ΓΛ:配电变压器LV设备的电压;
U*用户系统LV设备的电压。
条款E.3和图E.11的计算来自于GB/T 16895.10-2OlOO图E.2〜图E∙ 10说明的是在美国使用 的典型情况。
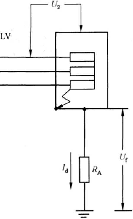
■INI
800CMvτco≡suωI≥LOcxll 異cxi08∞H≥D
0⅛
SHzo
Oo+ 我 X⅛HS
qINl
图E∙3 TT系统
—― —“2 —
R
⅛=¼=⅛√3
UfRXy
2.LV系统存在主要故障
图E∙4 IT系统,例a
1.LV系统无故障存在
T
Ul=UoR
½=Λ×∕m÷(∕0√3
UrRAXguL
2∙ LV系统存在主要故障
图E.5 IT系统,例b
图E∙6 IT系统,例Cl
图E∙7 IT系统,例c2

1.LV系统无故障存在
图E.9 IT系统,例e1
1.LV系统无故障存在
2. LV系统存在主要故障
图E.10 IT系统,例e2
E.4美国TNC-S系统暂时过电压值
下面的讨论基于图E.ll0该图所示为配电变压器高压侧故障时的工频续流的分配。在本例中,假 定变压器和用户引入线的接地电阻是15 Ωo
Ul =UO ,这里U。是二次侧最大工作电压。
ZL是变压器和用户配电柜之间的导线的阻抗。
电表间隙具有1 500 V〜2 500 V的冲击放电电压。
说明:
P——HVI
S——LV;
T——变压器;
M--电表;
C—线圈;
G——放电间隙;
L—负载。
图EJl美国TN-C-S系统
以北美23 kV/13.2 kV Y型配电回路典型情况为实例,其最大的故障电流(Im)为10 kA。阻抗 (ZQ为0.041 ∩的典型三绕组次级导体用于3 kVA〜25 kVA三相安装的单相架空线配电变压器。距 离大约60 m的4/0 AWG(根据GB 17464—2012,其等效值为25 mm2)铜用于计算。故障电流分配的 假设是基于计算和在阶段故障条件下,现场测量多点接地配电回路。
例如,U° = 132 Vjl∕1=C70 = 132 V;
L72=Uo+O.2×∕m×Zl. = 132+O.2×lO 000X0.04 = 214 VO
虽然这表明过电压是系统正常电压的1.78倍(1.78 p・u),如果假定则表明,在上述同样故 障条件下,所得到的值U2 =294 V或者是系统正常电压的2.45倍(2.45 p.u.),其暂时过电压(TOV)将 持续到由熔断器熔断或前方的断路器断开或自动重合闸而清除故障。这些器件将根据故障隔离器件的 特性在0.016 S〜1.5 s之间动作。降低用户导线的长度和减小故障电流可以降低严酷的条件。
该示例虽然表明一次故障能产生2.45倍系统正常电压的过电压,但这是极少见的情况。配电回路 有IokA的故障电流是非常罕见的。大部分的故障电流小于4 kA,因此,TOV将会大大减少。较长距 离的二次侧用户是不常见的,较短距离的用户过电压较低。通常二次侧用户不超过30 m,因此,如果故 障电流是4 kA,并且二次侧用户小于30 m,其TOV大约是1.24倍的系统标称电压或者是148.4 VO
附录F
(资料性附录) 配合规则和原则
F.1概述
如6.2.6所述,SPD间的配合是为了满足能量要求的判据,这取决于下一个SPD的最大能量耐受。 然而,该能量有时取决于波形及试验类别,如IEC 61643-1所述。一般仅用一种波形试验(例如U类试 验波形为8/2O)O因此最好且也很容易直接从制造厂得到EmX值(大多数情况下印刷在其技术文件 中)。
为了满意地定义SPD能量耐受,需要定义两个数值:
——EmftXS为对应短持续电流波形,例如,8∕2O(U类试验);
—ElnZ.为对应长持续电流波形,例如,I类试验的波形。
在某些技术条件下EmaXS和EmaXL可能相等。
于是SPD可由两个特征电流来表征,即短波(用于II类试验)电流和长波电流(用于I类试验) LmP ,相应的能量耐受为EmaXS和EmaXLo因此,一个简单的SPD可按照I类和∏类试验进行试验。
有必要用相应电涌波形的最大能量耐受EmaX对SPDl和SPD2进行配合。这就意味着有必要处理 两种情况:
——长波的配合;
——短波的配合。
通常,短波形配合比较容易完成。
注:对于开关型SPD,有必要考虑长波前时间。该项工作在1EC/TC 81中待定。
F.2分析研究:用于两个基于Zno压敏电阻的SPD的配合简例
F.2.1概述
下面的考虑仅适用于进行I类和II类试验的一端口限压型SPD,其UW(I)的曲线已知。该曲线用 8/20波测量,并由制造厂在SPD技术文件中给岀。III类试验和二端口 SPD需特殊考虑(待定)。
下面的示例有助于理解配合的过程。首先,SPDl和SPD2是由ZnO压敏电阻组成,才可能进行分 析研究。应注意,这种分析研究仅基于电流分配。为了确保满足能量判据,或许要另外进行计算,这通 常很困难。 ’
——如果两个Zno压敏电阻片直径相同(因而有相同的标称放电电流In和相同的能量耐受;相同 的L“和I,”,),但有不同的电压保护水平UPl和U,,"不同的厚度),则有下面的计算公式:
Inl =In2
ʃ n>nxl ~~ ʃ max2
J — r
1 imp! 1 imp2
那么CJrc√∕)可能的曲线如图F.1所示。如果UPl>Up2,此时,曲线a对应于SPDl,曲线b对应 于 SPD2。
图F.1具有相同的标称放电电流的两个ZllO压敏电阻
如果I大于数米(典型的在5 m〜10 m),通常用短波进行配合。
在长波情况下,去耦合效应降低,因此,SPD2应耐受总的侵入电涌,SPD2能耐受与相同设计的 SPDl相同的电应力。
如果UmVUP2,此时曲线a对应于SPD2,曲线b对应于SPDl,大部分电流将流过SPDIO这时,通 过第二个SPD的电流小于侵入电流。
在上述两种情况下,两个SPD具有相同的通流能力,能满足能量判据。
讨论第一种情况是为了解释原理,尽管很少能获得具有相同的能量耐受能力的两个SPDO
—如果两个Zno压敏电阻有不同的标称放电电流:
对应于此的实际应用情况是∕∏1>∕n2和Emaxl >Enwt2°此外,SPDl和SPD2还具有UZ(Im)> UZ(In2)的特性。因此,U心(I)曲线如图F.2所示,图中未表明阻抗,因为很难对它进行分析研究。此 时,图F.2可以看作为短波配合,大部分电流将流过第一个SPD。但确定长波配合较为困难。要用一个 长波波形且幅值比两条曲线交叉点(见图F.2)低的侵入电流值进行配合,很难完成。如Uz曲线所示, 大部电流都通过SPD2,因为在这个电流水平下,Uz的曲线比Uz的低。为此有必要在两个SPD之间 加入一个电感。
因此,有必要在[从0.1×∕n2-∕maxl之间比较UκΛi>-I曲线,而不是比较由制造厂在技术文件中给 出的UM(JG和Uz(In2)(分别与Uin和U成对应),以检査它们是否彼此相交。交点(如果有)的电流 值L应尽可能低。
此时,能蛍判据实现的概率很髙,较低的Lr成功的概率更大。如果有任何疑问,通过第二个SPD 的能量计算是必要的,应考虑SPD之间的阻抗和长波。这种能量计算不易用分析方法来做。
如果因为信息不充分而无法得到这些曲线,或者由于需要简单而快速的结果,则有必要在同一水平 比较曲线UZ和Unao此时,较易且较佳的配合条件是Uz(Inl)VUq(In2)。当然,保守的曲线(如图 F.2所示)适合这种情况,但是这种ZnO压敏电阻或许有不必要的裕度。此外,该ZnO压敏电阻在耐受 来自于网络暂时过电压时可能会有问题。
即使第二个SPD电流较低,也不可能满足长波下的能址判据,有必要计算通过第二个SPD的能 量。而且,检査被保护设备是否仍能被保护也是必要的(因为Zno压敏电阻的非线性,SPD2中低电流 也可能引起高电压)。
说明:
a--SPD2对应曲线;
b——SPDI对应曲线(与SPD2曲线相交);
C——SPDI对应保守曲线(与SPD2曲线不相交
d--长波电涌电流范围;
C——短波电涌电流范围。
图F.2具有不同标称放电电流的两个ZlIO压敏电阻
F.2.2结论
任何情况下,需要配合的两个ZnO压敏电阻,应按下列5个步骤进行:
a) 确认在没有任何SPD的情况下可能岀现的过电压,应区分长波和短波;
b) 选择合适SPDl以耐受这种过电压,如果从步骤a)得不到信息,用一个有足够裕度的SPD(见 第7章),并从厂方得到和ZImPI的值,然后把这些值与步骤a)中所给数据综合考虑;
C)然后根据保护特性的期望选择SPD2;
d) 比较曲线UE(I)中I的值,从0.1Xln2〜扁函的部分,决定交叉点I”,如果L足够小,(典型 值为0.1 XInQ,就不必计算第二个SPD中的能量。无论SPD之间的距离如何,能量配合都可 满足。如有任何疑问,考虑SPD之间的阻抗,计算通过第二个SPD中的能量:并检验能量配合 判据,如果得不到这样的曲线,则用下列简化方法选择SPD2;
若SPD2有相同的标称放电电流:Uz(In)<UE(In);
若spd2有较小的标称放电电流VUz(n);
最好再计算SPD2中的能量,以验证能量判据且检查设备仍能得到保护。
e) 重复各步骤直到步骤c),给出一个满意的结果。
注1:小电流下的电压值(通常称参考电压)不适合配合。
注2:在任何情况下(有或无ZnO压敏电阻),考虑EMC(电磁兼容)要求流过SPD2的电流应尽可能小.
注3: Ug(I)是最大值曲线,有必要考虑由于制造公差带来的曲线变化范围。
注4:前面的研究可以被推广到两个以上的SPD。
F.3分析研究:带空气间隙的SPD和带ZnO压敏电阻的SPD间的配合
F.3.1概述
另一个常用情况是用间隙代替SPD1,SPD2为ZnO压敏电阻,见图F.3。当在SPD2过载之前,就 发生火花放电,这样的情况下就完成配合了。
在火花放电前,有
UI = LTrcs2 (ɪ ) + L X di/dt
通常,当UE(i)的值未知,下列公式给岀一个保守的结论:
Ul = UIef2 (i) + L × di/dt
U松是Zno压敏电阻2的参考电压,参考电压是电阻片的特性参数,它非常接近U-I特性曲线 的拐点电压。
只要S超过间隙动态放电电压(Udyn)时,配合便完成了,并且只有很小一部分电流流经第二个 SPDo这取决于Zno压敏电阻(SPD2)的特性、间隙(SPDI)的动态放电电压、侵入电涌的上升率和幅 值、i及SPD之间的距离d (电感L、阻抗Z的阻性分量R可忽略)。
F.3.2间隙和Zno压敏电阻间的去耦电感估算值计算示例
如一个现代蜂窝式通讯基站,由于内部物理空间的限制,其后方SPD的MOV可将瞬态电压降到 远低于前方SPD的间隙的触发电压,这将阻止间隙动作,并允许所有故障能量到达SPD的MoVO在 较大的空间里,SPD之间的电缆距离要长一些,这样可提供足够大的电感而使间隙放电。
总是存在这样的可能性:侵入的瞬态电涌可通过并联回路进行疏散,使得电压降低到不足以使间隙 放电的程度。这时,下游的SPD应具有足够的额定通流能力,独自吸收所有能量。
当有很高的能量时,间隙不动作将使过高的能量到达下游的的SPD,并将使之破坏。级间配合可 通过两者之间足够的串联去耦电感来保证在超过下游SPD所承受能量范围之上的所有过电压能量下 间隙能够动作来实现。
要求确保配合的电感值可经过简单计算得到。首先,要知道间隙的参数,火花间隙典型的放电电压 低于4 kV,时间在200 ns以内。
其次,下游的SPD参数应知道,一个交流275 V的典型部件,大约430 V开始限制电压,在8/20的 Il类试验时,' 为5 kA。
然而应该知道,间隙是按I类试验,采用10/350波或等效长尾波。下游SPD的峰值电流必须降格 至能承受这类脉冲带来的额外能量。降格因数假设为4 : 1,因此,峰值电流额定值将从5 kA降至
1.25 kA,10 μs上升时间将产生125 A∕μs的di/dt O
确保间隙的可靠动作的电感值可以用如下公式计算:
U = L Xdi∕ck + I X R
式中:
U ―火花间隙放电电压;
di/dt —脉冲的上升率;
I×R―下游SPD的电压降(注意R是非线性值)。
由上式可得出
U-IXR
= di/dt
假定间隙在200 ns内放电,通过后方的SPD的电流为:
I =0.2/10 X 1 250 A=25 A
电压I×R在600 V时:
r 4 000 一 600
L =Z-----------
125 X IO*
L = 27.2 μH
电感可以是一个单一的集中电感,或是27.2 m长的电力电缆并假定其电感为INH/m,或者是一 段电缆和小电感的组合。
说明:
L—电感。
图F.3带间隙的SPD和带ZnO压敏电阻的SPD的配合示例
通过这个示例,可以获得设计这种配合的一般条件。
F.3.3结论
若选择带间隙的SPDl,则SPD2必须满足以下要求。
——与I类试验波形有关的侵入电涌:
Udyn V Un12 + L X LZ2/1。
——与∏类试验波有关的侵入电涌:
Udyn V Uref2 + L X I Peftk2 /8
这些规则给出一个的结果偏于保守。当必须采用一个较小值的L时,需用计算机模拟来检査配合 是否实现。
注:其他情况可给出更严格的结果。尤其是用正待考虑的长波JEC/TC 81目前正在研究更长的波前时间:100 μso
F.4分析研究:两个SPD的常规配合
通过对两个ZnO压敏电阻或间隙-Zno压敏电阻的研究,证明了配合问题的复杂性。考虑到u-i 曲线不易获知,而实际中存在较大偏差,分析研究仅采用简单的示例。当通过第二个SPD的能量必须 考虑时,进行模拟是更容易的。上述分析方法的主要目的在于让用户更好地理解这一现象。
无论SPD技术如何,上述所给出的一般性规则尤其是6.2.6中所述能星判据仍可利用。
为达到一个可接受的配合,通常要求制造厂或用户进行模拟或试验,或使用下述简化的方法。
有可能在设备中安装了一个特性未知的SPDO因为设备在其寿命内可变化,应该注意在缺少配合 时该SPD不会过载。
F.5能量通过方法
F.5.1概述
如GB/T 21714.4-2008所述,标准冲击参数的配合是选择和配合SPD的过程,这种方法的主要优 66
点是可把SPD看成是一个黑箱(见图F.4)。这里,对于在输入端口给定的电涌,不但开路电压,而且输 岀电流(例如进入短路)均可确定(“允许能量通过''原则)。输出特性转化成等值“2 Q-复合波”电应力 (开路电压1.2/50,短路电流8/20),这种方法的优点是对SPD的内部设计不必具备专门的知识。
转换为类似的标准冲击T, 2/50, 8/20 WIthZ,=2 Q
JSPD1/输出 ≤rocSPD2/输入
说明:
U——负载电压。
图F.4 LTE-标准脉冲参数的配合方法
配合方法的目的是将SPD2的输入值(如放电电流 和SPDl的输出值(如保护电压水平)进行 比较。
对于分级保护,必须考虑能够通过下级SPD放电(而没有损坏)的等效输入综合冲击应等于或高于 前级SPD的等效输出综合冲击。
为了可靠的配合,等效综合冲击应由最坏情况决定(Iw、UmX、允许通过能量)。
设计去耦合元件的最严情况是短路回路,但对于配合的目的而言,是太严酷了。比较实际的作法是 在其中引入一个“负载侧电压”(以下称为“反电压”)。
火花间隙下游的SPD通常包含ZnO压敏电阻,这样一个SPD的残压在任何情况下都比一个系统 标称电压的峰值要高(例如,在一个交流系统中标称电压为240 V,其峰值电压为√Σ × 240 = 340 V,低 于安装的SPD的参考电压)。这个系统标称电压的峰值相应于SPD的最小残压,因此系统标称电压峰 值可看成最小的反电压。用短路代替一个假设的反电压,会导致选出的去耦合元件尺寸过大。
注1:在SPDl的特性与SPD2的特性差别很大时,这种方法可提供较理想的结果。当SPDl的特性与SPD2的特性 差别很大时,以致于在SPD2上的电涌状态是类似侵入电流状态。例如在一个火花间隙和MoV配合时,即 满足上述状态。
注2:使用该方法的限制条件如下:
——为了确保得到一个保守的结果,在这个方法中去耦合元件应作为第二个SPD的一部分;
——为了确保得到一个保守的结果,当次级SPD包括一个开关元件时,反电压取为0;
——由于该方法无法其实确切地模拟开关元件,当第二个SPD包括一个开关元件时,有可能结果偏低;在这 种情况下,应谨慎使用这种方法;
——侵入到装置入口的电涌的波形,必须把电流波和电压波看成是同样波形(10/350或8/20),电涌电流的幅 值通常是可知的,而电涌电压幅值的大小取决于系统的波阻抗;
—研究必须考虑SPD特性曲线的公差。
F.5.2方法
下面讨论的方法可给岀两个SPD之间去耦合元件(阻抗)的保守值。这意味着,如果这样的阻抗装 在两个SPD之间,配合将比计算预期的要好。
方法:基础的方法是把每个SPD的输出表示为一个等值的复合波发生器,由空载电压UoC 1.2/50 和一个短路电流8/20决定,发生器的阻抗为2 O(UoC = 2XIQ。
根据ID类试验的SPD试验,已由这样一个CWG(复合波发生器)测试。对于∏类试验的SPD的试 验,有必要认为W。
就直击雷而言,上一级的SPD可根据I类试验测试,或根据H类试验测试。
每个SPD的输出电压,通常会有一个波形,该波形与1.2/50及8/20的波形没有直接关系。有必要 规范实际波形以便转变为1.2/50和8/20波形。
可通过下列值的计算来进行:
U的峰值=以» ʃwd/和ʃu2d/ ;
i 的峰值= i,jzd∕ 和ʃz2ClZ O
注:公式和表格中的单位应该一致。
这些值用于表F.1。
表F.1
|
电压 |
U |
_____________________J | ||
|
电流 |
. t |
I |
[zd/ |
TF7 |
同样的表格,对幅值为1 V(表F.2)的CWG是:
表F.2
|
电压 |
1 |
70X10~6 |
6×10^3 |
|
电流 |
0.5 |
12X10~6 |
2X10-3 |
因此,用表F.1中每个单元除以表F.2中相应的值,得到表F.3。
表F.3
|
电压 |
U |
□ |
Md√(70× IO"6) |
u2dz(6× 10^3) | |
|
电流 |
1 ×2 |
. |
. idr∕(12× 10") |
√ |
∣x2dz(2× IO-3) |
表F.3中给出了 UOdCWG)的最大值,与CWG的UoC等效的值相当于SPD的输岀。
一旦下级的SPD用一个开路电压为UOC5的CWG按照ΠI类试验进行了试验,(或在∏类试验时用 一个等效的CWG),就可以立刻说配合是否满意。只要核实lʃOCteM>1;OCCWG就足够了。
当输入参数给定时,SPD的输出值可用模拟软件来计算。不必每次进行计算,由于这些值可由制 造厂来计算。对每一个产品,对一个给定的电应力,制造厂可算出等效CWG脉冲的输出(LmP对I类 试验或IEX对II类试验或UoCEX对In类试验),同时应注意SPD特性曲线的公差和任何肓点(有时,SPD 输出端的最重要的应力不是由IimPjnUX和UOCRuX的最大值决定,而是由较低的值决定)。
附录G
(资料性附录) 应用示例
注:本附录为SPD在家庭、工业设施以及无线塔上的应用提供了假设的系统。本附录仅在有限的情况下,为演示 本部分包含的应用准则,试图提供有关SPD选择的资料,而不是给出所有设备或系统中的唯一配置。
G.1家庭的应用
MV电网:架空线IO kmo
LV电网(230/400 V):架空线1 Ooo m,地下电缆200 mo
Ng:2 次/km2/年(见 4.1.D0
被保护建筑物位置:平原。
电气装置的构成:由一个S型RCD在入口处保护(耐受3 kA 8/20,见6.2.4.3),装置入口处短路电 流为3 kA,在房子入口处(地面)有一个主配电盘和在第一层有辅助配电盘。
被保护建筑物接地电阻j50∩o
LV网的接地系统:TT系统;配出一相和中线。
被保护电器的特性:电气洗衣机、电脑、入口处的警报器、录像机和电视机等。
根据风险分析(见第7章),使用SPD可能有好处(NR的较高值,变压器MV和LV侧的架空线电 子电器等)。
由于是架空线,中等强度的雷电流预期为亨入口处每根导线标称放电电流(In)25 kA 8/20。
入口处,警报器需要保护(敏感元件)Φ[∕p≤1.5 kVo这可由一台一端口 SPD完成,它由II类试验 来测试,UP = I.5 kVo
入口处,短路电流3 kA(r.m.s)ΦSPD的短路耐受电流三3 kA r.m.s(见5.5.4)。对此,制造厂建议 使用一个熔断器或者一个有短路断开特性的RCD断路器(后备保护)。如果入口处用的是一个S型 RCD,当侵入的电涌超过3 kA 8/20时,就不能保证入口处保护的连续性。
由于有RCD存在,不需要附加的间接接触保护。在SPD内有一个热脱离器。
由于是一个TT系统,为避免相与中线之间产生太高的过电压,建议一个SPD有三种保护模式(相 对中线、中线对地及相对地,见6.1.De
其他需要保护的电器仅需要在相与中线之间保护,因为它们不接地。除非出于安全目的把洗衣机 接地,在这种情况下,相与地和中线与地之间的保护可能是必需的。
注:若电视天线接地,则需额外增加保护。
在入口处SPD和其他电器之间的距离,尤其在第一层,是很长的(分别为Iom和20 m),紧靠被保 护电器的其他SPD是必须的(6.1.2)o 一个应该靠近洗衣机安装,一个靠近录像机机和电视机。另一 个接在第一层的配电盘上,也可直接与电脑插头相连(计算机与配电盘之间的距离很小)。
其他的SPD可认为电涌电流较低,九=2 kA, U类试验已经足够。在制造厂的资料中建 议 UP = O∙8 kVo
20 m的距离足够使装在入口处的SPD与第一层的SPD之间产生解耦,但10 m的距离对入口处 SPD和其他地面上的SPD由于低的UP值= 0.8 kV,不足以充分解耦。对其他地面上的SPD最好选择 另一个 UP 的 SPD,例如 UP = I.5 kV0
对这些SPD,安装处短路电流较低,制造厂已安装了必要的脱离器(热敏式和短路式)。见图G.lo
G.2工业应用
MV网:架空线路IO km0
I.V(230/400 V)电网:2根100 m长的地下电缆。
Ng:0.5 次/(km2 ∙ a)(见 4.1.1)。
被保护建筑物的位置:平原。
电气装置的构成:MV/LV变压器在主建筑MB内部。
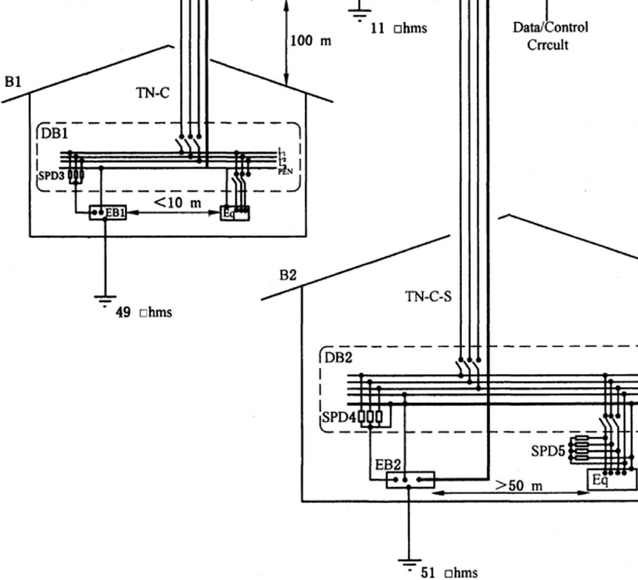
LV :TN-C配电系统为主体建筑MB中的主配电盘MDB提供三相电。以TN-C系统和TN-C-S 系统分别为独立建筑物Bl和建筑物B2提供三相电。BI和B2与主体建筑MB都相距约100 m0
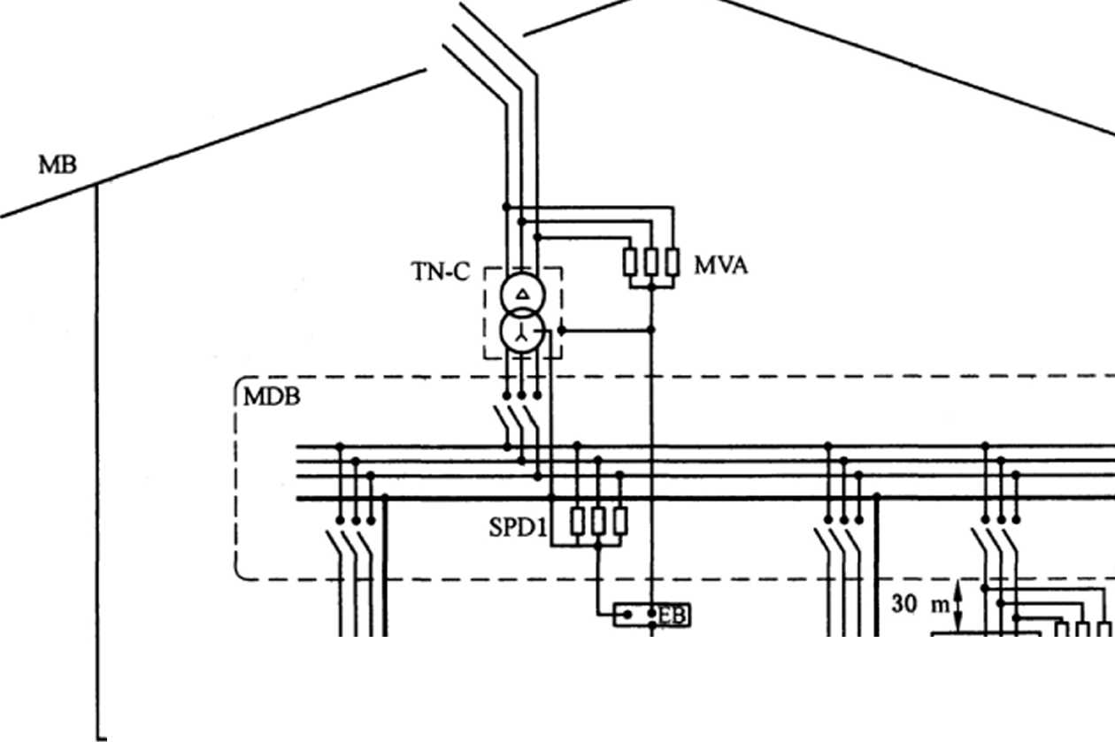
被保护的设备:
主建筑MB—电源(MV/LV变压器)向工业制造设备供电,包括空调、工厂照明、工业电动机控 制器、变速驱动以及数控(CNC)机床。
建筑物Bl--般的办公设备,包括影印机、传真机、局域网、离DBI很近的电话交换机(PABX)O
建筑物B2——过程控制设备,包括用于丁•厂管理的可编程逻辑控制器(PLC).管理控制和数据采 集系统(SCADA)ʌ称重设备、监视器、一般距DB2 50 m0
建筑物的接地:主体建筑MB的接地电阻测量是11 Ω,建筑物BI和B2的接地电阻分别是49 Q 和51 Q,当通过TN-C系统的PE导体连接时,整个接地系统的接地电阻大约是7。。MB、Bl和B2建 筑物中分别设有EB.EBl和EB2等电位连接排。
风险分析(见第7章):虽然设备未暴露在直击雷影响的区域内,但是MV/LV变压器的MV侧需 要用MV避雷器进行防护(因为MV/LV变压器必须使用MV架空线路)。因为变压器的地电位上升, 电涌电流也可以流过当地接地系统.所以需要在建筑物Bl和B2的入口处和变压器的LV侧安装 70
LV SPDO
保护原则:在风险分析中对这种需要连续工作的工业设备分类为典型的具有“重要性”的对象。这 样用一套分布式电涌保护,既为主配电盘MDB提供了人口点保护,也为建筑物BI和B2中的独立配电 盘DBl和DB2提供保护。
主建筑:主配电盘内的SPD连接到各相和主等电位排EB之间。这些LV SPD应该用U类试验进 行测试。例如,一个标称放电电流In为IO kA(与MV避雷器In相同),其电压保护水平L∕p.≤1.2 kV 的SPD,可安装在该位置以确保与后级SPD协调。
SPD的短路耐受能力(以及开关型SPD的额定断开续流)需和MDB处的预期短路电流配合。这 通过安装脱离器来实现,脱离器是由制造厂商指定的外部串联连接过流装置(如熔断器、断路器等),或 者是SPD内部的脱离器。
在建筑物内部有许多不同类型的具有不同电压耐受能力的设备,包括敏感性设备(根据 GB/T 16935.1-2008电压耐受能力UW = I.5 kV)0这种设备离安装在设备入口处的SPD相距30 m。 这可能会导致电压振荡(见6.1.4)0
在这样情况下,设备的最大电压可能达到2X Upl ,其中Uw是入口处SPD的保护水平。在这样的 一个例子里,描述了一种最严酷的情况,按照6.1.4,UPl应小于1.5 kV×0.8∕2(即600 V)O由于可能存 在的TOV,⅛此低的保护水平会增加SPD失效的概率。于是设计者宁愿选择有更高UP的SPD(对 TOV不够敏感的),例如Upl =2.5 kV的SPDO这种情况下,在设备的前端可能需要一个附加的Up2≤ 1 200 V(0∙8XUw)的SPDO由于已经很接近这种敏感性设备性能,不需要再除以2。
若使用的是较低电压保护水平UqUPl<600 V)的SPD,不需要再使用第二级的SPDo这个过程 强调的是设备的电压耐受Uw(绝缘配合)。
可能需要较低电压保护水平Up(如果使用的是两级SPD,则为U心如果使用的是单级SPD,则为 UPQ用以避免设备故障(见6.1.4,考虑了冲击抗扰度)。
连接在SPDl和EB之间的线路长度不满足6.1.3的规定。由于这个原因,需要在SPDl和PEN之 间附加一个导体。而SPD2和PEN之间的线路能满足6.1.3的规定,因而不需要附加导体。
数据和控制回路的保护应符合GB/T 18802.22—2008。
建筑物1:建筑物BI和主体建筑MB之间的给定距离是100 m,在各相和等电位排之间安装II类 试验的SPD(SPD3)o假定安装的SPD的标称放电电流"为5 kA,电压保护水平Up≤l kV(根据安装 在Bl内的敏感性设备,Up<l kV是必要的。因为建筑物很小,而设备离DBl很近,不需要考虑2倍电 压效应,见6.1.4)o这部分强调的是设备的电压耐受Uw(绝缘配合)。可能需要较低的电压保护水平 UP以避免设备的故障。
连接到SPD3和EBl之间的线路长度满足6.1.3的规定,因而不需要附加导体。
数据和控制回路的保护应符合GB/T 18802.22-2008。
建筑物2:Bl、B2和主体建筑MB之间都相距100 m,因而在各相和PE导体/排、PEN导体/排之间 都需安装SPD(SPD4)。这些I.V SPD应通过II类试验测试。假定SPD的标称放电电流In为5 kA,电 压保护水平l∕p≤1.2 kV0
在建筑物内部有许多不同类型的具有不同电压耐受能力的设备,包括敏感性设备(根据 GB/T 16935.1-2008电压耐受能力UW = I.5 kV)o这种设备离安装在设备入口处的SPD相距50 mβ 这会导致振荡(见6.1.4)o在这种最严酷的情况下,设备的最大电压水平可能是2×l∕μ.,其中UW是入 口处SPD的保护水平。按照6.1.4,UPl应该小于1.5 kV×0.8∕2(即600 V)O应像建筑物1 一样考虑暂 时过电压。入口处SPD(SPD4)的电压Upl可能高达1.2 kV。这种情况下,需要在设备Eq前端安装一 个Up2小于或等于1 200 V(0.8XUw)的SPD(SPD5)o若使用的SPD的UPlV600 V,则不需要使用第 二级的SPDo这部分强调的是设备的电压耐受Uw(绝缘配合)。可能需要较低电压保护水平UJ如果 使用的是两级SPD,则为U,?;如果使用的是单级SPD,则为Uq用以避免设备故障(见6.1.4的注)。
若需在可移动设备附近安装一个附加的SPD(SPD5),则这个SPD应能在各相与中线之间以及中 线与PE级之间提供保护。这要求是考虑设备距离在DB2中与NPE等电位联结点达到50 m而引起 中线的电位上升的风险,见图K.5β
SPD4和EB2之间线路长度以及连接SPD5中线到PE级之间的线路长度满足6.1.3的规定,因而 不需要另外的导体。
数据和控制回路的保护应符合GB/T 18802.22-2008o
见图G.2和图G∙3°
|
说明: | |
|
B1、B2— |
-建筑物1x2; |
|
MB — |
一主体建筑; |
|
EB — |
一等电位连接; |
|
DB — |
—配电盘; |
|
Eq — |
一负载设备。 |
图G.2工业装置
D2
SPD
SPD
说明:
B1.B2—建筑物U2∣
MB —主建筑;
EB —等电位连接;
MDB——主配电盘;
Eq --负载设备;
DB ——配电盘;
MVA—中压避雷器。
图G.3工业装置电路
G.3具有雷电保护系统的情况
无线塔装有一个雷电保护系统。
MV网:架空线IO kmo
LV网:架空线500 m。
Nll :6 次/(km,∙ a) O
被保护建筑物的位置:山顶。
电气装置的构成。
中线在山脚下接地。
设备接地局部保护接地处接地。
被保护建筑物的接地电阻:10 Q。
MV/I.V变压器接地电阻:10 Ωo
LV网接地系统:TT系统;一相和中线配置。
被保护设施的特性:电子设备。
根据装置的重要性(风险分析见第7章),安装符合I类试验的SPD是必要的。SPD被安装在相线 对地,中线对地和相线对中线之间。如果没有计算电流分布,这些SPD都需依据I类试验进行测试,并 且SPD的通流容量为25 kA,因为塔顶会有直击雷的危险(见附录D),架空线的另一侧需要安装具有相 同通流容虽的SPD,以保护变压器。例如,靠近敏感性设备SPD的预期电压保护水平应小于或等于1.5 kV(可能需要能包括冲击抗扰度的较低值)。靠近变压器端的SPD的电压保护水平可以提高到6 kV (典型的变压器绝缘耐受基于绝缘配合)。
也可以在变压器MV侧安装避雷器,这已在IEC 60099-5中强调过。
见图G.4O
附录H
(资料性附录)
风险分析的应用示例
GB/T 16895.10-2010描述的简化风险分析方法如下,基本有两种情况:
——在年均雷暴日大于25 d的区域•旦设施包含架空线路或由架空线路供电,应在入口处安 装 SPDO
— 如果上述的条件有一条不满足(例如年均雷暴日小于25 d或地下电缆)时,按下列几种情况考 虑雷击损害后果:
• A:与人身安全相关的(雷击直接影响生命,如安全设施、医院的医疗设备);
• B:与公共设施相关的(失去对大量人群的服务或国家文物损失,如IT中心、博物馆);
• C:与商业或工业活动相关的(生产损失、经济损失等,如旅馆、银行、工厂、商业市场、农场);
• D:与人群相关的(对雷击人身安全没有直接影响,如大的住宅、教堂、办公楼、学校);
• E:与个人相关的(对雷击人身安全没有直接影响,如住宅、小办公室)。
A〜C的情况应在设施入口处安装SPDo
D〜E的情况应根据计算结果安装SPDO按下面的计算公式来确定惯用长度d° 如果d>d<,推荐采用保护。
。:所考虑的建筑物的电源线的惯用长度,单位为km,最大值为Ikm。这段距离与第一个节点相 关,节点处至少有两个分叉线,在这里电应力减小了。在连接盒处安装的SPD也认为是一个节点。
d*临界长度;
D中的d, = DNfl,以km为单位;
E中的JC = 2∕Nr,以km为单位。
这里NR是地面落雷密度。
注:每年25个雷暴日相当于毎年每平方公里2.24的雷闪次数,可由下面的公式推导出来:
Ng =0.04Td 125
式中:
Td —每年的雷暴日C
d =d 1 +。2/4+。3/4
一般d小于1 km0
式中:
d`一一连接到建筑物的LV架空线长度,小于Ikm;
d2——建筑物未屏蔽的LV地下电缆长度,小于Ikm。考虑到地下电缆的阻尼效应,需除以4。在 架空线一地下线缆的连接处通常安装SPD,这样减小电应力的倍数可能大于4倍;
ʤ —建筑物的HV架空线长度,小于1km。考虑到变压器的衰减效应,需除以4。根据对一些 变压器的试验结果,这个数字是相对保守的。
HV地下电缆的长度可以忽略。
屏蔽的LV地下电缆长度可以忽略。
以下给出了这种方法的应用以及确定d的示例。
下图中的粗虚线表示地面。它上方的线表示架空线,下方的线表示地下电缆。方框代表所考虑的 建筑物,两个圆形符号代表变压器。
|
高压架空线 | ||||
|
ʤ | ||||
|
W3/4 |
LJ |
≠⅛∕i÷<∕3∕4
建筑由LV架空线供电,配电变压器离建筑物的距离小于Ikm。
|
高压架空线和低压掩埋线 |
— | ||
|
f∕4*dj4 |
_ ..・I.I ・ 「 . |
—>____ |
建筑由LV地下电缆供电,配电变压器离建筑物的距离小于Ikm。
f/4
建筑由LV地下电缆供电,配电变压器位于建筑物内。
示例1:博物馆。将HV/LV变压器和博物馆电气入口用50Om长的地下电缆连接起来,给博物馆供电。雷暴日为 20 do
即使使用了地下电缆且雷暴日低于25 d,由于属于情况B,仍推荐安装SPDe
示例2:将HV/LV变压器和电气入口用200 m长的架空线连接起来给私人住宅供电。雷暴日为27 d°
由于连接了 LV架空线以及雷暴日大于25 d,推荐安装SPDo
示例3:雷暴日为20d的学校(根据NK = I.7)。这由直接位于建筑物内部的HV变压器供电,HV架空线750 m 长。属于情况D。
雷暴日小于25 d,需根据实际长度d的计算来评估使用SPDo
d =Jl +J2∕4÷J3∕4 =0 + 0+ 0.187 5 =0.187 5
Jc = 1/NB =0.59
由于d<Zdc,所以不需要安装SPDo
示例L雷暴日为20 d的教堂(根据Ne = I.7)β由将HV变压器和教堂电气入口处用500 m长的架空线供电-HV 架空线长2 km,属于情况D。
雷暴日小于25 d,需根据实际长度d的计算来评估是否使用SPDO
d ≈d∖ -∣-^2∕4 + c∕3∕4 =0.5 + 0 + 0.25 =0.75 ( ʤ 限制在 1 km 之内)
JC = I/NR=O.59
由于d>d°,所以推荐安装SPDo
示例5:雷暴日为20 d的小办公室(根据N. = 1.7)°这段距离不清楚。属于情况E。
雷暴日小于25 d,需根据实际长度d的计算来评估是否使用SPDo由于距离未知,所以采用最严 酷的情况进行计算。如di=l km,dz = l km,J3-I km,则
d=d∣ +七/4 +¢/3/4 = 1 + 0.25 + 0.25 = 1.5 (根据规定,限制在 1 km 之内)
dc = 1/NR =0.59
由于d>dc,所以推荐安装SPDo
附录I
(资料性附录) 系统电应力
注:本附录是第4章的扩充.如果信息与前面的特定条款有关.会标识在后面的口中。
1.1雷电过电压和电流[4.1.1]
1.1.1影响SPD需要的配电系统方面的因素
GB/T 16895.10-2010中443说明,若装置采用地下电缆或架空线供电但雷暴日在25 d以下时, 没有必要用SPD,除非按装置用途考虑的允许风险值非常低。
选择导则是考虑一般情况的装置,如果正在考虑的装置的具体因素是异常的,可能对于电涌保护 有更大的需求。上述因素在1.1.1.1和1.1.1.2中考虑到了。
应诚进行基于侵入电涌的可能性和保护与结果之间的经济平衡进行的风险分析。
GET 16895.10—2010中443关于风险分析正在修订。
1.1.1.1雷击活动
决定雷击于装置时危险程度的最重要的数据是当地落雷密度NtIO当NK未知时,从雷暴日水平 (从雷区分布图中得出每年雷暴日的Nk数)可得到粗略的估计,可用特定公式Ng=O.04 X Nk*-25来 计算。
Ng提供了关于雷电活动的精确估计的高度地方化的信息,从而使在特定的地点和沿着进入电气 装置通道的风险得到精确估计。同时它也考虑了由于年份和电涌的大小而引起的变化。决定Nk时这 些因素未包括在内,因此,Nlt = 25就不能用于决定SPD是否需要。
1.1.1.2装置的暴露
采用地下电缆供电时,电缆并不总能够保护设备,尤其是直击雷或雷击其附近时,这在 GB/T 16895.10-2010中并没有考虑。这就是为什么地下电缆供电不能单独用来决定SPD的需求的 原因。
1.1.2建筑物内部电涌电流的分配
图1.1给出了雷直击于建筑物的情况下电涌电流分配的典型示例。更详细的情况见附录Do
注1:雷电冲击电流包括两个关键参数,第一个是快速上升时间,用于决定由于电感效应引起的电压值。第二个是 长持续时间,主要与冲击能址有关.髙频效应在后一阶段没有体现.因此可用欧姆律电阻来计算电流分布。
在单独估算(例如,通过计算)是不可能的情况,假设50%的总雷电流(J)通过给定建筑物的雷电保 护系统的接地端入地,剩余50%电流(L)分散在进入建筑物服务管线中,如外部的导电部分,电源和通 信线等。在每个设备中流动的电流值(L)可用II = IJn来估计为设备个数。
对单个导体中流过电流的估计为IVO在没有屏蔽的电缆中,电缆电流Ii根据导体数/M来分配。 I∖f = Il∕m O
在电缆有屏蔽层的情况下,两端必须直接接地或经过SPD接地,在这种情况下,电缆中大部分的雷 电流流入屏蔽层(通常50%),小部分雷电流进入内部导体,在所有情况下SPD应尽可能安装在屏蔽层 的连接点附近。
注2: SPD的或的优选值对应于∕vo
注3:雷直击架空线的情况可用一个相似的方法来考虑。
注4:括号中的值是在没有金属管时使用的。
环形接地电极
注:当未用金属管时采用括号中数值。
图1.1进入外部设施(TT系统)的雷电流分配示例
图1.1给岀了典型情况,即50%的总电流通过建筑物接地流入地下,而另外50%通过外部设施 分流。
1.2操作过电压[4.1.2]
由操作电涌引起的过电压的更多资料可参照C.3o
1.3暂时过电压UWVL4.1.3]
在LV系统由于故障引起的暂时过电压可通过两个参数定义:
—L是最大电压和系统标称电压之比,通常在1.05-1.1,这包含了电压水平的正常调节。
UCS=> X UG
—上是系统最大过电压和电力系统的UC之比。当一个三相低压系统故障时,非故障相电压可 升至额定值的1.25倍到理论上的把倍。
注1:在单相、三线(分相)系统,七可高至2。
总的暂时过电压可表示为:
UT(MLV) = h ∖ X 龙 2 X Uo = h ? X Ucf 注2:暂时过电压通常由事故引起,比如低压配电系统的故障,电容器动作和电动机停机、起动,这些过电压是短时 的。由三相供电系统故障引起的暂时过电压持续时间从0.05 S到最大5s°单相电动机起动,若中线连接不 好,将会引起很大的过电压。典型情况是它将达到5 s。因此,暂时过电压持续时间根据本部分来选择,从 0.05 S〜5 s;
注3:在某些网络中,有必要考虑一个短时(低于5 S)暂时过电压,由高压系统故障引起(UT(MHV)),它为U。+ 1 200 V(见GB/T 16895.10-20IO)O这么高的电压值将会导致SPD失效。在这些情况下,就要做适当的试 验以确保这一失效不会引起对人员、设备和设施的任何危险。U÷l 200 V的值是最大持续时间为5 s的暂 时过电压的最大值.根据低压装置和高压系统中接地系统的不同类型,此值有可能有或没有(见附录E).另 外,暂时过电压可能持续时间长于5 s的情况由GB/T 16895.10-2010决定,而且可能由于持续时间长导致 失效。
本部分中,由LV系统中的故障产生的TOV,用Umvum表示。而HV系统中,则用UToV(HV)表示。 在上面所给公式的基础上,如果有可能的话,在理论上绘一条网络中UmV和时间的变化曲线。实 际上,尤其是在SPD的安装地点不知道该曲线。在这种情况下,仅知道很少的典型点,很难绘制上述 曲线。
通常仅知道一些标准化的最大值,曲线就退缩为某几个点。对SPD选择有特别意义的时间值为 200 ms 和 5 SO
UEV最大标准值见图4。
附录J (资料性附录)
选择SPD的判据
注:本附录是第5章的扩充,如果信息与前面的特定条款有关,会标识在后面的口中.
J.1 UT暂时过电压特性[5.5.1.2]
SPD暂时过电压UT的典型曲线见图J・l。
注:暂时过电压可能有几秒的持续时间,当暫时过电压持续时间超过5 s时被认为是对SPD的永久作用,对时间超 过5 S的曲线对应值相当于UC的恒定值.
图J.1 SPD的UT典型曲线
J.2 SPD 失效模式[5.5.4]
如5.5.4所讨论的那样,当SPD处于失效模式时,失效模式对装置的影响必须考虑。
若一个SPD的失效模式是开路(由SPD本身的一个非线性元件提供,或与SPD串联的内部或外部 脱离器提供,且与供电系统是断开的),这样就保证了在SPD失效时供电的连续性。然而在系统后备保 护动作之前,必须特别注意SPD的断开能力,仔细研究SPD脱离器及后备保护之间的配合。
对二端口 SPD或与干线相连的一端口 SPD,如图J.2中分别所示的情况a和b,该SPD的内部脱离 器依据其SPD中的位置决定了其能否提供连续供电。
说明:
D——脱离器;
S ——SPD;
L—连接线。
图J.2二端口 SPD中的内部脱离器
在情况a时的主要特点是脱离器动作后,设备仍在工作。但是,设备就不再受到保护了。若未用一 个故障指示器(远程的和/或现场的)来给一个断开信号,用户就不知道设备不再受保护,这样将更易受 到侵入电涌。
在情况b时的主要特点是脱离器动作后设备和电源断开,但和电涌的主要来源也断开了。
为了减少缺乏保护或与电源断开的危险,将配备了脱离器的SPD并联使用,如图J.3所示。
说明:
D--脱离器;
S —一包括两个保护元件(Zn()压敏电阻)和两个脱离器的完整的SPDe
图J.3并联SPD的使用
若SPD的失效模式属于短路模式(由于SPD自己或是由于附加电器),引起后备保护跳闸,其状况 与上述情况b类似。
除非制造厂表明了一个特定的失效模式,可假定SPD可能是上述任意失效模式。为了得到失效模 式的单一模式(短路或开路条件),就要用一个附加电器(如用一个过流脱离器,见图J.3)o
在SPD失效时,存在一个暂时的、不确定的状态,为了得到SPD失效后的确定状态(开路或短路), 需要采用附加电器(如热熔式脱离器)。
注:GB 16895.21-2011描述了安全应用准则。
附录K (资料性附录) SPD的应用
注:本附录是第6章的扩充,如果信息与前面的特定条款有关,会标识在后面的[]中。
κ.1 SPD的安装和保护效果[6.1]
K.1.1保护和安装的可能模式[6.1.1]
图K.1〜K.5给出了各种接地的替代选项(见5a和5b)
注1:最好的是使用两种方式来保持较低的保护水平和在安装时的最小应力。SPD应保持共同接地点与PE连接 线尽可能的短。
合理的安装应遵循以下5个步骤:
注2:下面的步骤适用于连接在线或中线与地之间的SPD,其他的SPD可能需要另外的规则。
a) 确定放电电流路径。
b) 标识设备端子上能产生附加电压降的导线[图K.6a)和K.6b)]β
注3:在图K.6中,Ug是SPD根据类别I和类别∏试验得到的残压或限制电压。
C)合理安排每一设备导线的路径,从而避免产生不必要的电感耦合,见图K.6c)、图K.6d)和 图 K.7o
注4:如果不可能有一个单独的接地点,就必须装两个SPD,像图K.6d)β
d)设备和SPD之间应等电位联接。
C)应依据配合的需求选择SPD。
应采取措施降低装置未保护部分和保护部分的电感耦合,通过分离施感源和干扰电路、限制回路面 积和选择一定回路角度都可以减少互感(见图K.7),当电流传输线是回路面积的一部分,使其靠近电缆 能够降低感应电压[见图K.7a)]o
通常,较好的方法是将保护线从非保护线中单独分离出来,采取措施避免电源和通信电缆之间的瞬 态交叉干扰[见图K.7b)]o
图K.7是考虑EMC方面的SPD安装。
2
说明9
1 —装置的电源入口3
2——配电盘;
3 —总接地端子或fih
4 —电涌保护器,
5 —SPD的接地,5a或5b处;
6 —被保护设备;
F ——SPD制造厂要求装设的保护器(例如熔断器、断路器.RCD);
RA——装置的地电极(接地电阻);
R,—-供电系统的地电极(接地电阻
图K.1 SPD在TN系统中的安装
2
说明:
1 —装置的电源入口,
2——配电盘3
3 —总接地端子或排;
4 —电涌保护器,
5——SPD的接地,5a或5b处丨
6 —被保护设备;
7 —剰余电流保护装置(RCD);
F —SPD制造厂要求装设的保护器(例如,熔断器、断路器.RCD);
RA—装置的地电极(接地电阻),
R11—供电系统的地电极(接地电阻)。
a)连接类型1
图K.2 SPD在TT系统中的安装 (SPD在RCD的后方)
说明:
1 一一装置的电源入口;
2— —配电盘;
3— —总接地端子或排;
4 —电涌保护器;
5— —SPD的接地,5a或5b处;
6— —被保护设备;
7— —剩余电流保护装置(RCD);
F —SPD制造厂要求装设的保护器(例如,熔断器、断路器.RCD);
RA—装置的地电极(接地电阻);
Rl—一供电系统的地电极(接地电阻)。
b)连接类型2
图K.2 (续)
说明:
1——装置的电源入口;
2 —配电盘;
3 —总接地端子或排;
4— —电涌保护器;
4a ——依照GB 16895.22—2004所述的SPD或火花间隙;
5— —SPD的接地,5a或5b处;
6 —被保护设备;
7——剩余电流装置(RCD);
F —SPD制造厂要求装设的保护器(例如,熔断器、断路器.RCD),
RA—装置的地电极(接地电阻);
RR—供电系统的地电极(接地电阻)。
图K.3 SPD在TT系统中的安装(SPD装在RCD的前方)
说明:
1——装置的电源入口3
2 —配电盘;
3 —总接地端子或排;
4 —电涌保护器;
5——SPD的接地,5a或5b处;
6 —被保护设备;
7 —剩余电流保护装置(RCD);
F ——SPD制造厂要求装设的保护器(例如,熔断器、断路器.RCD),
RA—装置的地电极3
RK—供电系统的地电极;
()/—开路或阻抗。
图K.4 SPD在没有中线IT系统中的安装
说明:
如果设备和安装入口处之间的距离太大(见6.1.4),可能要连接额外的SPD:
a——连接L-N和N-PE间的SPDi
b——连接到L・PE和N-PE间的SPDO
图K.5在TNGS系统中装置进线处SPD的具体安装模式
a)
h)
C) d)
说明:
Eq—设备;
a)、c)、d)接线图是可接受的;
假如UWl和UW2电压足够低,b)的接线图也是可以接受的。
注:当电流/流过SPD,由于电流进入导线和电极形成的回路产生磁场.它将会产生感应电压加到SPD上,这个合 成电压将会出现在设备端子上。
图K.6安装一端口 SPD的通用方法
ii
b)
说明:
a)
电磁耦合:
i不好的方法一巨大的问路面积会由ði/dt引起d≠∕d/増高;
ii较好的方法一一小的回路面积.d©,/Ck较低;
iii最好的方法一一电缆的屏蔽使屏蔽内部d^∕d∕¾Oβ
b)
感应構合:
i不好的安装模式——感应将发生在*处:
ii好的安装模式一SPl)将电缆前、后端很好地隔离开。
图K.7关于EMC方面SPD可接受的和不可接受的安装示例
K. 1.2振荡现象对保护距离的影响[6.1.2]
通常,使用一个靠近保护设备的SPD是不够的。由于EMC原因,SPD最好安装在装置人口处(它 可以较好的转移电流,以避免由于电涌电流引起的电磁干扰),以保护装置(避免导体间闪络等),如果设 备不在安装在入口处SPD的保护距离之内,必要的话,需要在靠近设备处安装另一个SPDo同时有必 要研究两者之间的配合(见β.2.6)o
需要附加的SPD的原因是由电涌冲击引起的振荡或行波可能会比出现在被保护设备处的预期电 压要高得多。图K.8就是这种系统物理的和电的表述。
b)
图K.8 SPD保护设备的物理和电的等效图
设备上出现的电压取决于电涌的频率和导体的长度。取决于尸值,L和C之间的振荡将设备端电 压从U'提升到kUo k值取决于许多参数,实际上,当设备是一个高阻抗回路时以小于2。
图K.9给的电路相当运用一个5 kA 8/20的脉冲电源加在ZnO SPD上,它与一个具有5 nF负载 电容的设备是分开的。对这个电路进行了模拟,产生的响应见图K.10o它展示了被保护设备端电压如 何会较在SPD上的过电压高两倍。
10 m
5 kA
8/20
C=5 nF
图K.9介于ZnO SPD和被保护设备之间可能的振荡
说明:
VW―SPD ±的电压;
v‰ —设备端子上的电压。
图K.10两倍电压的示例
K.1.3保护区域概念[6∙1∙6]
图K.11根据GB/T 21714.4-2008直击雷防护要求,展示一个保护区内建筑配电系统和防雷保护 电器的详细分布。
说明:
LPZ―雷电保护区;
PZ——保护区;
PDS—电力配电系统;
SPD——电涌保护器。
图K.11建筑物内部保护区的细分
保护区定义如下:
——雷电保护区()a(GB∕T 21714.4—2008)
遭受直击雷的区域,因此可能会承担全部雷电流。在此区域出现的电磁场。
——雷电保护区 OB(GB/T 21714.4—2008)
不会遭受直击雷的区域,但会岀现未衰减的电磁场。可能传导未衰减的雷电流和操作电涌电流。
—保护区1
遭受到部分直击雷的区域,传导的雷电流和/或操作电流跟保护区Oa或Ob相比是较小的。
—保护区2
跟保护区1相比其残余雷电流和/或操作电涌电流有所减小。
—保护区3
振荡引起的电涌、耦合电磁场和内部操作电涌相对保护区2有所减小。
在保护区边界安装SPD将使传导来的威胁参数降低,SPD之间的配合按6.2.6进行。这些电器的 性能参数应和装置安装点的传导来的威胁参数相配合(见6.2.1和6.1.5)o
注:假如根据GB/T 21714.4-2008要用I类试验的SPD,则它应当安装在保护区1和LPE OB区的边缘。
根据6.1.4每安装一个SPD,就创建了一个新的保护区。
K.2 SPD的选择
K.2.1 UC 的选择[6.2.1]
对大多数SPD来说,当暂时过电压持续时间超过5 s时,应当被视为永久性电压。因此,S的选择 应根据正常条件和超过5 S的故障条件(暂时过电压)来确定。
a) 正常条件
1) 相线和中线之间
在相线和中线之间SPD的UC应比UL高(通常为L10XU。,即10%的电压调整率,假如
考虑由于SPD的老化和其他不正常状况,再增加5%的系数,则应取1.15×U0)o
2) 相线之间
相间SPD的UC应比UeS高(即为1.10×√3 ×U0)o
注1:在某些情况下,根据电压调整限度(例如在巨大建筑,电压调整以入户表计为准),(Λ,可能大于上 述限值(分别为10%和10%×√3)o
有时电压调整波动较小(如5%),这种情况下,取较低的值就足够(例如,S可能仅比 1.05XUo 高(相应于 1.05×√3 ×LΓ0)o
3) 相地之间或中线与地之间
• 对TT和TN系统,介于相和地或中线和地之间的SPD的UC应比Uz高(通常LloU°);
•对IT系统,见下面所述的不正常条件:
注2:假如电压来自一个二次带中间抽头的变压器,则(A有两个值,一个UC为1.0XUr,,另一个⅛√3∕2
XUc-
由于存在谐波,工作电压的峰值也会增高,因此有必要提高UC的值,使其比没有谐波时 UC的值高。
b) 非正常条件(故障条件)
有时在选择接在相和地之间SPD的UC时,有必要考虑到具体的故障条件,这样做可以避免当 系统故障时,损坏过多的SPDO对于IT系统,注意这种故障条件是很重要的。
TT和TN系统在接地故障条件下,相和地间的电压可能会超过UE这是由于高压系统或低压系 统的故障条件下,电压最大幅值取决于接地情况。与此相关的资料见4.1.3.2。那么UC的选择就应根 据故障条件下的实际电压值。它不可能用一个足够高的UC去保证系统故障时不损坏SPD,因为这样 的话,保护水平将会很差。一般情况下,合适的Ui.值比1.5U。高,与系统布局无关。
对于IT系统的接地故障,相和地之间的电压为√3×L∕0,这种故障在低压系统中由于持续时间较长 可能被当做一个永久状况考虑。
此种状况,建议UC高于相-相电压。
SPD的UC和电力系统标称电压之间的关系示例见附录Bo
K.2.2 配合问题[6.2.6.2]
为了较好地解释这个问题,图K.12是一个典型的用电感分隔两个ZnO压敏电阻的配合示例。 SPD2具有较低的UP和In值。由于电感的作用,在电涌波前大部分电涌电流都流过了 SPD1,SPD2的 电流将逐渐增加,增长快慢与电感和SPD2的特性给出的时间常数有关。这样,越来越多的总电流将随 着时间的推移流过SPD2。
图K.12表示的是全电流和通过SPDl和SPD2的电流和SPDl和SPD2上的电压。
―在这个应用中最大能量耐受EEX是指SPD能够耐受而不劣化的最大能量,它能通过试验结果 获得(I类试验或Il类试验IEX的动作负载试验中的能量测量)或根据制造厂资料如IgX (II类试验)或JM I类试验),Ue(J)或UrM(J)计算得出。
说明:
Ui——第一级SPD端残压;
U2—第二级SPD端残压。
a) ZnO压敏电阻残压
图K.12两级ZlIO压敏电阻的配合
10 kA
60 μs
说明:
ʃ T---总电流;
/ɪ——第一级SPD端电流;
Z2——第二级SPD端电流。
b)两级Zno压敏电阻之间电流分配
图K.12 (续)
两个SPD之间的线路距离为d,其相对应的阻抗Z可以当作一个去耦元件。
—对于限压型SPD,去耦合阻抗通常仅影响短波(如8/2O)O对长波(如10/350)这种由于线路造 成的去耦阻抗几乎没有影响。可能需要附加的去耦元件来提供适当的协调。
—如果前级SPD是开关型,必须考虑下列两种特性:
•可能会有一个盲点,该处电流低于/g,间隙端子间电压很低,以至于间隙不放电,因此它 就不能保护第二个SPD,间隙在电涌波前时段放电是很重要的;
•对长波前时间,去耦合元件所起作用不如在8/20或10/350 T有效,目前TC 81正在研究 长波前时间情况。
通常有必要处理两种电涌的配合问题:
一一长波电涌的配合(例如对I类试验);
——短波电涌的配合(例如对II类试验)。
注:应当强调,两个配合的SPD最大能虽耐受至少等于两个SPD中较低的能量耐受值。当一个新SPD(SPD2)连接 到一个已有SPD(SPDI)的系统时.必须保障两者正确配合。
K.2.3 应用情况[6.2.6.3]
在一个装置中,整体配合总是比上述简单示例复杂的多,事实上:
—导线长度或像脱离器这样的附加器件的存在可给系统叠加一个电感。多个SPD之间电流的 分配也需要研究D需要了解实际的安装方案。
―因SPD中元件性能的差异可导致在任何特定电流下残压的实际值不确定。另外,通常从制造 厂中获得的值是保护水平Up,使用时应考虑一个裕度,即:实际电压可比标称值低约25%。
—对长波和短波,SPD的能量耐受EmX是不同的。通常,这个值仅由试验类别给岀(I类D长 波,II类=>短波)。有时,能最耐受没有明确给出,需要计算。
附录L
(资料性附录)
风险分析
如果保护的成本(如下E组所定义)小于因电涌造成设备(如下A组〜D组)损坏的维修,建议使 用 SPD。
L.1 A组——环境
Al雷击方式和密度NJ每年地面着雷密度,数值为雷击次数/(km2 ∙ a),见4.1.1和1.1)
——直击建筑物雷电保护系统(LPS)或电源和通信线路;
—电阻或电感的耦合。
风险分析需要考虑所有类型的直击和绕击雷引起的感应能量,包括进入雷电保护系统、电力线,金 属电话线、数据电缆、射频电缆、波导管和进入非电力导体如水管。假若无金属导体穿过保护区,光纤电 缆通常不受影响。
A2电源——开关方式及频率
接近或在同一回路上的作为电源开断的电子设备,如发动机控制器,同样会因瞬态载荷可能会损坏 或劣化,另外,由于电源使用的操作,系统故障或负载处的内部干扰也会产生瞬态过电压。
A3暴露和与周围建筑的LPS的耦合
损坏会通过雷电流瞬态偶合施加到周围建筑或设施的LPS,包括地电位升高伴随着电流的消耗。 通常,通过电缆线路来分配能量,并不受用户控制,能量的消耗是与当地网络接地电阻的大小有关。
A4设施或建筑物的位置
—地形;
—相邻建筑和树的屏蔽作用。
在小丘或高山上面或旁边的设施比在山谷或较低位置相同的设施更容易遭受直击雷,类似地,装在 高通讯塔上的装置同样有引雷危险,较小和较低位置的设施更容易得到相邻较高的物体的保护,然而这 种保护不能阻止能量通过电缆进入设施。
L.2 B组——设备和设施
BI设备冲击耐受种类和抗扰水平
制造厂可以对电的和电子设备设计不同的冲击电压耐受水平。越低的保护水平,危险就越大。除 非制造厂另有建议,否则最好的办法是假定设备没有任何专门的抗扰措施。正确的保护设计是希望最 大能量转移到在电缆入口处和最少的能量向前传送到设备。
B2接地系统
—接地电阻和阻抗;
—布局和邻近;
——联接到另一个接地系统。
最重要的是通过电流或SPD接地棒组成的等电位接地系统。
分开的接地系统应慎重考虑。
B3电力系统布局
——架空的;
——地下的;
——两者都有。
虽然埋设LV电缆比架空线有较少雷击危险,但雷直击地下电缆附近时也能引起较大的过电压,高 阻值的土壤中尤为明显。设计者应考虑埋设电缆的长度,无论是电缆离雷击位置有一定架空距离,还是 离MV电力公用网络有一定的架空距离。对于LV和MV电力线,总长度和重量是一个相关的参数, 较长较高的线遭受雷击的危险更大,并会将雷电能量传入设施或建筑物。
L.3 C组——经济和服务中断
Cl服务劣化或服务损耗
破坏和损坏使业务难以进行。服务劣化可能有一个定性要素,即对直接的财政损失是额外的。例 如:大范围使用自动化和计算机化是解决人工操作的一个办法,但实际上是不可能的。
C2工作损耗
这包括设备、计算机、通讯和信息技术系统无效服务的实时费用及营业税收和/或商业生产力有关 的损失。临界系统例如紧急装置,某个中央信息系统可以有与工作损耗有关的非常高的直接或间接的 费用。
商业企业系统停工时,会损失收入,在期望时间内修复和恢复操作将依靠职员的能力、备用品、程序 和信息。
C3设备或设施的修理和替换
物理损坏的花费包括设备替换和直接、间接的重新安装费。设备部件的逐渐劣化可能会由于低幅 值持续脉冲引起设备表面随机故障。在失效时不可能立即伴随或有直接的雷电冲击或者操作事件。用 于例行的或预防的保养维修费用的增加归结为这种累积作用。
C4紧急措施
当出现设备损坏或人身伤害时应采用紧急措施,例如消防车、救护车或警察等,公司、个人或社会团 体会遭受损失。火警系统和紧急通信系统的损坏必定降低这种装置的效率。通常.要求紧急措施的保 护处在一个高水平。
L.4 D组——安全
使用SPD时应考虑由绝缘损坏引起的人身安全问题。
设计者和安装者都应以人的安全为本,每个国家都应意识到职业健康和安全制度的重要性。
L.5 E组一保护的成本
—装置的设计;
―材料和电器;
——SPD的安装。
保护的成本包括SPD、工程设计、管理和电力装置。
GB/T 21714.2—2008提出了雷电电涌风险评估的方法。由设备开关操作产生的电涌的风险评估 方法正在考虑中。
附录M (资料性附录) 抗扰度与绝缘耐受
GB/T 17626.5—2008描述了用来测试电子设备和电子系统对于电涌电压和电流的抗扰度的试验。 这些被测试的设备或系统被当作是一个黑盒子,测试的结果根据以下标准进行判定:
a) 性能正常。
b) 功能的暂时丧失或者不需要操作人员就能恢复的性能暂时退化。
C)功能的暂时丧失或者需要操作人员才能恢复的性能暂时退化。
d)设备的永久损伤引起的功能丧失(意味着测试失败)。
然而,GB∕T 17626.5-2008的测试探究了相对较低的电涌对电子设备和电子系统的全部影响,包 括设备与系统的永久损伤和破坏。还有一些其他的相关测试标准,这些标准没有这么关注功能的暂时 性丧失,却更关注设备的实际损伤或破坏。GB/T 16935.1-2008关注低压系统中的设备的绝缘配合, IEC 61643-1是低压配电系统的电涌保护器测试标准。另外,这两个标准都关注暂时过电压对设备的 影响。GB/T 17626.5-2008和GB 17626系列中的其他标准并不考虑暂时过电压对设备和系统的 影响。
永久性的损伤往往是不允许的,因为它会导致系统的停机并花费昂贵的修理或者更换费用。这种 类型的故障往往是因为电涌保护不充分或者没有电涌保护,并因此导致高电压或者过电流侵入设备的 电路中,造成运行的突然中断、组件故障、永久的绝缘击穿以及起火、冒烟或者电击的危险。然而,任何 的功能丧失或设备和系统的性能退化也是不希望发生的,特别是在电涌影响下必须运行的关键设备或 系统。
对于在GB/T 17626.5-2008中所描述的测试,施加电压测试水平的幅值(安装类别)和得到的电 涌电流和对设备的响应有着直接的影响。简而言之,电涌电压等级越高,功能丧失或退化的可能性就越 高.除非设备已经设计有合适的抗电涌能力。
为了测试用于低压电力系统中电涌保护器(SPD)JEC 61643-1的DI类试验指定了一个带有2 Q虚 拟阻抗的组合波发生器,能产生一个8/20的短路电流波形和一个1.2/50的开路电压波形。 GB/T 17626.5-2008使用相同的组合波发生器来对加电设备和系统进行抗冲击测试,但使用不同的耦 合元件,有时也串联一个额外的阻抗。这个标准的电压测试水平(安装类别)的含义和IEC 61643-1的 开路电压UOC的峰值是等效的。这个电压决定发生器端口的短路电流的峰值。由于测试方法的不同, 测试结果不能直接进行比较。
设备或系统的抗电涌能力可以通过内置的电涌保护元件或电涌保护器(SPDs),或者外部的SPD 获得。选择SPD最重要的准则之一为IEC 61643∙1所定义和描述的电压保护水平U「。这个参数应该 与GB/T 16935.1-2008中设备的耐受电压UW相配合,而且应该是在特定条件下所测试的SPD端子 间所期望的最大电压值。在这个标准中UP只是用来与设备的耐压UW相配合。在相关电应力下电压 保护水平的值应该低于在GB/T 17626.5-2008中测试的设备的相关电应力下的电压抗冲击等级的 值,但是现在不能进行阐述,因为在两个标准之间的波形并不具有可比性。
总体上说,GB∕T 17626.5—2008中设备的抗冲击等级要比GB/T 16935.1—2008中的绝缘耐受等 级低,然而要考虑GB/T 16895.10-2010中暂时过电压对有过低防护等级的SPD(或内置的冲击防护 元件)的影响。因此,非常有必要选择一个用来防护设备发生故障,保持设备在电涌影响下正常运行和 耐受大部分暂时过载状况的SPDo
附录N (资料性咐录)
在一些地区中配电盘上安装SPD的示例
图N.1〜图N.5描绘了一些国家中配电盘上的SPD的典型安装。正如本部分的前述,确保导线最 短和SPD的耐受短路电流与配电盘安装位置的预期短路电流L相适应是十分重要的。
说明:
1— —供电进线;
2— 主开关(在某些国家叫隔离开关);
3— SPD及其脱离器(可能安装在SPD内部)。
图N.1通过单独隔离开关(可安装在SPD壳体内)连接至总开关负载侧的SPD的电路图
使用这样的一个脱离器是很实用的,因为它不用断开主开关就可以把SPD脱离出来,例如当进行 装置的绝缘耐受试验(一些国家也称作闪络试验)时SPD就需要被脱离出来。
PE LI L2 L3 N
说明:
1— —配电盘;
2— 主开关(主隔离开关或主电路断路器(MCB));
3— 主接地端;
4 —中性点端子,
5— SPD壳体,
6— 下端第一个熔断器盒;
7— —可选择的下端第一个熔断器盒;
8— 配电箱底座的交联。
图N.2与最近的可用MCB相连接的SPD连接至输入电源(在英国常见的典型TNS装置)
MCB也提供了一种非常方便的方式来保护SPD,同时也提供了一种隔离的方式。如果配电盘上没 有足够的空间,那么考虑到电气安全,SPD可安装在一个分开的壳体内。这个壳体应该直接安装在配 电盘旁边,从而确保连接导线尽可能短。制造一个附加的接地线来进一步最小化连接导线上的电压降。
说明:
1 — 输入电源; 4—-可选择的下端第一个熔断器盒;
2— —主开关(主隔离开关或主电路断路器.MCB); 5—熔断器(或MCB).
3— 下端第一个熔断器盒3
图N.3在单相电路中SPD通过熔断器(或MCB)并联在配电盘的第一条外接电路上的接线图
使用合适的熔断器(或MCB)对于SPD的安装和使用都是非常方便的,因为它允许不断开主开关 就可以将SPD脱离,例如SPD需要脱离出来进行绝缘耐受试验。熔断器的规格选择不应削弱SPD的 冲击电流耐受能力,并与输入电源熔断器相配合。
G Ll L2 L3 N
说明:
1— —主配电盘;
2— 主电路断路器;
3— —主接地排;
4— —中性线排;
5— G-N(PE-N)连接点;
6— —SPD壳体。
图N.4 SPD与输入电源上最近的可用断路器相连接(美国三相4W + G,TN-C-S装置)
MCB的负载端也提供了一个非常方便的连接点来通过熔断器连接SPDO这样的布置也提供了维 护中的一种隔离方式。如果配电盘内没有足够的空间,那么考虑到电气安全,SPD可安装在一个单独 的壳体内。这个壳体应该直接安装在配电箱旁边,从而保证连接的导线尽可能短。
G LI L2 N
说明:
1— 主配电箱;
2— 主电路断路器;
3— 主接地排,
4— —中性线排,
5— G-N(PE-N)连接点:
6— —SPD壳体。
图N.5 SPD与输入电源上最近的可用断路器相连接(美国单相(分离的)3W÷G, 120/240 V系统——居民住宅和小型办公室的典型应用)
MCB的负载端也提供了一个非常方便的连接点来通过限流熔断器连接SPDo这样的布置也提供 了维护中的一种隔离方式。如果配电盘内没有足够的空间,那么考虑到电气安全,SPD可安装在一个 单独的壳体内。这个壳体应该直接安装在配电箱旁边,从而保证连接的导线尽可能短。
在美国,根据国家电气规程(NEC),NEC定义的SPD的额定短路电流必须与在安装处预期故障电 流相配合。
附录O (资料性附录)
当设备具有信号端口和电源端口时的配合
为了描述当保护一个具有两种端口的设备的SPD未配合时可能出现的问题,举一个安装有调制解 调器的个人计算机为例予以说明。
一个典型的系统可能由未配合的子系统组合而成,这些子系统因为电涌保护未配合而存在风险。 尽管每个电源和通信系统可能包括了电涌保护,但是在电涌保护系统之间流动的电涌电流可能会造成 个人计算机的电源和通信端口之间的电位差。取决于个人计算机/调制解调器的性能和抗冲击能力,该 电位差有可能会导致个人计算机/调制解调器的损坏或者引起设备的操作失败。
第一个例子展示了问题是怎么发生的。这个例子是基于电源和远程通信系统。
在图().1中一台个人计算机配备了一个调制解调器,调制解调器是通过连接一个包括接地导线的 三线插座的支路供电。这个接地导线建立了电源面板上的底座的稳定参考电位。调制解调器的远程通 信端口连接在自身位置处的一个金属通讯插座。这个插座连接着一个远程通信界面终端。这个终端面 板一般位于建筑物的入口处并包含了远程通讯的SPDo
2
-ɪ- 6
说明:
1— 带调制解调器的电脑或有分开的电源端和通信端的类似装置;
2— 主配电盘,包括断路器和电源SPD;
3— 包含电信SPD的电信接口终端;
4— —单相,3线电源线,
5— 架空电信线路;
6— 等电位连接系统。
图0.1美国电源和通信系统.带调制解调器的PC的例子
为了展示为电涌保护配合的效果和提出的解决方案的好处,在房间布线系统的全尺寸复制品上进 行测址,包括在图0.2中展示的电源、通讯和等电位连接系统。通讯线以典型的方式进行走线,与等电
位连接系统保持一定的距离。
4
说明:
1 —配备有调制解调器或者类似电子设备的计算机,调制解调器或者类似电子设备具有电源和远程通信系统有 分开的端口;
2——主配电盘,包括断路器和电源SPD;
3 —包括了远程通信SPD的远程通信界面终端;
4——单相三线电源线路;
5 —架空远程通信线路;
6 ——电源SPD元件:ZnO压敏电阻;
7——等电位连接系统;
8 —配电变压器;
9 —MGCN:多点接地的公共中性点;
IO——远程通信SPD元件:GDTO
图0.2用于试验性测试的电路原理图
图().2给出了由于在电信接口部分的气体放电管动作,在通信电路中如何产生了一个电涌,导致 产生加在PC ±一个电压(电位差)‰o正如所看到一样,当电信接口部分的气体放电管动作时,电涌 电流流入等电位接地系统,导致在通讯端口和PC电源端口之间产生了电位差。这是由于电涌电流 LmC流过水管时,水管电感L产生了电位差。产生的压降可以用以下公式计算:
U=RX LUrge +LX dlge/d,
式中:
dl^/dt——流经水管的电流的时间变化率;
L —水管电感加通信端口和等电位接地系统之间的接地电缆的电感。
图。.3显示了当从通信接口注入通讯业标准指定的冲击时得到的记录。对于75 A∕μs的电涌电 流变化率,回路中可感应得到峰值为4.3 kV的电压。这个感应电压会出现在个人计算机的两个端口之 间(但是当然不能将计算机用于试验.这个回路应保持开路以便进行测量,没有必要把个人计算机放在
试验中的危险情况中)。
注:8/20不是在通讯业使用的唯一标准脉冲。ITU利用10/700电压脉冲和5/300的电流脉冲(IOo A),这可产生
10 A/pts的电流变化率为。GB/T 18802.21也使用许多不同的波形。
说明:
I ——通讯 SPD 上的电流:50 A∕div,di∕dt = 75 A∕μs;
U—通讯端口和保护接地导线(PE)之间的电压:2 kV∕div.最大4.3 kVo
水平时基:2 μs∕divβ
图0.3电涌过程中个人计算机/调制解调器的参考点之间所记录的电压
图0.4中描述了第二种实例。这描述一个电源(TT、相和中性点)提供了连接通讯线路的装置。对 于两个网络等电位连接到本地的接地点,SPD被安装在这些线路的入口处。为了研究这种情况,对一 个实际的事例进行了仿真。这个事例中,两个连接点是不同的,而且被一个电感(相当于这两点之间的 距离)所分开。另一个SPD(二极管)也被直接连接在设备前面的通讯线路上。L2是气体放电管GDT 和二极管之间的距离,Ll是通讯线路连接点和电源线连接点之间的距离。
MV/LV Ioom IOOm ■
图0.4用于仿真的典型的TT系统
电涌电流对图0.2中远程通讯电路的影响已经通过计算机仿真进行了分析,而且已经得到了与实 际测试相同的结果。变压器的高频模型和线路(两条线路都是20Om)上的传播效应都被采用。电源的 SPD是ZnO压敏电阻类型(限压元件),远程通信线路的SPD是一个气体放电管(开关元件)。
接地阻抗Rh和气体放电管的放电电压(UW)是这次研究用到的参数。电源的SPD(三种保护模 式)标称放电电流为10 kA的,电压保护水平为1.5 kVo
可得到以下结果:当Lj=L2 = IO m,雷电击中电力网络时,长度为Ll的导线上有12.5 kV的电压 降,当雷电击中通讯网络时,会有35 kV的压降。这个压降水平足以导致设备内产生闪络。
因此,即使两个网络都被SPD保护并且这两个网络都被连接到相同的接地系统上,也可能发生内 部闪络。
为了使这些结果能够更通用,仿真的时候也要在两个网络上添加一些负载,结果是相同的。另外, 也进行带有其他类型的网络(TN和IT)和不同电涌波形的仿真。
结果被归纳在表()・1中。
表0.1仿真结果
|
TN系统 |
10 kA 8/20浪涌侵入电源系统 |
10 kA 8/20浪涌侵入通信线路 |
|
Ll上的电压降 |
12 kV |
35 kV |
|
IT系统,中相阻抗=1 000 Q |
10 kA 8/20浪涌侵入电源系统 |
10 kA 8/20浪涌侵入通信线路 |
|
Ll上的电压降 |
8 kV |
35 kV |
|
TT系统 |
10 kA 8/20浪涌侵入电源系统 |
10 kA 8/20浪涌侵入通信线路 |
|
L,上的电压降 |
8 kV |
23 kV |
可以看出,关于设备闪络风险的结果与所有类型的电源系统相同。设备的最大耐受能力通常为
2.5 kV左右,所以轻微冲击(只有10 kA)产生的电压(8 kV〜35 kV)大大超过了电涌耐受能力。
注:10 kA 10/350对于通讯线路来讲是不切实际的。当冲击电流为2 kA时,线路就会融化.通讯网络的测量值大 约为100 A,但是使用10 kA的值主要用于电源方面和通讯方面的比较。
合理的解决方法
为了避免以上的问题,有两种可能的解决方法:
—找到电缆线路的另一种路径,从而减少各种的线路(上述例子中所描述的远程通信和电源线) 之间的回路尺寸,同时也降低了电感L。但是对于已经存在的建筑物来说,不是一件简单的事 情。对于新建筑来说,单一入口连接点当然是最好的解决方法。
—在位于电源系统端子和共同连接点之间的设备的附近安装一个SPD,在另一个系统(例子中 的远程通信系统)终端和这个共同连接点之间的设备附近也安装一个SPDO 一般情况下,在 一个单一方案中,这些设备包括电源SPD和远程通信SPD,有时也称作“多用途的SPDMo这 样一个组合型的SPD包括对连接设备的所有线路的电涌保护,设备将用非常短的引线连接公 共连接点。公共连接点必须连接到PE ±o若公共连接点连接到PE上,则这个公共连接点可 以是被保护设备的外壳。
图0.5展示了图().1中描述的试验中的SPD的效果。图().5应该与图().3进行比较。
说明:
I——侵入电信SPD的电流 di∕d∕ = 75 A∕μs;
U——保护体(PE)和电信端口之间的电压:2OO V/div最大200 VO
水平扫描:2 μs∕divo
图0.5多用途SPD应用于图0.1的电路时的电压和电流波形
附录P
(资料性附录) 短路后备保护和电涌耐受
P.1简介
电涌电流不仅会流过SPD,也会流过线路上的其他设备。这些其他设备包括后备过流保护设备和 其他类型的故障电流保护设备。可能发生不希望的跳闸或熔断。了解这些设备的耐受能力对于防止这 些元件限制装置的电涌处理能力是有用的。在本附录中,只给出了与熔断器有关的信息。对于其他的 技术,实际的电涌耐受能力过于依赖于设备的类型。这就是为什么机械式断路器(CB)不在本附录的考 虑之中,但是SPD或MCB的制造厂可提供与SPD相关的其他设备的信息,例如断路器(MCB,MCCB, RCD 等)。
P.2 8/20和10/350单次电涌下熔断器的耐受性
用I2I进行波形计算并且与熔断器生产厂商提供的/2Hl ms)比较,是推测熔断器单次电涌耐受能 力的一种可能的方法。
通过知道冲击的峰值就能够估算出冲击的尸人见以下公式:
——对于10/350波
IZt =256.3 X /Lm
——对于8/20波
/2Z =14.01 X Ilnnt
这里,Igt的单位为kAJ2z的单位为A2 ∙ Se
例如:
—为了耐受8/20,9 kA电涌电流的单次冲击,后备保护熔断器必须有一个最小的弧前值,该值 必须大于:
=14.01 × 92 = 1 134.8 A2 ∙ S
注:对于32 A的gG型圖管式熔断器的典型弧前值为1 300 A2 ∙ SO
—为了耐受10/350,5 kA的冲击电流的单次冲击,后备保护熔断器必须有一个最小的弧前值, 该值必须大于:
∕2z=25β.3× 52 =6 407.5 A2 ∙ S
注:对于63 A的gG型NH熔断器的典型弧前值为6 500 A2・s。
--个具有24 000 A2Z的弧前值的新熔断器(IOO A gG型圆管式熔断器)能够耐受的8/20单次 冲击电流为:
/24 000
√ 14.01
= 41.4 kA
P.3预处理和动作负载试验的熔断器影响因素(降低系数)
在IEC 61643-1中描述的试验方法中,熔断器不仅要耐受单次冲击,还要耐受一个完整的序列(预 处理试验和动作负载试验)。这些冲击能够降低熔断器的性能,从而降低了它们相对于单次冲击下的耐
受能力(见P.2)o
为了能够通过所有的预处理试验和动作负载试验,试验显示中要在单次冲击耐受值的基础上乘以
O. 5〜0.9的降低系数。
需要考虑的三个主要因素:
—人与ImX或L叫之间的比例
预处理试验预处理是在∕n(15次冲击)下进行,而动作负载试验是在IgX或LmP(O,1;0,25; 0,5;0.75和1倍InIM或LmP)的情况下进行。如果In值低于IEX或L叫的峰值,由在九下进行 的预处理试验引起的老化与或LmP应力相比可以忽略。相反,如果In值接近或者高于 ImX或LmP的峰值,预处理试验的冲击不能够被忽略。
—与熔断器单次冲击耐受能力相比的绝对值
当或LmP值接近最大值Igj见图().2)时,每次冲击熔断器性能就会降低;反之,如果 它们与最大值Igl相差比较大,影响就可以被忽略。
—熔断器的偏差
熔断器生产厂家应该根据熔断器标准给出产品的偏差。这个偏差与真实的电涌耐受能力无 关,也不能用于与之相关的计算。
P. 4熔断器单次冲击耐受能力降低系数估计范围的特殊示例
一个圆管式柱状100 A的gG熔断器假设能有41.4 kA 8/20波形的单次冲击耐受。
对于一个具有/m„=40 kA和∕n = 20 kA的II类试验的SPD,经验显示这个熔断器不能够通过全 部的预处理试验和动作负载试验。
正确的后备熔断器应是一个熔断值最小为40 000 A2 - S的125 A gG的熔断器。从P.2中可以看 岀,一个最小熔断值为40 000 A2 ∙ S的熔断器能够耐受53.4 kA,8/20波单次冲击。
在这个示例中,熔断器的单次8/20冲击电流耐受最大值和通过全部测试的实际耐受值的比例为 0.75β
在表P.1中,给岀了一些遵循相同的分析得出的特征值,其中对于Il类试验SPD,Zmex是九的两倍; 对于I类试验SPDjn等于IlmPO
表P.1单次冲击耐受能力和通过全部预处理/动作负载试验的耐受能力的比值的示例
|
熔断器 的典型额定 电流/A |
典型弧前值,由P.2中的简化公式得到的电流峰值和实际试验值 | |||||||
|
CyI gG |
NH gG | |||||||
|
弧前值 |
计算值 |
试验值 |
比率 |
弧前值 |
计算值 |
试验值 |
比率 | |
|
∕2r∕(A2 ・ S) |
8/20 |
8/20 |
I2t∕(A2 ∙ S) |
10/350 |
10/350 | |||
|
25 |
800 |
7.6 |
5 |
0.66 | ||||
|
32 |
1 300 |
9.6 |
7 |
0.73 | ||||
|
40 |
2 500 |
13.4 |
10 |
0.75 | ||||
|
50 |
4 200 |
17.3 |
15 |
0.87 | ||||
|
63 |
7 500 |
23.1 |
17 |
0.73 | ||||
|
80 |
14 500 |
32.2 |
25 |
0.78 | ||||
|
100 |
24 000 |
41.4 |
30 |
0.72 |
20 000 |
8.8 |
5 |
0.57 |
表P.1 (续)
|
熔断器 的典型额定 电流/A |
典型弧前值.由P.2中的简化公式得到的电流峰值和实际试验值 | |||||||
|
__________________Cyl gG |
NH gG | |||||||
|
弧前值 |
计算值 |
试验值 |
比率 |
弧前值 |
计算值 |
试验值 |
比率 | |
|
l2t∕(A2 ∙ S) |
8/20 |
8/20 |
/2∕∕(A2 ∙ S) |
10/350 |
10/350 | |||
|
125 |
40 OOO |
53.4 |
40 |
0.75 |
33 OOO |
11.3 |
7 |
0.62 |
|
160 |
60 OOO |
15.3 |
10 |
0.65 | ||||
|
200 |
IOO OOO |
19.75 |
15 |
0.76 | ||||
|
250 |
200 OOO |
27.93 |
20 |
0.72 | ||||
|
315 |
300 OOO |
34.21 |
25 |
0.73 | ||||
参考文献
注:与引用相关的条款标识在下面的[]中。
[1] IEC 60038,IEC Standard voltages.
[2] IEC 60364-4-42,EIeCtriCal installations Of buildings—Part 4-42: PrOteCtiOn for Safety—Protection against thermal effects.
[3] IEC 60364-4-43, EieCtriCal installations Of buildings—Part 4-43: PrOteCtiOn for Safety—Protection against OVCrCUrrent.
[4] IEC 60999T , Connecting devices—EieCtnCal COPPer CondUCtOrS—Safety requirements for SCreW-type and SCreWleSS-type CIamPing UnitS—Part 1: General requirements and particular requirements for ClamPing UnitS for COnClUCtOrS from 0,2 mm2 UP to 35 mm2 (included).
[5] 1EC∕TR 61000-5-6:2002,EIeCtrOmagnetiC compatibility (EMC)—Part 5-6: InStanatiOn and mitigation guidelines—MitigatiOn Of external EM influences^under COnSideration.
[6j IEC∕TR 62066:2002tSurge OVerVOltageS and SUrge PrOteCtiOn in IOW-VOltage a.c.power systems—General basic information.
[7] IEEE C62.41.1 JEEE guide On the SUrge environment in IOW-VOltage (1 000 V and less) AC POWer circuits.
[8] IEEE C62∙41∙2, IEEE recommended PraCtiCe On CharaCteriZatiOn Of SUrgeS in IOW-VOltage (1 000 V and IeSS) AC POWer CirCUits<
[9] IEC 61643-21,LOW-voltage SUrge PrOteCtiVe devices——Part 21 :Surge PrOteCtiVe CleViCeS connected to telecommunications and Signalling networks—PerfOrmanCe requirements and testing methods.
[10] IEC 61643∙22, LoW-VOltage SUrge PrOteCtiVe devices—Part 22: SUrge PrOteCtiVe devices COnneCtCd to telecommunications and signalling networks—SeleCtiOn and application PrinCipies.
[11] Sharing Of the CUrrent in CaSe Of direct Strike to the StrUCtUre [Annex U.1.2]
A. ROUSSEAU, P. AURIOL, A. RAKOTOMALALA, IJghtning distribution through earthing SyStemS,Hobart Lightning PrOtCCtiOn WOrkShOPf 1992.
H∙ALTMAIER,D∙ PELZ, K∙SCHEIBE, Computer SimUlatiOn Of SUrge VOltage PrOteCtiOn in IOW VOltagC SyStemS, ICLP, 1992∙
[12] TemPOrary OVerVOitageS [4.1.3]:
M∙ CLEMENT, J. MICHAUD, OVerVOltageS On the IOW VOitage CliStribUtiOn networks, ClRED,1993.
[13] SUrge COOrdinatiOn between SPDS and RCDS Or OVerCUrrent devices [6.2.4.3]:
J∙SCH()NAU,F∙NOACK,R∙BR()CKE,Coordination Of fuses and OVerVOltageS PrOteCtiOn devices in IOW VOltage mains.Fifth InternatiOnal COnferenCe On EIeCtriCal FUSeS and their APPIiCations, 1995.
[14 J COOrdinatiOn Of SPDS [6.2.6]:
P. HASSE, P. ZAHLMANN, J. WIESINGER, W. ZISCHANK, PrinCiPle for an advanced COOrClinatiOn Of SUrge PrOteCtiVe devices in IOW VOltage SyStemSJCLP 1994.
A.ROUSSEAU,T.PERCHE,Coordination Of SUrge arresters in the IOW VOltage field,INTELEC, 1995∙F∙MARTZL()FF,J∙S∙LAI,Coordinating CaSCaded SUrge PrOteCtiVe devices: high-low VerSUS Iow-high,ɪEEE IAS,1991.
J.HUSE et al∙ ,Coordination Of SUrge protective devices in POWer SUPPIy systems: need for a sec-
Ondary PrOteCtion > ICLP 1992.
[15] RiSk analysis [Clause 7]:
A.ROLJSSEAU,ChOiCe Of IOW VOItage SUrge arresters based On risk analysis,Power QUaiityt 1995.
General advice On PrOteCtiOn Of electronic equipment Within Or On StrUCtUreS against Iightning, BS6651 InfOrmatiVe APPendiX CtBritiSh StandardS InStitUtiOn> 1992.
[16] InfOrmatiOn [Annex A]:
IEC 60099-4:2004 SUrge arresters—Part 4 JMetaI-OXiele SUrge arresters without gaps for a.c∙sys-tems, 1998.
[17] EnVirOnment [Annex C]:
IEEE ReCOmmended PraCtiCe On SUrge VOltageS in IOW-VOltage a.c.power CirCUitS C 62-41,1991∙
[18] APPIiCation PrinCiPleS [Annex G]:
IEC 60099-5,SUrge arresters—Part 5:SeleCtiOn and application recommendations11995.
[19] IEC 62305-3»Protection against Iightning—Part 3: PhySiCal damages to StrUCtUreS and Iife hazard.
中华人民共和国
国家标准
低压电涌保护器(SPD)
第12部分:低压配电系统的电涌保护器
选择和使用导则
GB/T 18802.12—2014/IEC 61643-12:2008
*
中国标准出版社出版发行 北京市朝阳区和平里西街甲2号(100029) 北京市西城区三里河北街16号(100045)
总编室:(010)64275323 发行中心:(010)51780235 读者服务部:(010)68523946
中国标准岀版社秦皇岛印刷厂印刷 各地新华书店经销
*
开本880X1230 1/16 印张7.75 字数211千字 2014年12月第一版2014年12月第一次印刷
*
书号:155066 • 1-50090 定价 98.00 元
如有印装差错 由本社发行中心调换 版权专有侵权必究
举报电话:(010)68510107