ICS 23. 040
P 72
备案号:J1510-2013
中华人民共和国石油化工彳亍业标准
SH/T 3059—2012
代替 SH 3059—2001
石油化工管道设计器材选用规范
SPeCifiCatiOn for PiPing material design SeleCtiOn in PetrOChemiCal industry
2012-11-07 发布
2013-03-01 实施
中佶人民共禾口国工业和信息化部 发布
前言...................................................................................................................∙∙∙∙∙v
4. 7 支架及管口位移............................................................................……∙∙∙5
4. 8 材料韧性的降低 ..........,.....................•••••••••••••••••••••••••••……•……
4.9 循环工况…..................................••••••••••• .............••••••••.......................••••••••••5
附录B (资料性附录)金属材料的高温氧化年腐蚀率....................................••••••••••••
C. 2临氢作业用钢防止脱碳和微裂的操作极限•••••................... ∙∙∙∙34
附录D (资料性附录)碳素钢和低合金钢在碱液中的使用温度与浓度极限
附录E (资料性附录)常用金属材料易产生应力腐蚀破裂的环境组合.................... ∙∙∙∙∙∙∙∙∙44
本规范用词说明 ..............…… .......................................•••••••••••••••
COntentS
4. 1 DeSign PreSSUre.............
4. 2 DeSign temperature...................γ
4. 3 Ambient effects.......................•':
4. 6 Thermal expansion and COntraCtiOIl effects
4. 7 EffeCtS Of SUPpOrt) anchor and terminal movements
4. 8 RedUCed ductility effects
, ` , ■ ■ . -, ,,. ■- ,. ■. ,
5. 2 AlIOWabIe stresses,...................... *∙∙∙∙∙∙∙6
APPendiX A (InfOrnIatiVe) COmmOn toxic media,flammable media
A.l Danger grade CIaSSifiCatiOn Of COmnlOn toxic media
A.2 CritiCaIity CIaSSifiCatiOn Of ConimOn flammable gas fire
A.3 CritiCality CIaSSifiCatiOn Of COnllnOn IiqUefied hydrocarbon and flammable IiqUid fire
APPendiX B (InfbnnatiVe) Metal material high temperature annual OXidatiOn COrrOSSOn rate
APPendiX C (InfOrmatiVe) COrrOStiOn CUrVe figures
C.l CorrOStiOn CUrVe SteeI in high temperature SUIfUr
C.2 OPerating IinIitS for SteeIS in hydrogen SerViCe to avoid decarburization and fissuring
APPendiX E (InfbrmatiVe) The COnlbinatiOn Of Inetal and SerViCe SUSCePtibIe to StreSS CraCk
EXPlanatiOn Of Wording in this SPeCifiCatiOn
根据中华人民共和国工业和信息化部《2010年第一批行业标准制修订计划》(工信厅科[2010] 74 号)的要求,规范编制组经广泛调查研究,认真总结实践经验,参考有关国际标准和国外先进标准,并 在广泛征求意见的基础上,修订本规范。
本规范共分8章和5个附录。
本规范的主要技术内容是:石油化工管道的级别、管道设计条件、管道组成件的材料选用要求和 计算方法。
本规范是在SH 3059—2001《石油化工企业管道设计器材选用通则》的基础上修订而成。修订的 主要技术内容是:
——规范名称更改为《石油化工管道设计器材选用规范》;
——修订了引用标准和附录;
——对原管道级别进行了重新划分;
——增加了高温及腐蚀环境下材料选用的要求;
——增加了异径管壁厚的计算方法。
本规范由中国石油化工集团公司负责管理,由中国石油化工集团公司配管设计技术中心站负责日 常管理,由中国石化工程建设有限公司负责具体技术内容的解释。执行过程中如有意见和建议,请寄 送管理单位和主编单位。
本规范日常管理单位:中国石油化工集团公司配管设计技术中心站
通讯地址:北京市朝阳区安慧北里安园21号
邮政编码:IOOIOl
电 话:OlO-84877282
传 真:010-64949514
本规范主编单位:中国石化工程建设有限公司
通讯地址:北京市朝阳区安慧北里安园21号
邮政编码:IoOIOI
本规范参编单位:中石化洛阳工程有限公司 中石化宁波工程有限公司 中石化上海工程有限公司
|
本规范主要起草人员:张宝江杨庆朝 王金富 李永红 汪建羽 |
|
本规范主要审查人员:张发有 张德姜 刘 建 雷云周 杨平辉 袁 灿 王少华 李代玉 |
|
柯松林 陈永亮 许 丹 张大船 白殿武 李洪波 徐明才 王军防 |
|
周卫国单承家 |
本规范1994年首次发布,2001年第1次修订,本次为第2次修订。
1范围
本规范规定了石油化工管道材料的选用、管道组成件的选用要求和计算方法。
本规范适用于石油化工装置中公称压力不大于7W420 (CL2500.)、设计温度不超过材料允许使用 温度范围的管道组成件的选用。本规范不适用于非金属管道。
2规范性引用文件
下列文件对于本规范的应用是必不可少的。凡是注日期的引用文件,仅注日期的版本适用于本规 范。凡是不注日期的引用文件,其最新版本(包括有的修改单)适用于本规范。
'GB 150钢制压力容器 / √.
GB/T
GB/T
GB/T
GB/T
GB/T
GB/T
GB/T
GB/T
699
710
1220
2040
2518
3280
3880
4334
优质碳素结构钢
优质碳素结构钢热轧薄钢板和钢带
不锈钢棒
铜及铜合金板材
连续热镀锌钢板及钢带 〈.-
不锈钢冷轧钢板和钢带
一般工业用铝及铝合金板、带材..
金属和合金的腐蚀不锈钢晶间腐蚀试验方法
GB 5310高压锅炉用无缝钢管 .
GB 6479高压化肥设备用无缝钢管
GB/T 7306. 1 55。密封管螺纹 第1部分:圆柱内螺纹与圆锥外螺纹
GB/T 7306. 2 55。密封管螺纹 第2部分:圆锥内螺纹与圆锥外螺纹
GB/T 9711石油天然气工业管线输送系统用钢管
GB 9948石油裂化用无缝钢管 '' :'
GB/T
GB/T
GB/T
GB/T
GB/T
GB/T
GB/T
GB/T
GB/T
GB/T
GB/T
GB/T
GB/T
GB/T
GB/T
GB/T
9971
12232
12233
12234
12235
12236
12237
12238
12239
12240
12241
12243
12244
12246
12716 12771
原料纯铁
通用阀门法兰连接铁制闸阀, '
通用阀门铢葡截止阀与升降会止回阀”'' 石油、天然气工匝用螺柱连接阀盖的钢制闸阀 " 石油、石化及相关工业担钢制截止阀和升降式止回阀 石油、石化及相关工业用钢制旋启式止回阀:
石化及相关工亚用钢制 W'''
石油、
GB/T 14976流体输送用不锈钢无缝钢管
GB/T 19066. 1〜3柔性石墨金属*
GB/T 19326钢制承插焊、
GB 50517—2010 石油^
HG/T 20630 钢制筈4
HG/T 20632 钢
JB/T 4730. 3 隼
JB/T 9092
NB/T
NB/T
SH/T
SH/T
SH/T
对焊支管座
管道工程施通量验收规
层的齿形组合垫(Cl歹衫 尹珞测第3部分:超声检测 试验
470 Sfc½rlj不锈钢和耐热钢锻件 3饱石邮工非埋地管道抗震设计通则 飙1.傭而工管道柔性设计规范 应化工钢
制管法兰用非金属平垫片
\《油化工钢制管法兰用聚四氟乙烯包覆垫片
环垫 件
向油化工钢制管法兰用金囲 店油化工钢制管法兰用紧固, 石油化工钢督 石油化工钢制管法兰
石油化工钢*1管法兰用缠绕式垫片
石汕化工钢制对焊管件
石油化工锻钢制承插焊和螺纹管件
压力管道安华盤举舊■工业覧道 ɔeeifieation for pipeline VaIVeS iɪanged SteeI PreSSUre relief VaIVeS Seat tightness Of PreSSUre relief VaIVeS )uctile iron PIUg VaIVeS
CheCk valves: Flanged,lug,v Vake inspectioιi and testing
Metal PlUg VaIV ^S-flanged, t ¾e⅛ gate VaIVeS-flanged an(
SteeI gate,globe gas industries
afer and butt-welding
,eaded and Welding ends
1 j' y eψds, bol ed bonnets
100 and SmalIer for the PI
>leu!fr ami natural
API
API
API
APl
603
608
609
941
TOSiOIr
MetaI b*l
BUtterflyA
SteeNori⅛
PetrOChen
ASMEBI6. 10 Fac<
esistant, bolted bonnet gate ValVeS-flanged and butt-w< ∕alv<
,es-flanged, threaded and WeIding ends
:double-flanged,lug and Wafer type
IrQgen SerViCe at elevated temperatures and pressure
⅛)-f⅛d⅛Sand end-tς-end dimensions Of^aIVeS
!till
Im refineries and
ASME B16. 34 ValVeS斗世
ASME B31. 3 PrOCeSS pipin;
BS 1868 SPeCifICatiOn for SteeI cl5fe^⅛^lyes (flangedag^Mtt-Welding ends) for the petroleum,
PetrOChemiCal and allied industries
BS 1873 SPeCifiCatiOn for Steel globe and globe StOP and CheCk ValVeS (flanged and butt-welding ends) for the
PetrOIeUm,petrochemical and allied industries
InSPeCtiOIl and test Of^ie^fVaIVeS
BUtterfly ValV 呀尸
SPeCifICati^lf¾Γstδ
PetrOCh^n^Car^jΛl
Val^S SerViCe
29O^e⅛⅛all ValVeS for petroleum, PetrOChemiCal ar⅛L∏J
3管道分级/∕j K
BS
BS
BS
5146
5155
5352
6364
BS
BSENlSOI
JteeI X^edge 庠坷疔 ιll⅛rfιndustries
3.1石油亿工管道级别,应根据管道输送介质的危险程:度和设计条件划
,扩.参见本规范附录A o
号道分级应符合表3. 2的规定。
乎道分级除应符合本规范第
气介质管道级别应根据设t 性或可燃性不同的混合介
时具有毒性和可燃性介质
质、可燃•
3. 2 石/
3. 3 *
⅛d che^^vgl^^⅝⅝
d对 Ilic,専痴M*ies
∖f∖
分用的毒性介
and SmalIer for petroleum,
/ 2条的规定,卜,尚应将吕卜列规定:、 条件按本规范表3. 2中乙类可燃气体而 :管道级别应按其危害程度及含量确定; 道级别应按本规范表3. 2中高级别管道:
表3. 2管道分级
.别 ,输送介质
序
号
光气介质
(丙烯睛、光气
介质、高度
危害介质(丙烯腊、光气
(4)
(5)
(6)
(1)极麽魚害介庖(苯除外)、高度佰害丙 烯月青、
(2) 除外)
(3): 除外)
F度危害介质
I3度危害介质 至度危害介质
、高度危害
中度危害介质、轻度危害介质
一
祓汁庄力
MPa
设计条件
、轻度危害介质
4 \s\yX < (7)轻度危班介质
PNlo
4≤P<10
任
m
孑0(
⅛⅛-2i
4WP<10
P<l
4WR<10
P<4
R<4
P<4
-29≤∕<400
类、
;介质
类、乙类可燃气体介质和
5
6
7
曰00
/<-29
SHB2
日29
0
(11
A29
4
SHB3
回燃液体介质
4≤P<10
-29≤∕<400
EOO
PV4
(⑵乙类、
(13)丙类可燃液高责—
乙类可燃气体介质和甲A类、甲B
(14)丙类可燃液体介质
PV4
-29≤∕<400
-29≤∕<400
表3. 2管道分级(续)
|
序号 |
管道级别 |
输送介质 |
设计条件 | |
|
设计压力 MPa______ |
设计温度 ____JC_____ | |||
|
9 |
SHCI |
(15)无毒、非可燃介质 |
PNIO |
一 |
|
一 |
/<-29 | |||
|
10 |
SHC2 |
(16)无毒、非可燃介质 |
4≤P<10 |
心400 |
|
11 |
SHC3 |
(17)无毒、非可燃介质 |
4≤P<10 |
-29WfV400 |
|
IVFV4 |
泽400 | |||
|
12 |
SHC4 |
(18)无毒、非可燃介质 |
1<P<4 |
-29≤Z<400 |
|
FWl |
日85 | |||
|
P≤l |
-29≤^≤-20 | |||
|
13 |
SHC5 |
(19)无毒、非可燃介质 / |
P≤l |
-20<Z<185 |
3.4本规范表3. 2中所列管道的检查等级,除应符合相应管道级别的要求外,尚应符合下列规定:
a) 钛及钛合金、倍及错合金、镣及镣基合金、高格镣钥奥氏体不锈钢管道以及设计明确规定为 剧烈循环工况管道的检查等级不得低于GB 50517—2010表9. 3. 1中1级;
b) 铭钥合金钢、双相不锈钢、管道的检查等级不得低于GB 50517—2010表9. 3. 1中2级;
C)奥氏体不锈钢、设计要求冲击试验的碳钢管道的检查等级不得低于GB 50517—2010表9. 3. 1 中3级。
3.5管道级别应在管道表和单管图或相关的技术文件上逐根管道加以注明,作为设计、施工和检验的 依据。
4管道设计条件
4. 1设计压力
4.1.1管道组成件的设计压力,不应低于操作过程中,由内压或外压与温度构成的最苛刻工况下的压 力,但本规范第5. 1.2条规定的情况除外。最苛刻工况是指导致管道组成件最大壁厚或最高压力等级的 条件。
4.1.2设计压力的确定应符合下列规定:
a) 装有安全泄压装置的管道,其设计压力不应小于安全泄压装置的设定压力;
b) .未设置安全泄压装置或可能发生与安全泄压装置隔离、堵塞的管道,其设计压力不应小于可 能由此产生的最大压力;
C)离心泵出口管道的设计压力不应小于泵的关闭压力;
d) 管道与设备直接连接成为一个压力系统时其设计压力不应小于设备的设计压力;
e) 输送制冷剂、.液化煙等低沸点介质的管道,其设计压力不应小于阀门关闭时或介质不流动时 在最高环境温度下气化所能达到的最高压力;
f) 真空管道应按受外压设计,当装有安全控制装置时,设计压力应取最大内外压差的1.25倍或 0.1MPa两者中的较小值;无安全控制装置时,设计压力应取0. IMPaO
4.2设计温度
4.2.1管道组成件的设计温度,不应低于操作过程中,由压力与温度构成的最苛刻工况下的温度。同 一管道中的不同管道组成件的设计温度可以不同。
4. 2.2设计温度的确定应符合下列规定:
a) 无绝热层的管道,介质温度小于65。C时,管道组成件的设计温度应与介质温度相同,但应考 虑阳光辐射或其他可能导致介质温度升高的因素;
b) 无绝热层的管道,介质温度等于或大于65°C时,可按下列原则确定:
D 阀门、管子、对焊管件和壁厚与管子相近的其他管道组成件,设计温度不应低于介质温 度的95%;
2) 除松套法兰外,法兰的设计温度不应低于介质温度的90%;
3) 松套法兰的设计温度不应低于介质温度的85%;
4) 螺栓和螺母等紧固件的设计温度不应低于介质温度的80%;
C)带外绝热层管道,.除经传热计算或实测确定的平均壁温外,宜取介质温度作为设计温度;
d) 带衬里或内隔热层管道的设计温度,应经传热计算或实测确定;
e) 带夹套或外伴热的管道,当工艺介质温度高于伴热介质温度时,应取工艺介质温度作为设计 温度;当工艺介质温度低于伴热介质温度时,带夹套管道应取伴热介质温度作为设计温度, 带外伴热管道应取伴热介质温度减I(TC与工艺介质温度二者中较高值作为设计温度;
f) 安全泄压排放管道,应取排放时廿能出现的最高或最低温度作为设计温度;
g) 需吹扫管道的设计温度,应根据具体条件确定。
4. 3环境因素
4. 3.1当环境影响造成管道内气体或蒸气被冷却产生真空时,管道应有耐真空能力或防止产生真空 的措施。. ■', ' ;
4. 3. 2管道组成件应能承受或消除因静态流体受热膨胀而导致的压力升高或采取预防措施。
4. 3.3设计温度低于(TC时,应防止阀门、泄压装置和其他管道组成件的活动部件外表面结冰。
4.3.4金属管道外壁受大气环境影响时,管道设计应考虑最低环境工况。
4.4动力荷载
4. 4.1管道应能承受外部或内部条件引起的水力冲击、液体或固体物料的撞击等的冲击荷载。
4. 4. 2室外架空管道应能承受风荷载「" ’ " \ `
4.4.3对于抗震设防烈度为6度到9度的非埋地管道,应符合SH/T 3039的有关规定。
4.4.4管道应能承受机械振动、压力脉动等振动产生的荷载。
4. 4.5管道应能承受介质泄压或排放产生的反作用力。
4.5重力荷载
4.5.1管道应能承受输送介质、试验介质及冰雪等产生的荷载。
4.5.2管道应能承受管道组成件"绝热材料以及由管道支廠的其他永久性荷载
4.6温差荷载
4.6.1管道设计应能承受管道被约束或固定因热膨胀或收缩而产生的作用力和力矩。
4.6. 2管道设计应能承受由于管壁温度急剧变化或温度分布不均匀而产生的管壁应力及荷载。
4. 6. 3管道设计应能承受由于管道材料的热膨胀性能不同而产生的荷载,如复合钢管、夹套管、非金 属衬里管等。 Λ.
4.7支架及管口位移
管道设计应考虑管道支架及与管口相连接的设备的位移,如设备或支架的热膨胀、基础沉降或其 他外部因素等产生的位移。"U
4. 8材料韧性的降低
管道设计应考虑如焊接、热处理、加工成形、弯曲以及低温或高挥发性流体突然减压而产生的急 冷所造成的材料韧性降低的因素。 `
4.9循环工况
管道设计应考虑由于压力循环、热循环和其他周期性荷载而产生的疲劳。
5管道设计基准
5.1管道组成件的压力、温度设计基谁
5. 1. 1
a)
C)
5. 1.2
温度组合来;
a)曽
管道组成件的压力-温零
除本规范另有规足?久蚀膺多也闿规定耳J⅝遵咦 件,选用管道叩^吵福E中规定的客禳商娑⑥ 对国家现行伊岁疏-温度额定值及公称压力禱'联 括壁厚、表示的无缝管道组成件的压力-温* 同材料M粉命效厚度确定。焊制管道组成件的压力-瀝
道连接时,分界处阀门的压力-温度额定值应按最奇刻工况≡‰o
管道辭充中压#和商喉亍部压力和
确定,卢, 不同泌本丄如曾
应符合下列规定:
及公称压力的管道组成 醴 计压力和设计温度; 舟钢管壁厚系列(包
与其许用应力相
K根据上述方法
底力、温要求时) 尹的荣呼符合本条b)款的规定:
/ Z専^铁或其他非塑性金属材朴的受压壹1
压力产生的应力不应超过材下的屈服强度;
申纵向应力呷
4⅝;声道设计寿命
壬何情况下,
ELlq门及管道连接■
≡ηp⅛∣性能;
1⅛L∣⅞I续和周期性的变动不应改变管道系统中所有管道组成件的操作安全性能;I
见行标准规定的材檎低使用温度;I
内,超过设计条件的压力和温度变化的总次数小应超过1 管道压力升高值不得超过管道的系统试验压jj;
,降低或失
4度变动的下限空国 a)款要求
*F列要求:______
何—次压
许用应力啓^■
V可一次压丸,温度变4 材科V用应力的|o%; 牛木*放等的 不得
寺续时间不超i∑
匕持续时间不超
温度允
温度变动所'
且每年累计不超过Ioa
且每年累计不超过50,
50h,
不超过50h,丨1句年累I
时间
C) 冲二 Hk
5.2许用忐
5. 2. 1金属梢声E应中的 5.2.2管道组N件材 符合ASME B31∖题蚤勤
5. 2. 3
5.2.4
a)
限波动情;
:过材料许丿
,,-•次变动持 应力的20%。
定基准应符合相关国家 应力,中国标准材料应,
首亍标准的要求。
合现行国家标准的
500h
标准材料应
管道柔性找呀 偶然荷载引矗奶 当在操作条甫
载产生的应力组,
风何载不U地辰何 软小
隊为有规定外,在系難
力的1.5倍,并不考虑风荷载I
仙应符合SH/T 3041的有关规定。 Z¼∕7∕
St和应符合下列要求:
丈四其他持续荷载产生的丝步哆屬地震荷载等临时荷 権国g标准规倍;进行应力组合时,
M下管道中产生的应力,歹而:管道在该试验温度下许用应
5.3管道设计寿命
管道设计寿命宜为15年。
6管道材料
6. 1 —般规定
6.1.1管道材料应根据管夢妬 蚀性能、加工工艺性能
6.1.2受压元件(蜴廁粉)翩
抗脆性断裂能力。/ 6. 1.3选用的可甬
组织稳定性等
6. 1.4
6. 1.5
6. 1.6
应符合
6. 1. 7
6. 1.8/
6. 1. 9/
的技/ft并根据设计条件核对材料的
6. 1./ 范s⅛
6. 1.
6. 1
6. 1
6. 1
管关
6. 1.
温度、设计压力和介设计条件,以及材料的耐腐
关于14%的脆性材料时,应釆取
一多的稳定性,包括化学性能、物理性能、X虫
标准管道组成件的压力-温度额定值应符合管道设计温度和设计. 在设计条⅛⅞f非鑫准管道组成件的计算应力,不应超过管道紡 当膏道在糖弁过程中存在压力和/或温度波动时,•管道组成件的.
砲M2 条
醇件用钢妈號!烛應
'孕压伞《以及直接与受压元件焊接 幻*#成国家或行业标准的新材’
:用温度下应具备足够的 施。
场⅛能、抗疲劳性能和
:计嶙
美求。\
巧双许用应力。
阈午变动范围,
条件的⅛!
用钢材,应有钢厂的质量¥”册早
笊丿瓦
勺非受压元
斗时,应经过皆当级别的技术鉴定和国家早善
,项性能指标。
.选用国外规范允许使用的榊!•,其使用⅛I
0压元件釆—_
有该材料的堆证明文件。
极度危害介庫,高度危害介质及液化炷的压力管道应釆用优质钢制造。 焊接的碳钢耳低合金钢的含碳量不应大于0. 3%o
:材料时,应间相互连接或接触,在工艺过程中可能产生的
腐蚀性介质管腐财部腐蚀需按具 根据介质对探材料的腐蚀串率津用。
金属材料的耐腐蚀能力应根据弁质对金属材料的腐蚀速率确定,其分类1L ⅛⅛⅛虫速率小于或等于0. 05mm的材料为充分耐腐蚀材料; I
料为耐腐女材料; / ■
1]聞
::
,速率大于0. 05mm且八于或等于0. 1
6. 1.1 R莉孑細腐蚀材* 耐腐蚀⅛⅜J
6. 1. 17
6. 1. 18
速率大于0. Imm且小于或等于0. 5mm的材
∣5mm 的龙
料为
防料的高温氧化年腐蚀,
9材使用温度宜符合表6. 1. 18的规定
碳素结构耳
优质碳素结构钢
相应规
LO
d 丄要求:
糅外,
料为尚耐腐
蚀材料;
大的条件选
冬可参见本规范附录B中的表BO
表6. 1. 18常用钢材使用温度
Q235A ・ F
Q235A
Q235B
20G
Q245R
遮度/°C
0—200
-IO-350
TO〜400
-29—425
-20—425
- 20~450
-20〜450
高级别的
表6.1.18常用钢材使用温度(续)
|
材料 |
材料牌号 |
使用温度/°C |
|
低合金钢 |
Q345R |
-40〜450 |
|
16MnD |
-40〜350 | |
|
O9M∏D |
-50〜350 | |
|
09Mn2VD |
-50〜IOo | |
|
09MnNiD |
-70-350 | |
|
12CrMO |
-20—525 | |
|
15CrMO |
-20~55Q | |
|
12CrIMOVG |
-20-575 | |
|
12Cr2Mo |
-20—575 | |
|
12Cr5Mo (lCr5Mo) |
-20—600 | |
|
高合金钢 |
06Crl3 (OCrI3) |
-20—400 |
|
06Crl9Nil0 (OCrI8Ni9) |
-196〜700 | |
|
06Crl8NillTi (OCrlSNilOTi) |
T96~700 | |
|
06Crl7Nil2Mo2 (OCrl7Nil2Mo2) |
-196〜700 | |
|
0Crl8Nil2Mo2Ti |
T96~500 | |
|
06Crl9Nil3Mo3 (OCrI9Nil3Mo3) |
-196—700 | |
|
022Crl9Nil0 (OOCrWNilO) |
-196-425 | |
|
022Crl7Nil2Mo2 (OOCrI7Nil4Mo2) |
T96~450 | |
|
022Crl9Nil3Mo3 (OOCrI9Nil3Mo3) |
T96~450 | |
|
注:括弧内材料为旧牌号。 | ||
6. 2材料选用
6. 2.1碳素结构钢及铸铁类材料适用范围应符合TSG DOOOl的有关规定。
6. 2. 2高温条件下材料的选用应符合下列规定:
a) 受压元件的钢材使用温度不应超过现行国家标准的有关规定;
b) 确定材料的使用温度上限时应考虑腐蚀性介质的影响;
C)非受压元件的钢材使用温度不应超过钢材的极限氧化温度;
d) 在高温条件下长期使用时,碳素钢、碳镐钢、低温用镣钢的使用温度不应高于425°C,碳钥 钢的使用温度不应高于470°C;
e) 铁素体不锈钢受压元件的使用温度高于370°C时,应考虑室温下的材料脆性;
f) 奥氏体不锈钢的使用温度高于525°C时,钢中含碳量不应小于0.04%,并且在固溶状态下使 用;
g) 双相不锈钢的使用温度不宜高于300°C;
h) 钛及钛合金的使用温度不宜高于300© ;
i) 镣及镣基合金的使用温度应符合表6. 2. 2的规定。
表6. 2.2镣及镣合金的使用温度 单位为°C
|
材料 |
____不含硫的环境______ |
蒸汽 |
香硫环境 | |||
|
氧化 |
H2还原 |
CO还原 |
氧化 |
还原 | ||
|
镣(N4、N6') _ |
≤1040 |
≤1260 |
≤1260 |
≤425 |
≤315 |
≤260 |
|
镣-铜(NCU30) |
≤540 |
≤1100 |
≤815 |
≤370 |
≤315 |
≤260 |
|
镣-铭-铁(NS312) |
≤1100 |
≤1150 |
≤1150 |
≤815 |
≤815 |
≤540 |
|
镣铁铭(NSllL NS112) |
≤1100 |
≤1260 |
≤1150 |
≤980 |
≤815 |
≤540 |
6. 2.3低温条件下材料的选用应符合下列规定:
a)碳素钢、低温碳钢、铭钥合金钢、「不锈钢的最低使用温度及低温冲击试验免除条件应符合现
行国家标准的有关规定;
b)低温管道用钢应采用镇静钢;
C)管道设计温度低于或等于-20。C盼碳素钢、低温碳钢、低合金钢、中合金钢和铁素体高合金 钢,母材及其焊缝金属和热影响区应按现行国家标准的有关规定进行低温冲击试验;
d) 铭镣奥氏体不锈钢母材在设计温度等于或高于-196°C,且满足下列各项要求时,可免做低温 冲击试验:
D材料含碳量应小于或等于0. 10%;
2)材料应为固溶热处理状态;
e) 铭镣奥氏体不锈钢焊缝金属及热影响区在满足下列各项要求时,可免做低温冲击试验:.
D 含碳量小于或等于0∙ 10%的奥氏体不锈钢母材,不加填充金属焊接,设计温度不应低于 -IOI°C;
2)焊缝金属含碳量小于或等于0. 10%,焊接使用的填充金属符合相应标准,设计温度不应低 于-lore;焊缝金属含碳量大于0. 10%,焊接使用的填充金属符合相应标准,设计温度不 应低于-48OCo
6.2.4除抗拉强度下限值大于540MPa的钢材及螺栓材料外,使用的材料在低温低应力工况下,若设 计温度加50。C后,高于-20。C时,管道材料可免做低温冲击试验。
6. 3腐蚀环境条件下材料的选用
6. 3. 1奥氏体不锈钢使用于可能引起晶间腐蚀的环境时,应按GB/T4334进行晶间腐蚀倾向性试验。 奥氏体不锈钢除下列情况外,应以供货状态的试样进行晶间腐蚀倾向试验:
a) 焊接结构(包括焊缝金属)用钢材应以供货状态经敏化处理的试样进行试验,焊接接头以焊 态试样进行试验;
b) 除固溶处理和稳定化热处理外,凡在制造和使用过程中需经历400©以上温度加热的奥氏体不 锈钢,应以供货状态经敏化处理的试样进行试验。敏化处理的制度宜为650°C,保温时间 为0. 5h〜2h;双相不锈钢宜为650°C∖保温时间不应小于0. 5h»
6.3.2介质中含有硫和环烷酸的管道材料选用,应根据正常操作条件下原油中的酸值和含硫量为依 据,并应考虑最苛刻操作条件下可能达到的最大酸值、酸与硫的组合共同作用以及介质流动状态、介 质流速等因素。材料的选用应符合下列规定:
a) 对操作温度等于或高于240°C,介质中含活性硫化物腐蚀介质的管道,应根据管道操作温度和 介质中的含硫量,并参见本规范附录C中图C.1的规定选用;
b) 高温硫化物和环烷酸共存管道的材料选用应符合下列要求:
1) 对操作温度低于240°C,材料可用碳钢、15CrMo> 12Cr5Mo (lCr5Mo)或06Crl3 (0Crl3);
2) 对操作温度等于或高于240°C,材料可选用12Cr5Mo (ICr5Mo)、Cr9Mo> 06Crl9Nil0
3)对管道介质流速等于或大 06Crl9Nil3Mo3 (OC 板制品。
6.3.3对操作温度等于耳
度加20oC~40oC的裕量 钢材。
6.3.4对操作温度
介质中H2S的含
6. 3. 5
a)
b)
C)
d)
e)
f)
g)
6. 3. 6
(OCrI8Ni9)或022Crl7Nil2Mo2 (OOCrI7Nil4Mo2);
道操作温度和
材
碳当
Crl7Nil2Mo2 (OCrI7Nil2Mo2) >
Crl7Nil4Mo2)及其金属复合
,E根据管道最高操作温 线选择合适的抗氢
在湿H2她力
50°C,介质中含有H2S和H2的管道材料选
;境甘,管道选用的材料应符合下列要求:
i 服弓
立强度等于63 OMPa;
应为正退火或调繭IIr

卩碳镒钢,碳当量CE应小蠢对于低合金钢(包括低温
颯仔或等于0. 45%;
厚后热处理,热处理后焊缝
b)
C)
b)
6. 3. 8
定化型不锈钢。
6. 3. 9
a)
基合金。
2)
3)
对于15MnV、
连多硫酸E
氧气管道材料眸
氧气管道材料的
料;
管子宜釆用无缝钢管;
阀门釆用全通径阀门,但其
且切断阀操作过程中两端压差不能过艾
上的A区时,
行消除应力热处
无缝对焊管件;
不得进行蒸汽吹扫;
进
工 少
液
超低碳或稳
钢和镣基合金等材
<得使其处于半开半关状态;并
(含热影响区)的硬度不应大于HB200;
20mm的钢进行超声椅
,质昂:等级F应低于II级 用镇静钢,如20、Q245R、Q345R等。
虫环境(碱脆道选用的材料应符合下列要求:
..—.2 f料选用W参见本规范附>⅛D'∣'图D的要求;

碳素钢私低合金钢制⅛≡⅛⅜⅛榆劉1的B区时,:
r消除应力热处1
a)
b)

d)
e)
4min∕
6. 3. 7
a)
:度低但可能尸
度和碱液浓K
热处理,期间
和碱液浓中图
环境下,______
5等钢应
、行消除
管道选用
J选用可参见本规范附录D
的要求; ■金钢制的管i
上的C区时,材料应选用
倍水荷应大于0.2% (质量分数); >Nb等低合金钢,焊后
列要求:
勺压力、温度和流速不
状态应为全开或全美状
d)垫片宜釆用带内环的聚四氟乙烯缠绕式垫片;
三通宜采用等径三通; 氧气管子、管件、阀I' 常用金属材料易彦
e)阀门填料不应釆用易脱落碎屑、纤维的材料或可燃的材料制成,宜采用聚四氟乙烯材料;
7管道组成件
f)
g)
6. 3. 10
DV40、DV50、DV80、QNlo0、ZwI50、0V2OO、Zw250、
DNl
大值:
GB 5310、
电阻
不应小于以下三项中的
进行脱脂处理。
破裂的环境组合可参IL本规?
安下列系列选用:
宜选用无缝钢管
J无缝钢管。
≡,并经设计确认可用
5、
450、W500、
00时,
D
S化的管道,
用于设计
的检验
管应采
DN600、DN600、DV750、DN800、QN900、
Ir按200递增。
径不应小
不同公称直径管子的最
小壁厚
料
缪250〜DN300
低合金钢
2.4
3.2
4.0
氏体不锈钢
1.5
2.3
300、DN35Q、
0、JoNI200;
It
号和非高度危害介
C)
厚规格应与所连接管子一致或相当,
a)
b)
质管道
碳钢电
碳
7. 1管子 7. 1. 1钢管规 7.1.2管子
DNI5、
JDN400、 公称直径 7. 1.3 于6 7. 1.4
3405的有美规定。
管、蒸汽伴管和特殊要求者外,管子最小公称直径应为QNl
范第8. 2条规定计算的壁厚
150确定的
f子外径,単位为mm;
用壁厚应符合表7. 1.4的规定。
7. 1.
动及I
7. 1. 6
的规定
7. 1.7
7. 1. 8
下列规定i
极度危害介质
表7. 1.4管子最小壁厚
位为mm
、高度危害介质、可燃介质或压力、温度参数较高或承受
力等于或大于IoMPa时,制造及检验应符€
立低于GB/T 14976ITJ规定。
、温度参数较高或特
150
压力脉
9⅛f8或GB 6479
案件外,婢接钢管宜按
焊直缝钢管的使用温度
不宜高于60N
d)焊接钢管应符
7.2管件
7. 2. 1弯头、三通、异径管、管 并应符合下列要求:
a)钢制对焊管件应符合SH/T 3408或与其相当的标准规定;
b)锻钢制管件应符合SH/T 3410或与其相当的标准规定。
7. 2. 2弯头宜选用长半径弯头,当采用短半径弯头时,其最高工作压力不宜超过同规格长半径弯头的 0.8 倍。
7. 2. 3斜接弯头应符合下列规定:
a) 斜接弯头的曲率半径不宜小于同规格长半径弯头的曲率半径;
b) 斜接角度大于45°的斜接弯头,不宜用于极度危害介质、高度危害介质、可燃介质管道或可 能承受由于机械振动、压力脉动及温度变化产生交变荷载的部位;
C)剧烈循环工况下的管道中釆用斜接弯管时,其1条焊缝方向改变的角度不应大于22.5° ,设计 压力应小于或等于2. OMPao
7.3法兰
7.3.1法兰的选用应符合下列规定:
a) 法兰型式、结构尺寸应符合SH/T 3406或与其相当的标准规定;
b) 法兰许用工作压力应根据法兰标准中所列的压力-温度额定值确定;
c) 有毒、可燃介质管道不得釆用板式平焊法兰;
d) '承插焊和螺纹法兰不得使用在可能发生缝隙腐蚀或严重腐蚀处;
e) 公称压力小于或等于/W20 (CIaSS 150)的管法兰采用缠绕式垫片或金属环垫时,宜选用对 焊式或松套式法兰;
f) 在剧烈循环工况下,应选用对焊式法兰。
7.3.2当连接尺寸、压力等级相同而法兰压力-温度额定值不同的法兰相连接时,其使用条件应以较 低压力-温度额定值的法兰为准。
7.3.3当金属法兰与非金属或脆性材料法兰相连时,两者均应选用全平面(FF)法兰。突面法兰与 全平面法兰匹配时,应釆取防止法兰过载的措施。
7.3.4对于剧烈循环工况和极度危害介质的管道,当管道法兰连接承受较大附加外荷载时,应校核法 兰的承载能力。
7.3.5以法兰盖作异径法兰时,开孔直径宜符合表7. 3.5的规定。
表7. 3. 5法兰盖开孔直径 单位为mɪn
|
法兰盖公称直径DNI |
最大开孔公称直径DN2 . |
|
■ 25、 40 |
15 |
|
50 \ |
25 |
|
\ - 80、 100 \ ■ ` |
40 |
|
150、 200 ' |
、、 80 |
|
≥250 |
IOO |
7.4垫片
7.4.1垫片的选用应符合下列规定:
a) 垫片选用应根据垫片的密封性能、设计条件、工作介质特性及密封要求等因素确定;
b) 垫片材料性能应符合下列要求:
1) .具有较好的物理机械性能;
2) 耐介质腐蚀,并不污染介质,不腐蚀密封表面;
3) 具有良好的压缩、回弹性能;
4) 具有较小的应力松弛率;
5) 泄漏率低。
7.4.2非金属平垫片的选用应符合下列规定:
a) 无机纤维非石棉纤维橡胶板的公称压力不应超过RV50 (Class 300),最高使用温度不应大于290 °C,最低使用温度不应低于-40°C;有机纤维非石棉纤维橡胶板的最高公称压力不应超过 PN50 (CIaSS 300),最高使用温度不应大于200°C,最低使用温度不应低于-40°C;
b) 增强柔性石墨垫片的公称压力不应超过ZWIlO (ClaSS 600),使用温度的范围取决于金属 芯板材料;一
C)垫片应符合SH/T 3401与其相当标准的规定。
7.4.3聚四氟乙烯包覆垫片的选用应符合下列规定:
a) 适用于耐腐蚀、防粘结和要求清洁度高的管道;
b) 聚四氟乙烯包覆垫片的公称压力夸应超过FN50 (Class300),最高使用温度不应大于150°C;
C)垫片应符合SH/T 3402或与其相当'綜准的规定。
7.4.4缠绕式垫片的选用应符合下列规定:
a) 缠绕式垫片选用应符合下列要求:
D突面法兰应釆用带外环型缠绕式垫片;
2) 凹凸面法兰应采用带内环型缠绕式垫片;
3) 梓槽面法兰应釆用基本型缠绕式垫片;
4) 公称压力等于或大于户N150 (Class 900)的突面法兰应釆用带内外环型缠绕式垫片;
b) 缠绕式垫片的使用条件应符合表7. 4.4的规定;
C)垫片应符合SH/T 3407或与其相当标准的规定。
表7.4.4缠绕式垫片的使用条件
|
垫片材料 |
法兰公称压力 PN |
温度范围 OC |
|
06Crl9Nil0 (OCrI8Ni9)/特制石棉 |
≤260 |
-50〜500 . |
|
06Crl9Nil0 (OCrI8Ni9)、• 06Crl8NillTi (OCrlSNilOTi)、. 06Crl7Nil2Mo2 (OCrI7Nil2Mo2) /柔性石墨 |
-196—65Oa | |
|
022Crl9Nil0 (OOCrWNilO)、 022Crl7Nil2Mo2 (OOCrl7Nil4Mo2) /柔性石墨 |
≤260 ' |
T96 〜450 |
|
O6Crl9NilO (OCrI8Ni9)、 \ - \ 06Crl7Nil2Mo2 (OCrl7Nil2Mo2)、 ' 022Crl9Nil0 (OOCrWNilO)、 022Crl7Nil2Mo2 (OOCrI7Nil4Mo2) /聚四氟乙烯 |
≤110 |
-196—200 |
|
a柔性石墨带用于氧化性介质时,最高使用温度为450°C° | ||
7.4.5齿形组合垫的选用应符合下列规定:
a) 垫片应符合HG/T20632或与其相当标准的规定;
b) 垫片的最高使用温度应符合表7.4.5的规定。
7.4. 6柔性石墨金属波齿复合垫片的选用应符合下列规定:
a)垫片应符合GB/T 19066. 1〜3或与其相当标准的规定;
b)垫片的最高使用温度应符合表7. 4.
金属齿形环材料
10 或 08
450
06Crl3 (OCrI
Oa
最高使用温度 eC
柔'
材料
06Cr 06Crl7
7.4.7
a)
00
迁7. 4.
450
rl3
柔性石墨
650d
氧化性介质可,最髙使用温度为450°C°
ɪ
GB
9971
450
GB/T 699
50
NB/T
MO
4700
50
0
)()
OTi)
700
700
70()
45。
450
150
省标准的规定;
Crl7Nil2Mo2
9海DerI8Ni9)、 1
NB/T 47010
GB/T 1220
杂的垫片;
柔性石墨
柔性石墨
柔性石墨
聚四氟乙烯
弛石墨
柔性石墨
540
0
150
06
06Crl8NillNb
06Crl7Nil2Mo2 (
b)垫片应符合SH/
勺规定,填充材料的使用温度应符合表
C)
7.4.8
a)
b)
06Crl9Nil0 (OCUr8½i9∣ 06Crl7Nil2Mo2 (
a柔性石墨带用于:
质时,最高使用温度为45(ΓC°
5柔性石墨金属波齿复合垫片的最高使用温度
的选用应符合
⅜y⅜車温、高压管■
e
06Crl9Ni
06Crl8Nill1⅜i
022Crl9Nil0 (00
022Crl7Nil2 (OoCrl7Nil4Mo
幾盖层材料
下列规定:
垫片的使用条件应符合表7. 4. 7的规定;
属楊垫的使用条件
标准
最高使用温度 OC
金属环垫材料硬度
金属包覆垫片的选用应符
适用于温度较高的介质及形)
垫片的包覆金属材料的使用温度应符
7. 4.8-2的规定;
既定:
表7. 4. 8-1包覆金属材料的最高使用温度
表7. 4. 8-2填充材料
填充材料
性石墨板
棉纤维橡胶板
有机纤维
无‘机■話鑑
包覆垫的最高使用温度应低
带用「氧化性介质时,最高使用
450°Co
白最咼使用温度
C
650 a
300
200
290
莅金届材料和墳充;
月应符合HG/T 20630或与其相当标准的规定
*
7. 5.
7. 5. 2
7. 5
用紧固件
,应能保证垫片达到初始密封条件,并在整个操作过程中 料应根据法兰连接邕I
公称压力小
设计条件和选用的垫片种类决定
150)的法兰连接。
O
和密封性。
柱。
7.5.3 半宜用于
(CIaSS 条件T应采用全
7.5.4 L 沐館过23 NPa的低强度紧固件,
金属垫片岬2连不
7.5.5经或硬嫁墨
使用温度不得
7.5.6紧固件曲磯伊湖或与其相当标准的规定。
7.6法兰、垫片禾旗専
7. 6. 1在法兰连接中、 经验的其他材料。
7.6.2调质状态使用的螺母材闹4漫些应高于暨尊国礪栓材料的回火温度。
7.6.3铸铁法兰及与其相连接的钢制宙旬密方面宼嬴鬲全平面(FF)型式,预紧比压y小于或等于
于曾于 Z3Λ∕20l(CIaSS

纹螺柱或等长双S
吏用于公称压力小
得应用于剧烈循环工况;碳钢低强度紧固件使用部
体不锈钢紧固件丿IJ -T-IPMl
毙选取,螺母可选用有使用
.且
或等∕rV20 (SaSS 150)非 饵 »20°C 〜200 °C。 面4的承载能力,且
31. OMPa的软质垫片,紧固件应采用常温屈服强度不大于235MPa的低强度螺栓。
表7.6.1法兰、垫片和紧固件选配
|
公称 压力 |
垫片 |
_______________温度°C___________________________________________________ | ||||||||
|
-196—1011 -100—41 |
-40〜-21 |
-20~100 I 101-150 |
151 〜200 I 201 〜30(Γ[ 301 〜350 | 351 〜4001 401 〜5001 501〜550 |
551〜650 |
651〜700 | |||||
|
___________紧固件材料螺栓/螺母__________________________________ | ||||||||||
|
PN20 |
石棉橡胶板 |
— |
— |
— |
Q235A/Q235A |
I 35CrMoA/35 |
— |
一 |
— |
— |
|
聚四氟乙烯 包覆垫片 ’ |
— |
— |
35CrMOAZ 30CrMOA |
— |
— |
— |
— |
— | ||
|
缠绕式垫片 |
0Crl9Ni9/ 0Crl9Ni9 |
35CrMOA/30CrMOA |
35CrMOA/35 |
35CrMOA/30CrMOA |
⅞5Cr2MoVA7 35CrMOA |
0Crl9Ni9/ 0Crl9Ni9 |
OCrI5Ni25Ti2MoA!VB/ OCrI5Ni25Ti2MoAlVB | |||
|
金属环垫___ | ||||||||||
|
— | ||||||||||
|
柔性石墨复⅛≡^ | ||||||||||
|
PN 50 |
石棉橡胶板 |
— |
— |
35CrMOA/35 |
—— |
—— |
— |
— | ||
|
聚四氟乙烯 包覆垫片 |
— |
—— |
— | |||||||
|
缠绕式垫片 |
0Crl9Ni9/ 0Crl9Ni9 |
-^35CrMOA/30CrMOA |
35CrMOA/35 |
35CrMoA/30CrMOA |
25Cr2MoVA/ 35CrMOA |
0Crl9Ni9/ 0Crl9Ni9 |
OCrI5Ni25Ti2MoRlVB/ OCrI5Ni25Ti2MoAlVB | |||
|
金属环垫___ | ||||||||||
|
柔性石墨复 ⅛⅜⅛ |
— | |||||||||
|
齿形组合垫 • | ||||||||||
|
金属包覆垫片’ |
— |
— | ||||||||
|
PN 68 |
缠绕式垫片 |
-"35CrMoA/30CrMOA~ |
-' 35CrMbA/35 |
35CrMoA/30CrMOA |
25Cr2MoVA7 35CrMOA |
0Crl9Ni9/ 0Crl9Ni9 |
Oerl5Ni25Ti2MoAlVB/ OerI5Ni25Ti2MoAlVB | |||
|
金属环垫___ | ||||||||||
|
柔性石墨复⅛≡ |
— | |||||||||
|
齿形组合垫 | ||||||||||
|
⅞⅞包覆垫片 |
—- |
一 | ||||||||
|
PNIW |
缠绕式垫片 |
35CrMOA/30CrMOA |
35CrMoA/35 |
35CrMOA/30CrMOA |
25Cr2MoVA7 35CrMOA |
OCrl9Ni9∕ 0Crl9Ni9 |
OCrI5Ni25Ti2MoAlVB/ OCrI5Ni25Ti2MoAlVB | |||
|
金属环垫___ | ||||||||||
|
柔性石s⅜⅛≡ |
—— | |||||||||
|
齿形组合垫 | ||||||||||
|
金属包覆垫片- |
— |
— | ||||||||
|
PM50 |
缠绕式垫片 |
~35CrMOA/30CrMOA |
35CrMOA/35 |
35CrMOA/30CrMOA |
25Cr2MoVA∕^ 35CrMOA |
0Crl9Ni9/ 0Crl9Ni9 |
—— | |||
|
金属环垫 | ||||||||||
|
齿形组合垫 | ||||||||||
|
金属包覆垫片- |
一 |
— | ||||||||
|
P7V260 |
缠绕式垫片 |
— |
-35CrMoA/30CrMoA~ |
3 5CrMOA/35 |
35CrMOA/30CrMOA |
25Cr2MoVA/ 35CrMOA |
0Crl9Ni9/ 0Crl9Ni9 |
— | ||
|
金属环垫 | ||||||||||
|
齿形组合垫 | ||||||||||
|
PN420 |
金属环垫 |
— |
35CrMOA/30CrMOA |
35CrMOA/35 |
35CrMOA/30CrMOA |
25Cr2MoVA/ 35CrMOA |
OCrI9Ni9∕ OeFl9Ni9 |
— | ||
|
齿形组合垫 | ||||||||||
|
E:斜线上方为螺柱和螺栓材料,下方为螺母材料。____________________________________________________________________ | ||||||||||
7.7阀门
7.7.1除另有规定外,工艺物料及有毒、可燃介质管道用阀门的选用应符合表7. 7. 1-1或表7. 7. 1-2 的规定。
表7.7. 1-1国家和行业阀门标准
|
序号 |
标准号 |
标准名称 |
|
1 |
GB/T 12232 |
通用阀门 法兰连接铁制闸阀 |
|
2 |
GB/T 12233 |
通用阀门 铁制截止阀与升降式止回阀 |
|
3 |
GB/T 12234 |
石油一、天然气工业用螺柱连接阀盖的钢制闸阀 |
|
4 |
GB/T 12235 |
石油、石化及相关工业用钢制截止阀和升降式止回阀 |
|
5 |
GB/T 12236 |
石油、石化及相关工业用钢制旋启式止回阀 |
|
6 |
GB/T 12237 |
石g石化及相关工业用钢制球阀 |
|
7 |
GB/T 12238 |
法兰和对夹连接弹性密封蝶阀 |
|
8 |
GB/T 12239 |
工业阀门金属隔膜阀 |
|
9 |
GB/T 12240 |
铁制旋塞阀 |
|
10 |
GB/T 12241 |
安全阀一般要求 |
|
11 |
GB/T 12243 |
弹簧直接载荷式安全阀 |
|
12 |
GB/T 12244 |
减压阀一般要求 |
|
13 |
GB/T 12246 |
先导式减压阀 : |
|
14 |
JB/T 9092 |
阀门的检验与试验 |
表7. 7. 1-2常用国外阀门标准
|
序号 |
标准号 |
标准名称 |
|
1 |
API 6D |
SPeCifiCatiOn for PiPeIine VaIVeS |
|
2 |
API 526 |
FlangedSteeI PreSSUre ReliefVaIVeS |
|
3 |
API 527 |
Seat TightneSS OfPreSSUre ReliefVaIVeS |
|
4 |
API 593 |
DUCtiIe IrOn PIUg VaIVeS |
|
5 |
API 594 |
CheCk Valves: FlangedJLUgSWafer and BUtt-Welding |
|
6 |
API 598 |
ValVeinSPeCtiOnandTeSting |
|
7 |
API 599 |
Metal PiUg Valves-Flanged, Threaded and Welding EndS |
|
8 |
API 600 |
SteeI Gate VaIVeS-Flanged and BUtt-WeIding Ends, BOIted BOnnetS |
|
9 |
API 602 |
Steel Gate)GIObe and CheCk VaIVeS for SiZeS DN 100 and Smaller for the PetrOIeUm and NatUraI GaS IndUStrieS |
|
10 |
API 603 |
COrrOSiOn-ReSiStant, BOlted BOnnet Gate VaIVeS-FIanged and BUtt-Welding EndS |
|
11 |
■ API 608 |
MetaI BalI Valves-Flanged, Threaded and WeIding EndS |
|
12 |
API 609 |
BUtterfly Valves: DOUbIe-flanged,LUg and Wafer type |
序号
标准号
13
APl ¾
14
AS:
15
16
17
1873
18
BS 5146
19
BS 5155
20
BS 5352
21
feS EN ISO
2:
BS 6364
表7.7.1-2常用国外阀门标准(续)
fo^tU^lingd,ι ⅛a⅛⅛e at^⅛gι∕a^ Teħ⅛neratures and PreSSUreS in * Pe⅛il⅛um RefinerieS and Petr∞ħ^mcaffla^^
Valves-Flanged, Threaded, and Welding End
PetroleUm,Petrochemical and AlIied IndUStrieS
In^BUlJWeldin∖Ends) for the
SPeCifICatiOn for SteeI GIObe and GIobe StOP aid CheCk BUtt-WeIding EndS) for the Petroleum5Petrochemical an(
and TeSt Of Stee
IVaIVeS
BUtterfly
SPeCifiCatiOn for Steel Wedge gate, globe and CheCk VaIVeS 50' for PetrOIe⅛h, PetrOChemiCal and allied industries
MetaI Ball VaIVeS for PetroleumjPetrochemica
ValVeS for CryOgeniC SerViCe
and Allied Indl
t≡es
Lged and itries
Lner
7. 7. 2
阀及其
7. 7. 3
7. 7. 4
7.7. 5
泄压结木
7. 7. 6
7.8管道幽
7. 8. 1
物料、极度危害介质、高度危害介质、可燃介质管道的软质密封球阀、
代勾的特种阀门,
阀门的密封翊[]压力-温度额定彳__

诺外,设计温rf⅛-45°C的街瀛獭■ I。
芬合管道设计条件的要求。
阀应在高压侧的闸板上开一个泄压孔;低温系统的球阀在
F列规定:
大于rw50的管道宜釆用对焊连接。
管道
连接.
连接,
m
并应符合
承插焊连接不应用
的弹性闸板I'車
-ʃ
的阀门不应用于极
g直径不应大于JDN20,且应釆用密封焊。
设辻压力不应大于4MPa;公称直径; 时,设计压力不应大于
除镀
管螺纹应符合
史米用密封焊;
度变化等可能产生交变荷载的部位,不
发生缝隙应力腐蚀、冲蚀或由于振动:
宜采用螺纹连接;
a) 加尔
介
b) 公.
7. 8. 2
a)
b) 螺纹连
的工况。S
径为£W32〜
8MPa;公称直彳恐虫
C)
d)
e)
f)
害介质、高度危,害介
詈修需畔卩处外,
、于或等于0V4O的管
口液化煙管道。
并应救合下列规定:
716或GB/T 7306. 1 和GB/T 7306. 2的规定;
圆锥外螺纹与圆柱
对水、低压蒸汽和空气廃 对工艺介质及介质渗透性较
漫螺纹连接,可米用密至
寸泄漏率控制较严的管
温度大于200°c 当管道公称直 ,该计压力不应大于 逵压力应釆用密封焊;
g)除温度计套管外,SHA类雀 法兰连接应根据管道设计压 扩口、卡箍及其他朱
a
a)
b)
7. 9
&元件强度设计
8
8. 1
8. 1
8. 1
子的
合下列要求:
壁丿2
,直管的计算;
螺纹或开槽
回填土等併
应通过增
缶主管上
丁设计温度、介质糸
或实际使用证明安全
万
此増加旳壁厚
昔施来
压元件的设的別M
小壁厚应
压元件
生过大的
合下列要求:
虑腐
PDO
).8;
(8. 2. 1-2)
••••• (8. 2. 1-1)
直管的计算壁厚,mm; 设计压力,MPa;
7. 8. 3 7. 8. 4
子材料、规格要求选用C 道时,应经过类似工 7.8.5连接不同 7.9管道分支
7. 9. 1支管 釆取相应的水卜弓
接,应按管接头标准主
泄漏率等要求选用。
、温度等使用条件及所连接管
燃关质或承受剧烈循环工况的管
勺阀门、法兰等管道组成件,应按
管上的支管连接,除下列情况外,应进行
仟通过加强管接头与主管连接;
卜作为-个整体受压元件设计、制造并经检验合格C
7. 9. 2
8.2金
8. 2. 1 受
a)
式中:
亥,时根据校核结果
有机械振动、压力脉动习■化的部位的管道;
于设计温度超过425。C的管■
连接处承受由于支管热变形、外f'nʃ我及⅝支架位移等引起的应力时,
处产生的影响进行分析并采取必要的加强措施。
匸况的支管连
压力等于或大于2. OMPa、设计温度超过250°C以及支管外 墨机械振动、压力脉动和温度急剧变化的管道分支。
接应采用三通、45°斜三通或四通:
压元件旳壁厚选用应
浸蚀、磨;损、负偏差及
W厚时,应考虑由于支撑、结冰、
部应力和在结构上无法解决时,
步响,当
、撞杆等不增
证其强度。
"算应符合下列规定:
t小于管子外径DO的1/6
8Z. 1-1计算,管
DO 管子外径,mm;
[σ]t—设计温度下管子材料的许用应力,MPa;
Φ—焊缝系数,对无缝钢管取1;
W—焊缝接头强度降低系数;
y—温度对计算直管壁厚公式的修正系数;
T 名义厚度,标准规定的厚度,mm;
G--材料厚度负偏差,按材料标准规定,mm;
◎--腐蚀、冲蚀裕量,mm;
C3——机械加工深度。对带螺纹的管道组成件,取公称螺纹深度;对未规定公差的机械加工 表面或槽,取规定切削深度加0. 5mm, mm;
Ci--厚度圆整值,mm»
b)焊接钢管的焊缝系数应按表8. 2. 1-1的规定取值;
表8. 2.1-1焊接钢管的焊缝系数
|
序号 |
焊接方法 |
接头型式 |
焊缝形式 |
检验要求 |
焊缝系数 © |
|
1 |
锻焊(炉焊) |
对焊 |
直焊缝 |
按标准要求 |
0.6 |
|
2 |
电阻焊: |
对焊. |
直焊缝或螺旋焊缝 |
按标准要求 |
0. 85 |
|
3 |
电弧焊 |
单面对焊 |
直焊缝或螺旋焊缝 |
无X射线探伤 |
0.8 |
|
10% X射线探伤 |
0.9 | ||||
|
100% X射线探伤 |
1.0 | ||||
|
双面对焊 |
直焊缝或螺旋焊缝, |
.无X射线探伤 |
0. 85 | ||
|
、 10% X射线探伤 |
:0. 90 | ||||
|
100% X射线探伤 |
1.0 |
C)焊缝接头强度降低系数,应按表8. 2. 1-2的规定取值。当温度高于816。C时,由设计者确定;
表8. 2.1-2焊缝接头强度降低系数
|
材料 |
.. 设计温度 ∖ OC ■ .i | ||||||||||||||
|
427 |
454 |
482 |
510 |
538 |
566 |
593 |
.621 |
:649 |
677 |
704 |
732 |
760 |
788 |
816 | |
|
铭钥合一 銳 |
1 |
0. 95 |
0.91 |
0. 86 |
0. 82 |
0. 77 |
0. 73 |
0. 68 |
0. 64 | ||||||
|
不带填充 金属的奥 氏体钢a |
— |
一 |
— |
1 |
1 |
1 |
1. |
1 |
1 |
1 |
1 |
1 |
1 |
1 |
1 |
|
带填充金 属的奥氏 体钢 |
— |
■— |
— |
1 |
0. 95 |
0.91 |
0. 86 |
0. 82 |
0. 77 |
0. 73 |
0. 68 |
0. 64 |
0. 59 |
0. 55 |
0. 5 |
成品进fi1固溶化热处理且焊缝进行100%射线检验。
d)温度对计算直管壁厚公式的修正系数应按表8. 2. 1-3的规定取值;
表8. 2.1-3温度对计算直管壁厚公式的修正系数
|
材料 |
温度 OC . | |||||
|
≤482 |
510 |
538 |
566 |
593 . |
≥621 | |
|
‘铁素体钢 |
0.4 |
0. 5 |
0.7 |
0.7 |
0.7 |
0. 7 |
|
奥氏体钢 |
0.4 |
0.4 |
0.4 |
0.4 |
0. 5 |
0. 7 |
e)当直管的计算壁厚t等于或大于管子外径DO的1/6时,或设计压力P与在设计温度下材料 的许用应力I" 和焊缝系数。乘积之比{F∕([b]7)}大于0. 385时,直管的计算壁厚应根 据断裂理论、疲劳、热应力及材料特性等因素综合考虑确定。
8. 2. 2受外压直管的壁厚和加强圈计算,/应符合GB 150的有关规定。
8. 3弯管和斜接弯头
8. 3. 1受内压弯管的壁厚计算应符合下列规定:
a)弯管的计算壁厚M应按式8. 3. 1-1计算;当弯管计算内侧壁厚时,计算系数I按式8. 3. 1-2计算; 当弯管计算外侧壁厚时,计算系数I按式8. 3. 1-3计算;当弯管计算中心线处壁厚时,计算系 数I取1.0;
PDo ,^σ↑ φW∕I + 2PY
(8. 3. 1-1)
(8. 3. 1-2)
(8. 3. 1-3)
4(AZDo)T ' =4(WO)-2
4(WO)+ 1
= 4(2。)+ 2
式中:
爲—弯管在内侧、
外侧或弯管中心线处的计算壁厚,
mm;
I——计算系数;
R 弯管曲率半径,mm;
DO 管子外径,mm;
'.∖
b)弯管弯曲后的最小厚度不应小于相连直管扣除壁厚负偏差后的壁厚值;
C)当弯管的壁厚无法计算时,也可釆用验证性试验决定最大许用工作压力;
d)采用爆破法验证最大许用工作压力时,爆破压力可按式8. 3. 1-4和式8. 3. 1-5计算:
P2=Pισg∕σg ..............................(8. 3. 1-4)
PI= 2σbT∕Do ...........................(8. 3. 1-5)
式中:
P2 —管件的爆破试验压力,MPa;
PI——管件的计算爆破压力,MPa;
bb——直管材料的规定抗拉强度X≤
T——直管名义壁厚,mi
元——试验管件材眇4 弗——试验管件臂福词
8.3.2斜接弯头的岁4 力应符合下列规定
學强1度,MPaO
斜接角度α大于3°且小于或等
的最大许用内压
图8.3.2斜接弯头
fα小于或等于共 大于22. 5°
取两者计算结
的多接缝斜 艮的较小值,
最大许用内压力应按式
k曲率半径夫应按式8. >>
!. 3. 2-1 和T 2-3计算;
+ 0. 643 t
RN
式中:
Pm一斜接弯头:⅛寻唤
Te——有效厚度,
的厚度,mm;
R--弯头曲率半径,mtn;
rc--管子平均半径,mm;
MPa
A——经验值,按表8. 3.2的规定査取。
表8. 3. 2经验值A
斜接弯头的有效厚度矣力
经验值/
8.;
8. L
8. 4 材* 区
≤13
C)单接噬
1) ,
2)/有
鼻+1. 25 tg0√顽.
=2. 5y∣rc -TVI
P _[b]"C 厂m —
大许用内压力的计算应符合下列要求:、
等于22.5°的单接缝斜接弯头的最大许用内
22. 5。的单接缝斜接弯羡的慧糊唳翩医力应彳安凝农2-4⅜M;
接弯头切线段长度M应勇IT列两式计算结果的较大值;斜接粤
M = tgO(R -rc)
3. 2-1计算;
e∖
0( o H E
it I
E½≡Γ斜接弯头切场段长度,
土-最小厚度,义厚度减声材料厚度负偏差以后的厚度,mɪi
/ 祁外压的弯管和囲•接弯头,壁W的普可按本规范第8.2. 2⅛的规定。
mm;
(8. 3. 2-4)
3. 2-5)
,计算时,应控制三通 度下的许用应力,许用应力应按式8. 4.
8. 4. 1-2和式8. 4. 1-3计算。
算应采用压力面利
承受内
图8. 4. 1承受内压三通
承载截面上任
长的三通外对
ft;【不超过
1,承载
[σ]t≥P(lL + l) ....................................(8. 4. 1-1)
-<4 σ
L I= J(S+7k)Lι ....................................(8.4. 1-2)
L2= J(d2+"2比2 ..........................................(8. 4. 1-3)
式中:
AP--通过主管、支管中心线的纵向截面在最大承载范围内的承压面积,mm2;
Aa--通过主管、支管中心线的纵向截面在最大承载范围内的钢材承载面积,mm2;
Ll--主管最大承载长度,mm;
L2--支管最大承载长度,mm;
di---主管内径,mm;
d2---支管内径,mm; /
TeY——主管有效厚度,mm;
Te2--支管有效厚度,∏≡o
8.4. 2挤压三通主管最小壁厚Tt应按式8∙ 4. 2-1和式8. 4. 2-2计算。
T Pd1+2∖σ]tEjC2 + 2PYC2 t~ 2[σ]tjEj-2P(l-y)
(8. 4. 2-1)
Ej=⅛⅛W1 .......................................(8. 4.2-2)
式中:
Tt 一最小厚度,实测厚度或为名义厚度减去材料厚度负偏差以后的厚度,mm;
Ej——三通强度减弱系数。
8. 4.3三通的最大许用工作压力,也可釆用验证性试验确定。
8.5盲板与平盖
8. 5.1夹在法兰间的盲板外形见图8. 5.1,盲板的计算厚度应按式8. 5. 1-1计算,盲板的设计厚度应 按式8. 5. 1-2计算。
zm≈β≡J-π- ..............................................(8∙5. 1T)
TPd =tm + C ..........................................(8. 5. 1-2)
式中:
tm--盲板的计算厚度,mm;
DS——对于突面、凹凸面或平面法兰,为垫片内径;对于环连接面和棒槽面法兰,为垫片的平 均直径,mm;
P--设计压力,MPa;
[σ]t——在设计温度下材料的许用应力,MPa;
W——焊缝接头强度降低系数;
φ ——焊缝系数,对整体成型盲板,。取1.0;
TPd 盲板的设计厚度,Inm
C 厚度附加量,为腐蚀、冲蚀裕量(G)和机械加工深度(G)的总和,mm。
a)密封面为FF或RF的盲板
b).密封面为MRJ的盲板
图8. 5.1法兰间的盲板
C)密封面为FRJ的盲板
8.5.2平盖的厚度计算应符合GB 150的有关规定。
8. 6非标准异径管
8. 6.1无折边的非标准异径管外形见图8.6.1,无折边非标准异径管的设计应符合下列规定:
a) 无折边的非标准异径管可采用钢板卷焊,对偏心异径管的焊缝宜位于图8. 6.1中b)所示位置;
b) 无折边异径管的设计压力不宜超过2. 5MPa;
C)同心异径管,斜边与轴线的夹角”不宜大于15。。偏心异径管斜边与端部轴线的夹角"不宜大 于 30°。
C)两端带直加强段的异径管
图8. 6.1无折边的异径管
8. 6. 2受内压无折边异径管的厚度计算应符合下列要求:
a)应按设定的斜边与轴线的夹角",并按式8. 6. 2-1,式8. 6. 2-2和式8. 6. 2-3计算异径管各部的 厚度,取三者中的厚度最大值;
PDOL
VC~ 2 (∖σ^φW + PY}cosβ
t ’ QLFDiL j h WoL
LL c2∖σ↑φW - I)P
...............(8. 6. 2-2)
式中:
ZLC-
⅛L^
⅛s-
^oL-
^OS-
DDi
2-3)
厚度,mm;

'异径苔沪计掣宰度,mm; 异彳承^端外
___小端外¾∣O⅞⅞¾
大端内径,mm; 七g管小端内径,mm; 申管斜边与轴线的夹角,;| m径管大端与 ;¥径管小端与
W
LU
工
增值系数,按图8. 6. 2-1选取
鼠管连接的应力增值系数,按图8. 6. 2-2选取
0. 02
图8. 6. 2-1异径管大端与直管连接处QL值
ι. ( )1
0. 002
管厚度的j m计算的
相同 算的
十算;
米用®8. 6
名义厚度;
ɪ
计算所得)
(8. 6. 2-4)
(8. 6. 2-5)
直管有充
0£
0. 1
力
LSS—与异径管小端连接的直管加强段的长度,mm。
8.6.3承受外压的异径管厚度及加强要求,应符合GB 150的有关规定。
UJ
工
CC
系按连接处每彳
,控制值为
0. 25√0. 5Z)is∕
图8. 6.
取应符合「 度最大值,
的薄膜应力强度(
度最大值大于大端连接的直管有效厚度时,
0.04 0.
拉应力和平均∙
⅛____
径管小端与直管连接处QS值
允许减』、
厚度可取与
________ 线夹角时,可
时,可采用譽中a)/项计算的厚度最大值,并
当不能减小斜边与轴线i
I中C)的鄢懸磁衆径管应在两端增加直管 7厚帰壶易厂
应按式8. 6. 2-4和式8. 6. 2-5计算。
LSL = 2Jθ. 5Z)j]
式中:
LSL—与异径管大端连接的
8. 7支管连接
8.7.1支管连接的补强计算可釆用等面积补强法,等面积补强法是开孔补强计算的最低要求,适用 于以下支管连接结构:
a) 本规范图8. 7.∙8所示的焊接支管;
b) 非标准的支管连接管件。
8.7.2等面积补强法计算时应符合下列规定:
a) 当主管外径与主管最小壁厚之比小于100时,支管外径与主管外径之比不应大于1. 0;当主管 外径与主管最小壁厚之比等于或大于IoO时,支管外径与主管外径之比应小于0. 5;
b) 支管轴线和主管轴线相交,其夹角戶不应小于45°。
8.7.3外加补强材料应符合以下规定:
a) 外加补强材料可不同于主管材料,但应和主管、支管材料具有相似的焊接性能、热处理要求、 电位差和热膨胀系数等;
b) 当外加补强材料的许用应力低于主管材料的许用应力时,用于补强的截面积A,应乘以二者许 用应力的比值后再进行校核;当补强材料的许用应力高于主管材料的许用应力时,材料强度 的影响可不予考虑。
8. 7.4符合下列情况之一者,不需要进行补强计算,也不需要釆取其他补强措施:
a) 直接焊于主管上的螺纹及承插焊半管箍,应符合下列各项要求:
1) 支管的公称直径不应大于功V50;
2) 支管的外径Qb与主管的外径Dh之比小于或等于1/4;
3) 螺纹及承插焊半管箍应符合SH/T 3410或与其相当标准的规定;
b) 直接焊于主管上的支管座,支管座应符合GB/T 19326的规定;
C)经验证性压力试验的三通或四通应符合SH/T 3408或与其相当标准的规定;
d)釆用对比经验分析、应力分析或试验应力分析方法确定符合要求的支管连接。
8. 7. 5对于GCl级压力管道和剧烈循环工况,不宜采用补强板进行补强。
8. 7. 6下列管件或连接结构不得用于剧烈循环工况:
a) 非轧制或非锻造成型的三通;
b) 图8. 7.8所示a)和C)的支管连接结构;
C)管表号为SChlOS及以下的管件。L
8.7.7多个支管连接的补强计算应符合下列'规定:
a) 如果任意两相邻支管的中心距等于或大于该支管平均直径的2倍,则每个支管应分别符合规
定的补强计算要求; \
b) 如果任意两相邻支管的中心距小于该支管平均直径的2倍,则两个支管的补强设计应符合下 列要求:
1) 任意两相邻支管的中心距不应小于该两支管平均直径的1∙ 5倍;
2) 两支管补强范围内相互重叠的面积不能重复计入,且两支管之间的补强面积不应小于该 两支管所需补强面积总和的50%;
3) 相邻两支管应分别符合规定的补强计算要求。
8.7.8支管与主管的焊接连接结构设计应符合图8. 7.8的要求,当用于剧烈循环工况时,应采用图
8. 7.8中b)或d)的结构;补强圈上应设排气孔。
C)带补强圈的安放式焊接支管
a)安放式焊接支管
E)插入式焊接支管
d)带补强圈的安放式焊接支管 e)带鞍形补强件的焊接支管
注:Tr——补强圈或鞍形补强件的名义厚度,mm;
Th--主管名义壁厚,mm;
Tb——支管名义壁厚,mm;
tc——角焊缝有效厚度,取0.77ξ或6. 4mm两者中的较小者;
爲in——取冗或两者中的较小者。
图8.7.8支管连接的焊接接头形式
8.7.9补强圈的补强计算应符合下列规定:
a) 焊接支管补强区范围见图8.7.9;
b) 补强计算应符合下列要求:
D主管外侧补强范围的有效高度应按式8.7. 9-1和式8. 7. 9-2计算,并取两者中的较小 值;补强区有效宽度的一半应按式8. 7. 9-3和式8. 7. 9-4计算,并取两者中的较大值,
但不得大于主管外径JD h;
7/= 2. 5(Th-C) ....................................(8. 7. 9-1)
7z = 2. 5(Tb-C)+ 7r .......................................(8.7.9-2)
Z> = di =LOb-2 (Tb-C) ]/Sina .................................(8. 7. 9-3)
⅛ = <7ι∕2 + (Th-O + (Γb-C) .................................(8. 7. 9-4)
式中:
h--主管外表面补强区高度,mm;
b——补强区宽度的一半,mm;
Th——主管的最小厚度,为名义罗减去钠材IWm差姓芝壁厚,mm; Tb--支管的最小厚度,专多与^^减去钢材厚度负偏差^^^|序,mm;
Tr—最小厚度,为名虹MfeW厚*4SMW强女藏為K
C——厚度附加量 /
dl——在支管处少 a—支管轴罗観S
Db——支
式中:
A∖
'oh
孔而丐补引
—±to≡*⅜
3)补
分形
并取两蠢《
第8. 7. 8O⅛
Aa = (-5√ Bu1 51IIu)^lr
A 4= (2⅛ 一 Db/sinot)Tr
∙^7⅝√8./. 9-5)
中.9-6)
尹管管壁多余部
*8. 7. 9T0计算, 寸应符合本规范
(8. 7. 9-7)
(8. 7. 9-8)
..............................(8. 7. 9-10)
式中:
-补强区内主管管壁超孱E
-补强区内支管管
-补强圈面乡
-补强圈独存,
&
刀3
刀4
Dr
嘛的面积厂蹄'
,部分形成的面积,mm2
(8. 7. 9-11)
•(8. 7. 9-12)
刀2+,3+以5 N』]
A = AI-(A2+ A3+ A 5)
项 支管)
4)
结果符合式8. 7. 9-11的要求,主管开孑
强的面积K应按式8. 7. 9-12计算。
面积,mm ;
虽面积,mm2o
不符合,主管开孔
附录A
(资料性附录) 常用毒性介质、可燃介质
A.1常用毒性介质危害程度的分级
石油化工常用毒性介质危害程度的分级可按表A. 1的规定确定。
表A. 1常用毒性介质
|
级别 |
名 称 |
|
极度危害 |
汞及其化合物、碑及其无机化合物、氯乙烯、铭酸盐、重铭酸盐、黄磷、锻及其化合物、对硫磷、锲 基镣、八氟异丁烯、镒及其无机化合物、氤化物、苯、氯甲飜____________________ |
|
高度危害 |
三硝基甲苯、铅及其化合物、二硫化碳、氯、丙烯腊、四氯化碳、硫化氢、甲醛、苯胺、氟化氢、五 氯酚及其钠盐、镉及其化合物、敌百虫、氯丙烯、机及其化合物、漠甲烷、硫酸二甲酯、金属镣、甲 苯二异氤酸酯、环氧氯丙烷、神化氢、敌敌畏、光气、氯丁二烯、一氧化碳、硝基苯_________ |
|
中度危害 |
二甲苯、三氯乙烯、二甲基甲酰胺、六氟丙烯、苯酚、氮氧化物、苯乙烯、甲醇、硝酸、硫酸、盐酸、 甲苯 ■ / ______________ |
|
轻度危害 |
溶剂汽油、丙酮、氢氧化钠、四氟乙烯、氨_______________________________ |
A.2常用可燃气体火灾危险性分类
常用可燃气体的火灾危险性分类可按表A. 2的规定确定。
表A.2常用可燃气体的火灾危险性分类
|
类别 |
名 称 |
|
甲 |
乙族,环氧乙烷,氢气,合成气,硫化氢,乙烯,氤化氢,丙烯,丁烯,丁二烯,顺丁烯,反丁烯, 甲烷,乙烷,丙烷,丁烷,丙二烯,环丙烷,甲胺,环丁烷,甲醛,甲醍(二甲飜),氯甲烷,氯乙烯, 异丁烷,异丁烯 ■_______________________________________________ |
|
乙 |
一氧化碳,氨,漠甲烷._____________________________________________ |
A.3常用液化炷和可燃液体火灾危险性分类
常用液化炷和可燃液体的火灾危险性分类可按表A.3的规定确定。
表A. 3常用液化怪和可燃液体的火灾危险性分类
|
类别 |
名 称. | |
|
甲 |
A |
液化氯甲烷,液化顺式2-丁烯,液化乙烯,液化乙烷,液化反式2-丁烯,液化环丙烷,液化丙烯,液 化丙烷,液化环丁烷,液化新戊烷,液化丁烯,液化丁烷,液化氯乙烯,液化环氧乙烷,液化丁二烯, 液化异丁烷,液化异丁烯,液化石油气,二甲胺,三甲胺,二甲基亚硫,液化甲醍(二甲離) |
|
B |
异戊二烯,异戊烷,汽油,戊烷,二硫化碳,异己烷,己烷,石油醵,异庚烷,环己烷,辛烷,异辛 烷,苯,庚烷,石脑油,原油,甲苯乙苯,邻二甲苯,间、对二甲苯,异丁醇,乙酪乙醛,环氧 丙烷,甲酸甲酯,乙胺,二乙胺,丙蘭,丁醛,三乙胺,醋酸乙烯,甲乙酮,丙烯腊,醋酸乙酯,醋 酸异丙酯、二氯乙烯、甲醇、异丙醇、Z醇、醋酸丙酯、丙醇、醋酸异丁酯,甲酸丁酯,毗嚏,二氯 乙烷,醋酸丁酯,醋酸异戊酯,.甲酸戊酉备丙烯酸甲酯,甲基叔丁基釀,液态有机过氧化物 | |
|
乙 |
A |
丙苯,环氧氯丙烷,苯乙烯,喷气燃料,煤'油,丁醇,氯苯,乙二胺,戊醇,环己酮,冰醋酸,异戊 醇,异丙苯,液氨 L ._______________________________ |
|
B |
轻柴油,环戊烷,硅酸乙酯,氯乙醇,氯丙醇,二甲基甲酰胺,二乙基苯 | |
|
丙 |
A |
重柴油,苯胺,锭子油,酚,甲酚,糠醛,20号重油,苯甲醛,环己醇,甲基丙烯酸,甲酸,乙二醇 丁醍,甲醛,糠醇,辛醇,单乙醇胺,丙二醇,乙二醇,二甲基乙酰胺._______________ |
|
B |
蜡油,100号重油,渣油,变压器油,润滑油,二乙二醇飜,三乙二醇醜,邻苯二甲酸二丁酯,甘油, 联苯■■联苯酰混合物,二氯甲烷,二乙醇胺,•三乙醇胺,二乙二醇,三乙二醇,液体沥青,液硫 | |
|
注:闪点小于60'C且大于或等于55°C的轻柴油,如果储罐操作温度小于或等于40°C时,其火灾危险性可视为丙A 类。____________________________________________________________________ | ||
附录B
(资料性附录)
金属材料的高温氧化年腐蚀率
金属材料的高温氧化年腐蚀率可按表B的规定确定。
表B金属材料的高温氧化年腐蚀率 单位为mm/a
|
材质 |
最大金属温度 OC | |||||||||||
|
496 |
'524 |
552 |
579 |
607 |
635 |
663 |
691 |
718 |
746 |
774 |
802 | |
|
CS |
0. 05 |
0. 1 |
0. 15 |
0. 23 |
0. 36 |
0.56 |
0. 84 |
1. 22 |
一 |
— |
一 | |
|
1 l∕4Cr |
0. 05 |
0. 08 |
0. 1 |
0. 18 |
0.3 |
0. 46 |
0. 76 |
1. 17 |
一 |
— |
— |
一 |
|
2 l∕4Cr |
0. 03 |
0. 03 |
0. 05 |
0. 1 |
0. 23 |
0. 36 |
0.61 |
1.04 |
一 |
一 |
— |
一 |
|
5Cr |
0. 03 |
0. 03 |
0. 03 |
0. 05 |
'0. 1 |
0. 15 |
0. 38 |
0. 89 |
1.65 |
— |
— |
一 |
|
7Cr |
0. 03 |
0. 03 |
0.03 |
0. 03 |
0. 03 |
0. 05 |
0. 08 |
0. 15 |
0. 43 |
0. 94 |
1. 52 | |
|
9Cr |
0. 03 |
0. 03 |
0. 03 |
0. 03 |
0. 03 |
0. 03 |
0. 03 |
0. 05 |
0. 13 |
0. 28 |
0. 58 |
1.02 |
|
12Cr |
0. 03 |
0. 03 |
0.03 |
0. 03 |
0. 03 |
0. 03 |
0.03 |
0. 03 |
0. 08 |
0.2 |
0. 38 |
0. 76 |
|
304SS |
0. 03 |
0. 03 |
0. 03 |
0. 03 |
0. 03 |
0. 03 |
0.03 |
0. 03 |
0. 03 |
0. 05 |
0. 08 |
0. 1 |
|
309SS |
0. 03 |
0. 03 |
0. 03 |
0. 03 |
0. 03 |
0. 03 |
0. 03 |
0.03 |
0. 03 |
0. 03 |
0. 05 |
0. 08 |
|
310SS/HK |
0. 03 |
0. 03 |
0. 03 |
0.03 |
0. 03 |
0.03 |
0. 03 |
0. 03' |
0. 03 |
0.03 |
0. 03 |
0. 05 |
|
800H/HP |
0. 03 |
0. 03 |
0. 03 |
0. 03 |
0. 03 |
0. 03 |
0. 03 |
0. 03 |
0. 03 |
0. 03 |
0. 03 |
0.05 |
表B金属材料的高温氧化年腐蚀率(续) 单位为Inm/a
|
材质 |
最大金属温度 OC | |||||||||||
|
829 |
857 |
885 |
913 |
941 |
968 |
996 |
1024 |
1052 |
1079 |
1107 |
1135 | |
|
CS |
一 | |||||||||||
|
1 l∕4Cr | ||||||||||||
|
2 l∕4Cr |
'1- | |||||||||||
|
5Cr |
— | |||||||||||
|
7Cr |
一 | |||||||||||
|
9Cr |
1. 52 |
\ — |
一 | |||||||||
|
12Cr |
1.27 |
\ |
一 | |||||||||
|
304SS |
0. 15 |
0. 23 |
0. 33 |
0. 46 |
0. 64 |
0. 89 |
1.22 |
一 |
— |
一 |
一 |
一 |
|
309SS |
0. 1 |
0. 15 |
0.2 |
0. 25 |
0.33 |
0.41 |
0. 51 |
0. 76 |
1.02 |
1,27 |
一 |
.一 |
|
310SS/HK |
0. 08 |
0. 1 |
0. 13 |
0. 18 |
0.2 |
0. 25 |
0. 33 |
0. 38 |
0. 48 |
0. 58 |
0. 69 |
0. 79 |
|
800H/HP |
0. 08 |
0. 1 |
0. 15 |
0.2 |
0. 25 |
0.33 |
0. 43 |
0. 53 |
0. 69 |
0. 84 |
1. 04 |
1.27 |
(Λ∖s≡ )、<瑕典壁
0. 101
0.0
0
0.0
330
290
.1各种钢在高温硫中的腐蚀速率与温
临
临氢商
冋ZlnI幸
高温氢々
30 ɜ:- 39° :的*系及腐蚀速率系数
I微裂的操作极卩
一脱碳和微裂的操作极限见图C. 2»
-寧共存时油品中各种钢材的腐蚀曲线
化喧共存时浦品中各种钢材的腐蚀曲线见 
紺 C.3。
150Oj------1-----
W3(1510oF )
注2:
注3:
注4:
注5:
氢分压(绝)/MPa
HydrOgen Partial Pressure5MPa AbSOlUte
1400
10. 34
13. 79
20. 7 34.5 48. 3 62. 1 73.8
~^~一~^^^~~Γξ∣ 800
,5% WO. 75% V
OOOOOOO
OOOOOOO
132 Io 9 8 7
HoOJnJEOdUI9H
Cu。、⅞⅛⅛
.0 Cr-O. 5 Mo S
V
.OCr-O. 5 MO StCC
).5 Mo StCCI
-3.0 Cr - ɪ MO StCCl 2.25Cr-l MO-VStCCl
IllN
.0 MO StCel
oogsRloduJoH
20
,23
16C
1.2 Cr-Do.5 M
口
23
CarbOn S
碳 部脱碳
注L本曲线给
奥氏体不锈钢
本曲线给出的极限:
第5. 3节和第5. 4节。
曾报道1. 25Cr-IMOV钢在安全§
400
Γ0
300
区
见 API941
图C. 2临St作业用钢防止脱碳和微裂的操作极限
!rΛ8⅛j
身協豚和微裂纹• 表面脱碳
PreSSUrC,psɪa
~C'
3000 5000
4| ,8 (240'F)
HydrOgen PartIaI BK-≡1
elson最初收集的操作经验和APl征集的补充资料。
E下不会脱碳。
銀釆用ASME规范第Vln篇第1分篇应力值水平,补充资料见API941二
火钢用
发生/
包括2. 25Cr-IMoV级钢是建立在10 000 关内容。
0.5 MO
□
|
2. 25 Cr |
3.0 Cr |
6. OCr |
|
1. OOMO |
1.0Mo |
0.5 Mo |
|
□ |
◊ |
V |
|
■ |
▼ | |
|
N |
e | |
|
El |
<► |
V |
SH,T 3059—2S2
f
⅛ 一 奖. C° o I
..M
Jr 普 黝 ...沁
辱
嫌
硫化氢
分数盅
¾'
eo
10∙ ooo
ɪ. ooo
o. IOO
o. Oio
0. OOl
氽
蛹 ⅛e
无腐蚀
-⅛-CB 冋/UH
e)
(石脑油)
温度∕°c
f)高温氢气和硫化氢共存时油品中2. 25Cr钢的腐蚀曲线(瓦斯油)
10. 000
测腐蚀率mm/a
0.010
无腐蚀
200
600
高温氢气和硫化氢共存时油品中5Cr钢的腐蚀曲线(石脑油)
o. KI
400 温度/°C
W∕°C
600.
200
500
h)高温氢气和硫化氢共存时油品中5Cr钢的腐蚀曲线(瓦斯油)
¾b
.ι
l∙s0
O- §厂
200
i IiSs≥
50。
6。。
∙*mm∣⅛y
W
LOoo
LOoO
Q. 100
涅
*
无腐蚀I
200
mm/a
无腐蚀
400
500
mm/a
600
.(瓦斯油)
预测腐蚀率
温度/。C •
500
预测腐蚀率
10. 000
010
无腐蚀
300
瓦斯油)
000
无腐蚀
300
400 温度/°C
温度/°C
高温氢气和硫化氢共存时油品中12Cr钢的腐蚀曲线(石脑油
n)高温氢气和硫化氢共祥时油品中18CrgaWSM≡(石脑油、瓦斯油)
预测腐蚀率mmya
600
图C. 3高温氢气和硫化氢共存时油品中各种钢材的腐蚀曲线
乎料性既录) 在疏液
使用温度与浓度极限见图D。
区域'B,
应釆用锹基合金
碳钢材料 应消除应力热处理
附录E
(资料性附录)
常用金属材料易产生应力腐蚀破裂的环境组合
常用金属材料易产生应力腐蚀破裂的环境组合见表E。
表E常用金属材料易产生应力腐蚀破裂的环境组合
|
材料 |
环境 |
材料 |
环境 |
|
碳钢及低合金钢 |
苛性碱溶液 |
奥氏体不锈钢 |
高温碱液(NaOH、Ca (OH)2、LiOH) |
|
氯化物水溶液 | |||
|
氨溶液 / |
海水、海洋大气 | ||
|
硝酸盐水溶液 |
连多硫酸 | ||
|
含HCN水溶液 |
高温高压含氧高纯水 | ||
|
湿的CO-CO2空气 |
浓缩锅炉水 | ||
|
硝酸盐和重碳酸溶液 |
260 oC水蒸汽 | ||
|
含HzS水溶液 |
260 oC硫酸 | ||
|
海水 |
湿润空气(湿度90%) | ||
|
海洋大气和工业大气 |
NaCRH2O2水溶液 | ||
|
CH3COOH水溶液 |
热NaCHH2O2水溶液 | ||
|
CaCI2、FeCl冰溶液 |
*NaCl | ||
|
(NH4)2CO3 |
湿的氯化镁绝缘物 | ||
|
H2SO4-HNO3混合酸水溶液 |
ILS水溶液 | ||
|
钛及钛合金 |
红烟硝酸 |
铜合金• |
氨蒸气及氨水溶液 |
|
N2O4 (含0八不含NO,24°C 〜74°C) |
三氯化铁 | ||
|
湿的Clz (288°C> 346笆、427°C) |
水,水蒸气 | ||
|
HCI (10%, 35°C) " |
水银 | ||
|
硫酸(7%~60%) ' |
硝酸银 | ||
|
甲醇,甲醇蒸气 |
铝合金 .∖Λ-- |
氯化钠水溶液 | |
|
海水 |
海水 | ||
|
CCl4 |
CaCl2+NH4CI 水溶液 | ||
|
氟里昂 |
水银 |
1为便于在执行本规范条文时区别对待,对要求严格程度不同的用词说明如下:
1) 表示很严格,非这样做不可的:
正面词釆用"必须”,反面词采用“严禁”;
2) 表示严格,在正常情况下均应这样做的:
正面词釆用“应”,反面词采用“不应”或“不得”;
3) 表示允许稍有选择,在条件许可时首先应这样做的:
正面词釆用“宜”,反面词采用“不宜”;
4) 表示有选择,在一定条件下可貝这样做的,采用“可”。
2条文中指明应按其他有关标准执行畐写法为:“应符合••••••的规定”或“应按••••••执行” o
中华人民共和国石油化工行业标准
石油化工管道设计器材选用规范
SH/T 3059—2012
/
条文说明
2012北京
SH/T 3059—2012《石油化工管道设计器材选用规范》,经工业和信息化部2012年11月7日以第55 号公告批准发布一
本规范是在SH 3059-2001《石油化工管道设计器材选用通则》的基础上修订而成,上一版的主 编单位是中国石化工程建设公司,参编单位是中国石化集团公司配管设计技术中心站,主要起草人员 是张宝江、于浦义。
本规范修订过程中,编制组进行了大量的调查研究,总结了我国工程建设石油化工领域的实践经 验,同时参考了国外先进技术标准ASMEB31. 3《Process Piping》,取得了一些技术参数编制而成。
为便于广大设计、施工、科研、学校等单位有关人员在使用本规范时能正确理解和执行条文规定, 《石油化工管道设计器材选用规范》编制组按章、节、条顺序编制了本规范的条文说明,对条文规定 的目的、依据以及执行中需注意的有关事项进行了说明。但是,本条文说明不具备与规范正文同等的 法律效力,仅供使用者作为理解和把握规范规定的参考。
8.3弯管和斜接弯头.......................•/
3管道分级
3. 2石油化工管道分级有利于在设计和施工中贯彻执行《建设工程质量管理条例》、《特种设备安全监 察条例》对压力管道的施工质量和安全监察的要求;石油化工管道分级有利工程建设的质量控制和生 产运行的管理;石油化工管道进行分级控制和管理是保证工程质量和安全生产的管理措施。
按《特种设备安全监察条例》对“用于输送气体或者液体的管状设备,其范围规定为最高工作压 力大于或等于0. 1 MPa的气体、液化气体或者可燃、易爆、有毒、有腐蚀性、最高工作温度高于或等 于标准沸点的液体介质,且公直径大于DN25的管道”的安全监察要求;按输送介质、设计压力、 设计温度和施工质量检查的要求将石油化工管道划分为13级:
a)与相关标准协调:
D 石油化工管道分级符合TSGDyOOOl《压力管道安全技术监察规程一工业管道》的规定,
见表1;
表1石油化工管道分级与压力管道安全技术监察规程一工业管道分级对照
|
-序号一 |
管道 级别 |
输送介质 |
设计条件_____ |
TSG DZOOI 条款 | |
|
.设计压力/MPa |
设计温度/°C | ||||
|
1 |
SHAl |
(1)极度危害介质(苯除外)、高度危害丙烯腊、 光气、二硫化碳、,氟化氢介质 . |
——- |
—. |
第八条(一)、IGCI |
|
(2)苯介质、高度危害介质(丙烯僧、光气、二 硫化碳、氟化氢除外)、中度危害、轻度危害 介质 |
FNlO |
一. |
第八条(一)、1、4 GCI | ||
|
4≤P<10 |
Z≥400 | ||||
|
— |
√<-29 | ||||
|
2 |
SHA2 |
(3)苯介质、高度危害介质(丙烯腊、光气、二 硫化碳、氟化氢除外) |
i4≤P<10「 |
-29≤Z<400 |
第八条(L-)、K 2 GCI |
|
P<4 ■ |
A29 | ||||
|
3 |
SHA3 |
(4)中度危害、轻度危害介质 :.- |
4 WPV LO " |
-29≤Z<400 |
第八条(二)GC2 |
|
(5)中度危害介质 :.,• |
P<4 |
∕≥-29 | |||
|
(6)轻度危害介质 - |
FV4 |
r≥400 | |||
|
4 |
SHA4 |
⑺轻度危蕾芥商一 ’ ―了 |
P<4 |
-29≤∕<400 |
第八条(二)GC2 一 |
|
5 |
SHBl |
(8)甲类、乙类可燃气体介质和甲类、乙类、 丙类可燃液体介质 . |
P≥10 |
一 |
第八条(一)、3、4 GCI |
|
4≤P<10 |
Z≥400 | ||||
|
一 |
/<-29 | ||||
|
6 |
SHB2 |
(9)甲类、乙类可瘗气体介质和甲A类、甲B可燃 液体介质 ’ |
4≤P<10 |
-29≤∕<400 |
第八条(—)、3、4 GCl____________ |
|
(10)甲A类可燃液体介质 L |
P<4 |
Z≥-29 |
第八条(二)GC2 | ||
|
7 |
SHB3 |
(11)甲类、乙类可燃气体介质、甲B芟可燃液体 介质、乙类可燃液体介质 ' |
P<4 |
日29 |
第八条(-)GC2 |
|
(12)乙类、丙类可燃液体介质 ―― |
4≤P<10 |
-29WfV400 |
第八条(二)GC2 | ||
|
(13)丙类可燃液体介质 |
P<4 |
泽400 |
第八条(二)GC2 | ||
|
8 |
SHB4 |
(14)丙类可燃液体介质 |
JPV4 |
-29≤Z<400 |
第八条(二)GC2 |
|
9 |
SHCI |
(15)无毒、’非可燃介质 |
P^lO |
一 |
第八条(一)、4 GCI |
|
/<-29 | |||||
|
10 |
SHC2 |
(16)无毒、非可燃介质 |
4≤P<10 |
∕≥400 |
第八条(二)、4 GCI |
|
11 |
SHC3 |
(17)无毒、非可燃介质 |
4≤P<10 |
-29≤Z<400 |
第八条(二)GC2 |
|
IVPV4 |
曰00 ' | ||||
|
-序号 |
管道 级别 |
|
12 |
SHC4 |
|
13 |
SHC5 |
石油化工管道分级与压力發安全技术监窓缨丁工业管道分级对照(续)
表1
400
第八条(~)GC2
(18)无毒、
八条(三)GC3
(19
b)
TSG DZOOI
条款
道规范工
2002《石
2)
码内容
检查等级1级、焊接接头100
3
[察条例》
油化
d)
编码单元
一单元
输送毒性介质管道
输送可燃介质管道
二单元
道
2
三单元
3.3、3.4根据石油化工管道工艺条件、输送介质复杂的工况,为有利工程建设的质量控制,为生产
检查等级4级、焊接接唳%无损检测的管道
4、5; 代表的内容见表E
¥若£石油化工行业方
语拼音字母SH; 文字母A、B、 拉伯数字1、 管道分级各编码单元所
PWl
P≤l
PWI
管道分级与GB/T 20801. 1—2006~GB∕T 20801. 6—
管道》、GB 50235—97《工业金属管道工程施工及验收规范》 仲、可%介质管道工程施工及验收规范》等相关阈!的规 长周期连续运行的生产工艺的需要不仅控制和管理*〈特种设*电 范围的管道,而对未纳察安全监察纳入也
■纳入了这部分管道:
压力小于0. IMPa的管道;
称直径小于或等于DN25的管道; ,
于标准沸点的无毒、非可燃液体介质管道;
对下列项目的处理符合工程的实际,更有利「
质不分气体介质和液体介质管道,均为GeI
油化
苴工作温度低
位管道分级中
法高度危害介
温度低于-29⅛⅛9t⅛和输送轻度禎籟蕨管道单列;
管道分级编悝组
马一单元为汉
马二单元为英
3三单元为阿
O
e)
表2
检查等级2级、焊接修*明瓊
3
4
5
石油化工管道分级编码
编
输送无毒、非可燃介质管道
实施:
O1
运行的管理和实现安全生产的需要作出此规定,在本规范第3. 3条明确了输送氧气介质、毒性介质或可 燃性不同的混合介质、同时具有毒性燃 级;在本规范第3. 4条明确了釆用钛及钛合
镣钥奥氏体不锈钢、铭车
钢、双相不锈钢、铝及铝合金、奥 以及设计文件规定为剧烈循环
6管道材料
金、错及错合金、镣及镣合金
氏体不锈钢材料管道和设I
工况管道的检查等级。
6.3
7
种,
下列条彳
云。
附加外荷
外,还承
尸+ Feq
16〃
4F
----
3 "2
7τDl
πD.
g
'g
兰除舐受内压I
碱液(Nac)H、
)污染的
扌i施:
釆用法兰的
⑴
⑵
击试验的碳钢管道的脸查
6. 2. 4低温彳
材标准常温廁
大于54OM0&的
6. 3. 6
KOH⅜∕)
6. 3. 7
力腐C
况为段计温度低于或等于-2(TC的受压的管道组成
i⅛向应力小于或等于钢
,目不大干50MPa的工况」氏温」氏应力.工况不i
属温度及应力水平■有关。
腐蚀环境下的材料选丿目,、郷通卩介质
液态氨,含水量小于或等f 0. 2% (O分数),且有可能受空气
环境及材料选用:
,.)应力腐蚀开裂通常发生在停工期间,或在操作期间有空
空气和水分作用在敏化的奥氏体不锈钢(敏化温度大约:
硫酸(H2Sx(
是由于硫化,
j形成连多硫錮閑那JT头摟電鶯相邻的部位, r I扩展;
'二有可能产生4氏体不锈钢连
停工期间应3
i釆用干空气
现时。
815oC)
番另件壁厚
…裂的部扇
:护,隔绝水分;
采用氮气保护,隔绝氧
7.3.4
当量压力校核;
列公式确
碱溶液中和表面硫化
C 如重力荷载、位移荷载
承载能力,法兰的当量压力不
法豊險用割作压法兰量压力按下
式中:
PFD——法兰当量压力;
P--介质工作压力,MIiSi
Peq—由附加外载产生的当量压力:
M——附加在法兰连接处的弯矩,N-mm;
DS——垫片压紧力作用中心圆直径,mm;
F——附加在法兰连接处的轴向力,NO
本条文的当量压力源于经验公式。外力矩M产生的轴向力为4MΛ0g,将此轴向力按相当于在Qg直 径范围内的内压产生的轴•向力折算成内压,即为16Λ∕∕πZ)g3°同样,对于轴向力尸按相当于在Qg直径范 围内的内压产生的轴⅛力折算成内压,即为4卩/小;,加上管道的介质工作压力F,即得出法兰设计压 力Ffd。为安全考虑,当管道的轴向力为拉力时计入,为压缩力时,对法兰连接的密封有利,故不考虑。
正文中对剧烈循环工况和极度危害介质管道特别指明校核法兰承载能力,主要考虑工况条件变化 大,介质危害程度高。其他需进行应力分析的甲类可燃气体和甲类可燃液体高温管道,当附加外载荷 较大时,应考虑可能引起法兰泄漏的问题。
本条文引入的当量压力,大大简化了计算过程,但计算结果偏于保守,当量压力只是校核法兰承 载能力的方法之一,设计人员也可釆用其他方法进行法兰校核。
7.4垫片
7.4.2介质为环氧乙烷时,不采用含石棉的鹫片;真空下操作时,不使用石棉橡胶板垫片;在介质不 允许微量纤维混入场合,如航空汽油或航空煤油等,不选用石棉橡胶板和其他纤维质垫片。
7. 4. 5齿形组合垫兼有软质垫片的压紧比压小和金属垫片的强度高、弹性好等优点,在具有同样的密 封效果时,螺栓荷载较小,适用于中、高压及高温管道法兰的密封。
7.4. 6柔性石墨复合垫片是一种新型的垫片,可用于高温450°C〜650°C,根据金属芯板材料不同,可 在T96°C〜650°C之间选用。柔性石墨复合垫片适用于水、.油品,溶剂、酸、碱、氢气、油气、高温烟 气、.蒸汽等各种强腐蚀性、渗透性介质。-
I- 4. 8金属包覆垫片是一种由非金属材料用软而薄的金属包覆起来形成的垫片。可用于某些液体和气 体在较高温度和压力下密封,•使用较广泛的是乎形金属包覆垫片。这种半金属垫片的优点是较金属垫 易压紧,且复原性也好。金属包覆的材质常为低碳钢、铜、铝、蒙乃尔合金及不锈钢等。非金属材料 多为非石棉橡胶板。 :,
8.2金属直管
8.2. 1受内压直管的壁厚计算,釆用《Process Piping》ASMEB31. 3-2010推荐的计算公式,该计算
公式中增加了焊缝接头强度降低系数;由于目前国内其他相关标准中的计算公式没有引'X此萦数,设 计者在工程设计中应根据所釆用的标准,选用的相应计算公式。
8.3弯管和斜接弯头 ":’ L -
8.3. 1弯管和斜接弯头计算方法采用、《Process Piping》ASME B31. 3-2Qlo中规定的方法。
8.3.2斜接弯头(虾米弯)是常见的一种弯留型式,由于其形状的不连续,因此承受内压时实际的 变形及应力,以及对它的力学分析,均比光滑脅管复杂得多。计算方法釆用《Process Piping》ASME B31. 3-2010中规定的方法。…… L < ,宀
对虾米弯的使用范围及结构上的要求,各国亦'不太L致。,国内以往考虑在材料及制造上的一些因 素通常'要求'虾米弯使用在温盘及压力不太高的情况下o ≪Process Piping》ASME B31. 3中虽没有总 的限制虾米弯的使用范围,但充分考虑了虾米弯结构的不连续对承受波动或循环荷载(温度、压力)的 不利影响,因而规定斜接角大于22.5°时,不得使用于剧烈循环工况;斜接角,大于45。.时,则不得用 于输送可燃或有毒的介质,设计压力不得大于1. 033MPa及设计温度不養低于-29。C和高于186C。规范 还规定了虾米弯的最小有效半径,0为弯管切割角,即劉賤角的二半。而』则为内侧掙焊缝间距的一半, 它规定/等于或大于25mm□
RN
8.4三通
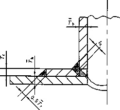
8.4.1通常三通强度的计算,普遍釆用原西德锅炉规范TRD301中的压力面积法计算公式。这种计算 方法是在实验基础上(爆破试验等)通过理论分析推导而得,并经工程实践验证,因此是可靠的。 三通产品标准,主要选用美国国家标准ASMEBl6. 9和石化行业标准《钢制对焊管件》标准。《Process PiPing》ASMEB3L 3对各种三通、焊接支管的应力增强系数做出了规定,这对于管道系统应力分析是 非常必要的。
8. 7支管连接
8. 7. 1焊接支管连接结构设计参照《ProCeSS PiPing》ASMEB31. 3-2008编写。
8.7.2本条a)项中的主管最小壁厚为名义厚度减去材料壁厚负偏差。
中华人民共和国 石油化工行业标准 石油化工管道设计器材选用规范 SH/T 3059—2012
*
中国石化出版社出版
中国石化集团公司工程标准发行总站发行 地址:北京市东城区安定门外大街58号
邮编:IoOOlI 电话:(OIo) 84271850
, 石化标准编辑部电话:(OIO) 84289937
\ 读者服务部电话:(OIo) 84289974
http: //www.sinopec-press.com E-mail: press@sinopec.com 版权专有不得翻印
*
开本880X1230 1/16 印张4. 25字数128千字 2013年4月第!.版2013年4月第1次印刷
*
书号:155114-0604 定价:56.00 元
(购买时请认明封面防伪标识)