COde for design Of Steam SyStem in ChemiCal PIant
GB∕F50655-2011
主编部门:中国工程建设标准化协会化工分会 批准部门:中华人民共和国住房和城乡建设部 施行日期:2 012 年3月 1日
2012 北 京
中华人民共和国国家标准 化工厂蒸汽系统设计规范 (}B∕T 50655-2011
☆ 中国计划出版社出版
(地址:北京市西城区木樨地北里甲11号国宏大厦C座1层) (邮政编码:10()038 电活:63906433 63906381)
新华书店北京发行所发行 世界知识印刷厂印刷
850X 1168毫米 "32 2.5印张 61千字1插页 2012年1月第1版2012年1月第1次印刷 印数1 6000册
☆
统一书号:1580177・696 定价:15.00元
第934号
现批准《化工厂蒸汽系统设计规范》为国家标准,编号为 GB/T 50655—2011 ,自 2012 年 3 月 1 日起实施。
本规范由我部标准定额研究所组织中国计划出版社出版发 行。
中华人民共和国住房和城乡建设部
-O——年二月十八日
* • —1—
刖 后
本规范是根据原建设部《关于印发<2007年工程建设标准规 范制定、修订计划(第二批)〉的通知》(建标〔2007〕126号)的要求, 由中国石油和化工勘察设计协会和中国成达工程有限公司会同有 关单位共同编制完成。
本规范在编制过程中,菇制组对国内部分化工厂进行了调研, 总结了我国化工工程设计和运行经验,并吸收国外引进项目工程 设计经验,广泛征求制造、设计、生产等有关部门和单位意见,对主 要问题反复进行修改,最后经审查定稿。
本规范共分10章和3个附录。主要内容有:总则、术语、基本 规定、系统类型及规模、系统组成、系统拟定及蒸汽平衡图、系统内 主要设备选择、系统控制、余热利用、系统优化等。
本规范由住房和城乡建设部负责管理,由中国工程建设标准 化协会化工分会负责日常管理,由中国成达工程有限公司负责具 体技术内容的解释。本规范在执行过程中,请各单位及时将具体 意见反馈到中国成达工程有限公司规范编制组(地址:四川省成都 市天府大道中段279号;邮政编码= 610041),以供今后修订时参 考。 .
本规范主编单位、参编单位、主要起草人和主要审査人:
主编单位:中国石油和化工勘察设计协会
中国成达工程有限公司
参编单位:全国化工热工设计技术中心站
东华工程科技股份有限公司 中国石化工程建设公司
武汉都市环保工程技术股份有限公司
华陆工程科技有限责任公司 五环科技股份有限公司
中国轻工业长沙工.程有限公司
中石油东北炼化工程有限公司吉林设计院 中国联合工程公司
中国石化集团宁波工程公司 中国天辰工程有限公司 中国中元国际T∙程公司 中国瑞林工程技术有限公司 杭州中能汽轮动力有限公司 北京中能环科技术发展有限公司 常熟市华能水处理设备有限责任公司
|
主要起草人:陈懿 |
夏敏文 |
马记明 |
彭祖兰 |
彭京明 |
|
陈晓雄 |
张兴春 |
李先旺 |
司克强 |
李文刚 |
|
张俊祥 |
唐会权 |
章增明 |
牟显民 |
蔡国红 |
|
傅强 |
宋冬根 |
周明正 |
杨宇程 |
俞蓉 |
|
主要审查人:刘燕儒 |
俞向东 |
许颖 |
赵云 |
狄炳琪 |
|
孙国成 |
孙惠山 |
陈雅芬 |
张磊 |
程链 |
|
汪宇安 |
马爱东 |
洪浩 |
4系统类型及规模 .......................................
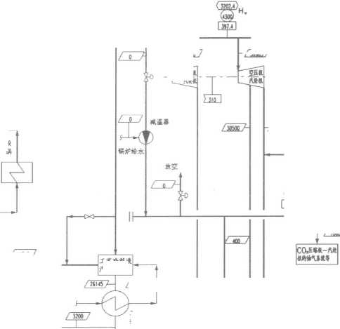
附录B 典型蒸汽平衡图..........................................(插页)
附:条文说明 ........................................................
COntentS
4. 1 SyStem types ................................................... ( 5
4. 2 Steam SyStem rating .......................................... ( 5
6. 1 BaSiS for SyStem framing................,.
6. 3 FramIng Of heat-supply-only SyStem
6. 5 Framing Of the SyStem With gas turbines
8 SyStem COntrOI ................................................... ( 1 5 )
8. 1 SyStem COntrOl ClaSSifiCatiOn and requirements
8. 2 SyStem PreSSUre COntrOl ....................................... ( 1 5 )
8. 3 SyStem temperature COntrOI.................................... ( 1 7 )
8. 4 SyStem flow COntrOl .......................................... ( 1 7 )
8. 5 Steam and Water quality COntrOl .............................. ( 1 8 )
9 ReSidUal heat UtiliZatiOn ....................................... ( 2 1 )
10 SyStem OPtimiZatiOn .......................................... (22)
APPendiX A Stearn SyStem design COnditiOn SheetS
APPendiX B TyPiCaI Steanl balance diagrams ............... (insert)
APPendiX C Heat COnSUmPtiOn data SheetS and heat
EXPIanatiOn Of WOrding in this COde
LiSt Of quoted StandardS .......................................... ( 3 1 )
AdditiOn: EXPIanatiOn Of PrOViSiOnS
i.o.i为贯彻《中华人民共和国节约能源法》.落实国家能源产业 政策,降低蒸汽系统总能耗,提高蒸汽系统设计水平•保证系统安 全可靠、运行灵活、技术先进、经济合理,制定本规范。
1.0.2本规范适用于化工厂纯供热蒸汽系统、单机容量IOoMW 及以下热电(功)联产蒸汽系统的新建、改建及扩建工程蒸汽系统 的设计。
1.0.3化工厂蒸汽系统的设计,除应符合本规范外,尚应符合国 家现行有关标准的规定。
2. 0. 1 蒸汽系统 Steam SyStem
化工厂生产过程中,担负蒸汽生产、输送,回收及利用凝结水 以及工艺余热,提供热能动力,以蒸汽或热能形式联系在一起的各 种装置和设备,并借助各种仪表所组成的统一、协调、平衡的系统。 2. 0. 2 耗汽户 Steam USerS WithOUt USed Steam return
取自系统的蒸汽,经使用后不能以蒸汽的形态返回系统的用 户。
2. 0. 3 用汽户 Steam USerS With USed Steam return
取自系统的蒸汽,经使用后参数改变,仍能以蒸汽的形态返回 系统再次利用的蒸汽用户。
2. 0. 4 热用户 heat USerS
耗汽户和用汽户的总称。
2. 0. 5 汽源 Steam SOUrCeS
燃料锅炉、余热锅炉、闪蒸扩容器以及其他蒸汽发生设备等, 包括外来蒸汽。
2. 0. 6 燃料锅炉 fuel-fired boilers
指燃烧气体、液体、固体燃料产生蒸汽的锅炉。
2. 0. 7 余热锅炉 heat recovery Steam generators
利用工业生产过程中产生的热量,燃气透平(发电或做功)排 气热量,废气和废料燃烧等产生蒸汽的设备。
2. 0. 8 开工锅炉 Start-UP boilers
为工艺装置开车提供蒸汽的锅炉。
2. 0. 9 副产蒸汽 by-produced Steam
工业生产过程中附带产生的蒸汽或余热锅炉产生的蒸汽。
2. O. IO 工艺余热 PrOCeSS residual heat
工艺装置生产过程中产生的富裕热量。
2. 0. 11 彳故功热耗 heat COnSUmPtiOn for POWer SUPPIy
系统内以蒸汽为动力直接驱动汽轮机或往复机等设备输岀每 千瓦・小时功所消耗的热能(kJ∕kW ∙ h)o
2. 0. 12 发电热耗 heat COnSUmPtiOn for electricity generation
系统内由汽轮机驱动发电机产生电能,发电机端子上输出每 千瓦・小时电能(kW・h)所消耗的热能(kJ∕kW ∙ h)0
2. 0. 13 供热热耗 heat COnSUmPtiOn for heat SUPPly
供热系统每提供IGJ热量所消耗的燃料折算为标准煤的数 量。
2. 0. 14 年利用系数 annual UtiliZatiOn ratio
设备年利用小时数与全年统计总小时数之比。
3.0. 1系统设计应根据工艺装置等的各种生产情况.做到运行安 全、节能、环保、控制灵活、检修维护便利。
3.0.2系统参数、等级应根据工艺蒸汽负荷、参数、汽动机泵和副 产蒸汽等设计条件,贯彻执行能量梯级利用的原则,结合化工生产 各种工况的要求,并兼顾动力设备参数经技术经济比较后确定。
3.0.3驱动机泵的汽轮机类型、台数、参数、容量应根据蒸汽平衡 的要求确定,并应计算其汽耗量。
3.0.4系统中所需釆用的蒸汽锅炉及开工(辅助)锅炉的参数及 容量应根据蒸汽平衡计算选择和确定。
3.0.5余热利用应根据化工厂蒸汽系统的经济、合理需求,确定 工艺装置中的余热利用方式及途径。
3.0.6系统蒸汽凝结水的回收和利用方式应根据化工厂蒸汽系 统的需要和可能确定。
4.1系统类型
4. 1. 1当不能实行热电(功)联产时,应釆用纯供热系统。
4.1.2在热电(功)联产供热系统中,供热蒸汽应主要由汽轮发电 机组及(或)驱动工艺机泵的邸轮机的抽、排汽供给。
4.1.3含燃气轮机的供热紊统,燃气轮机驱动发电机或驱动压缩 机,燃气轮机排气应供余热锅炉产生蒸汽进入系统或作为工艺加 热炉燃烧用空气。
4.2系统规模
4.2.1系统按容量分类:
1蒸汽系统总蒸汽负荷小于等于60t∕h,宜为小型系统;
2蒸汽系统总蒸汽负荷为61t∕h~200t∕h,宜为中型系统;
3蒸汽系统总蒸汽负荷大于2OOt∕h,宜为大型系统。
4.2.2 按系统最高级母管的公称压力等级分类,宜符合下列要 求:
1蒸汽压力小于2.5MPa,宜为低压系统;
2 蒸汽压力为2. 5MPa〜6. 4MPa,宜为中压系统;
3 蒸汽压力为6. 5MPa〜13. 7MPa,宜为高压系统;
4蒸汽压力大于13. 7MPa,宜为超高压系统。
5.0.1系统主要组成应包括锅炉房或热电站,辅助锅炉或开工锅 炉,余热、废气回收、蒸汽过热装置,蒸汽输送、分配及平衡设施,蒸 汽热用户,工业汽轮机、供热汽轮机,给水除氧及凝结水回收系统, 燃气轮机等。
5.0.2耗汽户应包括下列种类:
1工艺生产过程反应用汽;
2真空喷射或物料雾化用汽;
3隔离及消防用汽;
4直接加热用汽;
5间接加热用汽;
6汽轮机排汽的冷凝蒸汽;
7采暖及生活用汽;
8向系统外供出的蒸汽;
9物料的保温、伴热;
10蒸汽往复机;
11管网损失。
5.0.3用汽户应包括下列种类:
1.背压式或抽汽背压式汽轮机;
2抽汽凝汽式汽轮机的抽汽部分;
3蒸汽蓄热器;
4其他用汽户。
5.0.4蒸汽发生设备应包括下列类型:
1燃料锅炉应包括工业锅炉、电站锅炉、开工锅炉、辅助锅炉 和蒸汽过热炉;
2余热锅炉;
3闪蒸扩容器。
5.0.5外来蒸汽应为从本蒸汽系统以外来的蒸汽。
5.0.6给水系统应包括下列内容:
1补给水、给水加热;
2补给水、凝结水除氧,给水加药。
5.0.7凝结水、排水回收系统及汽水质量监测设施应包括下列内 容:
1凝结水的回收、闪蒸夷降温;
2锅炉排污水的闪蒸、宜收及降温、排放;
3汽水质量监测和取样;
4疏水。
5.0.8系统平衡设施应包括下列内容:
1蒸汽分配器;
2减压装置;
3减温装置;
4减温减压装置;
5再循环装置,安全装置;
6放空装置。
5. 0. 9燃气轮机及其排气利用系统应包括下列方式:
1燃气轮机排气进工艺加热炉;
2燃气轮机排气进余热锅炉。
6. 1拟定的依据
6.1.1系统设计应取得本项目已审批的有关文件。
6.1.2系统设计已落实的外部条件应符合下列要求:
1燃料、交通运输、水源、电力、地质、气象、化学药品、安全卫 生、节能及环保要求等资料;
2系统的负荷条件应包括下列内容:
1) 工艺蒸汽负荷及参数.可按本规范表A.o. 1填写;
2) 汽动机泵特性数据,可按本规范表A. 0. 2填写;
3) 副产蒸汽数据,可按本规范表A. 0.3填写;
4) 耗汽、用汽设备的年利用系数;
5) 原有汽源情况;
6) 工艺余热数据,可按本规范表A. 0. 4填写;
7) 凝结水回收数据,可按本规范表A. 0.5填写;
8) 与外部协作的蒸汽负荷和凝结水回收与否等情况的协 议。
6.1.3系统设计应取得系统内主要热力设备的特性数据、图表。
6.2 系统拟定
6.2.1系统中宜配置参数及容量相同的蒸汽锅炉,余热锅炉参数 宜与系统参数相匹配。
6.2.2除余热锅炉及开1:锅炉外,系统中设置的蒸汽锅炉宜产生 系统内最高压力等级的蒸汽。
6.2.3对连续生产的工艺装置供汽时,汽源不宜设置单台燃煤锅 炉,应根据用汽需要设置检修用炉。
6.2.4系统内各压力等级蒸汽母管之间应统一设置减压减温装 置。减温器出口蒸汽温度应有适当的过热度,调节用测温点宜设 置在喷水点后大于或等于IOm位置,减温喷水的给水压力应满足 雾化压力要求,喷水水质应满足减温后蒸汽品质的要求。经常运 行的减压减温装置或减压阀,应设一套备用。
6.2.5耗汽户的凝结水应充分回收,并应按压力等级进行梯级闪 蒸做多次利用。
6.2.6对于热力式除氧器,其进水温度上限应低于除氧器操作压 力下的饱和温度150C~25°Co
6.2.7第一级除氧器宜采用大气式除氧器。除氧器排汽管宜设 置汽水分离器。
6. 2. 8系统设计应充分利用中、低温位的余热加热除氧器补水和 (或)锅炉给水。
6.2.9供汽、给水及凝结水管道宜采用单母管系统。
6.2.10系统内各压力等级的蒸汽母管上应设置安全排放装置。
6.2.11减压减温装置应釆用热备用。
6.3纯供热系统拟定
6.3.1对主要耗汽户应取得负荷条件,并应核实其可靠性。
6.3.2系统蒸汽参数应根据工艺蒸汽负荷、参数,并结合汽源设 备的蒸汽参数以及工艺余热条件确定。
6.4热电(功)联产系统拟定
6.4. 1系统设计应根据系统内各用户蒸汽负荷及参数的要求和 最大容量机泵的单机功率,结合汽源设备的蒸汽参数以及工艺余 热条件,合理地确定系统的蒸汽参数。
6.4.2在确定新蒸汽参数时,宜釆用较高参数的新蒸汽。
6.4.3系统的各压力等级,应按工艺要求并根据汽轮机抽、排汽 压力调整范围和至蒸汽用户的管路损失确定。应减少系统的压力 等级数,新蒸汽压力为中压的系统不宜超过H.级.新蒸汽压力为高 压的系统不宜超过四级。
6. 4. 4除最高压力等级母管外,系统其余各级蒸汽母管平衡所需 的汽量应充分利用工艺装置余热所产生的副产蒸汽,不足部分应 由汽轮机的抽、排汽供给或补充。
6.4.5系统正常能力与最大能力的设计应符合下列要求:
1确定系统的正常能力时,汽轮机的进汽量可按被驱动机泵 设计轴功率的100%〜105%计算,工艺蒸汽负荷应按工艺提出的 正常用量计算;
2确定系统的最大能力时,汽轮机的进汽量可按被驱动的汽 轮机额定进汽量的110%计算,工艺蒸汽负荷应按工艺提出的最 大用量计算。
6.4.6汽轮机驱动的选用应符合下列要求:
1对于有防火、防爆、调速或高速直联等特殊要求的机泵宜 釆用汽轮机驱动,其他机泵的驱动应以蒸汽平衡为依据确定是否 釆用汽轮机驱动;
2低压蒸汽用户全年有稳定且连续4000h以上热负荷时.可 采用背压式汽轮机供汽;
3在有备用机泵的情况下,宜以汽动为主.电动备用;
4在蒸汽平衡中可根据特殊需要适当釆用纯凝汽式汽轮机 驱动机泵。
6.4.7为保证系统运行的灵活性和合理性,机型的选择应根据蒸 汽平衡确定。系统中宜设置有抽汽凝汽式、注汽凝汽式或抽/注凝 汽式汽轮机。
6.4.8系统中凝汽器能力的确定应符合下列要求:
1系统的正常运行总凝汽量应由工艺用汽特性和被驱动机 泵的总功率确定;
2用于驱动机泵的抽汽凝汽式汽轮机的凝汽器单独设置时. 其能力设计宜为其正常凝汽量的1. 3倍〜1. 8倍;集中设置时.其 能力设计宜为正常凝汽量的1. 2倍〜1. 5倍;单台汽轮机的最小 凝汽量,不应小于额定功率时最小进汽量的8%;
3用于驱动发电的抽汽凝式汽轮机的凝汽能力可为其纯凝 汽工况运行时的凝汽量。
6.4.9 凝汽压力应根据工厂冷却水的温度、可供量及电价等确 定,对驱动机泵汽轮机宜为O. 012MPa~0. 017MPa,排汽湿度不 宜大于12%。
6.4. 10系统给水加热级数应根据余热载体介质类别、温度及汽 轮机抽、排汽温度等具体情况确定,宜设二级〜三级。
6.4.11锅炉与驱动机泵的汽轮机布置邻近,以及锅炉与汽轮发 电机为联合厂房时,过热器出口至汽轮机进口,主蒸汽总温降不宜 超过5°C〜15°C,压降不宜超过始点压力的6%〜12%,宜选择下 限值。
6.5带燃气轮机的系统拟定
6.5.1燃气轮机所配余热锅炉的蒸汽参数应与装置蒸汽系统相 匹配,蒸汽产量应参与装置蒸汽系统平衡。
6.5.2系统设计应利用燃气轮机排气产生蒸汽、过热蒸汽、加热 给水或工艺介质,以降低燃气轮机的最终排气温度。
6.5.3釆用燃气轮机时,在化工厂当其排气用作工业炉的助燃空 气,应做功率匹配计算。对电站用燃气轮机,宜将其排气送入余热 锅炉回收显热。
6.6蒸汽平衡图
6.6.1当进行化工厂蒸汽系统设计时,应根据各装置或各专业提 出的初步用汽热负荷、用汽参数、用汽方式、使用性质等条件进行 初平衡计算,选择汽轮机的机型,拟定蒸汽系统后,按系统中各装 置的正常工况、部分负荷工况、冬/夏季工况、开车工况、停车工况 和其他特殊工况,分别做出平衡计算并绘制各种工况的初步蒸汽 平衡图,并应调整、优化所拟定的系统直到满足各种工况的要求为 止。
6.6.2当取得各装置(或专业)提出的最终用汽热负荷、用汽参 数、用汽方式、使用性质等条件及汽轮机厂最终厂商資料后,则应 进行本规范第6. 6. 1条所述的各工况最终蒸汽平衡计算,并应绘 制最终蒸汽平衡图。
6.6.3蒸汽平衡图所包含的深度、内容,宜符合本规范附录B的 规定。
7.0. 1锅炉的台数和容量选择,在一台容量最大的锅炉停用时, 其余锅炉总容量应符合下列要求:
I化工厂连续生产所需用汽量;
2冬季采暖和生活用警量的60⅝~75%(严寒地区取上 限);
3当汽轮机驱动的机泵停运时,以电动机驱动的备用机泵运 行,机泵负荷不应计入;
4消防、吹扫等临时耗汽负荷不应计入。
7. 0. 2汽轮机参数、型式、轴功率及抽、排汽量应满足系统对动力 和蒸汽负荷平衡的需要,并应符合下列要求:
1在正常工况下,应使汽轮机在其工况图的最高效率点附近 运行;
2汽轮机不宜作为常年备用的驱动机;
3宜选用工业汽轮机驱动机泵。
7. 0. 3各压力等级蒸汽母管之间的减压减温装置的总容量,宜等 于本压力等级蒸汽母管的最大供汽量。
7. 0. 4除氧器的总容量应按最大给水消耗量选择,设计能力宜按 最大消耗量的120%确定。系统中设置的除氧器,可不设置备用。
7. 0. 5除氧水箱的有效总容量应按下列要求设置:
1 35t∕h以下除氧水量宜取20min〜30min的最大给水量;
2 60t∕h以上除氧水量宜取IOmin~20min的最大给水量。
7.0.6给水泵的总容量及台数应保证在任何一台连续运行的给 水泵停用时.其余的给水泵能供给所连的系统全部锅炉在额定蒸发量 时所需要的给水量,加上系统内其他用户所需要的给水量的110%。
7.0.7系统中不应釆用简单循环的燃气轮机系统。
7. 0. 8联合循环燃气轮机装置应与化工生产装置及蒸汽系统结 合进行平衡和选用,宜选用现有的定型燃气轮机。
8.1系统控制分类和要求
8.1.1蒸汽系统控制可按下列分类:
1单套化工装置蒸汽系统的控制;
2多套装置的全厂性蒸汽系统控制。
8.1.2蒸汽系统的控制要求应根据蒸汽系统的类型、安全生产、 节能、成本核算、各种运行工况等因素确定。
8.2系统内压力控制
8.2.1蒸汽系统应根据系统内主要设备或主要装置的压力调节 要求设计相应压力控制系统。
8.2.2为确保蒸汽母管压力的稳定,各压力等级蒸汽母管的压 力调节、控制设计,应根据进入各压力等级蒸汽母管的汽源、是否 设置有汽轮机(包括所采用的机型)、开停车、事故时用汽热负荷发 生大幅度波动的应急处理,以及其他具体组合内容等因素,通过 优化后确定,并应符合下列要求:
1母管上宜设置下列设施:
1) 进入各压力等级蒸汽母管的可调主汽源的压力跟踪调 节;
2) 放空调节阀(自控与遥控并兼);
3) 各压力等级蒸汽母管之间的备用减压减温装置。
2母管上必须设置安全阀。
3当蒸汽系统内只有低压蒸汽母管时,可不设置放空调节 阀。
8.2.3在设有多种压力等级蒸汽母管的蒸汽系统中,最高压力 等级蒸汽母管的压力,宜根据母管压力自动调节和控制下列部 位:
1具有外加燃料的汽源设备的燃料加入量;
2放空调节阀的排放量;
3备用减压减温装置中的蒸汽调节阀向下一级母管的泄放
4当系统中设有高压抽凝式汽轮机、背压式汽轮机时,应设 置高压汽轮机与备用减压减温装置中的蒸汽快速泄放阀的联锁系 统。
8.2.4在设有多种压力等级蒸汽母管的蒸汽系统中.其他压力 等级蒸汽母管的压力.宜根据本级母管压力自动调节和控制下列 部位:
1上一级汽轮机的调整抽汽量或具有外加燃料的汽源设备 的燃料加入量;
2放空调节阀的排放量;
3上一级母管至本级母管备用减压减温装置中的蒸汽调节 阀的泄放量;
4本级母管至下一级母管备用减压减温装置中的蒸汽调节 阀的泄放量。
8.2.5各压力等级蒸汽母管上各自动控制点的设定值取值应有 所差异。对于同一压力等级蒸汽母管其设定值选取应符合下列要 求:
1可调主汽源,应以母管正常工作压力值进行调节;
2放空调节阀的设定值,应大于上一级汽轮机的抽汽调节 阀的设定值或母管正常工作压力值,并应小于母管上备用减压减 温装置中的蒸汽调节阀的设定值;
3备用减压减温装置中的蒸汽调节阀的设定值,应大于放 空调节阀的设定值,并应小于安全阀较低整定压力值;
4各自动调节点的设定值最终取值,应根据具体工程对蒸汽 系统的要求确定,但最高设定值必须小于安全阀最高整定压力值。 8.2.6当在同一压力等级蒸汽系统中,有两台或两台以上抽凝式 汽轮机的抽汽向本压力等级蒸汽母管供汽时,其抽汽调节应为一 台自动,其余遥控或手动。
8.2.7当动力或信号故障时,放空调节阀的开闭,应根据各种蒸 汽平衡工况的需求确定。
8.2. 8除通过自动调节外加燃料的汽源设备的燃料加入量、抽汽 量、放空量、备用减压减温装置的泄放量等手段,控制各压力等级 蒸汽母管压力外,各压力等级蒸汽母管上所设置的安全阀宜为2 个〜3个。各压力等级蒸汽母管上几个安全阀的整定压力值应有 所差异,其排放总能力应大于本压力等级蒸汽母管最大连续供汽 _E3L
里O
8.3 系统内温度控制
8.3. 1汽源设备的过热器出口蒸汽温度的波动范围,应符合系 统设计的要求。蒸汽温度的调节方法,可通过蒸汽侧、烟气(燃料) 侧以适当的方式得到良好的调节特性。
8.3.2当系统中需设置减温器时,应设置喷水式(或面式)减温 器的自动调节仪表,以调整系统中的减温器出口蒸汽温度,并应控 制其波动范围不超过设计值。
8.3.3给水加热器的给水出口管线上,应设置温度检测仪表。
8.4系统内流量控制
8.4. 1在系统中,正常运行的锅炉给水泵、表面式凝汽器的凝结 水泵等,与备用泵之间应设置联锁系统。当泵出口流量低于设定 值或液位高于设定值时,联锁动作,并应发出声光信号,备用泵自 启动。
对于锅炉给水泵出口管线上应设回流管线,泵出口压力高或 较高时,回流管线上应设置节流孔板或调节阀。对于表面式凝汽 器的凝结水泵出口总管上,应设置热井的回流管线,其回流 量应根据热井液位控制泵出口总管上调节阀的开度(正作用) 及回流管上调节阀开度(反作用);也可根据热井液位控制泵 出口总管上调节阀开度,再根据泵出口总管流量控制回流管上 调节阀开度。
8.4.2当利用化工工艺余热加热锅炉给水,并为两条或两条以 上并联线路时,其中一条线路应设置流量自动调节,其余应为遥控 或手动。
8. 4. 3在蒸汽系统中,当设有公用或单独的汽包时,其液位控制 应设置三冲量调节系统。
8.4.4对系统中的除氧器,应设置根据除氧水箱液位,调节除 氧器进水量的调节系统,并应有高、低液位报警;应设置根据 除氧器内的压力,调节进汽量的调节系统,并应有高、低压力 报警。
8.4.5汽轮机的入口蒸汽管线、抽汽管线、输往大的蒸汽用户管 线,以及放空调节阀所在的管线上,宜设置流量监测仪表。
8.5系统内水、汽品质的控制
8.5.1系统内水、汽品质的控制,应符合现行国家标准《火力发 电机组及蒸汽动力设备水汽质量》GB/T 12145和《工业锅炉水 质》GB/T 1576的有关规定。
8.5.2当利用化工工艺余热加热锅炉给水,化工工艺介质压力高 于给水压力时,应在给水加热器的给水出口管线上装设电导率检 测仪表,并应有报警及自动或手动排放的切换设施。
8.5. 3在单套化工装置蒸汽系统中,具有高、中压蒸汽发生设施 时,系统内水、汽品质控制应釆取下列措施:
1在除氧器补充水进水管线上,应设置水质检测仪表,并应 有高报警;
2在压力式除氧水箱内(水侧)应设置加联胺分配管,在水箱
外应配置相应的加药设施;
3在锅炉给水泵进口管线的上游,应设置加氨点,并应配置 相应的加药设施;
4在锅炉给水泵进口管线的下游,应设置PH值检测点及自 动检测显示仪表,并应有高、低报警;
5在锅炉给水泵进口管线的中游,应设置水质分析取样点, 并应配置相应的分析取样设施;
6在汽包的饱和蒸汽出口总管上,应设置蒸汽取样探针,并 应配置相应的分析取样设施;
7在汽包的连续排污管线上,应设置取样点,并应配置相应 的分析取样设施;
8在汽包内(水侧)应设置加磷酸盐溶液分配管,在汽包外应 配置相应的加药设施;
9加药设施的配置应满足在运行时根据水、汽品质质量指 标,检测到的数值和常规分析数据,对加药量进行调整的需要;
10加药系统的设计应包括下列内容:
1) 每套加药设备中,共用一台备用加药泵;
2) 加药泵入口管线上,应装设Y型过滤器;
3) 加药泵出口管线上,应装设压力表、安全阀;
4) 加药系统的用水管应釆用不锈钢材质,药液管宜采用不 锈钢材质;
5) 药液贮罐的容积,可按Id用量确定;
6) 磷酸盐溶液配制贮罐,应设置搅拌设施;
7) 药液配制,应采用除盐水或蒸汽凝结水;
8) 加药设施,应根据当地气象条件、室内室外布置等,在需 要时采取伴热措施。
8.5.4化工工艺系统蒸汽凝结水总管出口,应装设水质检测、计 量仪表及自动排放设施,当蒸汽凝结水水质不合格时,应报警、自 动排放并计量。
汽轮机的表面式凝汽器的凝结水泵出口管线上,应装设水质 检测仪表;对于直接返回除氧器的系统,应设置回凝结水处理装 置的旁路。
9.0.1余热利用方案应结合工程实际情况,经过技术经济比较后 确定,并应符合下列要求:
1利用任何可利用的余热,首先应将它纳入蒸汽系统中进行 平衡计算,不宜设置与系统无关的孤立的余热利用系统;
2余热利用应根据余热温位高低,按质用能和分级回收利用 的原则,做到热尽其用;
3应避免热能的远距离输送,对于数量小、距离远的余热,可 采用就地利用方式;
4当余热负荷及参数改变时,应有对应措施。
9.0.2载热介质温度在500oC以上的高温位余热,可用作产生高 压蒸汽。
9.0.3载热介质温度在250°C〜500°C的中温位余热,可用作产 生蒸汽、加热给水、预热空气等。
9. 0. 4载热介质温度低于250°C的低温位余热,可用作给水加 热,也可用作低沸点工质发电等。
9.0.5 利用蒸汽间接加热的生产设备,其凝结水回收率应大于 80%。凝结水回收系统宜闭式回收,并应充分利用凝结水余热。
lo.o.i在进行方案优化选择时,宜包括下列主要内容:
1最高压力等级蒸汽参数;
2汽轮机的型式、功率及组合方式;
3机泵的驱动方式和轴功率;
4低压蒸汽的用途:注入汽轮机、除氧、采暖、制冷及工艺装 置等;
5余热利用方式;
6凝结水利用方式;
7燃气轮机与工业炉的匹配方式及补燃量。
10.0.2进行方案优化时,应对工程投资、运行费用、技术指标、能 源利用和经济效益作综合比较。
10.0.3优化方案应经计算确定,计算数据应包含下列内容:
1系统内汽轮机驱动机泵的做功热耗(kj∕kw . h);
2系统内汽轮机驱动发电机的发电热耗(kJ∕kW ∙ h);
3系统内燃气轮机驱动机泵的做功热耗(kJ∕kW • h);
4系统内供热蒸汽供热热耗(GJ/GJ);
5系统内供给工艺助燃用的燃气部分的供热热耗(GJ∕GJ)o 10.0.4经本规范第10.0.3条计算出的数据应与本规范附录C 的规定进行比较。其中小于本规范附录C时,应为可取方案,最 小值所对应的方案应为优化方案。
10.0.5关于蒸汽系统的热利用系数,可按下式计算:
HR×∑N+∑H
Fcm×∑E0 + ∑H0
(10. 0. 5)
式中:K——蒸汽系统的热利用系数;
HR 系统输出电能及机械功的折算热耗,依据目前国内
平均供电热耗值,可取为10464kJ∕kW ∙ h;
∑N——系统输出的电能及机械功,kW ∙ h∕hi
∑H——系统的供热量,kj∕h;
FCm——电动热耗值,按目前动力生产输送水平,可取为 11696kJ∕kW ∙ h;
∑E0——依靠电网来电驱动的机泵功率之和(kW - h/h);
∑H0——进入系统的其他能源及耗能工质(kj∕h) O
10.0.6经本规范第10.0.5条计算出的数据中,最大者应为优化
方案。 ~
A. 0. 1工艺蒸汽负荷及参数可按表A. 0.1填写。
表A. 0. 1工艺蒸汽负荷及参数
工程名称
车间或装置名称
设计阶段
第 页共
页
|
序号 |
设备 位号 |
设备 名称 |
蒸汽 用途 |
加热 方式 |
____受热介质____ |
蒸汽条件 |
使用 性质 |
年利 JII 系数 |
备 注 | |||||||||||||
|
组分 |
压力 (MPa) |
温度 (OC) |
流址(t∕h) |
入口压力 (MPa) |
入「1温度 (OC) | |||||||||||||||||
|
正常 |
最小 |
最大 | ||||||||||||||||||||
|
正常 |
最高 |
进丨1 |
出H |
冬 |
夏 |
冬 |
夏 |
冬 |
夏 |
正常 |
最低 |
正常 |
最低 | |||||||||
|
~Γ~ |
3 |
~τ~ |
6 |
~τ~ |
8 |
9 |
1() |
~JT~ |
~TΓ~ |
~~14~ |
~i厂 |
~ΠΓ~ |
~T7~ |
~ΠΓ |
Π7Γ |
~2b~ |
^23^ | |||||
备注:⑴第4栏指加热用、蒸汽喷射器或其他用蒸汽;第5栏是接或间接方式。
(2) 第6栏填化学分子式;第7栏指正常牛产工况;第8栏指可能出现的最高IhJJO
(3) 第11、12栏为按装置铭牌产量时的用址;第13 J l栏为装置维持生产所为求的用址;第15.16栏为实现装置能力的用量。
(4) 第17J9栏为正常第况时所要求的;第18.20栏为维持生产的起码要求值(I
(5) 第21栏指连续、间断开车或停车时间;第22栏为仝年累积值。
(6) 第23栏可填写其他方面的特殊要:求或提醒热丁.专业的注意爭项。
(7) 此表主要用于初步设计阶段,若施T∙图阶段•对锅炉选型没右影响时可不再填写o
提出人
校核
—∏ΓSΓ
A. O. 2汽动机泵特性数据可按表A.0.2填写。
表A.0.2汽动机泵特性数据
工程名称 设计阶段
车间或装置名称 第 页共 页
|
序号 |
机泵 位弓 |
机泵 名称 |
单机轴功率(kW) |
转速(r∕min) |
调节 方式 |
旋转 方向 |
使用 性质 |
备注 | |||||||
|
运行 |
备用 |
额定 |
设计 |
最小 |
最高 |
最低 | |||||||||
|
额定 |
设计 | ||||||||||||||
|
~~ι- |
~2~~ |
3 |
4 |
5 |
6 |
7 |
8 |
9 |
10 |
11 |
-12- |
-T3 |
14 |
15 |
16 |
|
— |
— | ||||||||||||||
备注:(1)第6栏指制造厂家提供的机泵铭牌值;第7栏指工艺设计选用值;第8栏指维持生产的最小值。
(2) 第9栏同第6栏,第10栏同第7栏;第11栏指厂家提供的允许值;第12栏同第8栏。
(3) 第13栏指机泵的调节方式。
(4) 第14栏指从汽轮机端看去,叶轮从左向右旋转为顺时针向;反之.为逆时针向。
(5) 第15栏指连续、间断开车或停车时间。
(6) 第16栏为对热工专业的其他特殊要求,或机泵本身的特殊性质等。
|
提出人____ |
校核 |
|
审核 — |
日期 |
A. 0.3副产蒸汽数据可按表A. 0.3填写。
§ 表A. 0.3副产蒸汽数据
•工程名称
设计阶段
车间或装置名称 第 页共 页
|
序号 |
设备 位⅛ |
设备 名称 |
蒸汽参数 |
产汽量 (t∕h) |
蒸汽 性质 |
备注 | ||||||||
|
台数 |
压力(MPa) |
温度(°C) | ||||||||||||
|
正常 |
最高 |
最低 |
正常 |
最高 |
最低 |
额定 |
最大 |
最小 | ||||||
|
1 |
2 |
3 |
4 |
5 |
6 |
7 |
8 |
9 |
10 |
11 |
12 |
13 |
14 |
15 |
备注:(1)第5、8栏指正常工况时;第6、7、9、10栏指生产中可能出现的;当是饱和温度时注明饱和即可。
(2) 第11栏指正常生产时设备的实际产汽能力;第12栏指工艺实现装置能力时的产汽能力;第13栏指工艺装置低负荷时的 产汽能力;第14栏指副产蒸汽连续或间断。
(3) 第15栏指工艺对副产蒸汽的其他说明,或对副产蒸汽用途的设想建议。
|
提出人 |
校核 |
|
审核 一 |
日期 |
A. 0.4工艺余热数据可按表A. 0.4填写。
表A.0.4工艺余热数据
工程名称 设计阶段
车间或装置名称 第 页共 页
|
序号 |
设备 位号 |
设备 名称 |
载热体条件 |
年利用 系数 |
备注 | |||||||||
|
组分 |
流量(kmol∕h 或 kg∕h) |
温度(°C) |
压力(MPa) |
放热量(kj∕h或kW) | ||||||||||
|
正常 |
最大 |
最小 |
进口 |
出口 |
正常 |
最低 |
正常 |
最小 | ||||||
|
1 |
2 |
3 |
4 |
5 |
6 |
7 |
8 |
9 |
10 |
11 |
12 |
13 |
14 |
15 |
|
I | ||||||||||||||
备注:(1)第4栏填写化学分子式及容积百分数。
(2) 流量栏中气体填kmoɪ/h,液体填kg∕h,压力栏中指进口、出口间的平均值,当以毫米水柱计时,请在15栏中注明。
(3) 放热量栏中填载热体进、出口温差之间所拥有热量(热平衡计算理论值,可按绝热过程计)。
(4) 第15栏可填写载热体的其他特殊性质或间断时的间隔时间。
|
提出人 |
校核____ |
|
审核 一 |
日期 - |
A. O. 5凝结水回收数据可按表A.0.5填写。
2
表A. 0.5凝结水回收数据
设计阶段
第•页共 页
,工程名称
车间或装置名称
|
序号 |
设备 位号 |
设备 名称 |
台数 |
流量(m3∕h) |
冋水压力 (MPa) |
回水温度 (OC) |
电导率 (μs∕cm) (25 °C 时) |
送出 方式 |
含油 (mg∕L) |
含铁 (mg∕L) |
其他 杂质 (mg∕ L) |
备注 | ||||||||
|
运 |
备 |
最大 |
正常 |
最小 | ||||||||||||||||
|
冬 |
夏 |
冬 |
夏 |
冬 |
夏 |
正常 |
最低 |
正常 |
最低 | |||||||||||
|
1 |
2 |
3 |
4 |
5 |
6 |
~Γ |
~8^ |
9 |
^lθ~ |
1 1 |
13 |
14 |
15 |
16 |
17 |
18 |
19 |
2() |
21 | |
备注:(1)回水压力、温度指工艺送出时的相应数据。
(2) 第17栏填连续回收或是间断回收及间隔时间。
(3) 第21栏可将栏中写不下的内容填Ko
(4) 需要净化处理的凝结水条件送化水专业。
|
提出人 |
校核____ |
|
审核 |
日期 - |
24.8% Aft
高変
I从自备热电站来> (汽Jfe机抽汽)
公用汽他
放空
/吗487/
)2&诚
除氣屏及相
对流 StMΛ⅛⅛va
锅炉给水
保护薰汽 利二段炉
转化气 废飼
转化气 废锅U
/ 1179 /—
≡F
岛变锅炉蛤水
合成废锅
t谣续排疗 扩客尊
•—12¾∙9∣ 合成锅炉 爹水预热畀
/ 12瞥/
中压脩炉纶水策
单位名称,符号及SI示:
温度
压力
911
/ 268 /—
O.
压力
CZJ・
流量
-√⅞87
-ZJMZ7
∕<577g ,A-
√ MB /
ft
∕26S7>A
工艺冷猴液
-√<7M6 /
到仪表并洗
工艺冷凝液 換热港
/準2 /
_ ^^^¾
L"A⅞⅜
-√l⅞7
__
L4iMH
对流段 &锅
工艺冷凝濃 汽很塔
-√12Z¾7
)»M7 I
∕72¾θ∕-
√ 16»SZ
-√ iflm /
-z2∑7
锈炉给水
∣¾6⅜⅜⅜⅛ >
工艺空气
I加騒數
A
> -S ••
春絃 M**
I 91.S I
Λ≡~7
从化水装竇来
工艺冷彼液/水
kPa g
kPa
kg√hr
EΞ□
<=>h1
功率
KW
热负荷
Λj⅛
GJ/h
k J/kg
k J/kg
注:
1 WTM⅛*度是飼■的,*<EfcWtM⅛! 艺冷凝液.汽轮猊共用衰爲汽玲裁浪、化水寰置
补*4ΛA⅛>*書修正
2. *^*⅛⅛*H*Λ⅛1ftft*ftO.7GJ∕hςtti+ *ΛX±*ΛM⅛⅛⅛A⅛⅛O.52GJ∕k
3. ⅛⅛WB, ⅛⅛t⅛WΛ* *«if;正式作图时设••标 注设•"号
图B典型蒸汽平衡
|
-√i⅞o^7 |
-∕~m~7 |
-/ 500 / |
<X7 |
-CO
热水站
展回收 工序
慕汽伴管
公用冲等
¾∙fc⅜⅝¾ >
^Q凝结相
C.O. 1发电热耗及电动热耗应符合表C. 0. 1的规定。
表C.O. 1发电热耗及电动热耗
|
指标名称 |
单 位 |
煤 |
|
发电热耗 |
kJ/kW ・ h |
9576 |
|
电动热耗 |
kJ/kW ・ h* |
11696 |
注:,指用电驱动功率为IooOkW以上机泵的做功热耗。
C.0.2供热锅炉房与燃煤热电站供热时的供热热耗,应符合表
C. 0. 2的规定。
表C.0.2供热锅炉房与燃煤热电站供热时的供热热耗
|
料品种 指 标 |
供热锅炉房 |
热电站 | ||
|
煤 |
油 |
天然气 |
煤 | |
|
凝结水回水80%时供热热耗(GJ/GJ) |
1.2859 |
1.1982 |
1. 1642 |
1.1150 |
|
不回收凝结水时供热热耗(GJ/GJ) |
1. 4125 |
1.3165 |
1.2793 |
1.2210 |
C.0.3供热锅炉房与燃煤热电站供热时的系统标准煤耗,应符 合表C. 0. 3的规定。
表C.0.3供热锅炉房与燃煤热电站供热时的系统标准煤耗
|
供热锅炉房 |
热电站 | |||
|
料品种 指 标 |
煤 |
油 |
天然气 |
煤 |
|
凝结水回水80%时系统标准煤耗(kg∕GJ) |
43.8760 |
40.8836 |
39.7235 |
38.0447 |
|
不回收凝结水时系统标准煤耗(kg∕GJ) |
48.1957 |
44.9201 |
43.6508 |
41.6615 |
注:本表数据根据本规范表C. 0. 2按现行国家标准《综合能耗计算通则))GB∕T
2589-2008中规定的标煤低位发热量为29.31MJ∕kg计算所得。
1为便于在执行本规范条文时区别对待,对要求严格程度不 同的用词说明如下:
1) 表示很严格,非这样做不可的:
正面词釆用“必须”,反面词釆用“严禁”;
2) 表示严格,在正常情况下均应这样做的:
正面词采用“应”,反面词采用“不应”或“不得”;
3) 表示允许稍有选择,在条件许可时首先应这样做的: 正面词釆用“宜”,反面词采用“不宜”;
4) 表示有选择,在一定条件下可以这样做的,釆用“可”。
2条文中指明应按其他有关标准执行的写法为:“应符合 ……的规定”或“应按……执行”。
《火力发电机组及蒸汽动力设备水汽质量))GB∕T 12145
《工业锅炉水质》GB/T 1576
《综合能耗计算通则》GB/T 2589—2008
《蒸汽锅炉安全技术监察规程》
《小型火力发电厂设计规范见GB 50049
中华人民共和国国家标准
GB/T 50655-2011
条文说明
本规范根据多年工程设计经验,结合国内各种化工和石油化 工等工厂实际生产运行情况及国内外相关规范并按国标编制要求 进行编制。
本规范的编制工作经历了初稿、函审、征求意见、汇总意见修 编、送审稿审査会等,并召开戸三次会议:开编工作会议;征求意见 及审査会;送审稿审查会议。编制组根据每次审査会议纪要及时 修改,及时返回修改稿给各参编人员;在收集、分析、汇总各方意见 后,最终于2010年9月完成了报批稿。
在本次编制工作中,规范编制组认真贯彻落实《中华人民共和 国节约能源法》“国家鼓励发展热电联产、集中供热降低能耗、节能 减排”的条文规定,以及国务院颁布的《“十一五”十大重点节能工 程实施意见》等法令、法规。
按照本规范指导的热能工程项目力求做到:合理设计工厂蒸 汽系统,最大限度地利用能源,实现按质用能和梯级用能的科学原 则,积极推广先进、成熟、可靠的工程节能技术,适应化工生产装置 规模大型化、多样化的需要。
本规范从系统论观点出发,强调全厂范围的热能综合利用和 按质分级用能;并提出节能减排的具体规范性条款,如:条文要求 余热利用方案需结合工程实际情况,经过技术经济比较后确定,并 应符合下列要求:(1)利用任何余热,首先应将它纳入蒸汽系统中 进行平衡计算。不宜设置与系统无关的孤立的余热利用系统。 (2)根据余热温位高低,坚持按质用能和分级回收利用的原则,做 到热尽其用。如,对化工工艺过程凝结水回收利用等,以实现能量 的有效转换。(3)应避免热能的远距离输送,对于数量小、距离远 的余热,可以釆用就地利用方式O(4)应考虑余热负荷及参数改变 时的相应对策。这些都是科学发展观指导下的经验总结,也是用 工程技术标准引领产业发展的具体指导性条文。
本规范蒸汽系统的适用范围宽,可以满足现代大、中、小型化 工厂蒸汽系统设计的需要,对蒸汽系统的设计应该釆取的措施和 手段写得具体,指导意义强。如:对给水取样点的位置都有明确的 规定;蒸汽母管压力的控制方法、手段也明确写出;这些都是根据 多年来工厂运行中出现的问题及解决的经验总结的。
按照本规范设计的蒸汽系统目标是达到安全可靠、技术先进、 经济合理,并实现节能减排要求。
为便于广大设计、施工、科研、学校等单位有关人员在使用本 规范时能正确理解和执行条文规定,编制组按章、节、条顺序编制 了本规范的条文说明,对条文规定的目的、依据以及执行中需注意 的有关事项进行了说明。但是,本条文说明不具备与标准正文同 等的法律效力,仅供使用者作为理解和把握标准规定的参考。
6.5带燃气轮机的系统拟定 .....................................'・•(52)
6.6蒸汽平衡图 ......................:
i.o.i国家标准的编制,必须贯彻国家的有关法律、法规,贯彻国 家能源政策,节约能源资源,保护环境。落实于设计,使蒸汽系统 安全可靠、运行灵活、技术先进、经济合理。
安全可靠:蒸汽系统具皂压力高,温度高之特点。蒸汽系统安 全特别重要。在热电联产供虱蒸汽系统设计中,各压力级管路上 设置有调节放空、安全阀及联锁设施,确保系统安全可靠。
运行灵活:蒸汽系统设计应考虑到可能出现的各种工况,如 开、停车,局部负荷变化,冬夏负荷变化等,系统均能正常运行、生 产。设置开车管线,放空管线,减压减温管线以及快开阀等既保证 系统运行灵活,又保证系统安全。
技术先进、经济合理:为提高性能,从系统角度考虑,往往技术 先进,能耗低而投资高。具体设计中需作比较,在经济上能合理承 受的前提下力求先进。
1.0.2目前化工装置趋于大型化,蒸汽系统要适应多种模式、大 型化需要,因此本规范适用范围及定义也需要相应扩宽。
3.0. 1系统设计安全主要指保安措施设置,如调节放空、安全阀、 快速泄放的减压减温等设施。节能主要指考虑系统疏、放水回收、 凝结水回收等。控制灵活是指系统中抽汽、背压式汽轮机配合使 用、各母管之间备用(带压力跟踪的)减压减温管线的设置,可适应 化工装置在各种工况下的用汽需要。
3.0.2根据热负荷性质、特点,系统采用高参数还是中参数是需 要作技术经济比较的。在技术可行、经济合理的前提下,力求先 进。另外,还需把各级参数、等级一并确定。
3.0.3 根据系统中需拖动的大功率机泵功率、台数及热平衡需 要,确定驱动汽轮机的类型(背压式、抽背式、抽凝式、抽/注、注/ 凝、纯凝式等)及汽耗。确定机组类型时必须考虑系统负荷调节. 开、停车及正常工况均能稳定运行,不应该出现大量放空工况。
3.0.4根据已确定的热负荷、拖动机泵汽轮机用汽量及参数、余 热回收利用方案、回收凝结水数量,作热平衡计算(包括热电站自 用汽,站内及管网损失),确定电站锅炉、开工(辅助)锅炉参数及容 -≡.
里O
3.0.5根据系统中余热性质、温位高低和数量大小,确定余热利 用方式,做到充分利用能源。
3.0.6确认回收利用汽轮机凝结水和工艺冷凝液数量。洁净凝 结水和污染凝结水应分别回收处理。凝结水回收还要考虑以下问 题:
I凡是符合锅炉给水水质要求的凝结水都应回收;
2凡是加热油槽或有毒物质的凝结水,当有生活用汽时严禁 回收,当无生活用汽时也不宜回收;
3宜回收的高温凝结水利用产生二次蒸汽。不宜回收的凝 结水宜利用其热量;
4对可能被污染的冷凝水,应装设水质监测仪器和净化装 置,经处理达到锅炉给水水质要求的凝结水才予以回收。
4.1系统类型
4.1.1纯供热系统中仅有热源及用热设备的蒸汽系统。
4.1.2热电(功)联产供热系统有热源、热电联产供热机组、拖动 机泵做功的汽轮机及用热设备的蒸汽系统。
4.1.3含燃气轮机的供热系统,燃气轮机驱动工艺机泵或发电 机,排气温度在540oC左右,开式发电系统将其排气排入大气.这 是能源的极大浪费,宜回收利用这部分热能,通常将排气用作工艺 装置中工业炉的助燃空气,或供余热锅炉产生蒸汽。
4.2系统规模
4.2.1容量指系统总供汽量。以产汽设备总供汽量划分。
I供汽量小于或等于60t∕h的系统,其产汽设备单台容量为 20t∕h及以下,参数为低压,常用于小型化工企业中;
2 供汽量为61t∕h~2OOt∕h的系统,常用于中型化工厂中;
3供汽量大于2OOt∕h的系统,其产汽设备(包括余热锅炉) 一般为高(中)压设备,常用于大型化T.Γ0
4.2.2本规范所述的“压力”.是指蒸汽系统中压力最高的母管内 压力(表压).既非锅炉出口的.亦非汽轮机进口的压力.而是系统 公称压力。根据化工行业引进装置蒸汽系统压力等级及国内行业 划分,将蒸汽系统压力分为低压、中压、高压、超高压四级,因此本 规范按此进行分级。
5.0.1系统的组成,主要指蒸汽系统所应包括的热工单元。
为了使本规范的读者对“蒸汽系统”这个特定的名词有明确的 认识,必须对其作出定义和说明。根据是国外有关文献资料,且与 “工艺系统”相互对应。值得注意的是,本规范所指的“蒸汽系统” 超出了“蒸汽”的范围,从定文和组成说明看,它所包括的内容更加 广泛、更加深刻。
5.0.2耗汽户:
1蒸汽被用作化工原料参加化学反应,生成半成品或成品, 如合成氨炉中的原料气生成用汽,乙烯炉中的煙类裂解用蒸汽。
2利用蒸汽高速喷射,使液体成雾状的雾化蒸汽;利用蒸汽 高速射流携带周围气体形成负压的抽气用蒸汽;利用蒸汽高速射 流携带周围液体升高液体压力的注射用蒸汽;利用高速流动蒸汽 吹掉管道或设备内、外其他介质或物料的吹扫用蒸汽等。
3如轴封、密封及消防用的蒸汽。
4直接加热用汽包括各种混合式加热器(如除氧器等)用汽 等。
5间接加热用汽包括回热系统。如高压加热器、低压加热 器、暖风机、蒸发器、油加热器、伴热及夹套保温用汽等。
7釆暖及生活用汽通常都不能再以蒸汽的形态返回系统,如 暖气片、蒸饭、浴室、医院消毒用蒸汽等。
5.0.4蒸汽发生设备是所有产生蒸汽的设备或装置的总称。
1燃料锅炉是配合余热锅炉满足开车及正常生产用汽而又 需要外加燃料的产汽设备,所以把开工锅炉、辅助锅炉等也归入这 类设备。
2余热锅炉是吸收工艺介质进行化学反应时所释放出的热 量、工艺介质所拥有的多余热量、加热炉或燃气轮机排气(补燃量 为零或称无补燃系)中的热量、废气、废物料焚烧炉所产生的热量 等产生蒸汽的设备。
3蒸汽凝结水、管道疏水、锅炉排污水等的闪蒸扩容器。
5.0.6给水系统包括锅炉及余热锅炉的给水、工艺用除氧水、减 温水等的除氧和加热系统。
1补给水、给水加热:工厂低温余热介质富裕低压蒸汽应用 于预热补给水或加热锅炉给水,回收利用其热量;化工厂内的蒸汽 用作热源、驱动机泵等,用途多,压力等级也多,而且分布广,其回 水压力、温度及质量等都与火力发电厂不同,应采用分片回收,集 中加热。
化工厂中驱动机泵的汽轮机应不考虑设置回热系统,这样可 以使系统简化,提高驱动的可靠性。
2补给水、凝结水除氧:如果装置具有高中、低位余热或富裕 低压蒸汽可采用压力除氧器;对于供热系统补给水量大,可配置大 气式除氧器,利用低压蒸汽加热补给水,一方面除氧,一方面预热 给水。
给水加药是为了避免管道腐蚀,调节给水PH值,使PH值大 于8。此外,常在给水泵入口管中加氨处理。
5.0.7当被加热介质的温度要求高时,表面式换热器所用蒸汽压 力也相应提高,随之其凝结水的压力和温度也高。为回收凝结水 的热能,常设一级或多级闪蒸扩容器,回收闪蒸蒸汽。若闪蒸后回 水温度仍高于回水处理系统的温度要求时,应设回水冷却设备,如 预热除氧器的进水,以便把回水温度降至水处理系统所允许的范 围内。
为了回收锅炉排污水的热量.常设一级排污扩容器.回收闪蒸 出的低压蒸汽。闪蒸后的高温饱和污水,常设排污水换热器加热 除氧进水,或设排污降温池,加进冷却水降至40°C后排至下水道, 或将排污水管道沿地沟敷设一定距离,利用地沟水冷却后再排出, 也可利用排污水的碱度和热量来处理原水。
根据汽水质量标准要求,为监督汽水质量变化情况,在适当具 有代表性的部位设置取样点,并设置取样装置及其附属系统,进行 监测或调整。
蒸汽系统在正常运行期间及停车时,管内蒸汽凝结水排放应 设置疏放水设备及其附属设施。
5.0.8 1蒸汽分配器:汽源来的蒸汽,依靠各级母管、支管、配汽 站及分汽缸等配汽装置分配里J各个不同用户。
2减压装置:一般仅作房蒸汽负荷调节使用,如不同压力等 级蒸汽母管之间的备用或汽源压力高于用户要求而需要减小压力 的设施。
3减温装置:对汽源、汽轮机抽排汽温度过高而不符合工艺 和系统的要求时,则在用汽设备上游蒸汽管道上设置喷水减温设 施。
5安全装置:主要指超压排放设施。为防止设备、管道、阀门 等超压运行,除锅炉自身的安全阀外,各级母管上应设有重锤式或 弹簧式安全阀。凝汽式汽轮机的排汽缸上若未设泄压阀时,应在 其排汽管道上或凝汽器之外出现增压的地方设置泄压阀。
再循环装置:指再循环管及其所装的限流孔板。为防止给水 泵和凝结水泵在低负荷运行时产生汽蚀或过热,应设再循环管,使 部分水返回水箱。
6放空装置:一般指各压力级蒸汽母管上为控制母管压力而 设的放空调节阀。为了控制各级蒸汽母管的压力不至于因超高而 出现故障,在各级蒸汽母管上都应装设自动放空阀排汽口,由设定 压力值发出高值信号自动开启排空阀。
用于母管调压的对空排汽以及锅炉点火排汽管出口都应装设 消声器。对于向空排汽的排空阀,应由设定压力值发出低值信号 自动关闭。
5∙0∙9为了进一步节能,在化工和石油化工企业中,根据可能条 件(如是否有洁净的燃料),可设置燃气轮机及相应的排气利用系 统。
条
6.1拟定的依据
6.1.1蒸汽系统的设计要遵照上级批准的项目建议书和设计任 务书,以及有关文件中规定的工厂规模和发展计划进行设计。
6.1.2燃料品种、价格及匹源都直接影响到系统的经济性,甚至 涉及方案的制订,交通运输状况与燃料来源、贮存及灰渣处理方案 选择都有关系。
水源、地质及气象资料是确定水冷、风冷、凝汽压力、散热损 失、系统效率及设备投资等所必需的基础数据。
电力供应情况更是直接确定某些机泵是电动还是汽动,以及 是否要建立热电站的方案问题。
系统的负荷是各耗、用汽户所要求的供汽负荷之和。各耗、用 汽户泛指工艺、设备、电气、水道、暖通、水处理、仪表、贮运、环保、 化验及公用设施(医院、办公楼、学校、食堂、浴室、俱乐部)等。
6.1.3从设备制造厂得到的资料,或从有关手册、样本上査得的 技术特性数据,如汽轮机的升速图、惰走曲线、内效率图、抽汽图、 汽耗(或热耗)率图、变工况图等,以及燃气轮机在压气机进口参数 一定时出力随转速、排气温度而异的预估性能曲线,高程对出力与 燃料耗量的修正系数曲线,压气机进口温度对出力、空气流量及 热耗率的影响曲线,配余热锅炉的机械驱动(发电)用燃气轮 机随排气余热锅炉产汽参数、产汽量而异的做功(发电)热耗 值。
6.2系统拟定
6.2.1参数及容量相同的锅炉有利于管理,以及备品备件的准 备、炉子之间的启停切换、人员培训及技术掌握,这也是惯例。余 热锅炉产生的蒸汽也是补入系统的,应与系统参数一致才利于运 行。
6.2.2余热锅炉的蒸汽参数受到余热源温度水平限制,有条件时 应产生系统中最高参数的蒸汽;而开工锅炉往往因容量小而选用 中参数的蒸汽锅炉。
6. 2. 3电力部门的运行数据表明,燃煤锅炉小修间隔4个月〜6个 月(2500h~4000h),大修间隔丄 5 年〜2. 5 年(IOOOOh — 15Oooh)O 小修时要停炉4d~7d,大修时要停炉Ild〜22d,具体数据随锅炉 容量而异。化工生产是连续的,无检修用炉时,锅炉检修势必造成 化工装置停产。因此,对于工艺装置检修无法与全厂检修计划同 步进行的企业,以及生产管理水平达不到国内先进企业要求的工 程,设计不宜设置单台燃煤锅炉。2台或2台以上燃煤锅炉的总 容量可考虑备用和检修容量,但需考虑投资的可能。至于燃油锅 炉和燃气锅炉,则与工艺装置同步检修的可能性较大,且其控制水 平也与工艺相当,运行周期较长,升火、停火都较方便,稳定燃烧的 负荷率也远比煤粉炉要低.故对设置台数不作规定,视具体情况允 许设置单台炉。沸腾炉(含循环流化床式)需考虑检修用炉。
6.2.4减温器出口要有适当的过热度是考虑到蒸汽输送到用户 有一定的距离,沿程管路温度降等因素,可根据输送距离的远近适 当选取过热度。测温点距离要求理论上是6. 5m,与途径无关,可 确保出口温度波动在士3笆之内,实际设计应考虑IOm左右。 6.2.6为保证除氧效果而要求进水温度有一定的差值。
6.2.7对热电联产的供热系统在条件允许时尽可能使用一级除 氧。
6.2.9由于焊接技术与阀门制造水平的提高,现代设计的工厂蒸 汽系统中已少见到双母管或环形管网,这样可以减少热损失•简化 了管理,除非介质流量太大,因流速超过常规所允许的范围可用双 母管外,不推荐双母管制。
6.2.10在做全厂蒸汽平衡时使蒸汽产量和用量平衡,并有灵活 的调节手段。当事故状态低压母管的压力太高时,过量蒸汽可通 过调节放空阀泄至大气。
6.3纯供热系统拟定
6.3.1纯供热系统只设有锅炉房,所以用户主要是耗汽户,一定 要了解工艺生产的用汽特性,考虑其同时性程度,以防锅炉房容量 太大。
6.4热电(功]联产系统拟定
6.4.1最大容量机泵功率是确定系统里最高等级参数的依据之 一,确定系统参数除考虑热负荷参数、设备参数之外,尚应考虑是 否经济合理。大功率汽轮机用低参数不合理,同样,小功率汽轮机 不应采用高参数设计,因为流道面积小,叶高低,效率低。工艺余 热温位高低及拥有热量多与寡是决定余热锅炉参数与容量的依 据。
6.4.2提高初参数可改善热力循环效率;但要考虑材料的因素, 经过经济比较后才能最终确定。
6.4.3通常即使是复杂的工艺所需要的中间蒸汽压力等级,也不 会超出二级或三级。中间压力等级如果太多,会使系统复杂化,且 降低了系统运行的可靠性。
6.4.5生产中的数据都与工艺所提的机泵功率及热负荷值有所 出入,例如压缩机轴功率的保证值允许偏差4%,而绝大部分机泵 负荷都在设计值的5⅝~10⅝内波动,热交换器负荷却在设计值 10⅝~15⅝内波动,个别的更高。此外,从设计角度出发,设备的 设计能力应按实际出力105%〜110%考虑。
6.4.6在“以热定电(功)”的原则下大功率压缩机宜釆用蒸汽透 平驱动,为了节能根据蒸汽平衡的需要也可采用蒸汽透平驱动小 型机泵。
2要求用户在全年有连续4000h以上热负荷,如果低压汽用 户连续运行时间不到4000h,则不利于背压机运行。在运行时由 于热用户不稳定,势必将昂贵的蒸汽排空,还需装设消声器,造成 极大的浪费。
3经常性运行的机泵由汽轮机驱动可以节能,但开车时因为 系统还未产生蒸汽,可由电机驱动的泵先开起来,一旦有了汽就应 该切换为汽动泵运行。
4 凝汽式汽轮机的投资大,系统也庞大。可由表C. 0. 1查 出电动热耗值来,要求凝汽式汽轮机驱动机泵的电动热耗值小于 査出的值,这随汽源所用燃料品种而异。具体情况还得作投资回 收年限比较,如果汽动比电动略为节能,但投资昂贵,结果也要否 定汽动方案。
6.4.8工艺热负荷的波动难以与电力负荷或机械功的波动同步。 即使背压或抽汽背压式汽轮机的热、电负荷或热、功负荷可很好 地匹配,一年之中总会有不少时间出现工况偏离现象,当工艺 用汽量减少时,凝汽器负荷自动增加,以维持电负荷或机械功 恒定。
凝汽器的最大凝汽能力或称其储备能力,是为了适应开、停车 或装置异常工况,如化肥装置中的尿素部分出故障,而氨储罐还未 装满,这时合成氨部分还可继续维持生产,但尿素用的中压蒸汽若 是从合成气压缩机用的汽轮机抽出来,由于此时抽汽量减少,为了 维持合成气压缩机所需的轴功率(按额定负荷考虑),就得增加其 原动机一一抽汽凝汽式汽轮机的凝汽部分功率,所以凝汽量增大。 如果凝汽器是集中设置,即所谓几台汽轮机共用一台凝汽器时,彼 此可以通融,公用的集中凝汽器是为了节省投资,但对配管布置不 便,且运行时由于彼此制约,考虑蒸汽系统安全性,在每根进入凝 汽器的管道上应设置真空蝶阀和大气式安全阀,其成本不小。远 处的汽轮机凝汽压力应高于靠近凝汽器处的汽轮机的凝汽压力, 结果导致其汽耗率升高。所以,集中布置的公用凝汽器应尽量设 在各台大机组都适中的位置,而以靠近利用率最高的大机组为宜。 设置公用凝汽器的前提是节省投资,鉴于其公用性,所以设计能力 不能按单独设置时考虑,而应取小一些,根据目前掌握的情况看 来,国外设计一般取1.2倍〜1.25倍的正常凝汽量,结合我国情 况,放大到1.5倍。一般汽轮机的最小冷却蒸汽流量取8%,具体 多少以制造厂数据为准。所谓“额定功率”是指产品铭牌上具体规 定的“额定功率”值。这是我国现行产品数据,因为考虑抽汽量为 零时,即纯凝汽工况也能达到额定出力。
综上所述,假定某蒸汽系统处于完全正常运行工况,负荷是 100%,则该系统的最大允许(可能)凝汽量是下述数值之和:
1) 各纯凝汽式汽轮机的额定凝汽量;
2) 注汽凝汽式汽轮机在最大允许注汽量时的凝汽量;
3) 在系统内起调节作用的抽汽凝汽式汽轮机正常凝汽量的2 倍;但若该机组为发电机组,则为纯凝汽工况运行(额定出力)时的 凝汽量。
此外,发电用抽汽凝汽式汽轮机的凝汽器冷却水侧多为双回 程的,运行时可打开半边进行检修,如果说驱动工艺机泵用的抽汽 凝汽式汽轮机之凝汽器也这样配置的话,可为运行中检修带来便 利。
6.4.9 引进装置中的工业汽轮机凝汽压力值为0. 012MPa~ 0.0166MPa,一般汽轮机厂设计的工业汽轮机排汽湿度为8%〜 12⅜o
6.4.10对采用蒸汽轮机循环的大多数工业企业,有三级给水加 热已可满足需求。热电厂在供热高峰期为了增加供热量,可以关 闭所有的高压加热器。因此,为简化系统,化工企业的特点是余热 多,其给水加热级数应比电站系统少。
6.4.11这条是结合我国现有蒸汽锅炉及发电汽轮机的参数系列 制定的,其规格见表1,初参数波动时对汽轮机的汽耗影响见 表2。
表1汽轮机初参数波动值
|
锅炉额定参数 |
汽轮机额定初参数 |
汽轮机初参数波动值 | |||
|
压力[MPa(g)] |
温度(°C) |
压力[MPa(g)3 |
温度(°C) |
压力[MPa(g)] |
温度(笆) |
|
3.82 |
450 |
3. 43 |
435 |
3. 23-3. 63 |
42()〜445 |
|
9.81 |
540 |
8.8 |
535 |
8. 3〜9. 3 |
525-540 |
|
13. 73 |
540 |
12. 75 |
535 |
上限不超过额 定值的105% |
525〜540 |
表2汽轮机进汽参数变化引起的汽耗变化率
|
汽轮机类型 |
初参数对•额定值的偏移额 |
汽耗变化率(%) |
|
中压及高压 |
汽温每降低70C |
十1 •. |
|
汽温升高8°C〜9°C |
-1 | |
|
中压(喷嘴调节) |
汽压每降低5% |
÷1 |
|
汽压每提高5% |
-0. 6 | |
|
高压(喷嘴调节) |
汽压每改变+1% |
-0. 7 |
|
汽压每改变一1% |
÷0. 7 |
我国从西方引进的大型化肥及石油化工装置的主蒸汽管内流 速都较低(15m∕s~25m∕s).绝热良好,从实际生产来看,沿程损失 较小,从锅炉的过热器出口至主汽轮机进口,参数上两处改变不明 显,这正是国外设计重视节能的表现,我国目前电站内部釆用的流 速是借鉴苏联的,参见表3。
表3蒸汽管道推荐流速
|
_____管道种类 |
推荐流速(m/s) |
|
由锅炉至汽轮机的主蒸汽管道 |
40 〜60 |
|
汽轮机的抽汽管道 |
35 〜60 |
|
饱和蒸汽管道 |
30~50 |
|
至减压减温器的蒸汽管道 |
60 〜90 |
6.5带燃气轮机的系统拟定
6.5.1这是从蒸汽平衡要求出发,否则蒸汽参数不一致,无法并 入管网.使系统复杂化。同时也得注意有的燃气轮机本身还喷入 部分蒸汽,以提高出力,这部分汽也是取自蒸汽系统,有时燃气轮 机本身的启动机是一台小背压汽轮机,尽管功率较小,但在作开车 工况的平衡时应计入其耗汽量。
6.5.3将燃气轮机排气用作助燃空气,既能节能,又能使系统简 化,节约投资,应为首选方案。目前电站用燃气轮机均将排气送入 余热锅炉回收显热。
所配余热锅炉的蒸汽参数应与装置蒸汽系统相匹配,蒸汽产 量参与装置蒸汽系统平衡。余懇锅炉应根据蒸汽系统平衡状况考 虑补燃型或非补燃型,以增强系袞灵活性。
6.6蒸汽平衡图
6.6.1平衡是基于正常操作工况作出的。必须对异常操作工况 进行检验,平衡需考虑以下因素:
开车工艺产生蒸汽量最少;大量的蒸汽突然性放空;冬季热负 荷升高;电源故障;工艺压缩机跳车;表面式凝汽器泄漏。
上述各项,只是列出比较重要而又必须要平衡的操作工况。 实际上,除正常、最大(冬季及夏季)工况外,汽源的锅炉停一台,最 大功率的机泵出故障等,都对工厂蒸汽系统有较大的影响,使其平 衡又是另一种情况。作为工厂蒸汽系统,除确保开车、正常、最大 负荷外,还必须确保的工况是:全装置70%负荷运行;中压蒸汽抽 出量最大的汽轮机跳车;注汽量最大的汽轮机跳车;电源中断能安 全停车;中压蒸汽抽出量最大的汽轮机跳车时,减压减温器装置要 能及时投入,否则一连串中参数汽轮机将不能连续稳定运行,造成 T.厂停车。注汽量最大的汽轮机跳车势必导致低压管网压力升 高,从调节上要能确保尽量减少向空排汽量,又能稳定低压管网压 力。电源中断时全厂必然紧急停车,工艺管道需要吹扫,触媒需要 维持温度,系统要能提供平稳安全停车所必需的蒸汽量。
7.0.1参照国家现行标准《火力发电厂设计技术规程》DL 5000 第8. 1. 1条及《小型火力发电厂设计规范》GB 50049第6. 1. 4条 之二制定本条。
7.0.2汽机的选择应符合国家热电联产的有关规定及国家综合 利用的产业政策并参照国家现行标准《火力发电厂设计技术规程》 DL 5000—2000第10. 1. 3条及《小型火力发电厂设计规范》 GB 50049—94第 8. 1 节规定。
汽轮机设计时是按额定进汽参数,通常负荷在额定值的90% 以上效率最高,如果进汽参数变化,应适当修正,因是常年连续运 行,在效率最高点附近运行是为了节能的需要。此外,汽轮机本身 的投资远比同功率的电动机要高,所以一般情况不宜作为常年备 用设备对待。总之,汽轮机是蒸汽系统中热能综合利用的好坏的 关键性用户,要根据工艺热负荷和被驱动机泵的功率、转速范围要 求,结合所拟订的蒸汽系统参数等级,经过多次调整机组的搭配方 式,就可选择出合理的各台机组来。具有持续稳定热负荷时,宜首 选背压机。
7.0.3参照国家现行标准《火力发电厂设计技术规程》DL 5000 第10.8.3条。减压减温器是否设备用视工程具体情况确定,如果 釆用进口产品质量好,能与化工装置同步检修,可不设备用。
7. 0. 4除氧器能力是以蒸汽系统内设备的最大给水耗量求得的, 并考虑一定的裕量,引进装置都是采用单台大容量的除氧器。除 氧器水箱有效容积的大小在化工蒸汽系统中按需除氧的水量确定 更准确。本条不适用于热电站除氧器选择。热电站用除氧器选择 可按照现行国家标准或电力行业规范执行。
8.1系统控制分类和要求
8.1. 1当今化学工业、石油化工等行业的发展,已向基地化、大型 化、集成化、现代化大踏步迈进,也就是以某一产品为核心,实现 上、中、下游产品链全面配套,公貝工程等一体化的要求也伴随而 生。近年所建成的一些工程情混表明:一个建设项目少则几套,多 则十几套装置成系统同时配套建设,以实现最佳经济效益。
对于化工蒸汽系统而论,单套化工装置和多套装置的控制是 有所不同的,在单套化工装置中这样控制是合理的,但对于具有多 套装置的全厂性控制就不一定合理,设计中需要引入一体化概念, 要融入安全可靠、节能、提高物料综合利用的理念。具体工作时, 各化工装置可根据自身的特点和要求,先进行单套装置控制系统 的方案设计,再进行全厂性控制系统的方案设计;当二者矛盾,不 合理的地方再进行协商、调整、优化、最终确定切实可行的方案,不 能各顾各,造成全厂性的极大不合理(包括大的供、用汽方案),造 成人力、物力、财力、能源等方面的浪费,运行一段时间后被迫进行 改造.这在以往的工程中出现过。
8.1.2化工产品繁多,相应化工厂蒸汽系统的具体组成各异, 根据对部分进口、国产大中型装置的调查了解,不同的装置、不同 的供热方式,其系统和控制要求是有所不同的,不能千篇一律。因 此在进行系统控制设计以前,必须首先明确其供热方式,了解化工 工艺等对本系统的一般要求,以及开车、停车、升降负荷、事故状态 等的特殊要求,并对这些要求进行充分的分析研究,再结合其他有 关问题的考虑,以确保总体系统、装置安全为核心,做到既要满足 本系统的调节控制需要,又要有相当的应变能力,也不使所设置的 仪表装置多余。这样在系统设计中,所配置的自控、遥控、检测、 联锁、报警等仪表装置才能合理。
8.2系统内压力控制
8.2.2各压力等级蒸汽母管的压力调节、控制设计,应根据进入 各压力等级蒸汽母管的汽源等因素.优化确定压力调节、控制手 段,通过母管压力信号去控制调节与之有关的部位,以确保母管 压力在各种工况下的安全、稳定,这对整个蒸汽系统来说是至关 重要的;本条还特别规定了各压力等级蒸汽母管上必须设置一定 数量的安全阀,作为最后的悝安措施。
在各压力等级蒸汽母管上设置一定数量的安全阀,是因为仅 仅依靠汽源设备上的安全阀是不够的,还必须考虑其他安全措施。 为了说明此问题的重要性,举以下两个生产中的实例加以阐述:
某厂一个大的低压蒸汽用户,因某种原因,忽然将进装置的 低压蒸汽管上的切断阀关闭了,而此时汽源设备乂来不及调整,低 压蒸汽母管上设置的三个安全阀,一个接一个全跳了,由于及时泄 放,从而保证了管网和设备的安全。
某厂原始开车时,一台大消耗量的用汽设备蒸汽输不进去,而 此时低压蒸汽锅炉的压力已憋的很高,汽包已超压了,但其上的 安全阀未跳,可能是安全阀长期没有使用或其他原因而失灵了 .由 于操作人员发现得早,及时处理了,才避免了事故的发生。停车 后经检查发现,此用汽设备蒸汽管道上所设置的流量孔板被一个 大的鹅卵石堵死了。这都是开车前蒸汽管道清理、吹扫不干净所 造成的。
8.2.3宜根据最高压力等级蒸汽母管压力自动调节:外加燃料 的汽源设备的燃料加入量,放空调节阀的排放量(对于高压放空 调节阀是否设置,目前有两种做法,如引进氨厂,有些国外大公 司的设计设有高压放空调节阀,只在开车时使用,运行时关掉此阀 的根部阀;有些国外大公司的设计从安全、减噪和泄漏不好处理 的思路出发,不设置高压放空调节阀,而通过备用减压减温装置 向下一级母管泄放),或由备用减压减温装置向下一级母管泄放、 而后经由下一级母管的放空调节阀排至消音器后入大气,来维持 母管压力的稳定,这就是我们常说的PlCO调节外加燃料的汽源 设备燃料量的取压点的设定值,为正常工作压力值;高、中压母 管之间的备用减压减温装置的(减压)调节阀(组)开度,是由高值 选择器根据同时送入的高、中压母管压力信号,选其较强者为依据 而进行分程调节(A、B阀组)的,取压点的设定值比放空调节阀设 定值高,比安全阀较低整定压力值低,另外,备用减压减温装置也 作为下一级蒸汽母管压力低时(低于下一级蒸汽母管允许下限值) 通过此装置补汽(即低选,取压点为下一级蒸汽母管)。
如果在系统中设有高压汽轮机,就必须考虑当高压汽轮机因 某种原因突然跳车,而自动调节应答性能跟不上,瞬间高压蒸汽无 出处•高压蒸汽母管压力迅速大幅度上升;所设高压汽轮机若为抽 汽凝汽式、背压式(从节能、逐级利用出发,高压段不应设置全凝 机),则下一级蒸汽母管压力将会大幅度下降。为确保高压蒸汽系 统安全、避免高压蒸汽放空和保证下一级蒸汽母管的需要,高压汽 轮机应设置与备用减压减温装置中的快速泄放阀的联锁,一旦跳 车,高压蒸汽能迅速通过此阀并经减温后泄放至下一级蒸汽母 管,这个快速泄放阀应单独设置,在大型合成氨装置中叫一秒阀, 意即要求一秒钟就需打开。在常规设计中,一般是将快速泄放阀 与上述A、B阀组成三阀组,共用一个减温器。
8.2.5各压力等级蒸汽母管上3个主要阀门设定(整定)值取值 的建议:
1可调主汽源调节阀,以蒸汽母管正常工作压力值进行调 整;
2放空调节阀的开启压力见表4;
4几个安全阀整定压力中的最高值可取:《蒸汽锅炉安全技 术监察规程》(中华人民共和国劳动部,1996年)中的安全阀高限 整定压力值,见表4。
表4蒸汽母管放空调节阀、安全阀的开启(整定)压力
|
额定蒸汽压力 (MPa) |
放空调节阀开启压力 (MPa) |
安全阀整定压力最高值 RmaX(MPa) |
|
≤0. 8 |
P+0. 02 |
P + 0. 05 |
|
0. 8 — 5. 9 |
1. 03P |
1.06P |
|
>5.9 |
1. 04P |
1. 08P |
注:开启(整定)压力栏下的P值为该阀安装处的工作压力。
上述各自动调节点设定值最终选取多少合适,应根据具体工 程对蒸汽系统的要求确定。
8.2.7 一般而论,当调节阀的动力或信号故障时,放空调节阀应 处于开启状态;其实不然,有些装置当上述故障发生时,某些部位 还需要某种等级蒸汽进行保护来达到安全停车,这时如果把此等 级残留的蒸汽全放了,可能导致事故的发生。因此在绘制PlD图 时,一定要事先了解化工工艺专业在此种工况下对蒸汽的要求, 在PlD图上对放空调节阀标示为F。还是Fc,否则会出问题。
8.2.8各压力等级蒸汽母管上设置安全阀是最后一道保安措施, 如设置一个,特点为排放量大,泄压快,否则有可能会产生因安全 阀长期不用而失灵,从而导致事故。如将其分为2个〜3个,则每 个阀的排放量相对地减少,再加上设定值不一样.如超压不多打开 一个,再超压再打开第二个、第三个,这样一方面可减少排放损失, 另一方面如一个失灵,还有第二个、第三个。虽然这样做一次投资 可能会增加,但与发生事故相比显然是微不足道的。
实践表明,备用减压减温装置不但在正常运行时起作用,对开 车前的准备工作、单机试车、装置开车、事故状态等同样至关重要。
8.3 系统内温度控制
8.3.1蒸汽温度调节方法:
第一种方式是从蒸汽侧冷却过热蒸汽。可分为:用锅炉给水 或炉水,间接吸收蒸汽中热量的面式减温器;用锅炉给水或蒸汽 冷凝液,直接喷射到过热蒸汽中,以降低过热汽温的喷水式减温 器。
第二种方式是从烟气侧改变过热器的吸热量。可分为:改变 过热器烧嘴的燃料加入量(如设置了过热器烧嘴的装置)、烟气再 循环、改变通过过热器的烟气量等方法来调节过热汽温。
汽温的调节方法很多,而各种方法各有其优缺点,在应用时 应根据具体情况选择,从而达到控制过热蒸汽温度的目的,以符合 系统设计的要求。 ―
8.4系统内流量控制
8.4.1对正常运行的锅炉给水泵、表面式凝汽器的凝结水泵等, 与备用泵之间考虑联锁,其目的在于确保锅炉给水的供应,维持 热井的液位、以保证凝汽器的正常运行;发出的声光报警信号提 醒操作人员注意,应及时检查各方面情况,监视备用泵是否自启动 并进行相应的操作,以防事故的发生。联锁值应根据具体工程内 容确定。
在泵的出口管线上设回流管线,这主要从开车、低负荷状态下 运行、正常运行时的负荷变化等方面的需要出发,为保证泵安全 运转而设置。回流点对于锅炉给水泵为除氧水箱,凝结水泵为热 井;另一方面为了自动调节需要,如表面式凝汽器的凝结水泵应根 据热井液位来调节泵出口流量并调节回流管上调节阀开度,也就 是一个信号两个相反作用来维持热井液位(条文中表述了两种方 法,差别在于回流管上调节阀信号来源不同)。对于在大型装置 系统中所设置的锅炉给水泵,其出口还应设置有开工回流管线(开 工回流管线在开车过程中使用),以便于开车调节和保护泵的安 全。
对于采用调速型凝结水泵的,上述功能可采取调节凝结水泵 流量和调节回流管上调节阀开度相结合的方法实现。
回流管线的大小要适中,一般以泵的最小流量为宜。对锅炉 给水泵,如泵出口流体压力高或较高的,其回流管线还需设一级 或多级限流孔板,一方面限流,另一方面降压,以避免对回流点的 影响;如回流管线上设置有调节阀,则利用调节阀完成此两项任 务,但调节阀价格较高。
8.4.2当利用化工工艺余热加热锅炉给水,且为两条或两条以上 并联线路时,应只考虑一条线路为流量自动调节,其余手动或遥控 (HIC),目的在于保证调节质量,以免引起调节上的震荡。
8.4.5这些措施在以往的一些工程中早已运用,效果较好,对考 核、分析问题,指导生产、节能都有利;但有的业主(或设计者)为了 省钱(或观点不同)不愿意设置,认为系统有一个总量检测就可以 了,不必分项检测。
根据实践,对于在汽轮机入口蒸汽管线上、抽汽管线上设置流 量检测仪表,可对汽轮机进行单机考核,装置正常运行时可监视汽 轮机的运行情况,如有问题可根据检测到的数据进行分析、处理; 对于在输往大的蒸汽用户蒸汽管线上设置流量检测仪表,可对大 的蒸汽用户用汽情况进行检测,掌握运行情况,如有问题,可根据 检测到的数据进行分析、处理;在放空调节阀所在蒸汽管线上设置 流量检测仪表,一方面用于装置或系统考核(考核计算能耗时应扣 除放空量),另一方面正常运行时便于了解放空情况,如放空量 大,可根据检测到的数据,对系统进行局部调整和整改.以期达到 最佳效果,即设置放空调节为了稳定管网压力和保安,减少放空量 为了节能。
8.5系统内水、汽品质的控制
8.5.1由于水、汽品质控制不好,国内一些企业发生的事故还是 不少,导致化工装置长期停车(如脱盐水水质不好、除氧效果不好、 锅炉给水PH值控制不好等),当然这其中有些事故发生的原因与 操作不当或误操作有关。
本条目的在于要求设计者设计的系统内水汽品质的控制、所 采取的措施、应达到的效果必须满足现行国家标准《火力发电机组 及蒸汽动力设备水汽质量》GB/T 12145和现行国家标准《工业锅 炉水质))GB∕T 1576标准中的要求,这样才能从设计的角度确保 系统的安全。
8.5.2此条规定的目的在于确保锅炉给水的品质,以保护本系统 的所有设备、管道维持正常运行。
8.5.3对于装置中具有高、中压蒸汽发生设施的系统,其锅炉给 水应为经除氧后的脱盐水(或包含部分蒸汽凝结水),脱盐水的 PH值一般为7左右,对于锅炉雷水来说这个值偏低了,容易引起 酸性腐蚀;为了保护管道和设备,应在锅炉给水泵进口管的上游进 行加氨处理,以维持PH值在8. 8-9.3,这样可避免酸性腐蚀;在 锅炉给水泵进口管的下游设置PH值检测装置,就是为了检査PH 值和指导操作,以随时调整加氨量。在锅炉给水泵进口管的中游 设置水质取样点,这样便于将自动检测和手工分析对照,找出问 题。
另外,脱盐水(或包含部分蒸汽凝结水)经热力除氧后为消 除残余氧,尚需在除氧水箱中(水侧)加联胺;为消除残硬往汽包 中(水侧)加磷酸盐。其量应根据运行时的常规分析数据进行调 整。
从以往的一些工程中发现,加药系统虽小、简单,但设计不太 规范.从而导致有些设计不合理,也发生过不少问题,这些问题只 能在现场处理。为规范设计,根据实践中行之有效的经验,在此以 条文形式明确了加药系统设计的基本内容。
8.5.4 对于化工工艺系统,此条中所要求设置的水质检测仪表 等,是对返回化水装置进行处理的蒸汽凝结水的水质进行监视.如 被污染、未达到化水装置对返回蒸汽凝结水的进水要求时应报警、 自动排放进入工厂污水处理系统并计量,其目的在于保护化水装 置的正常运行,确保除盐水的品质。
对于汽轮机、表面式凝汽器的蒸汽凝结水,如果是收集后返回 化水装置处理的,假如因某种原因表面式凝汽器的冷却水管破裂, 检测到冷却水已漏入蒸汽侧,这个污染问题不太大,不需要就地排 放,照样返回化水装置处理;如果表面式凝汽器的蒸汽凝结水是直 接返回除氧器的,检测到被污染,此时就应切换到旁路返回化水装 置进行处理,而不能直接进除氧器了。
9.0.1将全部可利用的余热合并到总的蒸汽系统中进行平衡,这 是一条提高余热利用效率的有效途径。视具体工程,如距离较远, 余热量较少,可采用就地利用的方式。
2余热分级回收利用,可以减少有效能损失,使能量利用趋 于合理。
4设计中应考虑£热数量及参数变化时的相应对策。这样 当余热量不足或参数波动时,不致影响正常生产。例如,在使用闪 蒸的二次蒸汽作为除氧器用汽时,通常把二次蒸汽管接入系统内 的同等级蒸汽管网,以免在二次蒸汽不足或参数波动时,影响除氧 器的正常工作,引进装置系统就是这样设计的。又如利用燃气轮 机排气作为助燃空气时,要考虑燃气轮机停车时,可由备用的鼓风 机送风。
9.0.2 如利用化肥工业合成氨装置的二段炉出口工艺气体 IOOOOC左右(或一段转化炉出口工艺气体约900°C)和一段蒸汽转 化炉对流段500。C〜600°C高温位余热产生蒸汽,以及利用一段转 化炉对流段高温烟气过热高压蒸汽等载热体的温度都在500oC以 上。
9.0.3中温位余热温度区域较宽,合成氨装置的高温变换炉、合 成废热锅炉、蒸汽转化炉对流段加热锅炉给水及其他介质等载热 体温度都在此范围内。
在炼油企业,经常利用160°C〜200oC的油品余热产生 0. 3MPa低压蒸汽。
9. 0. 5凝结水是汽源的主要原料之一,同时载有一定的热量,提 高系统的凝结水回收率对提高企业蒸汽系统的经济性具有重要意 义。近年来国家实行节能、减排、循环经济战略,蒸汽凝结水应最 大限度利用,回收率要求大于80%,可参考《化工蒸汽凝结水系统 设计技术规定》。
10.0.1本条所列调整内容是拟定系统并进行优化时应该考虑的 主要问题。
10. 0.2投资和技术优化往往是矛盾的,需要作一些协调处理,在 现有给定投资数额下,不能过分强调某一指标的优越,要作全面权 衡,这就要作一些调整,以寻求技术与经济的统一。
10.0.3对本条提到的有关数据算法说明如下:
发电煤耗:普通凝汽式电厂的(毛)发电煤耗是指发电机端子 上输出每kW . h电能所消耗掉的燃料量(g∕kw ∙ h),常折成标 准煤Qnet.ar = 29. 31MJ∕kg若换算成热量值,则称(毛)发电热耗 (kJ/kW ∙ h)o
供电煤耗:发电厂每供一度电所消耗的标煤量(g∕kW ∙ h), 即净发电量计入发电厂内升压变压器损失所分摊的煤耗。2007 年我国供电平均煤耗是357g∕kW ∙ h,其中五大电力集团供电平 均煤耗是346g∕kW ∙ ho目前我国大型燃煤电厂的锅炉效率一般 在90%以上,大型机组烟煤锅炉的效率有的达到94%。2007年 我国电厂平均厂用电率为5.83%,其中火电6.62%。
电动煤耗:电动机输出端的煤耗可称之为电动煤耗,是在供电 煤耗的基础上加上至用户变压器的输电线损以及用户变压器和电 动机损失和联轴器的机械损失后所得到每kW ∙ h的煤耗量 (g∕kW ∙ h) o
输电线损率,2007年我国平均值为6. 85%。
为了计算表5各特性数值,取:
电厂自用电率:6. 62% ( 2007年我国燃煤电厂平均为 6. 62%)
发电厂内升压变压器损失:2%;
综合输电线损≈6.85⅜(2007年我国平均值为6.85%);
用户受电端至电动机的损失:2%;
IOOokW以上的电动机损失:2%。
据全国平均的供电煤耗357g∕kW ∙ h和上述指标,可算出表 5各特性数值。
表5国内发电厂平均煤耗及热耗参考值
|
J 电厂燃料品种 指标 |
煤 |
|
供电煤耗(g∕kW ∙ h) _______供电热耗(kJ∕kW∙h) |
357 10464 |
|
毛发电煤耗(g∕kW・h) 毛发电热耗(kJ∕kW∙ h) |
326.70 9576 |
|
净发电煤耗(g∕kW・h) 净发电热耗(kJ∕kW - h) |
349. 86 10254 |
|
电动煤耗(g∕kW - h) 电动热耗(kJ∕kW ∙ h) |
399. 06 • 11696 |
热电联产时的发电煤耗或发电热耗计算法与前述有所区别, 有热量法和实际焰降法两种,国内外都釆用热量法,或叫“好处归 电法气发电热耗定义为:
发电时需要补充的热量与净发电之比值。计算式:
⅛*⅛⅛ =热电站锅炉总热耗一纯供热锅炉房热耗 /1、
夂电枉— 毛发电量一辅机用电差额△ ‘,
其中锅炉的热耗是锅炉燃料消耗量与其低热值的乘积;辅机 用电差额△等于热电站辅机用电量减去纯供热锅炉房辅机用电 量。
供热热耗数据(见附录C表C. 0. 2)是基于下述假定算得的,
即:
工业锅炉房= 10t∕h,1.3MPa饱和蒸汽锅炉;
锅炉效率:燃煤75%,燃油80%,燃气82%。
供热锅炉房自用电量:燃煤78kW,燃油60kW,燃气50kWo
热电站供热按煤粉炉考虑:锅炉效率91%;供热用电量
6. 26kW ∙ h∕GJo
锅炉给水104°C,生水30°C,排污率5%;大气式除氧器效率 98%。
按凝结水箱置于锅炉房内,釆用开式系统,故取凝结水温为 99°C(表 6)。
表6凝结水回收状态及煤耗热耗对比参考值
|
卞回收情况 燃料品种 指 标 |
回水率约80% |
不回收 | ||||
|
煤 |
油 |
天然气 |
煤 |
油 |
天然气 | |
|
锅炉房供汽(1.3MPa饱 和蒸汽)标准煤耗(kg/t汽) |
112.918 |
105.868 |
103.289 |
124.053 |
116.332 |
113.507 |
|
计自用电时锅炉房供热 时的供热热耗(GJ/GJ) |
1.2859 |
1.1982 |
1.1642 |
1.4125 |
1.3165 |
1.2793 |
|
大型燃煤热电站供热时 的供热热耗(GJ/GJ) |
1. 1150 |
1.2210 | ||||
10.0.5电厂输出电能及机械功的热耗,按发电厂的供电热耗值 考虑,不考虑输电线损及其他配电损失,目前为:
HR = O. 357X29310 = 10463. 67elO464(kJ∕kW ∙ h) (2) 电动热耗含义与电动煤耗同,因计算功率时,是取电机输出端 值(相当于机泵功率),所以要计入输电线损6. 85%,企业变压器 及电动机各损失2%,按电厂供电煤耗值为0. 357kg∕kW ∙ h,则:
F- = O.93'15X^98XO.98 = 11696- 31≈11≡(RJZkW " h)
(3) 系统所用的其他能源及耗能工质所折算的热量可参照现行国 家标准《综合能耗计算通则))GB∕T 2589-2008,以下数据仅供参 考:
新水 ≈2510kJ∕m3;
软水 i14320kJ∕m3s
压缩空气= 117OkJ∕Nm3;
氧气:11720kJ/Nm3;
氮气 ≈19660kJ∕Nm3o
• 68 •