ICS 29.020
J 09
GB/T 5226.1—2019/IEC 60204-1:2016
代替 GB 5226.1 2008
EleCtriCal Safety Of machinery—EleCtriCal equipment Of machines— Part 1: General requirements
(IEC 60204-1 :2016<Safety Of machinery一EIeCtriCal equipment Of machines Part 1 :(Jeneral requirements,II)T)
2019-06-04 发布
2020-01-01 实施
附录C (资料性附录)GB/T 5226本部分涉及的机械示例
附录D (资料性附录)机械也气设备中导絞和电缆的载流容量和过电流保护
附录NΛ (资料性附录)与规范性引用的国际文件有一致性对应关系的我国文件
-ɪɪ-. —1—
刖 百
GB/T 5226《机械电气安全 机械电气设备》分为如下部分:
——第1部分:通用技术条件;
——第6部分:建设机械技术条件;
—第7部分:工业机器人技术条件;
第H部分:交流电压高于1 OOO V或宜流电压高于1 500 V但不超过36 kV的通用技术 条件;
—第31部分
缝纫机、缝制单元和縫制系统的特殊安全和EMC要求;
起重机械技术条件;
半导体设备技术条件;
机床技术条件。
——第32部分
——第33部分
—第34部分
本部分为GB/T 5226的第1部分。
本部分按照GB/T 1.1-2009给出的规则起草。
本部分代替GB 5226.1 2OO8≪机械电气安全 机械电气设备 第1部分:通用技术条件》。与 GB 5226.1 -2008相比.主要技术变化如下:
—増加了高海拔地区使用的设备有必要降低的相关因素(见4.4.5):
电源切断开关装置是插头/插座组合时.对其提出相关要求(见5.3.3);
—X寸电源切断装置的操作装置提出新要求(见5.3.4);
用自动切断电源作防护对不同接地形式的电源系统提岀具体要求(见6.3.3);
——提出确定电气设备的短路电流定额的要求(见7.10);
——对保护联结电路做出更多规定(见8.2);
—増加了不少控制功能例如监控无线控制系统控制机械的能力等(见9.2);
—控制电路故障的防护做了更详尽的规定(见9.4.3);
—技术文件有全新的规定(见第17章);
对电絞和电缆的安装方法做了新要求(见附录D);
——增加了附录H.专门讨论减少电磁影响的措施(见附录II);
—增加了附录1.为用户提供冇关信息(见附录D0
本部分使用翻译法等同采用IEC 6O2O4-h2Ol6≪机械安全 机械电气设备 第1部分:通用技术 条件》。
与本部分中规范性引用的国际文件有一致性对应关系的我国文件见附录NAo
本部分做了下列编辑性修改:
标准名称改为《机械电气安全 机械电气设备 第I部分:通用技术条件》;
—増加了资料性附录NAo
本部分由中国机械T:业联合会提出。
本部分由全国工业机械电气系统标准化技术委员会(SΛC∕TC 231)归口。
本部分起草单位:国家机床质监督检验中心、固高科技(深圳)有限公诃、北京大豪科技股份有限 公司、广东产品质址监督检验研究院、北京经纬纺机新技术有限公司、浙江省机电设计研究院有限公司、 上海电气集团股份冇限公司中央研究院、中联重科股份冇限公司、浙江凯达机床股份有限公司、济宁科 力光电产业有限a任公司、宁波弘讯科技股份有限公司、浙江琦星电子有限公司、华测检测认证集团股 份有限公司、卡特彼勒(中国)投资有限公司、中国质鼠认证中心、青岛宏大纺织机械有限责任公司、皮尔 磁工业自动化(上海)有限公司。
本部分主要起草人:黄祖广、龚小云、赵钦志、薛瑞娟、胡文海、李志宏、武艳红、姜耀林、陈忠、曾物、 何宇军、于俊贤、蒋峥、黄麟、阴昆、陈晓斌、刘泽华、何捷、王江东、邵松始、黄之炯。
本部分所代替标准的历次版本发布情况为:
GB 5226.1 1985.GB/T 5226.1 1996>GB 5226.1 2002、GB 5226.1 20080
GB/T 5226的本部分对机械电气设备提出技术要求和建议,以便促进提高:
—人员和财产的安全性;
——控制响应的一致性;
——维护的便利性。
本部分使用指南参见附录F。
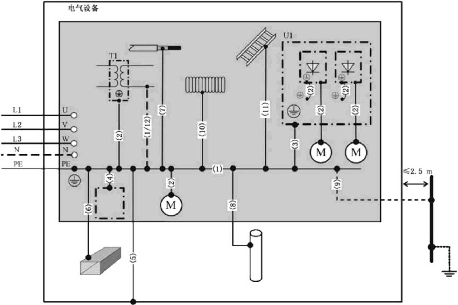
图1有助于理解一台机械各个环节及其相关设备间的相互关系。图1为某典型机械和关联设备的 框图.它示出本部分所涉及电气设备的各个环节。圆括号内的数字为本部分的章:条号•从图1可看出 所冇各环节包括防护装置、工貝•/卡貝•、软件和文件共同构成该机械.而旦一台以上机械至少通过一级监 控共同工作.构成制造系统或制造单元。
图1典型机械框图
1范围
GB/T 5226的本部分适用于机械(包括协同工作的一组机械)的电气、电子和可编程序电子设备及 系统.而不适用于手提工作式机械。
注1:本部分是通用标准.不限制或阳碍技术进歩。
注2:本部分中的“电气”一词包括电气、电子和可编程序电子三方面(如电气设备是指电气设备、电子设备和可编程 序电子设备)。
注3:就本部分而言.“人W(PCrSOn) -词泛指任何个人包括受用户或其代理指涙,使用和管理上述机械的人•
本部分所论及的设备是从机械电气设备的电源引入处开始的(见5.1)o
注4: IEC 60361系列标准给出了建筑物电气装置的要求C
本部分适用的电气设备或电气设备部件.其标称电源电压不超过1 000 V a.c.或1 500 V d.c.∙额定 频率不超过200 HZe
注5:工作在较高标称电源电压的电气设备或电气设备部件的要求见IEC 60204-1 1.
本部分不包括所冇技术要求(如防护、联锁或控制),这些要求是其他标准或规则为保障人身免遭非 电气伤害所需要的。对有特殊要求的各种类型机械对安全性可提出特殊要求。
本部分具体适用于(但不限于>3.1.40所定义的机械电气设备。
注6:附录C所列举的机械.其电气设备属于GB/T 5226本部分的范围.
本部分未规定下述机械电气设备的附加和特殊要求:
— 露天(即建筑物或其他防护结构的外部)机械;
使用、处理或生产易爆材料(如油漆或锯末)的机械;
—易爆易燃环境中使用的机械;
一当加「.或使用某种材料时会产生特殊风险的机械;
—矿山机械;
一 缝纫机、缝制单元和缝制系统(包括在IEC 60204-31中);
— 起重机械(包括在IEC 60204-32中);
——半导体设备(包括在IEC 60204-33中)。
直接用电能作为加匸手段的动力电路不属于GB/T 5226本部分的范围。
2规范性引用文件
下列文件对于本文件的应用是必不可少的。凡是注口期的引用文件.仅注日期的版本适用于本文 件。凡是不注日期的引用文件.其最新版本(包括所有的修改单)适用于本文件。
GB/T 16754 2008 机械安全急停设计原则(ISO 13850 i2OO6.1DT)
GB/T 16895.3 2017低压电气装置第5-54部分:电气设备的选择和安装接地配置和保护导 体(IEC 60364-5-54: 20 IljDT)
GB/T 16895.5 2012 低压电气装置 第4・43部分:安全防护 过电流保护(IEC 60364-4-43: 2008,1DT)
GB/T 16895.6 2014 低压电气装置 第5-52部分:电气设备的选择和安装 布线系统 (IEC 60364-5-52:2OO9・IDT)
GB/T 16895.21—2011 低压电气装置 第4-41部分:安全防护 电击防护(IEC 60364-4-41: 2005,11)T)
GB/T 16895.22-2004建筑物电气装置 第5-53部分:电气设备的选择和安装-隔离、开关和控 制设备 第534节:过电压保护电器(IEC 60364-5-53:2001 JDT)
(;B/T 16895.23—2012 低压电气装置 第 6 部分:检验(IEC 60364-6;2006.IDT)
IEC 60034-1 旋转电机 第 1 部分:定额和性能(ROtating electrical machines ParI 1 : Rating and PerfOrmanCC)
IEe 60072(所有部分) 旋转电机尺寸和输出功率等级(Dimensions and OUtPut SerieS for rotating CICCtriCal machines)
IEe 60309-1 T-业用插头插座和耦合器 第1部分:通用要求(PIUgS.socket-outlets.and COIIPIerS for industrial PUrPOSeS—Parl 1 :(reneral requirements)
IEC 60364-1低压电气装置 第1部分:基本原则、一般特性评估和定义(LOW-VOItagC CleCtriCal installations—Part 1: FUnelamental PrinCiPIeS assessment Of general CharaCteriStiCS.definitions)
IE(' 60417 电气设备用图形符,,√((iraPhiCaI SymbOlS for IISe On equipment)
IEC 60415:2010人机界面、标志和标识的基本原则和安全原则设备端子、导线絞端和导线的标 识(BaSic and Safety PrinCi∣)les for man-machine inlerface.marking and identification—IdentifiCatiOn Of CqIIiPnIent terminals∙conductor terminations and CondUCtOrS)
IEC 60529 外売防护等级(IP 代码)DCgreeS Of ProtCCllOn ProVided by CnClOSurcs( Ip COde)]
IEC 60664-1 低压系统内设备的绝缘配合 第1部分:原理、要求和试验(Insulation CoOr(IinatiOn for C(IUiPment Wilhin IOW-VOItage SyStCmS Part 1 : Principles, requircnιcnis and IeStS)
IEC 60947-2 低压开关设备和控制设备 第2部分:断路器(LOW-VOltage SWitChgear and controlgear—Part 2: CirCUit-breakers)
IEC 6094 7-3低压开关设备和控制设备 第3部分:开关、隔离器、隔离开关以及熔断器组合电器 (LOW-VoItage SWiIChgear CinCl COIltrOlgear Part 3 : Switches- CliSConlleCtors. SWilCh-disco!HleCtOrs. aɪKl fuse-combination UnitS)
IEC 60947-5-1:2003低圧开美设备和控制设备 第5-1部分:控制电路电器和开美元件 机电式 控制 电路电 器 (IXOW-VOllage SWitChgear and COntrOlgear Part 5-1: COntrOl CirCUil CleViCeS and SWitChing CIementS EleCtrOmeChaniCal COnlrOl CirCUit (IeViCeS)
IEC 60947-5-1 j2003∕ΛMΓ)l :2009
IEC 60947-5-5低压开关设备和控制设备 第5-5部分:控制电路电器和开关元件 具有机械锁 闩功能的电气紧急制动装 S ( LOW-VOltage SWitChgear and COntrOIgear—Part 5-5 : COntrOI CirCUit devices and SWi(Ching elements EIeCtriCal emergency StOP device With mechanical IatChing function)
IEC 6()947-6-2低压开关设备和控制设备第6-2部分:多功能电器(设备)控制与保护开关电 器(设备)(('PS) [Low-VoKagc SWitChgCar and COntrOIgCar Parl 6-2: MUltiPIC function CqUiPnICnt COntrOl and PrOteCtlVe SWiIChing de vices (or equipment) (CPS)Zl
IEC 6114() 电击防护 装置和设备的通用部分(ProleCIiOn against electric ShOCk COmmon aspects for installation and e(ιuipmenι)
IEC 61310(所有部分) 机械安全 指示、标志和操作(Safety Of machinery Indication, marking and actuation)
IEC 61439-1 低压成套开关设备和控制设备 第1部分:总则(LOW-VOltage switchgear and controlgear assemblies Parl 1 JGenCraI rules PrOduClS)
IEC 61558-1电力变压器、电源、电抗器和类似产品的安全第1部分:通用要求和试验(Safety Of POWer IranSfOrmCrSt POWer supplies• reactors and Similar PrOduCtS Part 1 : (icncral requirements and ICStS)
IEC 61558-2-6电源电压为1 IoOV及以下的变压器、电抗器、电源装置和类似产品的安全 第2-6部分:安全隔离变压器和内装安全隔离变压器的电源装置的特殊要求和试⅛⅛( Safety Of transformers, reactors. POWCr SUPPIy UnitS and SInliIar PrOdUCtS for supply VOltagCS UP to 1 100 V Part 2-6 : Particular requirements Cind IeStS for Safety isolating IranSfOrnlerS and POWer SUPpIy UniIS incorporating Safety ISOIating transformers)
IE(' 61984 连接器 安全要求和试验(C'onnectors SafCty requirements and ICStS)
IEC 62023 技术信息与文件的构成(StrUCtUring Of IeChniCal information and ClOCUmentatiOn)
IEC 62061机械安全 安全相美电气、电子和町编程电子控制系统的功能安全(Safetyof machinery FUnCtiOnal SCIfCty Of SafCty reIatCCl CleCtriCaLeICCtrOniC and PrOgramnιablc ClCCtrOniC COntrOl systems)
IS() 7010:201 I图形符号 安全色和安全标志 注册安全标志(GraPhiCaI SynIbOIS一Safety colours and SafCly SignS—RegiSlCred SafCty SignS)
ISO 13849-1机械安全 控制系统安全相关部件 第1部分:设计通则(Safety Of machinery— Safeiy-related parts Of COntrOl SyStenIS一Parl 1 :(TenCraI PrinCiPICS for (IeSign)
ISO 13849-2 机械安全 控制系统安全相关部件 第2部分:确认(SafCtyOfmaChinCry—Safety-related PartS Of COntrOl SyStemS Part 2: ValidatiOn)
3术语、定义和缩略语
3.1术语和定义
下列术语和定义适用于本文件。
3.1.1
操动器actuator
将外部作用施加在装置上的部件。
注1:这种操动器的形式有手柄、旋钮、按钮、浪轮、推杆等.
注2:有某些操作方式只要求起作用而不需外部作用力,例如:触摸屏.
注 3:见 3.1.39.
3.1.2
环境温度 ambient temperature
应用电气设备处的空气或其他介质的温度。
3.1.3
遮栏 barrier
从各正常通道方向预防宜接接触的部件。
3.1.4
基本防护 basic PrOteCtiOn
在非故障条件下的电击防护。
注:以前称为“直接接触的防护L
LlEC 60050-195:1998.定义 195-06-01,修改]
3.1.5
电缆托架 CahIe tray
一种底部为连续条状略向上折边但无罩的电缆支架。
注:电缆托架可穿孔或不穿孔。
[IEC 60050-826:2004,定义 826-15-08]
3.1.6
电缆通道系统 CahIe IrUnking SyStenI
由底座和可拆卸單组成的封闭外壳装置.用于完全包容绝缘电线、电缆或软线。
3.1.7
联合引发 ConCUrrelIt
同时发生或操作(但不必同步)。
3.1.8
汇流线 COnductor Wire
汇流排 COndUCtOr bar
带滑动集电器供电系统的导絞或排。
3.1.9
导线管 COndUit
电气装骨中用于绝缘导线和/或电缆的圆形或非圆形截面的封闭布线系统的部件。
注:导线管应紧密连接以使绝缘导线和,/或电缆只能穿入管内而不允许穿到外側.
EIEC 60050-442:1998,定义 442-02-03.修改]
3.1.10
(机械的)控制电路 ContrOl CirCllit(Of a machine)
用于机械和电气设备控制(包括监测)的电路。
3.1.11
控制器件 ContrOl device
连接在控制电路中用来控制机械匸作的器件(如位宵传感器、手控开关、接触器、继电器、电磁 阀等)。
3.1.12
控制站 COntrol Station
操作者控制站 OPeratOr COntrOl StatiOn
固定在同一面板或位于同一外売中一个或多个控制操动器(见3.1.1)的集合。
注:控制站还W以包含相关的设备.例如.电位器.信号灯.仪表.显示装置等“
[IEC 60050-441:1984,定义 441-12-08,修改]
3.1.13
控制设备 ContrOlgear
升关电器及其相关控制、测杜、保护和调节设备的组合,也包括这些借件及设备与相关内部连接、辅 助装置、外壳和支承结构的组合,一般用于消耗电能的设备的控制。
[IEC 60050-441:1984,定义 441-11-03.修改]
3.1.14
可控停止 COlltrelied StoP
机械运动的停止是在停止的过程中保持机械致动机构的动力。
3.1.15
直接接触(HreCt COntaCt
人或牲畜与带电部分的接触。
注:见 3.1.∙Iβ
[1EC 60050-826s2004.定义 826-12-03.修改]
3.1.16
(触头元件的)直接断开操作 (IireCt OPeIling action (of a COIItaCt CIement)
开美的操动器规定的运动通过无弾性部件(即不釆用弾跖使触头断开。
[1EC 60947-5-】:2OO3,K.2.2]
3.1.17
管道 duct
专用于放置和保护电线、电缆及母线的封闭管道。
注:管道类型包括导线管(3.1.9),电缆通道系统(3.1.6)和地卜•线槽.
3.1.18
地 earth∕ground( US)
局部地 I(KaIearth∕loCaI ground(US)
大地与接地极有电接触的部分.其电位不一定等于零。
[1EC 60050-195:1998.定义 195-01-03]
3.1.19
电气工作区 CleCtriCai OPerating area
电气设备用的隔间或位置.只限于熟练的或受过训练人员不用钥匙或「.具就可以打开门或移去遮 栏而靠近.电气工作区标有清晰的警告标志。
3.1.20
电子设备 electronic equipment
包含其运行依赖电子器件和元件电路的电气设备部件。
3.1.21
急停器件 CmergenCy StOP (IeViCe
用手操动来引发急停功能的控制器件。
[GB/T 16754—2008.定义 3.2]
注:见 9.2.3.4.2.
3.1.22
紧急断开器件 emergency SWitChing Off device
用手操动的•用来切断发生电击危险或他有关电的危险的装賞的部分或全部电源的控制器件。
注:见 9.2.3.L3.
3.1.23
封闭电气工作区 enclosed electrical OPerating area
电气设备用的隔间或位置,只限于熟练的或受过训练人员用钥匙或「具打开门或移去遮栏而常近. 电气工作区标有清晰的警告标志。
3.1.24
夕卜壳 enclosure
为防护某些外来影响和防止任何方向直接接触而提供的设备防护部件。
注:取自现行IEV的定义.在GB/T 5226本部分范围内需作如下解释:
1) 外壳为人或牲畜触及危险件提供保护;
2) 遮栏、孔型通道或用于防止或限制专用测试探头进入的任何其他装置.不论是附者住外売上的还是由封闭 的设备构成的.均可视为外壳的组成部分.除非它们不用钥匙或工貝•能移去;
3) 外壳可以是:
—安装在机械上或独立于机械的柜体或箱体:
由机械结构上的封闭空间构成的壁您.
[IEC 60050-195s1998∙定义 195-02-35]
3.1.25
电气设备 CleCtriCal CqlIiPment
将机械或机械部件(例如.材料、装置、器件、器具、卡具、仪器及类似物件)用与电连接的装置。
3.1.26
等电位联结 equipotential bonding
为了达到等电位.保证多个可导电部分间的电连接。
[IEC 60050-195:1998,定义 195-1-10]
3.1.27
外露可导电部分 exposed conductive part
易触及的、正常「•作状态不带电,但在故障情况卜•可能带电的电气设备的口 J导电部分C
LIEC 60050-826:2004,定义 826-12-10.修改]
3.1.28
外部(界)可导电部分 extraneous Con(IuCtiVe Part
不是电气装賞组成部分且易引入电位(通常是地电位)的导电体。
ElEC 60050-195:1998,定义 195-06-11]
3.1.29
失效 failure
执行嬰求功能的某项能力的终结。
注1:失效后.该功能项冇故障“
注2: “失效”是一个审件.而区别于作为一种状态的“故障〉
注3 :本概念作为定义.不适用于仅仃软件组成的功能项目。
注4:实际上・故障和失效这两个术语经常作同义语用。
3.1.30
故障 fault
不能执行某要求功能的一种特征状态。它不包括在预防性维护fi I其他有计划的行动期间.以及因 缺乏外部资源条件下不能执行要求的功能。
注1:故障经常作为功能项本身失效的结果,但也许在失效前就已经存在.
注2 :英语用的术语FuII"及H定义与IEC 60050 191:1990.191 05-01给出的等同。在机械领域.这一术语法语用
**defautw.德语用 MFehlerW 而不用术 ® *,Pannev f∏** FChlZUStan(IWe
3.1.31
故障防护 fault ProteCtion
单一故障条件下的电击防护。
注:之前称为“间接接触防护”.
[1EC 60050-195:1998.定义 195-06-02]
3.1.32
功能联结 functional bonding
电气设备正常运行所需要的等电位联结。
3.1.33
危险 IIaZarCi
伤害身体或损害健康的潜在源。
注1: “危险”一词可由其起源(例如:机械危险和电气危险)•或其潜在伤害的性质(例如:电击危险、切割危险、中毒
危险和火灾危险)进行限定<,
注2:危险有如F定义:
危险既可以一宜存在F机械的預期使用中(如危险运动部件的运动,焊接过程中的电弧、有害身体的「•作 姿势、噪声、高温等).
危险乂可以意外发生(如爆炸、意外启动引起的挤压,泄漏引起的喷射、加减速引起的坠落等).
[GB/T 15706 2012.定义 3.6,修改]
3.1.34
间接接触 indirect ContaCt
人或牲畜与故障情况下变为带电的外露可导电部分的接触。
注:见 3.1.31.
[IEC 60050-826:2004.定义 826-12-04]
3.1.35
感应电源系统 inductive PoWer SUPPiy SyStem
感应电能传输的系统,市磁轨转换器和磁轨导体蛆成.一个或多个拾取器和关联的拾取转换器能沿 着它移动.其间没冇任何电流或机械接触,其目的是为了传输电能(例如,可移动式机械)。
注:磁軌导体和拾取器分别类似于变压器的初级和次级线圈。
3.1.36
(电气)受过训练人员 instructed PerSon(in CleCtriCity)
受电'(熟练人员指导和培训.能够察觉风险和避免电气危险的人。
[IEC 60050-826:2004.定义 826-18-02.修改]
3.1.37
联锁 interI(Kk
操作装賞的安排同时号虐下列因素:
— 预防危险情况;或
——预防对设备或材料的损害;或
—防止指定的操作;或
——确保正确的操作。
3.1.38
带电部分IiVe part
正常工作时带电的导絞(体)或可导电部分.包括中性导絞(体)N・但通常不含PEN导絞(体)。
3.1.39
机械致动机构 machine actuator
用于引起机械运动的动力机构(例如.电动机.电磁线圈.气缸或液压缸)。
3.1.40
机械 machinery
机器 machine
由若干零、部件组合而成.其中至少有一个零件是可以运动的•井具有适当的机械操作执行机构、控 制和动力电路等。它们的组合具有一定应用目的.如物料的加工、处理、搬运或包装等。
注IL机械”这-术语也包括机器的组合.即将同一应用目的若干台机器安排、控制得如同一台完整机器那样发挥 它们的功能.
注2:在这用的“零、部件”这一术语在通常意义上不仅是电气零、部件。
[GB/T 15706 2012,定义 3.口
3.1.41
标记 marking
用于识别设备、元件和(或)器件的主要符号或铭牌。
3.1.42
中性导线 neutral CondUCtOr
N
电气连接到系统中性点的导体并有助F电能的分配。
[IEC 6OO5O-195j1998.定义 195-02-06]
3.1.43
阻挡物 ObStaCle
用于防止和带电部分无意的直接接触.但不能防止有意直接接触的一种部件。
[IEC 60050-195:1998.定义 195-06-16.修改]
3.1.44
过电流 OVereUrrent
超过额定值的电流。
注:就导线而言額定值指载流容蟻。
[IEC 60050-826:2004,定义 826-11-14,修改]
3.1.45
电路的过载 OVerlOad of a CirCUit
无故障情况下电路超过满载值时.电路内时冋与电流的关系。
注:过载不宜用作过电流的同义词.
3.1.46
插头/插座组合 plug∕socket COmbination
用于连接或断开两个或多个导体的组件和适配组件。
注:插头/插座组合的示例包括:
—符合IEC 61984要求的连接器;
符合IEC 60309-1要求的电源插头和插座、电缆構合器或器貝•耦合器:
符合IEC 60320 1的电源插头和插座或符合IEC 60320 I要求的器貝測合器,
3.1.47
动力电路 POWer CirCUit
从电网向生产作业的电气设备単元和控制电路变压器等供电的电路
3.1.48
预期短路电流 ProSPeCtiVe Short-CirCUit CIlrrent
/ CP
在尽仰能接近电气设备电源端,用一根阻抗可忽略不计的导絞(体)使电气设备的供电导絞(体)短 路时流过的电流方均根(r. m.s)值。
[1EC 61439-ls2OIH定义 3.8.7∙修改]
3.1.49
保护联结 PrOteCtiVe I)OndiII^
为防止电击的等电位联结。
注1:防止电击的措施也能减少灼伤或火灾的风险“
注2:保护联接也可以由保护导线(体)和保护联接导线(体)通过电气设备和机器的导电部分进行传导连接而实现C
3.1.50
保护联结电路 ProteCtiVe bonding CirCUit
为防止因绝缘失效发生电击而连接在一起的保护导线(体)和导体件。
3.1.51
保护导线(体)ProteCtiVe COndUCtor
从电气设备的外露可导电部分到保护接地(PE)端子提供主要故障电流路径的导体。
3.1.52
冗余技术 redundancy
多重器件或系统,或者器件或系统的一部分•用于确保一路失效时.另一路能有效地执行所要求的 功能。
3.1.53
参照代号 reference designation
用于标识文件中和设备上项目的区别代码。
[IEC 81346-1:2009.定义 3.11.修改]
3.1.54
风险 risk
在危险状态下.可能损伤或危害健康的概率和程度的综合。
[GB/T 15706—2012,定义 3.12]
3.1.55
安全防护装置SafeglIard
为保护人们避免危险而提供的防护装置或保护器件。
[GB/T 15706—2012.定义 3.26]
3.1.56
安全防护 SafeglIarding
使用安全防护装置保护人员的措施。这些保护措施使人员远离那些不能合理消除的危险或者通过 本质安全设计方法无法充分减小的风险。
[GB/T 15706—2012.定义 3.21]
3.1.57
安全功能 Safety function
其失效会立即造成风险增加的机器功能。
[GB/T 15706—2012,定义 3.30/IEC 62061:2005,定义 3.2.15]
3.1.58
维护站台 SerViCinS IeVeI
操(1 •:或維修电气设备时.维护人员通常站立.的台面。
3.1.59
短路电流 Short-circuit current
由于电路中的故障或连接错误造成的短路而引起的过电流。
[IEC 60050-441:1984,定义 441-11-O7J
3.1.60
短路额定电流 ShOrt-CirCUit CUrreIIt rating
在规定条件下,电y设备在短路保护装置(SCpD)整个动作时间(故障响应时间)内口Γ承受的预期 短路电流值。
[IEC 61439-1 :2011.定义 3.8.9.4]
3.1.61
熟练人员 SkiIled PerSon
电气熟练人员 electrically Skined PerSOn
有技术知识或充分经捡.能够察觉风险和避免电气危险的人员。
[IEC 60050-826:2004.定义 826-18-01 .修改]
3.1.62
供方 SlIPPlier
提供与机械相关的电气设备或服务的实体(如制造商、承包商、安装方、集成商)。
注:用户自己也可作为供方•
3.1.63
开关电器 switching device
用于接通或断开一个或几个电路电流的电器。
注:开关器件而执行一个或两个这样的动作.
LlEC 60050-441:1984 .定义 441-14-01 .修改]
3.1.64
不可控停止 UnCOntrOIIed StoP
通过切除机械致动机构的电源来停止机械的运动。
注:本术语并不意味着对其他停止器件做止任何的具体规定.如机械或液压式刹车机构•
3.1.65
用户 USer
使用机械及其相关电气设备的实体。
3.2缩略语
下列缩略语适用于本文件。
AWG:美国线规(AmeriCan VVire GaUge)
A(':交流电流(AltCrnating CUrrCnt)
BDM:基本传动模块(BaSiC lɔrive MOdUIe)
('CS:无线控制系统((*al)leless C'ontrol SyStenl)
DC :直流电流(DireCt ('ιιrrent)
EMC:电磁兼容性(EIeClro-MagneIiC ConiPaIibility)
EMI :电磁干扰(EIeCtrO-MagnetiC InterferenCe)
IFLS:绝缘故障定位系统(InSUIatiOn Eallit LOCation SyStCm)
MMI:人机接口 (Man-MaChine InterfaCe)
PDS:电气传动系统(POWer lɔrive SyStem)
PELV•保护特低电压(PrOtCCtiVe EXtra-LOW VOltage)
RCD:剩余电流保护装置(ReSidUal CUrrent PrOleCIiVe DeViCe)
SPD:浪涌保护装Jffi(SUrge ProlCCtiVC Devices)
SCPD:短路保护装 JVL(ShOrt CirCUiI PrOlCCtiVC DeViCe)
SELV:安全特低电压(Safe EXtra-LOW VOIlage)
SLP:安全限位(SafeIy-IJnIited POSitiOn)
STO:安全转矩关闭(SaL TorqUC Off)
4基本要求
4.1 一般原则
本部分规定机械的电气设备的要求。
作为机械风险评定的整个技术要求的一部分.与电气设备危害冇关的危险应进行评定,包括: —识别降低风险的需要;
确定适当的风险降低;
—确定必要的保护措施。
有人可能暴露于这些危险,同时还保持机械及其设备的适当性能。
危险情况起因有下列几利L但不限于这些:
一电气设备失效或故障.从而导致电击、电弧或电火的发生;
-控制电路(或者与其冇关的元器件)失效或故障.从而导致机械误动作;
一电源的骚扰或中断.以及动力电路失效或故障造成的机械误动作;
—— 由于滑动或滚动接触的电路连续性损失.所引起的安全功能失效;
巾电气设备外部或内部产生的也骚扰(如电磁、静电)・从而导致机械误动作;
由存储的能最(电气或机械的)释放.从而导致例如电击、会引起伤害的非预期动作;
—噪声和机械振动达到危害人员健康的程度;
——会引起伤害的外表温度。
安全措施包括设计阶段和要求用户配賞的综合设施。
在设计和研制过程中,应首先识别源于机械及电气设备的危险和风险。由本质安全设计方法不能 消除危险和/或充分降低风险的场合,应提供降低风险的保护措施(例如:安全防护)。在需要进一步降 低风险的场合•应提供额外的方法(例如:警示方法).此外.降低风险的工作程序是需要:的。
对有关电气设备的基本条件和用户的附加技术要:求.如果用户已知.宜将附录B用于促进用户和 供方之间的信息交换。
注:这些附加要求包括:
根据机械(或f组机械)的类型和使用.提出附加的安全要点;
便于维护或修理:
提高操作的可靠性和简易性。
4.2电气设备的选择
4.2.1概述
电气设备和器件应:
适应于它们预期的用途;和
符合上述有关标准的规定;和
—按供方说明书要求使用。
4.2.2开关设备
除了本部分要求外.依据机械的预期使用和机械电气设备情况.设计者可选用符合IEC 61439系列 标准(参见附录F)的相关部分规定的机械电气设备部件。
4.3 电源
4.3.1概述
电气设备应设计成能在下列电源条件下正常运行:
——按4.3.2或4.3.3规定的电源条件;
—由用户规定的电源条件;
— 按专用电源供方规定的电源条件(见4.3.4)o
4.3.2交流电源
电压:稳态电压值为(0.9〜1.1)倍标称电压。
频率:(0.99-1.01)倍标称频率(连续的)。
(0.98-1.02)倍标称频率(短时工作)。
谐波:(2〜5)次畸变谐波总和不超过线电压方均根值的10%;对于(6〜30)次畸变谐波的总和允许 最多附加线电压方均根值的2%。
不平衡电压:三相电源电压负序和零序成分都不应超过正序成分的2%。
电压中断:在电源周期的任意时间.电源中断或零电压持续时间不超过3 m*相継中断间隔时间应 大于1 SO
电压降:电压降不应超过大于1周期的电源峰偵电压的20% .相继降落冋隔时间应大于1 &
4.3.3直流电源
由电池供电:
电压:(0.85〜1.15)倍标称电压。
(0.7〜1.2)倍标称电压(在用电池组供电的运输「•具的情况F儿
电压中断时间:不超过5 ms。
由换能装置供电:
电压:(0.9-1.1)倍标称电压。
电压中断时间:不超过20 ms,相继中断冋隔时间应大于1 So
纹波电压(峰对峰):不超过标称电压的0.15倍。
注:为了保证电气设备的IE确匸作.电源条件按IEC导则106变动.
4.3.4 专用电源系统
专用电源系统(例如;车载发电机,1)(、总线等)可以超过4.3.2和4.3.3所规定的限值,前提是设备 应设计成在所提供的条件下能正常运行。
4.4 实际环境和运行条件
4.4.1概述
电气设备应适应于其预期使用的实际环境和运行条件。4.4.2-4.4.8规定的实际环境和运行条件 范围覆盖了本部分包含的大多数机械。当实际环境和运行条件与下文规定范围不符时.供方(见4.1)和 用户可能有必要达成协议。
4.4.2 电磁兼容性(EMe)
电气设备产生的电磁骚扰不应超过其预期使用场会允许的水平。设备对电磁骚扰应有足够的抗扰 度水平.以保证电气设备在预期使用环境中可以正确运行。
电气设备要求进行抗扰度和/或发射试验.满足下列条件的除外:
在相关产品标准或通用标准(无产品标准时)规定的预期EMC环境中.对于采用的装置或元 件符合EMC要求.和
— 电气安装和布线与装罟和元件供方提供的关于相互影响的说明一致.(电缆.屏蔽.接地等)或 当供方无此说明时,与附录H的要求一致。
注:EMC 通用标准 IEC 61000-6-1(或 IEC 61000-6-2)和 IEC 61000-6-3(或 IEC 61000-6-4)给岀 T EMC 通用的抗扰 度限值和发射限值.
4.4.3 环境空气温度
电Z〔设备应能在预期环境空气温度中IE常「作O所有电气设备的最低要求是在外壳(箱或盒)的外 部环境空气温度在5 βC〜40 °C范围内正常匸作。
4.4.4 湿度
当最高温度为,10 V .相对湿度不超过50%时.电气设备应能正常「•作。温度低则允许更高的相对 湿度(如20 P时相对湿度为90%)。
要求釆取正确的电气设备设计来防止偶然性凝露的冇害影响.必要时采用适当的附加设施(如内装 加热器、空调器、排水孔)。
4.4.5海拔
电气设备应能在海拔Iooo m以下正常匸作。
对于要在高海拔地区使用的设备.有必要降低下列因素:
--介电强度;和
——装置的开关能力;和
——空气的冷却效应。
关于要使用而在产品数据中乂没有规定的修正因数.宜向制造商咨向。
4.4.6污染
电气设备应适当保护.以防固体物和液体的侵入(见11.3)o
告电气设备安装处的实际环境中存在污染物(如灰尘、酸类物、腐蚀性气体、盐类物)时.电气设备应 适当防护.供方与用户可能有必要达成专门协议。
4.4.7离子和非离子辐射
当设备受到辐射时(如微波、紫外絞、激光、X射线).应釆取附加措施.以避免误动作和加速绝缘的 老化。
4.4.8 振动、冲击和碰撞
应通过选择合适的设备,将它们远离振源安装或采取附加措施.以防止(由机械及其有关设备产生 或实际环境引起的)振动、冲击和碰撞的不良影响。
4.5运输和存放
电气设备应通过设计或采取适当的预防措施.以保障能经受得住在一25 eC〜+55 eC的温度范围 内的运输和存放.并能经受温度高达70 OC、时冋不超过21 h的短期运输和存放。应采取防潮、防振和 抗冲击措施,以免损坏电气设备。
注:住低温F易损坏的电气设备包括PVC绝缘电缆,
4.6设备搬运
由于运输需要与主机分开的、或独立于机械的甫大电气设备.应提供合适的手段.以供起页机或类 似设备操作。
5引入电源线端接法和切断开关
5.1引入电源线端接法
宜将机械也气设备连接到单一电源L如果需要用其他电源供电给电气设备的某些部分(如不同 匚作电压的电子设备).这些电源宜尽可能取自组成为机械电气设备一部分的器件(如变压器、换能器 等)。对大型复杂机械可能需要一个以上的引入电源.这要由场地电源的配置来定(见5.3.1)β
除非机械电气设备釆用插头/插座直接连接电源处[见5.3.2 c)],否则宜将电源线直接连到电源切 断开关的电源端子上。
使用中线时应在机械的技术文件(如安装图和电路图)上表示清楚.按16.1要求标记N.并应对中 线提供单用绝缘端子。
注:中性线端子可以作为电源切断开关的零件提供.
在电气设备内部.中线和保护联结电路之间不应相连。
例外情况:TN-C供电系统到电气设备的连接点处,中线端子和PE端子可以相连。
IEC 60364-1规定的多电源系统的要求适用于由并行电源供电的机械。
引入电源连接端子都应按IEC 604-15:2010清晰的标识(外部保护导线端子的标识见5.2)。
5.2连接外部保护导线(体)的端子
电气设备应提供连接外部保护导线(体)的端子,该连接端子应设置在各引入电源冇关相线端子的 同一隔间内。
这种端子的尺寸应适合与相关线导体尺寸确定截面积的外部铜保护导线(体)相连接并符合表1的 规定。
表1铜保护导线(体)的最小截面积
|
设备供电相体(线)的也面积S mm2 |
保护导絞(体)的最小枝面积Sr mm |
|
S≤16 |
S |
|
16<S≤35 |
16 |
|
S>35 |
S/2 |
如果外部保护导线(体)不是铜的.则端子尺寸应适当选择。
每个引入电源点.连接外部保护接地系统或外部保护导线(体)的端了•应加标志或用字母PE标i己
(见 IEC 60445:20IO)O
5.3 电源切断(隔萬)开关
5.3.1概述
下列情况应装电源切断开美:
——机械的每个引入电源;
注:引入电源可村接连接到机械的电源切断开关或机械供电系统的电源切断开关.机械的供电系统可包含导线、 导体排、汇流环、软电缆系统[卷绕式的、花彩般垂挂(拖链式)的]或感应供电电源系统。
—每个车载电源。
当需要时(如机械及电气设备「.作期间)电源切断开关将切断(隔离)机械电气设备的电源。
当配备两个或两个以上的电源切断开关时.为了防止出现危险情况.包括损坏机械或加匸件.应采 取联锁保护措施。
5.3.2型式
电源切断开美应是下列型式之一:
a) 符合IEC 60917-3带或不带保险丝的隔离开关.使用类别AC-23B或DC-23B;
b) 隔离符合IEC 60947-6-2的控制和保护开关装置;
C)隔离符合IEC 60947-2的断路器;
d)任何符合IEC产品标准和满足隔离要求,并在产品标准中定义适当使用类别和/或指定持续 (性)其他开关装置。
C)通过软电缆供电的插头/插座组合。
5.3.3技术要求
当电源切断开美釆用5.3.2a)到d)规定的型式之-•时,它应满足下述全部要求:
——把电气设备从电源上隔离,仅有一个“断开'‘和“接通”位置.清晰地标i己“ ”和M M(IEC 60417-5008(2002-10) 5008 和 IEC 60417-5007(2002-10) Φ 5007 符号.见 10.2.2);
—有可见的触头间隙或位賞指示器并已满足隔离功能的要求•指示器在所有触头没石确实断开 前不能指示断开(隔离);
— 有一个操作装置(见5.3.4) J
在断开(隔离)位置上提供能锁住的机构(如挂锁)。锁住时,应防止遥控及在本地使开关闭合;
—切断电源电路的所有带电导絞。但对于TN电源系统.中线可以切断也可以不切断。冇些国 家采用中线时强制要求切断中线除外;
一仔足以切断最大电动机堵转电流及所有其他电动机和负载的正常运行电流总和的分断能力。 计算的分断能力可以用验证过的差异因素适当降低…当电机由变换器或类似装置供电时.计 算应考虑所要求的分断能力可能造成的影响。
电源切断开关是插头/插座组合时,应符合13.1.5的要求和有分断能力.或与冇分断能力的开关电 器联锁.足以切断最大电动机堵转电流及所有其他电动机和负载的正常运行电流总和的分断能力。计 算的分断能力可以用验证过的差异因素适当降低。当联锁开关电器为电动操作(例如:接触器)时,其应 JWf⅛之相话应的使用类别。当电动机由变换器或类似装置供电时•计算宜考虑可能对所要求分断能 力的影响。
注:符合IEC 60309-丨要求的插头'捕座、电缆綱合器或器具精合器可満足这些要求。
电源切断开关是插头/插座组合时.应提供有适当使用类别的开美电器以转换机械的接通和断开。 这可以通过使用上面描述的联锁开关电器来实现。
5.3.4电源切断开关的操作装置
电源切断开关的操作装置(例如:手柄)应賞于电气设备的外壳表面。
例外:电动操作的开美设备不必在外売的表面配备手柄.而是装冇其他装置(例如:按钮).以从外売 外面打开电源切断开关装置。
电源切断开关的操作装置应容易接近.应安装在维修站台以上0.6 In-1.9 m间。上限值宜为1.7 ɪnO
注:IEC 61310-3给出J'操作方向要求C
用于紧急操作外部操作装茴.见10.8.3或10.7.3。
不用于紧急操作的外部操作装賞:
—宜用黑色或灰色(见10.2);
可提供无需钥匙或工具即容易打开的附加罩盖/门.例如:防护环境因素或机械损伤。这类罩 盖/门应明确显示其提供访问操作装置.例如:使用IEC 60417-6169-1号符号(图2)或 IEC 60417-6169-2 号(图 3)β
图2隔萬器
图3断路器
5.3.5例外电路
F列电路不必经电源切断开关切断:
维修时需要的照明电路;
— 供给維修I:具和设角(如手电钻、试验设备)专用连接的插头/捕座电路;
——仅用于电源故障时自动脱扣的欠压保护电路;
为满足操作要求宜经常保持通电的设备电源电路(如温度控制测依器件、加匸中的产品加热 器、程序存储器件)。
但是宜给这些电路配备自己的切断开关。
当控制电路的供电经另一个电源切断开关时.不管该切断开关是否位于本电气设备或其他机械或 其他电气设备内,此控制电路不必通过本电气设备的电源切断开关断开。
这种不通过电源切断开关切断的例外电路应满足下列要求:
在电源切断升关的操作装置附近适当设置永久性警告标签.以引起对危险的注意;
—在维修说明书中应有相应说明.并应提供下列一项或多项内容;
•用颜色标识导体时•要考虑13.2.4推荐的颜色;
•使例外电路与其他电路隔离;
•例外电路的标识采用永久性警告标签。
5.4防止意外起动的去除动力装置
机械或机械部件的起动可能发生危险的场合(如维修期间应配备防止意外起动的去除动力装置。 这些装置应方便、适用.安装位賞合适并易于识别他们的功能和用途。当这些装茂的功能和用途指示不 明显时(例如:依他们的位置),应标记指示这些装置去除动力的程度O
注1: GB/T 5226的本部分未提出全部防止意外起动的规定,意见ISO 11118.
注2:去除动力意指去除与电能源的连接而不意味者隔离.
电源切断开关或依照5.3.2的其他装置可以用于防止意外起动。
隔离器、可插拔式熔断体和可插拔式连接件只有当其位于封闭电气工作区(见3.1.23)可以用于防 止意外起动。
不满足隔离功能的装置[例如:用控制电路切断的接触器或具冇依照IEC 61800-5-2的安全转矩美 W(STo)功能的电气传动系统(PDS)]可以在作业期间用于防止意外起动.例如:
--检査;
—调整;
~电气设备作业场合为:
•无电击(见第6章)和灼伤的危害;
•整个作业中切断方法保持有效;
•辅助性质的作业(例如:不扰乱现存配线就可更换插入式装此)。
根据风险评价选择器件.并考虑器件的预期使用以及预期操作的人员。
5.5隔离电气设备的装置
当电气设备要求断开和隔离时.应配备有效的电气设备或部件的断开(隔离)装置。这样的断开装 置应满足以下条件:
一对预期使用适当而方便;
——安排合适;
对电气设备的电路或部件进行维修时可以快速识别。当它们的功能和用途指示不明显时(例 如:依它们的位置),应标记指示这些装置隔离设备的程度。
电源切断开美(见5.3)在冇些情况下能满足切断功能的要求。而冇些场合需要由公共汇流排、汇流 絞或感应电源系统向机械电气设备的单独匸作部件或向多台机械馈电时.应为需要隔离开的每个部件 或每台机械配备断开装置。
除电源切断开美外.下列装置可以达到断开的目的和满足切断功能要求:
——5.3.2所述装置;
仅限于安装在电气工作区(见3.1.23)的隔离器、可插拔式熔断体或可插拔式连接件,并随电气 设备提供相关信息(见第17章)。
5.6 对未经允许、疏忽和错误连接的防护
装在封闭电气工作区外的5.4和5.5所述装置,在其断开位置(或断开状态)应提供安全措施(例如: 提供挂锁钥匙安全联锁).这种安全措施应防止遥控及在本地使开关闭合。
装在封闭电气「•作区内的5.4和5.5所述装置.应具有防止重新连接的其他措施.(例如:警告 标识)。
但是.按照5.3.2 e)使用插头,/插座时.只要其位置处于「•作人员即时监督之卜'.不需要提供断开位 置的保护措施。
6 电击防护
6.1概述
电气设备应具备在卜.列情况F保护人们免受电击的能力:
——基本防护(见6.2和6.4);
——故障防护(见6.3和6.4 )0
宜采用6.2.6.3和6.4中PELV规定的防护措施.这些规定源于GB/T 16895.21 201IO这些防护 措施不适用的场合,例如:由于实际或运行条件.可以采用GB/T 16895.21 2011的其他措施。
6.2基本防护
6.2.1概述
电气设备的每个电路或部件.无论是否采用6.2.2或6.2.3规定的措施.都应采用6.2.4的规定。
例外:在这些防护措施不适用的场合.可以采用GB/T 16895.21 2011所定义的基本防护的其他 防护措施(如使用遮栏或外护物.賞于伸臂范以外的防护.使JlJ阻挡物・使用结构或安装防护通道技 术)(见 6.2.5 和 6.2.6).
当电气设备安装在任何人(包括儿童)都能打开的地方.应采用6.2.2中的防护措施.其接触带电部 分的防护等级应采用至少IPlX或1PXXD(见IEC 60529).或采用6.2.3中的防护措施。
6.2.2用外壳作防护
带电部分应安装在外壳内.接触带电部分的最低防护等级为IP2X或IPXXl3(见IEC 60529)o 如果壳体上部表面是容易接近的,其接触带电部分的最低防护等级应为IPlX或IPXX 只有在下列的一种条件下才允许开启外壳(即开门、罩、盖板等):
a) 应使用钥匙或T∙具开启外壳。
注:钥匙或「具的使用是为限制熟练或受过训练的人员进人[见17.2 f)].
当设备需要带电对电溶重新调整或整定时,可能触及的所冇帯电部件(包括门内的部件).其避 免接触的防护等级应至少为IP2X或IPXXBC门内其他带电部件防止意外直接接触的防护等 级应至少为IPIX或IPXXAO
b) 开启外壳之前先切断其内部的带电部件。
这可由门与切断升关(如电源切断开关)的联锁机构来实现.使得只有在切断升关断开后才能 打开门.以及把门关闭后才能接通开关。
例外:下列情况可用供方规定的钥匙或工具解除联锁:
——当解除联锁时.不论什么时候都能断开切断开关并在断开位賞锁住切断开关或其他防止 未经允许闭合切断开关。
—当关上门时.联锁功能自动恢夏。
-当设备需要带电对电器取新调整或整定时,可能触及的所有带电部件(包括门内的部件). 其防止意外接触带电部分的防护等级至少为IP2X或IPXXB.以及门内其他带电部件防 止意外接触的防护等级至少为IPlX或IPXXAo
——有关解除联锁程序的相关信息随电气设备使用说明书提供(见第17章)。
电柜背后门未与断开机构宜接联锁时.应提供措施限制熟练或受过训练的人员[见17.2 1))]接近带电体。
切断开关断开后所冇仍然带电的部件(见5.3.5)应防护.其直接接触的防护等级应至少为 IP2X或IPXX13(见IEC 60529)。这些部件应按16.2.1规定标明警告标志(按颜色标识导絞. 也见 13.2.4)。
以下情况除外:
仅由于连接联锁电路而可能带电的部件和用颜色区分可能带电的部件应符合13.2.4 规定;
若电源切断开关单独安装在独立的外壳中•它的电源端子可以不遮盖。
C)只有当所有带电件直接接触的防护等级至少为IP2X或IPXXB时(见IEC 60529).才允许不 用钥匙或「•具和不切断带电部件去开启外壳。用遮栏提供这种防护条件时.要求使用T:具才 能拆除遮栏.或拆除遮栏时所冇被防护的带电部分能自动断电。在防止接触保护达到6.2.2 c) 要求.以及手动操动器件(例如:手动闭合接触器或继电器)可能导致危险的场合.这种操动万 式应提供需要丁 .具才能除去遮栏或阻挡物的防护措施。
6.2.3用绝缘物防护带电体
带电体应用绝缘物完全秘盖住.只有用破坏性办法才能去掉绝缘层。在正常匸作条件下绝缘物应 能经得住机械的、化学的、电气的和热的应力作用。
注:油漆、淸漆、漆漆和类似产品.不适于单独用作防护正常匸作条件K的电击。
6.2.4 残余电压的防护
电源切断后.任何残余电压高于60 V的带电部分,都应在5 S之内放电到60 V或60 V以下,只要 这种放电速率不妨碍电Y设备的IE常功能(元件存储电荷小于或等于60 MC时可免除此妥求)。如果这 种放电速率会干扰设备的正常功能,则应在容易看见的位罟:或在包含带电部分的外壳邻近处.作耐久性 警告标志提醒注意危险.并注明打开外壳前所需的延时时间。
对插头/插座或类似的器件.拔出它们会裸露出导体件(如插针).放电至60 V的时间不应超过I E 否则这些导体件应加以防护.防护等级至少为IP2X或IPXXB。如果放电时间不小于IS.最低防护等 级乂未达到1P2X或IPXX13(例如:有关汇流线、汇流排或汇流环装置涉及的可移式集流器,见12.7.4), 应采用附加开美电器或适当的警告措施.提请注意危险的警告标志.并注明所需的延时时间。当设备位 于所冇人(包括儿童)都能接触的地方.警告是不够的.避免接触带电部分的最低防护等级为IPlX或 IPXXi)β
注:頻率转换器和IK,母线电源的放电时间可能超过5 sð
6.2.5用遮栏的防护
用遮栏的防护见GB/T 16895.21 201Ie
6.2.6置于伸臂以外的防护或用阻挡物的防护
置于伸臂以外的防护及用阻挡物的防护见GB/T 16895.21 2011β
若汇流线系统和汇流排系统的防护等级低于IP2X或IPXXB.见12.7.1o
6.3故障防护
6.3.1概述
故障防护(3.1.31)用来预防带电部分与外露可导电部分之冋因绝缘失效时所产生的危险情况。
对电气设备的每个电路或部件.至少应采用6.3.2,6.3.3规定的措施之一:
—防止出现危险触摸电压(6.3.2);或
触及触摸电压可能造成危险之前自动切断电源(6.3.3)o
注1:由触摸电压引起有害的生理效应的风险取决于蚀摸电压及可能暴露的持续时间.
注2:设备和保护措施的分类见IEC 61140.
6.3.2出现触摸电压的预防
6.3.2.1 概述
防止岀现危险触摸电压有下列措施:
——采用Il类设备或等效绝缘;
——电气隔离。
6.3.2.2釆用∏类设备或等效绝缘作防护
这种措施用来预防由于基本绝缘失效而出现在易接近部件上的触摸电压。
这种保护应用下述一种或多种措施来实现:
——采用I【类电气设备或器件(双币:绝缘、加强绝缘或符合IEC 61140的等效绝缘); 按IEC 61439-1采用具有完整绝缘的成套开美设备和控制设备;
——按GB/T 16895.21—2011使用附加的或加强的绝缘。
6.3.2.3采用电气隔离作防护
单一电路的电气隔离.用来防止该电路的带电部分基本绝缘失效时的触摸电压。
这种防护型式应符合GB/T 16895.21—2011的要求。
6.3.3用自动切断电源作防护
受绝缘故障影响的任何电路的电源自动切断是为r防止由触摸电压引起的危险情况。
在故障情况下这种措施,是经保护器件自动操作切断一路或多路相线。切断应在极短时间内出现. 以限制触摸电压使其在持续时间内没有危险。
这种措施需协调以下儿方面要求:
— 供电型式、电源阻抗和接地系统;
-絞路不同部分的阻抗值和通过保护联结电路的相关故障电流通路的阻抗偵:
—检测绝缘故障保护器件的特性。
注1:用自动切断电源作防护其条件的验i正洋见18.2。
岀现绝缘故障后.受其影响的任何电路的电源动切断.为了防止来自触摸电圧引起的危险情况。 这种措施包括以下两方面:
—— 外露可导电部分的保护联结(见8.2.3);
—下列任一种方法:
a) 在TN系统中.可以使用下列保护装骨器件:
•过电流保护器件;
•剩余电流保护器件(RCu)和相关的过电流保护器件。
注2:通过使用符合IEC 62020的剰余电流监控器件RCM可以加强定期维护。
b) 在TT系统中.下列任一种方法:
•检测到带电部分对外露凹导电部分或对地的绝缘故障时.引发残余电流保护器件自动切断 电源。
•过电流保护装置诃用于故障保护.确信提供适当低值故障冋路阻抗ZS(见Λ,2.2.3)是长期 和可靠的。
注3:通过使用符合IEC 62020的剩余电流监控器件RCMnT以加强定期维护。
C)在IT系统中.应满足GB/T 16895.21—2011的相关要求。绝缘故障期间应保持听觉和视觉 信号。报警后,可手动减弱听觉信号。有关绝缘监控器件和/或绝缘故障定位系统的规定•可 由供方和用户之间协商。
注4:在大型机械中,具备符合IEC 61557-9现定的绝缘故障定位系统(IELS).能便于设备的维护.
配有按照a)要求的自动切断.而不能确保在A.1.1规定的时间内切断的场合.必要:时应提供满足 A.1.3要求的附加保护联结。
提供电气传动系统(PDS)场合•通过变频器供电的电气传动系统的电路应提供故障防护。变频器 内部不提供这种防护.必要的保护措施应依照变频器制造商说明书。
6.4采用PELV的保护
6.4.1基本要求
采用PELV(保护特低电压)保护人身免于间接接触和有限区冋直接接触的电击防护(见8.2.5)。
PELV电路应满足下列全部条件:
a)标称电压不应超过:
—— 当设备在干燥环境正常使用.带电部分与人体无大面积接触时,不超过25 V a.c.均方根值 或60 V d・c.无纹波;
——其他情况.6 V a.c.均方根值或15 V cl.c.*纹波。
注:无纹波•般定义为正弦波的纹波电压忒纹波含世不超过10%均方根偵:
b)电路的一端或该电路电源的一点应连接到保护联结电路上。
C) PELV电路的带电体应与其他带电回路电气隔离。电气隔离不应低于安全隔离变压器初级和 次级电路之间的要求(见IEC 61558-1和IEC 61558-2-6)0
d) 每个PELV电路的导线应与其他电路导线相隔离。这项要求不可行时.按13.1.3的隔离 规定O
e) PELV电路用插头/插座应遵守下列规定:
D插头应不能插入其他电压系统的插座;
2)插座应不接受其他电压系统的插头。
6.4.2 PELv 电源
PELV电源应为下列的一种:
— 符合IEC 61558-1和IEC 61558-2-6要求的安全隔离变压器;
—— 安全等级等效于安全隔离变压器的电流源(如等效绝缘绕组的发电机);
——电化学电源(如电池)或其他独立的较高电压电路的电源(如柴油发电机);
—— 符合适用标准的电子电源.该标准规定要采取措施保证即使出现内部故障.输岀端子的电圧也 不超过6.4.1的规定值。
7 电气设备的保护
7.1概述
本章详述了电气设备的保护措施:
——由于短路而引起的过电流;
过载和或电动机冷却功能损失:
—异常温度;
―失压或欠电压;
一机械或机械部件超速;
接地故障/残余电流;
—相序错误;
一闪电和开关浪涌引起的过电压。
7.2过电流保护
7.2.1概述
机械电路中的电流如会超过元件的额定值或导线的载流能力.则应按下面的叙述配置过电流保护。 使用的额定值或整定值在7.2.10中详述。
7.2.2 电源线
除非用户另有要求,否则电气设备供方不负责提供电气设备电源线和过电流保护器件。
电气设备供方应在安装图上说明导体的连接尺寸(包括可连接到电气设备端子的供电导线的最大 截面积)和选择过电流保护器件的必要数据(见7.2.10、第17章
7.2.3 动力电路
毎根带电导线包括控制电路变圧器的供电电路应装设过电流检测和过电流断开崩件并按7.2.10 选择。
下列导线在所有关联的带电导线未切断之前不应断开:
—交流动力电路的中性导絞;
— 直流动力电路的接地导线:
—连接到活动机器的外露可导电部分的直流动力导线。
如果中絞的截面积至少等丁•或等效于仃关相线.则在中絞匕不必设置过电流检测和切断器件。
对于截面积小于有关相线的中线.应采取GB/T 16895.6-2014中524所述的保护措施。
在IT系统中.不宜采用中线.然而.如果采用中线时•应采取GB/T 16895.5 2012中431.2.2所述 的保护措施。
7.2.4 控制电路
宜接连接电源电压的控制电路和由控制电路变压器供电的电路,其导线应依照7.2.3配置过电流 保护。
由控制电路变压器或宜流电源供电的控制电路导线应提供防止过电流保护措施(也见9.1.3.1):
-住控制电路连接到保护联结电路场合•在设有开关的导线上捕接过电流保护器件;
—在控制电路未连接到保护联结电路场合:
•当所冇的控制电路貝•有相同的载流能力时•在设有开关的导絞上插接过电流保护器件.或
•当不同的分支控制电路采用不同的载流能力时.在设杓开关的导线和各分支电路的公共导 线都应插接过电流保护器件。
例外:在电路中电源单元提供的电流限值低于导体的载流能丿J和低于所连接元器件的额定电流.则 无需单独设置过电流保护器件。
7.2.5插座及其有关导线
主要用来给维修设备供电的通用插座.其馈电电路应有过电流保护。这些插座的每个馈电电路的 未接地带电导线上均应设置过电流保护器件。也见15.1。
7.2.6照明电路
供给照明电路的所冇未接地导线,应使用单独的过电流保护器件防护短路.与防止其他电路的防护 器件分离开。
7.2.7变压器
变床器应按照制造厂说明书要求的型式和整定值设置过电流保护器件°这种保护(见7.2.10)应 避免:
—变压器合闸电流引起误跳闸;
一受二次侧短路的影响使绕组温升超过变压器绝缘等级允许的温升值。
7.2.8过电流保护器件的设置
过电流保护器件应安装在导线截面积减小或导线截流容量减小处。满足下列条件的场合除外:
——支线路载流容量不小于负载所需容量;
导线载流容量减小处与连接过电流保护器件处之间导线长度不大于3 m;
——采用减小短路可能性的方法安装导线.例如:导线用外壳或通道保护。
7.2.9过电流保护器件
额定短路分断能力应不小于保护器件安装处的预期故障电流。流经过电流保护器件的短路电流除 了来自电源的电流还包括附加电流(如来自电动机、功率因数补偿电容器).这些电流均应考虑进去。
注:短路条件下.断路器和其他短路保护器件之间的协调信息见IEC 60947-2:2006中的附录AO
如果釆用熔断RS作为过电流保护器件.应选取用户地区容易买到的类型或为用户安排备件的供应。
7.2.10过电流保护器件额定值和整定值
熔断器的額定电流或其他过电流保护器件的整定电流应选择得尽可能小.但要满足预期的过电流 通过•例如:电动机起动或变压器合闸期间。选择这些器件时应考虑到控制开美电器由于过电流引起损 坏的保护问题。
过电流保护器件的额定电流或整定电流取决于受保护导线的载流能力.该保护导线应符合12.4、 D.3和最大允许切断时间,(按照D.4)。应考虑到与保护电路中其他电器件协调的要求。
7.3电动机的过热保护
7.3.1概述
额定功率大Γ 0.5 kW以上的电动机应提供电动机过热保护。
例外:
在工作中不允许自动切断电动机运转的场合(如消防泵).这种检测方式应发出报警信号,使操作者 能够响应。
电动机的过热保护可由下列来实现:
——过载保护(7.3.2);
注1:过载保护器件检测电路负载超过容量时电路中时间电流间的关系(∕r∕).同时做适当的控制响应。
——超温度保护(7.3.3),或
注2’温度检测器件可检测温度过高并引发适当的控制响应O
——限流保护。
应防止过热保护夏原后任何电动机自行重新起动.以免引起危险情况.损坏机披或加工件。
7.3.2过载保护
在提供过载保护的场合,所有通电导线都应接入过载检测,中絞除外。
然而.在电缆过载保护(也见D.2)未采用电动机过载检测的场合.过载检测可以省略在一根带电导 线(体)中。对于単相电动机或直流电源•检测只允许用在-•根未接地带电导体(线)中。
若过载保护是用切断电路的办法达到.则开美电器应断开所冇通电导线.但中銭除外。
对于特殊「•作制要求频繁起动、制动的电动机(如快速移动、锁紧、快速退冋、灵敏钻孔等电动机). 由于保护器件与被保护绕组的时间常数相足差异较大.配置过载保护可能是困难的。需要采用为特殊 工作制电动机或超温度保护(见7.3.3)专门设计的保护器件α
对于不会出现过载的电动机(例如:由机械过载保护器件保护或有足够容量的力矩电动机和运动驴 动器)不要求过载保护。
7.3.3超温度保护
在电动机散热条件较差的场合(如尘埃环境).宜采用带超温度保护的电动机(参见IECGoO34-II)O 根据电动机的型式.如果在转子失速或缺相条件下超温度保护不总是起作用.则应提供附加保护。
在町能存在超温度场合(如散热不好)・对于不会岀现过载的电动机也宜设置超温度保护(如由机械 过载保护器件保护或有足够容量的力矩电动机和运动駆动器)。
7.4异常温度的防护(保护)
设备应防护会引起危险情况的异常温度。
7.5对电源中断或电压降落随后复原影响的防护
如果电压降落或电源中断会引起危险情况、损坏机械或加丁.件.则应在预定的电压偵下提供欠压保 护(例如:断开机械电源)。
若机械运行允许电压中断或电压降落一短暂时刻.则可配置带延时的欠压保护器件。欠压保护器 件的1:作,不应妨碍机械的任何停车控制的操作O
应防止电压复原或引入电源接通后机械的自行币:新起动.以免引起危险情况。
如果仅是机械的一部分或以协作方式同时工作的一组机械的一部分受电压降落或电源中断的影 响,则欠压保护应激发适当的控制响应。
7.6电动机的超速保护
如果超速能引起危险情况.则应按9.3.2所考虑到的措施办法提供超速保护。超速保护应激发适 当的控制响应,并应防止自行重新起动。
超速保护的运行方式应使电动机的机械速度限值或其负载不被超过。
注:这种保护.例如:由离心式开关或速度极限监视器组成.超速保护的工作方式应不超过监视器的机械速度极限 或其负载.
7.7附加接地故障/残余电流保护
除6.3中所述接地故障/残余电流用自动切断电源作保护外.本节保护用于降低由于接地故障电流 小于过电流保护检测水平而对电气设备造成的危险。
保护器件的整定值只要満足电气设备正确运行应尽可能小。
如果故障电流具有直流分量.按照IEC/TR 60755的B型RCD要求。
7.8相序保护
电源电圧的相序错误会引起危险情况或损坏机械.故应提供相序保护。
注:下列使用条件可能引起相序错误:
机械从一个电源转接至另一个电源;
活动式机械配备冇连接外部电源设施.1
7.9闪电和开关浪涌引起过电压的防护
闪电和开美浪涌引起的过电圧效应可用浪涌保护器件(SPDJ防护。
应提供的场合:
抑制闪电过电压用的SPI),应连接到电源切断开关的引入端子。
——抑制开关浪涌过电压用的SPD,应连接到所有要求这种保护设备的端子。
注1:有关SPD.正确选择和安装的信息的示例见IEC 60364-4-44 JEC 60364-5-53 JEC 61643-12 JEC 62305-1和 IEC 62305-4.
注2:机械及JU电'(设备和外部可导电部分接至建筑物/现场的共用联结网络能冇助于降低可设备的电磁F扰(包 括闪电)。
7.10短路电流定额
应确定电'〔设备的短路电流定额。这可以通过应用设计原则或计算或试验来确定。
注:短路电流定额的确定可以按照 IEC 61139-1JEC 60909-0 JECyTR 60909-1 或 I EC/TR 619I2-I s
8等电位联结
8.1概述
本章提出保护联结和功能联结两者的要求。图4说明这些概念。
保护联结是为J'保护人员防止电击.是故障防护的基本措施(见6.3.3和8.2)。
功能联结(见8.4)的目的是为降低:
—绝缘失效影响机械运行的后果;
敏感电气设备受电骚扰而影响机械运行的后果;
—可能会损坏电气设备的闪电感应电流。
通常的功能联结可由连接到保护联结电路来实现.对于电气设备的适当功能.而对保护联结电路的 电骚扰水平不是足够低的场合•有必要使用单独的导线(体)用于保护和功能联结。
机械
图4机械电气设备等电位联结示例
|
保护联结电路:________________________________________________ | |
|
(1) |
保护导絞(体)和PE端子的互联 |
|
(2) |
外露可导电部分的连接 |
|
(3) |
连接至用作保护导线(体)的电气设备安装板的保护导线(体) 一 |
|
(4) |
电气设备可导电结构部分的连接 |
|
(5) |
机械的町导电结构部分 |
|
连接至保护联结电路的部件.该部件不用作保护导体: | |
|
(6) |
柔性或刚性结构的金制管道_______________________________ |
|
(7) |
金损电缆护套成铠甲 |
|
(8) |
含有可燃材料的金属管 |
|
(9) |
外部可导电部分(独立于机械的电源接地、易引入电位,通常是地电位)•[见17.2 d)].例如:金属 管、栅栏、梯子、扶手 |
|
(IO) |
柔性的或易弯的金属导线管 |
|
(11) |
线撑架、电缆托架和电缆梯架的保护联结 |
|
由于功能原因而连接到保护联结电路: | |
|
(12) |
功能联结 |
|
图示引用名称 | |
|
Tl |
辅助变压器 |
|
UI |
电气设备安装板 |
图4 (续)
8.2保护联结电路
8.2.1概述
保护联结电路由下列部分互连组成:
——PE端子(见5.2);
——机械设备上的保护导线(见3.1.51).包括电路的滑动触点;
——电气设备外露可导电部分和可导电结构件;
例外:参见8.2.5。
—机械可导电结构件。
保护联结电路所有部件的设计.应能够承受保护联结电路中由于流过接地故障电流所产生的最高 热应力和机械应力。
—— 每一不构成电缆的一部分.或不和相线在同一公共外壳内的保护导线(体).截面积不应小于:
• 2.5 mn√铜或16 mnr铝.如果提供机械损伤防护,
• 4 Inm2铜或16 ɪnnr铝.如果没有提供机械损伤防护。
注:不排除保护导体用钢•
不构成电缆部分的保护导体.如果它安装在导线管、管道中或以类似方法保护则被认为是机械保 护。符合6.3.2.2要求设备的可导电结构件不必连接到保护联结电路上。按6.3.2.2要求设置的所有设 备,构成机械结构的外部可导电部分不必连接到保护联结电路上。
符合6.3.2.3要求设备的外露可导电部分不应连接到保护联结电路上。
有些零件安装后不会构成危险.那么就不必把它的裸露导体部分连接到保护联结电路上・例如:
不能大面积触摸到或不能用手握住和尺寸很小(小于50 mm×5O mm);
—位于不大可能接触带电部分或绝缘不易失效的位置。
这适用于螺钉、飾钉和铭牌等小'零件,以及装在电柜内的与尺寸大小无关的零件(如接触器或继电 器的电磁铁、器件的机械部分)。
8.2.2保护导线(体)
保护导线应按13.2.2做出标记。
应首选铜导线。在使用非铜质导体的场合.其单位长度电阻不应超过允许的铜导体单位长度电阻. 并且由于机械耐久性的原因.它的截面积不应小于16 mm2 O
电气设备的金風外壳或框架或安装板.已连接到保护联结电路.如果它们满足下列三项要求可以作 为保护导体:
通过构造或经合适的连接确保它们的电气连续性.防止因机械、化学或电化学引起劣化;
一符合 GB/T 16895.3 2017 中 543.1 的要求;
在每个预定的分接点.应允许连接其他保护导体。
保护导体的体面积应依照GB/T 16895.3-2017中543.1.2计算或依照表1选择(见5.2)。也见
8.2.6 和 17.2 d)o
每一保护导体应:
— 是多芯电缆的一部分;或
—是带线导体的公共的外壳;或
——横截面积至少是:
—2.5 mn√(铜)或16 mtn2(铝).如果提供免受机械损伤的保护;
——4 mm2(铜)或16 mm2(铝).如果没有提供免受机械损伤的保护。
注1:不排除保护导体用钢。
如果保护导体安装在导线管、管道或以类似的方式被保护.其不构成电缆的部分被认为是机械 保护。
下列机械部分及其电气设备应连接至保护联结电路但不应作为保护导体:
——机械的可导电結构部件(分);
柔性或刚性结构的金属管道;
—金典电缆护套或铠甲;
— 容纳.例如:气体、液体、粉末等可燃材料的金届管;
——柔性或易弯的金属导絞管;
——在正常服务中经受机械应力的结构部件;
柔性金属部件、支探线、电缆托架和电缆梯。
注 2:阴极保护见 GB/T 16895.3 2017 中 542.2.5 和 542.2.6.
8.2.3保护联结电路的连续性
无论什么原因(如维修)拆移部件时.不应使余留部件的保护联结电路连续性中断。
连接件和联结点的设计应确保不受机械、化学或电化学的作用而削弱其导电能丿J。当外売和导体 采用铝材或铝合金材料时.应特别考虑电蚀问题。
电气设备安装在门、盖或面板1•.时.应确保其保护联结电路的连续性。并宜采用保护导絞(见8.2.2)。 否则紧固件、钗链、滑动接点应设计成低电阻(见1822・试验I)O
冇裸露危险的电缆(如拖曳软电缆)应采取适、,措施(如监控)确保电缆保护导体的连续性。
使用汇流线、汇流排和汇流环装置的保护导线的连续性要求见12.7.2o
保护联结电路不包含开关电器、过电流保护装置(例如:开关、熔断器)或其他中断装置。
例外:在封闭的电气工作区.不使用工具不能打开可供试验或测靖用途的连接。
保护联结电路的连续性.可以通过移动电流收集器或插头/插座组合而中断时.保护联结电路的中 断应首先接通,最后断开接触。这也适用于诃移动或可抽出式捕件单元(也见13.4.5)0
8.2.4保护导线的连接点
所有保护导线应按13.1.1进行端子连接。保护导线连接点不应有其他的作用如缚系或连接用具 零件。
每个保护导线接点都应有标记或标签.采用IEC 60417-5019:2006-08中5019符号,如图5所示。
图 5 IEC 60417-5019:2006-08 中 5019 符号
或用PE字母.图形符号优先.或用黄/绿双色组合.或这些的任一组合进行标记。
8.2.5活动机械
带车载电源的活动机械,电气设备的可导电结构件、保护导线.以及那些机械结构的外部可导电部 分.应全部连接到保护联结端子上以防电击。也能从外部引入电源的活动机械・其:保护联结端子应为外 部保护导线的连接点。
注:当电源为设备的固定、活动或可移动物件内自带的•或无外部引入电源的(例如:当未连接车载电池充电器时). 这种设备不必连接到外部保护导线。
8.2.6 电气设备对地泄漏电流大于10 mA的附加要求
当电气设备(如町调速电气传动系统和信息技术设备)的对地泄漏电流大于IO mA w.(或cl.c.) 时,在任一引入电源处有关保护联结电路应满足下列一项或多项要求:
a) 保护导体被完全封闭在电气设备的外壳内,或以其他方式保护整个导体不受机械损坏;
b) 保护导线全长的概面积应至少为IO Tnm-(铜质)或16 mm^ (铝质);
C)当保护导线的截面枳小于IO mn√(铜质)或16 mnr (铝质)时,应提供第二保护导絞,其截面 积不应小于第一保护导线,达到两保护导线截面积之和不小于10 mn√(铜质)或16 mnr' ( 质).这要求电气设备提供连接第二保护导体的独立接线端子;
Cl)在保护导线连续性损失的情况下.电源应自动断开;
C)使用插头/插座组合时.采用符合IEC 60309的工业连接器.并且仃足够的插拔力和最小截面 积为2.5 mm2的保护接地导体作为多芯电力电缆的一部分。
采用本条描述安装的设备应在安装说明书中说明。
注:保护导体电流超过10 mA的PE端子附近宜设警吿标识。
8.3限制大泄漏电流影响的措施
限制大泄漏电流的影响用有独立绕组的专用电源变压器对大泄漏电流设备供电来实现。设备 的外露可导电部分,以及变压器的二次绕组均应连接到保护联结电路上。设备与变压器二次绕组间的 保护导线应满足8.2.6所列的一项或多项要求。
8.4功能联结
防止因绝缘失效而引起的非正常运行.可按9.4.3.1要求连接到共用导线。
有关功能联结的建议是为了避免因电磁骚扰而引起的非正常运行.见4.4.2和附录He 功能联结的连接点应使用IEC 60417-5020(2002-10)符号(见图6)标记或标识。
图6 IEC 60417的5020符号:框架或底架
9控制电路和控制功能
9.1 控制电路
9.1.1控制电路电源
控制电路由交流电源供电时.应使用有独立绕组的变圧器将交流电源与控制电源隔离。
例子包括:
参照IEC 61558 2-2有独立绕组的控制变压器;
——参照IEC 61558-2-16开关模式电源单元.配备有独士绕组的变压器;
——参照IEC 61204-7低电压电源.配备有独立绕组的变压器。
如果使用几个变压器,这些变压器的绕组宜按使次级侧电压同相位的方式连接。
例外:对于用单一电动机起动器和不超过两个控制器件(如联锁装置、起/停控制台)的机械.不强制 使用变压器或配有变压器的开关模式电源单元。
源自AC电源的DC控制电路连接到保护联结电路(见8.2.1).它们应由AC控制电路变压器的单 独绕组或其他控制电路变压器供电。
9.1.2控制电路电压
控制电压标称偵应与控制电路的正确运行协调一致。
AC控制电路的标称电压不宜超过:
——230 V,适用于标称频率50 HZ的电路;
——277 V.适用于标称频率60 HZ的电路。
OC控制电路的标称电压不宜超过220 V为宜。
9.1.3保护
控制电路应按7.2.4和7.2.10提供过电流保护。
9.2控制功能
9.2.1概述
注:本条款未对用「执行控制功能的设备要求做出规定•这种要求的示例见第io ¢.
9.2.2停止功能类别
有下列三种类别的停止功能:
——0类:用即刻切除机械致动机构的动力实现停止(即不可控停止,见3.1.64);
1类:给机械致动机构施加动力实现停止.并在停止后切除动力的可控停止(见3.1.14);
—2类:机械致动机构仍保留动力的情况下实现的可控停止。
注:切除动力即足以去除需要产生转矩或力的功率.这可以通过脱开肉合器、断开、切断或以电子等方法(例如:符 合IEC 61800系列的PDS)来实现
9.2.3操作
9.2.3.1 概述
当要求降低危险情况岀现的可能性时•应提供安全功能和/或保护措施[例如:联锁(见9.3)]o
当一台机械有多个控制站时,应提供措施以确保来门不同控制站的起动命令不会导致危险情况 发生。
9.2.3.2 起动
起动功能应通过激励相关电路来操作。
运转的起动应只有在安全功能和/或防护装置全部到位并起作用后才能进行,但9.3.6叙述的情况 除外。
有些机械(如活动机械)上的安全功能和(或)保护措施不适合某些操作.这类操作的起动应釆用保 持运行控制,必要时.与使能装置一起使用。
在起动有危险的机械运行前.应考虑听觉和/或视觉报警信号的规定。
应提供适当的联锁以确保正确的起动顺序。
在机械要求使用多个控制站操作起动时.每个控制站应配备一个独立的手动操作的起动控制装置; 操作起动应满足如下条件:
-应满足机械运行所需的全部条件;
—所有起动控制装置应处于释放(断开)位賞,然后
——所有起动控制装胜应联合引发(见3.1.7)0
9.2.3.3 停止
根据机械的风险评价及机械的功能要求.应提供O类、I类或2类停止(见4.D0
注1:当电源切断装置(见5.3)操作时厲Fo类停止Il
停止功能应否定有关的起动功能。
控制站为一个以上时.根据机械风险评价的要求.来自任何控制站的停止指令均应有效。
注2:当引发停止功能时.除停止运动外,必要时还需终止机械功能。
9.2.3.4紧急操作(紧急停止.紧急断开)
9.2.3.4.1 概述
紧急停止和紧急断开是辅助性保护措施.对于机械中的危险(如陷入、缠绕、电击或灼伤)这些措施 不是降低风险的根本方法(参见1S() 121OO)O
GB/T 5226的本部分规定紧急操作的紧急停止功能和紧急断开功能的技术要求,列于附录Eo这 两项功能均由单一的人为因素引发。
一旦紧急停止(见10.7)或紧急断开(见10.8)致动机构的有效操作中止J"后续的停止或关闭命令. 该命令在其复位前一直冇效。复位应只能在引发紧急操作命令的装'置上用手动操作。命令的夏位不应 重新起动机械,而只是允许再起动。
所有紧急停止命令复位后才允许重新起动机械。所有紧急断开命令复位后.才允许向机械重新 通电。
9.2.3.4.2紧急停止
紧急停止设备功能方面的要求见GB/T 167540
急停应起O类或1类停止功能的作用。急停的类别选择应取决于机械的风险评估。
例外:在某些情况下,为r避免产生额外的风险.必要时执行可控停止.即在停止实现后.仍保持机 械致动机构的动力。应对停止条件进行监控.一旦检测到停止状态出现故障,应予断电以免造成危险。
除了停止的要求(见9.2.3.3)之外.紧急停止功能还有下列要求:
——它应否定所冇其他功能和所冇模式中的操作;
一尽快停止危险运行,且不引起其他危险;
——复位不应引起重新起动。
9.2.3.4.3紧急断开
紧急断开的功能目的见GB/T 16895.22 2004中536.4。
下列场合应提供紧急断开:
基本防护(例如:在电气工作K内有汇流线、汇流排、汇流环和控制设备)只是通过置于伸臂以 外的防护或用阻挡物防护来达到的(见6.2.6);或
—可能会由电引起的其他伤害或危险。
紧急断开由O类停止作用的机电开美器件断开相关的引入电源来完成。如果机械不允许采用。类 停止.就需要有其他保护,如是基本防护,则不需要紧急断开。
9.2.3.5 工作方(模)式
每台机械可以冇一种或多种丁.作方(模)式[例如:手•动、自动、设置、维护方(模)式等].这取决于机 械及其应用的类型。
机械的设计和制造.允许其使用在儿个要求不同保护措施和对安全有不同影响的控制或操作方 (模)式的场合.它应配备一个模式选择器.可锁定在每个位置(例如钥匙操作开关)。选择器的每个位咒 应清晰地识别.并对应单一的操作或控制方(模)式。
选择器可以用另一种选择方法来代替,该方法町限制某类操作者使用机械的某些功能(例如:访问 代码)。
方式选择本身不应引发机械运行。起动控制应单独操作。
对于每个规定的工作方式•应执行有关安全功能和/或安全防护措施。
应配备选择匚作方式指示[如方(模)式选择器位置、指示灯提示和视觉显•示标示]。
9.2.3.6指令动作的监控
机械或机械部件的运动或动作可能导致危险情况时.应对运动或动作进行监控.如超程限制器、电 动机超速检测.机械过载检测或防碰撞器件等装置。
注:冇些手•动控制的机械(例如:手动钻床)•市操作者提供监控.
9.2.3.7 ••保持■运转”控制
.•保持-运转”控制应要求该控制装洗持续激励宜至「•作完成C
9.2.3.8 双手控制
ISO 13851定义了三种双手控制模式.其选择取决于风险评价。它们应具冇下列特点:
I型:这种型式要求:
—提供需要双手联合引发的两个控制引发器件;
—在危险情况期间持续操作;
当危险情况依然存在时.释放任一个控制引发器件或两个都释放.均应中止机械运行。
I型双手控制器件不适合引发危险操作。
Il型:是I型的另一种控制.当要求机械重新起动运行时.需先释放两个控制引发器件。
Ul型:是Il型的另一种控制.控制引发器件联合引发的要求如下:
-应在一定时限内起动两个控制引发器件.彼此之冋的启动时冋差不超过0.5 S;
—— 如果超过时限.应先释放两个控制引发器件.然后方可起动机械运行。
9.2.3.9 使能控制
使能控制(也见10.9)是一个具有联锁功能的手动激励控制:
a) 被激励时.允许机械运行由独立的起动控制引发.和
b) 去除激励时:
—引发停止功能;和
——防止引发机械运行。
使能控制的配置应使其失效的可能性最小.例如:在机械运转可能被重新起动前.要求使能控制器 件去除激励。
9.2.3.10 起动与停止兼用的控制
交替控制起动和停止运转的按钮和类似控制器件仅用于不会在运行中引起危险情况的功能。
9.2.4 无线控制系统(CCS)
9.2.4.1 -般要求
9.2.4涉及使用无线技术的控制系统(例如:无线电.红外线)的功能要求,它们用于在操作控制站和 控制系统其他部分之冋传输控制信号和数据。
注1: 9.2.3中所涉及的机械理解为“机械或机械部分”.
依靠数据传输(例如:有关安全的有效停止、运动命令)的无絞控制系统(CCS)的安全功能,其传输 町拳性要:求订能是必要的。CCS应有适合基于风险评估的应用所要求的功能和响应时间。
注2: IEC 61781-3描述通信网络的通信故障和安全相关数据传输的要求.
注3:有关无线控制系统的进一步要求正在制定中.见1E(' 62715.
9.2.4.2监控无线控制系统对控制机械的能力
无线控制系统(CCS)所具备的控制机械的能力应能实施白动监控或连续监控或定时监控。这种能 力状况应清晰标明(例如:采用指示灯、视觉显示器指示等)。
如果通信信号降级(例如:降低信号电平.电池电量低)可能在一定程度上降低CCS控制机械能 力.则应在CCS控制机械能力降低前向操作者提出警告。
当CCS的控制机械的能力卜,降已込到该应用的风险评估所确定的时间时.应引发机械的fl动 停止。
注:在某些情况下,例如.为r避免这种自动停止会引起意外危险情况.停止前.可能冇必要让机械进入预定状态.
恢复CCS控制设备的能力不得重新起动设备。重新起动应要求一系列预定的操作.例如:手动操 作起动按钮。
9.2.4.3 控制限制
应釆取措施(例如:编码传输)防止机械响应非预定无线操作控制站发出的信号。
无线操作控制站应只控制预期使用的机械和只影响预期使用的机械功能。
9.2.4.4使用多无线操作控制站
当控制一台机械的无线操作控制站多于一个时,则:
——除非机械操作冇需要.在同一时间内只有一个无线操作控制站起作用;
一当一个无线操作控制站的控制权转移至另一个时,应要求存控制权的控制合进行慎亜的手动 操作;
在机械运行期冋.只冇在两个无线操作控制站设定相同的机械运行模式和/或机械功能时才冇 可能实现控制权的转移;
控制权的转移不应改变选择的机械运行模式和/或的机械功能;
每个取得机械控制权的无线操作控制站应提供其取得控制权的指示(例如:指示灯、视觉显 示器)。
注:其他位置的指示可由风险评估确定。
9.2.4.5便携式无线操作控制站
便携式无线操作控制站应提供措施(例如:使用钥匙操作开关、访问代码)防止未经授权使用。
每台受无线控制的机械当其处于无线控制时要有指示。
当便携式无线操作控制站可以连接至数台机械中的一台或多台时.应在便携式无絞操作控制站上 提供手段以选择连接至哪一(儿)台机械。选择要连接的机械不应引发控制命令。
9.2.4.6禁用便携式无线操作控制站
如果处于控制时禁用无絞操作控制站.相关的受控机械应满足9.2.4.2所述CCS丧失控制机械的 能力的要求。
对需要禁用便携式无絞操作控制站而不中断机械操作的场合.应提供手段(例如:在便携式无线操 作控制站上)将控制权转移至其他固定或便携式控制站。
9.2.4.7位于便携式无线操作控制站上的紧急停止装置
位于便携式无线操作控制站上的紧急停止装置不应是设备上启动紧急停止功能的唯一手段。
应通过恰当的设计和使用信息避免主动和被动紧急停止装置之冋相混淆。见(;B/T 16751 20080
9.2.4.8紧急停止复位
在失电、去除使能、更新使能、通信丢失或CCS部件故障后.无线控制的重新启动不应导致紧急停 止状态的复位。
使用说明书应说明.须在Ll査明便携式无絞操作控制站引发紧急停止的原因后.紧急停止状态方可 复位。
除了可在便携式无线控制站上对紧急停止执行机构夏位.还应根据风险评估.补充提供一个或多个 固定夏位装置。
9.3联锁保护
9.3.1联锁安全防护装置的复位
联锁安全防护装置的复位不应引发危险的机械运转.以免发生危险情况。
注:有起动功能(控制防护装骨)的联锁防护装置要求参见GBT 15706— 2012中6.3.3.2.5.
9.3.2超过工作限值
超过工作限值(如速度、压力、位置)可能导致危险情况的场合,当超过预定的限值时应提供检测手 段并引发适当的控制作用。
9.3.3辅助功能的工作
应通过适当的器件(如压力传感器)去检验辅助功能的正常工作。
如果辅助功能(如润滑、冷却、排屑)的电动机或器件不工作有可能发生危险情况或者损坏机械和加 工件.则应提供适当的联锁。
9.3.4 不同工作和相反运动间的联锁
所有接触器、继电器和机械控制单元的K他控制器件同时动作会带来危险时(如起动相反运动),应 进行联锁防止不正确的工作•
控制电动机换向的接触器应联锁(如控制电动机的旋转方向)・使得在正常使用中切换时不会发生 短路。
如果为了安全或持续运行.机械上某些功能需要相互联系.则应用适当的联锁以确保正常的协调。 对于在协调万式中同时T.作并具有多个控制器的一组机械.必要时应对控制器的协调操作做出规定。
如果机械制动机构的故障会产生制动,此时冇关的机械致动机构已供电而且可能出现危险情况.则 应配备切断机械致动机构的联锁。
9.3.5反接制动
如果电动机采用反接制动.则应采取有效措施以防止制动结朿时电动机反转.这种反转可能会造成 危险情况或损坏机械和加工件。为此.不应允许采用只按时间作用原则的控制器件。
控制电路的安排应使电动机轴转动(例如:当电机停止后.采用于动力或其他力引起轴转动)时.都 不应发生危险情况。
9.3.6安全功能和/或安全防护措施暂停
如果需要暂停安全功能和/或安全防护措施(如设置或维修目的)・控制或工作方(模)式选择器应同 时满足下列要求:
— 其他所有工作(控制)方式都不能使用;
操作只允许使用保持运转装置或类似定位控制装置.以便允许观察危险元素;
—只在减少风险的条件下(例如:降低速度.减少功率/力.步进操作,例如:带限制运动控制装置) 才允许危险因素的操作;
一在机械的传感器上.防止由任何随意或非随意动作导致危险功能的操作。
如果这四个条件不能同时满足.控制或操作方(模)式选择器应激活M他设计和制造的保护措施.以 确保安全干预区。此外.操作者从凋整点应能够控制其正在从事的工作部分的操作。
9.4失效情况的控制功能
9.4.1 一般要求
电气设备中的失效或骚扰F扰会引起危险情况或损坏机械和加「•件时,应采取适当措施以减少这 些失效或騒扰干扰出现的可能性。所需的措施及其实现的程度.无论是单独或结佥使用.均取决于冇关 应用的风险等级(见4.1)β
这些可能的适当措施示例包括但不限于:
——电路的保护联锁:
采用成熟的电路技术和元件(见9.4.2.2);
——提供部分或完整的冗余技术(见9.4.2.3)或相异技术(见9.4.2.4);
— 提供功能试验(见9.4.2.5) β
电气控制电路应有适当的性能.这由机械的风险评估确定。
IEC 62061和/或ISO 13849-1 JSO 13849-2中安全相关控制功能的要求应适用。
通过具有安全含义而适用于IEC 62061的电气控制系统执行功能从而导致要求的安全完整性小于 SIL 1时.按照GB/T 5226本部分的要求可使电气控制系统有足够的性能。
存贮器记忆.例如:由电池供电保持的场合,应采取措施防止由于电池失效或卸除而引起危险情况。
应提供措施(如使用密钥、访问代码或「具)防止未经授权或意外修改存储器的内容。
9.4.2失效情况下减低风险的措施
9.4.2.1 概述
失效情况下减低风险的措施包括但不限于:
—采用成熟的电路技术和元件;
一提供部分或完整的冗余技术;
提供相异技术;
——提供功能试捡。
9.4.2.2采用成熟的电路技术和元件
这些措施包括但不限于:
—因功能口的.将控制电路接到保护联接电路(见9.4.3.1和图4);
——按照9.4.3.1连接控制器件;
——用断电的方式停机;
切断被控制器件的所有通电导线(例如:絞圈的两侧);
使用强制(或直接)断开操作的开关电器(见IEC 60947-5-1:2003);
通过下列监测:
•使用机械连接触头(见IEC 60947-5-1);
• 使用镜像触头(参见IEC 60947-4-1);
电路设计上要减少意外操作引起的失效的可能性。
9.4.2.3部分或完整采用冗余技术
通过提供部分或完整的冗余技术可能使电路中单一失效引起危险的可能性减至最小。正常操作中 冗余技术可能是右效的(在线冗余).或设计成专用电路.仅在操作功能失效时去接替保护功能(离线 冗余)。
在正常「•作期间离线冗余技术不起作用的场合•应采取措施确保这些控制电路在需要时可供使用。
9.4.2.4采用相异技术
采用有不同操作原理或不同类型元件或器件的控制电路.可以减少故障和失效可能引起的危险。 例如:
——常开触点和常闭触点的组合使用;
-电路中不同类型控制器件的运用;
——在冗余结构中机电和电子设备的组合。
电和非电(如机械、液压、气压)系统的结合可以执行冗余功能和提供相异技术。
9.4.2.5 功能试验的规定
功能试验町用控制系统付动进行.也可在起动和按预定间隔手动检査或试验.或以适当方式组合 (见 17.2 和 18.6)o
9.4.3控制电路故障的防护
9.4.3.1绝缘故障
9.4.3.1.1 概述
任何控制电路的接地绝缘故障可能引起误操作,例如:意外起动、潜在的危险运动或妨碍机械停止. 应采取减少绝缘故障概率的措施。
满足要求的措施包括但不限于下列的方法:
方法a)由变压器供电的接地控制电路;
——方法b)由变压器供电的非接地控制电路;
-方法C)由绕组中心抽头接地的变压器供电的控制电路;
—方法d)不由变压器供电的控制电路。
9.4.3.1.2方法a)由变压器供电接地的控制电路
共用导线(体)应连接到在电源端点的保护联结线路上。所有电磁或其他器件(例如继电器、指示 灯)的匸作触点、固态元件等应插入到控制电路电源连接开关的导絞(体)与絞圈或器件的端子之间。絞 圈或器件的其他端子直接连接控制电路电源的没有任何开关元件的共用导线(体)(见图7)β
说明:
1 —连接开美的导线(体):
2 -公共导线(体X
3——控制开关•
图7方法a)由变压器供电的接地控制电路
注:方法a)也可用于DC控制电路U在这种情况下.如图7所示的变压器由DC电源单元代替.
例外:保护装置的触点可以连接在共用导体和线圈之间.前提是连接很短(例如:在同一売体内).不 致发生接地故障(例如:过载继电器直接安装在接触器上
9.4.3.1.3方法b)由变压器供电的非接地控制电路
由未连接保护联结电路的控制变压器供电的控制电路应满足下列要求:
方法bl)在双导线(体)上工作的双极控制开关.见图8;或
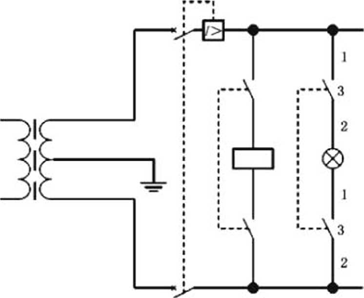
——万法1)2)提供一个装置.例如:绝缘监测装置.在接地故障发生时自动中断电路.见图9;或
—方法1)3)在上述第二项1)2)中.如果Il动中断会增加风险.例如:当首次岀现接地故障时.仍 要求继续运行。在机械L应配置能足以触发听觉和视觉信号的绝缘监测装骨(例如:依照 IEC 61557-8).见图IOO机械用户应对该报警所需执行的步骤.在使用信息中描述。
说明:
1 连接开关的学线(体):
2— 公共导线(休);
3— 控制开关。
图8方法bl)由变压器供电的非接地控制电路
注1:方法bl)也可以用于IX'控制电路,在这种情况下.如图8所示的变压器由DC电源代替“
1
说明:
1 -连接开关的导銭(体);
2—公共导线(体);
3 —控制开关
图9方法b2)由变压器供电的非接地控制电路
注2:方法b2)也可以用于DC控制电路。在这种情况卜..如图9所示的变圧器由DC电方代
注3:在用于绝缘监测装置保护的测償电路中图9没冇显示过电流保护装置,•
ɪ ι
说明:
ɪ 连接开关的导线(体
2— —公共导线(体),
3— —控制开关。
图10方法b3)由变压器供电的非接地控制电路
注4:方法b3)也可以用于IX'控制电路.在这种情况下.如图1()所示的变圧器由IXHti源代替」变压將和整流 器组合使用时.绝缘监测装置应连接到控制电路的DC电压部分整流器后的保护联结电路.
注5,在用于绝缘监测装置保护的测量电路中.图IO没有显示过电流保护装置.
9∙4.3.1∙4方法C)由绕组中心抽头接地的变压器供电的控制电路
由带绕组中心抽头接地的控制变压器供电的控制电路.应具冇可以切断两根导线的过电流保护 装置。
控制开关应是双极开关.作用于两根导线。
说明S
1 连接开关的导线(体
2— 公共导絞(体):
3— —控制开关°
图11方法C)由带接地的中心抽头绕组变压器供电的控制电路
9.4.3.1.5方法d)不由变压器供电的控制电路
控制电路不由控制变压器或参照IEC 61558-2-16具冇独立绕组变压器的开关电源单元供电.按照
9.1.1.H允许用于最多含一台电动机起动器和/或最多两个控制器件的机械C
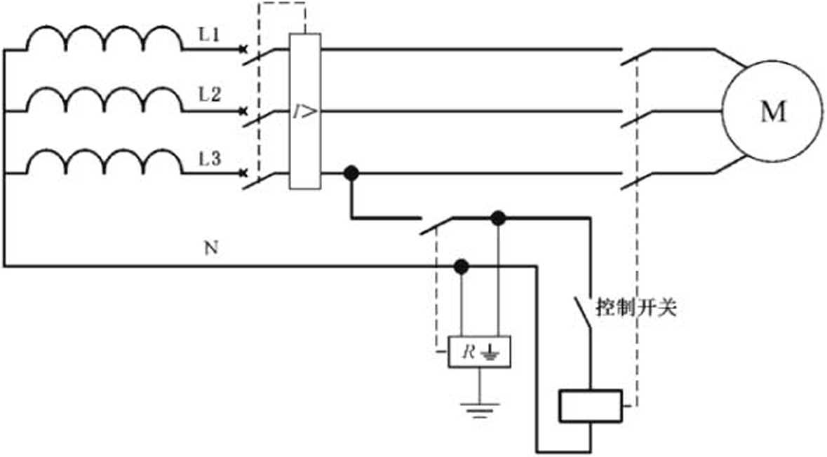
根据供电系统的接地情况.∏【能的情况是:
1) 直接连接到接地的供电系统(TN或TT系统)和:
a) 在某一相线和中絞之间供电.见图12;或
b) 在两根相线之间供电.见图13;或
2) 直接连接到不接地或经高阻抗接地的电源系统(IT系统)和:
a) 在某一相线和中线之间供电,见图14;或
b) 在两根相线之间供电,见图15。
方法d)ɪ)b)要求多极控制开美.该开关转换所有带电导线(体).以避免在控制电路接地故障时 的意外起动。
方法d)2)要求配置一个在出现接弛故障时自动切断电路的装置。
图12方法d)l)a)接地供电系统相线和中线之间控制电路没有连接变压器
注1:图12显示供电系统是TN系统的情况.TT系统的情况下.控制电路是相同的
注2:图12没有显示动力电路和控制电和的任何保护装置.有关规定见6.3和7.2。
图13方法(I)I)I))接地供电系统两相线之间控制电路没有连接变压器
注3:图13显示供电系统是TN系统的情况。丁T系统的情况下.控制电路是相同的,
注4:图13没有显示动力电路和控制电路的任何必要保护装置.有关规定见6.3和7.2。
图14方法d)2)a)不接地系统相线和中线之间控制电路没有连接变压器
图15方法d)2)b)不接地系统二相线之间控制电路没有连接变压器
注6:图15没有显示动力电路和控制电路任何必要的保护装置.有关规定见6.3和7.2。
9.4.3.2 电压中断
也见7.5o
如果控制系统采用存储器,一旦电源发生故障应确保正常功能(例如:用非易失性存储器以防止 因存储信息丢失而引起危险情况。
9.4.3.3电路连续性损失
如果控制电路因滑动触头原因导致连续性受损而引起危险情况时,应釆取适当措施(例如:采用双 重滑动触头)。
10操作板和安装在机械上的控制器件
10.1总则
10.1.1 一般器件要求
操作板的控制器件应按IEC 61310尽可能合适选择、安装和标识或编码。
应使疏忽操作的可能性降到最低.例如:器件的定位.合适的设计.提供附加保护措施。应特别考慮 用于危险机械控制的操作者输入装置(例如:触摸屏、键盘和键区)以及用于启动机械操作的传感器(例 如:位置传感器)的选择、排歹叭编程和使用。进一步信息见IEC 6O447β
操作板器件的位置应考虑人类T.效学原则。
10.1.2位置和安装
为了适用.安装在机械上的控制器件应:
—维修时易于接近;
—安装得使由于物料搬运活动引起损坏的可能性减至最小。
手动控制器件的操动器应这样选择和安装:
操动器不低于维修站台以I: 0.6 m,并处于操作者在正常匸作位置上易够得着的范于内;
—使操作者进行操作时不会处于危险位置。
脚动控制器件的操动器应这样选择和安装:
——操作者在正常Γ作位置易触及的范围内;
—操作者操作时不会处于危险情况。
10.1.3防护
防护等级(IP等级符合IEC 60529)和其他适当措施一起应防止:
在实际环境中发现的或在机械上使用的液体、油、雾或气体的作用;
— 杂质(例如:切屑、粉尘、颗粒物)的侵入。
此外.操作板上的控制器件的防护等级至少应采用IPXXD(见IEC 60529).以防止接触带电部分。
10.1.4位置传感器
位置传感器(如位置开关、接近开关)的安装应确保即使超程它们也不会受到损坏。
电路中使用的具•冇相关安全功能(例如:保持机械的安全状态或防止机械产生危险情况)的位置传 感器,应具有直接断开操作(见IEC 60947-5-1:2003)或提供类似可靠性措施(见9.4.2)。
10.1.5便携式和悬挂控制站
便携式和悬挂操作控制站及其控制器件的选择和安装应使得由冲击和振动(例如:操作控制站下落 或受障碍物碰撞)引起机械的意外运转可能性減到最小(见4.4.8)。
10.2操动器
10.2.1颜色
操动器(见3.1.1)的颜色代码应按以下要求。
起动/接通操动器的颜色应为白、灰、黑或绿色.优选白色.不允许用红色•
急停和紧急断开操动器(包括电源切断升美.它预期用于紧急情况)应使用红色。最接近操动器周 围的衬托色则应啓黄色。红色操动器与黄色衬托色的组合应只用于紧急操作装置。
停止断开操动器应使用黒、灰或白色,优先用黑色。不允许用緑色。允许选用红色,但常近紧急操 作器件不宜使用红色。
作为起动/接通与停止/断开交替操作的操动器的优选颜色为白、灰或黑色.不允许用红、黄或绿色。 对于按动它们即引起运转而松开它们则停止运转(如保持运转)的操动器.优选颜色为门、灰或
黑色.不允许用红、黄或绿色。
复位按钮应为蓝、IT、灰或黑色。如果它们还用作停止/断开按钮.姓好使用白、灰或黑色.优先选用 黑色.但不允许用緑色。
黄色供异常条件使用•例如:在异常加工情况或自动循孙r I1断事件中。
对于不同功能使用相同颜色白、灰或黑(如起动/接通和停止/断开操动器都用甘色)的场合•应使用 辅助编码方法(如形状、位置、符号)以识别按钮操动器β
10.2.2标记
除r如16.3所述功能识别以外.建议按钮用表2或表3给出的符号标记.标记可作在其附近.最好 直接标在操动器之上。
表2操动器符号(电源)
|
电源 | |||
|
接通 |
断升 |
接通/断开 (按压和释放交替动作) |
接通 (保持运转) |
|
IEC 60417-5007 (2002-10) |
IEC 60417-5008 (2002-10) O |
IEC 60417-5010 (2002-10) ① |
IEC 60417-5011 (2002-10) © |
表3操动器符号(机械操作)
|
机械操作 | |||
|
起动 |
停止 |
保持运转 |
急停 |
|
IEC 60417-5104 (2006-08) |
IEC 60417-5IIOA (2004-06) |
IEC 60417-5011 (2002-10) |
IEC 60417-5638 (2002-10) |
|
ɪ |
© |
θ |
© |
10.3指示灯和显示器
10.3.1概述
指示灯和显示器用来发出下列型式的信息:
指示:引起操作者注意或指示操作者应完成某种任务•红、黄、蓝和緑色通常用于这种方式;闪 烁指示灯和显示器见10.3.3o
——确认:用于确认一种指令、一种状态或情况.或者用于确认一种变化或转换阶段的结束。蓝色 和白色通常用于这种方式,某些情况下也可以用绿色。
指示灯和显示器的选择及安装方式•应从操作者的正常位置看得到(见IEC 6131O-l)β
用于警告人员紧急危险的听觉或视觉设备的电路.应配备检査这些设备可操作性的装置。
10.3.2颜色
指示灯玻璃的颜色代码应根据机械的状态符合表4的要求。
表4指示灯的颜色及其相对于机械状态的含义
|
顔色 |
含义 |
说 明 |
操作者的动作 |
|
红 |
紧急 |
危险情况 |
立即动作去处理危险情况 (如断开机械电源.发出危险状态报警 并保持机械的清除状态) |
|
黄 |
异常 |
异常情况 紧急临界情况 |
监视和(或)干预(如重建需耍的功能) |
|
緑 |
正常 |
正常情况 |
任选 |
|
蓝 |
强制性 |
指示操作者需要动作 |
强制性动作 |
|
无确定性质 |
其他情况.可用于红、黄、绿、蓝色的应 用有疑问时 |
监视 |
机械上指示塔H适用的颜色自顶向下依次为红、黄、蓝、绿和白色。
10.3.3闪烁灯和显示器
为了进一步区别或发出信息.尤其是给予•附加的强调.闪烁灯和显示器可用于下列目的:
—引起注意;
——要求立即动作;
——指示指令与实际情况有差异;
—指示进程中的变化(转换期间闪烁)。
对于较髙优先级信息.宜使用较高闪烁频率(参见IEC 60073推荐的闪烁速率和脉冲/冋歇比)。 用闪烁灯或显示器提供较高优先级信息的场合•也应提供声音报警。
10.4 光标按钮
光标按钮操动器的颜色代码应符合10.2.1的要求。当难以选定适当的颜色时.应使用|'|色。
急停操动器激活的颜色应保持为红色.与照度无关。
10.5旋动控制器件
具有旋动部分的器件(如电位器和选择开关)的安装应防止其静止部分转动。只靠摩擦力是不 够的。
10.6起动器件
用于引发起动功能或移动机械部件(如滑块、主轴、托架)的操动操.其设计和安装应尽量减小意外 操作的M能。
10.7急停器件
10.7.1急停器件位置
急停器件应易接近。
急停器件应设置在要求引发急停功能的各个位管。
急停器件町能出现有效和无效之间相混淆的情况,例如:由拔出或M他使操作站失效引起。在这种 情况下.应提供最不易混淆的方法(如设计和使用信息)。
10.7.2急停器件型式
急停器件包括但不限于下列的型式:
用手掌或拳(例如蘑菇头式)触及操动的按钮装賞;
——拉线操作开关;
不带机械防护装置的脚踏开美。
急停器件应符合IEC 60947-5-5的规定。
10.7.3影响急停的电源切断开关的操作
()类停止适用的场合•电源切断开关可以提供急停功能时.电源切断开关应:
——易于接近操作;和
——5.3.2 a),b).c).或d)所描述的类型。
预期使用急停的场合•电源断升关应满足10.2.1规定的颜色要求。
10.8紧急断开器件
10.8.1紧急断开器件的位置
如必要.对于给定的应用应配置紧急断开器件。这些器件通常与操作控制站隔开设置。在急停器 件和紧急断开器件易发生混淆的场合.应提供使混淆降为最小的措施。
注:达到此要求,如预备安全玻璃外売的紧急断开器件“
10.8.2紧急断开器件的型式
引发紧急断开的器件有下列型式:
操动器为掌撤式或應菇头式的按钮操作开关:
—拉线操作开关。
这些器件应是直接断开操作(IEC 60947-5-1: 2003中附录K和IEC 60947-5-1 : 2OO3∕ΛMI)1 : 2009)。
10.8.3电源切断开关的本身操作实现紧急断开
用电源切断开美本身操作实现紧急断开的场合,切断开关应易于接近.并应满足10.2.1的要求。
10.9使能控制器件
使能控制功能在9.2.3.9中描述。
使能控制器件的选择fi I布置.应使株失效的可能性减至最小>
使能控制器件的选择应具冇下列特性:
—设计要考虑人类工效学原则;
—对于二位置型式:
•位置L开关的断开功能(操动器不起作用);
•位置2:使能功能(操动器起作用)。
—对于三位置型式:
•位置1:开关的断开功能(操动器不起作用);
•位置2:使能功能(中间位置操动器起作用);
•位置3:断开功能(超过中间位置操动器起作用);
•当从位置3返冋位置2.使能功能不能起作用。
注:三位置使能开关的特殊要求见IEC 60947-5-8。
11控制设备:位置、安装和电柜
11.1 一般要求
所有控制设备的位置和安装应易于:
—接近和維护;
——预期操作不受外部因素或条件的影响;
——机械及冇关设备的操作和维护。
11.2位置和安装
11.2.1易接近性和维护
控制设备的所有元件的设置和排列应使得不用移动它们或其配线就能清楚识别。对于为r正确运 行而需要检验或需要易于更换的元件.应在不拆卸机械的其他设备或部件情况下就能得以进行(开门或 卸罩盖遮柱或阻挡物除外)。不是控制设备组件或恭件部分的端子也应符合这些要求。
所冇控制设备的安装都应易于从正面操作和維修。当需要用专用匚具调整、维修或拆卸器件时,应 提供这些专用工具。为了常规维修或调整而需接近的冇关器件.应安设于维修站台以上0.4 m〜2 m之 间。端子宜至少在维修站台以上0.2 m,旦使导线和电缆能容易连接其EO
除操作、指示、测虽、冷却器件外.在门上或期望可拆卸的外壳孔盖上不应安装控制器件。
当控制器件是通过插接方式连接时.它们的插接应通过型号(形状)、标i己或标志或参照代号(单个 或组合使用)清楚区分(见13.4.5)。
正常工作中需插拔的插头应具冇非互换性.缺少这种特性会导致错误工作。
在正常工作过程中需要插拔的插头/插座连接器应定位安装.以便于提供畅通无阻的插拔。当提供 用于连接测试设备的测试点时应:
—在安装上提供畅通无阻的通道;
—有符合技术文件的清楚的标识:
——有足够的绝缘;
冇充分的空间。
11.2.2 实际隔离或成组
与电气设备无直接联系的非电气部件和器件不应安装在装冇控制器件的外売中。如电磁阀那样的 器件应与其他电气设备隔离开(如在单独隔间中)。
集聚安装并连有动力电路或连冇动力与控制两种电路的控制術件.应与仅连冇控制电路的控制帝 件分隔开独立成組。
卜,列的接线端子应单独成组:
——动力电路;
——机械的控制电路;
——其他控制电路,来自外部电路(如联锁)。
但若能使各组容易识别(如通过标记、用不同尺寸、使用遮栏、用颜色).则各组可以邻近安装。
在布置器件位置时(包括互连),由供方为它们规定的电气间隙和爬ʤ距离应考虑实际环境条件或 外部影响。
11.2.3 热效应
电气设备外壳内部温升不应超过元件制造商规定的环境温度。
注1: IECTR 60890可用于计算外壳内部温升.
发热元件(如散热片、功率电阻)的安装应使附近所有元件的温度保持在允许限值的范围内。
注2:绝缘材料对耐受热应力的选择信息参见IEC 60216和IEC 60085.
11.3防护等级
控制设备应有足够的能力防止外界固体物和液体的侵入,并要考虑到机械运行时的外界影响(即位 置和实际环境条件)•且应充分防止粉尘、冷却液和切屑。
注1:防止水浸入的防护等级参见IEC 60529的规定.防止其他液体.可能需要附加保护措施.
控制设备的外壳的防护等级应不低于IP22(见IEC 60529)o
例外:F列情况不要求外壳提供IP22的最低防护等级:
a) 电气丁.作区提供r适当的防护等级已能防止固体和液体的侵入。
b) 在汇流絞或汇流排系统使用可移式集电器和应用12.7.1的措施。
注2 :下列为应用实例及由其外売提供的典型的防护等级:
——仅装有电动机起动电阻和其他大型设备的通风电柜.IPlE
——裝有其他设备的通风电柜.1P32;
一般工业用电柜.IP32、IP43和IP5,
低压喷水清洗场(用软管冲、洗)的电柜・IP5 5:
— 防细粉尘的电柜・】P65,
含汇流环装置的电柜.IP2Xc
根据安装条件可采用其他适当的防护等级。
11.4电柜、门和通孔
制造电柜的材料能承受机械、电气和热应力以及正常「•作中可能碰到的湿度和K他环境因素的 影响。
紧固门和盖的紧固件应为系留式的。
电柜窗的材料应适合承受预期机械应力和化学腐蚀'。
电柜门宜使用垂直钗链.开角最小95°,门宽不超过0.9 Tne
门、罩、盖与外壳的结合面和密封垫.应能经受住机械所用的侵蚀性液体、油、雾或气体的化学影响。 为r运行或維修而需要打开或移动的电柜上的门、罩.和盖.应采取保持其防护等级的措施:
——它们应牢靠紧固在门、盖或外壳上;
— 不应由于门、盖的移开或复位而损坏和使防护等级降低。
当外壳上有通孔(如电缆通道).包括通向地板或地基或机械M他部件的通孔.均应提供措施以确保 获得设备规定的防护等级。电缆的进口在现场应容易再打开。机械内部装冇电器件的壁兔底而可提供 适当的通孔,以便能排除冷凝水。
•16
在装有电气设备的壁龛和装有冷却液、润滑或液压油的隔间或可能进入油液、其他液体以及粉尘的 隔间之间不应有通孔。这个要求不适用于专门设计的在油中I:作的电藩(如电磁离合展).也不适用于 需要施用冷却液的电气设备。
如果电柜中有安装用孔•可能需要采取措施使安装后这些孔不削弱所要求的防护等级。
设备在正常或异常T.作中.表面温度足以引起燃烧危险或对外壳材质有损害时:
应将设备装人能承受这种温度的外壳中•而没有燃烧或损害的危险;
— 设备的安装和位置应与邻近的设备有足够的距离以便安全散热(见11.2.3); 一用能耐受设备发热的材料屏蔽.避免燃烧或损害的危险。
注:警告标签参照16.2.2的规定IJ
11.5电气设备通道
通道中的门和电气工作区用的通道门应:
——至少宽O∙7 m・髙2.1 m;
--向外开;
允许从里开门.但有措施(如应急插销)而不使用钥匙或T-•具。
注:进一步的信息参见IEC 603647729。
12导线和电缆
12.1 -般要求
导线和电缆的选择应适合于「•作条件(如电压、电流、电击的防护、电缆的分组)和可能存在的外界 影响[如环境温度、存在水或腐蚀物质、机械应力(包括安装期冋的应力)、火灾的危险]。
这些妥求不适用于按有关国家标准或国际标准(例如JEC 61800系列)制造和测试的部件、組件和 装置的集成配线。
12.2导线
一般情况,导线应为铜质的。如果用铝导线.截面积应至少为16 nιm2β
为保证足够的机械强度,导絞截面积不应小于表5规定的偵。然而截面积小于表5规定或和表5 规定结构不同的导线均而以在设备中使用.只要可以通过其他措施获得足够的机械強度而不削弱正常 的功能即可。
注:导线分类参见表D.4.
表5铜导线最小截面积
|
位置 |
用途 |
导线、电缆型式 | ||||
|
单芯 |
XZ IP 多心 | |||||
|
5或6类软线 |
硬线(1类)或 絞线(2类) |
双芯屏蔽线 |
双芯无屏蔽线 |
二芯或三芯以上屏 蔽线或无屏蔽线 | ||
|
(保护) 外売外部 布线 |
动力电路.固定布线 |
1.0 |
1.5 |
0.75 |
0.75 |
0.75 |
|
动力电路.,氏受頻繁 运动的布线 |
1.0 |
0.75 |
0.75 |
0.75 | ||
|
控制电路 |
1.0 |
1.0 |
0.2 |
0.5 |
0.2 | |
|
数据通信 |
— |
— |
.. . |
0.08 | ||
表5 (续)
|
位置 |
用途 |
导线,电缆邸式 | ||||
|
单芯 |
多心 | |||||
|
5或6类软絞 |
硬线(1类)或 絞絞(2类) |
双芯屏蔽絞 |
双芯无屏蔽絞 |
三芯或三芯以上屏 蔽絞或无屏蔽线 | ||
|
外売内部 布絞, |
动力电路(固定连接) |
0.75 |
0.75 |
0.75 |
0.75 |
0.75 |
|
控制电路 |
0.2 |
0.2 |
0.2 |
0.2 |
0.2 | |
|
数据通信 |
— |
0.08 | ||||
注:所有导线截面枳单位m∏√∙
β个别标准的特殊要求除外.也UL 12.1.
在:振动引起损害可以忽略的场合.1类和2类导线主要用于刚性的非运动部件之间。易遭受频繁 运动(例如:机械工作每小时运动一次)的所有导线.均应采用5或6类绞合软线。
12.3 绝缘
由于火的蔓延或者冇毒或腐蚀性烟雰扩散.绝缘导线和电缆可能构成危险时,应寻求电缆供方的指 导α对具有安全功能电路的完整性予以特别注意是尤其重要的。
所用电缆和导线的绝缘应适合试验电压:
—— 丁.作电压高于50 V a・c.或120 V d.c.的电缆和导线•要经受至少2 OOo V a.c.的持续5 min的 耐压试验。
—— PELV电路应承受至少500 V a・c・的持续5 min的耐压试羚(见GB/T 16895.21—201 ɪ中[II类 设备)。
在工作及敷设时.尤其是在电缆拖入管道时.绝缘的机械强度和悴度应保证其不应损坏。
12.4正常工作时的载流容量
导线和电缆的载流容量取决于几个因素,例如:绝缘材料.电缆中的导体数.设计(护套).安装方法. 分组和环境温度。
注1:详细信息和指导可在GB/T 16895.6—2014、某些国家标准中找到或由制造商给出.
在稳态条件下.外壳和设备单独部件之间适用于PVC绝缘线路载流容址的典型示例见表5。
注2:对•于特定应用.正确的电缆尺寸可能取决于「•作循环的周期和电缆热时间常数之冋的关系(如防止起动高慣 量负载.间歐工作)咨洵电缆制造商U
12.5导线和电缆的电压降
在正常工作状态下.任何动力电路的电缆.从电源端到负载的电压降不应超过额定电压的5%。为 了符合这个要求.可能有必要采用大于表6规定的横面积导线。
控制电路中.号虑到浪涌电流•电压降应使任何装置的电压不低于制造商规定的电压。也见4.3。
应考虑器件上的电压降.例如:过电流保护装置和开关装置。
表6 稳态条件下环境温度40 tC时,釆用不同敷设方法的
PVC绝缘铜导线或电缆的载流容量(L)
敷设方法(参见1X2.2)
BI B2
|
般面积 mm: |
三相电路用载流容量/« A | |||
|
0.75 1.0 1.5 2.5 4 6 IO 16 25 35 50 70 95 120 |
8.6 10.3 13.5 18.3 24 31 44 59 77 96 117 119 180 208 |
8.5 10.1 13.1 】7.4 23 30 40 54 70 86 103 130 156 179 |
9.8 11.7 15.2 21 28 36 50 66 84 104 125 160 194 225 |
10.4 12.4 16.1 22 30 :;7 52 70 88 IlO 133 171 207 240 |
|
控制电路线对 | ||||
|
0.2 0.5 0.75 |
4.5 7.9 9.5 |
4.3 7.5 9.0 |
4.4 7.5 9.5 |
4.4 7.8 10 |
|
注1:表6载流容械的值基于: 平衡三相电路适用截面枳应大于或等于0.75 mnr J — 控制电路线对适用截面积0.2 mm2和0.75 mmɪ之间。 安装更多电缆/线对•参考表D.2或D.3降低表6值。 注2:环境温度不是10 P时.参考表D.I给出的数据进行修正。 注3:这些偵不适合绕在电缆盘上的软电缆(见12,6.3). 注4:其他电缆用载流量见GlVT 16895.6。 | ||||
12.6软电缆
12.6.1概述
软电缆应为5类或6类导线。
注1: 6类导线是较小H径的绞合线.比5类导线更柔软(参见表D.I).
要承受恶劣工作条件的电缆应有适当的措施以防止:
—由于机械输送及拖过粗糙表面擦伤电缆;
巾于没冇导向装賞操纵引起电缆扭折;
—由于导向轮和强迫导向使正在电缆盘上缠绕或重新缠绕的电缆产生应力。
注2:对这种情况的电缆见国家有关标准。
注3:工作条件不利(如高拉应力、弯曲半径小、弯入另一个平面或頻繁重复工作循环的场台)将降低电缆的工作 寿命.
12.6.2 机械性能
机械电缆输送系统的设计应使在机械匚作期冋导线受的拉应力保持最小。使用铜导线的场合.铜 导体截面的拉应力不应超过15 N∕mn√。使用要求拉应力超过15 N∕mm2限值时.应选用有特殊结构 特点的电缆.允许的最大拉力强度应与电缆制造商达成协议。
软电缆导体采用非铜材质时.允许的最大应力应符合电缆制造商的规定。
注:下列条件影响导体的拉应力:
加速力:
运动速度;
电缆净重:
--导向方法;
电缆盘系统的设计。
12.6.3绕在电缆盘上电缆的载流容量
绕在电缆盘上的电缆选择.应号虑其导体的截面积.即正常工作负载时.导体温度不应超过最高允 许温度。
安装在电缆盘上的圖截而电缆.在空气中最大载流容址应按表7减额。
注:空气中电缆的载淹容量可在制造商的规范或有关国家标准中査出.
表7绕在电缆盘上的电缆用减额系数
|
电缆盘型式 |
电缆层数 | ||||
|
任一层数 |
i |
2 |
3 |
4 | |
|
圆柱形通风 |
0.85 |
0.65 |
0.45 |
0.35 | |
|
径向通风 |
0.85 |
— |
•— |
— |
— |
|
径向不通风 |
0.75 |
■ ■ |
— | ||
|
使用减额系数,宜与电缆和电缆盘制造厂讨论。这可能涉及正在使用的其他因素。 注L径向电缆盘是在靠近的法兰之间调节电缆的螺旋层顷果电缆盘装有实心法兰被称作非通风式的.如果法 兰有合适的孔则是通风式的。 注2:圆柱形询风电缆盘是在大间距法兰之间调8电缆层.电缆盘和法兰端面存通风孔. | |||||
12.7 汇流线、汇流排和汇流环
12.7.1基本防护
汇流线、汇流排和汇流环应这样的安装和防护,即当正常接近机械期间.通过采用下列任意一种防 护措施来获得基本防护:
带电部分用局部绝缘防护.或冇的场合这是行不通的;
— 外壳或遮栏的防护等级至少为IP2X或IpXXBO
容易被触及的遮栏或外壳的水平顶面的防护等级至少达到IP4X或IPXXr)O
如果达不到所要求的防护等级.可采用把带电体置于伸臂以外的防护与符合9.2.3.4.3规定的紧急 断开相结合。
汇流线和汇流排应按下列要求放置和/或保护:
防止接触.尤狀是无防护的汇流线和汇流排与如拉线开关的拉线、卸载装置和传动链等导电物
体要防止接触:
——防止负载摆动的危害。
见 6.2.6β
12.7.2保护导体(线)电路
如果汇流絞、汇流排和汇流环作为保护联结电路一部分安装时,它们在正常工作时不应流过电流。 因此保护导体(絞)(PE)和中性导体(絞)(N)应各自使用单独的汇流絞、汇流排或汇流环。
使用滑动触点的保护导体(线)的连续性应采取适当措施(如复式集流器.连续性监视)予以保证。
12.7.3保护导体(线)集流器
保护导体集流溶的形状或结构应使得与其他集流器不可厅换。这样的集流器应是滑动触点式。
12.7.4有断路器功能的可移式集流器
有断路器功能的可移式集流器的设计应使得只有帯电部分断开后保护导体电路才能断开.而带电 部分接通前,先建立保护导体的连续性(见8.2.3)o
12.7.5 电气间隙
汇流线、汇流排和汇流环及它们的集流器的各导体之间、各邻近系统之间的电气冋隙.应至少满足
IEC 60664-1規定的过电压类别III的额定冲击电压要求。
12.7.6爬电距离
汇流线、汇流排和汇流环及它们的集流器之间、各邻近系统之间和各导体之冋的爬电距离应适合在 预期的环境中工作,例如:户外,建筑物内部,由外壳保护。
适合异常粉尘、潮湿或腐蚀性环境的爬电距离要求如下:
一无防护的汇流线、汇流排和汇流环应配备最小爬电距离为60 mm的绝缘子;
密封的汇流絞、多极绝缘汇流排和单独绝缘汇流排应有30 nun的最小爬电距离。
应遵照制造商的建议.采取&门措施防止由于不利的环境状况(如导电尘埃的沉积、化学腐蚀等)而 使绝缘值逐渐下降。
12.7.7导体系统分段
汇流线或汇流排可以采用恰当的设计方法分段敷设.防止由于靠近集流器本身使邻近部分带电。
12.7.8汇流线、汇流排系统和汇流环的构造及安装
用于动力电路的汇流线、汇流排和汇流环应和控制电路的分开成组。
汇流絞、汇流排和汇流环及其集流器应能承受机械力和短路电流的热效应而不受损害。
敷设地下或地板下的汇流线、汇流排系统用的活动盖应设计得使一个人不用「•具就不能打开。
如果汇流排安装在共用金属外壳内.外壳的每个独立部分都应连接在•起.并11连接到保护联结电 路。敷设地下或地板下的汇流排的金属盖也应连接在一起并连接到保护联结电路。
保护联结电路应包括金狷外売或地下管道的剧或盖板。金质校链是保护联结电路的组成部分时. 它们的连续性应进行验证(见第18章)。
汇流排管道可能经受液体・例如:油或水的积累时.应有排水设施O
13配线技术
13.1连接和布线
13.1.1 一般要求
所私.连接.尤其是保护联结电路的连接应牢固.防止意外松脱,
连接方法应适合被端接导线的截面积和性质α
只冇专门设计的端子,才允许一个端子连接两根或多根导线。但一个端子只应连接一根保护导线。
只有提供的端子适用于焊接工艺要求才允许焊接连接。
接线座的端子应清楚标示或用标签标明与电路图I:相一致的标记。
注:IEC 61666提供了电气设备内端子的标识可使用的规则.
当错误的电气连接(例如:由更换元器件弓I起的)可能是危险源并且通过设计措施不可能降低时.导 线和/或端子应标识。
软导线管和电缆的敷设应使液体能排离该装置。
当器件或端了不具备端接多股芯线的条件时.应提供拢合絞心束的办法。不允许用焊锡来达到此 目的。
屏蔽导线的端接应防止绞合絞磨损并应容易拆卸。
识别标签应清晰、耐久.适合于实际环境。
接线座的安装和接线应使布线不跨越端子。
13.1.2导线和电缆敷设
导线和电缆的敷设应使两端子之间无接头或拼结点。使用带适合防护意外断开的插头/插座组合 进行连接.对本条款而言不认为是接头。
例外:如果在分线盒中不能提供(接线)端子(例如:对活动机械.对石长软电缆的机械;电缆连接超 K,使电缆制造厂做不到在•个电缆盘上提供电缆).可以使用拼接或接头。为满足连接和拆卸电缆和 电缆束的需要.应提供足够的附加长度。
电缆端部应夹牢以防止导线端部的机械应力。
只要可能就应将保护导絞靠近有关的负载导絞安装,以便减小回路阻抗。
在铁磁电柜中安装的交流电路导线的安排应使得电路中所有导线包括保护导线装人同一外敷 物中。
进入铁电柜中的交流电路导线的安排应使得电路中所有导线包括保护导线只能共同由铁磁材料包 伟I .电路的导线之冋为非铁磁材料.即电路的所有导线应经过同一电缆输入孔进入电柜。
13.1.3不同电路的导线
不同电路的导线町以并排放置•可以穿在同一管道中(如导线管或电缆管道装置),也可以处于同一 多芯电缆中或处于同一个插头/插座组中,只要这种安排不削弱各自电路的正常功能,并且:
— 如果这些电路的工作电压不同.应把它们用适当的遮栏彼此隔开.或者
——任何导线的绝缘均可以承受系统中的最高电压.如非接地系统线间电压和接地系统的相对地 电压。
13.1.4 AC电路■电磁效应(防止涡流)
在铁磁电柜中安装的AC电路导线的安排应使各电路的所有导线包括各电路的保护导线装入同一
外敷物中。这类导线进入铁类电柜.它们的安排应使导线不被铁磁材料单独环绕。
AC电路不宜采用钢丝或钢带的铠装单芯电缆。
注1:单芯电缆的钢丝或钢带的铠甲被视为铁磁外売一对于铠装单芯电缆使用铝材飽装的.
注 2:源口 GlvTI6895.6。
13.1.5感应电源系统传感器(拾取器)和传感转换器之间的连接
传感器和传感器转换器之冋的电缆应:
—尽可能的短;
—充分防护机械损坏。
注:传感器的输出可能是电流源,因此对电缆的损坏可能引起高电压危险
13.2导线的标识
13.2.1 一般要求
每根导线应按照技术文件的要求在每个端部做出标识。
(如为维修方便)导线标识可用数字,字母数字.颜色(导线整体用单色或用单色、多色条纹)或颜色 和数字或字母数字的组合。采用数字时.应是阿拉伯数字.字母应是罗马字(大写或小写)。
注1:附录B可作为供方和用户之间关于最好标识方法的协议。
注2:工业装置、设备和产品中使用的电缆和缆芯/导线进行标行的规则和导则参见IEC 6249Ie
13.2.2保护导线/保护联结导线的标识
应采用形状、位置、标记或颜色使保护导絞/保护联结导线与其他导线易于区别。当只采用色标时. 应在导线全长上采用黄/绿双色组合。保护导线/保护联结导絞的色标是绝对专用的。对于绝缘导线. 黄/绿双色组合应这样安排.即在任意15 rnπι长度的导絞表面上.一种颜色的长度占30%〜70%. 余部分为另一种颜色。
如果保护导线能容易地从其形状、位置、或结构(如编织导线、裸绞导线)识别.或者绝缘导线一时难 以获得或是多芯电缆中的导线•则不必在整个氏度上使用颜色代码•而应在端头或易接近位賞上清楚地 标示IEC 60417-5019:2006-08中5019图形符号(见图16)或用字母PE或用黄/绿双色组合标记。
图 16 IEC 60417-5019:2006-08 中 5019 图形符号
例外:保护联结导体可以用字母PB和/或IEC 60417-5021中5021图形符号(见图17)进行标志
图 17 IEC 60417-5019:2006-08 中 5021 图形符号
13.2.3中线的标识
如果电路包含只用用颜色标识的中线.其颜色应为蓝色。为避免与其他颜色混淆.宜使用不饱和 蓝.这里称为“浅蓝”(见IEC 60445:2010中622),在选择这种颜色作为中线的唯一标识有可能发生混 淆的场合.不应使用浅蓝色来标记其他导线。
如果采用色标.用作中线的裸导线应在每个15 mm〜IOO mm宽度的间隔或単元内.或在易接近的 每个位置上用浅蓝色条纹作标记.或在导线整个长度上作浅蓝色标志。
13.2.4颜色的标识
当使用颜色代码作导线标识时,[不是保护导线(见13.2.2)和中线(见13.2.3)]标识时可釆用下列 颜色:
黑、棕、红、橙、黄、绿、蓝(包括浅蓝)、紫、灰、白、粉红、青緑。
注:该颜色系列取自IEC 60757.
如果采用颜色作标识.宜在导线全长上使用带颜色的绝缘或以固定间隔在导线上和其端部或在易 接近的位置用颜色标记。
由于安全原因,在冇可能与黄/绿双色组合(见13.2.2)发生混淆的场合.不应使用绿色或黄色。
可以使用上面列岀颜色的组合色标.只要不发生混淆和不使用緑色或黄色,不过黄/绿双色组合标 记除外。
当使用颜色代码标识导絞时.宜使用下列颜色代码:
——黑色:交流和直流动力电路;
—红色:交流控制电路;
— 蓝色:直流控制电路;
橙色:按照5.3.5的例外电路。
上述的例外允许绝缘不使用推荐的颜色(如多芯电缆)。
13.3电柜内配线
电柜内的导线应固定并需保持在适当位賞。非金届管道只有在用阻燃绝缘材料制造时才允许使用 (参见IEC 60332系列标准)。
要安装在电柜内的电气设备.宜设计和制作成允许从电柜的正面修改线路(见11.2.1)。如果不可 行•并且控制器件是从电柜的背后接线.则应提供进出门或能旋出的配电盘。
安装在门上或者其他活动部件上的器件.应按12.2和12.6要求使用适合部件频繁运动用的软导絞 连接。这些导线应紧固在固定部件上和与电气连接无关的活动部件上(见8.2.3和11.2.1)o
不敷人管道的导线和电缆应牢固固定住。
引出电柜外部的控制配线•应采用接线座或连接插头/插座组合连接。对于插头/插座组合见13.4.5 和 13.4.6。
动力电缆和测量检测电路的电缆可以宜接接到预期连接的器件的端子上。
13.4 电柜外配线
13.4.1 一般要求
电缆或管道连同专用的管接头、密封垫等引入电柜的方法.应确保不降低防护等级(见H.3)o
同一电路的导线不应分布于不同的多芯电缆、导线管、电缆管道系统或电缆通道系统。构成同一电 路的若干多芯电缆井行安装时.上述要求不需要:。多芯电缆井行安装时.如可能.每一根电缆应尽可能 包含每一相的一根相絞和中性线。
13.4.2外部管道
连接电柜内电气设备的外部导线.应封闭在合适的管道(如导线管或电缆通道系统)中,如13.5所 述.有合适保护套的电缆.无论是否用电缆托架或电缆支成设施.都可以不需要管道安装。带有专用电 51
缆的器件.如配有专用电缆的位置开关或接近升美,当其电缆适用.足够短.放置或保护得当.使损坏的 风险最小时.它们的电缆不必密封在管道中。与管道或多芯电缆一起使用的接头附件应适合于实际 环境。
如果至悬挂按钮站的连接需要使用柔性连接.则应采用软导线管或软多芯电缆。悬挂站的砲量不 应借助软导线管或多芯电缆来承受,除非是为此目的专门设计的导絞管或电缆。
13.4.3机械的移动部件的连接
频繁移动的部件应按12.2和12.6要求的适合于弯曲使用的导线连接。软电缆和软导管的安装应 避免过度弯曲和绷紧,尤其是在接头附件部位。
移动电缆的支承应使得在连接点上没冇机械应力.也没冇急弯。当用回环结构实现时,弯曲冋环应 布足够的K度.以便使电缆的弯曲半径符合电缆制造商的规定•若无此规定.至少为电缆外径的IO倍。
机械的软电缆安装和防护应使得电缆因使用不合理等因素引起外部损坏的可能性减到最小.软电 缆应防止:
——被机械自身碾过;
被车辆或其他机械碾过;
——运动过程中与机械的构件接触;
在电缆吊篮中敷入和敷出.接通或断开电缆盘;
一对花彩般垂挂或悬挂电缆施加速力和风力;
——与电缆收集器过度摩擦;
——暴露于过度的辐射热。
电缆护套应能耐受由于移动而产生的侦预料到的正常磨损.并能经受环境污染的影响(如油、水、冷 却液、粉尘)。
如果移动电缆微近运动部件.则应采取措施使运动部件和电缆之间至少应保持25 mm距离。如果 做不到.则应在二者之间安设遮栏。
电缆输送系统的设计应使得侧向电缆角度不超过5。.电缆进行下列操作时应避免挠曲扭转:
——正在电缆盘上缠绕或放开;
—正接近或离开电缆导向装置。
应冇措施确保至少总有两圈软电缆纏绕在电缆盘上。
起导向和携带软电缆的装置应设计成电缆在所有弯曲点处的内弯曲半径不小于表8规定的值.除 非考虑了允许的拉力和预期疲劳寿命或与电缆制造商另有协议。
表8强迫导向时软电缆允许的最小弯曲半径
|
用途 |
电缆直径或扁平电缆的厚度 mm | ||
|
J≤8 |
8<J≤2O |
J >20 | |
|
电缆盘 |
6d |
6d | |
|
导向轮 |
6J |
8J | |
|
花彩般垂挂装置 |
6d |
6d |
8d |
|
其他 |
6d |
6d |
Sd |
两弯之间的直线段应至少为电缆直径的20倍。
如果软导线管靠近运动部件.则在所有运行情况下其结构和支承装置均应能防止对软导线管的 损伤。
软导线管不应用于易受快速和频繁的活动的连接.除IE是为此目的专门设计的。
13.4.4机械上器件的互连
安装在机械上的几个器件(例如:位置传感器、按钮)申联或并联连接时,在这些器件间宜通过构成 中间测试点的端子进行连接。这些端子应方便安装、充分保护.并在有关图上示出。
13.4.5插头/插座组合
电柜内部由固定插头/插座组合(不是软电缆)端接的部件.或通过插头/捕座组合连接总线系统的 部件,不属于本条认定的是插头/插座组合。
当根据a)安装后,插头/插座组合的型式应在任何时冋.包括连接器插入和拔出期间.防止与带电 部分意外接触。防护等级应至少为IP2X或IPXXPELV电路除外。
当插头/插座组合包含保护联结电路用触点时.应使它首先接通.最后断开(也见8.2.4)o
在带负载条件下连接或断开的插头/捕座组合应有足够的负载分断能力。当插头/插座组合额定电 流为30 A或更大时.应与升关器件联锁以便只有当开关器件处在断升位置时才能连接和断开。
插头/捕座组合额定电流大于16 A时,应冇保持措施以防意外或事故断开。
插头/插座组合的意外或事故断开会引起危险情况时•应有保持措施L
适用时.插头./插座组合的安装应满足下列要求(适用时):
a) 断开后仍然有电的元件至少应有IP2X或IPXXB的防护等级,并琴虐要求的电气冋隙和爬电 距离β PELV电路除外。
b) 插头/插座组合的金属外壳应连接保护联结电路。PELV电路除外。
C)预期带动力负载但在带负载条件下不能断开的插头/捕座组合应有保持措施以防意外或事故 断开.并应冇清晰标记,表明在带负载条件下不能断开。
d)如果在同一电气设备上使用凡个插头/插座组合,则相关的组合应清楚标识.宜采用机械编码 以防相互插错。
C)控制电路用插头/插座组合应满足IEC 61984的要求。
例外:依照IEC 60309-1插头/捕座組合.应仅用于控制电路的触点。本例外不适用F在动力电路 上使用叠加高频信号的控制电路。
13.4.6装运拆卸
为了装箱运输需要拆断布线时,应在分段处提供接线端子或提供插头/插座组合。这些接线端子应 适当封装.插头/插座组合应能防护运输和存储期间实际环境的影响。
13.4.7备用导线
应号虑提供维护和修理用的备用导线。当提供备用导线时.应把它们连接在备用端子上,或用和防 护接触带电部分同样的方法予以隔离。
13.5管道、接线盒与其他线盒
13.5.1 一般要求
管道应提供合适用途的防护等级(见IEC 60529)0
可能与导絞绝缘接触的所冇锐棱、焊蘋、毛刺、粗糙表而或螺纹.应从管道和接头附件上清除。必要: 时应提供由阻燃、耐油绝缘材料构成的附加防护以保护导线绝缘。
易存积油或水分的接线盒、引线箱、电缆管道装置中应允许作有宜径6 mm的排泄孔。
为了防止电气导线管与油、气和水管混淆.电气导线管宜用物理隔离或者做岀明显标记。
管道和电缆托架应采用刚性支承.其位置应离运动部件仃足够的距离,并使损伤或磨损的可能性减 至最小。在要求有人行通道区域内.管道和电缆托架的安装应至少高于工作面2 m°
部分被遮盖的电缆托架不应看作管道或电缆通道系统(见13.5.6).所用电缆的类型应适于安装在 开式电缆托架上。
管道的尺寸和排列宜便于导线和电缆插入。
13.5.2金属硬导线管及管接头
金展硬导线管及管接头应为镀锌钢或适合使用条件的耐腐蚀材料制成。应避免使用不同金狷.因 为它们的接触中会产生电位差腐蚀作用。
导线管应牢固固定在其位置上并将其两端支承住。
管接头应与导线管相适应并适用。应使用带螺纹的管接头。除非由于结构上的困难妨碍装配。如 果使用无螺纹管接头.则导线管应牢固固定在设备上。
导线管的折弯不应损坏导线管,也不应减小导线管的有效内径。
13.5.3金属软导线管及管接头
金属软导线管应由金属软管或编织线网铠装组成.它应适用于预期的实际环境。
管接头应与软导线管相适应并适用。
13.5.4非金属软导线管及管接头
北金属软导线管应耐弯折.并应具冇与多芯电缆护套类似的物理性能。
这种软导絞管应适用于预期的实际环境。
管接头应与软导线管相适应并适用。
13.5.5电缆通道系统
电柜外部的电缆通道系统应采用刚性支承.并应与机械的运动部件或污染源相隔离。
盖板的形状应覆盖满周边;应允许加密封垫。盖板应采用适当方法连接到电缆通道系统上。对于 水平安装的电缆通道系统.其蓋板不应装在底部。除非为这样安装的专门设计。
注:IEC 61081系列标准给出了电缆通道系统和管道系统的电气安装要求.
如果电缆通道系统是分段提供的.则各段之间的联结应紧密配合•但不需要加密封衬垫。
除接线或排水需用孔外不应有其他开口。电缆通道系统不应有敞开的不用的出砂孔。
13.5.6 机械的隔间和电缆通道系统
应允许用机械立柱或基座内的隔间或电缆通道系统去围护导絞.只要该隔间或电缆通道系统是与 冷却液槽及油箱隔离并完全封闭的。敷入在封闭的隔冋或电缆通道系统中的导线应被固紧.权布置应 使得它们不易受到损坏。
13.5.7接线盒与其他线盒
用于配絞日的接絞盒和其他絞盒应便于维修。这些线盒应有防护以防止固体和液体的侵入•并考 虑机械在预期工作情况下的外部影响(见11.3)o
接线盒与其他线盒不应冇敞开的不用的出砂孔,也不应冇其他开口 .其结构应能隔绝粉尘、K散物、 油和冷却液之类的物质。
13.5.8电动机的接线盒
电动机的接线盒应密闭.仅与电动机及安装在电动机上的器件(如制动器、温度传感器、反接制动开 关或测速发电机)进行连接。
14电动机及有关设备
14.1 —般要求
电动机宜符合IEC 60034系列。电动机及有关设备保护的要求为7.2过流保护、7.3过载保护、7.6 超速保护。
当电动机处于停转时.由于一些控制热件并未断开连接电动机的电源.因此应注意确保符合5.3、 5.4、5.5、7.5、7.6和9.4的技术要求。电动机控制设备应按第11章的规定设置和安装。
14.2 电动机外壳
电动机外壳宜按IEC 60034-5选择。
防护等级应取决于应用和实际环境(见4.-Do所有电动机应具有足够的保护.以避免来自机械的 损坏。
14.3 电动机尺寸
就切实可行而言,电动机尺寸应遵照IEC 60072系列标准α
14.4电动机安装与隔间
每台电动机及其相关联轴器、皮带和皮带轮或链条的安装应使得它们冇足够的保护.旦便于检査、 维护、校准、调整、润滑和更换。电动机的安装布局结构应使得能拆卸所冇的电动机压紧装置.并容易接 近接线盒。
电动机的安装应确保正常的冷却,其温升保持在绝缘等级的限值内(见IEC 60034-I)O
电动机隔间应尽可能干燥清洁,必要时应直接向机械外部通风。通风口应使切屑、粉尘或水雾的进 入址处于一个允许的水平上。
不符合电动机隔间要:求的M他隔冋与电动机隔间之冋不应冇通孔。如果导线管要:从别的不符合电 动机隔间要求的隔间进入电动机隔间.则导絞管周围的间隙应密封。
14.5电动机选择的依据
电动机及其有关设备的特性应根据预期的匸作和实际环境条件(见4.的进行选择。在这方面.应考 虑的要点包括:
—电动机型式;
— 工作循环类型(见IEC 60034-I)I
恒速或变速运行(以及随之发生的通风量变化的影响);
机械振动;
—电动机控制的型式;
温升和馈电压和(或)馈电电流的频谱影响(特别是由变换器供电时);
起动方法及起动电流对接同一电源的其他用户运行可能的影响.还要考虑供电部门可能的特 58
殊规定;
-反转矩负载随时间和速度的变化;
—大惯址负载的影响;
—恒转矩或恒功率运行的影响;
电动机和变换器冋可能需要电抗器O
14.6机械制动用保护器件
机械制动器的过载和过电流保护器件的动作.应引发有关的机械致动机构同时脱丿F。 注:冇关的机械致动机构是指与其相应运动关联的装置.如电缆盘和K行程驱动.
15插座和照明
15.1附件用插座
如果机械及其有关装置备有附件(如手提电动「具、试验设备)使用的电源捕座.则应施加下列 条件:
电源插座应符合IEC 60309-1的规定,否则它们应清楚标明电压和电流的额定值;
——应确保电源插座保护联结电路连续性;
连往电源插座的所有未接地导絞应按7.2和7.3的规定.提供合适的过电流保护和(必要时的) 过载保护,并与其他电路的保护导线分开;
在插座的电源引入絞不通过机械或部分机械的电源切断开关切断的情况下,应采用5.3.5的 要求;
通过自动切断电源提供故障保护时.T\系统的切断时间应依照表Λ. 1.TT系统的切断时冋 应依照表A.2;
一額定电流不超过20 Λ的电路电源插座应配备剩余电流保护器(RCIλ).额定动作电流不超过 30 mA。
15.2 机械和电气设备的局部照明
15.2.1概述
通/断开关不应装在灯头座上或悬挂在软线上。
应通过选用适合的光源避免照明有频闪效应。
如果电柜中装有固定照明装置.则应按1.4.2提出的原则考虑电磁兼容性。
15.2.2 电源
局部照明线路两导线间的标称电圧不应超过250 VO两导线间电圧宜不超过50 Vo
照明电路应由下述电源之一供电(见7.2.6):
连接在电源切断开关负载边的々用的隔离变压器,副边电路中应设冇过电流保护。
——连接在电源切断开关进线边的专用的隔离变压器。该电源应仅允许供控制电柜中維修照明电 路使用。副边电路中应设有过电流保护(见5.3.5)0 用于照明的机械电气设备电路.带专用过电流保护。
连接在电源切断开关进线边的隔离变压器.这时在原边设冇专用的切断开美(见5.3.5).副边 设有过电流保护,而且装在控制电柜内电源切断开关的邻近处。
外部供电的照明电路(例如:匚厂照明电源)。只允许装在控制电柜中,整个机械工作照明的额 定功率不超过3 kW0
电源单元.供给发光二极管(LED)光源的d.c.电源.配备隔离变压器(例如:依照IEC 61558-2-6)β 例外:操作者在正常工作时若伸臂碰不到的固定照明.本条规定不适用。
15.2.3保护
局部照明电路应按照7.2.6进行保护。
15.2.4照明配件
可调照明配件应适应于实际环境。
灯头座应:
—符合有关IEC标准;
用保护灯头的绝缘材料制造以防止意外触电。
反光罩应使用灯架而不应使用灯头座支承。
例外:操作者在正常工作时若伸皆碰不到的固定照明.本条规定不适用。
16标记、警告标志和参照代号
16.1概述
警告标志、铭牌、标记、标签和识别牌应经久耐用.经得住复杂的实际环境影响。
16.2警告标志
16.2.1 电击危险
不能清楚表明其中装有会引起电击风险的电气设备的外壳.都应标记ISO 7()IO-WO12中5036图 形符号(见图18)o
图 18 ISO 70IO-WO12 符号
警告标志应在外壳门或盖上清晰可见。
警告标志在下列情况可以省略[见6.2.2 I))]:
一装有电源切断开关的外壳;
—人机接口或控制站;
—自带外壳的单一器件(如位置传感器)。
16.2.2 热表面危险
风险评价表明需要警告防止电气设备危险表面温度的町能性时.应使用ISO 7010-W017中5041 图形符号。
图 19 ISO 70IO-W017 符号
注:当人们未经保护的皮肤町能触及热表面时.ISO 13732-1给出烧伤风险评估的指导’
16.3功能识别
控制器件、视觉指示器.应在器件上或在其附近清晰耐久地标出与它们功能有关的标记。这些标记 依照 IEC 60417 和 ISO 7000 制作。
16.4电气设备外売的标记
下列信息应冇清晰耐久地标记.在设备安装后使人们在接收引入电源的外売I:清晰可见:
--供方的名称或商标;
— 认证标记或可能由当地或特定区域要求的其他标记.必要时;
——形式代号或模式.适用时;
—序列号.适当时;
——主要文件号(见IEC 62023).适用时;
额定电压、相数和频率(如果是交流)・每个引入电源的满载电流。
上述信息宜在主引入电源附近提供。
16.5参照代号
所冇电柜、装置、控制崩件和元件应清晰标出与技术文件相一致的参照代号。
17技术文件
17.1概述
应提供必要的信息(资料),以识别、运输、安装、使用、維护、报废和处置机械电气设备。
注1:文件有时以纸质形式提供.因为不能确定用户是否可以阅读到电子版或互联网形式的说明书“然而.与纸版 说明8相比.如果可以得到电子•版或互联网形式的说明竹通常会更仃益处.因为如果纸版文件丢失.用户可以 通过下载电子版的方式来恢夏文件。必要时.该方式也便于文件更新.
注2:国家相关法律法规有要:求时.应使所要求的特定i⅛Ho
附录I可以作为准备资料和文件的指南。
17.2有关电气设备的资料(信息)
应提供下列资料(信息):
a) 当提供多个文件时.要为整体机械电气设备提供-个主要文件.同时列出与设备相关的补充 文件:
b) 电气设备的标识(见16.4);
C)安装和配置资料(信息)包括:
•电气设备的配置和安装的描述及其与电源和其他源的连接;
•对于各引入电源,电气设备短路电流额定值:
•额定电压、相数和频率(若是AC.).配电系统形式(TT,TN,IT)和各引入电源满载电流;
•对于各引入电源的任何附加电源要求(例如:最大电源阻抗、漏电流);
•移动和维护电气设备要求的空间,
•确保不损害冷却布局的安装要求;
•适当时.环境限制(例如:照明、振动、EMC环境和大气污染);
•适当时.功能限制(例如:峰值起动电流和允许的电压降);
•对于涉及电磁兼容性的电气设备的安装应釆取的预防措施。
d) 在机械邻近区域(例如:2.5 m以内).可同时接近的外部可导电部分的连接说明.例如卜•列保 护联结电路:
•金属管; •防护栏: •梯子; •扶手。
e) 功能和操作资料(信息)・适用时包括:
•电气设备的结构概略图(例如:结构图或概略图);
•如需预期使用时,编程或配置的步骤;
•意外停止后重新起动的程序;
•操作顺序。
f) 电气设备的维护信息.适当时包括:
•功能测试的频次和方法;
•有关安全维护程序的说明.以及需要时暫停安全功能的场合和/或保护措施程序的说明(见
9.3.6);
•有关调整、修理和预防性维护的频次及方法的指南;
•用于替换的电气零部件互连的详细说明(例如:过电路图和/或连接表);
•所需专用装置或工具的信息:
•备件信息;
•有关町能的剩余风险的信息.是否需要任何特殊培训的指导和任何必要的个人防护设备的 规范;
•如适用.仅熟练人员和受过训练人员才能使用的钥匙和匸具的说明;
•设定(DIP双列直插式封装开关.可编程参数值等);
•修理或修改后,确认仃关安全控制功能.以及必要∏ `f定期测试的资料(信口、)・如适当。
g>如适当.搬运、运输和储存的信息(例如:尺寸.重ht .环境条件.可能的老化限制九
h)正确拆卸和处理部件的信息(例如:冋收或处賞)。
18验证
18.1概述
特定机械验证范围在专用产品标准中规定。如果该机械尚无专用产品标准,可从d)〜g)项中选一 项或多项进行检验.但总应检验a)Λ)>c)和h)項:
a) 验证电气设备与技术文件一致性:
b) 验证保护联结电路的连续性(18.2.2中试验1):
C)若通过口动切断电源进行故障的防护.对于自动切断电源适用的保护条件应按照18.2进行检验;
d)绝缘电阻试验(见18.3);
C)耐压试验(见18.4):
f) 残余电压的防护(见18.5);
g) 验证满足8.2.6的相关要求;
h) 功能试验(见18.6)β
进行试验时.宜遵循以上列出的顺序。
当电气设备变动时.应采用18.7规定的要求。
验证包括测括,宜采用符合IEC 61557系列标准的测量设备。
捡证结果应形成文件。
18.2用自动切断电源作保护条件的验证
18.2.1概述
自动切断电源的条件(见6.3.3)应通过试验验证。
试验1保护联结电路连续性的验证。
试验2在TN系统中,验证用自动切断电源作保护的条件。
对于TN系统.试验方法的描述见18.2.2和18.2.3:不同电源条件下应用的规定见18.2.40
对于TT系统,见A.2°
对于 IT 系统.见 GB/T 16895.23—2012。
电气设备中使用RCDS时.其功能应按制造商说明R验证。试验程序和试验间隔时间应在维护说 明书中规定。
18.2.2试验1保护联结电路连续性的验证
PE端子(见5.2和图4)和各保护联结电路部件的有关点之间的电阻应采用取|'|最大空载电压为 24 V a.c.或d.c∙的独立电源(例如:SELV,见GB/T 16895.21—2011中414),电流在0.2 A到10 Λ之间 进行测量。
根据有关保护导体和保护联结导体的长度•截面枳和材料.测出的电阻应在预期范围内。
接地的PELV在该试验中会产生使人误解的结果.因此不应使用。
注:对于连续性试验.用较大的试验电流提髙试验结果的准确性.尤其是低电阻值.即较大假面积和(或)较短的 K度。
18.2.3试验2故障环路阻抗验证和关联的过电流保护器件的适合性
机械的电源连接.包括保护联结导体至PE端子的连接.应通过检査来验证。按照6.3.3和附录A 用自动切断电源作保护条件应通过下列两种方法验证;
a) 故障环路阻抗的验证.依据:
—计算,或
——按照A.4测虽。
b) 确认相关过电流保护器件的设置和特性符合附录ʌ的要求.若釆用电气传动系统(PDS).则 确认相关Pr)S保护器件的设置和特性符合转换器和保护器件制造商的说明书要求。
18.2.4 TN系统试验方法的应用
当通过测量:进行18.2.3的试验2时,1822的试验1总应先于试验2o
注:在环路阻抗试验期间.保护联结电路连续性中断可能对试验者或其他人员引起危险情况或导致电气设备损坏。
对不同情况的机械所需要的试收用表9的规定。
表9 1\系统试验方法的应用
|
程序 |
机械情况 |
在现场检验 |
|
A |
机械电y设备在现场安装和连接.若保护联 结电路的连续性在现场的后续安装和连接 尚未确认 |
试验1(见18.2.2)和试验2(见18.2.3) 例外:下列不要求试脸2: 试捡1是在现场连接的机械保护联结导体I:进行的.和 每一个引入电源及相关的保护导体(PE)至机械(PE)端子 的联结通过检查来验证.乂能获得由电气设备制造商事光 计算的故障环路阻抗(或电阻)值;和 一设备的布局允许对用于计算的导线长度和截面积进行验 证.和 通过计算、测屋或用尸提供的信息.能确认现场电源阻抗 不超过电'(设备制造商规定的値[见17.2 C) .第,1小项] |
|
B |
所供应的机械.其保护強接电路的电缆长度 超过表10给定的示例偵.保护联结电路连 续性的验证(见18.1)通过试脸1 .或通过试 验2測仙的结果来确认・ 情况BI)以整机和不拆卸装运, 情况B2)拆卸装运.拆卸、运输和组装(如使 用插头/插座连接)后保证保护导体的连 续性 |
试验(见18.2.3) 例外: 通过计算、测&或用户提供的信息.能确认现场电源阳抗不超 过电气设备制造商规定的值.或试穀2期间经测i½的试验电压 阻抗偵时.现场不要求试验.但下列连接的检验除外: 情况Bl)中毎个引入电源和相关保护导体至机WC PE端子 的连接; 情况B2)中每个引入电源和相关保护导体至机械PE端 子.以及因装运拆开的所冇保护导体的连接和机械引入的 外部保护学线到PE端戸的情况B2).以及为装运拆分所 冇保护导线连接的情况B2) |
|
C |
所供应的机械.保护连接电路的电缆K度 不超过表IO给定的示例偵.保护联结电路 连续性的就证(见18.1)通过试戦1来确认. 情况CD以整机和不拆卸装运。 情况C 2)拆卸装运.拆卸、运输和组装(•如使 用插头/插座连接)后保证保护导体的连续性 |
对于('1或C2的情况不要求现场试脸.对于不通过插头,,插座 接电源的机械.引人的外部保护导体到机械的PE端子的止确 连接应通过目测检验. 情况C 2)安装文件(见17.I)要求因装运未拆开的所冇保护导 体的连接应目测检验.比如视觉检査 |
表10 T、系统中每个保护器件至负载间最大电缆长度的示例
|
1 至保护器 件的电源 的最大源 阻抗 |
2 最小截面枳 |
保护器件最 大标定额定 值或整定值 I、 |
4 熔丝断开 时间5、 |
5 嬌丝断开 时间(M S |
6 小型断路器 特性3 1 = 5X1、 |
7 小型断路器 待性C L = IoX IN |
8 小型断路器 特性I) /. = 20X∕x |
9 可调断路器 ∕l,=8×∕N |
|
mΩ |
mm |
A |
从每个保护器件到负载间最大电缆长度/ m | |||||
|
500 |
1.5 |
16 |
97 |
53 |
76 |
30 |
7 |
31 |
|
500 |
2.5 |
20 |
115 |
57 |
94 |
34 |
3 |
36 |
|
500 |
4.0 |
25 |
L" |
66 |
Ill |
35 |
38 | |
表10 (续)
|
1 至保护器 件的电源 的最大源 阻抗 |
2 最小裁面积 |
3 保护器件最 大标定額定 值或整定值 IH |
4 熔统断开 时间5 S |
5 胳丝断开 时间0.1 s |
6 小型断路器 特性B ∣> = 5×∕n |
7 小型断路器 特性C / =10X1、 |
8 小型断路器 特性D /. = 20×∕n |
9 可调断路器 h = 8 X / N |
|
nιΩ |
mm |
A |
从毎个保护糖件到负载间最大电缆K度/ m | |||||
|
40() |
6.0 |
32 |
145 |
59 |
133 |
40 |
42 | |
|
300 |
10 |
50 |
125 |
41 |
132 |
33 |
37 | |
|
200 |
16 |
63 |
175 |
73 |
179 |
55 |
61 | |
|
200 |
25(相)/16 (PE) |
80 |
133 |
38 | ||||
|
10() |
35(相)/16 (PE) |
1()0 |
136 |
73 | ||||
|
100 |
50(相)/25 (PE) |
125 |
141 |
66 | ||||
|
100 |
70(相)/35 (PE) |
160 |
138 |
46 | ||||
|
50 |
95(相)/50 (PE) |
200 |
152 |
98 | ||||
|
50 |
I20(相)/70 (PE) |
250 |
157 |
79 | ||||
|
表IO中最大电缆长度值基于下列假设: —PVC电缆用铜导体.在短路条件下导体温度为160 1(参见表D.5), —16 mmr及以下包含相导体的电缆.保护导体与相导体哉面积相等, —16 mnr以上的电缆.保护导体的尺寸可以减少如表中所示; ——3相系统.电源的标称电JK 400 V(LrO = 230 V); ——第3栏(列)的值与表6有关系(W. 12.4); —断路器断开时间≤0.4 N6〜9栏)。 与这些假设不一致时可能耍求完整计算或测ht故障环路阳抗.进一步的信息参见IEr 60228和1况TR 61200-53β | ||||||||
18.3 电阻试验
当执行绝缘电阳试骑时.在动力电路导线和保护联结电路间施加500 Vd.c.时测得的绝缘电阻不应 小于1 M∩.绝缘电阻试验可以在整台电气设备的单独部件上进行。
例外:对于电气设备的某些部件.如母线、汇流线、汇流排系统或汇流环装賞,允许绝缘电阻最小值 低一些.但不能小于50 kΩβ
如果电气设备包含浪涌保护器件.在试验期间.该器件可能工作.则允许釆用下列任何一种措施:
——拆开这些器件•或
降低试验电压值.使其低于浪涌保护器件的电压保护水平.但不低于电源电压(相对中絞)的上 限峰值。
18.4 耐压试验
当执行耐压试验时.应使用符合IEC 61180-2要求的设备。
试验电压的标称频率为50 HZ或60 HZO
最大试验电压具有两倍的电气设备额定电源电压值或I 000 V.取其中的较大者。
最大试验电压应施加在动力电路导絞和保护联结电路之间至少IS时间。如果未出现击穿放电则 满足要求。
不适宜经受试验电压的元件和器件.以及试验期冋可能动作的浪涌保护器件,应在试验期冋断开。
已按照某产品标准进行过耐压试验的元件和器件在试验期间可以断开。
18.5残余电压的防护
适当时.应进行此项试验以确保符合6.2.4的要求。
18.6功能试验
电气设备的功能应进行试骑。
18.7 重复试验
如果机械及•关设备的-些部分有变动或改进.这些部分应检验和更新验证(见18.1)。
尤其应注意垂复试验对设备可能仃不利的影响(如绝缘过电压.器件的断开/重新连接)。
附录 A
(规范性附录)
通过自动切断电源的故障保护
Λ.1由IN系统提供的机械故障保护
A.1.1概述
附录 A 源自 GB/T 16895.21 -2011 和 GB/T 16895.23—2012o
故障保护应由过电流保护器件提供.在电路或设备中.如果在带电部分和外露可导电部分或保护导 体之间发生故障时.过电流保护器件应在足够短的切断时间内.自动切断电路或设备的供电。对于非手 持式或便携式机械,切断时间不超过5 S都视为足够短。
不能保证5 S的切断时冋时.应提供符合Λ.1.3要求的辅助保护联结,以防止来自同时可触及的可 导电部分之间预期触摸电压超过50 Va.c.或120 Vd.c.无纹波。
注:辅助保护联结的使用不排除因Jt他理由需要切断电源,例如:设备中火灾.热应力的防护等。
通过插座或不通过插座百接向I类手持式或便携式设备供电的电路(如在机械上辅助设备用的插 头/插座,见15.1),表A.1规定的最长切断时间视为足够短。
表A.1 TN系统的最长切断时间
|
系统 |
50 VVUUVI20 V S |
120 VVIΛV23O V S |
230 V<Uo<400 V S |
Uu >400 V S | ||||
|
H∙C∙ |
d.c∙ |
a.c. |
d∙c. |
H.C. |
d.c∙ |
a.c. |
d∙c∙ | |
|
TN |
0.8 |
注I |
03 |
5 |
0.2 |
0.4 |
().1 |
0.1 |
|
U心交流或直流线对地的标称电压. 注1:切断电源的要求可能是为了电击防护之外的原因。 注2:在IEC 60038规定的容许偏差范围内的电压值•其切断时间按相应标称电压值选用. | ||||||||
Λ.1.2用过电流保护器件自动切断电源作保护条件
过电流保护器件特性和回路阻抗应是:电气设备内任何地方如果发生线导体与保护导体或外肅可 导电部分之间的阻抗可忽略不计的故障时•将在规定的时间内(BP≤5s或V依照表A. 1的值)自动切断 电源。下列条件满足本要求:
Z.×∕n≤U.
式中:
Z. 包括电源、带电导体到故障点、以及故障点和电源之间保护导体的故障环阻抗.单位为欧
(Ω);
在规定的时间内引起切断保护器件自动动作的电流.单位为安倍(A);
U0——对地标称交流电压.单位为伏(V)。
由于故障电流使导体电阻随温度升高而增大.应考虑卜,式:
/ 2 Ut)
Z,(^)≤y×γ-
式中:
Z.3)— 在正常工作条件下・Z,的测ht或计算值.单位为欧(Q)。
故障环阻抗超过2LΛ∕3L时,可按照GB/T 16895.23- 2012中C.61.3.6.2所述的步骤进行更准确 的评估。
Λ.1.3用减小触摸电压使之低于50 V作保护条件
当不能满足A.1.2的要求时,可以选择辅助保护联结.即确保触摸电圧不超过50 V。保护联结电 路的阻抗(ZPE)不超过下式所示时•达到了保护条件。
式中:
ZPE 装置中设备的任何处和机械的PE端子(见5.2和图4)之间•或同时可触及的外露可导电
部分间和(或)外部可导电部分之间的保护联结电路阻抗.单位为欧(Q)。
本条件证实通过使用18.2.2的试骚ɪ中的力•法测址电阻/J,而获得。若RPF的测出值不超过下式 所示时,达到了保护条件。
式中:
LE—保护器件的5 S动作电流.单位为安倍(A);
∕<pe PE端子(见5.2和图4)和设备的任何处之间.或同时町触及的外露町导电部分和(或)外 部可导电部分之间的保护联结电路电阻.单位为欧(Q)C
注1:辅助保护联结被认为是对故障防护的补充。
注2:辅助保护联结可以包括整个装置、部分装賞、设备零件或-个配置。
A.1.4自动切断电源用作保护条件的检验
Λ.1.4.1 概述
依据A.1.2用自动切断电源作故障防护的措施,其冇效性检验如下:
通过目测断路器标称电流整定值和熔断器额定电流值来验证相关保护器件的特性,和;
—测量故障环路阻抗(ZS)O见图A.lo
例外:当故障环路阻抗可计算•旦装置的设賞又允许检验导体的K度和截面积时,可以用保护导体 连续性检脸代替测量。
使用电'(传动系统(PDS)时.故障保护的切断时间应满足本附录A在PDS的基本传动模块 (BDM)引入电源端子的相关要求。见图A.2o
A.1.4.2故障环路阻抗的测量
故障环路阻抗的测量.宜使用符合IEC 61557-3的测量设备逬行。测量结果准确性的信息和在测 量设备的文件中规定要遵循的程序应予考虑。
在预定的装置处.当机械连接到Jt频率与电源的标称频率相同的电源时.应进行测hL
注:图A.ι给出r在机械上测⅛t故障环路阻抗的典型配置示例。
在试稔期冋如果不能连接电动机.在试验中,不使用的两相导体可以断开.例如:拆去熔断器.故障 环路阻抗的测址值应符合A.1.2的规定。
TN系统中故障环路阻抗(Z∙)测量典型配置
图A. 1
图A.2 TN系统中电气传动系统电路用故障环路阻抗(Z.)测量典型配置
A.2 TT系统提供的机械故障防护
A.2J 连接到地
所冇外露叮导电部分和所冇外部町导电部分应连接至保护联结电路。
例外:见825。
除5.2的要求外.可以提供机械元素附加接地的规定和/或电气设备的PE导体。
注:TT系统中.电力系统的中性点或中间点应接地.或如果当中性点或中间点不可用或不易接近时.则将一线导体 接地(源自 GB/T 16895.21—2011 中 411.5.∣)o
Λ.2.2 I l系统的故障防护
Λ.2.2.1 概述
在TT系统中通常应釆用RCIX作故障防护。或者.当能长期和"靠确保Z,值适当低时.可选用 过电流保护装置作故障防护。Z■是故障环路阻抗。
注:在某些国家不允许在TT系统中用过电流保护装賞作故障防护。
用自动切断电源作为故障防护措施时.电气设备的设计者也可以:
a) 在设计计算中采用按GB/T 16895.23 2012测量的或由设备预期用户声明的接地极电阻值 或接地故障回路阻抗值(参见附录B);或
b) 对于批量生产的机械.规定接地电极电阻偵或适合于预期安装的接地故障回路阻抗。
并在安装说明日中街明接地电极电阻值或电气设备设计使用的接地故障冋路阻抗值,指出这是机 械可以连接的最大值。
采用电气传动系统(Pl)S)时,在PDS的基本传动模块(BI)M)的引入电源端子处.故障防护的断开 时间应符合本附录的相关要求。见图A.lo
A.2.2.2用剩余电流保护器(RCl))保护
采用剩余电流保护器(RCD)作故障防护时.应符合下列条件:
a) 表A.2要求的断开时间.和
b) Rλ×∕δii≤5O VD
式中:
RX —各外露可导电部分的接地电极和保护导体电阻之和.单位为欧(Q);
Is ——RCD的额定剩余动作电流,単位为安培(A)。
例外:配电电路和表A.2不故盖的电路.断开时间不超过1 5是允许的。
注1:此时.如果故障点阻抗并非诃忽略不汁,仍可实现故障防护.
注2:如RCD,之间具有选择性・(;RTI6895.22—2()04中的535.3给出J’信息。
注3:满足表A.2规定的断开时间要求的预期剩余故障电流.显著大于RCD的额定剩余动作电流(通常为53.
注4: RA的定义见GB/T 16895.21-2OlL 在GB T 5226的本部分.RA定义中的“接地极”术语相*于IEC 60050-
195:1998.195-02 30定义的“地冋路径"・
A.2.2.3用过电流保护器防护
采用过电流保护器时.应满足下列条件:
Z、XuUn
式中:
Z、-故障冋路的阻抗.单位为欧(Q).包括:
• 电源;
•至故障点的线导体;
•各外露可导电部分的保护导体;
•接地导体;
•电气装置的接地极和电源的接地极。
在表A.2规定的时间内引起切断器件lʃl动动作的电流.单位为安培(A)。
例外:表A.2不覆盖的电路,断开时间不超过IS是允许的。
UU 交流或直流线对地标称电压.单位为伏(V)。
表A.2规定的最大断开时间应适用于不超过32 A的电路.超过32 Λ的电路最大断开时冋不超过1 SO
表A.2 ΓΓ系统的最大断开时间
|
系统 |
50 V Uo 120 V S |
120 V Uo 230 V S |
230 V UO 400 V S |
UIi 400 V S | ||||
|
a.c. |
d.c. |
a.c. |
d.c |
a.c. |
d.c∙ |
a.c. |
d∙c∙ | |
|
TT |
0.3 |
注 |
0.2 |
0.1 |
0.07 |
0.2 |
0.01 |
0.1 |
|
当TT系统内采用过流保护装置切断电源・旦所有外部町导电部分连接到保护联结电路时•町以采用表A.1规定 的最长断开时间. U.>—线对地标称交流或直流电压. 注:切断电源的要求可能是为了电击防护以外的原因。 | ||||||||
A.2.3用剩余电流保护装置自动断开电源作保护的检验
在TT系统中,用剩余电流保护装置自动断开电源作故障防护时•应进行如下检验:
— 检査额定剩余电流脱扣值和剩余电流保护装置断开时冋值.和
按照相关IEC标准.对L测试过的剩余电流保护装置进行检验,和
——检査剩余电流保护装置和保护联结电路的连接。
A.2.4故障环路阻抗的测量(Z、)
故障环路阻抗的测量,宜使用符合IEC 61557-3的测故设备进行。测量结果准确性的信息和在测 量设备的文件中规定要遵循的程序应予考虑。
在预定的装置处.当电气设备连接到其频率为电源标称频率的99%和101%之间的电源时•应进行 测靖。
注1:图A.3给出在机械tiW ⅛故障环路阻抗的典型配置示例.
在试验期间如果不能连接电动机.在试验中,不使用的两相导体可以断开.例如:拆去熔断器。
注2:图A.4.给出采用电气传动系统时测筮故障冋路阻抗的典型配置示例。
故障环路阻抗的测植值应符合A.2.2.3o
注3:剰余电流保护装置和接地故障环路阻抗测吊的验证信息见GB/T 16895.23 2012,
电源
图A.3 TT系统故障环路阻抗(Z、)测量的典型配置
机械
电气传动系统
至电y设备的 其他电路
图Λ.4 TT系统中电气传动系统测量故障回路阻抗0,)的典型配置
附录B (资料性附录) 机械电气设备查询表
使用本査洵表叩以便于用户与供方之间就基本条件和用户的附加要求进行信息交换以确保机械电 气设备的正确设计、使用和利用(见4.1)。特别是当现场条件可能会偏离通常的预期。
附录B也可以作为内部检査单•用于系列制造的机械。
|
制造厂/供方名称 | ||||||
|
最终用户名称 | ||||||
|
投标书/定単编号 |
日期 | |||||
|
机械型号 |
序列号 | |||||
|
1.特殊条件(见第1 ¢) | ||||||
|
a)机械在露天使用吗? |
是否 |
如果是.清详细 说明 | ||||
|
I))机械将使用、加T.或生产爆炸性或易燃性材料吗? |
是/否 |
如果是•请详细 说明 | ||||
|
C)机械是在可能爆炸或易燃的环境中使用吗? |
是/否 |
如果是•请详细 说明 | ||||
|
d>当生产或消耗某些材料机械会产,I.特殊危险吗? |
是/否 |
如果是.请详细 说明 | ||||
|
e>机械用于矿山吗? |
是S |
如果是.清洋细 说明 | ||||
|
2.电源及有关条件(见4.3) | ||||||
|
a)预期的电压波动(如果超过±10%) | ||||||
|
I))预期的頻率波动(如果超过土 2%) |
持续 |
短时间 | ||||
|
e)指明电气设备今后可能的变化.这种变化会对电源 方面増加要求 | ||||||
|
d)电源规定的中断如果比第4章规定的长.若电气设 备在这样的条件F要保持运行 | ||||||
|
3.实际环境和工作条件(见Ll) | ||||||
|
a)电磁环境(见4.4.2) |
居住、商业或轻 工业环境 |
I业环境 | ||||
|
规定EMC条件或要求 | ||||||
|
b)环境温度范也 | ||||||
|
C)湿度范围 | ||||||
|
d)海拔 | ||||||
|
e)规定的环境条件(如腐Wi性气体、粉尘、潮湿环境) | ||||||
|
D辐射 | ||||||
|
8)振动、冲击 | ||||||
|
h>特殊的安装和T.作要求(如阻燃的电缆和导线) | ||||
|
i)逐输和存放(如温度超出4.5规定的范闱) | ||||
|
j>有关尺寸、重虽或点负载的限制 | ||||
|
4.引入电源 | ||||
|
規定每个电源 | ||||
|
a)标称电压(V) |
cUC. |
d.c. | ||
|
若为a.c..相数 |
频率(HZ) | |||
|
在电气设备接入点姓,电源的阻抗fi*l(Ω) | ||||
|
电源到电气设备接入点处的预期短路电流(kA r.m.s) (见第2章) | ||||
|
b)电源的接地型式(见IEC 60364-1) |
TN[系统貝有直 接接地点.保护 导线( PE)接到 此点上];如果规 定接地点是'I* 性点(星形中心 点)或其他点 |
TT [系统具朽 H接接地点.但 机械的保护导 线(PE)不接到 系统的接点Im | ||
|
∣T(系统不宜接 接地)______ | ||||
|
在IT系统中.是绝缘的监测〃故障位置由电气设备供 方提供?_________________________ |
是 | |||
|
C)电气设备是否连接电源中线(、)?(见5.D |
连接 |
不连接 | ||
|
允许的最大电流 | ||||
|
d)电源切断开关 | ||||
|
是否需要切断中线(N)? |
需要 |
不需要 | ||
|
切断中线(N)是否需要可移动的连接物? |
需要 |
不需要 | ||
|
所提供电源切断开关的型式 | ||||
|
e)外部防护(PE)导体横截面面积和材料 | ||||
|
f)装置中提供了 RCD? |
是/否 |
若是•型弓和额 定剰余动作电流 | ||
|
5.电击防护(见第6章) | ||||
|
^^在设备正常运行期间.哪类人员可以接近电箱 内部? |
电气熟练人员 |
电气受过训练 人员______ | ||
|
b)为扣紧门或詮而提供的锁是可取下钥匙的吗?(见 6.2.2) |
是 |
否 | ||
|
锁定装置类型 | ||||
|
提供并安装基本锁住单元(锁芯除外) | ||||
|
提供井安装锁芯 | ||||
|
6.设备的保护(见第7章) | ||||
|
a)电源线的过电流保护是由用户还是由供方提供? (见 7.2.2) | ||||
|
过电流保护器件的型式和額定值 | ||||
|
b) ∏f联机M接起动最大的三相交流电动机(kW) | ||||
|
C)电动机过载检测器件的数目是否可以减少?(也 7.3.2) |
是 |
否 | ||
|
d)是否提供过压保护? |
是/否 |
如果是.清详细 说明______ | ||
|
7.操作 | ||||
|
对于无线控制系统.盅缺少看效信号时•自动引发机械 关机前.规定延迟时间吗?_______________ | ||||
|
8.操作板和安装在机械E的控制器件(见第IO章) | ||||
|
特殊颜色优先(如与现有的机械一致) |
起动_____ |
停止_____ | ||
|
其他 一 | ||||
|
9.控制设备 | ||||
|
外売防护等级(见11.3)或特殊条件: | ||||
|
10.配线技术(见第13 *) | ||||
|
对于导线使用的怀识冇々门的方法吗?(见13.2.1) |
顶____ |
无 | ||
|
型式 | ||||
|
11.附件和照明(见第15章) | ||||
|
a)需要的插座型式是特殊的吗? |
是 |
否_______ | ||
|
如果是.哪种型式? | ||||
|
b)当机械配备局部照明时: |
最高允许电圧 (V) |
如果照明电路 电压不是直搂 取自电源.则说 明优选电压 | ||
|
12.标记、警告和参照代号(见第16章) | ||||
|
a)功能标识(见16.3) | ||||
|
规范: | ||||
|
b)名言警句/专用标记 |
在电气设备上吗? |
用何种厝言? | ||
|
C)规定要遵守的地方规章 |
有 |
无 | ||
|
如果有.是哪种? | ||||
|
13.技术文件(见第17章) | ||||
|
a)技术文件(见17.1) |
在何载体上? |
用何种语言? | ||
|
文件格式? | ||||
|
b)使用说明书(见17.D____________________ |
在何载体上? |
用何种语言? | ||
|
C)巾用户提供的管道、开式电缆托架或支架的尺寸、 位置和用途_____________________ | ||||
|
d)如果特定机件或控制设备组件在运徉安装位置时 可能影响运输•则指明对尺寸或币:量的特定限制: |
最大尺寸 |
最大重童 | ||
|
3 对于专用机械,是否需要提供负荷下机械的运行试 脸证书? |
是 |
不是 | ||
|
D 对于其他机械.是否需要提供负荷下机械的运行型 式试验i正寺?___________________________ |
是 |
不是 | ||
附录C
(资料性附录)
GB/T 5226本部分涉及的机械示例
下列清单给出一些机械的示例.它们的电气设备为CB/T 5226本部分所涉及。这个清单不意味着 是洋尽无遗的.但是与机械(3.1.40)的定义是相一致的o GB/T 5226本部分不适用于IEC 60335系列 标准范围内的家用和类似用途电器C
金厲加工机械
食品机械
—而团分块机
搅拌机
——派和糕点机
—肉类加工处理机
金属切削机床
金属成形机械
塑料和橡胶机械
—注塑机
挤出机
一吹塑机
热固模机
——粉碎机
印刷、纸张和纸板机械
—印刷机
—精修机、切纸机、折贝机
—卷纸和纵切机
—折叠箱上胶机
—纸和纸板加匸机
木工机械
——木工机床
—层压机
——锯木机
装配机械
物料搬运机械
机器人
——传送带
—运转机械
存放和提取机械
纺织机械
制冷和空调机械
皮革/仿革制品和鞋类机械
——卯冲机
粗轧、擦洗、磨革、修整、刷光机
—靴鞋模压机
检査/测试机械
—坐标测量机
—加工过程中的测量装置
圧缩机
包装机械
——码垛/拆垛机械
——打包机和收缩打包机
洗熨机械
采暖和通风机械
建筑和建材机械
——隧道掘进机械
—混凝土机械
—制砖机
—鞋梢机
起重机械(见GB/T 5226.32)
——吊车
起重机
-一石材、陶瓷和玻璃加工机
可移动式机械
——木工机械
——金属加「.机械
活动式机械
—升降台
人员输送机械
——自动扶梯
——人员运输索道,例如:缆椅和滑雪缆车一叉车
—载客电梯
——建筑机械
动力门
游乐场设施
—游乐场骑乘装置
泵类
农林机械
熔融金属热加「.机械
制単机械
—多滚筒机
—带刀机
—液压制革机
釆矿和采石机械
附录D
(资料性附录)
机械电气设备中导线和电缆的载流容量和过电流保护
1).1概述
本附录的目的在于提供选择导线尺寸的附加信息.在这里应对表6(见第12章)给定的条件给予修 正(见表6的注)。
1).2 一般工作条件
1).2.1环境温度
表6给出了环境温度40 T时的PVC绝缘导线的载流容⅛L对于其他环境温度.表D.1给出修正 系数。
橡胶绝缘电缆用修正系数由电缆制造厂给岀。
表D.1修正系数
|
环境温度 r |
修正系数 |
|
30 |
1.15 |
|
35 |
1.08 |
|
40 |
1.00 |
|
45 |
0.91 |
|
50 |
0.82 |
|
55 |
0.71 |
|
60 |
0.58 |
|
注:修正系数来源于IEC 60364-5-52.对PVC.正常条件下最高温度为70 V . | |
D.2.2 安装方法
在机械中•电柜到设备各单元冋的电线和电缆假定为典型的安装方法如图D.1所示(所用的字母代 码按 GB/T 16895.6 201 1)O
方法B1:用导线管(见3.1.9)和电缆管道装置(见3.1.6)放置和保护导线或单芯电缆。
方法B2:同BI .但用于多芯电缆。
方法C:在自由空间安装的多芯电缆.水平或垂直悬装壁侧.电缆之间无冋隙。
方法E:在自由空间安装的多芯电缆.水平或垂直装在开式电缆托架1:(见3.1.5)β
a)装在导线管和电缆通道系统中的导线/单芯电缆
b)装在导线管和电缆通道系统中的电缆
C)壁侧悬装的电缆
d)装在开式电缆托架上的电缆
图1).1不受导线/电缆数量限制的导线和电缆的安装方法
1)2.3集聚安装
如果安装多条负载电缆/线对.则表6的载流值IX或制造厂按表D.2或表Iλ3的偵应减额使用。 注:∕h<30%∕r的电路不需要减額。
表D.2集聚安装用L减额系数
|
安装方法 (见图D.l)(见注3) |
负载电缆/'线对数 | |||
|
2 |
1 |
6 |
9 | |
|
Bl(导线或单芯电缆)和B2(多芯电缆) |
0.80 |
0.65 |
0.57 |
0.50 |
|
C单层安装.电缆之间无冋隙 |
0.85 |
0.75 |
0.72 |
0.70 |
|
E单层安装.在一个穿孔托架上.电缆之间无间隙 |
0.88 |
0.77 |
0.73 |
0.72 |
表1).2 (续)
|
安装方法 (见图D.l)(见注3) |
负载电缆/'线对数 | |||
|
2 |
4 |
6 |
9 | |
|
E同t.®W 2个〜3个托架垂直放置.答托架之冋 相距300 mm(见注4) |
0.86 |
0.76 |
0.71 |
0.66 |
|
控制电路线对≤O.5 mn√(与安装方法无关) |
0.76 |
0.57 |
0.48 |
0.40 |
|
注1:系数适用于:
注2:同一系数适用于: ―2组或3組单芯电缆; —多芯电缆。 注 3:系数来源于 GB/T 16895.6-2014. 注4:穿孔电缆托架其孔占基底面积的30%(来源于GB/T 16895.6-2014). | ||||
表1).3 10 mm2及以下(含10 mm2)多芯电缆减额系数
|
负载导线或线对数 |
导线(>】mnr )(见注3) |
线对(0.25 mnr ~O∙75 mmj) |
|
1 |
LO | |
|
3 |
1.0 | |
|
5 |
0.75 |
0.39 |
|
一 I |
0.65 |
0.3 |
|
10 |
0.55 |
0.29 |
|
24 |
0.40 |
0.21 |
|
注1:适用冇相等负载导线/线对的多芯电缆. 注2,对于多芯电缆的集聚安装.见表D.2的减额系数。 注 3:系数来源于 GB/T 16895.6—2014. | ||
1X2.4导线分类
导线的分类见表「).4。
表D.4导线的分类
|
类别 |
说明 |
用法/用途 |
|
1 |
铜或铝硬线 |
固定安装 |
|
9 |
铜或铝绞芯线 | |
|
5 |
銅絞合软线 |
用于冇振动机械的安装•连接移动部件 |
|
6 |
铜绞合软絞.比5类线更软 |
用于频繁移动 |
|
注:来源于 GB/T 3956—2008. | ||
∣).3导线与过载保护器间的协调
图Iλ2说明导线参数与过裁保护器冋参数之间的关系。
设计电流栽流容量A
1. 45 X /,
牛线参数
---------------- -•------------------------- UA
保护器件参数 脱扣电阳2允许范围
标称电流或电流设定tfU,
图∣).2导线和保护器件的参数
电缆的正确保护要求防护电缆过载的保护器件(如过电流保护器件、电动机过载保护器件)满足下 列两个条件:
∕b≤∕n≤Λ
∕2≤1.45∕1
式^卩:
/.,—电路的设计电流.单位为安培(A);
If 电缆的连续工作有效载流容计.单位为安培(A).按照表6对于特定安装条件:
•温度,> 的减额见表D.1;
•聚集安装的减额见表D.2;
•多芯电缆的减额见表D.3β
In——保护關件的标称电流;
注1:对于可调整的保护器件.标称电流/“是选择的电流整定偵。
∕2 在规定的时间范围内(如63 A的保护群件为1 h),保证保护器件冇效动作的最小电流。
保i正保护器件有效动作的电流h在产品标准中给出或由制造厂规定。
注2:对于电动机Inl路导线.用于导线的过载保护市电动机用的过载保护来提供.而短路保护则由短路保护器件 提供。
依照本条用于导线的过载保护.如果使用了兼有过载和短路两种保护的器件时.它既不在所有情况(如过载电 流小于/.) F保证完全的保护.也不一定有经济的效果・因此.这种器件凹能不适合会出现过载电流小于/ 的场合.
1).4导线过电流保护
所有导线都需要住带电导线中接入保护器件以实现过电流保护(见7.2).ft导线达到允许的最髙温 度(见表D.5)前切断电缆中的短路电流。
注:关于中线见7.2.3第三段。
表I).5正常和短路条件下导线允许的最高温度
|
绝缘种类 |
正常条件下导线最髙温度 IC |
短路条件下导线短时极限温度 |
|
聚氣乙烯(PVC) |
ZO |
160 |
|
橡胶 |
60 |
200 |
|
交联聚乙烯(XlJJE) |
90 |
250 |
|
丙烯橡胶(EPR) |
90 |
250 |
|
硅橡胶(SlR) |
180 |
350 |
|
注:当导线短时极限温度高于20() I时.锻锡或裸铜导线均不诂合,镀银或镀镣铜导线适合在温度A T 200 X 时使用。 | ||
|
"这些偵基于短路时间不超过5 s的假定绝热性能。 | ||
实际上.当保护器件在电流/作用下,在不超过时间/的时间内使电路切断即达到了 7.2的要求, 此处∕<5 So
时间/值单位为秒(S) .应按下式计算:
f = (K ・ S∕∕)τ
式中:
S 截面积•单位为平方毫米(mnr);
/ 用交流方均根值表达的短路电流.单位为安培(A);
K—采用下列绝缘的銅导线的系数:
|
聚氯乙烯 |
115 |
|
橡胶 |
141 |
|
硅橡胶 |
132 |
|
交联聚乙烯 |
143 |
|
丙烯橡胶 |
143 |
1).5谐波电流对平衡三相系统的影响
在向单相负载电路馈电的情况下.负载电流包含谐波.电路的中性絞可能会冇额外负载.会导致电 缆载流能力的下降。参照GB/T 16895.6—2014中的附录Eo
附录E
(资料性附录)
紧急操作功能说明
注:本附注所包含的这些概念是为r便于读者理解这些术谱.虽然GlrT 5226本部分仅使用其中的两条。
E.1紧急操作
紧急操作包括下列单独的或组合的:
—紧急停止;
—紧急起动;
——紧急断开;
—紧急接通。
E.2紧急停止
预期停止要出现的危险过程或运动的紧急操作。
E.3紧急起动
预期起动过程或运动以去除或避免危险情况的紧急操作。
E.4紧急断开
预期切断设备的全部或部分电源.避免电击危险或其他由电引起的危险的紧急操作。
E.5紧急接通
预期接通部分设备的电源.是预期用作紧急情况的紧急操作。
附录F (资料性附录)
GB/T 5226的本部分使用指南
GB/T 5226本部分规定的许多通用技术要:求,可能适用也可能不适用于特殊机械的电气设备。只 是简单的引用而没有任何限定.对于GWT 5226.1完整标准是不够的。要:使选择的要求能覆盖 GB/T 5226本部分的全部技术要求。技术委员会制定产品系列标准或专用产品标准(欧洲标准化委员 会制定的C类标准)・而没有产品系列标准或专用产品标准的机械.机械制造厂应按F列方式采用本 部分:
a)直接引用本部分;
B) 从有关条文给出的技术要求中选择最适用的;
C) 机械电气设俗的特殊要求由其他有关的标准适当茂盖时.如必要•,修改某些引用条文。 提供的条文选项及修改不能对按照机械风险评价要求的防护等级有不利的影响。
当应用上述a)、b)和C)三项原则时.有如下建议:
——引用本部分的有关条文:
•遵照本部分・指出冇关应用选择的出处;
•专用机械或设备要求修改或扩充的本部分条文。
对于电气设备的要求完全由本部分覆盖时.可直接引用本部分。
能对下列各项进行专业评价是很重要的:
——完成所需要的机械风险评价;
——认真阅读理解本部分的全部要求;
从本部分可供选择的方法中选取可应用的技术要求;
——识别不用于或不包括在本部分中的M供选择的方法或附加的特殊嬰求.相关要求由机械及其 用途决定;
——明确规定这些特殊要求。
本部分的图1是典型机械的框图.可用作本任务的起点。它指示处理特殊要求或特殊设备的条文 或子条文。本部分是复杂的文件.表F.1冇助于识别特殊机械对本部分的应用选择.并给出引用的其他 相关标准。
表F.1应用选择
|
类别 |
条款或子条款 |
i) |
ii) |
Hi) |
iv) |
|
范闱 |
1 |
× | |||
|
基本要求 |
I |
× |
× |
× |
GB/T 15706 |
|
设备选择 |
1.2.2 |
× |
× |
IEC 61439 系列 | |
|
电源切断(陥离)开美 |
.3 |
X | |||
|
例外电路 |
5∙3∙5 |
× |
× |
GB/T 15706 | |
|
防止意外起动.隔离 |
5.4.5.5 和 5.6 |
X |
X |
X |
ISO M118 |
|
电击的防护 |
6 |
X |
(;B/T 16895.21 2011 | ||
|
紧急操作 |
"二 3.1 |
X |
X |
(;B/T 16754—2008 | |
|
双手控制 |
9.2.3.8 |
X |
× |
ISO 13851 |
表F∙1 (续)
|
类别 |
条款或子条款 |
i) |
ii) |
iii) |
iv) |
|
无线控制 |
9.2.1 |
X |
X |
X |
IEC 62745 |
|
失效情况的控制功能 |
9.4 |
X |
X |
X |
GB/T 15706 ISO 13849(所有部分) IEC 62061 |
|
位置传感器 |
10.1.4 |
X |
X |
X |
ISO 14119 |
|
操作者•接「I装置的顔色和标志 |
10. 2. 10. 3 和 10.4 |
X |
X |
IEC 60073 IEC 61310(所有部分) | |
|
急停 |
9.2.2.1.2 |
X |
GB/T 16754 2008 | ||
|
急停器件 |
10.7 |
X |
× |
IEC 60947-5-5 | |
|
紧急断开器件 |
!(>.« |
X |
X |
GB/T 16895.22—2004 | |
|
控制设备防污染保护等 |
I0.I.3 和 11.3 |
X |
X |
X |
IEC 60529 |
|
导线标识 |
13.2 |
X |
X |
IEc 62491 | |
|
验证 |
18 |
X |
X |
X |
IEC 60364-6 |
|
附加的用户要求 |
附衆B |
X |
X | ||
|
TN系统的故障防护 |
附录.∖(Λ.I) |
X |
GB/T 16895.21 2011 IEC 60364-6 | ||
|
TT统的故障防护 |
附录Λ(Λ.2) |
X |
GB/T 16895.21—2011 IEC 60364-6 | ||
|
宜考虑对(;B/T 5226本部分的条款和子条款起作用的下列有关项目(用X表示): I)从给出的措施中选择; H)附加要求; ɪii)不同要求; ɪv)其他可能的相关标准. | |||||
附录G
(资料性附录) 常用导线截面积对照表
表GJ提供美国絞规(AWG)与以平方毫米,平方英寸和岡密丄I:表示的导絞截面积对照。
表G.1导线尺寸对照表
|
导线尺寸 |
线规号 |
哉面枳 |
20 eC时铜导线的 直流电阻 |
圆密耳 | |
|
Tnnr |
(AWO) |
mnr |
► r in` |
Q/km | |
|
0.2 |
OJ 96 |
0.00() 304 |
「1.62 |
387 | |
|
24 |
0.205 |
0.000 317 |
87.60 |
404 | |
|
0.3 |
0.283 |
0.00() 438 |
63.46 |
558 | |
|
22 |
0.324 |
0.00() 504 |
55.44 |
640 | |
|
0.5 |
0.500 |
0.000 775 |
36.70 |
987 | |
|
20 |
0.519 |
0.000 802 |
34.45 |
1 020 | |
|
0.75 |
0.750 |
0.001 162 |
24.80 |
1 480 | |
|
18 |
0.823 |
0.001 272 |
20.95 |
I 620 | |
|
1.0 |
1.000 |
0.001 550 |
18Λ,∏ |
1 973 | |
|
16 |
1.31 |
0.002 026 |
13.19 |
2 580 | |
|
1.5 |
1.500 |
0.002 325 |
12.20 |
2 960 | |
|
14 |
2.08 |
0.003 228 |
8.442 |
4 IlO | |
|
2.5 |
2.500 |
0.003 875 |
7.56 |
1 934 | |
|
12 |
3.31 |
0.005 129 |
5.315 |
6 530 | |
|
4 |
4.000 |
0.006 200 |
1.70() |
7 894 | |
|
10 |
5.26 |
0.008 152 |
3.335 |
10 380 | |
|
6 |
6.000 |
0.009 300 |
3.1 IH |
11 841 | |
|
8 |
8.37 |
0.012 967 |
2.093 |
16 510 | |
|
IO |
10.000 |
0.001 550 |
1.810 |
19 735 | |
|
6 |
13.3 |
0.020 610 |
1.32H |
26 240 | |
|
16 |
16.000 |
0.024 800 |
1.160 |
31 576 | |
|
I |
21.1 |
0.032 780 |
0.829 5 |
41 740 | |
|
25 |
25.000 |
0.038 800 |
0.734 O |
19 338 | |
|
2 ■ |
33.6 |
0.052 IOO |
0.521 1 |
66 360 | |
|
35 |
35.000 |
0.054 200 |
0.529 O |
69 073 | |
|
1 |
12.4 |
0.065 700 |
0.413 9 |
83 690 | |
|
50 |
■17.000 |
0.072 800 |
0.391 O |
92 756 | |
温度不是20 βC时.可用下式计算:
R=R心+0.003 93(z-2O)]
式中:
RI——20 °C时电阻;
R 温度为/ P时电阻。
附录II
(资料性附录)
减少电磁影响的措施
H.1定义
下列术语和定义仅适用于本附录。
H.1.1
器具 apparatus
已完成的装置或以单一功能单元为商用进行组合.供最终用户和易产生电磁骚扰,或易受这种骚扰 影响的性能时使用。
H.1.2
固定设施 fixed installation
凡种类型的器具和其他装置(适当时)的特定组合.这些特定组合在预定位置装配、安装并预期永久 使用。
H.2概述
本附录为提高电磁抗扰度和减少电磁骚扰的发射提供建议。
为EMC(电磁兼容性)的「I的.机械的电气设备被认为是器眞或固定设施。在电气安全和电磁兼容 性导致不同要求的场合.电气安全始终具有较高的优先级。
电磁干扰(EMI)可能骚扰或损害过程监控、控制和自动化系统。由于闪电、开关操作、短路和电磁 现象引起的电流可能导致过电压和电磁干扰。
可能发生这些影响的例子:
——在大可导电回路存在的地方;
在公共线路上安装不同的电气布线系统.例如:电源、通信、控制或信号电缆。
运载高电流变化率(di∕dι)的大电流的电缆会在M他电缆中引起过电压,这呻能影响或损吿所连接 的电气设备。
H.3电磁干扰(EMI)的抑制
H.3.1概述
在电气设备的设计中.为减少电磁对电气设备的影响宜考虑下面所描述的措施。
只宜使用满足适用的EMC标准要求•或有关产品标准的EMC要求的电气设备。
H.3.2 减少EMl的措施
下列措施减少电磁干•扰:
a) 为改善有关传导电磁现象的电磁兼容性.宜对电磁影响敏感的设备安装浪涌保护装賞和/或滤 波器;
b) 电缆可导电护套(例如:铠装.屏蔽)宜连接至保护联结电路;
C)依照H.L通过选择动力、信号和数据电路的共冇路线并保持电路分离.以避免感应回路;
CI)动力电缆宜与信号或数据电缆保持隔离;
e) 动力电缆和信号或数据电缆确有必要相圮交义的场合.宜IT角交义;
f) 为减少感应电流进入保护导体.使用同轴电缆;
g) 为了电动机和变换器之冋的电气连接.使用对称多芯电缆(例如:含冇单独保护导体的屏蔽 电缆);
h) 根据制造商说明书的EMC要求使用信号和数据电缆;
i) 使用屛蔽信号或数据电缆时.注意宜减少流过接地的屏蔽信号电缆或数据电缆的电流。可能
有必要安装旁路导体,见图H.1;
♦ ♦
腓敲増强用旁路导体
图H.1屏蔽增强用旁路导体
注:机械部件的曲好等电位联结减少旁路导体的需要.
j) 布线宜尽可能短,使等电位联结有尽可能低的阻抗•并在适当的场合使用编织线传导更高的 频率;
k) 为了功能的正确性.如果电子设备需要一个接地参考电圧.该参考电压由功能接地导体提供.
对于工作在高频的设备.该联结应尽可能短。
H.4电缆分离和隔离
共享同一路线的动力电缆和数据电缆宜按照本附录H的要求安装。
没冇其他信息再用时.动力电缆和数据电缆之间的分离距离宜符合表H.I和图H.2α
表ILI使用金属容器的最小分离距离(如图11.2所示)
|
0 网格金做容器 |
回 穿孔金威容器 |
© 实体金泌容器 | |
|
没冇金属容器的分离 | |||
|
≥200 mm |
≥150 mm |
≥100 mm |
0 mm |
囚 屏蔽性能(IX'-IOO MHZ)相当于网格尺寸50 mmXlOO mm的焊接网格钢篮(不包括怫子)。这种解成性能 用钢托盘也能获得.即使壁叩小于1 mm和/或均匀分布的穿孔而积大于20%.
El衅蔽性能(IX'-100 MuZ)相当于至少1 mm壁厚、均匀分布的开乱面枳不超过20%的钢托虻这种胖蔽性 能也实现了动力电缆的屏蔽• 金属容器内未放电缆部分宜低于金属容器顶部10 mm.
C]屏蔽性能(DC-IoO MIIZ)相'4于至少1 mm壁厚的钢导絞管。特定的分离由分离/屏微措施另外提供.
表H.l指定的最小分离要求适用于相邻电缆托架或电缆通道系统水平或垂宜分离。在数据电缆 和动力电缆需要交叉和不能保持所要求的最低分离时.那么,对于距离不小于适用的最低分离要求.它 们的交叉角度在交又的任何一方宜保持在90oO
图H.2和图H.3显示分离和隔离的例子。
距离见表HL
•=电源电缆
C)=数据电缆
O =辅助电路
0=®感电路(例如:測fit)
图H.2垂直分萬和隔离的例子
距离见表H.I.
图II.3水平分离和隔离的例子
电缆托架或电缆通道系统内的可用空间宜允许安装可接受数植的附加电缆(参见附录B)O电缆朿 高度宜低于电缆托架或电缆通道系统的侧壁.如图H.4所示。电缆通道系统重叠盖提高电磁兼容性 性能。
U型电缆托架.因磁场在两角附近减弱.须优先选择深侧墙。
不推荐
推荐
阴影部分表示好蔽
阴影部分表示
不推荐
推荐
图11.4金属电缆托架中的电缆排放
旨在提髙电磁兼容性的金福电缆托架或电缆通道系统.在H:两端应连接到局部等电位联结系统。 对于长距离(如大于50 m).宜将附加连接接至等电位连接系统。至等电位联结系统的所冇连接宜冇低 阻抗。
金属电缆托架或电缆通道系统是市若干元素构建.注意宜确保相邻元素之冋的冇效联结的连续性。 金属截面的形状宜达到遍及全长屏蔽的连续性。所有的互连宜有低阻抗;见图H.5。
图H.5金属电缆托架或电缆通道系统之间的连接
金属电缆通道系统采用金福盖子时.优选全长圈盖。如果不可能.连接到电缆托架的盖宜至少在两 端短连接小于10 Cm.例如:编织带或网状带。
图H.6显示金届电缆托架穿过装冇防火屏障的墙体。要求中断金属电缆托架而穿过建筑结构的 场合.在两金属部分之间宜提供低阻抗的互连。关于防火屏障规则优先于EMC的符虑。
图H.6在防火屏障处中断电缆托架
H.5并联电源的机械电源
机械用并联电源供电.见IEC 60364-10
H.6使用电气传动系统(Pl)S)时的电源阻抗
Pr)S接至电源阻抗太高时.可能导致传导发射问题。
附录1
(资料性附录)
文件/信息
适用于文件和信息的标准详见表1.1。
注:国际标准化文件和信息类的简明定义可在公开可用的数据库IEC 61355 I)B(IHtP√∕stdJec^h∕icc6l355)1⅛i⅛ .
表L1适用文件和信息的标准对照表
|
______电气设备侑息类型______ |
______________推荐的标准______________ |
|
结构原则 |
IEC 81346-1 1:业系统、装置与设备以及I:业产品结构原则与参照代 号第1部分:基本规则 |
|
文件结构 |
IEC 62023技术信息与文件的构成 |
|
零件清单 |
IEC 62027明细表的编制 |
|
文件清单 |
IEC 62027明细表的编制 |
|
电气设备特性规范 |
IEC PAS 62569 1产品信息-般规范 第1部分:原则和方法 |
|
搬运、运输和存储说明 |
IEC 82079说明书的编制 结构、内容和陈述 第1部分:一般原则 和详细要求 |
|
安装.在现场装配.拆卸等用说明15 |
IEC 82079说明书的编制 结构、内容和陈述 第1部分:一般原则 和详细要求 |
|
使用说明书 |
IEf 82079说明书的编制 结构、内容与表达 第1部分:一般原则 和详细要求 |
|
服务和维护说明 |
IEC 82079说明书的编制 结构、内容与表达 第1部分:一般原则 和详细要:求 |
|
参照代号 |
IEC 81346-1 T业系统、装置与设备以及匸业产品 结构原则与参照 代号第1部分:基本规则 IEC 81346-2匸业系统、装置与设备以及匸业产品 结构原则与参照 代号 第2部分:项日的分类与分类码 |
|
端子代号 |
IEC 61666工业系统、装置与设备以及T.业产品 结构原则与参照代 号系统内端子标识 |
|
电缆和缆芯的代号 |
IEC 62491工业系统、装置与设备以及匸业产品 电缆和芯的标签 |
|
电路图 |
GB/T 6988.1 2008/1EC 61082-1 电气技术用文件的编制 第1部 分:规则 |
|
设备布局和总体尺寸 |
IEC 61082-1电气技术用文件的编制 第1部分:规则 |
|
互连图.端子表.电缆友.电缆托架布置图 |
IEC 61082-1电气技术用文件的编制 第1部分:规则 |
|
规定时间备件表的编制 |
IEC 62027明细表的编制 |
|
参数表(例如:变流器) |
(尚无标准) |
|
工具表 |
IEC 82079说明书的编制 结构、内容和陈述 第1部分:一般原则 和洋细要求 |
|
识别系统 |
IEC 62507-1实现明确信息交换的识别系统要求第1部分:原则 和方法 |
|
注:对于简单的设备IEC 62023允许一个単一文件包含所有的信息・ | |
附录NΛ
(资料性附录)
与规范性引用的国际文件有一致性对应关系的我国文件
GB/T 755 2008 旋转电机 定额和性能(IEe 60034-1 :2004 JDT)
(;B/T 4026-2010 人机界面标志标识的基本和安全规则 设备端子和导体终端的标识
(IEC 60445:2OO6,IDT)
GB/T 4208—2017 外売防护等级(IP 代码)(ɪEC 60529:2O13 JDT)
(;B/T 4772.1 1999 旋转电机尺寸和输出功率等级 第1部分:机座号56〜400和凸缘号55〜 108O(IEC 60072-1:1991 JDT)
(HVT 4772.2—1999 旋转电机尺寸和输出功率等级 第2部分:机座号355-1000和凸缘号 1180-236O(IEC 60072-2: 1990.1DT)
GB/T 4772.3 1999旋转电机尺寸和输出功率等级 第3部分:小功率装入式电动机 凸缘砂
BF10-BF50(IEC 60072-3: 1994 .Π)T)
GB/T 5165.1—2009
GB/T 5465.2 - 2008
GB/T 7251.1 2013
GB/T
MoD)
GB/T
GB/T
11918.1 2014
电气设备用图形符号 第1部分:概述与分类(IEC 60417 DBz2007.MC)D) 电气设备用图形符号 第2部分:图形符号(IEC 604 17 DB:2007 JDT) 低压成套开关设备和控制设备 第1部分:总则(IEC 61439-1:2011 .IDT)
匸业用插头插座和耦合器 第1部分:通用要求(IEC 60309-1:2012,
低压开关设备和控制设备
低压开关设备和控制设备
合电器(IEC 60947-3s2015 JDT)
GB/T 1 1048.5-2017低压开关设备和控制设备
式控制电路电器(IEC 60947-5-1 j2016.Mon)
(;B/T 14048.9 2008 低压开关设备和控制设备
关电器(设备)(CPS)(IEC 60947-6-2:2007.IDT)
GB/T 14048.14 2006 低压开关设备和控制设备
14O48.2—2OO8
1 1048.3 2017
第 2 部分:断路器(IEC 60947-2s2OO6.IDT)
第3部分:开美、隔离器、隔离开关及熔断器组
第5-1部分:控制电路电器和开关元件机电
第6-2部分:多功能电器(设备)控制与保护开
第5-5部分:控制电路电器和升关元件 具冇
机械锁闩功能的电气紧急制动装置(IEC 60947-5-5: 1997-IDT)
GB/T 16855.1 2008
2006. IDT)
GB/T 16855.2 2015
IDT)
GB/T 16895.1 2008
2005 JDT)
GB/T 16935.1—2008
2007.1DT)
机械安全 控制系统有关安全部件 第1部分:设计通则<1S() 13849-1:
机械安全控制系统安全相关部件第2部分:确认(ISO 13849-2:2012.
低压电气装置 第1部分:基本原则、一般特性评估和定义(IEC 60364-1:
低压系统内设备的绝缘配合 第1部分:原理、要求和试验(IEC 60661 1:
GB/T 17045-2008 电击防护装置和设备的通用部分(IEC 61140j2001 JDT)
GB/T 18209.1 2010机械电气安全 指示、标志和操作 第1部分:关于视觉、听觉和触觉信号 的要求(IEC 61310-1 :2OO7.Π)T)
GB/T 18209.2—201()机械电气安全 指示、标志和操作 第2部分:标志要求(IEc 61310-2: 2007 JDT)
GB/T 18209.3 2010机械屯气安全指示、标志和操作第3部分:操动器的位置和操作的要:
求(IEC 61310-3:2OO7.1DT)
GB/T 19212.1 2016变压器、电抗器、电源装置及其组合的安全第1部分:通用要求和试验 (IEC 61558-1 :2009,MoD)
GB/T 19212.7—2012电源电压为1 100 V及以F的变压器、电抗器、电源装置和类似产品的安全 第7部分:安全隔离变压器和内装安全隔离变圧器的电源装置的特殊要求和试验(IEC 61558-2-6: 2009.1DT)
GB/T 19529—2004 技术信息与文件的构成(IEC 62023:2000.1DT)
GB 28526— 2012 机械电气安全安全相关电气、电子和可编程电子控制系统的功能安全 (IEC 62061 :2005-IDT)
GB/T 31523.1 2015 安全信息识别系统 第1部分:标志(ISO 7010:2011 .MOD)
参考文献
[1] GB/T 3956—2008 电缆的导体(IEC 60228:2004.11)T)
[2] GB/T 4205 2010 人机界面标志标识的基本和安全规则操作规则(IEC 60147: 2001. IDT)
[3] GB 5226.3—2005 机械安全 机械电气设备 第11部分:电压高于1 Ooo Va. c.或 1 500 Vd.c.但不超过36 kV的高压设备的技术条件(IEC 60204-11 :2000 JDT)
[4] GB/T 5226.31-2017机械屯气安全机械电气设备第31部分:缝纫机、缝制单元和缝 制系统的特殊安全和EMC要求(IEC 60204-31 :2013 Jr)T)
[5] GB/T 5226.32-2017机械电气安全 机械电气设备 第32部分:起重机械技术条件 (IEC 60204-32:2008.1DT)
[6] (JB/T 5226.33—2017机械电气安全机械电气设备第33部分:半导体设备技术条件 (IEC 60204-33:2009,IDT)
[7] GB/T 13539.1—2015 低压熔断器 第 1 部分:基本要求(IEC 60269-1 :2009.1DT)
[8] GB/T 15544.1 2013 三相交流系统短路电流计算 第1部分:电流计算(IEC 60909-0: 2001 JDT)
[9] (;B/T 15706—2012 机械安全 设计通则 风险评估与风险减小(ISO 121OO:2O1O. II)T)
[10] (;B/T 17888.1 2008 机械安全 进入机械的固定设施 第1部分:进入两级平面之间的 固定设施的选择(ISo 14122-1:2001.1DT)
[11] (;B/T 17888.2 2008 机械安全 进入机械的固定设施 第2部分:工作平台和通道
(ISO 14122-2:2OoIJDT)
[12] GB/T 17888.3 2008机械安全 进入机械的固定设施 第3部分:楼梯、阶梯和护栏
(ISO 14122-3:2001.IDT)
[13] GB/T 18802.12-2014低压电涌保护器(SpD)第12部分:低压配电系统的电涌保护器 选择和使用导则(IEC 61643-12:2008.1DT)
[14] (;B/T 21714.1—2015 雷电防护 第 1 部分:总则(IEC 62305-1 :2010 JDT)
[15] GB/T 21714.4—2015 雷电防护 第4部分:建筑物内电气和电子系统(IEC 62305-4 : 2010.IDT)
[16] GB/Z 25812.1-2010低压开关设备和控制设备过电流保护电器第1部分:短路定额 的应用(IEC/TR 61912-1 :2007.IDT)
17^∣ IEC 60034-5 ROtaling electrical machines—Part 5:DegreeS Of PrOteCtiOn PrOVided by the integral design Of rotating electrical machines( IP COde) ('Iassification
[18] IEC 60034-11 ROtating electrical machines—Parl 11:Thermal PrOIeCtiOn
.19] IEC 60038:2009 IEC Standard VOhageS
L2θJ IEC 60050 InlCrnatiOnal EICCtrOtCChniCal VOCal)UIary(available at <http: www.eleclro-Pedla.org>)
[21 ] IEC 60073:2002 BaSiC and Safety PrinCiPIeS for man-machine interface*marking and iden-tifieaɪion—COding PrinCiPleS for indicators and actuators
[22] IEC 60085 EleCtriCaI insulation I herniaI evaluation and CIeSignatiOn
[23] IEC 60216(all PartS) EleCtrlCal insulating materials一Thermal CndUranCe PrOPertieS
_24] IEc 60287(all PartS) EIeCtrlC Cal)IeS—('alculalion Of the CUrrent rating
[25] IEC 60320-1 APPlianCe CoUPIerS for household and SimiIar general PUrPOSeS- Part 1 :
General re<∣uirements
[26] IEC 6O332(aIl PartS) TeSlS On CIeCtriC and OPtiCal fibre CaI)IeS Un(ICr fire COnditiOnS
[27] IEC 60335(all PartS) HOUSehOld and Similar electrical appliances Safety
[28] IEC 6O364(all PartS) LOW-VOltage electrical installations
29] IEC I R 60755 (JenCrCil requirements for residual CUrrent OPerateCl ProteCtlVe CleViCeS
! 30] IEC 60757:1983 COCle for designation Of COIOUrS
31] IEC VR 60890 Λ method Of IenIPeratiire-rise VerifiCation Of IOW-VOItage SWitChgear and
COntrOlgCar assemblies by CalCulatiOn
L32] IEC I R 60909-1 :2002 ShOrt-CirCUit CUrrentS in Ihree-PhaSe a.c.systems Part 1: FaCtorS for the CalCUlatiOn Of ShOrt-CirCUit CUrrentS according to 1E(' 6()909-0
[33] IEC 60947 1 ∙2OO7 LOW VOllage SWiIChgear and COntrOlgear Part 1:General rules
L34 J IEC 6O947-4T ɪ.OW-VOltage SWitChgear and COntrolgear——Part I-I : C'OntaCtOrS and mo
torstarters EICCtromcchanical COntaCIOrS and motor-starters
[35] IE(' 6094 7-5∙2 : 2007 I.oW-Voltage SWitChgear and COntrOIgear一Part 5-2: COnIrOl CirCUil
CIeViCeS and swɪlehɪng elements PrOXinlity SwitCheS
[36] IEC 60947-5-8 LOW-VOhage SWitChgear and COntrOIgear — Part 5-8:COrnrOl ClrCllit devices and SWitChing CIementS Three-POSitiOn Cnabling SWitCheS
[37] IEc 60947-7-1 :2OO9 LOW-VoItage SWitChgear and COntrOlgear Part 7-1: AnCilIary equipment -Terminal blocks for COPPer COnCIUCtOrS
[38 IEC 61000-5-2:1997 EIeCtrOmagnetiC COmPatibiIity (EM(') Part 5 : InStallatiOn and mit-igatɪon guidelines—SCCtiOn 2 : Earthing and CabIing
[39 , IE(' 61000-6-1 :2005 EIeCtrOnIagnetiC COnIPaIɪbiIity (EM(') — Part 6-1 :(ʃeɪɪerie standards: InIπmnity for residential .commercial and Iight-indust rial CnVirOnTnCntS
40J IEC 61000-6-2 :2005 FZIeCtronιagnctic ConlPaIiI)IIity (EMe) Parl 6-2:(ʃeɪɪerie StanClardS一Immunity for industrial CnVirOnnICntS
[11 I IEe GIOOO-6-3:2OO6 EIeCtrOmagnCtiC ConlPatIbility (EMC)—Part 6-3:Ocneric StandardS E-mission Standar(I FOr residential∙COmmerCiaI and light-industrial CnVirOnmentS
[42] IEC 61000 6-4: 1997 ElCClrOmagnCtiC COmPaIilJility (EMC) Part 6 :(JeneriC StandardS
SeCtiOn 4 : EmlSSiOn Standard for industrial environments
[13 ] IEC 61082-1 :201 I PrCParatiOn Of documents USCCI in ClCCtroICChnOIOgy Part 1 : RUICS
[44] IEC 61084(all PartS) ('able trunking and ducting SyStemS for electrical installations
15] IEc 61175 IndUStrial SyStCnIS.InStalIatiOnS and CqUiPlncut and industrial PrOdUCtS Designation Of SignalS
-16] IEc 61180(all PartS) ɪ Iigh-VOlIagC test techni(∣ues for IOW-VOItagC CqUipnlCnt
[47 IEC TR 61200-53S1994 EleCtriCal installation guide—Part 53:SeIeCtiOn and erection Of e-IeCtriCal C(IlHJ)ment SWitChgear and COntrOIgear
[48 I IEC 61355 COlIeCtiOn Of StandardiZed and established document kinds(available at http: ZSId. iec.ch∕iec61355)
[49」 IEC 61496-1 :2OO4 Safety Of machinery—EIeCtrO-SenSitiVe PrOteCtiVe ec∣uipment Part 1: (JenCral requirements and tests
[50] IEC 61506 IndUStriaI-PrOCeSS measurement and COnlrol I)OCUmentation Of application SoftWare
[51] IEC 61557(all PartS) EIeCtriCal Safety in IOW VOItage distribution SyStemS UP to 1 000 V a.c∙ and 1 500 V d.c. EqUiPmCnl for IeSIingWnICaSUring Or monitoring of PrOteCIiVe measures
[52] IEC 61558-2-2 Safety Of I)OWer transformers. POWer SUPPlieSW reactors and Similar products—Part 2 2: PartiCUlar requirements and IeStS for COntrOl transformers and POWCr SUPPlieS incorporating COntrOl transformers
[53 J IEc 61558-2-16 Safety Of transfornιors∙ reactors.POWer SuPPly units and SimiIar PrOdIICtS for SUPPly VOItageS UP to 1 100 V Part 2-16: PartiCUlar re(∣uireιneIHS and IeSIS for SWitCh mode POWer SUPPIy UnitS and transformers for SWitCh mode POWCr SUPPly UnitS
[54- IEC 61666 IndUStrial SyStems∙installations and e(∣uipmeni and industrial ProdUCtS Identification Of ICrnIinaIS WiIhin a SyStem
[55] IEC 61800(all ParlS) Adjustable SPCe(J CIeCtriCal POWer CIriVe SyStemS
[56] IEC 62020 EIeCtriCal accessories ReSidUal CUrrCnt monitors for household and similar ιι-scs( RCMS)
[57 ] IEC 62027 : 2011 PreParatiOn Of ObjeCl IiStSJnCIUding PartS IiStS
[58] IEC 62491 Industrial SyStems∙ installations and equipInent and industrial PrOdUCtS—l.a* belling Of Cal)IeS and COreS
[59] IEC 62507-1 IdentifiCatiOn SyStenlS Cnabling UnambigUOUS information interchange Requirements Part 1 : IJrinCiPIeS and methods
[60] IEC 62745 Safety Of machinery—Re(IUiremCntS for the interfacing Of CableleSS COntrolIerS to machinery
[61」 IEC PΛS 62569 1 GenCriC SPeCifiCatiOn Of information On PrOClUCtS—Part 1 : ɪɔrineiples and methods
[62_ IEC 81346T :2OO9 IndUStrial SyStems∙ installations and CquiPmern and industrial products——StrLɪeturɪɪig PrinCiPlCS and reference CIeSignationS Part 1 : BaSiC rules
_63_ IE(' 81346-2 : 2009 IndUStrial SyStemSW installations and C(IUiPment Clnd industrial products—StruCtUring PrinCiPlCS and reference designations Part 2: CIaSSifiCatiOn Of objects and CodeS for classes
「6L IEC 82079 1 :2012 !Reparation Or Instruciions for USC SlrUCIUring∙content and presentation—Part I :(ɪeneral PrinCipleS and detailed requirements
一65] IEC GUidC 106 : 1996 GUidC for SPCCifying CnVirOnmCnIal COnditIOnS for CqUiPnICnt per
formance rating
66 I ISO 3864 1 : 2011 GraPhiCaI SylnbOiS SafCty COIOUrS and SafCty SiglIS Part 1: Design PrinCiPlCS for Safety SignS and Safety markings
_67] ISO 7000 :2011 (iraphical Syml)OIS for USC On CqUlPmCnt RCgIStCrCd SymbOlS
;68] IS() 13732-1 ErgOnOmiCS Of the thermal environment MethOdS for the assessment Of
human responses to COntaCt With SUrfaCCS Part 1 : HOt SUrfaCeS
[69 ] 1S() 1385 1: 2002 Safety Of machinery TWO-hand COnIrOI devices FUnCtiOnal aspects
and CICSign PrinCiPIeS
L70J ISO 14118:2000 Safety Of TnaChinery—PreVentiOn Of UneXPeCted Start-UP
[71] ('ENELEC HD 516 S2.Guide to USC Of IoW-VoItagC harmonized CabICS
72 I EN 50160 : 2010 VoItage CharaCIeriStiCS Of eleciriCity SUPPlie(I l)y PUI)IiC electriCiIy nel-works∙EN 50160:2010/AMDl :2O15
L∑3j UL 508A UL StandarCl for SafCty for InClUStrial COntrOl PanCIS.second EdiliOn.2013 revised 2014.
[74] NFPA 79 EleCtriCal Standard for Industrial MaChinery∙2015 edition
99